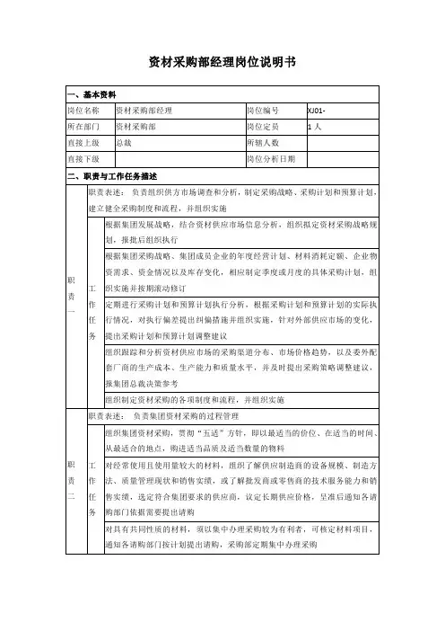
01资材部经理岗位职责说明书
- 格式:doc
- 大小:54.50 KB
- 文档页数:1
公司各岗位职责说明书
√
√
√
√
生产计划控制程序
√√
√
√外包过程控制程序
√
√√
√
√√
√√
√
√
√√
√√
√√
√√
6
√
√
10%
7√√5%
《盘点管理办法》;《仓库业务控制程序》
25%
25%
10%
产销协调
成本控制
部门绩效管理
日常管理
20)各类单据及时审核处理,确认生产的顺利开展
2
3
45异常处理
13)部门费用支出合理控制,防止部门预算超出
14)及进将库存成品数据提报业务推动销售进度,降低库存
16)编织及审核资材部各课绩效方案措施,确保公司绩效管理顺利推行,并提升员工工作积极性。
10%
17)绩效指标达成过程监控,未达标指标检讨分析,提升绩效管理指标达成率
18)涉及生产计划,交付能力的异常事件跟进及处理,提升客户交付达成率19)资材部内部异常处理,完善管理
6)客户订单按产品类别及生产产地区别规划产能,满足客户交付需求
7)生产计划及交付过程的监控,及时发现问题处理,提升客户交付能力
8)生产数据及销售数据统计分析,对生产计划及接单销售提供依据
9)外包供应商价格议价,降低成本其他21)完成领导交代的其他工作。
执行公司规定任务并按要求负责实施方案的落实、检查、监督、总结,并上报执行方案的结果。
10)物料需求的计划与请购监控,减少不合理物料请购发生,降低余料库存的产生11)库存物料(包括呆料)定期检讨分析,降低库存
12)主导库存盘点工作,可以体现仓库物料准确性程度,库存物料所占资金,及物料安全性等。
资材经理职务说明书资材经理职务说明书一、职位概述资材经理是企业的物资管理和供应链管理的主要负责人,负责组织、协调和管理企业的采购、仓储、物流等物资管理工作,确保企业物资的有效供应和合理利用,以支持企业的正常运营和发展。
二、主要职责1. 制定和执行物资管理方案:根据企业的运营方式和需求,制定物料采购、仓储、物流等物资管理方案,并组织实施,确保物资的供应满足企业的需求。
2. 参与供应商的选择和谈判:负责选取合适的供应商,与供应商进行谈判,达成合理的价格和合作协议,保证物资的良好品质和合理价格。
3. 管理供应链关系:与供应商、生产部门、销售部门等各相关部门之间进行有效的沟通和协调,及时掌握物资需求和供应情况,确保供应链的畅通和物资的及时到达。
4. 管理物资库存:做好库存管理,及时掌握物资库存情况,确保库存水平合理,降低库存风险,提高库存周转率。
5. 优化物资采购流程:分析和改进物资采购流程,提高采购效率,降低采购成本,优化供应链的运作效果。
6. 防范风险和保障安全:制定并实施防范采购和仓储等环节的风险控制措施,确保物资采购和供应过程的合规性和安全性。
三、任职要求1. 具备物流、供应链管理等相关专业的本科及以上学历;2. 具备较强的物资采购和供应链管理经验,熟悉采购、仓储和物流等相关工作流程;3. 具备良好的沟通能力和协调能力,能够与各相关部门之间进行有效的信息传递和资源协调;4. 具备较强的谈判能力和商业敏感度,能够与供应商进行有效的谈判,取得有利的商业合作;5. 具备较好的分析和问题解决能力,能够独立分析和解决采购和供应链管理中出现的问题;6. 具备较强的组织和管理能力,能够有效组织和管理一支高效的物资管理团队。
四、工作环境资材经理在企业内部的物资管理部门工作,通过与供应商和各相关部门之间的沟通和协调,完成物资采购和供应链管理的工作任务。
工作环境一般较为繁忙,需处理和解决各类采购和供应链管理问题。
五、职业发展资材经理是企业中非常重要的职位之一,对企业的物资管理和供应链管理起着至关重要的作用。
资材部经理职务说明书资材部经理是企业中负责物资采购、仓储管理和供应链管理等工作的重要职位。
下面将从职责、资质要求和个人素质等方面进行详细说明。
一、职责:1. 负责制定并执行公司的采购策略、计划和流程,确保采购工作的高效和顺畅。
2. 负责选定供应商、谈判采购合同,并与相关部门沟通,确保采购项目的顺利进行。
3. 监督和管理供应商的绩效,确保供应商的产品质量和交付时间的保证。
4. 管理和优化仓储流程和仓库管理系统,确保物料的存储和配送工作的准确和及时。
5. 负责采购成本的控制和优化,通过谈判和合作等方式降低企业的采购成本。
6. 组织和协调各部门间的物资流通,确保物料的供应和库存的管理符合企业需求。
7. 负责供应链管理工作,确保公司在供应链中的定位和角色的准确和有效。
二、资质要求:1. 具备较高的物资采购和供应链管理经验,具备全面的物资管理知识体系。
2. 具备较高的谈判和合作能力,能够与供应商建立良好的合作关系。
3. 具备较强的组织和协调能力,能够有效地管理和优化物资流通和供应链。
4. 具备较好的沟通和协调能力,能够与各部门有效地沟通和协作。
5. 具备较高的分析和解决问题的能力,能够灵活应对各种挑战和变化。
三、个人素质:1. 具备较高的责任心和事业心,能够积极主动地为企业的发展贡献自己的力量。
2. 具备较好的团队合作精神,能够与团队成员和其他部门有效地配合和合作。
3. 具备较高的学习和创新能力,能够及时地了解和应用新的物资管理技术和理念。
4. 具备较好的抗压能力,能够在高强度工作环境下保持良好的工作状态。
5. 具备较高的执行力和决策能力,能够有效地推动工作的完成和问题的解决。
综上所述,资材部经理是一个重要的职位,需要具备丰富的物资管理经验和较高的谈判、组织和沟通能力,同时还应具备较高的责任心和团队合作精神。
希望担任资材部经理的人员能够不断提升自己的专业素养,为企业的物资管理和供应链管理工作做出积极的贡献。
材料部经理岗位说明书一、岗位背景及职责材料部经理是企业中负责材料采购、供应链管理和库存控制等相关工作的关键职位。
该岗位的主要职责是协调各部门之间的物料需求和供应,确保生产和营运的顺利进行。
为了胜任这一岗位,以下是相关的职责和要求。
1. 职责概述:- 进行供应链的规划和管理,确保材料的及时供应和库存的充足;- 与供应商保持紧密的合作关系,进行供应商的评估和选择;- 管理团队,指导并监督团队成员的工作,确保部门整体效率和目标的实现;- 分析市场需求和趋势,制定合理的采购计划,并根据企业需求进行材料采购;- 监控并优化库存管理系统,确保库存的准确性和成本控制。
2. 岗位要求:- 本科以上学历,相关专业背景,如物流管理、供应链管理等;- 至少5年以上材料采购或供应链管理经验,有团队管理经验者优先;- 具备良好的市场分析能力和供应链协调能力;- 熟悉质量管理体系和供应商管理流程;- 具备较强的沟通能力和团队合作精神;- 熟练使用相关办公软件和采购管理系统。
二、岗位发展前景作为企业供应链管理的核心岗位之一,材料部经理在公司的发展中扮演着关键的角色。
对于胜任该岗位的员工来说,将有机会参与项目的决策制定,负责大型采购项目的执行,甚至有机会晋升为供应链总监等高层职位。
此外,随着企业规模的扩大和竞争的加剧,材料部经理的岗位也将更加重要。
具备丰富经验和专业知识的材料部经理将会成为企业的核心竞争力,为企业的成功发展做出重要贡献。
三、薪酬待遇材料部经理岗位的薪酬待遇相对较高,具体薪资水平将根据个人经验和能力、企业规模和行业竞争状况等因素而定。
通常而言,材料部经理的年薪在中高水平,且通常包括基本工资、绩效奖金、年终奖金和福利待遇。
四、招聘流程1. 简历筛选:根据应聘者提交的简历进行初步筛选,筛选出符合基本要求和条件的应聘者;2. 面试评估:通过面试了解应聘者的专业背景、相关技能和工作经验,核实应聘者能否胜任岗位职责;3. 考核测试:根据实际情况,可能进行相关专业知识测试或能力测评,以确认应聘者的能力和素质;4. 终面及录用:终面一般为与企业高层的面试,以最终确定录用人员,并根据公司政策向该人员发出录用通知。
材料部经理岗位职责范文1、认真执行安全生产的规章制度和防火规定。
2、根据施工组识设计和材料预算制度实施采购计划,确保工程进度。
3、熟悉图纸,对建筑材料做到心中有数,进料应和进度同步跟上。
4、对所购材料、构件、设备的质量、规格、型号必须符合设计要求。
由于采购、保管原因而影响工程质量或造成质安事故,承担经济、法律责任。
负责向资料员提供材料质保资料。
5、负责建立材料管理制度,做到分类保管,对易燃易爆物品专地隔离存放,严格进出料管理,建立材料帐册。
6、负责组织仓库值勤,设置防火防盗设施,禁止在仓库内吸烟聚会娱乐。
7、负责按规定及时采购发放劳保用品。
8、施工用材料工具签发领料单,凭单发料,由领料人签认,材料拿出工地必须经项目经理签发。
9、协助做好IS09002系列质量体系里的有关工作。
材料部经理岗位职责范文(2)材料部经理是企业中负责材料采购与供应管理的重要职位。
他/她主要负责领导、管理和协调材料部的工作,确保材料采购的顺利进行,并优化供应链管理,以提供高质量、低成本的材料采购服务。
以下是一个材料部经理的职责范本,供参考:一、领导与管理1. 制定材料部的发展战略和目标,并确保其与公司整体战略一致。
2. 确定部门的组织结构和人员配备,并建立科学的绩效评估体系。
3. 指导和管理部门员工,提升团队的工作能力和绩效水平。
4. 建立良好的内部沟通机制,促进部门与其他相关部门的合作与协调。
二、材料采购与供应管理1. 负责制定公司的材料采购计划和供应管理策略,确保供应链的高效运作。
2. 研究市场动态和行业趋势,及时调整采购策略和供应商合作模式。
3. 负责与供应商进行谈判和签订合同,确保合同的履行和供应商的服务质量。
4. 寻找新的材料供应商,并与现有供应商建立和维护良好的合作关系。
5. 监督采购流程,确保材料采购的及时性、准确性和经济性。
6. 管理库存,避免过剩或短缺,最大程度地减少库存成本和风险。
7. 定期分析材料采购和供应数据,提供决策参考和改进建议。
资材部岗位职责说明一.资材部主管(周杨顺)岗位职责:1.负责仓库物品的保管与稽核.2.资材部的日常工作管理与考核.3.掌握库存情况配合相关部门作业.4.保持仓库物品的安全库存及合理库存量.5.有效降低仓库呆滞料.6.检讨仓库优化管理的具体措施.7.物料需求计划的制定并跟进执行情况.8.制订生产计划并进行产能负荷分析.调整生产计划.9.跟进生产,确保出货顺利进行.10.完成资材部每月的工作计划与目标.二.仓库文员(王秀芳)岗位职责1. 所有单据的准确及时输入,确保账务的及时更新.2. 与其他相关部门的单据交接.3. 协助主管对内部其它事务的处理.4. 对资材部其它人员监督.以及考勤记录汇总.5. 配合其它部门对账务的查询.三.PMC助理(董危维)岗位职责1. 生产周计划的编排与制定并与生产确定.2. 出货计划的编排与制定并与生产确定.3. 欠料跟踪表的记录汇总与跟进.4. 申购物料的统计汇总与跟进.5. 生产进度的跟进与记录.6. 生产损耗的记录汇总分析.四.各仓管岗位职责与说明1. 依据采购订单点收材料入库,依据订货单,点收成品入库并按仓库管理制度检查数量.2. 依据生产领料单,备料清单,销售单,配备和发放货物.3. 每日物料卡,明细账的记录.4. 货物按规定的货位予以储放.符合7S要求防止品质变异.5. 仓库安全工作和物料的保管工作.6. 完成仓库的工作计划与目标.A.仓管1(吴照华)负责品牌电.电芯.保护板.半成品.B.仓管2(许辞满)负责排线电.电芯.保护板.半成品.所有的售后退货处理(不良品仓),生产辅料,及出货辅料的保管与配发.C.仓管3(杨志海)负责所有的移动电源与充电器物料.D.仓管4(蒙金妮)负责所有的品牌电.排线电标贴.及品牌电的头尾框. E仓管5(关日喜)负责所有的包材及成品,以及主导打包出货.。
人力资源部经理岗位职责说明书
1.全面负责人力资源部日常工作,指导本部门员工做好相关工作;
2.及时提供公司人力资源信息及发展建议,以供总裁在用人与分配制度方
面决策;
3.负责公司年度人力资源开发计划的编制并组织实施,对计划的完成情况
进行总结、完善;
4.准确领会领导意图,学习、掌握国家和地方现行人事政策,制定、完善
和执行人事管理制度,使公司人力资源管理做到制度化、规范化;
5.定期向公司领导汇报公司人力资源发展状况,提出合理化建议;
6.编制公司员工薪酬管理制度,负责员工“四金”管理,每月负责制作员
工薪金报表,按月、季、年度呈报总裁;
7.负责了解员工队伍思想动态,掌握员工工作情况及各种需求意向,并及
时向公司领导汇报;
8.负责组织学习立丰企业文化精神,做好有关的对外联络工作;
9.完成领导交办的其他工作。
材料部经理岗位说明书8篇材料部经理岗位说明书 (1) 第一条为加强工程管理,确保工程按质按期完成,并最大限度地降低工程成本,节约投资,实现工程总目标,特制订本职责。
第二条材料部经理在总经理的领导下,主要负责组织材料部进行工程材料计划编制、材料管理账目建立、材料询价采购、材料质量把关、控制材料采购成本、签认材料款项、办理余富材料退货、退库等专项工作的开展,通过对材料工作的组织管理,从而实现对工程总目标的实现。
第三条具体职责认真贯彻执行公司的各项管理规章制度。
第四条积极主动地完成工程材料定购任务,满足工程施工要求,对工程材料的加工、订货、采购进度、质量及订货采购资金使用情况,实施全面的管理。
第五条组织建立工程材料采购平台,对材料的品种、规格、性能、质量、环保达标等相关参数、材料价格、加工制作周期、生产厂商、供货商信誉等进行建账评价,及时了解掌握材料市场价格等各种情况变化,实施工程材料工作动态化管理。
第六条组织工程材料询价,货比三家,在保证材料供货满足工程进度及质量要求的基础上进行材料价格商谈。
第七条掌握工程各项材料需求总数量及材料的库存情况及时调整材料供应计划,按甲供、甲指及公司自购材料进行分类汇总,确保工程材料采购供货计划的真实性、完整性和有效性,对工程材料总需求在数量、供货时机、资金使用上进行全面整体有效的把控。
第八条与材料商进行洽谈,对所购材料的质量性能、环保等技术指标进行把关,保证所购材料质优价廉,保证所购材料单价不超过同类产品市场时价,组织建立材料采购账目,配合预算部与材料供货商签订大宗主材采购合同。
第九条配合现场做好材料供应工作,确保工程材料使用,对材料发放使用账目完善建立情况、材料出入库签认办理、现场材料使用、浪费情况进行检控。
第十条组织处理材料事故问题,协调材料问题纠纷,对出现质量问题的工程材料,组织提出处理方案,进行问题处理,办理相关材料退换手续。
第十一条组织工程完结后工程材料采购、使用及余富材料盘点工作,按照公司要求及时组织办理余富材料退货、退库,对材料实耗情况进行分析。
企业管理-材料部经理岗位职责说明书岗位名称:材料部经理【岗位概述】材料部经理是负责公司材料采购、供应商管理、库存管理、成本控制等方面的工作。
【职责描述】1.负责公司材料的采购、供应和管理,确保生产所需的材料能够及时到位,并且符合质量要求;2.负责材料的成本控制,降低采购成本,提高材料的使用效率;3.负责管理材料部门的工作,制定并执行部门的工作计划,提高部门的工作效率;4.负责与供应商的沟通和协调,建立良好的合作关系;5.负责材料的库存管理,确保库存量的合理性,避免库存积压和浪费;6.负责材料的质量控制,及时处理材料质量问题,确保生产质量。
【任职要求】1.本科及以上学历,材料、化学、机械等相关专业;2.5年以上相关工作经验,其中至少3年以上管理经验;3.具备良好的沟通、协调、领导和团队合作能力;4.具备较强的成本意识和质量意识;5.熟练掌握相关的材料知识和技能;6.具有较强的计划执行能力和分析解决问题的能力。
【绩效考核重点】1.材料采购及时率;2.材料成本控制率;3.材料使用效率;4.供应商满意度;5.部门工作效率;6.材料质量合格率。
以上是一般情况下材料部经理的绩效考核重点,具体的考核指标和权重可能会根据公司的需求和行业特点有所不同。
注意:以上仅为考核重点方向,绩效考核指标设计时需要考虑工作任务的目的性。
【岗位培训重点】1.材料知识;2.成本控制;3.库存管理;4.质量控制;5.领导力和团队管理;6.供应商管理。
注意:1.以上仅为考核重点方向参考,绩效考核指标设计时需要考虑工作任务的目的性。
2.以上仅为培训重点方向参考,培训课程设计时需要考虑岗位培训需求、绩效考核结果和能力评估结果等因素综合考虑。
资产资金部经理岗位职责
岗位名称:资产资金部经理
1、组织本部的日常会计工作,严格执行财政部的有关规
定和公司的会计制度。
2、根据董事会决议,编制公司流动资金需求预算,并积
极与各商业银行联系, 及时组织资金,保证正常生产
的需要。
3、对于外汇汇率走势,要定期做出分析,提交财务部经
理和总经理,以便做出避免汇率风险的决定。
4、组织编制流动资金出纳日报和每月货币收支表,以便
公司领导安配资金使用。
5、办理公司所有的保险业务,保证使公司的财产损失及
时得到补偿。