粮食及其产品的主要参数(容重)
- 格式:xls
- 大小:41.00 KB
- 文档页数:4
玉米的质量标准及验收指标
授课:XXX
小麦的质量指标及验收指标
膨化玉米的质量指标及验收标准
授课:XXX
小麦胚芽的质量指标及验收标准
授课:XXX
授课:XXX
麸皮的质量指标及验收指标
授课:XXX
授课:XXX
高粱或糜子的质量指标及验收指标
授课:XXX
次粉的质量指标及验收指标
授课:XXX
全脂米糠的质量指标及验收指标
授课:XXX
脱脂米糠的质量指标及验收指标
授课:XXX
麦牙根的质量指标及验收指标
授课:XXX
喷浆玉米皮的质量指标及验收指标
授课:XXX
玉米皮的质量指标及验收指标
授课:XXX
玉米胚芽粕(饼)质量指标以及验收指标
授课:XXX
(注:可编辑下载,若有不当之处,请指正,谢谢!)
授课:XXX。
小麦质量指标一、容重:小麦籽粒在单位容积内的质量,以克/升(g/L)表示。
二、不完善粒:受到损伤但尚有使用价值的颗粒。
包括以下几种:1、虫蚀粒:被虫蛀蚀,伤及胚或胚乳的颗粒。
2、病斑粒:粒面带有病斑,伤及胚或胚乳的颗粒。
3、赤霉病粒:籽粒皱缩,呆白有的粒面成紫色,或有明显的粉红色霉状物,间有黑色囊壳。
4、黑胚粒:籽粒胚部成深褐色或黑色的颗粒。
5、生芽粒:芽或幼根突破种皮不超过本颗粒长度的颗粒,芽或幼根虽未突破种皮已有芽萌动的颗粒。
6、霉变粒:粒面生霉或胚乳变色变质的颗粒。
7、破损粒:压扁、破损、伤及胚或胚乳的颗粒。
三、杂质:筛下物:通过直径1.5毫米圆孔筛的物质。
矿物质:砂石、煤渣、砖瓦块、泥土及其他矿物质。
其它杂质:无使用价值的小麦粒,生芽粒中芽超过本颗粒长度的小麦粒,毒麦、麦角、小麦线虫病、小麦腥黑穗病等麦粒,异种粮粒及其它杂质。
四、水分:1、胶体结合水:即与蛋白质、糖类等胶体物质较牢固的结合在一起的水,性质稳定,0℃时不结冰,常温下不散失,也叫束缚水。
2、游离水:存在于粮粒毛细管之间,成游离状态,具有普通水的性质,0℃时能结冰,很不稳定,能随外界温湿度的变化,蒸发减少,或吸收增加,也叫自由水。
通常所说的粮食水分,指的是束缚水与游离水两者之和,而在保管过程中所要控制的水分,则是游离水。
玉米质量指标一、容重:玉米籽粒在单位容积内的质量,以克/升(g/L)表示。
二、不完善粒:受到损伤但尚有使用价值的颗粒。
包括以下几种:1、虫蚀粒:被虫蛀蚀,伤及胚或胚乳的颗粒。
2、病斑粒:粒面带有病斑,伤及胚或胚乳的颗粒。
3、生芽粒:芽或幼根突破表皮的颗粒,4、生霉粒:粒面生霉的颗粒.5、破损粒:粒子破损达本颗粒体积的五分之一(含)以上的颗粒。
6、热损伤粒:受热后外表或胚显著变色和损伤的颗粒。
三、杂质:通过规定筛层和无使用价值的物质。
1、筛下物:通过直径3.0毫米圆孔筛的物质。
2、无机杂质:泥土、沙石、砖瓦块及其它无机杂质。
对玉米容重参数的认识玉米容重是衡量玉米质量的一个关键指标。
从定义上玉米容重就是指玉米籽粒单位容积内的质量,在我国其单位为g/L。
玉米容重从某种程度上能真实地反映出玉米的完整度、均匀度、成熟度以及其潜在的营养价值。
一般情况下,同一品种玉米的容重值越高,其籽粒中所含的营养物质越多。
下文将综述玉米容重差异的可能形成机制,重点分析玉米容重参数可能蕴藏的饲用营养价值,以期为正确认识玉米容重参数提供参考。
一、玉米容重差异形成机制分析1.1测定方法对玉米容重测定值的影响研究表明,采取不同取样方法测定的相同玉米的容重值可相差9g/L(张霞,2005)。
所以在测定玉米容重时须按照四分法逐量取样才能保证测定值误差在允许范围之内。
具体操作时如发现插片不流畅及受到阻力或震动等都会影响容重的测定结果。
另外将排气砣置于插板下对容重的测定比排气砣置于插板上可导致容重测定值高约32g/ L(张霞,2005;高清海和吕宏,2011)。
实际上,我国1999年发布的玉米容重测定方法测定的容重值比美国相应方法的测定值高出约30 g/L。
所以在2009年我国发布了新的玉米容重测定方法。
经验证,修订后的容重测定方法(GB1353-2009)测定结果与国外方法测定值相差不超过2.5g/L。
(即将实施的新标准是 GB1353-2018)1.2 玉米品种(质地)与容重的关系张丽(2008)分析了29 个山东省玉米品种容重的差异,发现玉米容重受到基因型的显著影响。
受基因型控制的粒型是决定容重的重要因素,不同粒型之间容重差异显著,爆裂型玉米容重值高于硬粒型,硬粒型玉米容重普遍高于马齿型玉米的容重。
这可能是因为圆形爆裂型玉米在容量筒内排列间隙小于扁平形籽粒,且圆形籽粒种皮光滑,故圆形籽粒比扁平形籽粒容重高。
同时发现容重与角质率呈极显著正相关,爆裂型玉米基本全部角质化,硬粒型的角质率大于马齿型。
这也是为什么近年来黑龙江大量种植的胶质德美亚玉米的容重普遍高于普通东北玉米的原因。
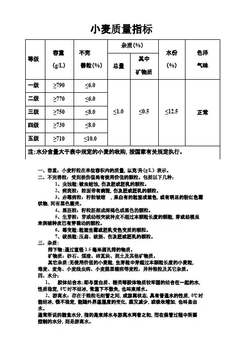
小麦的等级及质量标准一、小麦的等级标准1、一级小麦容重≥790克/升,不完善粒≤6.0%,水分含量≤12.5%,杂质的总量≤1.O%(其中矿物质≤0.5%),色泽和气味正常。
2、二级小麦容重≥770克/升,不完善粒≤6.0%,水分含量≤12.5%,杂质的总量≤1.O%(其中矿物质≤0.5%),色泽和气味正常。
3、三级小麦容重≥750克/升,不完善粒≤8.0%,水分含量≤12.5%,杂质的总量≤1.O%(其中矿物质≤0.5%),色泽和气味正常。
4、四级小麦容重≥730克/升,不完善粒≤8.0%,水分含量≤12.5%,杂质的总量≤1.O%(其中矿物质≤0.5%),色泽和气味正常。
5、五级小麦容重N710克/升,不完善粒≤1O.O%,水分含量≤12.5%,杂质的总量≤1.O%(其中矿物质≤0.5%),色泽和气味正常。
二、小麦其他分类以下内容是根据小麦的皮色、粒质和播种季节分类:1、白色硬质冬小麦:种皮为白色或黄白色的麦粒不低于90%,角质率不低于70%的冬小麦。
2、白色硬质春小麦:种皮为白色或黄白色的麦粒不低于90%,角质率不低于70%的春小麦。
3、白色软质冬小麦:种皮为白色或黄白色的麦粒不低于90%,粉质率不低于70%的冬小麦。
4、白色软质春小麦:种皮为白色或黄白色的麦粒不低于90%,粉质率不低于70%的春小麦。
5、红色硬质冬小麦:种皮为深红色或红褐色的麦粒不低于90%,角质率不低于70%的冬小麦。
6、红色硬质春小麦:种皮为深红色或红褐色的麦粒不低于90%,角质率不低于70%的春小麦。
7、红色软质冬小麦:种皮为深红色或红褐色的麦粒不低于90%,粉质率不低于70%的冬小麦。
8、红色软质春小麦:种皮为深红色或红褐色的麦粒不低于90%,粉质率不低于70%的春小麦。
9、混合小麦:不符合以上各条规定的小麦。
10、其他类型小麦的分类方法另行规定。
小麦容重标准小麦容重是指小麦籽粒的重量与体积的比值,是评价小麦籽粒质量优劣的重要指标之一。
小麦容重标准的制定对于保障小麦质量、提高小麦产量具有重要意义。
下面将从小麦容重标准的意义、制定依据、标准内容和标准执行等方面进行详细介绍。
一、小麦容重标准的意义。
小麦容重是评价小麦籽粒质量的重要指标之一,直接关系到小麦的商品价值和加工利用价值。
合格的小麦容重可以保证面粉的品质,提高小麦加工的利用率,对于保障国家粮食安全、提高农民收入具有重要意义。
二、小麦容重标准的制定依据。
小麦容重标准的制定依据主要包括国家相关法律法规、小麦质量标准、国际标准以及国内外市场需求等。
同时还需要考虑小麦种植的地域特点、气候条件、土壤环境等因素,综合考虑小麦产业的发展需求,科学制定小麦容重标准。
三、小麦容重标准的内容。
小麦容重标准主要包括小麦籽粒的重量、体积、含水量等指标。
一般来说,小麦容重标准会根据小麦的品种、用途、产地等因素进行具体的规定,以确保小麦容重符合国家标准和市场需求。
四、小麦容重标准的执行。
为了确保小麦容重标准的有效执行,需要建立健全的监测检测体系和质量认证体系。
对于不符合标准的小麦,需要采取相应的处理措施,防止不合格小麦流入市场,影响产品质量和市场秩序。
综上所述,小麦容重标准的制定对于保障小麦质量、提高小麦产量具有重要意义。
只有制定科学合理的小麦容重标准,并严格执行,才能保障小麦的质量安全,推动小麦产业的健康发展。
希望相关部门能够加强对小麦容重标准的研究和制定,为我国小麦产业的发展提供有力支持。
容重、密度、表观密度、体积密度、视密度、毛体积密度1.容重的概念是:单位体积内的物质的质量称为容重。
其单位g/L 表示。
例如容重是粮食质量的综合标志。
它与籽粒的组织结构,化学成分,籽粒的形状大小、含水量、比重以及含杂质等均有密切关系。
同类粮食,如籽粒饱满、结构紧密、容重则大;反之容重则小。
因此说容重是评定粮食品质好次的重要指标。
2.密度的概念是:物质单位体积的质量。
但是物质在单位体积内分布必须是均匀的,物质的体积为V,质量为m,则密度d=m/V。
在国际单位制中密度以千克/米3为单位,工程上常用吨/米3为密度单位。
例如一杯水和一缸水的密度是一样的。
3.表观密度指表观密度是指材料在自然状态下,单位体积所具有的质量,材料在自然状态下的体积是指材料的实体积与材料内所含全部孔隙体积之和。
根据共其开口孔分为体积密度和视密度。
表观密度:规定条件下,烘干矿质单位表观体积(包括材料实体、闭口孔隙,但不包括开口孔隙)的质量,也称视密度。
4.体积密度指包括材料体积内所有孔在内的表观密度。
5.视密度指物体单位表观面积不包括开口孔的质量.视密度是指表观相对密度,即材料实体体积与不吸水的内部闭口孔隙体积之和的干质量。
6.毛体积密度:规定条件下,烘干矿质单位毛体积的(包括材料实体、闭口孔隙及开口孔隙)质量。
毛体积密度指材料实体体积、不吸水的闭口孔隙、能吸水的开口孔隙所占体积之和的干密度。
7.“容重”与“密度”的概念在理论上是一样的,只是应用的环境有所不同:容重一般是工程上用的一立方的重量,即单位容积内物体的重量。
而密度应用范围很广,即“单位体积物质的质量”,液体、固体、气体都可以用。
8.体积密度,表观密度,视密度这三者都是一样的:即材料在自然状态下,单位体积的重量。
ρ=m/vm=材料的重量(g,kg)v=材料在自然状态下的体积(m3,cm3)密度、表观密度、体积密度和堆积密度标签:密度表观体积堆积时间:2010-04-09 08:51:38 点击:197 回帖:0上一篇:鹿特丹规则时代难期许下一篇:营销大师的三项素质二密度、表观密度、体积密度和堆积密度⑴密度密度是指材料在绝对密实状态下单位体积的质量。
大豆玉米小麦质量术语及等级标准大豆-GB1352-2009一、完整粒perfectkernel:籽粒完好正常的颗粒。
二、未熟粒immaturekernel:籽粒不饱满,瘪缩达粒面二分之一及以上或子叶青色部分达二分之一及以上(青仁大豆除外)的,与正常粒显著不同的颗粒。
三、损伤粒damagedkernel受到严重摩擦损伤、冻伤、细菌损伤、霉菌损伤、生芽、热损伤或其他原因损伤的大豆颗粒。
包括:虫蚀粒、病斑粒、生芽粒、涨大粒、生霉粒、冻伤粒、热损伤粒。
1、虫蚀粒insect-boredkernel:被虫蛀蚀,伤及子叶的颗粒。
2.病斑粒spottedkernel:粒面带有病斑,伤及子叶的颗粒。
3.生芽、涨大粒sproutedkernel:芽或幼根突破种皮或吸湿涨大未复原的颗粒。
4.生霉粒mouldedkernel:粒面生霉的颗粒。
5.冻伤粒frost-damagedkernel:因受冰冻伤害籽粒透明或子叶僵硬呈暗绿色的颗粒。
6.热损伤粒heat-damagedkernel:因受热而引起子叶变色和损伤的颗粒。
四、破碎粒brokenkernel:子叶破碎达本颗粒体积四分之一及以上的颗粒。
五、杂质impurities:通过规定筛层和经筛理后仍留在样品中的非大豆类物质,包括:筛下物、无机杂质、有机杂质。
1.筛下物passedsievematerial:通过直径3.0mm圆孔筛的物质。
2.无机杂质inorganicimpurity:泥土、砂石、砖瓦块及其他无机杂质。
3.有机杂质organicimpurity:无使用价值的大豆粒、异种类粮粒及其他有机物质。
六、色泽、气味color,odor:一批大豆固有的综合色泽和气味。
七、高油大豆high-oilsoybean:粗脂肪含量不低于20%的大豆。
高蛋白质大豆high-proteinsoybean:粗蛋白质含量不低于40%的大豆。
八、完整粒率percentofperfectkernels:完整粒占试样的质量分数。
玉米容重标准
玉米是世界上重要的农作物之一,作为粮食的主要原料,玉米的质量直接影响到人们的饮食安全和健康。
为了保障人们的饮食安全,玉米容重是检验玉米质量的一项重要指标。
玉米容重的标准是每百克玉米的容重。
玉米容重标准的实施,受到地域、气候、品种、包装、储存等因素的影响。
一般而言,成熟玉米容重有可能在5872g之间波动。
如果玉米湿度过低,其容重可能比正常值低68g。
这是因为在湿度过低的条件下,玉米内部每单位的水分越多,其容重越低。
玉米容重标准的参考值,根据国家规定,目前大米容重应在67-71克/公斤范围内,谷类容重应在71-74克/公斤范围内。
这种容重范围,既保证玉米的质量,又确保了玉米在储存过程中不会受到太多的损失。
在检测玉米容重标准时,可以使用一种叫做“容重计”的仪器。
它可以快速准确地测量容重。
由于它非常敏感,以至于它可以检测出玉米重量的细微变化。
这对于对玉米的质量要求相当高的生产者来说,是非常重要的。
玉米容重标准的标准实施,在国际商品交易中也非常重要。
它可以评估产品的质量,也可以帮助卖家向买家传达产品的质量,以及买家认可的价格。
通过容重计,买家可以了解玉米容重,以此来衡量玉米的质量。
所以,容重计可以有效地减少双方买卖交易产生的纠纷。
玉米容重标准的标准实施,可以有效地控制玉米的质量,从而保证人们的饮食安全。
不仅如此,它还可以用来促进国际商品交易,减
少双方交易产生的纠纷,以及提升买家对玉米质量的认可度。
玉米容重标准的标准实施,需要严格的控制,确保玉米的质量,以及人们的饮食安全。