QCT 29106-2014 汽车电线束技术条件试题
- 格式:docx
- 大小:15.08 KB
- 文档页数:1
技能认证汽车电工电子技术考试(习题卷7)第1部分:单项选择题,共61题,每题只有一个正确答案,多选或少选均不得分。
1.[单选题]在国产汽车 12 V 用电系统中,“电池-喇叭一开关”所用导线的截面积为战式是。
A)0.75~1B)1.0~1.5C)2.5~3.0答案:B解析:c.1.5~2.52.[单选题]在CAN总线各部分中能对CAN收发器传来的数据进行处理的是( )。
A)CAN数据传输线B)CAN数据传输终端电阻C)CAN控制器答案:C解析:3.[单选题]发电机高速运转时,发电机电压高于蓄电池的电动势,由发电机供给绕组的励磁电流,称为()。
A)自励B)他励C)自激答案:A解析:4.[单选题]弯形烙铁头的握法一般为A)正握法B)反握法C)握笔法D)以上都可以答案:A解析:5.[单选题]示高灯安装在( )。
A)汽车正前部B)汽车前部两侧边缘上C)汽车前后左右外侧顶部D)汽车前门下方答案:C解析:6.[单选题]转速信号是汽车电控系统需要测量的重要信号之一,电磁感应式转速传感器能够测量( )。
A)转速B)齿轮轴具体位置C)两种都能测7.[单选题]以下哪个国家的汽车不是右舵的( )A)日本B)英国C)澳大利亚D)美国答案:D解析:8.[单选题]变压器的空载损耗主要为( )。
A)磁滞损耗B)涡流损耗C)铜耗D)磁滞损耗和涡流损耗答案:D解析:9.[单选题]车用蓄电池中,将一个正极板和一个负极板浸入电解液中可得到约()电压A)6VB)4VC)2VD)0V答案:C解析:10.[单选题]电流总是从高电位流向低电位,这一结论适用于A)外电路B)内电路C)全电路D)部分电路答案:A解析:11.[单选题]对于长期闲置的蓄电池,应将其以( )h放电率完全放电,再处理后储存。
A)10B)20C)30D)40答案:B解析:12.[单选题]6TSI代表的发动机的排量是( )A)1.6LB)1.4LC)1.2LD)1.8L答案:A解析:B)将三相交流电转换成直流电C)产生磁场D)产生三相交流电答案:C解析:14.[单选题]()是指交流电在1s内变化的电角度。
汽车电线束的检测与标准解析(QC/T29106)汽车线束是连接汽车电子电器部件并使之发挥功能的组件,是汽车电路的网络主体,主要由铜制插接件(插头、插座)和塑料护套、电线等组成,插接件与电线压接后安装在塑料护套内,电线以线束捆扎、胶带包裹构成。
电线束在整车中的作用是将电气系统的电源信号和数据信号进行传递和交换,实现电气系统的功能和要求。
汽车线束遍布汽车的各个角落,有在高温环境下工作的发动机线束、机舱线束,有在尘土飞扬、水、泥浸渍环境下工作的底盘线束,有跨接在门与车身之间长期反复伸缩的车门线束,有承载着大功率器件长期满负荷或过载工作的电力线束等,这些线束随着车辆在高温高湿的南方沿海、严寒的东北地区等恶劣的环境下工作,同时经受着电气热负荷、机油汽油的浸蚀、颠簸振动等条件的洗礼。
所以要保证汽车线束的品质,必须从设计、选材、制造工艺、试验及装配等各个环节加以重视。
1 试验标准解析现行的汽车线束标准主要是QC/T29106《汽车低压电线束技术条件》及各企业的企标,试验项目大概有:检验端子与导线或导线接点的压接品质、接点的防水性能、线束的耐高低温及湿热性能、耐盐雾性能及耐振动性能。
如果按照这些条款进行试验,我们会发现试验结果不尽如人意,如QC/T29106中第4.11、4.12条高低温及湿热试验,标准要求在不工作状态下贮存8h,再在常温下放置24h后,检验电线束的包扎是否松散、绝缘护套是否脱开、电线导通率是否为100%;再如第4.14条耐盐雾试验:电线束经48h中性盐雾试验后导通率应为100%,无短路、错路现象;还有振动试验,按QC/T413规定的耐振动性能来试验,但线束如何安放?标准中并未明确,而且振动后检验的内容主要也只是外观,无电性能方面的检验。
如上种种,经过多年的试验发现,这些试验项目不能完全验证线束及其辅材的材质、设计及工艺,不能完全达到试验验证的目的。
2 试验分类汽车线束试验按结构及材料分为接触件试验和线束试验;按试验类别分为机械性能试验、电性能试验、耐环境试验。
汽车电线束技术要求1.范围本标准规定了用于泛亚汽车技术中心有限公司(以下称PATAC)开发的低压线束制造工艺过程技术要求。
按线束的生产流程分,该标准主要分为三部分,分别为开线、预装和总装。
2.术语和定义下列文件对于本标准的应用是必不可少的。
凡是注日期的引用文件,仅注日期的版本适用于本标准。
凡是不注日期的引用文件,其最新版本(包括所有的修改单)适用于本标准。
ISO 8820 保险丝设计规范USCAR 21 美国汽车研究委员会标准21USCAR 38 美国汽车研究委员会标准38QC/T29106-2014 汽车低压电线束技术条件GME 15339 电气功能通用规格标准GMW3172 电子电气部件环境和耐久通用规范GMW3173 ISO导线截面及汽车通讯用导线物理层要求GMW3176 ISO标准的导线规格命名要求GMW3191 接插件测试验证规范GMW3248 扎带规格标准GMW3251 通用紧固件规格标准GMW14124 汽车环境循环测试规范GMW14650 汽车外饰塑料件性能要求GMW14744 橡胶件材料规格标准GMW15267 机电式插头、印刷电路板、线圈式继电器通用规范GMW15608 热缩套管性能要求GMW15626 单芯ISO导线规范GMW15841 连接器及端子设计规范GMW15839 屏蔽及非屏蔽导线规格标准GMW15925 柔性扁平导线测试规范GMW15926 波纹管规格标准GMW16740 胶带规格标准GMW17136 热缩管设计标准3.要求3.1.开线区域3.1.1.开线要求3.1.1.1.尺寸和公差导线开线公差要求,见表1PATAC Confidential表1导线开线长度公差表3.1.1.2.设计标准1)电线原材料符合标准GMW 15626和GMW 15839;2)同轴电缆、水管、USB导线等特殊电线材料,需满足图纸要求;3)断线符合USCAR 21要求。
3.1.1.3.工艺要求,具体如下:1)铜丝不能外露;2)切割须平整;3)绝缘皮不能回缩;4)导线绝缘层完好。
QC/T29106汽车电线束性能检测整理导读:汽车使用过程中所出现的相关故障问题,日益成为人们关注的焦点,其中,问题主要集中在汽车线束故障。
汽车线束主要由电线、接插件、包裹胶带和其他辅助性材料共同构成,其结构复杂、功能多样化,被成为整车的“汽车神经”,是控制汽车电信号的载体。
汽车线束是汽车电路的网络主体,没有线束也就不存在汽车电路。
线束是指由铜材冲制而成的接触件端子(连接器)与电线电缆压接后,外面再塑压绝缘体或外加金属壳体等,以线束捆扎形成连接电路的组件。
汽车线束检测是针对汽车线束进行环境测试、电性能测试、机械性能测试的检测项目。
汽车线束是汽车内部最关键的部件之一,其质量、安全性和可靠性对汽车质量具有举足轻重的影响。
如果线束失效,就会造成信号传递失效,功能设备失去作用;或接触电阻过大发热失火;或短路失火;或绝缘层失效漏电。
因而,为了保证汽车线束的品质、安全性和可靠性,汽车线束生产线上或用户使用前检测十分重要。
面对国内汽车线束检测系统功能单一、手段落后,国外汽车线束检测价格昂贵等问题,GRGT 建有专业汽车线束实验室,专注于汽车线束、连接器检测解决方案基础理论和前沿技术的研究、市场转化、技术运用,提供汽车线束环境测试、电性能测试和机械性能测试,满足汽车线束生产厂商对线束导通性和阻抗测试要求。
1 整车线束应符合:QC/T29106-2014 汽车低压电线束技术条件。
1.1规定了检验线束尺寸的标准。
1.2规定了电线束中所用材料和零部件所符合的性能要求。
1.3规定了端子与线束的连接方法及连接后应符合的要求。
1.4 规定了端子与线束连接点应符合的要求。
1.5 密封塞在压接时不应损伤。
电线与密封塞之间、密封塞与护套之间不应有目视可见的间隙。
1.6电线束包扎时,应紧密、均匀,不应松散。
采用保护套管时,无位移和影响电线束弯曲现象。
1.7电线束中电线及零部件应正确装配,不应有错位现象,端子在护套中不应脱出。
1.8 电线束中线路导通率为100%,无短路、错路现象。
线束工技能试题答案库一、不定项选择题(共35小题,每小题2分,共70分)1、【工艺】汽车上各电气设备的接线大多采用正确答案:B、A、多线制B、单线制C、单线多线并用制2、【基础管理】生产工艺分为:加工、()、()、停滞(A、C、)正确答案:()A、检查、B、装载、C、搬运、D、作业3、【设备】线束工使用的量具需具备()资格方能使用。
正确答案:B、A、校验B、校验并完好,并在校验有效期内C、完好无损D、新购置的量具4、【质量】“三检”指(B)。
正确答案:(B、)A、首检、尾检、互检B、自检、互检、专职检C、首检、尾检、自检D、自盖工号、尾检、自检5、【设备】热风枪在使用中断电,过一定时间后又能正常使用,是何原因()正确答案:C、A、电阻丝断B、接触不良C、过热保护装置动作后复位6、【工艺】下面的护套是双重保险的是正确答案:B、C、A、HET02-1BB、HNMWP02FB-M-LOCKC、HSWP02FB-MD、HDL02FW7、【设备】流水线手摇调速电机速度调整应在()时调整正确答案:A、A、运行中B、停止8、【设备】下线机下线外皮出现过重花纹是()正确答案:C、A、导线质量不合格B、导线管位置不对C、左或右轮压力过大9、【基础管理】负荷余力调查手段与方法有()正确答案:(A、B、C、)A、作业测定、B、联合作业分析、C、共同作业分析、D、停滞分析10、【工艺】下面的电线按粗细由小到大依次为:正确答案:C、A、AVS0.5AVSS0.5QVR0.5B、AVS0.5QVR0.5AVSS0.5C、AVSS0.5AVS0.5QVR0.5D、QVR0.5AVS0.5AVSS0.511、【基础管理】将机械设备的点检作业体现在检查表上也是()的一种正确答案:(C、)A、作业规范、B、程序文件、C、作业标准、D、检查表12、【设备】关闭控制灯泡的面板开关,确认灯座是否有电()正确答案:C、A、有B、没有C、不一定13、【设备】厦门银华下线机,调整切刀深度时,在()模式下进行调整正确答案:B、A、M1B、M2C、M314、【质量】按照一定的标志,把搜集到的大量有关某一特定主题的统计数据加以归类、整理和汇总的一种方法是(A)。
线束QC晋升组长考试试卷及答案第一篇:线束QC晋升组长考试试卷及答案线束QC考试试题姓名:得分:一、质量基础知识(40分,每题2分)1.QC七大手法中,将需要检查的内容或项目一一列出,然后定期或不定期进行逐项检查,并将问题点记录下来的工具叫做。
2.QC七大手法中,控制图是对生产过程的关键质量特性值进行测定、记录、评估并监测过程是否处于控制状态的一种图形方法,用于监测生产过程是否处于控制状态,它常被用于。
A.MSA B.PFMEAC.SPCD.PPAP 3.目前国内通用的抽样检验方案一般是参考国际通行的前美国军方标准《MIL-STD-》,圣泰机电也采用此标准。
4.无特殊要求时,圣泰机电目前采用的检验水平是以上标准中的一般检验水平。
5.质量术语AQL的中文叫法是,其数字越大,质量要求越(严格/宽松)。
6.戴明环是质量改善的一般步骤,其要义中的P、D、C、A依次是指。
7.质量方法5M1E指的是。
8.QC的C指的是,说明QC人员应将关注焦点放在过程之上。
9.ISO9001标准的八大原则依次是:,领导作用,全员参与,过程方法,管理的系统方法,持续改进,基于事实的决策方法,与供方互利的关系。
10.“基于事实的决策方法”要求质量问题的分析、改善、监控过程都需要数据支持。
在较大的样本数据条件下,以下四项质量数据中我们最需要关注的是:。
A.产量 B.抽检数C.不良数D.不良率11.不良品的处理流程一般包括:隔离→标识→评审→处理→。
12.计量型检验是指。
13.计数型检验是指。
14.检验状态标识中,红色通常用于表示,绿色通常用于表示。
15.判断:生产人员不按要求作业时,QC应立即要求纠正。
()16.判断:质量检验的职能是鉴别、把关、报告、记录。
()17.判断:首检就是首件检查。
()18.判断:全检就是全数检查。
()19.判断:使用钢卷尺测量尺寸,用毫米作为单位时,读数应到小数点后一位。
()20.判断:QC最大的作用在于将不良品拦截在厂内,不流向客户端。
QC/T29106汽车电线束性能检测整理导读:汽车使用过程中所出现的相关故障问题,日益成为人们关注的焦点,其中,问题主要集中在汽车线束故障。
汽车线束主要由电线、接插件、包裹胶带和其他辅助性材料共同构成,其结构复杂、功能多样化,被成为整车的“汽车神经”,是控制汽车电信号的载体。
汽车线束是汽车电路的网络主体,没有线束也就不存在汽车电路。
线束是指由铜材冲制而成的接触件端子(连接器)与电线电缆压接后,外面再塑压绝缘体或外加金属壳体等,以线束捆扎形成连接电路的组件。
汽车线束检测是针对汽车线束进行环境测试、电性能测试、机械性能测试的检测项目。
汽车线束是汽车内部最关键的部件之一,其质量、安全性和可靠性对汽车质量具有举足轻重的影响。
如果线束失效,就会造成信号传递失效,功能设备失去作用;或接触电阻过大发热失火;或短路失火;或绝缘层失效漏电。
因而,为了保证汽车线束的品质、安全性和可靠性,汽车线束生产线上或用户使用前检测十分重要。
面对国内汽车线束检测系统功能单一、手段落后,国外汽车线束检测价格昂贵等问题,GRGT 建有专业汽车线束实验室,专注于汽车线束、连接器检测解决方案基础理论和前沿技术的研究、市场转化、技术运用,提供汽车线束环境测试、电性能测试和机械性能测试,满足汽车线束生产厂商对线束导通性和阻抗测试要求。
1整车线束应符合:QC/T29106-2014 汽车低压电线束技术条件。
1.1规定了检验线束尺寸的标准。
1.2规定了电线束中所用材料和零部件所符合的性能要求。
1.3规定了端子与线束的连接方法及连接后应符合的要求。
1.4 规定了端子与线束连接点应符合的要求。
1.5 密封塞在压接时不应损伤。
电线与密封塞之间、密封塞与护套之间不应有目视可见的间隙。
1.6电线束包扎时,应紧密、均匀,不应松散。
采用保护套管时,无位移和影响电线束弯曲现象。
1.7电线束中电线及零部件应正确装配,不应有错位现象,端子在护套中不应脱出。
1.8 电线束中线路导通率为100%,无短路、错路现象。
技能认证汽车电工电子技术考试(习题卷10)说明:答案和解析在试卷最后第1部分:单项选择题,共60题,每题只有一个正确答案,多选或少选均不得分。
1.[单选题]在汽车网络中,用( )来约定各模块的优先权。
A)数据总线B)为通信协议C)总线速度2.[单选题]在汽车网络结构中,安全气囊系统的控制单元可采用( )的总线连接。
A)低速B)中速C)高速3.[单选题]有“220V、100W”“220V、25W”白炽灯两盏,串联后接入220V交流电源,其亮度情况是()A)两只灯泡一样亮B)100W灯泡最亮C)25W灯泡最亮4.[单选题]制动轮缸通过()控制,建立其工作状态。
A)警告灯B)液压控制单元的电磁阀C)继电器D)开关5.[单选题]汽车前照灯使用的灯泡通常有白炽灯泡和( )。
A)节能灯泡B)氙气灯泡C)荧光灯泡D)卤钨灯泡6.[单选题]十进制数字9用二进制代表时为( )。
A)1110B)1000C)1100D)10017.[单选题]电控国三柴油机启动基本油量是随着( )和水温的变化而变化的。
A)转速B)进气压力C)进气量D)进气温度8.[单选题]如果电源电压是380V,定子绕组的额定电压是220V,关于定子绕组的下列说法哪一种正确?A)采用Y型接法B)采用△形接法C)只要绝缘等级允许,Y形接法和△形接法都可以D)Y形接法和△形接法都不可以,因为电源电压与额定电压不匹配。
9.[单选题]交流电通过全波整流电路后,所得到的输出电压是A)交流电压B)稳定的直流电压C)脉动的直流电压D)以上都错10.[单选题]不是使用电钻的注意事项的是()。
A)操作前进行电钻主体检查B)戴护目镜C)戴手套D)确认安装接地线11.[单选题]日本最大的汽车生产商为( )汽车公司A)三菱B)丰田C)本田D)马自达12.[单选题]三极管管脚的判别一般有()种。
A)2B)3C)4D)513.[单选题]直流电机的转子铁芯通常硅钢片叠制而成,铁芯上冲有槽,槽的作用是A)安装转轴B)便于硅钢片的叠制C)安装电枢绕组D)减小转子磁阻14.[单选题]下列火灾不能用水扑灭的是()。
汽车电工电子技术试题含答案一、单选题(共43题,每题1分,共43分)1.汽车线路中电线束烧坏的原因是主要是由于()原因引起的A、断路B、电压过大C、电阻过小D、电流过大正确答案:D2.内阻是汽车铅酸蓄电池的一个很重要的数据,下列说法中正确者是()。
A、内阻应保持在较大的数值B、电池放电快完时,内阻会减小C、蓄电池的额定容量大,则内阻也变大D、内阻越小,则负载能力越强正确答案:D3.某正弦交流电电压v=220sin314t伏,该交流电电压的平均值为( )A、198B、0C、311D、220正确答案:B4.关于汽车硅整流发电机的正、负极性二极管的说法,正确的是()。
A、外壳形状各异B、负极性二极管外壳直径更大C、外壳均为负极D、正极性二极管的外壳接发电机的火线柱正确答案:D5.当汽车铅酸蓄电池刚充电终了时,检测其两端的稳定电压应为()A、12.6VB、13.2~14.8VC、13.5~14.5VD、15V以上正确答案:D6.检修汽车整流发电机时不能用()办法。
A、试火法B、测电压C、测电阻D、测电流正确答案:A7.关于并联电路特性的说法,错误的是()。
A、不论负载大小,各个负载两端的电压都相等B、任一分路负载断路,并不会影响其他负载上原本流过的电流C、负载连接越多,对总电流而言,其流通的面积将增大,因此,当并联越多负载时,其总电阻将越小,电路电流越大。
D、各分路的电流视其电阻大小而定:电阻越小,流过电流越小;反之,电阻越大,则流过电流越大。
正确答案:D8.利用一个三输入端或非门电路来控制某电动油泵的搭铁,其三输入端分别为A、B、C,要使这个电油泵工作,应当使()状态。
A、三输入端均为高电平B、三输入端均为低电平C、A为高电平,B与C为低电平D、A为低电平,B与C为高电平正确答案:B9.车辆的其他状况均可,但汽车前照灯不够亮,最易产生此故障的原因是()A、发电机的电压调节器不良B、蓄电池电压过低C、前照灯的灯具搭铁不良D、交流发电机输出电压过低正确答案:C10.有保护功能的易熔线常用于汽车的电路中,关于易熔线的说法,正确的是()A、在线束上目测可以检查易熔线的状况B、易熔线常用于汽车的充电电路C、检测易熔线两端有电压则其状态良好D、易熔线常用于汽车的仪表电路正确答案:B11.按计数器的进位制或循环模数分类,计数器可为( )计数器。
汽车线束端子压接压缩比浅读端子压接面积通常是指端子材料所包含的面积,如果有空隙必须包含空隙的面积。
端子压接面积是否合格主要通过2个方面,一个是计算压缩率,一个是计算压缩比。
压缩比:端子压接面积的压缩比根据行业可以分为三类,第一是汽车类,第二是家电类,第三是电子类。
其中汽车类的标准最为严格,需要控制在80%至90%,即端子所有铜线的面积如果以1来表示,压接后的面积必须在0.8到0.9之间。
如果压接后的面积大于1,那么这种情况下说明压接面积中除了1之外,剩余的面积都是空隙的面积。
家电类的标准压缩比为70%到90%,电子类的通常控制在85%左右,最低也不得低于70%,最高也不可高于90%。
小编在这里不多说。
压缩率:而一般的压缩率在15%到20%之间是很好的。
压接质量取决于压缩量,它是通过压接工具和压线脚和导线截面的尺寸来控制的。
所以,在量产端子线时用的导线截面面积与压接设计确认时用的导线截面面积相同是非常重要的。
量产端子线时压缩情况的验证通过利用端子、导线和压接工具压接样品来验证。
这类标准的检测需要通过端子截面分析仪。
常见的端子压接标准有国标QC/T 29106《汽车低压电线束技术条件》,美国汽车标准USCAR 21,以及大众标准的VW 60330。
Jimmy先从这三个标准跟大家谈谈。
一,QCT 29106-2014《汽车电线束技术条件》国内现行的汽车线束标准主要是QCT 29106-2014《汽车电线束技术条件》及各企业的企标,试验项目大概有:检验端子与导线或导线接点的压接品质、接点的防水性能、线束的耐高低温及湿热性能、耐盐雾性能及耐振动性能。
但这个是没有说明压缩比或者压缩率的,只有剖面图。
这是Jimmy觉得比较遗憾的地方。
二,USCAR 21(2014)USCAR 21用的是压缩率(注意:这里不是压缩比)。
压缩率Compaction: 端子和导线压接时造成的截面积减少程度USCAR 21规定:在对压接过程开发时,确定核心组件和变量的第一步是要对端子、压接零件、导线尺寸、包括(但不仅限于)下列数据进行收集。
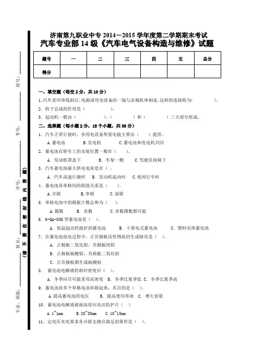
济南第九职业中专2014-2015学年度第二学期期末考试汽车专业部14级《汽车电气设备构造与维修》试题一、填空题(每空2分,共10分)1.汽车采用单线制后,电源或用电设备的一端与金属机体相连,这样的连接称为()。
2.转子总成的作用是()。
3.起动机一般由()、()和()三大部分组成。
二、选择题(每小题2分,18个小题,共36分)1.汽车正常行驶时,各用电设备所需电能主要由()提供。
A.蓄电池B.发电机C.蓄电池和发电机共同 2.蓄电池在轿车上的安装位置一般在()。
A .发动机罩盖下 B.车架一侧 C.驾驶员座椅下 3.汽车蓄电池最大供电电流是在(。
A.汽车高速行驶时B.发动机起动时C.夜间行车时 4.蓄电池各单格间的联接关系是()。
A.并联B.串联C.混联 5.单格电池中的极板片数总和为()。
A.偶数B.奇数C.奇数偶数都可能 6.6-QA-8OG 型蓄电池是()。
A .低温起动性能好的蓄电池B .干荷电式蓄电池C .塑料壳体蓄电池 7.在蓄电池放电过程中,正负极板活性物质的生成情况是()。
A .正极板二氧化铅,负极板纯铅B .正极板硫酸铅,负极板二氧化铅C .正负极板都生成硫酸铅 8. 蓄电池电解液的相对密度应()。
A .冬季应尽可能采用高密度B .冬季比夏季低C .冬季比夏季高 9.蓄电池将多个单格电池串联起来,其目的是()。
A.提高蓄电池的电压B.提高使用寿命C.增大容量 10.蓄电池电解液液面高度应高出防护片()A.1~1mmB.20~30mmC.10~15mm11.定电压充电要求各并联支路应满足的条件是()。
A .蓄电池电压总和相等,型号相同B .蓄电池电压总和相等,容量、放电程度可以不一致C .蓄电池型号相同、放电程度一致12.蓄电池电解液的液面高度正常降低后,需补充的液体是()。
A .蒸馏水B .与电池内密度相同的电解液C .浓硫酸 13.交流发电机中产生磁场的装置是()。
A.转子B.定子C.电枢14.铅酸蓄电池的电解液,是由相对密度为()的纯硫酸和蒸馏水配制而成。
汽车线束业务考核试题姓名工号部门分数一:填空(每空2分,共60分)1.扎带安装必须将扎带放到或上进行定位安装保证方向要求。
注意断开扎带要使用专用的,扎带尾部保留格。
扎带枪需要放行过并在有效期2.密封件的分类:、等。
3.汽车线束的加工流程:原材料--> --> -->分装和组装。
4.零缺陷理念:不缺陷、不缺陷、不缺陷5.橡胶护套: 用橡胶制成,穿在导线上,是连接干区和湿区之间过渡的零件,起防水密封、、、的作用6.常见端子压接不合格品,压接不符合要求线芯可见,线芯伸出不大于毫米、芯线压接片中不允许有、入口可见、绝缘皮与芯线压接翼之间芯线/绝缘皮。
7.插接方法:插接三步曲,正确的插接方法:、、。
8.组装工序对不良需做到:不合格品、不合格品、不合格品9.汽车线束的分类:、、、、、等二:问答题(每题10分,共40分):1.汽车线束的定义(5分)2.如何正确的完成插接?(15分)3.汽车线束使用的原材料都有那些;(10分)4.简述安装卡钉和安装扎带的方法和注意事项;(10分)汽车线束业务考核试题姓名工号部门分数一:填空(每空2分,共60分)10.扎带安装必须将扎带放到模块或定位叉上进行定位安装保证方向要求。
注意断开扎带要使用专用的扎带枪,扎带尾部保留2-3 格。
扎带枪需要放行过并在有效期11.密封件的分类:盲堵、盲栓、seal。
12.汽车线束的加工流程:原材料--> 开线--> 总装-->分装和组装。
13.零缺陷理念:不接受缺陷、不制造缺陷、不传递缺陷14.橡胶护套: 用橡胶制成,穿在导线上,是连接干区和湿区之间过渡的零件,起防水密封、减震、防磨、防尘的作用15.常见端子压接不合格品,压接不符合要求线芯可见,线芯伸出不大于 1 毫米、芯线压接片中不允许有芯线外漏、入口R角可见、绝缘皮与芯线压接翼之间芯线/绝缘皮可见。
16.插接方法:插接三步曲,正确的插接方法:推、听、回拉。
线束考试习题一、填空题1、线束外部波纹管在用粒性胶带包扎时一般间隔_150_毫米左右再进行一次包扎。
2、我车间线束用的导线按抗温度来分常见有_105°_ 70°两种3、一套300型线束有哪三大部分组成,前线束主线束左右挡泥板线束4、轮拖用电瓶线分正极和负极两种极性,长的用红色正极,短的用黑色负极轮轮拖用线按芯线大小主要有35mm2、50 mm2、70 mm2三种。
5、我们车间现有主要线束制作设备有剥线机、分支压接机、铜片接头压接机、电瓶线剥线机等6、我们车间制作线束的品种常规有200型、300型、350型、500型、900型等7、线束的组成主要有电线、护套、端子、固定件(扎带、卡子、橡胶护套等)及其它附件(胶带、波纹管、护线盒)等。
8、电线按线径大小,我车间常用的四种为1.5 mm2 、1 mm2、2.5 mm2、3 mm29、端子分为阴端子、阳端子、圆端子、环形端子等10、胶管分类,从外形上分为有缝,无缝,螺旋形,根据材质分耐热性和热收缩性11、电线束包扎时,应紧密、均匀,不应松散。
采用保护套管时,无位移和影响电线束弯曲现象12、对线束进行外观检查,肉眼观察接头表面应整洁、无毛刺和尖角等缺陷;接头应能保证装接到电线或电器上时,不出现断裂或裂纹13、拖拉机用线束就是把电流导向拖拉机各部位的电装部品,将驾驶员的意图传达到车子及外部,用人体来表示的话,引擎好比心脏,线束好比神经系统。
14、线束的组合状态分为安装状态和配索状态两种,其中安装状态指上已安装胶带、胶圈、套管、外皮等外装部品的状态,配索状态指未安装外装部品的状态15、根据车子的机能所使用的电线也分为“耐热性”,“耐久性”,“耐油性”“省空间”“,低成本”等各种各样。
16、在穿过车体隔壁时使用胶圈.,主要是保护电线,据胶圈的材质,可用于防水,,防尘,等.二、选择题1、一套300型线束成品有所使用的31号线的颜色是(A)A、绿黑B、绿白C、黑白 D绿色2、Lb1A3284.铜导线连接器的检验周期是( C )。
汽车线束业务考核试题姓名工号部门分数一:填空(每空2分,共60分)1.扎带安装必须将扎带放到或上进行定位安装保证方向要求。
注意断开扎带要使用专用的,扎带尾部保留格。
扎带枪需要放行过并在有效期2.密封件的分类:、等。
3.汽车线束的加工流程:原材料--> --> -->分装和组装。
4.零缺陷理念:不缺陷、不缺陷、不缺陷5.橡胶护套: 用橡胶制成,穿在导线上,是连接干区和湿区之间过渡的零件,起防水密封、、、的作用6.常见端子压接不合格品,压接不符合要求线芯可见,线芯伸出不大于毫米、芯线压接片中不允许有、入口可见、绝缘皮与芯线压接翼之间芯线/绝缘皮。
7.插接方法:插接三步曲,正确的插接方法:、、。
8.组装工序对不良需做到:不合格品、不合格品、不合格品9.汽车线束的分类:、、、、、等二:问答题(每题10分,共40分):1.汽车线束的定义(5分)2.如何正确的完成插接?(15分)3.汽车线束使用的原材料都有那些;(10分)4.简述安装卡钉和安装扎带的方法和注意事项;(10分)汽车线束业务考核试题姓名工号部门分数一:填空(每空2分,共60分)10.扎带安装必须将扎带放到模块或定位叉上进行定位安装保证方向要求。
注意断开扎带要使用专用的扎带枪,扎带尾部保留2-3 格。
扎带枪需要放行过并在有效期11.密封件的分类:盲堵、盲栓、seal。
12.汽车线束的加工流程:原材料--> 开线--> 总装-->分装和组装。
13.零缺陷理念:不接受缺陷、不制造缺陷、不传递缺陷14.橡胶护套: 用橡胶制成,穿在导线上,是连接干区和湿区之间过渡的零件,起防水密封、减震、防磨、防尘的作用15.常见端子压接不合格品,压接不符合要求线芯可见,线芯伸出不大于 1 毫米、芯线压接片中不允许有芯线外漏、入口R角可见、绝缘皮与芯线压接翼之间芯线/绝缘皮可见。
16.插接方法:插接三步曲,正确的插接方法:推、听、回拉。
QCT 29106-2014 汽车电线束技术条件考试题
岗位:姓名:工号:分数:
一、填空题(每小题3 分,共计33分)
1.QC/T 29106-2014汽车电线束技术条件.
2.端子:插接件和接头的统称.
3.护套:用于按装端子,对端子起固定、绝缘、防护的部件或组合部件.
4.干线与保护管长度不应小于50mm.
5.接点之间,接点与分支点之间距离不应小于20mm.
6.对所有电路进行通电检测应无短路、断路、错路现象.
一、判断题:(每题3分,共27分)
1、本标准适用于标称电压高于60V的各种汽车用电线束(含单根线组件.(×)
2、电线束用零部件和材料在图样及技术文件无规定时应分别签合要求.(∨)
3、电线及零部件的安装、分支点位置及分支方向,应符合图样及技术文件要求.(∨)
4、电线及零部件不应有损伤、变形等缺陷.(∨)
5、干线与保护管长度小于50mm(×)
6、接点之间,接点与分支点之间距离不应小于20mm(∨)
7、绝缘材料应靠在接点部位上,无位移、脱开现象(∨)
8、产品的储存和保管应符合QC/T28的有关规定,产品的储存期通常为2年。
在储存期满2年后,产品仍应符合本标准上述的规定.(∨)
9、绝缘材料应靠紧在接点部位上,无位移,脱开现象(∨)
三、简答题(每小题13分,共计40分)
1.产品标志在图样及技术文件无要求时,应包括那些相关方?
答:a) 产品名称
b) 型号或适用车型
c) 制造厂或商标
d) 制造日期或代码
e) 用户要求的条形码
2.那些情况进行型式检验?
答:a) 新产品或老产品易地生产批量投产鉴定.
b) 正式生产后,如结构、材料、工艺有较大改变而可能影响产品性能时.
c) 成批或大量生产的产品每年不少于一次.
d) 停产一年以上,恢复生产时.
e) 出厂检验结果与上次型式检验结果有较大差异时.
f) 国家监督机构提出进行型式检验要求时。
3.包装装箱文件包括哪些?
答:a) 装箱单
b) 产品出厂合格证
c) 用户提出需要的使用维护说明书。