工艺管道支架标准图集之3曲面槽滑动支座
- 格式:pdf
- 大小:65.70 KB
- 文档页数:1
管道安装工程施工方案编制人:1审核人:1审批人:1管道安装施工方案管道安装:常温工艺管道,采用流体输送用热轧无缝钢管,材质为16Mn和10#钢(GB8163—99)。
低温工艺管道采用输送流体不锈钢无缝钢管(GB/T14976—2002),材质为0Cr18Ni9。
紧急切断阀气动控制管路采用紫铜管(∮8×1)和不锈钢钢管(D25×3)。
管道安装要识别压力管道,业主有要求时,要报当地技术监督部门备案,并按压力管道要求进行控制。
设计压力为25MPa高压系统时,天然气工艺管道采用高压无缝钢管,材质为0Cr18Ni9。
其技术性能应符合现行国家标准(高压锅炉用无缝钢管)GB5310或(不锈钢无缝钢管)GB/T14976的有关规定。
设计压力在25MPa的系统中工艺管道为焊接或卡套联结。
卡套接头应符合《卡套式管接头技术条件》GB3765-83的规定。
1.施工规范《现场设备、工业管道焊接工程施工及验收规范》GB50236-98《石油天然气钢质管道对接焊缝射线照相及质量分级》SY4056-93《石油天然气钢质管道对接焊缝超声波探伤及质量分级》SY4065—93《工业金属管道工程施工及验收规范》 GB50235—97《石油天然气管道安全规程》SY6186-1996;2.管道安装一般要求材料验收测支架上管托安装位置安装管托预制管段保温防腐试压、吹扫管子及管件的连接(1)材料的要求本工程管道安装的所有材料必须是正规厂家生产的合格产品,管材、型材必须具有材质证,阀门管件必须具有合格证,安装前,要对材料进行外观检查,未见异常方可使用。
设计压力在PN≤1.6MPa的系统中,天然气工艺管道使用的钢管均采用10号或20号钢,或具有同等性能材料的无缝钢管。
其技术性能应符合现行国家标准《输送流体用无缝钢管》(GB/T8163)的规定。
设计压力PN2.5-25MPa,采用突面带颈对焊钢制管法兰,材质为16Mn锻件,锻件符合JB4726标准中的Ⅲ级规定;PN2.5以下采用突面板式平焊钢制管法兰,材质为Q235B(GB3274)。
室外热力管网安装1.1 室外热力管道的安装热电站集中供热和区域供热,具有高效能、低热耗、减少环境污染等优点。
由热电站或中心锅炉房到用户的热媒,往往要经过几千米或几万米的长距离运送,而且其管道的管径一般较大,热媒的压力较大,温度也较高,因此对于室外热力管道的施工安装、质量要求等都较为严格。
室外热力管道的敷设,常采用地下敷设和架空敷设两种方式。
地下敷设一般有可通行地沟敷设、半通行地沟敷设、不可通行地沟敷设和无地沟敷设等几种。
1.1.1 室外供热管道和支吊架安装室外供热管道管径大、分支较少、管线较长,因此在施工时,应当注意管道各种支架的安装位置是否正确。
热力管道支吊架的作用是支撑热力管道,并限制管道的侧向变形和位移。
它要承受由热力管道传来的管内压力、外载负荷作用力(包括重力、摩擦力、风力等)以及温度变化时引起管道变形的弹性力,并将这些力传到支吊结构上去。
1.安装内容室外供热管道和支吊架安装的内容:定位放线—支架的形式—支架的安装—热力管道安装—防腐保温。
2.安装要求(1)定位放线。
按照图纸要求,放出管道中心线,在管道水流方向改变的节点、阀门安装处、管道分支点等位置进行放线,并在变坡点放出标高线。
(2)支架的形式。
管道支架的形式很多,按照对管道的制约情况,可分为固定支架和活动支架两类。
①活动支架。
热力管道活动支架的作用是直接承受热力管道及其保温结构的质量,并使管道在温度的作用下能沿管轴向自由伸缩。
活动支架的结构形式有滑动支架、滚动支架、悬吊支架及导向支架四种。
a.滑动支架。
滑动支架分为低位滑动支架和高位滑动支架两种。
低位滑动支架如图1-1所示。
它是用一定规格的槽钢段焊在管道下面作为支座,并利用此支座在混凝土底座上往复滑动。
图1-2所示是另一种低位滑动支架,它是用一段弧形板代替上面的槽钢段焊在管道下面作为支座,故又称“弧形板滑动支架”。
高位滑动支架的结构形式类似图1-1所示的低位滑动支架,只不过其托架高度高于保温层厚度,克服了低位滑动支架在支座周围不能保温的缺陷,因而管道热损失较小。
支吊架制作安装工艺标准工艺标准图名称支吊架制作安装工艺标准编号标准参考图标准要求①支吊架钻孔、切割应该采用机械方式,不得采用气割与电焊方式。
螺栓钻孔应该与螺栓大小一致。
②支架切割断面的毛刺应清打磨清理,切割与钻孔部位均应防腐处理。
③支架末端螺栓孔边缘距支架边缘距离为螺栓孔直径的 2.5倍。
④管道卡螺栓孔间距应该事先放线确定。
⑤槽钢吊架下料采用45°角下料,两面切割,一面不切割煨弯至90°。
⑥槽钢吊架45°角满焊焊接,焊缝饱满平直。
⑦采用煨弯,光滑无毛刺。
①②③④⑤⑥⑦⑧吊杆式吊架,槽钢受力面应为槽钢侧面;吊杆伸出螺帽长度为吊杆直径的1/2;应采用双螺帽,与槽钢接触处加平垫,有振动处除平垫外还应加弹簧垫。
⑧-1多根管道水平布置,其管道边缘间距(含保温层)宜为两管道半径之和的1/2,且应充分考虑管道接头形式、管道阀门部件安装等情况。
⑧-2管道边缘(含保温)与支架边缘距离以50mm-100mm 为宜。
⑨支架锚固点应该尽量选择梁、柱上等结构承力好的部位。
⑩钢板大小、厚度、锚固膨胀螺栓的剪切力,拉力要进行计算选定。
槽钢应居中,钢板方正、满焊。
螺栓孔边缘距离钢板边缘距离为2.5倍螺栓直径。
⑧⑨⑩ ?⑧-1⑧-2明装立管单个支架高度以1.5~1.8米为宜。
多个支架设置位置综合考虑确定。
所有支架尖锐突出部位应倒角处理。
立管抱箍应固定牢固,尽量采用专用扁铁抱箍,增加接触摩擦力。
-1潮湿环境、明装部位的排水PVC 管吊架外部套PVC 塑料管。
多个吊架应该在一条直线上。
支架间距以最小管径管道间距为准。
在水流冲击力大的排水立管底部45°和90°短管部位设置顶托式支架。
-1末端喷头必须设置支吊架,与喷头之间的距离为400mm 。
喷头竖向支管高度大于1000mm ,应设置横向固定支架。
○17喷淋管道末端应采用梯形防晃支架,梯形支架角度为15°。
○17-1末端支架与喷头之间的距离为400mm 。
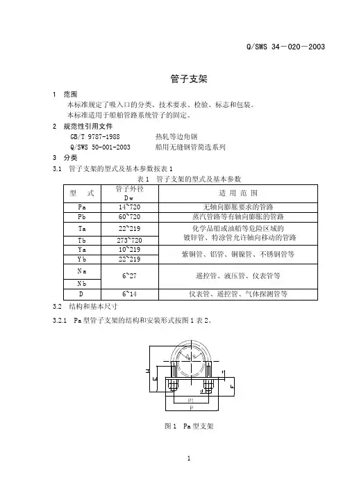
管子支架1范围本标准规定了吸入口的分类、技术要求、检验、标志和包装。
本标准适用于船舶管路系统管子的固定。
2规范性引用文件GB/T9787-1988热轧等边角钢Q/SWS50-001-2003船用无缝钢管简选系列3分类3.1管子支架的型式及基本参数按表1表1管子支架的型式及基本参数型式管子外径Dw适用范围Pa14~720无轴向膨胀要求的管路Pb60~720蒸汽管路等有轴向膨胀的管路Ta22~219 Tb273~720化学品船或油船等危险区域的镀锌管、特涂管允许轴向移动的管路Ya10~219Yb22~219紫铜管、铝管、铜镍管、不锈钢管等NaNb6~27遥控管、液压管、仪表管等D6~14仪表管、遥控管、气体探测管等3.2结构和基本尺寸3.2.1Pa型管子支架的结构和安装形式按图1表2。
图1Pa型支架表2Pa 型管子支架基本尺寸单位为毫米U 形螺柱结构尺寸R d 管子外径DwH E P P1F t重量(kg )8143468240.041222462470320.0515********0.0618M834602896440.1222426734104540.1525M104873110600.2131608538120744050.294076110154920.3546M1289120421671045060.52591141542041340.8872140184230160 1.2587M1616821055258190638 1.691122192663242442.491392733203782987583.04165M2032538570454350 5.221913774355044068.3921642648055445610.8324348055061051011.832685306008065056012.9928355963070059013.6330861068074464014.833186307009077066015.2935971176886074217.5364M24720778100870751125818.03.2.2.Pb 型管子支架的结构和安装形式按图2表3图2Pb 型管子支架表3Pb 型管子支架基本尺寸单位为毫米U 形螺柱结构尺寸Rd 管子外径Dw H E P P1F t 重量(kg )31608538120744050.294076100154920.3546M1289110421671045060.52591141402041340.8872140170160 1.2587M16168195552301906381.69112219250324244 2.491392733053782987583.04165M2032536570454350 5.221913774155044068.3921642646555445610.8324348052561051011.832685305758065056012.9928355960570059013.6330861065574464014.833186306759077066015.2935971176886074217.5364M24720778100870751125818.03.2.3T a 型管子支架的结构和安装形式按图3表4。
楼梯滑动支座施工工法中建六局建设发展有限公司吴小飞、张俊成李成权、温咏梅1.前言从大量的地震灾害实例和研究总结可得,楼梯破坏现象主要表现为: 在距休息平台板或楼层约1 /4 ~ 1 /3 跨的楼梯板之间,出现一道或两道水平可见裂缝,楼梯板受力筋弯曲下挠,混凝土保护层剥落,楼梯梁在两端和跨中出现明显破坏,钢筋暴露,楼梯平台板出现斜裂缝踏步板弯曲破坏,梯柱顶端以及与楼梯连接的框架柱均发生严重的破坏。
上述现象的特征主要是,沿施工接缝剪切破坏,平台梁剪切破坏,踏步板与平台梁连接处的剪切破坏。
针对上述破坏的较好解决方法是改变楼梯的连接方式,休息平台边梁与框架柱由固结改为悬挑和梯板下端由固结变滑动支座,梯段上端与中间平台梁或楼( 屋) 面梁整体连接,下端则简支于楼( 屋) 面梁或中间平台梁上,这样既可消弱梯段在反复地震作用下的轴力,从而减小平台梁受到的剪力作用,在强烈地震下楼梯的整体性仍可保持,施工也相对简单,通过改变局部结构的传力路径,改变内力分布,从而达到抗震的目的。
梯板下端设计成滑动支座形式已形成大趋势,这方面的应用也将越来越广泛。
2.工法特点2.1聚四氟乙烯垫板性能优良、构造简单、价格低廉、施工方便。
2.2楼梯施工无需设置施工缝,可加快施工进度。
2.3楼梯设置滑动支座提高了楼梯的抗震能力。
2.4楼梯设置滑动支座发挥了结构优势和特点,发展前景看好。
3.适用范围楼梯采用滑动支座形式且采用聚四氟乙烯垫板的工程施工。
4.工艺原理根据地震时楼梯易受破坏的特点,改变楼梯连接方式,在梯板下端设置滑动支座,配合以精确高质量的施工,提高楼梯抗震能力,使楼梯在强烈地震作用下整体性仍可保持。
5.施工工艺流程及操作要点5.1施工工艺流程滑动支座挑板施工→放置聚四氟乙烯垫板→平头螺钉固定→铺设梯板及加固→钢筋绑扎→踏步板安装加固→混凝土浇筑5.2操作要点5.2.1滑动支座挑板施工滑动支座的挑板钢筋需严格按图施工。
模板安装尺寸要准确。
Z5焊接滑动支座是一种常用的机械零部件,用于支撑和固定设备或结构。
其执行标准主要包括以下几个方面:
1. GB/T 17498-1998《滑动支座》:该标准规定了滑动支座的分类、技术要求、试验方法、检验规则等内容,适用于各类滑动支座的设计、制造和使用。
2. JB/T 8063-1996《焊接滑动支座》:该标准规定了焊接滑动支座的材料、尺寸、公差、表面质量、强度等方面的要求,适用于焊接结构的滑动支座。
3. HG/T 20634-2009《化工设备用焊接滑动支座》:该标准规定了化工设备用焊接滑动支座的材料、尺寸、公差、表面质量、强度等方面的要求,适用于化工设备的滑动支座。
4. JB/T 10675-2006《滚动轴承与滑动轴承组合式支座》:该标准规定了滚动轴承与滑动轴承组合式支座的结构形式、材料、尺寸、公差、表面质量、强度等方面的要求,适用于各种机械设备的支座。
以上是Z5焊接滑动支座的主要执行标准,不同的标准对产品的要求略有不同,但都强调了产品的质量和安全性。
在设计和制造过程中,需要根据具体的使用环境和要求选择合适的标准进行参考和遵循。
同时,还需要注重产品的质量控制和检测,确保产品符合相关标准的要求。
管道支吊架技术规范1.1支吊架形式的分类与性能区别1.2固定支架固定支架是一种承重支架,属于刚性支架,它对承重点管线有全方位的限制作用,是管线上三维坐标的固定点。
他用于管道中不允许有任何位移的部位。
,固定支架要求具有充足的强度和刚度,生根部分牢固可靠,因为固定支架除承重以外还要承受管道各项热位移推力和力矩。
1.3活动支架活动支架又叫做滑动支架,属于部分固定(限位)的承重支架,多用于水平管线靠近弯头的部位。
它是承受管道自重的一个支撑点,它只对管线的一个方向有限制作用。
当管线在该点上有向上的热位移时,须采用弹性支承,即弹簧活动支架。
1.4 1.4.1.1.1导向支架导向支架也叫做滑动支架,属于部分固定(限位)的承重支架,是管道应用最为广泛的一种支架,它是管道自重的一个支承点。
它对管道有两个方向的限位作用,能引导管道在导轨方向(即轴线方向)自由热位移,起到稳定管线的重要作用。
1.4.1.1.2活动支架和导向支架多数是刚性的,这两种支架都设有滑动支承块,导向支架在滑动块两侧增设有与管线平行的两根导轨。
1.4.1.1.3为减小滑动块的运动摩擦阻力,在滑动块和支承面之间铺设一层聚四氟乙烯塑料软垫,此垫有减阻和耐温作用。
在重要部位,在滑动块下设有滚子或滚珠盘,便滑动摩擦为滚动摩擦。
1.5吊架1.5.1.1.1刚性吊架刚性吊架用于常温管道,或用于热管道无垂直热位移和垂直热位移很微小的管道吊点,除承受管道分配给该吊点的重量之外,它允许该吊点管道有少量的水平方向位移,而对管道的向下位移有限位作用。
刚性吊架如果用在高压管系中,其作用不以承重为主,而是作为专用限位吊架使用。
1.5.1.1.2普通弹簧吊架普通弹簧吊架用于有垂直方向热位移和少量水平方向热位移的管道吊点,它在承重的同时,对吊点管道的各方位移无限位作用,弹簧吊架使管道在尽可能长的吊杆拉吊下可以自由热位移。
弹簧吊架的承载值是由弹簧的压缩值来确定的,可以精确计量。
标准Z5.325S焊接滑动支座Z5焊接滑动支座标准Z5.325S焊接滑动支座质量保证,量大从优。
欢迎新老客户来电来函与我们厂家联系。
焊接滑动支座Z5,附注1.同Z3要求。
2.材料:Q235-B 标号示例:Dw=377 标号:Z5.377S 产品标号:Z5.57S,Z5.76S,Z5.89S,Z5.108S,Z5.133S,Z5.159S,Z5.168S,Z5.194S,Z5.219S,Z5.245S,Z5.273S,Z5.298S,Z5.325S,Z5.355S,Z5.377S,Z5.406S,Z5.426S,Z5.457S,Z5.480S,Z5.508S,Z5.530S,Z5.558S,Z5.630S,Z5.720S,Z5.820S,Z5.920S,Z5.1020S,Z5.1120S,Z5.1220S 我厂主要产品有:管道支吊架、弹簧支吊架、整定弹簧组件、管卡、管夹、管夹滑东支座系列、人孔、弯头、法兰电力管件零部件、化工管道零部件、等各种管道配套设备和配件。
更多Z5.325S焊接滑动支座详细内容及报价欢迎来电咨询!支架在任何有管道敷设的地方都会用到,又被称作管道支座、管部等。
它作为管道的支撑结构,根据管道的运转性能和布置要求,管架分成固定和活动两种。
设置固定点的地方成为固定支架,这种管架与管道支架不能发生相对位移,而且,固定管架受力后的变形与管道补偿器的变形值相比,应当很小,因为管架要具有足够的刚度。
设置中间支撑的地方采用活动管架,管道与管架之间允许产生相对位移,不约束管道的热变形。
管夹滑动支座,志昂管道专业生产,设备齐全,保证质量!沧州志昂管道设备制造有限公司,地处中国管道装备基地河北省盐山县,公司致力于向客户提供应用于电力、石油、化工、冶金、建筑、船舶、城市供热等工程的各类管道设备及配件,主要包括整定弹簧、可变弹簧、恒力弹簧、恒力碟簧、U形螺栓,环形耳子、管夹,管卡,固定支座、导向滑动支座、滑动支座,保冷管托,保冷管夹、高压防震管托、单双头螺纹螺杆、限位装置、喇叭口支架等管道支吊架系列产品,也可根据客户要求按图纸生产或免费设计生产。