空心方桩与管桩的性能对比
- 格式:doc
- 大小:17.14 MB
- 文档页数:22
目录一、2007年全国建设行业科技成果推广项目 (1)二、预应力空心方桩与实心方桩的性价对比 (2)(一)质量 (2)(二)积土 (2)(三)施工 (2)(四)工程造价 (2)(五)承台造价 .................................................................... 错误!未定义书签。
三、300预应力空心方桩与400管桩的性价对比 (3)四、400预应力空心方桩与500管桩的性价对比 (5)五、预应力空心方桩与预应力管桩的桩身质量分析(特别做抗拔桩使用) (7)六、性价比示例计算——降低基础造价追求性能卓越 (8)七、附表 (I)(一)实心方桩、PHC管桩、预应力空心方桩综合性价对比表 (I)(二)同等规格桩型混凝土方量差异计算 (III)(三)公司案例 (IV)(四)公司荣誉 (V)一、2007年全国建设行业科技成果推广项目二、预应力空心方桩与实心方桩的性价对比(一)质量实心方桩的生产过程为纯手工操作,包括混凝土搅拌、喂料、振捣、绕笼等,人员操作的随意性,决定了其质量难以保证,在运输及施工中的破损率极高,质量波动比较大,工程质量难以保证。
而预应力空心方桩采用了目前最先进的混凝土构件生产工艺,从混凝土的搅拌开始包括喂料、离心、绕笼、蒸养等,全部为电脑控制,机械化作业,又加上预应力空心方桩本身的混凝土强度比较高,承载力比较大,所以空心方桩的自身成桩质量非常优越,在运输及施工中的破损率极低,远小于实心方桩,能充分保证工程质量。
(二)积土实心方桩的积土量,理论上讲就是压入地面以下的桩的体积,对于土质比较硬或四周有建筑物的地段,由于积土的影响,会造成后期沉桩的困难,或对四周建筑物的质量造成不良影响,所以各施工单位在沉桩的过程中,总是想尽一切办法来减少积土,以免造成不良后果。
而预应力空心方桩,由于采用了空心的形状,在沉桩的过程中,土质能进入到空心部位,不但提高了空心方桩的自身承载力,而且也有效减少了积土。
空心方桩(HKFZ250)与管桩(PHC300)的技术指标对比1.0d1 4.0d1 1.0d1 1.0d2 4.0d21.0d2图1 图2注:图1为Ø300管桩4桩承台示意图; 图2为HKFZ250*250预应力空心方桩4桩承台示意图。
在同等的设计要求下,以250空心方桩和PHC300管桩的4桩承台为例:A.单个4桩承台适用混凝土量(带钢筋),以国家规范承台桩之间中心距以4.0D 计算:空心方桩:(0.25×6.0)×(0.25×6.0)×1=2.25(m 3) 管桩: (0.3×6.0)×(0.3×6.0)×1=3.24(m 3) B.单个4桩承台混凝土节约:3.24 -2.25=0.99(m 3) 以混凝土(带钢筋)1000元/3计:单个4承台混凝土节约:0.99×1000=990(元)C.单个4桩承台的(12米桩长)桩的米数:12×4=48(米)D.将承台的节约划分到每米桩的单价上: 990÷48=20.625(元/米)结论:综上所述,将承台的节约划到每米桩的单价上,空心方桩比管桩可6.0d 16.0d 2节约20.625元/米。
由上表可以清楚地看出,选用HKFZ250空心方桩在力学性能上完全可以替代Ø300管桩,选用HKFZ250空心方桩较Ø300管桩相比若为承台基础,根据桩基技术规范,各桩间中心距以桩外边长的4.0倍,大约可节省21%的承台费用.空心方桩(HKFZ300)与管桩(PHC400)的技术指标对比1.0d1 4.0d1 1.0d1 1.0d2 4.0d21.0d2图1 图2注:图1为400管桩4桩承台示意图; 图2为HKFZ300预应力空心方桩4桩承台示意图。
在同等的设计要求下,以300空心方桩和PHC400管桩的4桩承台为例:A.单个4桩承台适用混凝土量(带钢筋),以国家规范承台桩之间中心距以4.0D 计算:空心方桩:(0.3×6.0)×(0.3×6.0)×1=3.24(m 3) 管桩: (0.4×6.0)×(0.4×6.0)×1=5.76(m 3) B.单个4桩承台混凝土节约:5.76-3.24 =2.52(m 3) 以混凝土(带钢筋)1000元/计:6.0d 16.0d 2单个4承台混凝土节约:2.52×1000=2520(元)C.单个4桩承台的(12米桩长)桩的米数:12×4=48(米)D.将承台的节约划分到每米桩的单价上:2520÷48=52.29(元/米)结论:综上所述,将承台的节约划到每米桩的单价上,空心方桩比管桩可节约52.29元/米。
管桩与空心方桩的比较分析管桩与空心方桩比较分析一、总体概述1、管桩与空心方桩从生产角度来说比较相似,都适用于较高要求的建筑,持力层的选用面广,适用性强。
就空心方桩而言,是在2008年从日本将此类桩型引进到国内并应用,其中,一些相关要求基本遵循管桩的设计要求与施工要求。
2、空心方桩:HKFZ400(240)A的空心方桩除去四个角的钢筋保护层厚度符合国家工业防腐要求,其他地方未能符合有关规范要求。
最新的工业防腐规范上要求混凝土的保护层厚度不应小于35mm。
3、预应力管桩与预应力空心方桩所拥有的特点基本相似,而两者之间表现出来差异性,集中在一些设计方面与使用方面。
二、相关数据对比根据国家建筑标准设计图集10G409与09G305相关数据对比,HKFZ400(240)A与PHC500(100)A之差较大,HKFZ 400(240)A几何参数、配筋及力学性能都偏小,下面是相关数据的比较:HKFZ 400(240)A:混凝土有效预应力为3.58N/mm2;抗裂弯矩为77KN·m;抗弯承载力设计值为83KN·m;竖向抗压承载力设计值为3107KN;竖向抗拉承载力设计值为515KN;抗剪承载力设计值为129KN;PHC500(100)A:混凝土有效预应力为4.84N/mm2;抗裂弯矩为103KN·m;抗弯承载力设计值为132KN·m;竖向抗压承载力设计值为3158KN;竖向抗拉承载力设计值为598KN;抗剪承载力设计值为206KN;HKFZ 400(240)A:所采用预应力主筋直径为9.0mm,使用主筋条数8条;螺旋筋直径为4mm;PHC500(100)A:所采用预应力主筋直径为9.0mm,使用主筋条数为11条;螺旋筋直径为5mm;三、管桩与方桩的不同处:外形:管桩是圆形,其截面是环形;方桩是正方形,其截面是外方内圆形。
骨架:管桩是圆形,方桩是方形,在桩截面积相同的条件下,同型号的管桩配筋率与方桩的配筋率是不同的。
预应力高强度混凝土管桩与预制混凝土方桩
性能价格对比分析
一、价格对比:
二、性能分析:
根据上海地区地质构造特点和桩的性能,预制混凝土方桩采用第5层作持力层,该层层底埋深不均,厚度差异大,造成力学性能不稳定,在基础设计时为有效控制建筑物沉降问题,常采用减小承载力设计值和加大承台的方法来解决,因而增大了基础部分的造价。
与预制混凝土方桩相比,PHC预应力混凝土管桩由于采用了先张法生产、离心成型和压蒸养护等先进工艺,桩身混凝土密实、强度高、耐打性好,对持力层起伏变化大的地质条件适应性比预制混凝土方桩强,通常采用第6-7层作持力层,甚至可穿透第7层到第8层来取得更大的单桩竖向承载力,施工质量保证,设计安全性高。
综上所述,PHC预应力混凝土管桩比预制方桩的技术先进、质量保证、安全适用、经济合理,在提高整个基础工程质量的前提下,可降低成本20%以上。
空心方桩与管桩性能比较空心方桩按混凝土的登记强度及混凝土承载截面的大小可分为:①预应力混凝土空心方桩(KFZ);②预应力高强混凝土空心方桩(HKFZ);③薄壁预应力混凝土空心方桩(TKFZ);其中TKFZ主要用于纯摩檫桩为主的地质,而HKFZ主要用于高层建筑上或有高耐腐蚀要求的地质情况,KFZ与TKFZ的混凝土强度等级为C60,HKFZ的混凝土强度等级为C80。
空心方桩的外边长主要有300×300~1000×1000,以每50为增量。
相对于其它桩型,特别是预应力混凝土管桩而言,其突出的优点在:①外表面积大且成方型或多边角型,在土层中桩体与土的休止角比圆型的外表大得多,这就意味着空心方桩比管桩在同等地质条件下能获得更大的承载力,为工程省下大量的基础资金;②从下表的对比情况看,350的空心方桩的桩本身承载力要相当于500外径的厚壁管桩,每KN承载力造价要低于预应力混凝土管桩,这意味着设计人员在同样的设计承载力下可优选方桩,而350的空心方桩市场售价比500外径的厚壁管桩要小,可省下一大笔材料费;③方桩的理论计算抗剪力是同等管桩的2-3倍,据日本建设省的实际测试,是管桩的4.5倍,这说明空心方桩的抗震性能非常优越,很值得在多震的区域及高层建筑、大面积地下室的建筑物基础中推广使用;④空心方桩继承并发扬了原有混凝土方桩施工破损率低的特点,高强混凝土配上方形的头部,比管桩有更好的耐冲击性能,和小得多的桩头破损率;方形比圆形有更大的焊接周长,充分保证每节桩之间的有效焊接强度,大大减小了方桩在施工中出现接头脱焊或位移现象,使成桩质量更优;⑤方桩的外形更容易开发出非焊接的快速连接头,能真正做到全天候施工,施工更快捷,可避免在高地下水位中出现焊接桩头开裂现象。
空心方桩的使用,因其诸多优点,必将为市场所接受,并得到推广使用。
日本,作为管桩的发明者,从20世纪60年代起大量推广使用,近年来,其管桩的使用逐年减小,2004年全国使用管桩不到500万米;而从2000年开发出新型方桩以来使用量已经占所有桩型的40%,可见方桩的优势。
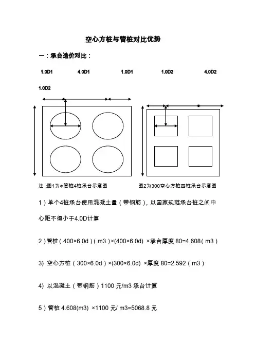
空心方桩与管桩对比优势一:承台造价对比:1.0D1 4.0D1 1.0D1 1.0D2 4.0D2 1.0D2注:图1为Ф管桩4桩承台示意图图2为300空心方桩四桩承台示意图1)单个4桩承台使用混凝土量(带钢筋),以国家规范承台桩之间中心距不得小于4.0D计算2)管桩(400×6.0d)(m3)×(400×6.0d) ×承台厚度80=4.608(m3)3) 空心方桩(300×6.0d)×(300×6.0d) ×厚度80=2.592(m3)4) 以混凝土(带钢筋)1100元/m3承台计算5)管桩4.608(m3) ×1100元/ m3=5068.8元管桩端板连接只能是单一的焊接接头,其局限性较大,而空心方桩有针对性地开发了几套连接方法,用于满足不同类型的使用条件二:技术对比1,同截面混凝土下方桩外表面积比管桩大,且成方型或多边角型的外形,在土层中桩体周边土与土的休止角比圆型的摩阻系数要大得多,这就意味着空心方桩比管桩在同等地质条件下能获得更大的承载力,为工程省下大量的基础资金;2,从附表的对比情况看,300(160)的空心方桩的桩本身承载力与400(90)的管桩相等,而由于桩的外边长从400减小到300,承台或剪力墙基础的尺寸可进一步减小,基础的减小可减小钢筋的用量和基础的深度,这意味着设计人员在同样的设计承载力下,可优选方桩,桩材料费用可省下一大笔。
3,方桩的理论计算抗剪力是同混凝土用量管桩的2-3倍,据日本建设省的实际测试是管桩的4.5倍,这说明空心方桩的抗震性能非常优越,很值得在多震的区域及高层建筑,大面积地下室的建筑物基础中推广使用;空心方桩继承了原有混凝土方桩的施工破损率低的特点,高强混凝土配上方形的头部,更能承受比圆形头部的耐冲击性能,在施工中比管桩小得多的桩头破损,方形比圆形更大的焊接周长充分保证的每节桩之间的有效焊接强度,减小了管桩在施工中出现的节头脱焊或移位现象,使沉桩质量更优。
预应力空心方桩与预应力管桩的比较
1、预应力空心方桩外表面积大,更适合做摩擦桩。
在以软土为主
的地质情况下,桩的绝大部分承载力由桩的外表面积产生的摩擦力提供,外表面积越大就意味着空心方桩比管桩在同等地质条件下能获得更大的承载力。
2、节约承台造价。
(详细见后面的各种桩型对比)
3、挤土效应小。
比如,预应力400空心方桩较之预应力500空心管桩,
进入土体的体积要小,产生的挤土效应要小,因而贯入度更高(即打桩更易),同事对临近的桩之间及对附近建筑物的破损概率降到最低。
4、沉桩垂直度更易控制,施工破损率非常低。
按规范操作要求,沉桩时桩身垂直度偏差不得超过0.5%,在使用经纬仪校准时,因预应力方桩四面垂直相交可做参照物,其垂直校准精度较高。
注:预应力空心方桩生产工艺、施工工艺与预应力空心管桩一样,生产周期短(3天可运至工地使用),采用锤击、静压法均可施工。
预应力空心方桩结合了预应力空心管桩和预制实心方桩两者的特点。
管桩和空心方桩的对比分析目前在市场上部分厂家非客观的反映空心方桩的综合性能比管桩优越,一味的诋毁管桩,否定管桩在地基基础应用上的成果和认可,通过和山东省内有经验的勘察、设计大师、部分管桩生产厂家、预制桩施工单位做沟通交流,特从预制桩的发展历程到施工上的真实表现,以作如下客观的反映现状:一、预制桩的发展历程介绍:50年代我国大部分预制桩为实心混凝土方桩,到了60年代研发了空心方桩、预应力空心方桩(采用振动、抽芯式工艺),后因其产品本身缺陷被预应力混凝土管桩取代。
98年云南中技公司开始试生产离心法空心方桩,并在一些小型民用建筑中试用,同时颜小荣申请了相关专利(其专利号200410040717.5一种离心法蒸汽养护制造预应力高强混凝土空心方桩的方法),后被别人无效。
贾燎在2003年12月也申请了专利,专利号为200320116232.0一种离心砼方桩及成型模具。
中国建筑科学研究院副院长黄强在2005年1月申请了专利,专利号为CN200520001774.2预应力混凝土空心方桩及桩尖,颜剑鸣、泰州海恒建材机械有限责任公司等个人和企业均在07年之前申请了相关空心方桩的专利。
相关书籍早在02年就已经有详细介绍,如阮启楠在2002年所著的《预应力混凝土管桩》。
2006年上海中技开始仿效管桩离心方法制作空心方桩,在生产和使用过程中质量问题频繁,在上海及周边有一定的市场,但此桩种及相关标准至今仍不成熟。
2007年上海中技桩业有限公司在其基础上再一次申请专利,专利号为ZL200710068545.6。
但是离心空心方桩由于其钢筋混凝土的保护层、最小配筋率、桩身混凝土截面的不均匀性、法向应力作用不均等一些技术指标不符合国家规范的要求,桩身的成桩质量得不到控制,施工时造成烂桩率偏高且以专利的名义在市场上哄抬价格,垄断市场,所以一直得不到推广应用。
目前只能应用于一些非重要民用建筑工程基础及较大面积的软基础加固,基础改善处理等工程,国家重点工程极少使用空心方桩。
预应力空心方桩与实心方桩空心管桩经济型比较首先,预应力空心方桩的特点是桩身为空心结构,并且预应力钢筋布置在桩身内部。
这种桩基的优点是抗扭刚度好,能够承受较大的水平力,适用于地震、风力等较大风险的工程场合。
此外,预应力空心方桩具有较高的安全系数,能够满足桩基在承受荷载时的变形和稳定性要求。
然而,预应力空心方桩施工复杂,需要专业的预应力施工技术和设备,施工周期较长,造价也相对较高。
实心方桩是一种桩身为实心结构的桩基。
和预应力空心方桩相比,实心方桩的施工工艺较为简单,施工周期较短,造价相对较低。
实心方桩适用于不需要承受较大水平力和抗扭刚度要求的工程场合。
实心方桩可以通过提高桩身截面的尺寸和增加钢筋配筋来增加桩基的承载能力。
实心方桩的缺点是其刚度较小,无法承受较大水平力,在地震、风力等风险较高的地区使用有一定的局限性。
空心管桩是将管状的钢模具沉入地下,然后在模具内部灌入混凝土形成桩基。
空心管桩适用于较浅的地下水位和地下土层较软的场合。
这种桩基的优点是施工简单快捷,适用范围广泛。
此外,空心管桩的成本相对较低且经济实惠。
然而,空心管桩的强度较低,抗桩身剪切能力相对较弱,只适用于不承受较大剪切力和水平力的场合。
综上所述,根据具体的工程需求和设计要求,选择预应力空心方桩、实心方桩或空心管桩都是合理的选择。
在抗扭刚度和抗剪强度要求较高的场合,预应力空心方桩是最适合的选择;在施工周期较紧迫和造价要求较低的情况下,实心方桩是较为经济实惠的选择;而在地下水位较浅、土层较软的场合,空心管桩是最合适的选择。
因此,在实际工程中,应根据具体的工程情况和需求进行选型,并结合经济性、施工工期和安全性等方面综合考虑,选择最合适的桩基型式。
400(240)AB空心方桩与500(100)AB管桩的性价比预应力空心方桩是一种结合预应力管桩和预制方桩二者的优点,同时克服了其大部分缺点的新型桩型,其相对于其它桩型,特别是预应力混凝土管桩而言,其突出的优点在:1、同截面积混凝土方桩外表面积大于管桩,且成方型或多边角型的外形,在土层中桩体周边土与土的休止角比圆型的摩阻系数要大得多.这就意味着空心方桩比管桩在同等地质条件下能获得更大的承载力,为工程省下大量的基础资金。
2、从下表的对比情况看400(240)AB空心方桩的桩本身承载力均要大于500(100)AB的管桩,每KN承载力造价要低于预应力混凝土管桩,同时由于桩的外边长从500减小到400,承台或剪力墙基础的尺寸可进一步减小,基础的减小可减小钢筋的用量和基础的深度。
3、空心方桩的理论计算抗剪力是同等混凝土用量管桩的2-3倍,据日本建设省的实际测试是管桩的4.5倍,这说明空心方桩的抗震性能非常优越,很值得在多震的区域及高层建筑、大面积地下室的建筑物基础中推广使用。
4、预应力空心方桩继承并发扬了原有混凝土方桩的施工破损率低的特点,高强混凝土配上方形的头部,具有比圆形头部更大的耐冲击性能,使预应力空心方桩在施工中桩头破损的情况比管桩小得多;方形比圆形更大的焊接周长充分保证每节桩之间的有效焊接强度,大大减小了管桩在施工中出现的节头脱焊或移位现象,使沉桩质量更优。
5、由下表可以清楚地看出,400(240)AB空心方桩在力学性能上完全可以替代500(100)AB管桩,同时使用小桩径的基础,在施工速度、挤土影响等方面又可大大改进,其性能上还超越管桩。
400(240)AB方桩与500(100)AB管桩的技术指标对比注:所有数据的采集均采用统一标准,极限侧阻力标准值和极限端阻力标准值均采用勘察报告提供的数据,侧阻力修正系数和端阻力修正系数均采用最大值。
若为承台基础,根据桩基技术规范,各桩间中心距不宜小于桩外边长的3.5倍,承台外边缘于桩体中心距不小于桩外边长1倍,据此推算,400(240)AB空心方桩比500(100)AB管桩节约承台基础费用36%。
相关于其它桩型,特别是预应力混凝土管桩而言,其突出的优点在:
1、同等直径的新型方桩外侧外表积比传统的圆桩大许多,且成方型或多边角型,在土层中桩体与土的接触面与角比圆桩大许多,可有效进步单桩的承载力;
2、在桩选型时不只可选用比圆桩较小截面尺寸的新型方桩,依据设计标准请求,根底承台尺寸还可进一步减小,减少根底混凝土和钢筋用量,经过设计测算不同类型的根底造价可节约10-30%左右;
3、由于选用较小截面尺寸的新型方桩,减少打桩时的挤土效应,对周边公开管线、建筑物的影响和毁坏大大减少,还能够加快施工速度;
4、空心方桩不只构造承载力比圆桩要大,抗剪力更是圆桩的2-3倍,抗震性能优越,愈加合适在高层建筑、大面积公开室建筑物根底中应用;
5、大面积公开室上浮现象时有发作,空心方桩可按国标图集直接作抗拔桩运用,很合适大面积公开室工程,不像圆桩需作专项设计等等;
混凝土管桩优点:
预制桩包括混凝土方桩、钢桩、钢管混凝土桩和预应力管桩;其中管桩是表现了当代混凝土技术进步和混凝土制品高新工艺程度的一种预制桩;单比管桩,混凝土方桩其制造环境和设备条件差、价钱贵、消费周期长、劳动消费率低、资料耗用量大、沉桩时挤土量大,施工难度大,损耗率高,不利于工厂消费储藏、施工过程中噪音大;预应力管桩具有明显的优越性:
1、质量稳定,性能牢靠,
2、消费周期短,
3、设计选用范围广.
4、单桩承载力高,单位承载力造价廉价
5、抗弯、抗拉性能好;
6、成桩质量牢靠;
7、吊装便当、施工便当;
8、顺应范围广;
9、具有与其它桩型的桩基设计更高的抗震性能;。
建筑桩基采用PHC管桩还是打预制空心方桩更经济呢?
从前2年的上海”楼脆脆“说起...
前2年上海某些城市建筑职能部门出具奇谈怪论:由上海莲花河畔倒楼事件得出结论说预制空心方桩比phc管桩的各项应力指标好,抗拔桩必须采用预制空心方桩,预制空心方桩比phc管桩经济。
从我们广州新华桩基础公司看来,这简直就是误人子弟,这肯定得到了某些预制空心方桩厂家的潜规则。
对比分析如下:1、制作工艺:管桩与方桩的制作工艺都是采用离心原理而使桩体中空,外形上的方与圆只是模具不同,而大家都知道,管桩在离心作用下,混凝土中粗骨料应是由外而内密实分布,方桩在离心作用下,粗骨料应在侧壁密实分布,而四周角部由于空隙较小,粗骨料无法密实,导致运输及吊装过程中极其容易损坏。
2、作用:无论是phc桩还是空心方桩都是摩擦型为主,同等量的混凝土圆周长比方周长来的长,而周长长就说明与土的接触面大,摩擦力也来得大,由此说明管桩比方桩来的经济。
3、强度:管桩其周边各项应力均匀分布,断面惯性矩无论哪个方向都一样,而方桩的各方向惯性矩不一。
4、桩体稳定性:圆几何不可变,方几何可变,桩基施工的都知道,管桩吊装的变形一定比方桩小。
5、抗拔桩的抗弯、抗剪能力:学过力学的都知道这是与构件壁厚及配筋有关,同等情况下,管桩的抗弯与抗剪一定比方桩来得大。
所以得出结论,在同等情况下,即含钢量相同、使用混凝土相同的情况下phc管桩无论在施工、强度、稳定性、摩擦性能都比预制空心方桩来的经济与实用。
现在拿出来和各位同仁讨论,相互学习。
空心方桩与管桩性能比较空心方桩按混凝土的登记强度及混凝土承载截面的大小可分为:①预应力混凝土空心方桩(KFZ);②预应力高强混凝土空心方桩(HKFZ);③薄壁预应力混凝土空心方桩(TKFZ);其中TKFZ主要用于纯摩檫桩为主的地质,而HKFZ主要用于高层建筑上或有高耐腐蚀要求的地质情况,KFZ与TKFZ的混凝土强度等级为C60,HKFZ的混凝土强度等级为C80。
空心方桩的外边长主要有300×300~1000×1000,以每50为增量。
相对于其它桩型,特别是预应力混凝土管桩而言,其突出的优点在:①外表面积大且成方型或多边角型,在土层中桩体与土的休止角比圆型的外表大得多,这就意味着空心方桩比管桩在同等地质条件下能获得更大的承载力,为工程省下大量的基础资金;②从下表的对比情况看,350的空心方桩的桩本身承载力要相当于500外径的厚壁管桩,每KN承载力造价要低于预应力混凝土管桩,这意味着设计人员在同样的设计承载力下可优选方桩,而350的空心方桩市场售价比500外径的厚壁管桩要小,可省下一大笔材料费;③方桩的理论计算抗剪力是同等管桩的2-3倍,据日本建设省的实际测试,是管桩的4.5倍,这说明空心方桩的抗震性能非常优越,很值得在多震的区域及高层建筑、大面积地下室的建筑物基础中推广使用;④空心方桩继承并发扬了原有混凝土方桩施工破损率低的特点,高强混凝土配上方形的头部,比管桩有更好的耐冲击性能,和小得多的桩头破损率;方形比圆形有更大的焊接周长,充分保证每节桩之间的有效焊接强度,大大减小了方桩在施工中出现接头脱焊或位移现象,使成桩质量更优;⑤方桩的外形更容易开发出非焊接的快速连接头,能真正做到全天候施工,施工更快捷,可避免在高地下水位中出现焊接桩头开裂现象。
空心方桩的使用,因其诸多优点,必将为市场所接受,并得到推广使用。
日本,作为管桩的发明者,从20世纪60年代起大量推广使用,近年来,其管桩的使用逐年减小,2004年全国使用管桩不到500万米;而从2000年开发出新型方桩以来使用量已经占所有桩型的40%,可见方桩的优势。
400(240)AB空心方桩与500(100)AB管桩的性价比预应力空心方桩是一种结合预应力管桩和预制方桩二者的优点,同时克服了其大部分缺点的新型桩型,其相对于其它桩型,特别是预应力混凝土管桩而言,其突出的优点在:1、同截面积混凝土方桩外表面积大于管桩,且成方型或多边角型的外形,在土层中桩体周边土与土的休止角比圆型的摩阻系数要大得多.这就意味着空心方桩比管桩在同等地质条件下能获得更大的承载力,为工程省下大量的基础资金。
2、从下表的对比情况看400(240)AB空心方桩的桩本身承载力均要大于500(100)AB的管桩,每KN承载力造价要低于预应力混凝土管桩,同时由于桩的外边长从500减小到400,承台或剪力墙基础的尺寸可进一步减小,基础的减小可减小钢筋的用量和基础的深度。
3、空心方桩的理论计算抗剪力是同等混凝土用量管桩的2-3倍,据日本建设省的实际测试是管桩的4.5倍,这说明空心方桩的抗震性能非常优越,很值得在多震的区域及高层建筑、大面积地下室的建筑物基础中推广使用。
4、预应力空心方桩继承并发扬了原有混凝土方桩的施工破损率低的特点,高强混凝土配上方形的头部,具有比圆形头部更大的耐冲击性能,使预应力空心方桩在施工中桩头破损的情况比管桩小得多;方形比圆形更大的焊接周长充分保证每节桩之间的有效焊接强度,大大减小了管桩在施工中出现的节头脱焊或移位现象,使沉桩质量更优。
5、由下表可以清楚地看出, 400(240)AB空心方桩在力学性能上完全可以替代500(100)AB管桩,同时使用小桩径的基础,在施工速度、挤土影响等方面又可大大改进,其性能上还超越管桩。
400(240)AB方桩与500(100)AB管桩的技术指标对比正系数均采用最大值。
若为承台基础,根据桩基技术规范,各桩间中心距不宜小于桩外边长的3.5倍,承台外边缘于桩体中心距不小于桩外边长1倍,据此推算, 400(240)AB空心方桩比500(100)AB管桩节约承台基础费用36%。
管桩和空心方桩的对比分析目前在市场上部分厂家非客观的反映空心方桩的综合性能比管桩优越,一味的诋毁管桩,否定管桩在地基基础应用上的成果和认可,通过和山东省内有经验的勘察、设计大师、部分管桩生产厂家、预制桩施工单位做沟通交流,特从预制桩的发展历程到施工上的真实表现,以作如下客观的反映现状:一、预制桩的发展历程介绍:50年代我国大部分预制桩为实心混凝土方桩,到了60年代研发了空心方桩、预应力空心方桩(采用振动、抽芯式工艺),后因其产品本身缺陷被预应力混凝土管桩取代。
98年云南中技公司开始试生产离心法空心方桩,并在一些小型民用建筑中试用,同时颜小荣申请了相关专利(其专利号200410040717.5一种离心法蒸汽养护制造预应力高强混凝土空心方桩的方法),后被别人无效。
贾燎在2003年12月也申请了专利,专利号为200320116232.0一种离心砼方桩及成型模具。
中国建筑科学研究院副院长黄强在2005年1月申请了专利,专利号为CN200520001774.2预应力混凝土空心方桩及桩尖,颜剑鸣、泰州海恒建材机械有限责任公司等个人和企业均在07年之前申请了相关空心方桩的专利。
相关书籍早在02年就已经有详细介绍,如阮启楠在2002年所著的《预应力混凝土管桩》。
2006年上海中技开始仿效管桩离心方法制作空心方桩,在生产和使用过程中质量问题频繁,在上海及周边有一定的市场,但此桩种及相关标准至今仍不成熟。
2007年上海中技桩业有限公司在其基础上再一次申请专利,专利号为ZL200710068545.6。
但是离心空心方桩由于其钢筋混凝土的保护层、最小配筋率、桩身混凝土截面的不均匀性、法向应力作用不均等一些技术指标不符合国家规范的要求,桩身的成桩质量得不到控制,施工时造成烂桩率偏高且以专利的名义在市场上哄抬价格,垄断市场,所以一直得不到推广应用。
目前只能应用于一些非重要民用建筑工程基础及较大面积的软基础加固,基础改善处理等工程,国家重点工程极少使用空心方桩。
预应力离心空心方桩20年以前在日本已经不能作为基础桩来使用了,只能应用于基础加固工程等非承重结构工程。
二、常见预制桩的工艺流程空心方桩(与管桩)生产工艺(相同)三、工艺生产及施工中产生问题的对比分析1. 供应:管桩厂全国有500—600家,每年的产能在4亿米左右,而稍大的区域都有6—10家管桩厂。
对本区域的工地都能及时、充足的供应,其庞大的区域产能与市场需求成合理比例。
如其中一家管桩厂出现不可预测的问题,其他厂家可以及时予以补充,确保工地的顺利、按时完成。
空心方桩为中技一家供应,产能低供应量小,一旦出现供应问题,只能是协调再协调,等待再等待,实在没法,只能停工,来一个长时间的等待了。
工作出问题,没有退路,没有备选方案,更没有可替代方案。
2. 生产工艺:管桩:由于其不可比拟的结构,从筋笼制作,到离心成型,后到成品出厂,都是一个天地合一的完美产品。
管桩在中国市场中使用的年限近40年,所应用的工地以10万为计量单位。
可以这么说,广泛的市场使用正掷地有声地告诉我们,其产品的生产工艺是一流的、完美的,誉为基础行业的定基神针都不为过。
空心方桩:由于其笼筋骨架先天性的缺陷,呈椭方形,为此,在进行螺筋滚焊时,经常性地出现点焊不到位,或者部分位置根本就没有焊接,笼筋中主筋与螺筋脱焊严重,笼筋结构松散,直接影响该桩在离心成型中主筋偏位,螺筋疏密不均,要求的保护层出入过大,影响桩的预定防腐性能;而主筋偏位会造成该桩在施工中受力不均,性能减弱,造成大面积烂桩,严重影响工程质量。
由于空心方桩为四个棱角,其在离心成型中会出现离心受力不均,粗细骨料分布不合理,桩会出现相应的质量问题。
在离心中受力不均会使笼筋的结构变形,影响桩身质量。
方形笼筋焊接不牢,容易松散。
合缝处严重漏浆桩头容易空洞3. 施工:管桩:由于其结构的优越性,合理性,钢材与混凝土高度的融合性,为此,管桩在施工中施工高效、简便,穿透力强,如:接头易对,焊接方便,受力均匀,穿透力强,对一些不能作持力层的地质具有较强的穿透力,达到设计要求。
空心方桩:其结构先天性的缺陷,桩身质量不稳定,桩头结构的缺陷,易形成空洞、蜂窝,为此,一旦用锤击施工,地质稍硬,易出现大面积爆头,而由于桩头结构的缺陷,空心方桩的接头部位易出现质量问题。
由于其桩头结构的隐患,及外延面积大,摩擦力稍大,为此,空心方桩的穿透力较弱,不易进入持力层,或者进入持力层也难达到预定桩长,对有硬夹层的地质,空心方桩是奈何不了的。
经向具有丰富空心方桩项目施工经验的资深人士了解,空心方桩在施工中普遍存在施工后桩位偏心严重,大额超出规范的施工桩数和单桩允许偏位量。
4. 风险控制:管桩:市场使用面广,生产厂家多,互补性强,质量可靠,相互间可作权衡比较,选择余地大。
空心方桩:①独家经营,空心方桩只有中技一家无对比性,无选择余地,一旦出现质量问题、供应问题,及其他不可预测的问题,则解决起来棘手,会相当被动,受制于人。
如在该节骨眼上,对方提出一些附加条件,问题则显得更复杂,更难解决。
②如工程施工至一半,出现不可调和的问题,则只能改用其他的桩型。
为此,会出现两个棘手的问题:其一,更改图纸,需要时间,一般在15—20天左右,拉长施工时间;其二,由于一些单栋楼施工至一半,另更改一种桩型会造成同一栋楼使用两种不同类型的桩型,从而使同一楼号出现沉降不均,严重影响桩基的稳定性。
桩型规格型号抗弯承载力设计值KN•m竖向抗压承载力设计值KN抗剪承载力设计值KN螺旋筋规格mm预应力主筋配筋配筋率(%)每米单价(元/米)管桩PHC500AB100 210 3150 233 5 11×10.7 0.787 173 PHC500AB125 226 3700 274 5 12×10.7 0.733 185空心方桩PHS-AB400(220) 139 2847 155 4 8×10.7 0.509 165 PHS-AB450(260) 224 3468 196 4 12×10.7 0.722 248 5.防腐性能管桩:2010年管桩经过全方位的技术改良和性能提升,出了新的预应力混泥土管桩国标设计图集(10G409),管桩的综合性能得到大幅度的提升,其保护层的厚度全部提升到40MM,而预制桩的保护层厚度的硬性指标为35MM,为此,管桩从防腐性能方面来讲,是符合相应的技术规范的。
空心方桩:由于桩型结构的先天缺陷,其桩保护层的厚度都是不达标的,在土质,地下水出现弱腐蚀,中腐蚀时,空心方桩的使用寿命将出现一定幅度的缩减,影响桩基的工程质量和使用寿命。
6.市场反应齐鲁晚报2012年5月4日B02、B03两个版面分别以《异地被淘汰“方桩”潜入山东》和《天津两次叫停“方桩工地”》为题介绍了中技空心方桩的各工地情况。
四、桩身设计结构、技术参数图表注解:管桩螺旋筋每端加密区为2000mm,加密区间距为45mm,非加密区间距为80mm,直径500管桩的螺旋筋直径为5mm;空心方桩螺旋筋每端加密区为1500mm,加密区间距为50mm,非加密区间距为100mm,直径500以下的方桩螺旋筋直径为4mm。
通过以上案例及数据分析可以得出:空心方桩宣称在外表面积摩擦侧阻方面能提高部分承载力;但空心方桩混凝土强度由于其是方型离心成型存在混凝土离散性扩大不密实的现象、配筋率低安全性能下降,在实际施工过程中遇到地质起伏时由于外方内圆造成应力集中到四个角上,会出现不同程度的纵裂、环裂,直接会影响设备厂房等隐蔽基础的安全性,加上东营区域地下水位较高并且水中含有对钢筋腐蚀性介质,对出现有纵裂、环裂方桩基础的耐久性将大打折扣。
方型的桩基础在抗剪力方面是其软弱的一个指标尤其是在东营软土地质情况下;空心方桩的构造及施工难度都将影响整个建筑物的安全及对社会造成巨大生命和财产安全隐患。
五、算例比较按房型结构的桩基类型:1. 条形基础:由于布桩在条基以下,可不用考虑承台问题,只需测算桩价即可。
2. 筏板基础,整个基础为整体受力,只可测算桩价即可。
3. 剪力墙基础:只需考虑布桩横向所增加的承台与剪力墙连接部分,该部分相对较小,可相当于增加桩价2%—3%,对整个桩基造价影响较小。
4. 承台结构:该种基础结构是主要分析的课题。
我们所要计算的基础工程造价,是做到±0.00后,也就是完成包括桩、施工、承台、防水材料、底板等之后的所有费用的总和,而不是只考虑桩型、承台的造价。
1.工程桩所需费用的比较:某工程单桩承载力为F,摩擦桩,在满足单桩承载力的情况下进行比较。
空心方桩边长300(130)mm与管桩直径400(95)mm比较:需要空心方桩桩长L1=F/(4×0.3)=F/1.2;需要管桩桩长L2=F/(3.1416×0.4)=F/1.25664;空心方桩比管桩用量多(L1/L2-1)*100%=4.72%;也就是说,在同等单桩承载力情况下,当管桩需要使用100万米时,空心方桩需要使用104.72万米。
而管桩400mm其他方面(如抗弯、抗裂、抗剪、含钢量)远优于空心方桩外边长300mm,同样的价格可以买到含钢量大的管桩。
2、基础所需费用的比较:某工程底板浇筑面积为10万m2,空心方桩边长300(130)mm与管桩直径400(95)mm比较:方桩承台管桩承台浇筑底板后,造价几乎相同。
以下为部分管桩和空心方桩工地异常的情况分析:四角混凝土不密实,送桩时受力不均。
四角磕损严重,离心时出现死角,强度不够。
压力值偏大,混凝土强度不均匀,一侧大面积损坏。
桩头普遍出现问题华天商城工地现场钢筋笼焊接不牢,螺旋筋脱落,加密区不够。
端板下部混凝土填充不密实,桩头含钢量低。
(新媒体展示中心项目)运输过程中出现磕损经向具有丰富空心方桩项目施工经验的资深人士了解,空心方桩在施工中普遍存在施工后桩位偏心严重(如下图),大额超出规范的施工桩数和单桩允许偏位量。
综合分析,空心方桩不管是结构性能还是生产工艺,以及施工中的质量控制,与预应力管桩都没有可比性,而在特殊地质及特殊基础形式上稍有一点优势,而优势是建立在过分压缩管桩的承载力,过分放大空心方桩的承载力的非理性基础上,而在这种特定的地质、桩基形式上,如稍作一些破坏性实验指导设计,则可大幅度提升管桩的承载力,降低基础造价,全方面考证,空心方桩与管桩无可比性,更何谈其优越性?多角度分析,管桩抗弯承载力、抗剪承载力、主筋配筋率等各项目指标均全面优于空心方桩。