通风管道及其部件制作详细资料6页
- 格式:doc
- 大小:650.00 KB
- 文档页数:6
通风管道及部件制作工程1. 简介通风管道及部件制作工程是指为建筑物、工厂、车间等提供通风换气系统的工程项目。
通风系统是建筑物内部空气质量的关键保障措施,它能够有效地排除建筑物内部潜在的有害气体、烟雾、蒸汽等,并保持空气的新鲜和流通。
通风管道及部件制作工程主要包括通风管道的设计、制作、安装和维护等环节。
2. 通风管道制作工艺通风管道的制作工艺主要分为以下几个步骤:2.1 设计通风管道的设计需要根据实际施工场所的情况和通风需求进行合理的规划。
设计师需要考虑到通风管道的走向、尺寸、材质等因素,并结合通风系统的整体布局进行综合考虑。
在设计过程中,还需要遵循相关的建筑安全和消防规范。
2.2 材料准备通风管道的制作需要使用具有一定强度和耐腐蚀性的材料,常见的材料有镀锌钢板、不锈钢板等。
在材料准备阶段,需要将材料按照设计要求进行切割成相应的尺寸,并进行必要的连接件的加工。
2.3 制作通风管道的制作主要包括以下几个环节:2.3.1 弯制根据设计要求,将切割好的材料置于管道弯曲机中,通过适当的压力和角度,使管道按照设计要求进行弯制。
弯制过程中需要注意材料的变形和垂直度控制。
2.3.2 连接通风管道的连接通常采用螺旋连接、焊接连接或法兰连接等方式。
具体选择哪种连接方式取决于设计要求和施工情况。
连接时需要注意连接的紧密性和密封性。
2.3.3 衬垫通风管道的衬垫是为了保持管道的稳定性和密封性。
根据通风管道的材料和规格,选用相应的衬垫材料,并将其安装在管道的接缝处。
2.3.4 补强为了提高通风管道的强度和稳定性,可以在必要的位置进行补强处理,常见的补强方式有加装角钢、加固肋等。
补强部分的制作需要根据具体情况进行。
2.4 安装和维护通风管道的安装需要根据设计要求进行合理布置,并且要确保管道的稳定性和密封性。
在安装过程中,要注意通风管道与其他设备的协调配合,以及与建筑物结构的连接。
通风管道的维护主要包括定期检查、清洁和润滑等工作。
通风管道及部件制作工程分项工程质量技术交底卡2、规范》(GB30243-2002)的规定。
表6-153、风管部件及消声器制作。
质量要求应符合《通风与空调工程施工质量验收规范》(GB50243-2002)的规定。
表6-16般项目8短形弯管导流叶片第5.3.8条9柔性短管第5.3.9条10:消声器第5.3.10条11检杳门第5.3.11条12风口验收第5.3.12条工艺流程1、金属风管制作。
2、非金属、复合材料风管制作。
厂d』區丁|£1 et用模具】曲琨厂j 机加伸应茶■云甬加亍3、风管部件及消声器制作。
[j旦型依规范姿泉一层无机嵐园一层琐纤祠H 检验卜>{面FH 打轧+4入棒1四、操作工艺(一)风管制作1、画线要据风管的不同尺寸形状和规格分别进行,同时对同一段凤管要完整进行,防止画线错孔和下料的多少有误。
2、板材剪切依据画线的阶段不同,分别进行,同时必须进行下料的复核,以免有误。
按画线形状用机械剪刀和手工剪刀进行剪切。
3、剪切时,手严禁伸入机械压板空隙中,上刀架不准放置工具等物品,调整板料时,脚不能放在踏板机上,使用固定式震动剪两手要扶稳钢板,手离刀口不得小于5cm,用力均匀适当。
4、板材下料后在轧口之前,必须用倒角机或剪刀进行倒角工作。
倒角形状如图6-10:ffi 6 - 10f专用摸具[成瑾1---SgH机屜倒仲5、金属薄钢板制作的风管用咬口连按、铆钉连接、焊接等不同方法。
不同板材咬口或焊接界限如表6-17规定。
表6-18 咬口宽度(mm)1250mm 以上时应采取加固措施边长小于或等于800mm 的风管宜采用楞筋、楞线的方法加固。
中、高压风管的管段长度大于1250mm 时,应采取加固框的形式加固。
高压风管的单咬口缝应有加强措施。
风管的板材厚度大于或等于2mm 时,加固措施的范围可适当放宽。
风管的加固形式见图 6-11:15、风管与法兰组合成形时,风管与扁钢法兰可用翻边连接;与角钢法兰连接时风管壁厚小于或等于1.5mm ,可采用翻边连接,与角钢法兰连接时,风管壁厚小于或等于 1.5mm 可采用翻边铆接,铆钉规格,铆孔尺寸见下表:表6-19 圆、矩形风管法兰铆钉规格及铆钉尺寸类型 风管 铆钉 铆钉规格方法兰120〜630 0 4.5 0 4X 8 800〜2000 0 5.5 0 5X 10 圆法兰200〜500 0 4.5 0 4X 8 530〜20000 5.50 5X 10风管壁厚大于1.5mm ,可采用翻边点焊和沿风管管口周围满焊,点焊时法兰与管壁外表面贴合; 满焊时法兰应伸出风管管口4〜5mm ,为防止变形,可采用图6-12的方法。
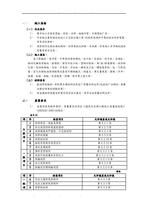
一、施工准备(一)作业条件1、集中加工应具有宽敞、明亮、洁净、地面平整、不潮湿的厂房。
2、作业地点要有相应的加工工艺的必备工具、设施及电源和可靠的安全防护装置,并有消防器材。
3、风管制作应有批准的图纸,经审查的大样图,系统图,并有施工员书面的技术质量及安全交底。
(二)施工器具:龙门剪板机、电冲剪、手用电动剪倒角机、咬口机、压筋机、折方机、合缝机、振动式曲线剪板机、卷圆机、圆弯头咬口机、型钢切割机、角(扁)钢卷圆机、液压钳钉钳、电动拉铆枪、台钻、手电钻、冲孔机、插条法兰机、螺旋卷管机、电、气焊设备、空气压缩机油漆喷枪等设备及不锈钢板尺、钢直尺、角尺量角器、圆规、洋冲、铁锤、木锤、拍板、各类胎具、料桶、刷子等小型工具。
(三)材料要求1、能适用的板材、管材等主要材料应有出厂质量证明文件(包括出厂合格证、质量合格证明及检测报告等)。
2、非金属材料及填充料等应符合设计要求,有齐全的质量证明文件。
二、质量要求1、金属风管及配件制作。
质量要求应符合《通风与空调工程施工质量验收规》(GB50243-2002)的规定。
表6-14续表2、非金属与复合材料风管及配件制作。
质量要求应符合《通风与空调工程施工质量验收规》(GB30243-2002)的规定。
表6-153、风管部件及消声器制作。
质量要求应符合《通风与空调工程施工质量验收规》(GB50243-2002)的规定。
表6-16续表一般项目8 短形弯管导流叶片第5.3.8条9 柔性短管第5.3.9条10 消声器第5.3.10条11 检查门第5.3.11条12 风口验收第5.3.12条三、工艺流程1、金属风管制作。
2、非金属、复合材料风管制作。
3、风管部件及消声器制作。
四、操作工艺(一)风管制作1、画线要据风管的不同尺寸形状和规格分别进行,同时对同一段凤管要完整进行,防止画线错孔和下料的多少有误。
2、板材剪切依据画线的阶段不同,分别进行,同时必须进行下料的复核,以免有误。
通风管道及部件制作标准一、施工准备1、作业条件1.集中加工应具有宽敞、明亮、洁净、地面平整、不潮湿的厂房。
2.作业地点要有相应加工工艺的必备工具、设施及电源和可靠的安全防护装置,并有消防器材。
3.风管制作应有批准的图纸,经审查的大样图,系统图,并有施工员书面的技术质量及安全交底。
2、施工器具龙门剪板机、电冲剪、手用电动剪倒角机、咬口机、压筋机、折方机、合缝机、振动式曲线剪板机、卷圆机、圆弯头咬口机、型钢切割机、角(扁)钢卷圆机、液压钳钉钳、电动拉铆枪、台钻、手电钻、冲孔机、插条法兰机、螺旋卷管机、电、气焊设备、空气压缩机油漆喷枪等设备及不锈钢板尺、钢直尺、角尺量角器、圆规、洋冲、铁锤、木锤、拍板、各类胎具、料桶、刷子等小型工具。
3、材料要求1、能适用的板材、管材等主要材料应有出厂质量证明文件(包括出厂合格证、质量合格证明及检测报告等)。
2、非金属材料及填充料等应符合设计要求,有齐全的质量证明文件。
二、质量要求1、金属风管及配件制作。
质量要求应符合《通风与空调工程施工质量验收规范》(GB50243-2002)的规定。
续工质量验收规范》(GB30243-2002)的规定。
规范》(GB50243-2002)的规定。
三、工艺流程1、金属风管制作。
2、非金属、复合材料风管制作。
3、风管部件及消声器制作。
四、操作工艺(一)风管制作1、画线要根据风管的不同尺寸形状和规格分别进行,同时对同一段风管要完整进行,防止画线错孔和下料的多少有误。
2、板材剪切依据画线的阶段不同,分别进行,同时必须进行下料的复核,以免有误。
按画线形状用机械剪刀和手工剪刀进行剪切。
3、剪切时,手严禁伸入机械压板空隙中,上刀架不准放置工具等物品,调整板料时,脚不能放在踏板机上,使用固定式震动剪两手要扶稳钢板,手离刀口不得小于5cm,用力均匀适当。
4、板材下料后在轧口之前,必须用倒角机或剪刀进行倒角工作。
倒角形状如图6-10所示。
5、金属薄钢板制作的风管用咬口连按、铆钉连接、焊接等不同方法。
施工准备(一)作业条件1、集中加工应具有宽敞、明亮、洁净、地面平整、不潮湿的厂房。
2、作业地点要有相应的加工工艺的必备工具、设施及电源和可靠的安全防护装置,并有消防器材。
3、风管制作应有批准的图纸,经审查的大样图,系统图,并有施工员书面的技术质量及安全交底。
(二)施工器具:龙门剪板机、电冲剪、手用电动剪倒角机、咬口机、压筋机、折方机、合缝机、振动式曲线剪板机、卷圆机、圆弯头咬口机、型钢切割机、角(扁〉钢卷圆机、液压钳钉钳、电动拉铆枪、台钻、手电钻、冲孔机、插条法兰机、螺旋卷管机、电、气焊设备、空气压缩机油漆喷枪等设备及不锈钢板尺、钢直尺、角尺量角器、圆规、洋冲、铁锤、木锤、拍板、各类胎具、料桶、刷子等小型工具。
b5E2RGbCAP(三)材料要求1、能适用的板材、管材等主要材料应有出厂质量证明文件(包括出厂合格证、质量合格证明及检测报告等>。
2、非金属材料及填充料等应符合设计要求,有齐全的质量证明文件。
质量要求1、金属风管及配件制作。
质量要求应符合《通风与空调工程施工质量验收规范》(GB50243-2002〉的规定。
plEanqFDPw2、量验收规范》(GB30243-2002〉的规定。
DXDiTa9E3d表6-15项序检查工程允许偏差或允许值主控工程1材料种类、性能及厚度第4.2.2条2复合材料风管的材料第4.2.4条3风管强度及严密性、工艺性检测第4.2.5条4P 第4.2.7条5复合材料风管法兰连接第4.2.8条6砖、混凝土风道的变形缝第4.2.9条7风管的加固第4.2.11条8矩形弯管制作及导流片第4.2.12条9净化空调风管第4.2.13条般工程1风管制作第4.3.1条2硬聚氯乙烯风管第4.3.5条3有机玻璃钢风管第4.3.6条4无机玻璃钢风管第4.3.7条5砖、混凝土风管第4.3.8条6双面铝箔绝热板风管第4.3.9条7铝箔玻璃纤维板风管第4.3.10条8净化空调风管第4.3.11条3、范》(GB50243-2002〉的规定。
风管及部件的制作1)风管制作的主要工序:2)根据设计及规范要求并结合我们以往工程的施工经验,对风管的咬口形式做如下选择:风管板材的拼接咬口和圆形风管的闭合咬口采用单咬口,矩形风管或配件的四角组合采用联合角咬口,咬口宽度和留量根据板材厚度定,具体尺寸见下面图表:3)风管咬口缝结合要紧密,咬缝宽度要均匀,操作时,用力均匀,不宜过重,不能出现有半咬口或胀裂现象。
4)本工程矩形风管弯头采用内外弧形弯头,以减少风系统的局部阻力。
5)风管加固矩形风管边长大于或等于630mm,保温风管边长大于或等于800mm 时,并且风管管段长度大于1.2m时,对风管进行加固。
对边长小于或等于800mm的风管采用楞筋加固,楞筋的形式见右图。
对于中压系统的风管,必须采用加固框加固。
6)法兰加工矩形风管法兰加工采用模具法加工,圆形风管法兰采用法兰卷圆机加工。
法兰内径或内边长尺寸的允许偏差为+1~+3mm,平面度的允许偏差为2mm。
矩形法兰两对角线之差不应大于3mm。
风管与法兰连接的翻边应平整、宽度应一致,不得小于6mm,且不得有开裂与孔洞。
法兰的角钢下料时应注意使焊成后的法兰内径不能小于风管的外径。
下料调直后放在相应的模具上卡紧固定、焊接、打眼。
本工程通风系统属中低压系统,按规范规定,法兰螺栓孔及铆钉孔间距要小于或等于150mm,法兰四角处开设螺孔。
法兰螺孔间距必须均匀,同规格法兰具备互换性。
7)折方咬口后的板料按画好的折方线放在折方机上,置于下模的中心线。
操作时使机械上刀片中心线与下模中心重合,折成所需要的角度。
折方时应互相配合并与折方机保持一定距离,以免被翻转的钢板或配重碰伤。
8)风管缝合咬口完成的风管采用手持电动缝口机进行缝合,缝合后的风管外观质量应达到折角平直,圆弧均匀,两端面平行,无翘角,表面凹凸不大于5mm。
9)铆法兰风管与法兰组合成形时其要求如下:风管与法兰铆接前先进行技术质量复核,合格后将法兰套在风管上,风管折方线与法兰平面应垂直,然后使用液压铆钉钳或手动夹眼钳用 5X10 铆钉将风管铆固,并将四周翻边;翻边应平整,不应小于6mm,四角应铲平,不应出现豁口,以免漏风。
3、风管部件及消声器制作。
操作工艺
5、金属薄钢板制作的风管用咬口连按、铆钉连接、焊接等不同方法。
不同板材咬口或焊接界限如表表6-17 金属风管的咬接或焊接界限
板厚
材质
钢板<不包括镀锌钢板)不锈钢板铝板
δ≤1.0咬接咬接咬接
1.0≤δ≤1.2咬接
焊接咬接
1.2≥δ≤1.5焊接
15、风管与法兰组合成形时,风管与扁钢法兰可用翻边连接。
与角钢法兰连接时风管壁厚小于或等于6-19 圆、矩形风管法兰铆钉规格及铆钉尺寸
类型风管铆钉铆钉规格
方法兰120~630 φ4.5 φ4×8 800~2000 φ5.5 φ5×10
圆法兰200~500 φ4.5 φ4×8 530~2000 φ5.5 φ5×10
风管壁厚大于1.5mm,可采用翻边点焊和沿风管管口周围满焊,点焊时法兰与管壁外表面贴合;满焊时法兰应伸出风管管口
图中表示常用的几种焊接顺序,大箭头指示总的焊接方向,小箭头表示局部分段的焊接方向,数宇表示焊接先后的顺序。
这样,可以使。
通风管道及部件制作工程分项工程质量技术交底卡GD2301003续表项序检查项目允许偏差或允许值一般项目8短形弯管导流叶片第5.3.8条9柔性短管第5.3.9条10消声器第5.3.10条11检查门第5.3.11条12风口验收第5.3.12条三、工艺流程1、金属风管制作。
2、非金属、复合材料风管制作。
3、风管部件及消声器制作。
四、操作工艺(一)风管制作1、画线要据风管的不同尺寸形状和规格分别进行,同时对同一段凤管要完整进行,防止画线错孔和下料的多少有误。
2、板材剪切依据画线的阶段不同,分别进行,同时必须进行下料的复核,以免有误。
按画线形状用机械剪刀和手工剪刀进行剪切。
3、剪切时,手严禁伸入机械压板空隙中,上刀架不准放置工具等物品,调整板料时,脚不能放在踏板机上,使用固定式震动剪两手要扶稳钢板,手离刀口不得小于5cm,用力均匀适当。
4、板材下料后在轧口之前,必须用倒角机或剪刀进行倒角工作。
倒角形状如图6-10:14、矩形风管边长大于或等于630mm和保温风管边长大于或等于800mm,其管段长度在l250mm以上时应采取加固措施边长小于或等于800mm的风管宜采用楞筋、楞线的方法加固。
中、高压风管的管段长度大于1250mm时,应采取加固框的形式加固。
高压风管的单咬口缝应有加强措施。
风管的板材厚度大于或等于2mm时,加固措施的范围可适当放宽。
风管的加固形式见图6-11:15、风管与法兰组合成形时,风管与扁钢法兰可用翻边连接;与角钢法兰连接时风管壁厚小于或等于1.5mm,可采用翻边连接,与角钢法兰连接时,风管壁厚小于或等于1.5mm可采用翻边铆接,铆钉规格,铆孔尺寸见下表:表6-19 圆、矩形风管法兰铆钉规格及铆钉尺寸类型风管铆钉铆钉规格方法兰120~630 φ4.5 φ4×8 800~2000 φ5.5 φ5×10圆法兰200~500 φ4.5 φ4×8 530~2000 φ5.5 φ5×10风管壁厚大于1.5mm,可采用翻边点焊和沿风管管口周围满焊,点焊时法兰与管壁外表面贴合;满焊时法兰应伸出风管管口4~5mm,为防止变形,可采用图6-12的方法。
通风管道及部件制作工程分项工程质量技术交底卡GD2301003交底内容续表项序检查项目允许偏差或允许值一般项目8 短形弯管导流叶片第5.3.8条9 柔性短管第5.3.9条10 消声器第5.3.10条11 检查门第5.3.11条12 风口验收第5.3.12条三、工艺流程1、金属风管制作。
2、非金属、复合材料风管制作。
3、风管部件及消声器制作。
四、操作工艺(一)风管制作1、画线要据风管的不同尺寸形状和规格分别进行,同时对同一段凤管要完整进行,防止画线错孔和下料的多少有误。
2、板材剪切依据画线的阶段不同,分别进行,同时必须进行下料的复核,以免有误。
按画线形状用机械剪刀和手工剪刀进行剪切。
3、剪切时,手严禁伸入机械压板空隙中,上刀架不准放置工具等物品,调整板料时,脚不能放在踏板机上,使用固定式震动剪两手要扶稳钢板,手离刀口不得小于5cm,用力均匀适当。
4、板材下料后在轧口之前,必须用倒角机或剪刀进行倒角工作。
倒角形状如图6-10:交底内容l250mm以上时应采取加固措施边长小于或等于800mm的风管宜采用楞筋、楞线的方法加固。
中、高压风管的管段长度大于1250mm时,应采取加固框的形式加固。
高压风管的单咬口缝应有加强措施。
风管的板材厚度大于或等于2mm时,加固措施的范围可适当放宽。
风管的加固形式见图6-11:15、风管与法兰组合成形时,风管与扁钢法兰可用翻边连接;与角钢法兰连接时风管壁厚小于或等于1.5mm,可采用翻边连接,与角钢法兰连接时,风管壁厚小于或等于1.5mm可采用翻边铆接,铆钉规格,铆孔尺寸见下表:表6-19 圆、矩形风管法兰铆钉规格及铆钉尺寸类型风管铆钉铆钉规格方法兰120~630 φ4.5 φ4×8800~2000 φ5.5 φ5×10 圆法兰200~500 φ4.5 φ4×8530~2000 φ5.5 φ5×10 风管壁厚大于1.5mm,可采用翻边点焊和沿风管管口周围满焊,点焊时法兰与管壁外表面贴合;满焊时法兰应伸出风管管口4~5mm,为防止变形,可采用图6-12的方法。
一、施工准备
(一)作业条件
1、集中加工应具有宽敞、明亮、洁净、地面平整、不潮湿的厂房。
2、作业地点要有相应的加工工艺的必备工具、设施及电源和可靠的安全防护装置,并有消防器材。
3、风管制作应有批准的图纸,经审查的大样图,系统图,并有施工员书面的技术质量及安全交底。
(二)施工器具:
龙门剪板机、电冲剪、手用电动剪倒角机、咬口机、压筋机、折方机、合缝机、振动式曲线剪板机、卷圆机、圆弯头咬口机、型钢切割机、角(扁)钢卷圆机、液压钳钉钳、电动拉铆枪、台钻、手电钻、冲孔机、插条法兰机、螺旋卷管机、电、气焊设备、空气压缩机油漆喷枪等设备及不锈钢板尺、钢直尺、角尺量角器、圆规、洋冲、铁锤、木锤、拍板、各类胎具、料桶、刷子等小型工具。
(三)材料要求
1、能适用的板材、管材等主要材料应有出厂质量证明文件(包括出厂合格证、质量合格证明及检测
报告等)。
2、非金属材料及填充料等应符合设计要求,有齐全的质量证明文件。
二、质量要求
1、金属风管及配件制作。
质量要求应符合《通风与空调工程施工质量验收规范》(GB50243-2002)
的规定。
表6-14
(GB30243-2002)的规定。
(GB50243-2002)的规定。
续表
三、工艺流程
1、 金属风管制作。
2、 非金属、复合材料风管制作。
3、 风管部件及消声器制作。
四、 操作工艺
(一) 风管制作
1、 画线要据风管的不同尺寸形状和规格分别进行,同时对同一段凤管要完整进行,防止画线错孔
和下料的多少有误。
2、 板材剪切依据画线的阶段不同,分别进行,同时必须进行下料的复核,以免有误。
按画线形状
用机械剪刀和手工剪刀进行剪切。
3、 剪切时,手严禁伸入机械压板空隙中,上刀架不准放置工具等物品,调整板料时,脚不能放在
踏板机上,使用固定式震动剪两手要扶稳钢板,手离刀口不得小于5cm ,用力均匀适当。
4、 板材下料后在轧口之前,必须用倒角机或剪刀进行倒角工作。
倒角形状如图6-10:
5、 金属薄钢板制作的风管用咬口连按、铆钉连接、焊接等不同方法。
不同板材咬口或焊接界限如
表6-17规定。
7、焊接时必须焊缝均匀,无裂纹及加渣现象;铆钉连接时,铆钉中心先垂直于板面,头把板材压紧,
使板缝密合并排列整齐、均匀。
板材之间铆接,一般中间可不加垫料,设计规定时,遵循设计。
8、咬口时手指距滚轮护壳不小于50mm,手不准放在咬口机轨道上扶稳板料。
9、咬口后的板料将画好的折方线放在折方机上,置于下模的中心线,操作时,使机械上刀片中心
线与下模中心线重合,折成所需要的角度。
10、折方时应互相配合并与折方机保持一定距离,以免被翻转的钢板或配件碰伤。
11、制作圆风管时,将咬口两端柏成圆弧状放在卷圆机上卷圆。
按风管直径规格适当调整上、下辊
间距,操作时,手不得直接推送钢板。
12、折方或卷圆后的钢板用合口机或手工进行合缝。
操作时用力均匀,不宜过重。
单、双口确实咬
合,无胀裂和半咬口现象。
13、法兰加工:
(1)矩形法兰加工:
①方法兰由四根角钢组焊而成.画线下料时考虑无齿锯片切去的角钢料,通常多划角钢的1.5
倍厚度的长度,画线完毕用无齿锯切割,折方时组焊成的成品法兰内径不至于小于风管外
径。
②下料调直后组对,放在焊接平台焊接。
并应采取防止变形措施,孔距不应大于50mm采用
8501阻燃密封胶条做垫料时螺栓孔距适当放大,不得大于300mm。
③放在台钻或摇臂钻上,用钻模钻孔。
④法兰整形和修整焊缝、除去打孔毛刺等。
(2)圆法兰加工:
①先将整根的角钢或扁钢放在冷煨法兰卷圆机上按所需法兰直径,调整机械的可调零件,卷
成螺旋形状后取下。
②将卷好的型钢画线割开,逐个放在平台上找平找正。
③对调整好的法兰进行焊接、打孔。
(3)无法兰加工:
①无法兰连接风管的接口应采用机械加工,尺寸应正确,形状应规则,接口处严密。
无法兰
矩形风管接口处的四角应有固定措施。
②在风管内铆法兰腰箍冲眼时,管外配合人员面部要避开冲孔。
14、矩形风管边长大于或等于630mm和保温风管边长大于或等于800mm,其管段长度在l250mm
以上时应采取加固措施边长小于或等于800mm的风管宜采用楞筋、楞线的方法加固。
中、高压风管的管段长度大于1250mm时,应采取加固框的形式加固。
高压风管的单咬口缝应有加强措施。
风管的板材厚度大于或等于2mm时,加固措施的范围可适当放宽。
风管的加固形式见图6-11:
15、风管与法兰组合成形时,风管与扁钢法兰可用翻边连接;与角钢法兰连接时风管壁厚小于或等于
1.5mm,可采用翻边连接,与角钢法兰连接时,风管壁厚小于或等于1.5mm可采用翻边铆接,
铆钉规格,铆孔尺寸见下表:
时法兰应伸出风管管口4~5mm,为防止变形,可采用图6-12的方法。
图中表示常用的几种焊接顺序,大箭头指示总的焊接方向,小箭头表示局部分段的焊接方向,数宇表示焊接先后的顺序。
这样,可以使焊件比较均匀的受热和冷却,从而减少变形。
16、风管与法兰铆接前先进行技术质量复核,合格后将法兰套在风管上,管段留出10mm翻边量,
管折方线与法兰平面应垂直,然后使用液压铆钉钳或手动夹眼钳,用铆钉将风管与法兰铆固,
并留出四周翻边。
17、翻边应平整,不应遮住螺孔,四角应铲平,不应出现豁口,以免漏风。
18、风管与小部件(嘴子、短支管等)连接处,三通、四通分支处要严密,缝隙处应利用锡焊或密封
胶堵严以免漏风。
使用锡焊,熔锡时锡液不允许着水防止飞溅伤人,盐酸要妥善保管。
19、风管喷漆防腐不应在低温(低于+5它)和潮湿(相对湿度不大于80%)的环境下进行,喷漆时应使
漆膜均匀,不得有堆积、漏涂、皱纹、气泡及混色等缺陷。
普通钢板在压口时必须先喷一道防
锈漆,保证咬缝内不易生锈。
20、薄钢板防腐油漆,依据设计执行。
21、风管成品检验后,应按图中立干管、支管系统的顺序写出连接号码及工程简名,合理堆放码好。
等待运输出厂。
五、成品保护
1、要保持镀锌钢板表面光滑洁净,放在宽敞干燥的隔潮木头垫架上,叠放整齐。
2、不锈钢板、铝板要立靠在木架上,不要平迭,以免拖动时刮伤表面,下料时应使用不产
生划痕的画线工具。
操作时应使用木锤或有橡胶皮套的锤子,不得使用铁锤,以免落锤点产生锈斑。
3、法兰用料应分类码放,露天应采取防雨、雪措施,减少生锈现象。
4、风管成品应码放在平整无积水、宽敞的场地,码放时应按系统编号,整齐、合理、便于装运。
5、风管搬运装卸应轻拿轻放,防止损坏成品。
六、应注意的质量问题。