钢架焊接技术交底
- 格式:doc
- 大小:100.00 KB
- 文档页数:4
技术交底记录编号工程名称交底日期年月日施工单位分项工程名称钢骨架隔墙焊接交底提要本技术交底按施工方案及图纸进行交底,各施工班组必须严格按此技术交底施工1、主要施工工艺(1)材料要求:20*40*3镀锌方管、40*40*3镀锌方管、M8膨胀螺栓;根据不同户型钢架设计图进行施工作业。
(2)300mm高C20细石混凝土导墙(宽同墙厚度)。
地垄浇筑时,预埋M8螺栓,间距400mm,转角处和靠墙位置均预埋。
预埋件与地垄钢筋焊接。
(3)竖向40*40*3镀锌方通,间距400mm;横向20*40*3镀锌方通,间距600mm。
钢架竖向方通应直通地面(或反坎)和顶板(或梁),使用40*50*3镀锌角钢连接固定。
(4)附墙钢架使用40*50*3镀锌角钢与墙体连接固定,间距不大于600mm(边缘应不大于100mm)(5)钢架焊接完成后清理焊缝,涂刷防锈漆。
2、质量标准(1)主控项目骨架隔墙所用方管、配件、墙面板、填充材料及嵌缝材料的品种、规格、性能应符合设计和国家规范要求。
有隔声、隔热、阻燃、防潮等特殊要求的工程,材料应有相应性能等级的性能检测报告。
骨架隔墙工程周边龙骨必须与基体结构连接牢固,位置正确。
骨架隔墙中龙骨间距和构造连接方法应符合设计要求。
骨架内设备管线的安装、门窗洞口等部位加强龙骨应安装牢固、位置正确,填充材料的设置应符合设计要求。
(2)一般项目骨架隔墙表面应平整光滑、色泽一致、洁净、无裂缝,接缝应均匀、顺直。
骨架隔墙上的孔洞、槽、盒应位置正确、套割吻合、边缘整齐。
骨架隔墙内的填充材料应干燥,填充应密实、均匀、无下坠。
3、成品保护钢架隔墙施工中,工种间应保证已装项目不受损坏,墙内电管及设备不得碰动错位及损伤。
方管及水泥压力板入场,存放使用过程中应妥善保管,保证不变形,不受潮不污染、无损坏。
已安装完的墙体不得碰撞,保持墙面不受损坏和污染。
审核人交底人接受交底人1.本表由施工单位填写,交底单位与接受交底单位各保存一份。
一、交底目的为确保钢筋电焊焊接作业过程中的安全,预防事故发生,特制定本安全技术交底。
二、交底对象钢筋电焊焊接作业人员、管理人员、现场监理人员。
三、交底内容1. 作业人员要求(1)作业人员必须经过电、气焊专业培训和考试合格,取得特种作业操作证的电气焊工,并持证上岗(在有效期内)。
(2)作业人员必须经过安全教育考核合格后才能上岗作业。
2. 施工现场安全要求(1)施工现场禁止吸烟,严禁酒后作业,严禁追逐打闹,禁止窜岗,严格遵守各项安全操作规程和劳动纪律。
(2)进入施工现场必须戴好合格的安全帽,系紧下颚带,高处作业必须系好合格的防火安全带,高挂低用。
3. 作业人员个人防护要求(1)作业人员作业时必须使用头罩或手持面罩,穿干燥工作服,绝缘鞋,用耐火防护手套,耐火的护腿套、套袖及其他劳动防护用品。
(2)要求上衣不准扎在裤子里,裤脚不准塞在鞋(靴)里,手套套在袖口外。
4. 作业现场环境要求(1)进入作业地点后,熟悉作业环境,检查设备及各项安全防护设施。
(2)若发现不安全因素、隐患,必须及时处理或向有关部门汇报,确认安全后再进行施工作业。
(3)对施工过程中发现危及人身安全的隐患,应立即停止作业,及时要求有关部门处理解决。
5. 作业过程安全要求(1)焊接电缆、接头、绝缘等应符合国家标准,确保电气安全。
(2)焊接过程中,严禁将金属物体、易燃易爆物品等靠近焊接区域。
(3)焊接设备、工具应保持完好,发现损坏应及时更换或维修。
(4)焊接过程中,注意防止弧光、火花对周围环境和人员造成伤害。
(5)焊接作业完成后,清理现场,确保无安全隐患。
6. 现场管理要求(1)现场所有安全防护设施和安全标志,严禁私自移动和拆除,如需暂时移动和拆除的须报经有关负责人审批后,在确保作业人员及其他人员安全的前提下才能拆移,并在工作完毕(包括中途休息)后立即复原。
(2)严禁借用金属管道、金属脚手架、轨道、结构钢筋等金属物代替导线。
四、交底责任1. 作业人员应认真听取安全技术交底,了解作业过程中的安全要求,严格遵守操作规程。
表F.0.3 技术交底记录施表F.0.3
首层大堂钢架排版图
首层大堂钢架节点图
五、操作要点(不同结构的要点)
1、 现场采用砂轮切割机断料,并采用靠模式断料,确保下料的准确性,断料后需清除断口毛刺。
2、 后置埋件的固定采用M12*100膨胀螺栓,采用Φ14的钻头,孔的深度100.
3、电焊机输出端极性采用正接;电焊机下须垫50厚木方与地面隔开。
4、焊工作业时,使用本项目指定焊条,不得混用。
5、施焊前,焊工应采用本工程钢材料头进行试焊,调整焊机电流、检查焊条是否受
12#槽钢
50角钢
120*60*5镀锌方通
300*200*10镀锌钢板。
一、交底目的为确保钢构吊装焊接施工过程中的安全,预防事故发生,提高施工人员的安全意识,特进行安全技术交底。
二、交底对象本次交底对象为所有参与钢构吊装焊接施工的施工人员、管理人员和技术人员。
三、交底内容1. 施工现场安全注意事项(1)施工前,对施工现场进行全面检查,确保现场安全无隐患。
(2)施工现场应设置明显的警示标志,警示区域不得堆放杂物。
(3)施工人员应穿戴好个人防护用品,如安全帽、安全带、防护眼镜等。
(4)施工现场禁止吸烟、使用明火,防止火灾发生。
2. 吊装安全注意事项(1)吊装前,对吊装设备进行检查,确保设备完好、安全。
(2)吊装过程中,吊车司机应密切注意吊装物的平衡,避免发生倾斜、翻车等事故。
(3)吊装作业时,吊装物下方不得站人,确保人员安全。
(4)吊装过程中,如发现异常情况,应立即停止作业,查明原因后重新进行。
3. 焊接安全注意事项(1)焊接前,对焊接设备进行检查,确保设备完好、安全。
(2)焊接作业时,应佩戴防护眼镜,防止火花、弧光对眼睛的伤害。
(3)焊接现场应保持良好的通风,避免有害气体积聚。
(4)焊接作业时,禁止酒后作业、疲劳作业。
4. 施工人员安全注意事项(1)施工人员应严格遵守操作规程,不得擅自更改施工方案。
(2)施工人员应服从现场管理人员的指挥,不得擅自离岗。
(3)施工人员应掌握必要的安全知识和技能,提高自我保护能力。
四、安全防护措施1. 设置安全警戒线,限制无关人员进入施工区域。
2. 对施工现场进行围挡,防止施工过程中产生的火花、弧光等对周边环境造成影响。
3. 配备消防器材,确保施工现场消防设施齐全有效。
4. 定期对施工人员进行安全教育培训,提高安全意识。
五、交底要求1. 施工人员应认真听取安全技术交底,了解并掌握安全操作规程。
2. 施工人员应严格遵守安全技术交底内容,确保施工安全。
3. 施工单位应定期对安全技术交底内容进行修订,确保交底内容的准确性。
4. 施工单位应加强对施工人员的安全管理,确保施工安全。
编:建设单位监理工程名称分局部项工程名称施工一、电弧焊〔一〕施工前准备1.作业条件〔1〕焊工必须持证上岗。
〔2〕作业现场要有平安防护、防火等措施防止发生触电、火灾、中及烧伤等事故。
〔3〕正式焊接前各个电焊工应对其在工程中准备进展电弧焊的主要规格的钢筋各焊3个模拟试件做拉伸试验经试验合格后方可参加施工作业。
2.材料要求〔1〕钢筋:钢筋的级别、规格必须符合设计要求有合格证、出厂检测和进场复验。
进口钢筋还应做化学试验及可焊性试验结果符合要求。
钢筋外表应清洁无裂纹、老锈和油污。
〔2〕焊条:焊条的牌应符合设计要求。
如设计无规定时应符合表1.1的要求:表・焊条必须有出厂合格证。
焊条质量应符合以下要求:a.药皮无裂缝、气孔、凹凸不平等缺陷。
b.焊接过程中电弧应燃烧稳定药皮熔化均匀无成块脱落现象。
c.焊条必须根据要求烘干后再用。
3.施工机具电焊机、电缆、电焊钳、面罩等。
〔二〕质量要求1.钢筋的制作及安装应严格按照设计图纸和有关变更书进展下料、制作和绑扎。
2.钢筋工程要严格按照相应和行业进展施工;严格按照?工程建立强迫性条文?进展施工。
钢筋手工电弧焊接工程质量要求应符合?混凝土构造工程施工质量验收?(GB50204-2002)的规定。
〔三〕工艺流程检查设备一选定焊接参数一焊定位焊缝一引弧、施焊、收弧一清渣一质量检查(四)操作工艺搭接焊〔1〕搭接焊适用于I〜III级钢筋。
宜采用双面焊当不能进展双面焊时方可采用单面焊。
(2)焊缝长度要符合表1.2规定。
(3)搭接焊的焊缝厚度不应小于0.3d焊缝宽度不小于0.8d。
表1・2(4)搭接焊时先在离端部20mm以上部位焊接两个定位焊缝。
(5)搭接焊时引弧应在搭接钢筋形成焊缝的一端开场收弧应在搭接钢筋的端头上弧坑应填满。
第一层焊缝应有足够的熔深主焊缝与定位焊缝应熔合良好不得烧伤主筋。
〔五〕应注意的质量问题1.应根据钢筋的级别、直径、接头型式选择焊条、焊接工艺。
焊接参数应采用班前焊确定的参数。
钢结构焊接技术交底本工程为乌兰巴托银行住宅楼。
结构形式为钢框架—支撑结构。
钢柱钢梁钢支撑的材质为:Q345B,钢支撑为箱形,Q345钢材采用的焊条型号为E5015.E5016.本工程采用全熔透焊接。
焊缝的质量等级二级。
外观质量等级为二级。
全熔透焊缝的端部应放置引弧板。
手工焊引弧板厚度为8mm。
焊缝引出长度大于或等于25mm.1、钢结构吊装按划分的区域,平行顺序同时进行。
当一片区吊装完毕后,即进行测量、校正、高强度螺栓初拧等工序,待几个片区安装完毕后,对整体再进行测量、校正、高强度螺栓终拧、焊接。
焊后复测完后,接着进行下一节钢柱的吊装。
2、本工程钢结构最重为10 吨,钢丝绳采用直径为20MM,钢丝直径1.1MM, 6*37=1,计算公式:【Fg】=AFg∕K,查表:F G——钢丝绳的钢丝破断拉力总和(KN)234.00 KN,Α——换算系,0.82,K——钢丝绳的安全系数8允许拉力[F G]=ΑF G/K=0.82×234/8=24KN,长度为3米。
3、起吊时钢柱必须垂直,尽量做到回转扶直,根部不拖。
起吊回转过程中应注意避免同其他已吊好的构件相碰撞,吊索应有一定的有效高度。
在吊装第一节钢柱时,应在预埋的地脚螺栓上加设保护套,以免钢柱就位时碰坏地脚螺栓的丝牙。
4、第一节钢柱是安装在柱基上的,钢柱安装前应将登高爬梯和挂篮等挂设在钢柱预定位置并绑扎牢固,起吊就位后临时固定地脚螺栓,校正垂直度。
钢柱两侧装有临时固定用的连接板,上节钢柱对准下节钢柱柱顶中心线后,即用螺栓固定连接板做临时固定。
5、必须等地脚螺栓固定后才能松开吊索。
6、钢柱校正钢柱校正要做三件工作:柱基标高调整,柱基轴线调整,柱身垂直度校正。
1)柱基标高调整放下钢柱后,利用柱底板下的螺母或标高调整块控制钢柱的标高(因为有些钢柱过重,螺栓和螺母无法承受其重量,故柱底板下需加设标高调整块——钢板调整标高),精度可控制在±1mm以内,柱底板下预留的空隙,可以用高强度、微膨胀、无收缩砂浆以捻浆法填实。
一、工程名称:________________________二、施工单位:________________________三、施工部位:________________________四、交底时间:________________________五、交底内容:1. 安全操作规程与注意事项(1)所有参与钢结构焊接作业的施工人员必须经过专业培训,取得相关操作资格证书后方可上岗。
(2)进入施工现场必须佩戴安全帽,系好帽带,穿着合适的防护鞋,并正确使用个人防护用品,如防护眼镜、手套、耳塞等。
(3)焊接作业人员应严格遵守焊接操作规程,确保焊接质量和施工安全。
2. 焊接作业前的准备工作(1)检查焊接设备,确保其正常运行,并对电源、气源进行检查,防止发生漏电、漏气等事故。
(2)清理焊接区域,确保无易燃、易爆物品,并对周围环境进行评估,确保符合焊接作业的安全要求。
(3)对焊接材料进行检查,确保其质量符合要求,避免因材料问题导致焊接事故。
3. 焊接作业中的安全措施(1)焊接作业应在通风良好的环境中进行,如条件不允许,应采取强制通风措施。
(2)焊接作业时,操作人员应保持安全距离,防止高温熔滴造成人员伤害。
(3)焊接过程中,严禁酒后作业,禁止在疲劳状态下进行焊接作业。
(4)焊接作业时,应使用专用工具,如焊钳、焊条等,并确保工具的完好。
4. 焊接作业后的处理(1)焊接完成后,应立即对焊接区域进行检查,确认焊接质量,防止出现安全隐患。
(2)清理焊接现场,收集废料,确保现场整洁。
(3)对焊接区域进行冷却,防止高温引起火灾。
5. 应急处理(1)如遇火警,立即使用灭火器或其他灭火设备进行灭火,并迅速撤离现场。
(2)如有人受伤,立即进行急救,并拨打急救电话。
(3)如发生设备故障,立即切断电源,防止事故扩大。
六、安全教育培训(1)施工前对全体焊接作业人员进行安全教育培训,使其充分了解焊接作业的安全知识和操作规程。
(2)定期组织安全知识考核,确保施工人员熟悉并掌握安全操作技能。
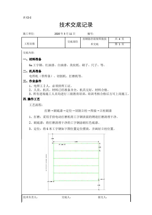
技术交底记录施工单位: 2020年3月11日编号:
工程名称
交底部位
直钢筋存放架焊接技
术交底
共4 页
第 1 页
交底内容:
一、材料准备
6m工字钢、红油漆、白油漆、美纹纸、刷子、尺子、等。
二、机具准备
电焊机(带焊条)、切割机、打磨机等。
三、作业条件
1、电焊工2人,必须持焊工证。
2、人员、机具、材料已经准备齐全,机具完好,材料合格。
3、所有进场施工人员均进行三级教育培训,培训考核合格后方可上岗施工。
四.操作工艺
工艺流程:
打磨→刷底漆→定位→切割立柱→焊接→立柱刷漆
1、打磨:采用手持电动打磨机将工字钢表面的锈迹打磨清理干净。
2、刷底漆:将打磨清理干净的工字钢涂刷红色底漆。
3、定位:将6米工字钢如下图位置定位摆放,并画好立柱位置。
技术交底记录施工单位: 2020年3月11日编号:
工程名称
交底部位
直钢筋存放架焊接技
术交底
共4 页
第 2 页
交底内容:
4、切割立柱:将工字钢采用切割机切割的方法截成0.8米长作为立柱。
5、焊接:底座采用2根6米长工字钢对接焊接而成,间隔2米,并将立柱间隔2米垂直焊接到底座上,焊接完成后敲掉焊渣。
6、立柱刷漆:将底座和立柱表面涂刷200mm红白相间油漆。
涂刷前先按尺寸贴好美纹纸,刷子蘸取适量油漆涂刷,防止流坠。
技术交底记录施工单位: 2020年3月11日编号:
技术交底记录施工单位: 2020年3月11日编号:。
▍工程名称:蓝城凤起巣鸣项目生活服务中心及样板房精装修(硬装)工程▍项目经理:▍交底部位:S5#楼生活馆及7#楼样板房▍质量员:
▍交底内容:钢构焊接工艺
◆骨架隔墙工程
Ⅰ主控项目
具体注意事项图解
1. 钢架连接处需进行满焊:
2.横向、竖向钢架连接时应采用双面焊接:
▍工程名称:蓝城凤起巣鸣项目生活服务中心及样板房精装修(硬装)工程▍项目经理:▍交底部位:S5#楼生活馆及7#楼样板房▍质量员:
▍交底内容:钢构焊接工艺
3. 焊接点清理完毕后需满涂防锈漆
4. 钢架需满焊:
▍工程名称:蓝城凤起巣鸣项目生活服务中心及样板房精装修(硬装)工程▍项目经理:▍交底部位:S5#楼生活馆及7#楼样板房▍质量员:
▍交底内容:钢构焊接工艺
5. 遇加气块墙需采用对穿螺栓固定钢板基层:
6.钢架上下焊缝应错开300mm以上:。
钢筋焊接作业安全技术交底
1. 简介
本文档为钢筋焊接作业安全技术交底,旨在提供钢筋焊接作业
过程中的安全注意事项和技术要求,以保障作业人员的身体安全和
工作质量。
2. 安全注意事项
- 能量密集焊接过程中,作业人员应戴好防护眼镜和防护面罩,以避免眼睛受到强光和热飞溅物的伤害。
- 焊接作业现场应保持良好的通风状况,以防止有毒气体积聚,对人体健康造成损害。
如无法确保通风,应佩戴适当的呼吸防护装置。
- 所有焊接设备和工具应进行定期维护和检修,确保其工作正常、安全可靠。
如有发现损坏或故障,应立即停止使用并报告维修。
- 作业人员应熟悉使用各类焊接设备和工具的操作方法,并遵
守相关的安全操作规程,确保人员和设备的安全。
3. 技术要求
- 在进行焊接前,需对焊接材料进行质量检查,确保其符合相应标准和要求。
- 焊接环境应保持干燥、无风和无异味,以避免焊接质量受到影响。
如遇特殊情况,应采取相应的防护措施。
- 焊接过程中,应控制好焊接速度、焊接温度和焊接电流,以确保焊接接头质量达到要求。
- 焊接作业结束后,应进行必要的焊缝清理和表面处理,以保持焊接接头的完整性和耐久性。
4. 总结
钢筋焊接作业安全技术交底是确保钢筋焊接作业安全和质量的关键工作。
作业人员应严格遵守安全注意事项,按照技术要求进行作业,确保人员和设备的安全,达到预定的工作目标。
钢结构焊接技术交底1.施焊操作规定根据CO2气体保护半自动焊根据焊枪不同依说明书操作。
引弧采用直接短路法接触引弧,引弧前使焊丝端头与焊件保持2~3mm的距离,若焊丝头呈球状则去掉。
施焊过程中灵活掌握焊接速度,防止未焊透、气孔、咬边等缺陷。
熄弧时禁止突然切断电源,在弧坑处必需稍作停留待填满弧坑后收弧以防止裂纹和气孔。
焊缝接头连接采用退焊法,采用左焊法施焊,自左向右焊接的顺序。
严格按对角先焊腹板,再对角焊接翼缘,减小焊接变形和焊后残余应力。
焊后关闭设备电源,用钢丝刷清理焊缝表面,目测或用放大镜观察焊缝表面是否有气孔、裂纹、咬边等缺陷,用焊缝量尺测量焊缝外观成形尺寸。
应经常清理软管内的污物及喷咀的飞溅。
2.焊接参数规范规定焊接工艺参数控制:在焊接工艺指导书下的重要焊缝必需严格按工艺卡所示参数施焊。
焊缝施焊时按如下要求施焊:焊丝直径:根据焊件厚度、焊接位置及生产进度要求综合考虑。
焊中厚板采用直径1.2以上焊丝。
焊接电流:根据焊件厚度、坡口型式、焊丝直径及所需的熔滴过渡形式选择。
短路过渡在50~230A 内选择,颗粒过渡在250~500A内选择。
焊接电压:短路过渡在16~24V选择,颗粒过渡在25~36V选择。
并且电流增大时电压相应也增大。
焊丝伸出长度:一般取焊丝直径的10倍,且不超过15mm。
CO2气体流量:粗丝焊时取15~25L/min。
电源极性:对低合金钢的焊接一律用直流反接。
焊接速度:半自动焊根据保护效果、焊缝进行确定。
有坡口的板缝,尤其是厚板的多道焊缝,焊丝摆动时在坡口两侧应稍作停留,锯齿形运条每层厚度不大于4mm,以使焊缝熔合良好。
送丝软管焊接时必须拉顺,不能盘曲,送丝软管半径不小于150mm,施焊前应将送气软管内残存的不纯气体排出。
导电旧磨损后孔径增大,引起焊接不能稳定,需重新更换导旧。
3.质量标准3.1保证项目焊接材料应符合设计要求和有关标准的规定,焊条应检查质幕证明书及烘焙记录。
一级焊缝必须经探伤检验,并应符合设计要求和施工及验收规范的规定,检查焊缝探伤报告。
钢筋焊接施⼯安全技术交底钢筋焊接施⼯安全技术交底⼀、⼀般规定:1、⾦属焊接作业⼈员,必须经专业安全技术培训,考试合格,持《北京市特种作业操作证》(外埠来京从事电焊作业的⼈员,必须持原所在地地(市)级以上劳动安全监察机关核发的特种作业证明,并申请换领《北京市特种作业临时操作证》)⽅准上岗独⽴操作。
⾮电焊⼯严禁进⾏电焊作业。
2、操作时应穿电焊⼯作服、绝缘鞋和戴电焊⼿套、防护⾯罩等安全防护⽤品,⾼处作业时系安全带。
3、电焊作业现场周围10m范围内不得堆放易燃易爆物品。
4、⾬、雪、风⼒六级以上(含六级)天⽓不得露天作业。
⾬、雪后应清除积⽔、积雪后⽅可作业。
5、操作前应⾸先检查焊机和⼯具,如焊钳和焊接电缆的绝缘、焊机外壳保护接地和焊机的各接线点等,确认安全合格⽅可作业。
6、严禁在易燃易爆⽓体或液体扩散区域内、运⾏中的压⼒管道和装有易燃易爆物品的容器内以及受⼒构件上焊接和切割。
7、焊接曾储存易燃、易爆物品的容器时,应根据介质进⾏多次置换及清洗,并打开所有孔⼝,经检测确认安全后⽅可施焊。
8、在密封容器内施焊时,应采取通风措施。
间歇作业时焊⼯应到外⾯休息。
容器内照明电压不得超过12V。
焊⼯⾝体应⽤绝缘材料与焊件隔离。
焊接时必须设专⼈监护,监护⼈应熟知焊接操作规程和抢救⽅法。
9、焊接铜、铝、铅、锌合⾦⾦属时,必须穿戴防护⽤品,在通风良好的地⽅作业。
在有害介质场所进⾏焊接时,应采取防毒措施,必要时进⾏强制通风。
10、施焊地点潮湿或焊⼯⾝体出汗后⽽使⾐服潮湿时,严禁靠在带电钢板或⼯件上,焊⼯应在⼲燥的绝缘板或胶垫上作业,配合⼈员应穿绝缘鞋或站在绝缘板上。
11、焊接时临时接地线头严禁浮搭,必须固定、压紧,⽤胶布包严。
12、操作时遇下列情况必须切断电源:①、改变电焊机接头时。
②、更换焊件需要改接⼆次回路时。
③、转移⼯作地点搬动焊机时。
④、焊机发⽣故障需进⾏检修时。
⑤、更换保险装置时。
⑥、⼯作完毕或临时离操作现场时。
13、⾼处作业必须遵守下列规定:①、必须使⽤标准的防⽕安全带,并系在可靠的构架上。
锅炉钢架组对焊接技术交底一、钢架主要焊接概况主要工作量为本体钢架中材质为Q345-B 下柱与中柱对接焊缝,以及材质为Q235-B 的中柱与中柱、中柱与上柱和各钢架柱、梁、支撑等零件间角接焊缝。
二、.作业人员资格要求2.1 焊工应经考试合格取得相应项目的焊工合格证,并在有效期围。
2.2 施工人员在施工前必须进行安全交底,登高前必须进行身体健康检查。
2.3 焊工应有良好的工艺作风,格按照给定的焊接工艺进行施焊,并认真实行质量自检,及时填写自检单交焊接质检员复验。
2.4 焊工在施焊前须经技术人员交底,熟悉作业指导书及图纸对焊缝的质量要求。
焊接前必须进行焊前练习以熟悉焊接材料性能和操作技能,可正式施焊。
2.5 技术人员应负责焊接全过程的技术交底、技术指导,同时协助班组长和质检员对焊接全过程进行跟踪监督、检验和验收评定工作。
2.6 焊接外观质量检验人员应持有效的质检员证书。
负责焊接工作的检查、监督和验收评定工作。
三.主要工具、机具要求3.1 焊机必须运行完好且性能可靠。
3.2 焊工所用的焊条保温筒、砂轮机、凿子、等应配备齐全。
3.3 焊条烘箱必须运行完好且性能可靠,控制仪表在校准期。
四.施工准备4.1 焊材必须具有质量证明书或材质合格证。
当对焊材质量有疑问时应进行抽样复查,并出具复查合格的报告后可使用。
4.2焊接材料库应配置焊条烘箱、温湿度计等。
并由专人负责,格执行有关规定,做好原始资料与日常记录的管理工作。
4.3所用J507焊条烘燥温度为350 C,烘燥时间为1h,未按此要求烘燥的焊条不允发放使用。
4.4施焊风速:手工电弧焊小于8m/s (风力5级);相对湿度小于90 %,环境温度:碳素钢应大于-20 C、低合金钢及普通低合金钢应大于-10 C;非下雨、下雪天气。
4.5当环境条件不符合上述要求时,必须采取挡风、防雨等有效防护措施。
五•焊接施工程序组装焊接卜 --------------丨不合格夕卜观检查------------5.1坡口形式应按设计图纸的要求或符合规程规定的要求,无要求时按下图坡口形式简图:(如构件厚度〉16mm,可采用双“ V”型坡口)5.2组装前应打磨焊口表面及附近母材 10-15mm 围油污、铁锈等,直至露出 金属光泽,并对坡口表面进行检查,不得有裂纹、夹层等缺陷。
工程名称安康地电大厦施工单位新恒丰建设工程有限公司交底部位钢架工序名称钢架焊接
交底提要:
瓷砖干挂施工工序中使用的材料、机具、施工顺序、工艺流程、作业条件、人员素质、注意事项、技术要点、成品保护、必要的安全、技术及环保措施、图文说明等。
交底内容:干挂骨架焊接
一、开始施工的条件:
进场前墙体已经完成,钢材进场,动火证开好,现场配备专业灭火器并设有黄沙桶,根据图纸测量放线,满足开工条件。
施工的工艺顺序、和前后工序的搭接关系:
地上、两端墙上弹线——确定墙体位置、门洞位置——安装沿墙、沿顶龙骨——安装竖钢骨架龙骨——安装横钢骨架——门窗接点和特殊接点处理————钢架的焊接固定
二、常规的施工工艺(施工依据、技术要领):
1.地上、两端墙上弹线根据设计墙面、地面弹线,误差不得超过2mm
2.确定墙体位置、门洞位置在地面确定门、窗洞口的位置并弹线
3. 安装沿地、沿顶龙骨①设计有要求或其他要求,焊接底座基层
②安装竖向钢骨架用膨胀栓铁板与墙面固定
4.竖钢骨架安装①竖钢骨架的长度为横钢骨架尽高度减去5mm
②洞口两边相临两个竖向钢骨架的间距比其他间距小
5.横档钢骨架安装根据墙砖规格排板尺寸调整间距
6.满焊完成后,须将焊渣完全敲掉后满刷防锈漆
7.实例图片及节点
错误做法正确做法
项目(专业)
交底人接受人
技术负责人
注:本记录一式两份,一份交底单位存,一份接受交底单位存。
工程名称安康地电大厦施工单位新恒丰建设工程有限公司交底部位钢架工序名称钢架焊接
交底提要:
瓷砖干挂施工工序中使用的材料、机具、施工顺序、工艺流程、作业条件、人员素质、注意事项、技术要点、成品保护、必要的安全、技术及环保措施、图文说明等。
8.参照节点
特殊的施工工艺(有别于常规施工要求的或采用“三新”的):□按小样□制作小样□按说明书
项目(专业)
交底人接受人
技术负责人
注:本记录一式两份,一份交底单位存,一份接受交底单位存。
技术交底记录
注:本记录一式两份,一份交底单位存,一份接受交底单位存。