uc矩阵图(ppt中实例d详解)
- 格式:doc
- 大小:96.50 KB
- 文档页数:3
问题●斯塔林工业公司是一家资产达200 000 000美元的纺织品制造公司,数据处理主管罗格斯已经在公司呆了20年。
大多数已经开发的信息系统使用的都是传统文件。
由于许多系统是逐个开发的,所以许多有关客户、产品、厂商和订单的数据项被分别存储在不同的数据库中。
公司的管理者们需要开发一个用于销售和分配领域的新的应用软件。
现在主要的需求是将传统的批处理订货登记系统和库存控制系统向联机系统转化。
但实际上每个部门的管理者都有自己的关键需求,并且都对现在的已经积压了5年的信息系统开发项目很不耐烦。
●阐述你将如何利用BSP法解决该公司所遇到的这些问题?●在你的方案中,要对研究的步骤和结果进行描述。
●在方案实施过程中,数据处理主管和用户管理部门应担当何种角色、履行何种职责?●使用BSP法对你们组选定的企业的主要企业过程、主要数据类进行识别,并以此为依据确定信息结构1、BSP法解决该公司所遇到的问题1、首先,由各部门负责人参与组建委员会,从企业目标入手,认真讨论现有系统存在的问题,和希望新系统达到的目标,以及用户的期望等反复研究确定最终目标,该目标应与企业目标一致,要能表达所有管理层次的要求,并且能向企业提供一致性信息,对组织机构的变革具有适应性。
这即是把企业目标转化为信息系统战略。
根据题目信息可以判断,该公司的系统不够统一,许多数据的分散和冗余导致对业务的处理和库存的控制非常困难,而且不够准确,批处理系统的效率又比较低,必须设计一个比较系统的IS来管理公司的业务和库存等,要求该系统要有统一的数据源来管理公司各部门的数据,随着企业的发展传统的批处理系统已难以满足企业需求,只有对数据统一管理才能更好的实现实时系统,更好的提高企业运行的效率,2.然后,根据分析目标确定出未来信息系统的总体结构,明确系统的子系统组成和开发子系统的先后顺序。
对数据进行统一规划、管理和控制,明确各子系统之间的数据交换关系,保证信息的一致性。
3、BSP法设计的新系统能保证信息系统独立于企业的组织机构,使信息系统具有对环境变更的适应性。
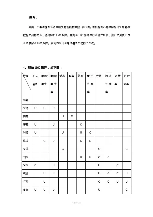
练习:
给出一个考试信息系统中相关的功能和数据,如下图。
请根据自己的理解标出各功能与数据之间的关系,得出初始U/C矩阵。
并对该U/C矩阵进行正确性检验,然后使用表上作业法求解该U/C矩阵。
从而划分出该考试信息系统的子系统。
1、初始U/C矩阵,如下图:
2、经过正确性检验后的U/C矩阵,如下图:
3、表上作业法,第一步,调整U/C矩阵中的数据列,让所有的C都到达对角线方向,调整后的结果如下图:
4、表上作业法,第二步,沿对角线方向划框,把所有的C和尽量多的U都框到框内。
划分子系统的结果,如下图:
5、给每个子系统取一个名字:
THANKS !!!
致力为企业和个人提供合同协议,策划案计划书,学习课件等等
打造全网一站式需求
欢迎您的下载,资料仅供参考。
1U/C矩阵求解例1:请对表1给出的U/C矩阵进行检验并求解,最后解释解的实际意义。
表1 某企业管理信息系统的U/C矩阵客户供应商职工原材料物料清单用量定额质量标准成品半成品委外厂商工作能力工作日历样品开发U U U U C C C U采购管理U C C U U U U生产管理C U U U C C U外加工处理U U U U销售管理U U U U仓库管理U U U U U车间控制U U U U U C C U U U品质管理U C U U人事管理C U C解:(1)U/C矩阵的正确性检验建立U/C矩阵后要根据“数据守恒”原则进行检验。
经检验可得,第1列“客户”类缺少产生者(“C”),第5列“物料清单”类和第7列“质量标准”类有两个产生者(“C”),不满足完备性和一致性要求。
结合题意改进如下:●第1行第1列的“U”改为“C”●第3行第5列的“C”和第8行第7列的“C”改为“U”(2)U/C矩阵的求解通过调换“功能”和“数据类”的位置,使矩阵中的“C”尽量朝对角线靠近,并以“C”为标准划分子系统,得到结果如表2所示。
表2 求解后的U/C 矩阵客户物料清单用量定额质量标准原材料供应商委外厂商工作能力成品半成品工作日历职工销售管理C U U U样品开发U C C C U UUU采购管理UU UC C U U 仓库管理U UUU U 生产管理U U C C U U U 车间控制U U UU U UCCUU外加工处理UUU U品质管理U UUU人事管理UCC(3)U/C 矩阵的解给出了新系统的总体结构与数据联系。
因此,本系统可划分为产品管理、材料管理、生产管理、人事管理四个子系统,各子系统包含的功能以及子系统之间的数据联系如表3所示。
表3 划分子系统注: ①——人事管理子系统。
3.5实验题
(2)参考本章例子,设计一个例子,说明U/C矩阵的模块划分的方法
图1 U/C矩阵图中数据类和功能类
图1既是初始的矩阵图,数据类和企业过程是随机排列的,U、C在矩阵中的排列也是分散的。
我们以调换企业过程和数据类的顺序的方法尽量使UC集中到对角线上排列,既是调换矩阵的行列顺序,使得C尽量地靠近对角线,如图2所示;沿着对角线划分模块,即将C和与之紧密联系的U画在一个框中,这些框便构成了系统的功能模块,这些小模块就是一个个小系统。
图2 调整行列并形成模块
图2既是划分好的模块,从上往下依次是经营计划子系统、产品研发子系统、生产制造计划子系统、销售子系统、财务子系统和人事档案子系统。