[体系内审]内审控制程序
- 格式:doc
- 大小:80.50 KB
- 文档页数:9
1目的对质量管理体系内部审核方案的策划、实施及报告等工作进行控制,以确定质量管理体系的符合性、有效性与持续性,确保体系的有效运行和改进。
2范围适用于对本公司质量管理体系内部审核工作的控制。
3职责3.1管理者代表:提出内审要求,组织审核组,任命组长,批准审核计划与报告。
3.2内审组长:组织、领导内审策划、实施、报告及后续工作。
3.3内审组:编制内审计划、检查表,实施现场审核,提出内审报告,进行跟踪验证。
3.4企发部:协助内审实施,保存有关记录。
3.5各部门:接应内审,进行相应整改。
4程序4.1内审方案的策划每年在1月份内,要覆盖全公司范围和过程进行一次全面内审方案策划,形成“年度内审计划”,包括:内审的时机、范围、准则、内审员的资格培训等内容。
4.2成立内审小组4.2.1管理者代表在“年度内审计划”规定的日期前10天提出具体内审的要求,在具有内审员资格的人员中选定和组成审核组,同时任命组长。
4.2.2审核组对审核日程、目的、准则、范围、方法、人员等进行策划,审核员不得安排审核自己的工作,并于内审实施一周前形成“内部审核计划”,报管理者代表审批后公布。
4.3内审的准备4.3.1审核组组织熟悉、准备相关文件,并按分工编写“内部审核检查表”。
4.3.2内审实施前审核组要召开一次预备会,对准备情况进行沟通、检查和充实。
4.4内审的实施4.4.1召开首次会议:要求总裁、管理者代表、决策层、各部门负责人及审核组全体人员准时参加,并在“首/末次会议签到表”上签到,由内审组长主持。
4.4.2首次会议议程:宣布会议开始T宣布内审计划T征求时间安排意见(可做适当调整)T总裁(参加时)、管理者代表提出具体要求T宣布会议结束。
4.4.3现场审核:根据审核准则和内审计划及检查表要求,对过程或部门进行现场审核,收集客观证据,并在“审核检查表”上形成记录。
4.4.4组内沟通:审核过程中,审核组每天至少要沟通一次,交流有关信息,并由组长根据情况协调有关审核工作。
内部审核控制程序1范围本程序适用于本公司质量管理体系内部审核的控制。
2引用文件在下面所引用的文件中,对引用的标准和文件没有写出版本号,使用时应以最新发布的为有效版本。
GJB9001C质量管理体系要求。
Q/QMS质量手册。
3术语和定义无。
4职责4.1行政部负责本程序的组织实施与归口管理。
4.2审核组长负责编制内部审核计划和审核报告并组织审核实施。
4.3内审员负责编制检查表,并实施现场审核。
4.4行政部负责组织不符合的纠正措施跟踪验证和审核记录的归档、保存。
4.5管理者代表批准内部审核计划、确定审核组长和审核组成员和批准内部审核报告。
4.6受审核部门提供必要的审核条件,负责制定并执行本部门对不符合项的纠正措施。
5内部审核流程图6管理内容6.1审核策划管理者代表负责组织审核策划,审核组长编制《内审计划表》交管理者代表批准后组织实施。
策划时应考虑拟审核的过程和区域的状况和重要性以及以往审核的结果。
6.1.1审核目的a)验证本公司质量管理体系是否符合GJB9001C标准要求和公司的质量管理体系。
b)确认本公司质量管理体系是否得到有效实施和保持,并达到预期的效果。
6.1.2审核范围根据需要可专门审核本公司质量管理体系所覆盖产品设计开发、生产和服务活动及其涉及的所有部门。
6.1.3审核准则a)GJB9001C标准。
b)适用的法律、法规要求。
c)公司的质量管理体系文件。
6.1.4审核时机及频次质量管理体系每年一次,一般安排在每年年底或在第三方认证机构现场审核之前进行,每两次内部审核的时间间隔不超过十二个月。
当出现下述特殊情况时可提前进行或增加审核频次:a)质量管理体系发生重大变化时。
b)当发生产品重大不合格或体系多项严重不符合或顾客多次重大投诉时。
c)第三方认证或监督审核之前。
d)每季度实施滚动审核。
6.2审核方法6.2.1审核方案每次现场审核之前,由管理者代表组织审核策划,指定具有内部审核员资格和审核工作能力的人员组成审核组,明确审核组长,并由审核组长编制《内审计划表》(包括审核的目的、范围和审核准则,审核的部门和时间安排,审核组的成员及其分工)。
质量、职业健康安全、环境管理内审控制程序1.1 本程序确定公司开展四标管理体系内部审核(以下简称内审)的具体实施办法和要求。
1.2 公司内审由集中内审、业务检查工作内审、项目部自查、体系运行情况抽查组成。
1.2.1 集中内审:公司质量管理部组织的对公司、子(分)公司两级业务/管理部门的内审。
1.2.2 业务检查工作内审:由公司、子(分)公司业务/管理部门结合业务检查工作进行对项目部的内审。
公司负责一、二类项目;子(分)公司负责三、四类项目。
1.2.3 项目部自查:项目部组织的四标管理体系运行情况检查,全面覆盖四标标准要素。
1.2.4 体系运行情况抽查:公司质量管理部、子(分)公司体系管理部门组织的对项目部的内审,全面覆盖四标标准要素。
公司质量管理部组织抽查一、二类项目;子(分)公司体系管理部门组织抽查三、四类项目。
1.3 公司质量管理部、子(分)公司体系管理部门负责各自管控范围内内审资料的归集、整理和分析,分别编制公司、子(分)公司年度四标管理体系运行情况报告。
2 适用范围适用于公司四标管理体系覆盖范围内的所有内部审核。
3 职责3.1 公司3.1.1 分管体系工作的领导(1)主持公司的内审。
(2)批准公司《年度管理体系运行工作计划》。
(3)批准公司年度管理体系运行情况报告。
3.1.2 质量管理部(1)协调编制公司《年度质量管理体系运行工作计划》,联合安全管理部编制发布集中内审计划,编制质量管理体系运行情况抽查计划。
(2)监督、检查、指导子(分)公司、一类项目的质量管理体系工作。
(3)组织集中内审及一、二类项目体系运行情况抽查并跟踪验证发现问题的整改效果。
(4)考核子(分)公司、公司本部相关职能部门的质量管理体系工作。
(5)总结、分析与评价内审活动并形成公司年度质量管理体系运行情况报告。
(6)负责对内审员的培训、指派和管理。
3.1.3安全管理部(1)编制公司《年度职业健康安全、环境管理体系运行工作计划》。
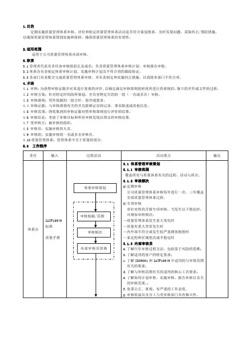
1.目的定期实施质量管理体系审核,评价和验证质量管理体系活动是否符合策划要求,及时发现问题,采取纠正/预防措施,以确保质量管理体系得到实施和保持,确保质量管理体系的有效性。
2.适用范围适用于公司质量管理体系内部审核。
3.职责3.1管理者代表负责任命审核组组长及成员,负责质量管理体系审核计划、审核报告审批。
3.2体系办负责制定体系审核计划、实施审核计划及不符合项的跟踪验证。
3.3各部门负责配合完成质量管理体系审核,并负责制定和实施纠正措施,以消除本部门不符合项。
4.术语4.1 审核:为获得审核证据并对其进行客观的评价,以确定满足审核准则的程度所进行的系统的、独立的并形成文件的过程。
4.2 审核方案:针对特定时间段所策划,并具有特定目的的一组(一次或多次)审核。
4.3 审核准则:用作依据的一组方针、程序或要求。
4.4 审核证据:与审核准则有关的并且能够证实的记录、事实陈述或其他信息。
4.5 审核发现:将收集到的审核证据对照审核准则进行评价的结果。
4.6审核结论:考虑了审核目标和所有审核发现后得出的审核结果。
4.7受审核方:被审核的组织。
4.8审核员:实施审核的人员。
4.9 审核组:实施审核的一名或多名审核员。
4.10质量管理体系:管理体系中关于质量的部分。
5.0 工作程序5.3.2 现场审核a)现场审核内容和要求—寻找事实和客观证据—检查运行情况和以往审核结果—检查符合性、判断有效性—利用审核检查表进行现场审核—按审核实施计划,确保覆盖审核范围,确保覆盖标准要求—记录审核结果客观证据包括:符合的、不符合的。
—现场审核结束后,审核组应内部交流,对所有审核发现进行综合分析,确定不符合项和观察项,并经受审核部门确认。
b)客观证据的辨别客观证据—存在的事实—质量活动负责人及被提问人谈话—有效文件中的规定和质量记录非客观证据—主观推测、臆断要发生的事、传闻—无关人员的谈话及意见—作废文件的规定、擅自更改的记录c)现场审核的方法—审核方法:抽样、询问、查阅、观察等方法。
内部体系审核管理控制程序1、目的:通过制定合适的内部审核计划,验证公司内部体系是否符合客户要求、质量、环境管理体系要求及法规要求,为保证体系有效运行及不断得到完善提供依据并对公司体系的符合性及有效性进行定期审查。
2、范围:本程序适用于公司内部质量、环境管理体系的审核。
3、职责:3.1、管理者代表及质量、环境负责人共同参与管理体系审核之策划。
3.2、管理者代表:审核组长的指派、审核不符合项跟踪结果的确认及审核报告的审批。
3.3、审核组长:指派审核员组成审核组,编制年度审核计划及审核实施计划,编制审核报告。
3.4、内审员:实施内部管理体系审核及审核不符合项的跟踪。
3.5、各部门:协助审核组完成审核任务及本部门不符合项的改善。
4、定义:无5、作业内容:5.1、每年年底ISO办根据公司管理体系运行状况,制订《年度内审计划》报告管理者代表审核,总经理批准后予以实施,每年至少进行1次内部体系审核,对体系涉及的部门每年至少审核一次,并且每两次内审之间时间间隔不得超过12个月。
必要时,可适时进行。
5.2、内审员应经过培训并考试合格,具有内审员的资格证书。
5.3、在以下几种情况,必要时应进行计划外的临时审核:a、法律、法规及其它外部要求变更;b、相关方的要求;c、发生重大品质、环境事故;d、管理体系大幅度变更。
(注:年度内审计划外的审核由质量、环境体系负责人及管理者代表临时组织。
)5.4、审核准备:5.4.1、管理者代表指派经过培训并考试合格、具备内审员资格的人员作为公司内部体系审核小组。
5.4.2、审核组长指定审核员组成审核组,审核阶段的工作均由审核组长全权负责。
5.4.3、审核组长根据审核的过程和区域的状况和重要性以及以往审核的结果,对审核方案进行策划,进而编制《内审实施计划》,报管理者代表审批后实施,审核实施计划的内容包括但不限于:审核目的、审核依据、审核范围、审核日期、审核组成员及审核分工等。
5.4.4、审核组成员必须与被审部门无直接的责任关系。
1目的验证一体化管理体系是否符合国际、国家标准和组织的要求,体系文件是否得到有效的实施,执行的效果是否达到预期目标,以寻求改进的机会,实现持续改进。
2适用范围适用于公司产品及产品实现过程所涉及的生产区域、工作场所、过程活动范围的内部审核的控制。
3职责3.1总经理负责批准《年度内审计划》。
3.2管理者代表负责批准《内审实施计划》和《内部审核报告》。
3.3运行管理部负责组织编制《年度内审计划》、《内审实施计划》和《内部审核报告》,组织实施内审。
3.4各部门负责提供内审资料,并负责本部门内审不符合项的整改与纠正。
4程序4.1审核对象、准则和频次4.1.1审核的对象一体化管理体系在公司各部门、各要素活动的过程。
4.1.2审核的准则⑴GB/T19001:2008/ISO9001:2008、GB/T24001-2004idtISO14001:2004、GB/T28001-2011、GB/T50430-2007;⑵国家、地方及行业有关的法律、法规、标准;⑶公司一体化管理体系文件;⑷承包合同及订单等;⑸以往的审核结果及其纠正或预防措施。
4.1.3审核频次内部审核确定上半年和下半年各为一审核周期,分别在每年一月和七月进行。
但发生在以下情况之一时,应及时适当增加或调整内审频次:⑴当法律法规及外部要求发生变更时;⑵顾客意见反应强烈或投诉连续发生时;⑶产品结构、资源发生重大改变或调整时;⑷组织机构和职能有重大变更时;⑸发生重大质量、环境、安全事故时;4.2审核实施要求4.2.1内审人员资格内审应由与受审核部门无直接关系的内审员负责。
内审员需由经过专业培训考核合格的人员担任。
4.2.2审核方法对任一具体过程的审核,应考虑过程的输入,过程的活动及其必要的条件(如:职责、管理目标、控制参数、人、机、料、法、环境等),以及过程的输出。
对每一个被审核的过程,应充分审核以下四个基本问题:⑴过程是否已被识别并适当规定。
⑵职责是否已被分配。
内部审核控制程序1 目的通过策划和实施内部审核,检查管理体系的实施是否符合标准的要求,以便及时发现问题,采取纠正或改进措施,使公司管理能力不断提高并持续改进。
为验证和安全活动是否符合计划的安排,并评价管理体系运行的有效性和符合性,本程序规定了公司内部开展管理体系审核时,审核计划的制定,审核的准备及实施等内容。
2 范围本程序适用于公司管理体系的内部审核工作。
3 职责3.1综合办负责组织实施并编制与管理有关的审核文件、报告、资料和记录。
3.2 管理者代表负责批准公司的内部审核实施计划。
3.3 各相关部门根据内部审核实施计划配合完成审核,并对不合格项采取纠正措施。
4 工作程序4.1 内部审核的准备4.1.1 建立审核组。
在管理者代表主持下成立审核组,指定组长,成员适当分工,内审员应由与所审核的部门及工作无直接责任的具备资格的人员担任。
4.1.2 编制《内部审核实施计划》4.1.2.1 由综合办会同审核组长编制《内部审核实施计划》,并经管理者代表批准后实施。
4.1.2.2 编制《内部审核实施计划》的原则a)保证审核的实施能有计划地进行;b)便于管理、监督和控制审核工作;c)《内部审核实施计划》和内部审核通知,应在审核开始前送达接受审核部门。
4.1.3 编制《内部审核检查表》4.1.3.1 审核员根据审核目的和范围编制检查表。
4.1.3.2 检查表应列出需审核的标准条款,确保审核覆盖面的完整,使审核目的清楚,并按计划进行。
检查表需经审核组长批准实施。
4.2 内部审核的实施审核实施阶段的主要工作包括召开首次会议、现场审核、确定不合格项并由受审核部门确认、召开末次会议和编写审核报告。
4.2.1 召开首次会议4.2.1.1 首次会议由审核组组长主持,会议内容主要是确认《内部审核实施计划》,明确审核目的、审核依据和涉及的部门,并简要介绍实施审核所采用的方法和程序。
4.2.1.2 参加人员为公司领导、审核组全体成员、受审核部门负责人及主要工作人员。
1.目的:
为了验证质量/环境活动及其有关结果是否符合标准要求,发现体系运行过程中出现的问题,以便对公司质量/环境管理体系各要素进行有效控制,确保体系的充分性、适宜性、有效性和持续改进。
2.范围:
适应于公司内部质量/环境体系的审核。
3.职责:
3.1 管理者代表职责
●内审计划的审核、批准;
●审核组长和审核组成员的确定;
●审核组与受审核部门之间关系的协调;
●不符合项纠正、预防措施的实施方案的批准;
●审核报告的审核、批准。
3.2 认证部门职责
●负责制定审核计划,并按计划组织审核组进行内审;
●负责不符合项纠正、预防措施的审查和跟踪验证;
3.3 受审核部门职责
●确认对本部门进行内审的计划;
●做好接受内审的准备工作;
●配合审核组完成审核工作;
●确认不符合项;
●分析不符合项产生的原因,制定纠正、预防措施并落实和实施。
3.4审核组长的职责
●主持首次会议和末次会议;
●组织审核员进行文件审核并准备现场审核所需的工作文件;
●控制现场审核气氛和审核进度;
●撰写审核报告;
3.5审核员的职责
●按分工要求,进行现场审核,填写现场审核记录;
●对不符合事实进行描述,并填写不符合项报告;4.程序内容
5.参考文件:
《质量手册》
《纠正和预防措施控制和程序》SHY(Q)2-19
《记录控制程序》SHY(Q+E)2-05
6.引用表格:
《年度内部审核计划》SHY(Q+E)4-09-09 《内部审核实施计划》SHY(Q+E)4-09-10 《不符合项报告》SHY(Q+E)4-09-11 《内部审核报告》 SHY(Q+E)4-09-12。
变更记录目录1 目的 (3)2 适用范围 (3)3 职责 (3)3.1 管理者代表 (3)3.2 审核组长 (3)3.3 内审员 (3)3.4 各部门负责人 (3)4 工作程序 (3)4.1 审核策划 (3)4.2 审核前的准备 (4)4.3 审核的实施 (4)4.4 审核报告 (5)4.5 〈内部体系审核不符合项报告〉的实施与验证 (5)4.6 流程图 (6)5 相关文件 (6)6 相关记录表单 (6)1目的规定内部审核的要求,以确保质量管理体系与标准的符合性和实施的有效性。
2适用范围本程序适用于公司内部质量管理体系审核活动的实施和管理。
3职责3.1管理者代表负责组织内审,任命审核组长,批准<内部审核实施计划>、<内部审核报告>。
3.2审核组长负责编制<内部审核实施计划>、<内部审核报告>,签发<内部体系审核不符合项报告>,监控内审全过程。
3.3内审员负责编制<内部体系审核检查单>,实施现场审核,并验证改进情况。
3.4各部门负责人负责本部门不符合项的提出及纠正。
4工作程序4.1审核策划4.1.1 内部体系审核每年至少进行一次,距上一次内审不得超过12个月。
由管理者代表负责制定〈年度内部体系审核计划〉,于每年年初报总经理批准。
4.1.2 内部体系年度审核计划的内容包括:4.1.2.1 审核的目的、范围、依据和审核组长;4.1.2.2 受审核部门及时间安排;4.1.3 计划应确保对与质量管理体系运行有关的部门每年至少实施一次审核,所有要素、部门全部审核一遍。
4.1.4 在以下几种情况下,必要时由管理者代表组织进行计划外的临时审核:4.1.4.1 法律、法规及其他外部要求变更;4.1.4.2 顾客的要求;4.1.4.3 发生重大质量环境事故;4.2审核前的准备4.2.1 审核组的组成:4.2.1.1 审核人员必须经过培训考试合格,并取得内部质量审核员资格(下简称内审员);4.2.1.2 审核组成员必须诚实、公正、有较强的工作责任心,且不能审核自己的工作。
内部审核控制程序1目的实施内部审核,验证管理处的各项管理活动和有关结果是否达到规定的目标,形成自我完善机制,确保管理处质量、环境和职业健康安全管理体系有效运行。
2适用范围适用于管理处内部审核工作的控制。
3职责3.1管理者代表组织、领导内部审核工作。
3.2政工科为内部审核的负责部门,审核组具体实施内部审核。
3.3各科室、单位配合内审工作,并负责对指出的问题进行整改。
4工作程序4.1年度审核计划为保持内部审核活动的持续性,政工科根据管理体系的实际运行状况,每年年初编制年度审核计划,经管理者代表审核后报处长批准。
4.2审核频次及要求内部审核为滚动审核,每季组织一次,与管理处的季度检查相结合,每12个月至少完成一次完整的滚动;如遇特殊情况(如外审前需要全面审核时),管理者代表报处长同意后,可适时安排临时审核。
4.3审核准备4.3.1每次审核(季度检查)时,由处长任命审核组长和审核成员。
审核组成员应由具备内审员资格的人员组成。
4.3.2审核组长编制审核实施计划,经处长批准后,由政工科在审核(检查)开始前一周通知到各受审核部门和单位。
审核计划的主要内容包括:1)审核目的、范围;2)审核依据;3)审核组的组成;4)审核日程安排和审核分工安排(审核员不参加本部门的审核);5)审核注意事项。
4.3.3组长组织审核员熟悉有关审核文件,编制检查表。
4.4审核实施4.4.1首次会议由审核组长主持召开,管理处领导、各被审核部门和单位负责人、审核组成员及有关人员参加,会议主要内容是:1)明确审核的目的和范围;2)重申审核计划;3)介绍审核程序和方法;4)协调审核日程。
4.4.2现场检查审核员根据审核计划和检查表所列的检查项目,通过现场检查(问询、查阅文件和记录等),收集管理体系运行的客观证据,并做好审核记录。
4.4.3审核结果整理现场检查结束后,审核组长召开审核组会议,研究分析审核情况,汇总审核结果,确定不符合项,填写审核(检查)报告,提出管理体系运行的评价意见。
1 目的验证质量管理体系是否符合要求,是否得到有效地保持、实施和改进2 范围适用于公司质量管理体系所覆盖的所有服务部门和所有区域条款。
3 职责3.1 总经理A) 批准年度内审计划;B) 批准内部质量管理体系审核报告。
3.2 管理者代表A) 全面负责内部质量管理体系审核工作,组织制定《年度内审计划》并负责组织实施;B) 选定审核组长及审核员,综合办、保管内审记录并审核《年度内审计划》和内部质量管理体系审核报告,批准内部审核实施计划;3.3 内审组长A) 编制、实施本次内审计划;B) 组织编写内审检查表,编写内审报告;C)主持内审首、未次会议。
4 程序4.1内部审和计划4.1.1 公司应策划审核方案,策划时应考虑拟审核的过程和区域的状况和重要性,以及以往审核的结果,由管理者代表负责策划各部门全年审核方案,编制年度内审计划,确定审核的范围、频次和方法,报总经理批准。
每年内审至少一次,并要求覆盖本公司质量管理体系的所有部门和条款,另外出现以下情况时由管理者代表及时组织进行内部质量审核:A) 组织机构、管理体系发生重大变化;B) 出现重大质量事故,或用户对某一环节连续投诉;C) 法律、法规及其他外部要求的变更;D) 在接受第二、第三方审核之前;E) 在质量认证证书到期换证前。
4.1.2年度内审计划内容A) 审核的目的、范围、依据和方法;B) 受审部门和审核时间。
4.1.3 根据需要,可审核质量体系覆盖的全部要求和部门,也可以专门针对某几项要求或部门进行重点审核;但全年的内审必须覆盖质量管理体系全部要求。
4.2 审核前的准备4.2.1 管理者代表任命内审组长和内审组员。
审核员的选择和审核过程的实施应确保审核过程的客观性和公正性。
审核员不应该审核自己的工作。
4.2.2 由内审组长策划审核并编制本次《审核实施计划》,交管理者代表审核,最高管理者批准。
计划的编制要具有严肃性和灵活性,其内容主要包括:A) 审核目的、范围、方法、依据;B) 内部审核的日程时间安排;C) 审核组成员分工;D) 审核时间、地点;E) 受审部门及审核要点;F) 审核报告分发范围、受审部门及审核要点。
XXXXXXXX有限公司内部体系审核控制程序文件编号:版本:编制:审核:批准:XXXXX有限公司发布内部体系审核控制程序1.目的规范公司管理体系内部审核程序,准确评价管理体系运行是否符合管理体系标准,及实现既定方针、目标的能力,寻找体系改进的机会。
2.范围本程序适用于公司内部体系审核工作。
3.规范性引用文件下列文件对于本文件的应用是必不可少的,凡是注日期的引用文件,仅注日期的版本适用于本文件。
凡是不注日期的引用文件,其最新版本(包括所有的修改单)使用于本文件。
无4.定义内部体系审核:为获得管理体系审核证据,并对其进行客观的评价,以确定满足管理体系审核准则的程度而进行系统的独立的文件化的过程。
严重不符合事项:1)产品质量及XXF问题可能造成严重后果;2)体系运作失效;3)普遍性的轻微不合格或区域性的严重问题。
4)重复发生的问题轻微不符合事项:1)孤立的人为错误;2)文件偶尔未被遵守, 尚未使质量体系受到影响;3)对产品质量不会造成严重不良后果的问题。
重发问题:指以往发生过的现象相同或相似的不符合项问题。
5.职责5.1 管理者代表负责批准年度管理体系审核计划。
5.2 体系管理部负责质量、环境、职业、健康、安全管理体系审核的计划、实施以及纠正措施的跟踪、验证。
5.3 技术中心下属的技术管理与产品规划管理总部负责知识产权管理体系审核的计划、实施以及纠正措施的跟踪、验证。
5.4 各部门负责制定相应不符合项的纠正措施并实施。
6.工作流程(见图)——(内嵌Visio,可编辑)8.记录与表格8.1 年度内部审核计划表(XX-13-00-01)8.2 内审实施计划(XX-13-00-02)8.3 内审检查表(XX-13-00-03)8.4 内部审核不合格报告(XX-13-00-04)8.5 内部审核总结报告(XX-13-00-05)8.6 合格内审员名单(XX-13-00-06)8.7 内审不合格项改善计划表(XX-13-00-08)9.附件无。