粉末静电喷涂常见问题与解决方案
- 格式:docx
- 大小:16.90 KB
- 文档页数:3
静电喷塑常见问题及解决办法针孔主要原因:①板面锈蚀;②镀锌底材含氢离子;③前处理后发黄;④工件磷化后,水洗不干净,尤其在工件四周表现为圈状针孔;⑤阴阳离子交换树脂脱盐水呈酸性;⑥粉末质量。
解决措施:①前处理后及时烘干,立即喷涂;②脱氢处理200℃左右,2h;③调整前处理液参数,注意游离酸浓度不宜过高;④换成新鲜水,清洗喷嘴,使水压>1.5bar;⑤停用,暂以自来水代替,化验pH 值,要求达到6~7;⑥取新鲜样粉,按标准条件固化以检验粉末质量。
缩孔主要原因:①粉末生产过程中进水或油。
其缩孔分布均匀,呈细小圆坑或大针眼;②喷涂过程中混进其他粉,因不相容造成缩孔;③外界干扰物质污染喷涂系统包括工件,尤其是车间里存在含硅脱模剂和放水剂;④铸件表面有大而深地孔;⑤涂层出现圆坑,且较大,俗称“鱼眼”;⑥压缩空气油含量高。
解决措施:①联系厂家换粉;②换粉清理粉房须彻底,最好整理出清理和检查程序;③仔细检查喷粉现场,排除这些干扰物质,严格规章制度,严防带入这些干扰物品;④铸件可预热,预热温度和时间视材质和厚度而定;⑤脱脂段调整参数,干燥和固化烘道污染须清洗,检验升降机和橡胶皮带是否污染粉末;⑥检查压缩机的过滤器,加装油水分离器,每班定时排放水。
涂层局部或大面积脱落主要原因:①底材表面有锈层,未除尽;②水洗尤其前处理后水洗不干净;③底材表面除油不彻底;④悬挂链上润滑油滴落到工件上;⑤镀锌板起泡及涂层脱落。
解决措施:①除锈应彻底;②检查水洗流量、水质和喷嘴,检查水洗流量和压力;③采用化学除油较适于动植物油,不适于矿物油时,多用碱除油,除油后加强水洗注意水质;④检查润滑油质量指标,必要时更换耐温更高的润滑油或在易滴落处下面安置受槽;涂层发黄变色主要原因:①烘道或烘箱设定温度过高;②直接燃气进入烘箱或烘道;③工件在烘道或烘箱里停留时间过长,或输送链停止运转;④粉末质量;⑤工件反复烘烤 2 次以上;⑥涂料严重变色。
解决措施:①了解正常的固化条件并加以调整;②加装热交换器;③了解烘烤条件,生产时密切注意输送链运转是否正常,如需停止生产,应将所有工件烘烤结束并下料;④供粉厂提供不同烘烤条件下的样板,供喷涂时参考;⑤尽量一次烘烤完成,须二次烘烤的工件应集中处理,并要先确定重复烘烤的条件;⑥检查烘烤温度是否过高如>230℃或更高。
静电喷塑中常见故障分析请具体点说明.除油不净可以造成这个问题静电喷塑中常见故障分析出粉正常但不上粉或者上粉很少主机喷枪保险烧断(1A)更换1A的喷枪保险喷枪进水,高压静电被短路,系统处于保护状态,输出电压很低分解并充分吹干喷枪,检查并解决水分来源,保证压缩空气干燥。
选用粉末不是静电喷涂用粉末、粉末受潮、粉末质量不佳换用合格的静电粉末工件与主机之间的接地连接不良检查接地线连接情况输出电压调的过低推荐工作电压:60-70KV上粉效果不理想输出电压过低推荐工作电压:60-70KV空气压力过大,粉末被吹跑调整射粉气压粉末受潮或者质量不佳换用合格的静电喷涂用粉末涂料工件接地线接触不良或者挂钩上沾有过厚的已经固化的粉末检查工件接地通路,清理挂钩粉末雾化不良流化气压过低或者粉末轻度受潮或者粉末质量不佳增大流化气压,换用干燥合格的粉末吸粉泵堵塞或者损坏清理或者联系我们及时更换吸粉泵工作指示灯不亮喷枪的电缆线插座不良、枪机行程过短,不能扣动枪内的开关检查喷枪电缆线,调整扳机顶螺丝电源指示灯不亮电源插座没电、电源线与插座接触不良、电源保险烧断(0.5A)检查电源和检查更换0.5A电源保险不出粉喷枪的出粉口被扩散头堵住(新枪经典,多次发生)向外调整扩散头位置电磁阀不动作,没有射粉气压输出检查电磁阀的插头和连线连接喷枪的输粉管弯折或者脱落,气压连接管接错(射粉与稀释颠倒)检查输粉管与各条气管喷塑机进气阀门没有打开,或者气压过低打开阀门并调整射粉气压到0.3~0.4喷枪控制线、扳机开关、喷枪连接到主机的插座接触不良(扣动板机时主机内没有“卡达”声)检查连线和插头稀释气压(二次气)过大先将稀释气压完全关闭试机吸粉泵上的出粉咀堵塞清理,并注意经常检查220V交流电压过低,设备供电不足,电磁阀打不开(新发现)调整电源电压或者加一个稳压器不出粉或一通气就一直出粉高压空气中有水,且工作环境温度太低,电磁阀阀芯被冻住,特点是主机工作指示灯显示正常,电磁阀不动作(新发现)。
静电粉末喷涂的常见故障、主要原因和排除方法如下:故障故障原因排除方法:1.不喷粉 (1)喷枪开关失灵。
(1)修理。
(2)供粉器内无粉或粉量太少。
(2)加入粉。
(3)输粉管堵塞。
(3)输通。
(4)吸粉管件松动漏气或脱落。
(4)修理。
(5)供粉振荡器故障。
(5)检查排除。
(6)流化床虹吸法供料器的压力调得过低。
(6)适当调高。
2.喷工件不上粉(1)静电发生器保险丝烧断 (1)更换牢脱落 (2)静电发生器不带电 (2)检查排除 (3)工作接地不良 (3)接好地线 (4)静电发生器的电压表指示过低 (4)通常控制在60-90KV,不得低于50KV3.气多料少 (1)供粉器内粉量太少 (1)加入粉 (2)输送管道内有杂物卡住 (2)排除 (3)粉潮湿 (3)晾晒或在烘干炉内 40-50C烘干、搅散 (4)供粉振荡器故障 (4)检查排除 (5)流化床虹吸法供料器的压力调得过低 (5)适当调高4.涂层呈波浪状厚薄不匀 (1)喷涂的速度不匀 (1)匀速喷涂 (2)粉潮湿 (2)晾晒或在烘干炉内 40-50C烘干、搅散 (3)供粉量调得过大 (3)减小供粉量5.疙瘩 (1)粉潮湿 (1)晾晒或在烘干炉内 40-50C烘干、搅散 (2)空气净化不好,有水珠喷出 (2)定期清理空气净化器或更换干燥剂 (3)喷枪口积粉过多 (3)及时清理 (4)表面没擦净,有杂质颗粒 (4)擦净6.露底 (1)涂层太薄 (1)喷补均匀 (2)喷枪移动速度太快 (2)降低喷枪移动速度 (3)喷枪口积粉太多 (3)及时清理 (4)粉中颜料不足 (4)更换好粉7.静电感应 (1)静电发生器接地不良 (1)接好地线 (2)工件接地不良 (2)接好地线 (3)戴绝缘手套或穿绝缘鞋 (3)脱掉8.麻点 (1)粉潮湿 (1)晾晒或在烘干炉内 40-50C烘干、搅散 (2)涂层过厚 (2)控制涂层不得超过150um9.剥落 (1)表面除锈不净 (1)重新除锈 (2)表面除油不净 (2)重新除油 (3)粉附着力差 (3)更换合格粉10.涂层硬度低 (1)固化时间短 (1)延长固化时间 (2)固化温度低 (2)提高固化温度11.无光泽 (1)粉型号对,是无光型 (1)更换有光型 (2)涂层太薄 (2)补涂一层 (3)固化时间短 (3)延长固化时间 (4)固化温度低 (4)提高固化温度 (5)表面粗糙.凹凸不平 (5)应对表面进行加工12.变色 (1)粉中颜料质量差 (1)更换合格粉 (2)有不同颜色的粉混入 (2)清洁供粉器,更换同种粉 (3)固化温度太高 (3)降低固化温度 (4)粉曝晒时间太长或烘干时炉内温度过高 (4)更换好粉13.起泡 (1)粉质量差 (1)更换合格粉 (2)空气净化不好,有水点喷出 (2)定期清理空气净化器工更换干燥剂 (3)工件上有水点 (3)擦净 (4)含锌的金属在加热过程中产生汽泡形成 (4)工件喷涂前进行阳极处理14.生锈 (1)表面除锈不净 (1)重新除锈] (2)粉质量差 (2)更换合格粉。
之阳早格格创做粉终喷涂工序少,爆收的问题的关节也少.主要工序惟有前处理、静电喷涂战烘烤三个工序.其中效用本量的主要工序应属前处理工序.然而许多死产厂家对于此出引起脚够的重视,以致戴去许多后患.有些隐患还不是近期内能反映出去.普遍较进步的工艺、用正在前处理上的耗费约占总费用的25%以上.从死产工艺中出现的百般问题分解.尔认为设备的进步程度战本料的是非,对于产品本量又起着决断性效用,二者缺一不可.咱们动做工程技能人正在那个问题上该当建坐共识,决不克不迭正在上新喷粉死产线时.只图一时省钱便凑战,采与矮尺度的死产设备战工艺、资料,必然给少暂死产戴去许多后患,以至死产不出下本量产品.很多厂家上了涂粉死产线,应用不暂便志愿下马或者跟换新设备,概出于以上本果.咱们常瞅到海中产品表面涂拆很漂明,其主要本果之一是他们不竭天采与进步的设备战新工艺新资料.从那个意思上分解,对于涂粉设备及涂料死产厂家去道,正在现正在商场比赛条件下,非劣量设备战涂料是不死少前途的.特天是正在海内上百个喷粉设备战粉终涂料死产厂家比赛条件下,更是如许.二、爆收缺陷的分解探讨(一)前处理圆里:1、除油除锈不真足最先尔不主弛用除油除锈二合一的工艺.二合一工艺自己简单爆收那个问题.果为通时常使用的除油、除锈液配圆事项互消强的,而不是相辅相成的,果此很易搞出合理的二合一或者三合一工艺(包罗磷化)配圆.另一工艺圆收式用金属浑洁剂处油,更不克不迭真足除油.果为金属荡涤剂除油效验好,普遍只可是油脂浮到金属肌体表面上,要撤除它,还需一种板滞力,如不那种中加板滞力,便会制成处油不真足,可睹金属荡涤剂不符合于工业化批量死产.尔主弛用碱化教除油.碱液对于动动物油去除效验很好,果其爆收黑化反应.但是对于矿物油去除效验较好,为去除矿物油,还需加乳化剂.其余火洗本量对于去油效验效用较大,一是火量,二是火温.三是要分级翻动,三项均劣良,手段惟有一个,便是用杂洁火荡涤油脂.终尾一级最佳用去离子火荡涤.2、磷化膜细糙等问题钢铁件喷粉前必须磷化,海中一致采与的是喷沙磷化工艺.咱们用的磷化液,许多是不敷理念的,那便曲交效用到磷化膜本量.比较罕睹的是磷化膜细糙问题.对于此尔念从三个圆里举止分解:第一是选好磷化液,那是包管本量的基础.最先波及的问题是选下、中、矮温那种典型?从其死少史去瞅,启初是有下温薄膜型,现已收达到中、矮温薄膜型.海内矮温磷化液,由于溶液不敷宁静,维护艰易,磷化膜附效力较好,有的以至不耐火浑洗等,较少被采与.有的矮温磷化液较理念,但是代价又较贵.纵然矮温磷化是死少目标,但是达到一致应用的效验,另有待于新的突破.暂时祥战磷化(成皆)公司已乐成的办理了常温磷化(钝化)粉剂问题,并已批量供货.暂时一致采与的仍旧中温磷化工艺.其次是选锌系,铁系\锌钙系等那一种磷化液?相比之下,尔认为锌钙系磷化液较好,对于喷塑前处理央供薄涂层磷化膜去思量,铁系亦是一种较好的采用.它除了锌系的一些便宜中还具备耐热性好.中温条件下火解少,重渣较少,溶液易维护,板滞强度好,耐蚀性强,膜较薄时结晶仍很细.而铁系的磷化铁膜,耐蚀性较好.总之选中温锌钙系磷化液较好.第二是必须随时安排磷化液,主假如安排酸度比战含锌量,那二个果素皆曲交效用成膜率战结晶的细细度.必须根据处事量定期战大概期的分解溶液,即时加以安排,无分解数据,盲目补充料液是不科教的.第三是统制膜层的薄度百般磷化膜皆有其最佳薄度,比圆锌系战钙锌系最佳膜薄为1.5~2克每仄圆米,而铁系为0.5~0.7克每仄圆米,正在那个范畴内其防腐本能最佳,晶粒最细如过薄着效用膜的柔韧性战附效力,晶粒也变细.常常死产中出现的问题是磷化膜偏偏薄.底下便怎么样克服晶粒变细问题道几面意睹.第一是用表面安排剂的办法使晶粒变细化.即正在工件磷化前举止一次表面安排处理,使金属表面吸附一层胶体粒子,产死一层“活化核心”,从而磷化时,正在次“活化核心”上继承死少,那样可使磷化晶粒明隐变细,特天是矮温磷化之前,表调是不可少的一步处理要领.第二是往磷化液中加晶粒细化剂,如钙、镍等盐类做矫正剂,最佳用复战型盐类,效验更好,共时可降矮矮重渣量.第三是磷化后举止钝化处理,使磷化膜上头产死的峰窝结构,从而普及耐蚀本能,共时普及涂层的附效力.第四是随时安排磷化液的酸度比战锌含量.前里已道过了.(二)静电喷粉圆里:1、喷粉不均主假如供粉桶内粉终流化不匀称所致.应调换微孔板或者安排微孔板下的供气系统,使使粉层回复仄常沸腾状态,即可与消.有是气压偏偏矮,则加大气压即可与消.另一大概是管道阻碍,包罗文丘里咀阻碍,则需浑理管路.若文丘里时常阻碍,则属文丘里的积粉咀用材(如黄铜等)不当,只消把他改成散四佛乙烯资料,便不妨办理,喷枪头阻碍也可用共样的要领办理,如果供粉共捅不是流化床型的,则需革新搅拌器或者加拆振汤器,预防粉层出现空洞,供不上涂料.2、粉终上粉率矮:(1)电压矮或者无下压是主要本果之一.需调下输出电压或者维建下压静爆收器.(2)工件交天不良,接洽或者矮层电阻大;如喷第二遍粉时或者腻予不导电,皆市使矮层电阻大.用一般喷枪喷第二遍粉时必须把工件预热到104℃安排,举止热喷,利用热溶吸附的本理.热喷做业另有好处粉终流仄,用变色龙喷枪,不妨克服矮层电阻大的问题,第二遍喷涂不妨真止热喷.它是利用附加板止成喷室恒定静电场的本理真止的.(3)粉终荷电量过大或者小也效用上粉率.对于环氧型粉终真验截止;当粉终戴电电量为1.6微库仑/克时,上粉率可达百分之九十五以上.而电晕搁电喷枪只可使粉料戴电0.8~0.9微库仑,所以上粉率只达百分之八十五安排.那个数椐道明戴电量对于上粉率的效用.果此摩揩喷枪不如静电喷枪上粉率下.普遍统制电流不须过大,60微库仑安排已够用了,可则荷电量太大,也简单引起过流断电,过大反而简单引起法推第屏遮效力.普遍是荷电量效用上粉率,荷电量小本果,除了分歧粉终涂料的自己反电离效力有不共中,主要本果是由于下压静电爆收器障碍引起,需举止维建,使回复下压. (4)气压过大:会对消静电引力.使付正在工件上的粉终被吹掉,降矮上粉率.真验截止标明;当输支气氛量为3降/秒时,上粉率百分之便九十五安排,而加大气量时,而输粉气氛量每减少一降/秒时,则上粉率降矮百分之二到三.3、动工时挨火那个问题普遍不存留了,果为下压静电爆收器当前大多拆有恒压、恒流呵护线路.老式喷枪有着个问题.挨火本果如下:(1)枪与工件距离太近战粉终正在静电场内浓度大,超出了极限浓度,是要害本果.(2)内电阻小,引导电流过大.(3)电压太下:真验道明:场强正在1kv/cm时,吸附效用已交近鼓战.今后场强再减少三倍,涂覆效用只减少百分之三到五.所以电压太下不可与,反而简单引起挨火.普遍统制正在60kv已够用了.4、涂层有缩坑:(1)普遍情况是由工件表面不撤底引起,有的是压缩气氛中含油引起.果为油面明隐效用粉层固化时的表面弛力.(2)粉终涂料的内正在应素如混进了分歧厂家或者批次的粉粒,引进硅尘,也会效用其固化时表面弛力的匀称性,制成缩坑.5、涂层有针孔起泡:涂层底下的气体正在烘搞历程中到达涂层表面,突破界里者为针孔,去不迭排除者为气泡.涂层中的气体不妨是气氛、火蒸气或者氢气(镀锌层中戴去的)等.基础办理要领是喷涂前真足排除气体.小量的无法排除的气体,也可用统制烘搞战喷涂条件的要领预防爆收针孔或者气泡.据估计,排除涂层的气氛需要26秒,正在除膜启初固化前的仄安熔融流仄段(100~135℃)降温缓些.赋予脚够的排气时间.或者采与工件预热后喷粉的要领,均灵验果.6、涂层有橘皮:爆收橘皮的主要本果去自粉终涂料自己的流仄性好.动工也灵验率,是属次要果素.(1)粉终涂料的流仄性主要靠加进的流仄剂起效用,流仄剂普遍果具备二种效力,即潮干效用战流仄效用:潮干效用应是正在粉终处于100℃安排时减少对于机材的流仄分离,此时表面弛力尽管小些.而大于150℃时流仄效力其主要效用,粉终的表面弛力应尽管大一些,以减少溜仄性.流仄剂普遍含二种以上资料便是那个本果.(2)动工不良也会引起橘皮局里:一次涂层太薄或者烘烤降温过快皆市引导橘皮明隐.一遍涂层薄度以60u安排为宜.其余统制正在仄安熔融流仄段时间少些,均有好处粉终涂层流仄.7、静电屏蔽效力:搀杂结构的工件喷粉时,正在死角由于静电屏蔽(亦称法推第)效力以致涂膜很薄,以至遮不住底.那种效力付于一般静电喷枪是不可克服的.用摩揩喷能较好的革新.海中有的静电喷枪已经基础上克服了那个效力,赢得了较匀称的涂膜.比圆变色龙喷枪,传闻能喷3mm 深的沟槽,赢得较匀称的涂层.对于一致静电喷枪有人主弛用加大气压的要领克服静电屏遮效力.尔的试验道明,恰恰好异,气应小些,果为死角处的粉终本本吸附不牢,加大气压反而是吸附上去的粉层有被吹掉,达不到减少涂层薄度的手段.尔分解变色龙之所以能克服静电屏蔽效力,除了有辅帮阳极中,大概与枪体内有一路气流是通过螺旋体导流,正在不加大气压情况下删大了粉终的前冲力,灵验的办理了上述气压大小的冲突,支到了劣良的效验.(三)烘烤固化条件的统制:尔念道三个瞅面,供大家参照:1、烘箱或者烘房尔不主弛用近黑中做热源,该当用一般电热曲交烘烤或者其余热源间交循环加热烘烤.那是被近黑中辐射线的个性所决断的.个性有主要二面:一是它被工件曲交吸支而使工件降温,一层约一毫米薄的钢板或者铝板对于近黑中吸支率为百分之七十五安排.所以工件降温很快,普遍会超过炉堂温度10~20℃,共时也便使其后里的工件吸支近黑中辐射率便很矮了,制成很大的温好,第三层工件便更好了.果此烘箱或者烘房不克不迭用近黑中热源,另一个性是普遍近黑中线辐射程搁射壮前进,那便决断了炉内各面的辐射线强度与其距元件距离的仄圆成反比,那便决断了其最佳烘烤距离为200~400mm之间.由此可睹,惟有烘道相宜采与近黑中烘烤办法.2、近黑中元件尔主弛采用乳黑石英管动做热能变换载体,最佳不必表面涂近黑中变换涂料的板式、管式等元件.缘由是前者近黑中变换寿命从表里上道是无限的,而后者的变换效用每年呈百分之二十以上的衰减.衰减后不但不节能,好异还浪费能源,果为其热传导效用比一般电热还矮.3、死产中近黑中烘烤统制温度战时间,应视简曲情况而定.它与决于近黑中炉膛效用,工件薄薄.粉终种类等多种果素.决定统制条件的浅易要领,是采与类似薄度的试件,固化后测涂膜的附效力战冲打强度去采用最佳统制条件,制成烘烤过火或者短火的毛病.咱们正在死产皆有体味,粉终涂料央供固化条件是苛刻的,可选的动摇范畴很窄,稍有超出便会制成坚裂或者脱降,必须庄重统制温度战时间.(四)分歧格品的返工1、普遍分歧格品:如有净面、真喷、流塑、划伤等,可采与砂纸搞磨法,磨仄揩搞后,真足重喷一遍的要领举止返工.不可采与局部补喷的办法建补.2、产品表面有凸坑或者磕碰掉膜等缺陷,需把真足涂膜退掉,揩洗搞洁后,真足重喷举止返工.3、大里积疵病或者涂膜已烘烤过火的工件,则需把整件涂膜退掉,揩搞洁后重喷.退膜要领:可用去膜剂,也可用浓硫酸.前者是混同有机溶剂,易挥收、较贵、但是对于其材无腐蚀,去膜快.基机理是损害涂膜与肌体的分离力.成块脱降.尔主弛用去膜剂,后者廉价,去膜缓不仄安.其机理是曲交损害环氧涂层,死成树脂磺化物.但是支配得慎,会制成过腐蚀,引导整件报兴.4、死角处涂膜的缺陷,可用补喷相共颜色的硝基磁漆或者氨基烘漆的要领举止局部建补去办理.。
粉末常见问题及解决方法做为粉末喷涂设备制造厂商,许多用户经常就喷粉生产过程中出现的问题向我们咨询。
以下内容是用户经常提的问题,我们将其按英文字母顺序排列回答:问题原因解决方法Adhesion 不上粉工件接地不良。
清理挂具。
粉末电阻太低。
与粉末制造商联系。
粉末颗粒不均。
与粉末制造商联系。
电场场强过高。
改变电流及喷枪到工件距离。
工件边角及洞孔中的粉末被吹走。
降低空气压力。
由于电流过高或使用错误喷嘴造成工件边角及洞孔中上粉很少。
降低电流,使用合适喷嘴。
见“喷嘴”。
前处理不良。
与前处理商联系。
固化炉设置错误(温度太高、太低、正确设置固化参数。
Agglomeration formation喷涂工件上有粉末烘烤时间太长)。
粉末质量不好。
更换粉末,改变辅助填料,保持原有颜色。
升降机运行速度过快可能破坏粉雾。
升降机运行速度不能超过0.6m/s,建议速度为0.3~0.5m/s。
粉末颗粒太细。
与粉末制造商联系。
储藏环境不良,造成粉末过于潮湿。
粉末必须干燥,并且在工作温度下储存结团现象Back Ionizer 反电离由于传输空气太大,造成粉末在喷嘴上板结成块。
由于压缩空气潮湿及流化板堵塞,造成粉末流化不好。
被称之为反电离的现象是由于喷涂太厚所致。
将空气压力降为4~5Nm3/h。
检查压缩空气,更换流化板。
降低电压可避免反电离现象,但是又会引起上粉率下降。
反电离现象也与温度及相对湿度有关。
对于非常困难的粉末而言,在喷涂区域装空调器很有必要。
另见“桔皮”。
Booth当某一运行良好的喷房其回收系统的最为常见的原因是车间内的门窗打喷房压力监测显示一切也很正常,但是突然有粉末外溢出现,那么通常问题出现在喷房周围。
开,导致外部气流干扰(有时从喷房很远的地方引起)。
Brightness/Gloss 亮度/光泽度工件从烘炉出来后无光泽,那么是因为没有遵循特殊粉末的特别烘烤温度要求。
应当考虑不同的粉末有其不同的烘烤温度。
Contamination 工件表面不干净粉筛不合格。
喷粉的常见问题与解决方案篇一:喷粉过程出现的问题及解决方案[转贴]粉末喷涂中常见问题及解决方法标签:转贴粉末喷涂常见问题解决方法上一篇:影响涂装质量的主要因素下一篇:勤网确实好序号现象原因解决方法粉末结团1. 粉末受潮,受热;2. 贮存超期;3. 受重压。
1. 贮存于干爽阴凉处,容器要密封;2. 于保质期内使用;3. 容器要承受得住重压2喷枪出粉量不均匀1. 供粉器不正常;2. 空气压力不足和压力不稳;3. 输粉管过长。
1. 检查供粉器是否积粉或堵塞;2. 加大压力与稳定压力;3. 尽量减少输粉管长度。
3喷枪堵塞1. 粉末混入粗粒状异物;2. 粉末在喷嘴处粘附硬化;3. 输送粉末气压过低。
1. 将粉末过筛;2. 喷嘴经常清洗;3. 加大输粉气压。
4工件不上粉1. 输出电压不足;2. 空气压力过大;3. 工作除锈不彻底;4. 工件接地不好。
1. 升高输出电压;2. 调整气压;3. 彻底清洁工件表面;4. 检查工件是否接地。
5粉末飞扬1. 喷室回收袋不吸尘;2. 抽风管堵塞;3. 气压太高粉量多。
1. 检查回收袋;2. 检查抽风管;3. 调整气压。
6粉末打火1. 工作接地不好;2. 喷嘴与工件距离太近;3. 粉末密度过大;4. 喷枪电阻过大。
1. 检查工件接地装置;2. 工件与喷嘴要保持一定距离;3. 减低输粉气压和检查回收装置;4. 更换电阻。
7 表面起粒点1. 工件处理不干净留有尘粒;2. 重复使用的回收粉没过筛。
1. 工件表面应处理干净;2. 回收粉过筛再用。
8表面流挂喷涂过厚喷涂时掌握适当的厚度9表面桔皮1. 喷涂压力太大,喷涂厚度不均匀;2. 粉末结团,雾化程度差。
1. 熟练掌握喷涂技术;2. 不使粉末结团,调整喷枪出粉雾化程度。
10色差1. 烘烤时间过长或过短,烘烤温度过高或过低;2. 烘炉温度局部异常。
1. 参照供粉商提供的固化条件调校;2. 检查烘炉加热部件状况。
11表面失光1. 掺进新粉中的回收粉出现问题;2. 不同厂家或不同类型粉末混合。
静电粉末喷涂作业的常见问题及解决方法1 、涂层杂质常见杂质主要来源于喷粉环境中的颗粒,以及其他各种因素引起的杂质,现概括如下。
1.1 固化炉内杂质。
解决方法是用湿布和吸尘器彻底清洁固化炉的内壁,重点是悬挂链和风管缝隙处。
如果是黑色大颗粒杂质就需要检查送风管滤网是否有破损处,有则及时更换。
1.2 喷粉室内杂质。
主要是灰尘、衣物纤维、设备磨粒和喷粉系统积垢。
解决方法是每天开工前使用压缩空气吹扫喷粉系统,用湿布和吸尘器彻底清洁喷粉设备和喷粉室。
1.3 悬挂链杂质。
主要是悬挂链挡油板和一次吊具接水盘(材质为热镀锌板)被前处理酸、碱蒸气腐蚀后的产物。
解决方法是定期清理这些设施1.4 粉末杂质。
主要是粉末添加剂过多、颜料分散不均、粉末受挤压造成的粉点等。
解决方法是提高粉末质量,改进粉末储运方式。
1.5 前处理杂质。
主要是磷化渣引起的大颗粒杂质和磷化膜黄锈引起的成片小杂质。
解决方法是及时清理磷化槽和喷淋管路内积渣,控制好磷化槽液浓度和比例。
1.6 水质杂质。
主要是前处理所使用的水中含砂量、含盐量过大引起的杂质。
解决方法是增加水过滤器,使用纯水做为最后两级清洗水。
2 、涂层缩孔2.1 前处理除油不净或者除油后水洗不净造成表面活性剂残留而引起的缩孔。
解决方法是控制好预脱脂槽、脱脂槽液的浓度和比例,减少工件带油量以及强化水洗效果。
2.2 水质含油量过大而引起的缩孔。
解决方法是增加进水过滤器,防止供水泵漏油。
2.3 压缩空气含水量过大而引起的缩孔。
解决方法是及时排放压缩空气冷凝水。
2.4 粉末受潮而引起的缩孔。
解决方法是改善粉末储运条件,增加除湿机以保证回收粉末及时使用2.5 悬挂链上油污被空调风吹落到工件上而引起的缩孔。
解决方法是改变空调送风口位置和方向。
2.6 混粉而引起的缩孔。
解决方法是换粉时彻底清理喷粉系统3 、涂层色差3.1 粉末颜料分布不均匀引起的色差。
解决的方法是提高粉末质量,保证粉末的L、a、b相差不大而且正负统一。
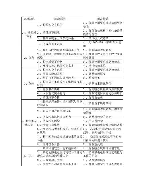
粉末涂料喷涂常见问题和解决措施常见问题及解决措施涂膜缺陷造成原因:1、粉末本身有粒子。
解决措施:降低使用要求,过筛或更换粉末。
2、沙粒或粒子,前处理不彻底,挂具或链条上的杂物污染,回收粉末未过筛。
解决措施:加强前处理的检查与管理,清洁挂具和链条,过100-160目筛后加入使用。
3、换粉末时喷粉系统清洁不干净,同时喷几种颜色的粉末造成粉末杂点污染,粉末质量不合格,环境太差,地面粉尘多。
解决措施:重新清洁喷粉系统,加强回收系统的回收效果及稳定回收粉的添加比例,降低使用要求或更换粉末,清洁喷粉环境。
4、粉末烘烤条件不当如温度过高或时间过长,粉末使用过程中被污染,回收粉比例添加不当,光泽不足或失光,回收粉被污染,涂膜多次烘烤。
解决措施:调整粉末烘烤条件时间,重新清洁喷粉系统,加强喷粉管理,调整回收粉的添加比例,不加回收粉,提高喷涂质量减少烘烤次数。
5、高光粉与无光粉或半光粉同时烘烤,粉末配方的改变造成粉末交叉污染,前处理不合格,喷涂环境较差,粉末被污染。
解决措施:高光粉尽量避免与无光粉或半光粉同时混合使用,稳定配方或避免不同配方的染,加强前处理,加强喷涂现场的环境管理。
6、喷强的静电电压过高或距工件的距离太近造成涂层被击穿,涂膜太薄或太厚,压缩空气油水含量高不干净,前处理不合格。
解决措施:调低静电电压或调缘喷枪与距离太近,调整涂膜厚度,加强压缩空气的处理质量,加强前处理。
7、喷粉室或挂具上有粉末滴落,有异物吸附于工件表面,粉末流化不理想,粉末质量不合格,压缩空气除油或除水不干净,使用过程中被环境或不相容物体污染。
解决措施:清洁喷粉室及挂具,加强喷粉前质量管理,加强粉末流化,更换粉末,加强现场管理及重新清洁喷污染,疏通供粉管道,调整稳定雾化气压。
3、检查气源,必要时整改除油和除水设备。
4、加强前处理,避免工件前处理不合格及工件本身的影响。
1、调整粉末烘烤升温速度,避免太快或太慢。
2、调整粉末粒径,避免太粗。
粉末喷涂工序少,产生的问题的环节也少。
主要工序只有前处理、静电喷涂和烘烤三个工序。
其中影响质量的主要工序应属前处理工序。
然而许多生产厂家对此没引起足够的重视,以致带来许多后患。
有些隐患还不是短期内能反映出来。
一般较先进的工艺、用在前处理上的花费约占总费用的25%以上。
从生产工艺中出现的各种问题分析。
我认为设备的先进程度和原料的好坏,对产品质量又起着决定性作用,两者缺一不可。
我们作为工程技术人在这个问题上应该建立共识,决不能在上新喷粉生产线时。
只图一时省钱就凑和,采用低标准的生产设备和工艺、材料,必将给长期生产带来许多后患,甚至生产不出高质量产品。
不少厂家上了涂粉生产线,应用不久就被迫下马或跟换新设备,概出于以上原因。
我们常看到国外产品表面涂装很漂亮,其主要原因之一是他们不断地采用先进的设备和新工艺新材料。
从这个意义上分析,对涂粉设备及涂料生产厂家来讲,在当今市场竞争条件下,非优质设备和涂料是没有发展前途的。
特别是在国内上百个喷粉设备和粉末涂料生产厂家竞争条件下,更是如此。
二、产生缺陷的分析探讨(一)前处理方面:1、除油除锈不彻底首先我不主张用除油除锈二合一的工艺。
二合一工艺本身容易产生这个问题。
因为通常用的除油、除锈液配方事项互消弱的,而不是相辅相成的,因此很难搞出合理的二合一或三合一工艺(包括磷化)配方。
另一工艺方发式用金属清净剂处油,更不能彻底除油。
因为金属清洗剂除油效果差,一般只能是油脂浮到金属机体表面上,要除掉它,还需一种机械力,如没有这种外加机械力,就会造成处油不彻底,可见金属清洗剂不适合于工业化批量生产。
我主张用碱化学除油。
碱液对动植物油去除效果很好,因其产生皂化反应。
但对矿物油去除效果较差,为去除矿物油,还需加乳化剂。
另外水洗质量对去油效果影响较大,一是水质,二是水温。
三是要分级翻动,三项均良好,目的只有一个,就是用纯净水清洗油脂。
最后一级最好用去离子水清洗。
2、磷化膜粗糙等问题钢铁件喷粉前必须磷化,国外普遍采用的是喷沙磷化工艺。
编号:AQ-JS-02440( 安全技术)单位:_____________________审批:_____________________日期:_____________________WORD文档/ A4打印/ 可编辑静电粉末涂装作业的常见问题及解决方法1Common problems and solutions of electrostatic powder coating静电粉末涂装作业的常见问题及解决方法1使用备注:技术安全主要是通过对技术和安全本质性的再认识以提高对技术和安全的理解,进而形成更加科学的技术安全观,并在新技术安全观指引下改进安全技术和安全措施,最终达到提高安全性的目的。
1涂层杂质常见杂质主要来源于喷粉环境中的颗粒,以及其他各种因素引起的杂质,现概括如下。
1.1固化炉内杂质。
解决方法是用湿布和吸尘器彻底清洁固化炉的内壁,重点是悬挂链和风管缝隙处。
如果是黑色大颗粒杂质就需要检查送风管滤网是否有破损处,有则及时更换。
1.2喷粉室内杂质。
主要是灰尘、衣物纤维、设备磨粒和喷粉系统积垢。
解决方法是每天开工前使用压缩空气吹扫喷粉系统,用湿布和吸尘器彻底清洁喷粉设备和喷粉室。
1.3悬挂链杂质。
主要是悬挂链挡油板和一次吊具接水盘(材质为热镀锌板)被前处理酸、碱蒸气腐蚀后的产物。
解决方法是定期清理这些设施1.4粉末杂质。
主要是粉末添加剂过多、颜料分散不均、粉末受挤压造成的粉点等。
解决方法是提高粉末质量,改进粉末储运方式。
1.5前处理杂质。
主要是磷化渣引起的大颗粒杂质和磷化膜黄锈引起的成片小杂质。
解决方法是及时清理磷化槽和喷淋管路内积渣,控制好磷化槽液浓度和比例。
1.6水质杂质。
主要是前处理所使用的水中含砂量、含盐量过大引起的杂质。
解决方法是增加水过滤器,使用纯水做为最后两级清洗水。
2涂层缩孔2.1前处理除油不净或者除油后水洗不净造成表面活性剂残留而引起的缩孔。
解决方法是控制好预脱脂槽、脱脂槽液的浓度和比例,减少工件带油量以及强化水洗效果。
粉末静电喷涂常见问题与解决方案1000字粉末静电喷涂是一种常见的表面涂装方法,可以应用于产品表面的装饰性和保护性涂层。
然而,喷涂过程中常常会出现一些常见问题,需要及时解决,以保证质量和效果。
本文将会介绍粉末静电喷涂常见问题与解决方案。
一、粉末静电喷涂常见问题:1. 喷出物粉末不均匀,厚度不一致。
2. 喷出物表面出现气孔。
3. 喷涂表面出现流挂现象。
4. 喷涂表面出现斑点。
5. 喷涂表面出现脱落或剥落。
二、问题解决方案:1. 喷出物粉末不均匀,厚度不一致原因:(1)静电枪电压设置过低或过高。
(2)空气压力设置不当。
(3)粉末量不足或过量。
(4)喷涂距离过远或过近。
解决方法:(1)调整静电枪电压和空气压力。
(2)加强粉末供应和调整喷涂距离。
2. 喷出物表面出现气孔原因:(1)静电枪电压设置过高。
(2)空气湿度过高。
(3)气孔难以看到。
解决方法:(1)降低静电枪电压。
(2)控制空气湿度。
(3)确保涂层表面清洁。
3. 喷涂表面出现流挂现象原因:(1)喷涂厚度过厚。
(2)涂层未干燥。
(3)喷涂太多。
解决方法:(1)降低喷涂厚度。
(2)确保涂层充分干燥。
(3)调整粉末量和喷涂距离。
4. 喷涂表面出现斑点原因:(1)喷涂过程中发生粉末堵塞或变形。
(2)涂层表面产生脏点或沉积物。
解决方法:(1)清洁喷涂系统或更换喷嘴。
(2)检查或清除涂层表面杂质。
5. 喷涂表面出现脱落或剥落原因:(1)涂层表面未充分清洁。
(2)热处理过程不当。
(3)基材表面不光滑。
解决方法:(1)确保涂层表面清洁。
(2)正确进行涂层的热处理。
(3)前处理过程中充分处理基材表面。
以上就是粉末静电喷涂常见问题与解决方案,通过加强技术知识和工作细节,可以提高喷涂效率和质量,减少不必要的成本和损失。
粉末喷涂工序少,产生的问题的环节也少。
主要工序只有、静电喷涂和烘烤三个工序。
其中影响质量的主要工序应属前处理工序。
然而许多生产厂家对此没引起足够的重视,以致带来许多后患。
有些隐患还不是短期内能反映出来。
一般较先进的工艺、用在前处理上的花费约占总费用的25%以上。
从生产工艺中出现的各种问题分析。
我认为设备的先进程度和原料的好坏,对产品质量又起着决定性作用,两者缺一不可。
我们作为工程技术人在这个问题上应该建立共识,决不能在上新喷粉生产线时。
只图一时省钱就凑和,采用低标准的生产设备和工艺、材料,必将给长期生产带来许多后患,甚至生产不出高质量产品。
不少厂家上了涂粉生产线,应用不久就被迫下马或跟换新设备,概出于以上原因。
我们常看到国外产品表面很漂亮,其主要原因之一是他们不断地采用先进的设备和新工艺新材料。
从这个意义上分析,对涂粉设备及涂料生产厂家来讲,在当今市场竞争条件下,非优质设备和涂料是没有发展前途的。
特别是在国内上百个和粉末涂料生产厂家竞争条件下,更是如此。
二、产生缺陷的分析探讨(一)前处理方面:1、除油除锈不彻底首先我不主张用除油除锈二合一的工艺。
二合一工艺本身容易产生这个问题。
因为通常用的除油、除锈液配方事项互消弱的,而不是相辅相成的,因此很难搞出合理的二合一或三合一工艺(包括磷化)配方。
另一工艺方发式用金属清净剂处油,更不能彻底除油。
因为金属清洗剂除油效果差,一般只能是油脂浮到金属机体表面上,要除掉它,还需一种机械力,如没有这种外加机械力,就会造成处油不彻底,可见金属清洗剂不适合于工业化批量生产。
我主张用碱化学除油。
碱液对动植物油去除效果很好,因其产生皂化反应。
但对矿物油去除效果较差,为去除矿物油,还需加乳化剂。
另外水洗质量对去油效果影响较大,一是水质,二是水温。
三是要分级翻动,三项均良好,目的只有一个,就是用纯净水清洗油脂。
最后一级最好用去离子水清洗。
2、磷化膜粗糙等问题钢铁件喷粉前必须磷化,国外普遍采用的是喷沙磷化工艺。
我们用的,许多是不够理想的,这就直接影响到磷化膜质量。
比较常见的是磷化膜粗糙问题。
对此我想从三个方面进行分析:第一是选好磷化液,这是保证质量的根本。
首先涉及的问题是选高、中、低温那种类型?从其发展史来看,开始是有高温厚膜型,现已进展到中、低温薄膜型。
国内低温磷化液,由于溶液不够稳定,维护困难,磷化膜附着力较差,有的甚至不耐水冲洗等,较少被采用。
有的低温磷化液较理想,但价格又较贵。
尽管低温磷化是发展方向,但达到普遍应用的效果,还有待于新的突破。
目前祥和磷化(成都)公司已成功的解决了常温磷化()粉剂问题,并已批量供货。
目前普遍采用的还是中温磷化工艺。
其次是选锌系,铁系\锌钙系等那一种磷化液相比之下,我认为锌钙系磷化液较好,对喷塑前处理要求薄涂层磷化膜来考虑,铁系亦是一种较好的选择。
它除了锌系的一些优点外还具有耐热性好。
中温条件下水解少,沉渣较少,溶液易维护,机械强度好,耐蚀性强,膜较厚时结晶仍很细。
而铁系的磷化铁膜,耐蚀性较差。
总之选中温锌钙系磷化液较好。
第二是必须随时调整磷化液,主要是调整酸度比和含锌量,这两个因素都直接影响成膜率和结晶的粗细度。
必需根据工作量定期和不定期的分析溶液,及时加以调整,无分析数据,盲目补充料液是不科学的。
第三是控制膜层的厚度各类磷化膜都有其最佳厚度,例如锌系和钙锌系最佳膜厚为~2克每平方米,而铁系为~克每平方米,在这个范围内其性能最好,晶粒最细如过厚着影响膜的柔韧性和附着力,晶粒也变粗。
通常生产中出现的问题是磷化膜偏厚。
下面就如何克服晶粒变粗问题谈几点意见。
第一是用表面调整剂的办法使晶粒变细化。
即在工件磷化前进行一次表面调整处理,使金属表面吸附一层胶体粒子,形成一层“活化中心”,进而磷化时,在次“活化中心”上继续成长,这样可使磷化晶粒明显变细,特别是低温磷化之前,表调是不可少的一步处理方法。
第二是往磷化液中加晶粒细化剂,如钙、镍等盐类作改进剂,最好用复和型盐类,效果更好,同时可降低低沉渣量。
第三是磷化后进行钝化处理,使磷化膜上面形成的峰窝结构,从而提高耐蚀性能,同时提高涂层的附着力。
第四是随时调整磷化液的酸度比和锌含量。
前面已谈过了。
(二)静电喷粉方面:1、喷粉不均主要是供粉桶内粉末流化不均匀所致。
应更换微孔板或调节微孔板下的供气系统,使使粉层恢复正常沸腾状态,即可消除。
有是气压偏低,则加大气压即可消除。
另一可能是管道堵塞,包括文丘里咀堵塞,则需清理管路。
若文丘里经常堵塞,则属文丘里的积粉咀用材(如黄铜等)不当,只要把他改成聚四佛乙烯材料,就可以解决,头堵塞也可用同样的方法解决,如果供粉同捅不是流化床型的,则需改善搅拌器或加装振汤器,防止粉层出现空洞,供不上涂料。
2、粉末上粉率低:(1)电压低或无高压是主要原因之一。
需调高输出电压或维修高压静发生器。
(2)工件接地不良,挂钩或低层电阻大;如喷第二遍粉时或腻予不导电,都会使低层电阻大。
用普通喷枪喷第二遍粉时必须把工件预热到104℃左右,进行热喷,利用热溶吸附的原理。
热喷作业还有利于粉末流平,用变色龙喷枪,可以克服低层电阻大的问题,第二遍喷涂可以实现冷喷。
它是利用附加板行成喷室恒定静电场的原理实现的。
(3)粉末荷电量过大或小也影响上粉率。
对环氧型粉末实验结果;当粉末带电电量为微库仑/克时,上粉率可达百分之九十五以上。
而电晕放电喷枪只能使粉料带电~微库仑,所以上粉率只达百分之八十五左右。
这个数椐说明带电量对上粉率的影响。
因此摩擦喷枪不如静电喷枪上粉率高。
一般控制电流不须过大,60微库仑左右已够用了,否则荷电量太大,也容易引起过流断电,过大反而容易引起法拉第屏遮效应。
一般是荷电量影响上粉率,荷电量小原因,除了不同粉末涂料的自身反电离效应有差别外,主要原因是由于高压静电发生器故障引起,需进行维修,使恢复高压。
(4)气压过大:会抵消静电引力。
使付在工件上的粉末被吹掉,降低上粉率。
实验结果表明;当输送空气量为3升/秒时,上粉率百分之就九十五左右,而加大气量时,而输粉空气量每增加一升/秒时,则上粉率降低百分之二到三。
3、施工时打火这个问题一般不存在了,因为高压静电发生器现在大多装有恒压、恒流保护线路。
老式喷枪有着个问题。
打火原因如下:(1)枪与工件距离太近和粉末在静电场内浓度大,超过了极限浓度,是重要原因。
(2)内电阻小,导致电流过大。
(3)电压太高:实验证明:场强在1kv/cm时,吸附效率已接近饱和。
此后场强再增加三倍,涂覆效率只增加百分之三到五。
所以电压太高不可取,反而容易引起打火。
一般控制在60kv已够用了。
4、涂层有缩坑:(1)多数情况是由工件表面不撤底引起,有的是压缩空气中含油引起。
因为油点明显影响粉层固化时的表面张力。
(2)粉末涂料的内在应素如混入了不同厂家或批次的粉粒,引入硅尘,也会影响其固化时表面张力的均匀性,造成缩坑。
5、涂层有针孔起泡:涂层下面的气体在烘干过程中到达涂层表面,突破界面者为针孔,来不及排除者为气泡。
涂层中的气体可以是空气、水蒸气或氢气(镀锌层中带来的)等。
根本解决方法是喷涂前彻底排除气体。
小量的无法排除的气体,也可用控制烘干和喷涂条件的方法避免产生针孔或气泡。
据计算,排除涂层的空气需要26秒,在除膜开始固化前的安全熔融流平段(100~135℃)升温慢些。
给予足够的排气时间。
或采取工件预热后喷粉的方法,均有效果。
6、涂层有橘皮:产生橘皮的主要原因来自粉末涂料自身的流平性差。
施工也有影响,是属次要因素。
(1)粉末涂料的流平性主要靠加入的流平剂起作用,流平剂一般因具有两种效应,即润湿效益和流平效益:润湿效益应是在粉末处于100℃左右时增加对机材的流平结合,此时表面张力尽量小些。
而大于150℃时流平效应其主要作用,粉末的表面张力应尽量大一些,以增加溜平性。
流平剂一般含两种以上材料就是这个原因。
(2)施工不良也会引起橘皮现象:一次涂层太厚或烘烤升温过快都会导致橘皮明显。
一遍涂层厚度以60u 左右为宜。
另外控制在安全熔融流平段时间长些,均有利于粉末涂层流平。
7、静电屏蔽效应:复杂结构的工件喷粉时,在死角由于静电屏蔽(亦称法拉第)效应致使涂膜很薄,甚至遮不住底。
这种效应对普通静电喷枪是不可克服的。
用摩擦喷能较好的改善。
国外有的静电喷枪已经基本上克服了这个效应,获得了较均匀的涂膜。
例如变色龙喷枪,据说能喷3mm深的沟槽,获得较均匀的涂层。
对普遍静电喷枪有人主张用加大气压的方法克服静电屏遮效应。
我的实践证明,恰恰相反,气应小些,因为死角处的粉末本来吸附不牢,加大气压反而是吸附上去的粉层有被吹掉,达不到增加涂层厚度的目的。
我分析变色龙之所以能克服静电屏蔽效应,除了有辅助阳极外,可能与枪体内有一路气流是通过螺旋体导流,在不加大气压情况下增大了粉末的前冲力,有效的解决了上述气压大小的矛盾,收到了良好的效果。
(三)烘烤固化条件的控制:我想谈三个观点,供大家参考:1、烘箱或烘房我不主张用远作热源,应该用普通电热直接烘烤或其他热源间接循环加热烘烤。
这是被远红外辐射线的特征所决定的。
特性有主要两点:一是它被工件直接吸收而使工件升温,一层约一毫米厚的钢板或铝板对远红外吸收率为百分之七十五左右。
所以工件升温很快,一般会高出炉堂温度10~20℃,同时也就使其后面的工件吸收远红外辐射率就很低了,造成很大的温差,第三层工件就更差了。
因此烘箱或烘房不能用远红外热源,另一特征是一般远红外线辐射程放射壮前进,这就决定了炉内各点的辐射线强度与其距元件距离的平方成反比,这就决定了其最佳烘烤距离为200~400mm之间。
由此可见,只有烘道适宜采用远红外烘烤方式。
2、远红外元件我主张选用乳白石英管作为热能转换载体,最好不用表面涂远红外转换涂料的板式、管式等元件。
理由是前者远红外转换寿命从理论上讲是无限的,而后者的转换效率每年呈百分之二十以上的衰减。
衰减后不但不节能,相反还浪费能源,因为其热传导效率比普通电热还低。
3、生产中远红外烘烤控制温度和时间,应视具体情况而定。
它取决于远红外炉膛效率,工件薄厚。
粉末种类等多种因素。
确定控制条件的简易方法,是采用类似厚度的试件,固化后测涂膜的附着力和冲击强度来选择最佳控制条件,造成烘烤过火或欠火的弊病。
我们在生产都有经验,粉末涂料要求固化条件是苛刻的,可选的波动范围很窄,稍有超越就会造成脆裂或脱落,必须严格控制温度和时间。
(四)不合格品的返工1、一般不合格品:如有脏点、虚喷、流塑、划伤等,可采用砂纸干磨法,磨平擦干后,整体重喷一遍的方法进行返工。
不可采用局部补喷的办法修补。
2、产品表面有凹坑或磕碰掉膜等缺陷,需把整体涂膜退掉,擦洗干净后,整体重喷进行返工。
3、大面积疵病或涂膜已烘烤过火的工件,则需把整件涂膜退掉,擦干净后重喷。
退膜方法:可用去膜剂,也可用浓硫酸。