数控刀具种类_数控车床刀片型号
- 格式:doc
- 大小:34.50 KB
- 文档页数:6
数控刀具分类数控刀具是数控机床上的重要工具,它们用于切削、铰削、钻削、攻丝等加工操作。
在数控刀具中,有多种不同类型的刀具,每种刀具都有其特定的用途和适合的加工材料。
本文将介绍常见的数控刀具分类。
1. 钻头钻头是一种主要用于钻孔操作的刀具。
根据其结构和用途,钻头可分为以下几种类型:•普通钻头:适用于一般的钻孔操作,常用于金属加工中。
•深孔钻头:用于深孔钻孔操作,可实现大深孔的高效加工。
•铺设钻头:用于铺设电缆、管道等管线的钻孔操作。
•镂空钻头:常用于木材、塑料等非金属材料的加工中。
2. 铣刀铣刀是一种用于切削和修整工作表面的刀具。
根据其切削方式和结构,铣刀可分为以下几种类型:•平面铣刀:用于切削工作表面上的平面和直线。
•端铣刀:用于切削工作表面上的直角边和斜角边。
•榫铣刀:用于实现工作表面上的榫卯加工。
•车削刀:用于切削工作表面上的外圆和内圆。
3. 刀具夹具刀具夹具用于固定和夹持刀具以便于数控机床的加工操作。
根据其用途和结构,刀具夹具可分为以下几种类型:•钳形夹具:常用于固定和夹持刀具,确保其稳定性和准确性。
•磁性夹具:利用磁力吸附刀具,适用于金属和磁性材料的加工操作。
•气动夹具:利用气压控制夹持力度,适用于高速加工和自动化生产线。
4. 车刀车刀是一种用于车削操作的刀具。
根据其结构和切削方式,车刀可分为以下几种类型:•外圆车刀:用于车削工件外表面,实现对外圆的加工。
•内圆车刀:用于车削工件内孔,实现对内圆的加工。
•镗孔刀具:用于加工孔内表面的刀具。
5. 刀片刀片是切削工具中的重要组成部分,它们直接与工件接触进行切削操作。
根据其形状和用途,刀片可分为以下几种类型:•T型刀片:适用于钻孔、车削等操作,具有较高的切削效率。
•三角形刀片:适用于车削和铣削等操作,具有较强的切削稳定性。
•方形刀片:适用于切削工件的平面和直线,具有较高的切削精度。
以上是常见的数控刀具分类。
在数控加工中,合理选择和使用适合的刀具是保证加工质量和效率的重要因素。
数控刀具型号知识点总结一、数控刀具的基本概念数控刀具是一种广泛应用于数控机床上的金属切削工具。
它是通过数控编程控制机床进行切削加工,可以实现高效、精确的加工。
数控刀具的类型繁多,每种型号的刀具都有其特定的用途和特点。
对于数控加工领域的从业人员来说,了解不同型号的数控刀具是非常重要的,可以帮助他们选择合适的刀具进行加工,提高加工效率和产品质量。
二、数控刀具的分类1. 分类标准数控刀具可以按照不同的分类标准进行分类,常见的分类标准包括刀具材料、刀具形状、刀柄类型、刀具用途等。
2. 按材料分类按照材料的不同,数控刀具可以分为高速钢刀具、硬质合金刀具、陶瓷刀具、超硬刀具等。
3. 按形状分类按照形状的不同,数控刀具可以分为铣刀、钻头、刀片、车刀、螺纹刀等。
4. 按刀柄类型分类按照刀柄的类型不同,数控刀具可以分为直柄刀具、切槽刀具、切槽刀具等。
5. 按用途分类按照刀具的用途不同,数控刀具可以分为粗加工刀具、精加工刀具、钻孔刀具、车削刀具等。
三、数控刀具的型号1. 高速钢刀具高速钢刀具是一种常见的金属切削刀具,具有刚性好、耐磨性高等特点。
按照其型号命名规则,一般包括刀具类型、刀具直径、刀具长度等信息。
例如,HSS 铣刀的型号为:HSS-M10x10x40,其中 HSS 表示为高速钢刀具,M10 表示刀具直径为10mm,10 表示刀具长度为10mm,40 表示刀具刃长为40mm。
通过型号就可以清楚地知道该刀具的用途和规格。
2. 硬质合金刀具硬质合金刀具是一种广泛应用于数控加工领域的刀具,具有硬度高、耐磨性好等特点。
按照其型号命名规则,一般包括刀具类型、刀具直径、刀具长度、刀具刀尖角度等信息。
例如,硬质合金铣刀的型号为:MCDN2008-2T-C20,其中 MCD 表示为硬质合金铣刀,N2008 表示刀具直径为20mm,2T 表示刀具齿数为2,C20 表示为刀具刀尖角度为20度。
通过型号就可以清楚地知道该刀具的用途和规格。
CNC常用刀具种类规格标准一、铣刀1. 平口铣刀:平口铣刀是一种最常见的铣刀,在平面和立面上进行铣削操作。
常用的规格有直径为16mm、20mm、25mm、32mm等。
2. 端铣刀:端铣刀适用于切削深度较小的工件,可在平面、立面和轮廓上进行加工。
常用的规格有直径为6mm、8mm、10mm、12mm等。
3. 镗铣刀:镗铣刀常用于镗孔和切削精度要求较高的工件,适用于大批量生产。
常用的规格有直径为6mm、8mm、10mm、12mm等。
4. 槽铣刀:槽铣刀适用于切削槽、倒角和切削凹槽的工件。
常用的规格有直径为4mm、6mm、8mm、10mm等。
5. T形铣刀:T形铣刀通常用于加工T槽和切削凸槽的工件。
常用的规格有直径为8mm、10mm、12mm、16mm等。
二、钻头1. 直径钻头:直径钻头常用于钻孔操作,可用于铸件、金属和非金属材料的加工。
常见的规格有直径为1mm、2mm、3mm、4mm等。
2. 长孔钻头:长孔钻头适用于需要加工深孔的工件,材质较硬的工件也适用。
常见的规格有直径为2mm、3mm、4mm、5mm等。
3. 镗钻头:镗钻头适用于加工精度要求较高的大孔和螺纹孔。
常见的规格有直径为6mm、8mm、10mm、12mm等。
4. 中心钻头:中心钻头适用于进行定位和偏心钻孔的工件,也常用于钻孔前的初始孔加工。
常见的规格有直径为1mm、2mm、3mm、4mm等。
三、刀片1. 外圆刀片:外圆刀片适用于车削和车削外径的工件,用于切削薄壁工件时效果更好。
常用的规格有直径为16mm、20mm、25mm、32mm等。
2. 内圆刀片:内圆刀片适用于车削和车削内径的工件,用于加工深孔时效果更好。
常用的规格有直径为6mm、8mm、10mm、12mm等。
3.轴向刀片:轴向刀片适用于进行车削操作时的进给和退刀,用于车削较长工件时效果更好。
4.切槽刀片:切槽刀片适用于车削切削槽、槽沟和沟道的工件,能够提高生产效率。
5.车削刀片:车削刀片适用于车削平面和轮廓的工件,能够提高加工精度和表面光洁度。
数控车床刀具的种类及特点数控车床在很多的厂里面应该都是有使用到的,这是一种工作效率比较高的机器设备,我们平时在使用的时候效果也都知道,不过大家对其刀具的种类和特点是否有了解过呢?这里就来给大家做介绍。
数控加工常用刀具的种类及特点数控加工刀具须适应数控机床高速、高效和自动化程度高的特点,一般应包括通用刀具、通用连接刀柄及少量专用刀柄。
刀柄要联接刀具并装在机床动力头上,因此已逐渐标准化和系列化。
数控刀具的分类有多种方法。
根据刀具结构可分为:整体式;镶嵌式,采用焊接或机夹式联接,机夹式又可分为不转位和可转位两种;特殊型式,如复合式刀具、减震式刀具等。
根据制造刀具所用的材料可分为:高速钢刀具;硬质合金刀具;石刀具;其他材料刀具,如立方氮化硼刀具、陶瓷刀具等。
从切削工艺上可分为:车削刀具,分外圆、内孔、螺纹、切割刀具等多种;钻削刀具,包括钻头、铰刀、丝锥等;镗削刀具;铣削刀具等。
为了适应数控机床对刀具耐用、稳定、易调、可换等的要求,近几年机夹式可转位刀具得到广泛的应用,在数量上达到整个数控刀具的30%~40%,金属切除量占总数的80%~90%。
数控刀具与普通机床上所用的刀具相比,有许多不同的要求,主要有以下特点:刚性好(尤其是粗加工刀具)、精度高、抗振及热变形小;互换性好,便于快速换刀;寿命高,切削性能稳定、可靠;刀具的尺寸便于调整,以减少换刀调整时间;刀具应能可靠地断屑或卷屑,以利于切屑的排除;系列化、标准化,以利于编程和刀具管理。
这就是给大家介绍的关于数控车床刀具的种类及特点了,希望通过这篇文章的介绍能够让大家对此内容有了解,若是还有哪些其他的方面知识需要了解的,记得关注我们!。
车刀型号及用途内容来源网络,由“深圳机械展(11万㎡,1100多家展商,超10万观众)”收集整理!更多cnc加工中心、车铣磨钻床、线切割、数控刀具工具、工业机器人、非标自动化、数字化无人工厂、精密测量、数控系统、3D打印、激光切割、钣金冲压折弯、精密零件加工等展示,就在深圳机械展车刀是用于车削加工的、具有一个切削部分的刀具,是切削加工中应用最广的刀具之一,车刀的工作部分就是产生和处理切屑的部分,包括刀刃、使切屑断碎或卷拢的结构、排屑或容储切屑的空间、切削液的通道等结构要素。
车刀种类和用途车刀是应用最广的一种单刃刀具。
也是学习、分析各类刀具的基础。
车刀用于各种车床上,加工外圆、内孔、端面、螺纹、车槽等。
车刀按结构可分为整体车刀、焊接车刀、机夹车刀、可转位车刀和成型车刀。
其中可转位车刀的应用日益广泛,在车刀中所占比例逐渐增加。
二、硬质合金焊接车刀所谓焊接式车刀,就是在碳钢刀杆上按刀具几何角度的要求开出刀槽,用焊料将硬质合金刀片焊接在刀槽内,并按所选择的几何参数刃磨后使用的车刀。
三、机夹车刀机夹车刀是采用普通刀片,用机械夹固的方法将刀片夹持在刀杆上使用的车刀。
此类刀具有如下特点:(1)刀片不经过高温焊接,避免了因焊接而引起的刀片硬度下降、产生裂纹等缺陷,提高了刀具的耐用度。
(2)由于刀具耐用度提高,使用时间较长,换刀时间缩短,提高了生产效率。
(3)刀杆可重复使用,既节省了钢材又提高了刀片的利用率,刀片由制造厂家回收再制,提高了经济效益,降低了刀具成本。
(4)刀片重磨后,尺寸会逐渐变小,为了恢复刀片的工作位置,往往在车刀结构上设有刀片的调整机构,以增加刀片的重磨次数。
(5)压紧刀片所用的压板端部,可以起断屑器作用。
四、可转位车刀可转位车刀是使用可转位刀片的机夹车刀。
一条切削刃用钝后可迅速转位换成相邻的新切削刃,即可继续工作,直到刀片上所有切削刃均已用钝,刀片才报废回收。
更换新刀片后,车刀又可继续工作。
1.可转位刀具的优点与焊接车刀相比,可转位车刀具有下述优点:(1)刀具寿命高由于刀片避免了由焊接和刃磨高温引起的缺陷,刀具几何参数完全由刀片和刀杆槽保证,切削性能稳定,从而提高了刀具寿命。
外圆车刀型号说明内孔车刀型号说明可转位精密车刀简介可转位精密车刀是车削工具系统中主要部件,规格、品种较多的产品之一,精密级产品,车刀的主要尺寸公差控制在±0.08mm以内。
螺钉夹紧式外圆车刀型号b h h1f l2l1刀尖半径配用刀片螺钉扳手SDJCR/L10 10 10 12 17 701010E070.4 DCMT070204 M2.5x5 T8SDJCR/L12 12 12 16 14 1001212H07SDJCR/L 16 16 16 20 18 100 0.8 DCMT11T308 M4x9 T151616H11SDJCR/L2020K1120 20 20 25 26 125SDJCR/L2525M1125 25 25 32 26 150型号b h h1f l2l1刀尖半径配用刀片螺钉扳手SDNCN 1010H0710 10 10 514100 0.4 DCMT070204 M2.5x5 T8SDNCN 1212H0712 12 12 6SDNCN 1616H1116 16 16 8 210.8 DCMT11T308 M4x9 T15 SDNCN 2020K1120 20 20 10.5 25 125SDNCN 2525M1125 25 25 13 25 150型号b h h1f l2l1刀尖半径配用刀片螺钉扳手SDNCR/L 1212H0712 12 12 18100105 0.4 DCMT070204 M2.5x5 T8 SDNCR/L 1616H1116 16 16 25 1070.8 DCMT11T308 M4x9 T15 SDNCR/L 2020K1120 20 20 29.5 116 125SDNCR/L 2525M1125 25 25 34.5 141 150螺钉夹紧式外圆车刀SDJCR/L 、SDPCN 、SDPCR/L 、SSDPN 、STACR/L 、SCGCR/L 、SCFCR/L 、SCLCR/L 、SRDCN 、SRGCR/L 、SVJBR/L 、SVVBN 、SVHBR/L型 号bh h1 f l2l1 刀尖半径 配用刀片 螺钉 扳 手SSDPN 1010H09 1010 10 5121000.4SCMT09T308 M4x9T15SSDPN 1212H09 12 12 12 6 SSDPN 1616H09 16 16 16 8 14 0.8SSDPN 2020K09 20 20 201025 125SSDPN 2525M09 252525 12.5 25 150型 号bh h1 f l2l1 刀尖半径 配用刀片螺钉扳 手STACR/L 0808H09 8 8 8 810.5 `100 0.4TCMT090204 M2.5x5T8STACR/L 1010H09 10 10 10 10 STACR/L 1212H09 12121212STAPR/L 1616H1116 16 16 16 13STAPR/L 2020K1120 20 20 25 18 125TCMT110204STAPR/L 2525M1125 25 25 32 25 150型号b h h1f l2l1刀尖半径配用刀片螺钉扳手0.4 CCMT060204 M2.5x5 T8 SCGCR/L 1212H0612 12 12 16 12100SCGCR/L 1616H0916 16 16 20 16SCGCR/L 2020K0920 20 20 25 25 1250.8 CCMT09T308 M4x9 T15 SCGCR/L 2525M0925 25 25 32 25 150螺钉夹紧式外圆车刀型号b h h1f l2l1刀尖半径配用刀片螺钉扳手SCFCR/L 12 12 12 16 16 100 0.4 CCMT0602 M2.5x5 T81212H06SCFCR/L16 16 16 201616H09SCFCR/L20 20 20 25 25 1250.8 CCMT09T308 M4x9 T15 2020K09SCFCR/L25 25 25 32 25 1502525M09型号b h h1f l2l1刀尖半径配用刀片螺钉扳手SCLCR/L12 12 12 16 120.4 CCMT060204 M2.5x5 T8 1212H06100SCLCR/L16 16 16 20 161616H09SCLCR/L0.8 CCMT09T308 M4x9 T1520 20 20 25 25 1252020K09SCLCR/L25 25 25 32 25 1502525M09型号b h h1f l2l1A配用刀片螺钉扳手SRDCN 1616H0816 16 16 1213 1008 RCMT0803MO M3x6 T8SRDCN 2020K0820 20 20 14 125SRDCN 2525M1225 25 25 18.5 150 12 RCMT1204MO M4x9 T15型号b h h1f l A配用刀片螺钉扳手SRGCR/L 1616H0816 16 16 20 1008 RCMT0803MO M3x6 T8 SRGCR/L 2020K0820 20 20 25 125SRGCR/L 2525M1025 25 25 32 150 12 RCMT1204MO M4x9 T15螺钉夹紧式外圆车刀型号b h h1f l2l1刀尖半径配用刀片螺钉扳手SVJBR/L 1212F11 12 12 12 16 25 800.4 VBMT110204 M2.5x5 T8 SVJBR/L 1616H11 16 16 16 20 25 100SVJBR/L 2020K16 20 20 20 25 35 125VBMT160404SVJBR/L 2525M16 25 25 25 32 35 150型号b h h1f l2l1刀尖半径配用刀片螺钉扳手SVVBN 1212F1112 12 12 6 25 800.4 VBMT110204M2.5x5 T8SVVBN 1616H1116 16 16 8 25 100SVVBN2020K1120 20 20 10 25 125SVVBN2525M1625 25 25 12.5 40 150 VBMT160404型号b h h1f l2l1刀尖半径配用刀片螺钉扳手SVHBR/L 2020K1620 20 20 25 32 1250.4 VBMT160404 M2.5x5 T8 SVHBR/L 2525M1625 25 25 32 32 150SVHBR/L 3225P1625 32 32 32 32 170螺钉夹紧式内孔车刀型 号最小加工直径Dd f l1 l2 H B α° a刀尖半径 配用刀片 螺 钉 扳手S08H -STFP R/L09108 5.5 100 16 7 8 8° 8.50.4TCMT090204M2.5x5 T8S10K -STFP R/L111210 6.5 125 20 9 10 6° 10TCMT110204S12M -STFP R/L111612 9 150 24 11 11.5 4°S16Q -STFP R/L132016 11 180 30 15 15.5 3° 12.7TCMT110204S20R -STFP R/L132420 13 200 40 18 19 2°S25S -STFP R/L163125 17 250 45 23 24 0° 14.5 0.8 TCMT160308 M4x9 T15S32T -STFP R/L163932 22 300 50 30 31型 号最小加工直径Dd fl1 l2 H B α° a刀尖半径 配用刀片 螺 钉 扳手S10H-STUP R/L 11 12 10 6.5 100259 9.5 6°10 0.4 TCMT110204 M 2.5x5 T8S12K-STUP R/L 111612 9125 11 11.5 4°S12F-STUP R/L 11 80S16M-STUP R/L 11 20 16 11 150 30 14 15 3° S20Q-STUP R/L 11 24 20 13 180 35 18 18.5 2° S25R-STUP R/L 16 31 25 17 200 45 23 22.50° 14.5 0.8 TCMT160308 M4x9 T15S32S-STUP R/L 16 3932 22 250 50 30 29.5型 号最小加工直径Dd fl1 l2 H B α° a刀尖半径 配用刀片 螺 钉 扳手S10K -STLP R/L111210 6.5 125 20 9 10 6° 10 0.4 TCMT110204 M 2.5x5 T8S12M -STLP R/L111612 9 150 24 11 11.5 4°S16Q -STLP R/L132016 11 180 30 15 15.5 3°12.7TCMT110204S20R -STLP R/L132420 13 200 40 18 19 2°S25S -STLP R/L163125 17 250 45 23 24 0° 14.5 0.8 TCMT160308 M4x9 T15S32T -STLP R/L163932 22 300 50 30 31螺钉夹紧式内孔车刀S-STFPR/L 、S-STUPR/L 、S-STLPR/L 、S-SSKPR/L 、S-SCLCR/L 、S-SDUCR/L型 号最小加工直径Dd f l1 l2HB α° a刀尖半径 配用刀片 螺 钉 扳手S16Q -SSKPR/L092016 11 180 30 15 15.5 6° 8.20.4SCMT09T304 M4x9 T15S20R -SSKPR/L092420 13 200 40 18 192°S25S -SSKPR/L12 3125 17 250 45 23 2411.3SCMT120404 M5x12 T20S32T -SSKPR/L3932 22 300 50 30 31 0°12型号最小加工直径D d f l1l2H Bα°a刀尖半径配用刀片螺钉扳手S10K-SCLCR/L0613 10 7 12525 9 9.5 12°6.0 0.4 CCMT060204 M2.5x5 T8S12M-SCLCR/L0616 12 9 150 11 11.510°S16Q-SCLCR/L0920 16 11 180 30 14 159.5 0.8 CCMT09T308 M4x9 T15 S20R-SCLCR/L0925 20 13 200 35 18 18.5 8°S25S-SCLCR/L0932 25 17 250 40 23 22.5 6°型号最小加工直径D d f l1l2H Bα°a刀尖半径配用刀片螺钉扳手S12M-SDUCR/L16 12 9 150 25 11 11.5 8°077.0 0.4 DCMT070204 M2.5x5 T8 S16Q-SDUCR/L20 16 11 180 30 14 15 6°07S20R-SDUCR/L25 20 13 200 35 18 18.5 8° 10.5 0.8 DCMT11T308 M4x9 T1511复合上压式车刀型号b h.h1l1f l2a刀尖半径配用刀片MSBNR/L 2020K1220 20 125 1733.5 11 0.8 SNMG120408MSBNR/L 2525M1225 25 150 22MSBNR/L 3225P1525 32 170 22 38 14SNMG1506121.2MSBNR/L 4040R1940 40 200 35 38 17 SNMG190612型号b h.h1l1f l2a刀尖半径配用刀片MSDNN 2020K1220 20 125 10.034 8 0.8 SNMG120408 MSDNN 2525M1225 25 150 12.5MSDNN 3225P1525 32 170 12.5 42 10 1.2 SNMG150612型号b h.h1l1f l2a配用刀片MSKNR/L 2020K1220 20 125 2529 11 SNMG120408 MSKNR/L 2525M1225 25 150 3214 SNMG150612 MSKNR/L 3225P1525 32 170 3238MSKNR/L 4040R1940 40 200 50 17 SNMG190612复合上压式车刀型号 b h.h1 l1 f l2 a 配用刀片MSSNR/L 2020K1220 20 125 25 34 8 SNMG120408MSSNR/L 2525M1225 25 150 32MSSNR/L 3225P1525 32 170 32 38 10 SNMG150612型号f h1l2b h l1A配用刀片MRGNR/L 2020K1225 202820 20 125?12 RNMG1204 MRGNR/L 2525M1232 25 25 25 150MRGNR/L 3225P1232 32 32 25 32 170型号f h1l2b h l1a刀尖半径配用刀片MDPNN 2020K1510 2045 20 20 12512 0.8 DNMG150608MDPNN 2525M1512.5 252525 150MDPNN 3225P1532 32 170复合上压式车刀MSBNR/L、MSDNN、MSKNR/L、MSSNR/L、MRGNR/L、MDPNN、MTGNR/L、MCLNR/L、MTFNR/L、MWLNR/L、MDJNR/L、MDHNR/L型号f h1l2b h l1a刀尖半径配用刀片MTGNR/L 2020K1625 2028 20 20 12514.50.8TNMG160408MTGNR/L 2525M1632 252525 150MTGNR/L 3225P2232 32 32 170 20 TNMG220408 MTGNR/L 4040R2750 40 38 40 40 200 24.5 1.2 TNMG270612型号F f1h1l2b h l1a刀尖半径配用刀片MCLNR/L 2020K122518 203020 20 12512 0.8 CNMG120408MCLNR/L 2525M1232 252525 150MCLNR/L 3225P1622 32 35 32 170 14.51.2CNMG160612 MCLNR/L 4040R1950 30 40 38 40 40 200 18 CNMG190612型号f f1h1l2b h l1a刀尖半径配用刀片MTFNR/L 2020K162518 2024.520 20 12514.50.8TNMG160408MTFNR/L 2525M1632 252525 150MTFNR/L 3225P2224 32 32 32 170 20 TNMG220408 MTFNR/L 4040R2750 30 40 31 40 40 200 24.5 1.2 TNMG270612复合上压式车刀型号f h1l2b h l1a刀尖半径配用刀片MWLNR/L 2020K0825 2025 20 20 1258.5 0.8 WNMM080408MWLNR/L 2525M0832 252525 150MWLNR/L 3225P103230 32 17010.5 1.2 WNMM100612MWLNR/L 4040R1050 40 40 40 200型号f f1h1l2b h l1a刀尖半径配用刀片MDJNR/L 2020K152519 203820 20 12514 0.8 DNMG150608MDJNR/L 2525M1532 252525 150MDJNR/L 3225P1532 32 170型号f h1l2b h l1a刀尖半径配用刀片MDHNR/L 2020K1525 2038 20 20 12514 08 DNMG150608MDHNR/L 2525M1532 252525 150MDHNR/L 3225P1532 32 170杠杆式车刀PSBNR/L、PSDNN、PSSNR/L、PCFNR/L、PSKNR/L、PCBNR/L、PTGNR/L、PCLNR/L、PTFNR/L、PDPNN、PDJNR/L、PDHNR/L、PRGNR/L型号f h1l2b h l1±0.08a刀尖半径配用刀片PSBNR/L 1616H0913 16 22 16 16 100 80.8 SNMG090308PSBNR/L 2020K1217 20 28 20 20 12511 SNMG120408PSBNR/L 2525M1222 25 242525 150PSBNR/L 3225P1532 35 32 170 13.51.2SNMG150612 PSBNR/L 4040R1935 40 40 40 40 200 16.5 SNMG190612型号f h1l2b h l±0.08a刀尖半径配用刀片PSDNN 1616H098.0 16 22 16 16 100 5.50.8 SNMG090308PSDNN 2020K12 10.3 2030 20 20 1258SNMG120408PSDNN 2525M1212.8 252525 150PSDNN 3225P1232 32 170 1.2 SNMG150612型号f S h1l2b h l1±0.08l0a刀尖半径配用刀片PSSNR/L1616H0920 13.9 16 22 16 16 100 93.9 5.50.8 SNMG090308PSSNR/L2020K1225 16.7 2030 20 20 125 116.78SNMG120408PSSNR/L2525M1232 23.7 252525 150 141.7PSSNR/L3225P1232 32 170 161.71.2SNMG150608 PSSNR/L4040R1950 32.5 40 40 40 40 200 187.5 12 SNMG190612杠杆式车刀型号f f1h1l2b h l1a刀尖半径配用刀片PCFNR/L2020K122518 202820 20 12512 0.8 CNMG120408PCFNR/L2525M1232 252525 150PCFNR/L3225P1232 32 170型号f f1h1l2b h l1l0a刀尖半径配用刀片PSKNR/L1616H0920 15 16 17 16 16 100 102 80.8 SNMG090308PSKNR/L2020K122517 202220 20 125 12811 SNMG120408PSKNR/L2525M1232 25 25 25 150 153PSKNR/L3232P1540 22 32 30 32 32 170 174 13.51.2SNMG150612 PSKNR/L4040R1950 27 40 40 40 40 200 205 16.5 SNMG190612型号f h1l2b h l1a刀尖半径配用刀片PCBNR/L2020K1217 2028 20 20 12511 0.8 CNMG120408PCBNR/L2525M1222 252525 150PCBNR/L3225P1632 31 32 170 14.5 1.2 CNMG160612杠杆式车刀型号f f1h1l2b h l1a刀尖半径配用刀片PTGNR/L1616H162016162216 16 10014.5 0.8 TNMG160408PTGNR/L 25 20 20 20 1252020K16 PTGNR/L2525M1632 21 252525 150PTGNR/L3225P2224 32 28 32 170 201.2TNMG220412 PTGNR/L4040R2750 30 40 35 40 40 200 24.5 TNMG270612型号f f1h1l2b h l1a刀尖半径配用刀片PCLNR/L1616H0920 -16 26 16 16 10012 0.8 CNMG090308PCLNR/L2020K122518 202820 20 125CNMG120408PCLNR/L2525M1232 252525 150PCLNR/L3225P1232 32 170PCLNR/L4040R1250 25 40 40 40 40 200 18 1.2 CNMG120412型号f f1h1l2b h l1a刀尖半径配用刀片PTFNR/L1616H1620 18 1622 16 16 10014.50.8TNMG160408PTFNR/L2020K1625 17.5 20 20 20 125 PTFNR/L2525M1632 20 252525 150PTFNR/L3232P2224 32 28 32 170 20 TNMG220412 PTFNR/L4040R2750 30 40 31 40 40 200 24.5 1.2 TNMG270612杠杆式车刀型号f h1l2b h l1a刀尖半径配用刀片PDPNN 2525M1512.5 2536 2525 15012 0.8 DNMG150608PDPNN 3232P1532 32 170型号f f1h1l2b h l1a刀尖半径配用刀片PDJNR/L2020K152519 203220 20 12514 0.8 DNMG150608PDJNR/L2525M1532 252525 150PDJNR/L3225P1532 32 170型号f h1l2b h l1±0.08a刀尖半径配用刀片PDHNR/L 2020K1525 2032 20 20 12514 0.8 DNMG150608PDHNR/L 2525M1532 252525 150PDHNR/L 3225P1532 32 170型号f h1l2b h l1a配用刀片PRGNR/L 2020K0925 20 19 20 20 1259.52 RNGA0903 PRGNR/L 2525M0932 25 25 25 25 150PRGNR/L 2525M1212.7 RNMG1204 PRGNR/L 3225P1232 32 33 25 32 170切断(槽)刀型号说明QZQ1616RL、QZQ2020RL、QZQ2525RL、QZQ3225RL切断(槽)刀型号尺寸刀片型号螺钉扳手h b(h)L f B ar maxQZQ1616R/L0316 16 100 16.4 316ZQMX3N11-1EM5X16 S4QZQ1616R/L 04 4 ZQMX4N11-1EQZQ2020R/L 0320 20 125 20.4320 ZQMX3N11-1EM6X14S5QZQ2020R/L 04 4 ZQMX4N11-1E QZQ2525R/L 032525 15025.43 ZQMX3N11-1EM6X16QZQ2525R/L 04 4 ZQMX4N11-1E QZQ2525R/L 05 5 25 ZQMX5N11-1E QZQ2525R/L 0625.7 6 32 ZQMX6N11-1E QZQ3225R/L 0332 170 25.4325ZQMX3N11-1EM8X20 S6QZQ3225R/L 04 4 ZQMX4N11-1E QZQ3225R/L 05 5 ZQMX5N11-1E QZQ3225R/L 0625.7 6 32 ZQMX6N11-1E螺纹车刀型号说明外螺纹车刀型号hh1bLf配用刀片螺 钉 扳 手SE R/L 1616H16 16 16 16 100 20 16ER/L M3.5x14 T15SE R/L 2020K16 20 20 20 125 25SE R/L 2525M16 25 25 25 15032SE R/L 3225P16 32 32 25 170 SE R/L 3232P16 32 32 32 170 40 SE R/L 2525M22 25 25 25 150 32 22ER/L M4x15T20SE R/L 3225P22 32 32 25 170 32 SE R/L 3232P2232323217040内螺纹车刀SER/L,SNR/L。
(完整版)数控刀具分类-数控刀具种类数控刀具分类-数控刀具种类(一)数控刀具分类刀具常按加工方式和具体用途,分为车刀、孔加工刀具、铣刀、拉刀、螺纹刀具、齿轮刀具、自动线及数控机床刀具和铰刀等几大类型。
刀具还可以按其它方式进行分类,如按所用材料分为高速钢刀具、硬质合金刀具、陶瓷刀具、立方氮化硼(CBN)刀具和金刚石刀具等;按结构分为整体刀具、镶片刀具、机夹刀具和复合刀具等;按是否标准化分为标准刀具和非标准刀具等。
(二)常用数控刀具种类1.车刀车刀是金属切削不使用签名加工中应用最广的一种刀具。
它可以在车床上加工外圆、端平面、螺纹、内孔,也可用于切槽和切断等。
车刀在结构上可分为整体车刀、焊接装配式车刀和机械夹固刀片的车刀。
机械夹固刀片的车刀又可分为机床车刀和可转位车刀。
机械夹固车刀的切削性能稳定,工人不必磨刀,所以在现代生产中应用越来越多。
2.孔加工刀具孔加工刀具一般可分为两大类:一类是从实体材料上加工出孔的刀具,常用的有麻花钻、中心钻和深孔钻等;另一类是对工件上已有孔进行再加工的刀具,常用的有扩孔钻、铰刀及镗刀等。
3.铣刀铣刀是一种应用广泛的多刃回转刀具,其种类很多。
按用途分有:1)加工平面用的,如圆柱平面铣刀、端铣刀等;2)加工沟槽用的,如立铣刀、T形刀和角度铣刀等;3)加工成形表面用的,如凸半圆和凹半圆铣刀和加工其它复杂成形表面用的铣刀。
铣削的生产率一般较高,加工表面粗糙度值较大。
4.拉刀拉刀是一种加工精度和切削效率都比较高的多齿刀具,广泛应用于大批量生产中,可加工各种内、外表面。
拉刀按所加工工件表面的不同,可分为各种内拉刀和外拉刀两类。
使用拉刀加工时,除了要根据工件材料选择刀齿的前角、后角,根据工件加工表面的尺寸(如圆孔直径)确定拉刀尺寸外,还需要确定两个参数:(1)齿升角af[即前后两刀齿(或齿组)的半径或高度之差];(2)齿距p[即相邻两刀齿之间的轴向距离]。
5.螺纹刀具螺纹可用切削法和滚压法进行加工。
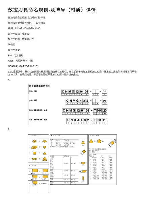
数控⼑具命名规则-及牌号(材质)详情数控⼑具命名规则-及牌号(材质)详情数控⼑具型号编号规则——⼭特维克事例:CNMG120408-PM 4205C:⼑⽚形状,菱形80N:⼑⽚后脚,负⾓型⼑⽚M:公差G:⼑⽚类型PM:⼑⽚槽形4205:⼑⽚牌号(材质)GC4205(HC)–P05(P01-P15)CVD涂层牌号,具有优良的耐沟槽磨损性和抗塑性变形性。
当在钢的半精加⼯到粗加⼯应⽤中要求⾼⾦属去除率时推荐⽤于稳定的⼯况。
能承受⾼温,并且不会降低⼲湿加⼯应⽤中的刃线安全性。
1.2.⼑⽚牌号(车削)⽤于普通车削的牌号----P钢、铸钢、长切屑可锻铸铁。
基本牌号CT5015(HT)–P10(P01-P20)具有优良的抗积屑瘤和抗塑性变形能⼒的⾮涂层⾦属陶瓷牌号。
新型配⽅提⾼了韧性。
⽤于要求⾼表⾯质量与/或低切削⼒的低合⾦钢和合⾦钢的精加⼯。
fnxap<0.35mm2GC1125(HC)–M25(M10-M30PVD涂层微颗粒硬质合⾦。
推荐⽤于中等到低切削速度下各种不锈钢的精加⼯。
锋利的切削作⽤与优良的切削刃韧性相结合时,或要求很⾼的表⾯质量时,该牌号表现优异。
其很⾼的耐热冲击性能适⽤于轻间断切削。
GC1525(HC)-P15(P05-P25)PVD涂层⾦属陶瓷牌号。
具有优良的耐磨损性和刃⼝韧性。
⽤于低碳钢和低合⾦钢的精加⼯和半精加⼯。
适⽤于中等和⾼切削速度下要求⾼表⾯质量的场合。
fnxap<0.35mm2GC4205(HC)–P05(P01-P15CVD涂层牌号,具有优良的耐沟槽磨损性和抗塑性变形性。
当在钢的半精加⼯到粗加⼯应⽤中要求⾼⾦属去除率时推荐⽤于稳定的⼯况。
能承受⾼温,并且不会降低⼲湿加⼯应⽤中的刃线安全性。
GC4215(HC)-P15(P01-P30)⽤于精加⼯到粗加⼯的CVD涂层硬质合⾦牌号,适合于钢和钢铸件的连续切削⾄轻型间断切削应⽤。
梯度基体与耐磨涂层相结合,最佳化了硬度和韧性。
数控机床加工刀具有哪几种?数控刀具刀片选用知识数控车床加工由于精度要求高,且加工工序集中,零件装夹次数少,因此对所使用的数控刀具提出了更高的要求。
下面我们将从几个方面认真介绍数控刀具的分类和安装注意事项。
数控刀具分类依据刀具结构分类(1)整体式刀具:整个刀具为一体,由一块料子加工而成。
(2)镶嵌式刀具:采用焊接或机夹式联接,机夹式又可分为不位和可转位两种。
(3)特殊型式刀具:如复合式刀具、减震式刀具等。
依据制造刀具所用的料子分类(1)高速钢刀具:韧性较好,但硬度、耐磨性和红硬性较差。
(2)硬质合金刀具:硬度、耐磨性和红硬性较好,是数控车削中广泛使用的刀具。
(3)石刀具:硬度高,紧要用于加工硬质合金和耐磨料子。
(4)其他料子刀具:如立方氮化硼刀具、陶瓷刀具等。
从切削工艺上分类(1)车削刀具:用于车削工件的外圆、内孔、螺纹等,包含外圆车刀、内孔车刀、螺纹车刀等。
(2)钻削刀具:用于钻孔、攻螺纹等,包含钻头、铰刀、丝锥等。
(3)镗削刀具:用于镗削工件的孔,包含粗镗刀和精镗刀。
(4)铣削刀具:用于铣削工件的平面、沟槽等,包含面铣刀、立铣刀、三面刃铣刀等。
数控车床安装车床刀具的步骤及注意事项安装前准备检查刀具是否符合要求,查看刀片、刀杆等有无损坏或磨损过度的情况。
同时,要确保机床的刀盘与工件料子相匹配,躲避显现不合理的切削参数。
安装步骤(1)将刀杆放置在机床的主轴上,确保其稳固不动。
(2)依据工艺要求,选择合适的刀片并安装在刀杆上。
注意刀片的紧固方式和夹紧力,确保其安装坚固。
(3)调整刀具的角度和位置,使其符合加工要求。
同时,要检查刀片的伸出长度和切削参数是否合理。
(4)锁紧刀具,确保其在加工过程中不会发生松动或位移。
注意事项(1)在安装过程中,要躲避损坏刀片和刀杆,确保其表面光滑无毛刺。
同时,要躲避使用不合理的切削参数,以免造成机床和刀具的损坏。
(2)在加工过程中,要时刻关注刀具的状态,如发现异常应及时停机检查并处理。
数控车床常用刀具分类、用途、安装方法及注意事项“车刀种类很多,按用途可分为:外圆车刀:根据主偏角,有95度(用于外圆和端面的半精加工和精加工)、45度(用于外圆和端面的粗车)、75度(主要用于外圆的粗车)、93度(主要用于仿形精加工)、90度(用于外圆的粗车)。
切槽刀:外切槽车刀主要用于外圆切槽和切断,内切槽车刀主要用于内沟槽加工螺纹车刀:螺纹车刀主要有外螺纹车刀和内螺纹车刀两类,其中外螺纹车刀主要用于外螺纹加工,内螺纹车刀主要用于内螺纹加工外螺纹车刀内螺纹车刀内孔车刀:主要用于内孔加工按结构又分为整体性:刀具主体由毛坯制成,不可分割,易于打磨成锋利的刃口,刀具刚性好。
适用于小型车刀和有色金属车刀。
焊接式:采用焊接方式连接,分为刀盘和刀杆。
它结构紧凑,制造方便,适用于各种车削刀具,特别是小型刀具。
机夹式:刀片通过机械夹持固定在刀杆上,钝后可更换。
是数控车床常用刀具,刀杆重复使用。
特殊类型:如复合刀具、阻尼刀具等。
按车刀材料分类:高速钢刀具:由高速钢制成,可连续抛光。
它是粗加工和半精加工的通用刀具。
硬质合金刀具:刀片采用硬质合金制造,用于切削铸铁、有色金属、塑料、化纤、石墨、玻璃、石材和普通钢材,也可以用来切削耐热钢、不锈钢、高猛钢、工具钢等难加工的材料。
”金刚石:刀片镶嵌金刚石,具有硬度高、耐磨性好、摩擦系数低、弹性模量高、导热系数高、热膨胀系数低、与有色金属亲和力低等优点。
可用于石墨、高耐磨材料、复合材料、高硅铝合金及其他韧性有色金属材料等非金属脆硬材料的精密加工。
其他材料,如立方氮化硼刀具和陶瓷刀具,正在向高硬度合金铸铁的粗加工和断续切削方向发展。
四工位刀架上装要求1.车刀刀尖应与工件旋转中心高度相同。
刀尖对中心高常用的方法:第一步安装车刀时,使刀尖与尾座顶尖等高;第二步试切端面。
2.车刀伸出刀架的长度要合适。
车刀安装在刀架上,一般伸出刀架的长度为刀杆厚度的1-1.5倍,不宜过长,伸出过长会使刀杆刚性变差,切削时易产生振动。
数控车刀各型号说明介绍
一、数控车刀
数控车刀是一种靠数字化操作来控制刀具的运动轨迹,改变不同的偏
转角度,从而实现各种零件的加工的机械设备。
一般由台式CNC车床、中
台CNC车床、移动立式CNC车床、多柱车床等组成。
由于它能够根据设定
的数据自动驱动刀具的运动,减少了加工时间,提高了加工精度,因此被
广泛应用于轴承、汽车、航天、一般机械、模具、电子元器件等行业的制
造加工中。
二、数控车刀的种类
1、台式CNC车刀:台式CNC车刀是一种单轴数控车刀,可以实现纵向、横向及立向的改变,并可以根据设定的数据自动控制刀具的运动轨迹,十分方便易于操作。
2、中台CNC车刀:中台CNC车刀是一种双轴数控车刀,车刀台可以
实现纵向、横向及立向的改变,加工平面面积更大。
3、移动立式CNC车刀:移动立式CNC车刀有四轴及五轴设计,可以
在一个加工空间内实现各种复杂部件的加工,加工精度高,速度快。
4、多柱CNC车刀:多柱CNC车刀可以实现纵向、横向及旋转的改变,并可以根据设定的数据自动控制刀具的运动轨迹,能满足大型零件加工的
要求。
三、数控车刀的性能
1、加工精度高:CNC加工速度快,可以使光滑度和精度满足一定的
要求。
数控刀片详细介绍数控刀片,也称为数控刀具或数控铣刀片,是机械加工中常用的切削工具。
它是利用数控机床的控制系统,根据预先编制的加工程序,通过自动化的方式对工件进行切削加工。
数控刀片主要由刀杆和刀片组成。
刀杆是数控刀片的主体部分,通常由高强度的合金钢材料制成,具有较好的刚性和耐磨性。
刀片则是安装在刀杆上的可更换的切削工具,通常由硬质合金或高速钢材料制成,具有较好的硬度和耐磨性。
刀片的形状和切削角度根据具体的加工要求和工件材料来确定。
数控刀片可分为面铣刀片、立铣刀片、槽铣刀片、球头刀片等多种类型。
它们的形状和结构各不相同,适用于不同的加工工艺和加工要求。
面铣刀片是最常用的数控刀片之一、它具有直刃和螺旋槽两种形状。
直刃面铣刀片适用于平面铣削和槽铣等工艺,它的刀片上有多个刃齿,可以同时进行多道切削。
螺旋槽面铣刀片则适用于粗铣和精铣等工艺,它的刀片上有一个螺旋状的刃齿,可以高效地去除切削屑。
立铣刀片是用于倒角和轮廓铣削的刀片。
它适用于金属工件的边角倒角和各种形状的轮廓铣削。
立铣刀片可根据需要选择不同形状和尺寸的刀片,以满足不同工件的加工要求。
槽铣刀片是用于槽铣和镗铣等工艺的刀片。
它的刀片上有多个切槽,适用于加工各种形状和尺寸的槽。
槽铣刀片还可以用于加工凸台和凸缘等特殊形状的工件。
球头刀片是用于球头铣削和倒圆角等工艺的刀片。
它的刀片上有一个球形的切削部分,可以实现高精度的球头铣削和倒圆角加工。
球头刀片通常用于模具制造和航空航天等领域的高精度加工。
数控刀片具有高效、精度高、稳定性好等特点,广泛应用于汽车、航空航天、模具制造等行业。
随着数控技术的发展和刀具材料的改进,数控刀片的性能不断提高,已成为现代机械加工的重要工具之一。
数控刀具规格表
模胚80*80选D25R5或D16R
0.8, 100*100选D30R
5、D32R5或D35R5飞刀开粗。
300*300选直径大于D35R5的飞刀进行开粗,如D50R5或D63R6等。
机床小则不能装大于D50R5的刀具。
最常用的刀有:
D63R
6、D50R
5、D35R
5、D32R
5、D30R
5、D25R
5、D20R
0.8、D17R
0.8、D13R
0.8、D
12、D
10、D
8、D
6、R
5、R
4、R
3、R
2.5、R
2、R
1.5、R1和R
0.5等。
刀具总长刀具大小刀具类别适合加工类型有效切削长度度
D50R6D32R
1.7D25R5D20R
0.4D18R
0.8D16R
0.4D16R8D12D10D8D6D4D3D2D
1.5D12R6D10R5D8R4刀片刀刀片刀刀片刀刀片刀开粗开粗05075开粗,精加工120精加工150开粗,精加工100精加工130整体平刀开粗,精加工50整体平刀开粗,精加工45整体平刀开粗,精加工40整体平刀开粗,精加工35整体平刀开粗,精加工28整体平刀开粗,精加工28整体平刀(开粗),精加工20整体平刀(开粗),精加工16整体平刀(开粗),精加工12整体球刀精加工整体球刀精加工
122845D6R3(加长)整体球刀精加工D6R3D4R2D3R
1.5D2R1整体球刀精加工整体球刀精加工D
1.5R
0.75整体球刀精加工D1R
0.5D6R
0.5D10R1整体球刀精加工整体牛鼻刀精加工。
数控刀具种类_数控刀片型号
数控刀具是指与数控机床(包括加工中心、数控车床、数控镗铣床、数控钻床、自动线以及柔性制造系统)相配套使用的各种刀具的总称,是数控机床不可缺少的关键配套产品。
在国外数控刀具发展很快,品种很多,已形成系列。
在我国,由于对数控刀具的研究开发起步较晚,数控刀具成了工具行业中最薄弱的一个环节。
数控刀具的落后已经成为影响我国国产和进口数控机床充分发挥作用的主要障碍。
数控刀具必须适应数控机床高速、高效和自动化程度高的特点,一般应包括刀具及连接刀柄:刀柄要连接刀具并装在机床的动力头上,因此已逐渐标准化和系列化。
近年来,快速发展的数控加工技术促进了数控刀具的发展。
每当一种新型数控刀具产品的面市,会使数控加工技术跃上一个新台阶,产生巨大的经济和社会效益。
数控刀具的分类方法很多。
一般可按下列方法进行分类。
1.按刀具切削部分的材料分
按刀具切削部分的材料可分为高速钢刀具、硬质合金刀具、陶瓷刀具、立方氮化硼刀具、金
刚石刀具和涂层刀具等。
2.按刀具的结构形式分
按刀具的结构形式可分为整体式、镶嵌式和特殊形式等。
(1)整体式。
整体式包括钻头和立铣刀等。
(2)镶嵌式。
镶嵌式包括刀片采用焊接和机夹式等。
(3)特殊形式。
特殊形式包括复合式和减振式等。
3。
按切削加工工艺分
按切削加工工艺可分为车削刀具、铣削刀具、钻削刀具和镗削刀具等。
(1)车削刀具。
车削刀具包括外圆车刀、内孔车刀、切槽(断)刀、端面车刀、螺纹车刀等:
(2)铣削刀具。
铣削刀具包括面铣刀、立铣刀和螺纹铣刀等。
(3)钻削刀具。
钻削刀具包括钻头、铰刀和丝锥等。
(4)镗削刀具。
镗削刀具包括粗镗刀和精镗刀等。
数控加工刀具可分为常规刀具和模块化刀具两大类。
模块化刀具是发展方向。
发展模块化刀具的主要优点:减少换刀停机时间,提高生产加工时间;加快换刀及安装时间,提高小批量生产的经济性;提高刀具的标准化和合理化的程度;提高刀具的管理及柔性加工的水平;扩大刀具的利用率,充分发挥刀具的性能;有效地消除刀具测量工作的中断现象,可采用线外预调。
事实上,由于模块刀具的发展,数控刀具已形成了三大系统,即车削刀具系统、钻削刀具系统和镗铣刀具系统。
(1)从结构上可分为
② 体式
②镶嵌式可分为焊接式和机夹式。
机夹式根据刀体结构不同,分为
可转位和不转位;
③减振式当刀具的工作臂长与直径之比较大时,为了减少刀具的振
动,提高加工精度,多采用此类刀具;
④内冷式切削液通过刀体内部由喷孔喷射到刀具的切削刃部;
⑤特殊型式如复合刀具、可逆攻螺纹刀具等。
(2)从制造所采用的材料上可分为
①高速钢刀具高速钢通常是型坯材料,韧性较硬质合金好,硬度、
耐磨性和红硬性较硬质合金差,不适于切削硬度较高的材料,也不适
于进行高速切削。
高速钢刀具使用前需生产者自行刃磨,且刃磨方便,适于各种特殊需要的非标准刀具。
②硬质合金刀具硬质合金刀片切削性能优异,在数控车削中被广泛
使用。
硬质合金刀片有标准规格系列产品,具体技术参数和切削性能
由刀具生产厂家提供。
硬质合金刀片按国际标准分为三大类:P类,M类,K类。
P类——适于加工钢、长屑可锻铸铁(相当于我国的YT
类)M类——适于加工奥氏体不锈钢、铸铁、高锰钢、合金铸铁等
(相当于我国的YW类)M-S类——适于加工耐热合金和钛合金K
类——适于加工铸铁、冷硬铸铁、短屑可锻铸铁、非钛合金(相当
于我国的YG类)K-N类——适于加工铝、非铁合金K-H类——适
于加工淬硬材料
③陶瓷刀具
④立方氮化硼刀具
⑤金刚石刀具
(3)从切削工艺上可分为
①车削刀具分外圆、内孔、外螺纹、内螺纹,切槽、切端面、切端
面环槽、切断等。
数控车床一般使用标准的机夹可转位刀具。
机夹可转位刀具的刀片和刀体都有标准,刀片材料采用硬质合金、涂层硬质合金以及高速钢。
数控车床机夹可转位刀具类型有外圆刀具、外螺纹刀具、内圆刀具、内螺纹刀具、切断刀具、孔加工刀具(包括中心孔钻头、镗刀、丝锥等)。
机夹可转位刀具夹固不重磨刀片时通常采用螺钉、螺钉压板、杠销或楔块等结构。
常规车削刀具为长条形方刀体或圆柱刀杆。
方形刀体一般用槽形刀架螺钉紧固方式固定。
圆柱刀杆是用套筒螺钉紧固方式固定。
它们与机床刀盘之间的联接是通过槽形刀架和套筒接杆来联接的。
在模块化车削工具系统中,刀盘的联接以齿条式柄体联接为多,而刀头与刀体的联接是“插入快换式系统”。
它既可以用于外圆车削又可用于内孔镗削,也适用于车削中心的自动换刀系统。
数控车床使用的刀具从切削方式上分为三类:圆表面切削刀具、端面切削刀具和中心孔类刀具。
②钻削刀具分小孔、短孔、深孔、攻螺纹、铰孔等。
钻削刀具可用于数控车床、车削中心,又可用于数控镗铣床和加工中心。
因此它的结构和联接形式有多种。
有直柄、直柄螺钉紧定、锥柄、螺纹联接、模块式联接(圆锥或圆柱联接)等多种。
③镗削刀具分粗镗、精镗等刀具。
镗刀从结构上可分为整体式镗刀柄、模块式镗刀柄和镗头类。
从加工工艺要求上可分为粗镗刀和精镗刀。
④铣削刀具分面铣、立铣、三面刃铣等刀具。
●面铣刀(也叫端铣刀)面铣刀的圆周表面和端面上都有切削刃,
端部切削刃为副切削刃。
面铣刀多制成套式镶齿结构和刀片机夹可转
位结构,刀齿材料为高速钢或硬质合金,刀体为40Cr。
●立铣刀立铣刀是数控机床上用得最多的一种铣刀。
立铣刀的圆柱
表面和端面上都有切削刃,它们可同时进行切削,也可单独进行切削。
结构有整体式和机夹式等,高速钢和硬质合金是铣刀工作部分的常用
材料。
●模具铣刀模具铣刀由立铣刀发展而成,可分为圆锥形立铣刀、圆
柱形球头立铣刀和圆锥形球头立铣刀三种,其柄部有直柄、削平型
直柄和莫氏锥柄。
它的结构特点是球头或端面上布满切削刃,圆周刃
与球头刃圆弧连接,可以作径向和轴向进给。
铣刀工作部分用高速钢
或硬质合金制造。
●键槽铣刀
●鼓形铣刀
●成形铣刀
(4)特殊型刀具特殊型刀具有带柄自紧夹头、强力弹簧夹头刀柄、可逆式(自动反向)攻螺纹夹头刀柄、增速夹头刀柄、复合刀具和接杆类等。
2.数控加工刀具的特点为了达到高效、多能、快换、经济的目的,数控加工刀具与普通金属切削刀具相比应具有以下特点:
●刀片及刀柄高度的通用化、规格化、系列化。
●刀片或刀具的耐用度及经济寿命指标的合理性。
●刀具或刀片几何参数和切削参数的规范化、典型化。
●刀片或刀具材料及切削参数与被加工材料之间应相匹配。
●刀具应具有较高的精度,包括刀具的形状精度、刀片及刀柄对机床主轴的相对位置精度、刀片及刀柄的转位及拆装的重复精度。
●刀柄的强度要高、刚性及耐磨性要好。
●刀柄或工具系统的装机重量有限度。
●刀片及刀柄切入的位置和方向有要求。
●刀片、刀柄的定位基准及自动换刀系统要优化。
数控机床上用的刀具应满足安装调整方便、刚性好、精度高、耐用度好等要求。
数控刀具与传统刀具的特征比较
随着高刚度整体铸造床身、高速运算数控系统和主轴动平衡等新技术的采用,以及刀具材料的不断发展,现代切削加工朝着高速、高精度和强力切削方向发展,因此现代切削刀具与传统的刀具有着本质的区别。
“数控刀具”特指与加工中心、数控车床、数控镗铣床、数控钻床等先进高效的数控机床相配套使用的整体合金刀具、超硬刀具、可转位刀片、工具系统和可转位刀具等。