忻州煤销——产品、煤质 --各煤类的煤质指标见表
- 格式:doc
- 大小:60.50 KB
- 文档页数:2
煤质评价指标汇总
(王工整理)
一、资源量估算指标
5285千卡
二、煤质
1、煤灰份的分级
5 高炉喷吹用煤的灰分分级
高炉喷吹用煤的灰分分级可参照本部分第4章中表2冶炼用炼焦精煤进行分级。
6 其他用炼焦精煤和原料用煤的灰分分级
其他用炼焦精煤和原料用煤的灰分分级可参照本部分第3章中表1动力煤炭进行分级。
2、煤的硫份分级
4.2 无烟煤和烟煤的硫分分级
无烟煤和烟煤的硫分在基准发热量时按表2分级。
三、发热量
3.2 褐煤的发热量的分级按表2进行。
注:1MJ/kg( 兆焦耳/千克 )=239.14291180千卡/千克≈ 239.14 四煤中磷分按下表进行分级
五、煤的干燥无灰基挥发分产率(V dat,%)分级。
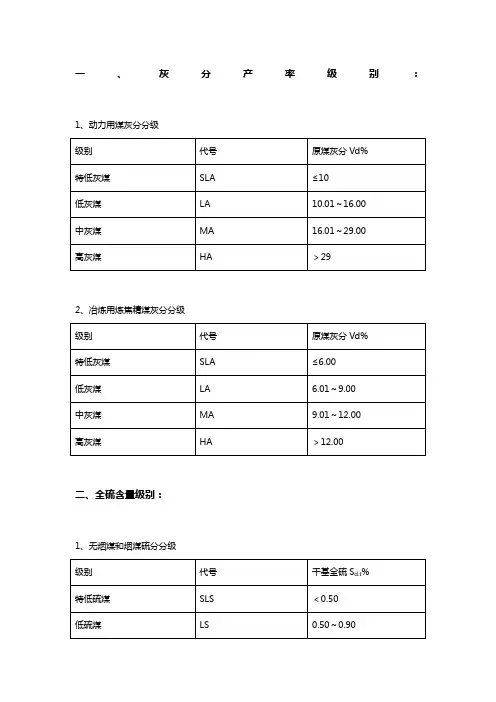
一、灰分产率级别:1、动力用煤灰分分级2、冶炼用炼焦精煤灰分分级二、全硫含量级别:1、无烟煤和烟煤硫分分级2、炼焦用炼焦精煤硫分硫分分级及炼焦原料用煤三、发热量级别四、磷含量级别五、砷含量级别(煤中砷含量分级MT/T803-1999)六、氟含量级别(煤中氟含量分级MT/T966-2005)七、煤灰熔融性级别1、煤灰熔融性软化温度(ST)分级(MT/T 853.1)2、煤灰熔融性流动温度(FT)分级(MT/T 853.2)八、煤的焦油产率级别九、煤的抗碎强度级别十、褐煤及风化煤腐植酸含量级别十一、理论精煤回收率级别十二、可选性等级划分标准十三、煤炭粒度分级(GB189—63)十四、煤的哈氏可磨性指数分级(GB MT/T825—2000)十五、煤层瓦斯成分分带十六、挥发份分级表(GB MT/T849—2000)十七、烟煤粘结指数分级(GB MT/T 596—1996)十八、煤全水分分级(GB MT/T850—2000)煤质化验指标一、水分。
煤中水分分为内在水分、外在水分、结晶水和分解水。
煤中水分过大是,不利于加工、运输等,燃烧时会影响热稳定性和热传导,炼焦时会降低焦产率和延长焦化周期。
现在我们常报的水份指标有:1、全水份(Mt),是煤中所有内在水份和外在水份的总和,也常用Mar表示。
通常规定在8%以下。
2、空气干燥基水份(Mad),指煤炭在空气干燥状态下所含的水份。
也可以认为是内在水份,老的国家标准上有称之为“分析基水份”的。
二、灰分指煤在燃烧的后留下的残渣。
不是煤中矿物质总和,而是这些矿物质在化学和分解后的残余物。
灰分高,说明煤中可燃成份较低。
发热量就低。
同时在精煤炼焦中,灰分高低决定焦炭的灰分。
能常的灰分指标有空气干燥基灰分(Aad)、干燥基灰分(Ad)等。
也有用收到基灰分的(Aar)。
三、挥发份(全称为挥发份产率)V指煤中有机物和部分矿物质加热分解后的产物,不全是煤中固有成分,还有部分是热解产物,所以称挥发份产率。
煤质指标分级详细标准————————————————————————————————作者:————————————————————————————————日期:一、灰分产率级别:1、动力用煤灰分分级级别代号原煤灰分Vd% 特低灰煤SLA≤10低灰煤LA 10.01~16.00 中灰煤MA 16.01~29.00 高灰煤HA>292、冶炼用炼焦精煤灰分分级级别代号原煤灰分Vd% 特低灰煤SLA ≤6.00低灰煤LA 6.01~9.00中灰煤MA 9.01~12.00高灰煤HA >12.00二、全硫含量级别:1、无烟煤和烟煤硫分分级级别代号干基全硫S d.t% 特低硫煤SLS <0.50低硫煤LS 0.50~0.90中硫煤MS 0.91~1.50中高硫煤MHS 1.51~3.00高硫煤HS >3.002、炼焦用炼焦精煤硫分硫分分级及炼焦原料用煤级别代号干基全硫S d.t%特低硫煤SLS <0.40低硫煤LS 0.40~0.70中低硫煤MLS 0.71~0.95中硫煤MS 0.96~1.20中高硫煤MHS 1.21~1.50高硫煤HS 1.51~2.50三、发热量级别级别代号干燥高位发热量Qgr,d(MJ/kg) 特高热值煤SHQ >29.60高热值煤HQ 25.51~29.60中热值煤MQ 22.41~25.50低热值煤LQ16.30~22.40特低热值煤SLQ <16.30四、磷含量级别级别代号原煤磷Pd(%)特低磷煤P—1 ≤0.01低磷煤P—2 >0.01~0.05中磷煤P—3 >0.05~0.10高磷煤P—4>0.10五、砷含量级别(煤中砷含量分级MT/T803-1999)级别代号原煤砷As(%)一级含砷煤ⅠAs ≤4.0×10-4二级含砷煤ⅡAs >4.0×10-4~8.0×10-4三级含砷煤ⅢAs>8.0×10-4~25.0×10-4四级含砷煤ⅣAs >25.0×10-4六、氟含量级别(煤中氟含量分级MT/T966-2005)级别代号原煤氟As含量μg/g特低氟煤SLF<80低氟煤LF 80~130中氟煤MF131~200高氟煤HF >200七、煤灰熔融性级别1、煤灰熔融性软化温度(ST)分级(MT/T 853.1)级别代号软化温度ST℃低软化温度灰LST≤1100较低软化温度灰RLST >1100~1250中等软化温度灰MST>1250~1350较高软化温度灰RHST >1350~1500 高软化温度灰HST >15002、煤灰熔融性流动温度(FT)分级(MT/T 853.2)级别代号流动温度FT℃低流动温度灰LFT ≤1150较低流动温度灰RLFT >1150~1300 中等流动温度灰MFT>1300~1400 较高流动温度灰RHFT>1400~1500高流动温度灰HFT >1500八、煤的焦油产率级别级别焦油产率T j(%)高油煤>12富油煤>7~12含油煤≤7九、煤的抗碎强度级别级别落下试验法>25毫米(%)高强度煤>65中强度煤>50~65低强度煤>30~50特低强度煤≤30十、褐煤及风化煤腐植酸含量级别级别总腐植酸含量H f M (%)高腐植酸煤>60富腐植酸煤>40~60中腐植酸煤>20~40低腐植酸煤≤20十一、理论精煤回收率级别级别理论精煤回收率(%)优等>70良等>50~70中等>40~50低等<40十二、可选性等级划分标准±0.1含量% 可选性等级≤10.0极易选10.1~20.0 易选20.1~30.0 中等可选30.1~40.0 难选>40.0 极难选十三、煤炭粒度分级(GB189—63)序号粒度名称粒度符号粒度尺寸(mm)1 特大块T >100~3002大块D50~1003 中块Z 25~504 小块X 13~255 粒煤L6~136 粉煤 F <6十四、煤的哈氏可磨性指数分级(GB MT/T825—2000)序号级别名称代号分级范围(HGI)1 难磨煤DG ≤402 较难磨煤RDG>40~603 中等可磨煤MG >60~804 易磨煤EG >80~1005极易磨煤UEG >100十五、煤层瓦斯成分分带序号级别名称CH4(%) N2(%) CO2(%) 分带1氮气—二氧化碳带0~10 20~8020~802氮气带0~2080~100 0~20瓦斯风化带3 氮气—沼气带0~8020~80 0~204 沼气带80~100 0~20 0~20 沼气带十六、挥发份分级表(GB MT/T849—2000)序号级别名称代号分级范围(Vdaf)1 特低挥发分SLV ≤102 低挥发分LV>10~203中等挥发分MV >20~284中高挥发分MHV >28~375高挥发分HV >37~506 特高挥发分SHV>50十七、烟煤粘结指数分级(GB MT/T596—1996)级别名称代号分级范围(HGI)不粘结煤BNM 0~5弱粘结煤RNM >5~30中粘结煤ZNM >30~50中强粘结煤ZQN >50~65强粘结煤QNM >65~85特强粘结煤TQN>85十八、煤全水分分级(GB MT/T850—2000)序号级别名称代号分级范围(Mt)1 特低全水分SLM≤6.02 低全水分LM >6.0~8.03 中等全水分MLM >8.0~12.04 中高全水分MHM>12.0~20.05 高全水分HM >20.0~40.06 特高全水分SHM>40.0煤质化验指标一、水分。
煤炭分类及主要质量指标第一部分煤炭分类及分布一、煤炭分类煤炭主要分为褐煤、烟煤、无烟煤。
按照碳化程度分类,煤可分为褐煤、烟煤和无烟煤,煤化程度依次提高(1)褐煤褐煤是煤化程度最低的矿产煤,外观呈褐色,光泽暗淡。
褐煤含碳量60%~77%,挥发成分占比大于40%,水分含量较高,约为15%~60%,燃点约270°C,化学反应性强,易风化。
(2)烟煤烟煤为褐煤进一步煤化产物,含碳量约80%~90%,含氢量4%~6%,含氧量10%~15%,多具有一定粘结性,挥发物约占10%~40%,热值约27170~37200千焦/千克(6500~8900千卡/公斤)。
(3)无烟煤无烟煤是所有煤种中煤化程度最高的煤,具有挥发成分低(挥发分≤10%)、密度大、燃点高、无粘结性、燃烧时无烟或少烟等特点。
主要对应下游行业为电力、建材和化工。
目前无烟煤主要分为块煤、精煤和末煤,其中,块煤的主要下游用途是固定床煤气化生产合成氨尿素等;无烟洗精煤因其热值高、含硫量低等特性被广泛用于高炉喷吹、铁矿烧结、水泥建材等领域。
注:高炉喷吹技术是将粉状煤和高炉热风一起从高炉风口喷入高炉,在风口前燃烧,产生热量和一氧化碳,作为高炉的热量和还原剂,代替部分焦炭进行高炉冶炼,从而节省焦炭、降低焦比,降低生铁成本,主要是以无烟煤作为原料洗选而得,部分烟煤也可做为喷吹煤原料。
二、煤炭分布我国煤炭储量丰富,且具有地域分布特点:西多东少,北富南贫。
我国主要产煤地区为内蒙古、山西、陕西和新疆,其中内蒙古和山西产煤占比超50%。
以2020年上半年为例,我国煤炭产量为18.05亿吨,内蒙古、山西、陕西和新疆分别占全国产量的26.2%、27.0%、17.3%、7.1%。
我国煤炭生产重心正加快向资源禀赋好、开采条件好的地区集中。
大秦铁路是我国首条煤运通道干线铁路,运输的货品以动力煤为主,主要承担晋、蒙、陕等省区的煤炭外运任务。
港口方面,环渤海地区的秦皇岛港、曹妃甸港、天津港是我国重要的煤炭港口,其中秦皇岛港是世界第一大能源输出港,是我国“北煤南运”大通道的重要枢纽港,秦皇岛煤炭价格和库存数据已成为我国煤炭市场的风向标。
煤的几个常见质量指标及说明煤是一种常用的燃料,其质量指标对于煤炭的质量评价和应用具有重要的意义。
下面将介绍煤的几个常见质量指标及其说明。
1.灰分:灰分是煤中不燃烧的无机物质的含量。
它是一种重要的煤质指标,对煤炭的燃烧性能、热工性能和化学性质都有影响。
灰分含量高,说明煤中含有较多的灰矿物质,燃烧产生的灰渣多,对环境污染大;灰分含量低,说明煤中灰矿物质含量较少,燃烧产生的灰渣少,对环境污染小。
2.挥发分:挥发分是在特定条件下,煤在加热过程中挥发出去的可燃气体和液体的含量。
挥发分含量高,燃烧过程中产生的燃烧热量高,容易燃烧;挥发分含量低,燃烧过程中产生的燃烧热量低,煤的燃烧性能较差。
3.固定碳:固定碳是在煤炭燃烧后剩余的无机物质的含量。
固定碳含量高,说明煤中有较多的有机物质,煤炭的热值高;固定碳含量低,说明煤中有较少的有机物质,煤炭的热值低。
4. 热值:煤炭的热值是指单位质量的煤在完全燃烧时所释放出的热量。
热值常用单位是千卡/克或MJ/kg。
煤的热值是评价煤的能源品质的重要指标,热值高的煤炭可以提供更多的能源。
除了以上四个常见的质量指标外,还有一些其他重要的质量指标,如硫含量、水分含量、灰融点等。
5.硫含量:煤中的硫主要以硫酸盐的形式存在。
硫含量高的煤炭在燃烧时释放出的硫化物会污染大气,产生酸雨,对环境和健康造成影响。
6.水分含量:煤炭中的水分含量会直接影响煤的燃烧性能和热值。
水分含量高的煤炭在燃烧过程中,需要用部分热量将水分蒸发,导致燃烧效率降低。
7.灰融点:灰融点是指煤灰在燃烧过程中融化的温度。
灰融点高的煤,燃烧时产生的灰渣会变得较为粘稠,容易堵塞炉排、煤灰处理设备等,影响燃烧效率。
煤的质量指标直接影响着煤的燃烧性能、热工性能,以及对环境的影响。
在使用煤炭时,需要根据不同的用途和需求选择合适的煤种,进行合理的煤炭配比,以最大限度地发挥煤炭的能源价值,保证燃烧的高效、清洁和环保。
煤质指标的分级中国煤炭分类<2008-06-19 10:04:30>中国煤炭分类:首先按煤的挥发分,将所有煤分为褐煤、烟煤和无烟煤;对于褐煤和无烟煤,再分别按其煤化程度和工业利用的特点分为2个和3个小类;烟煤部分按挥发分>10%~20%、>20%~28%、28%~37和>37%的四个阶段分为低、中、中高及高挥发分烟煤。
关于烟煤粘结性,则按粘结指数G区分:0~5为不粘结和微粘结煤;>5~20为弱粘结煤;>20~50为中等偏弱粘结煤;>50~65为中等偏强粘结煤;>65则为强粘结煤。
对于强粘结煤,又把其中胶质层最大厚度Y>25mm或奥亚膨胀度b>150%〔对于Vdaf>28%的烟煤,b>220%的煤分为特强粘结煤。
在煤类的命名上,考虑到新旧分类的延续性,仍保留气煤、肥煤、焦煤、瘦煤、贫煤、弱粘煤、不粘煤和长焰煤8个煤类。
在烟煤类中,对G>85的煤需再测定胶质层最大厚度Y值或奥亚膨胀度B值来区分肥煤、气肥煤与其它烟煤类的界限。
当Y值大于25mm时,如Vdaf>37%,则划分为气肥煤。
如Vdaf<37%,则划分为肥煤。
如Y值<25mm,则按其Vdaf值的大小而划分为相应的其它煤类。
如Vdaf>37%,则应划分为气煤类,如Vdaf>28%-37%,则应划分为1/3焦煤,如Vdaf在于28%以下,则应划分为焦煤类。
这里需要指出的是,对G值大于100的煤来说,尤其是矿井或煤层若干样品的平均G值在100以上时,则一般可不测Y值而确定为肥煤或气肥煤类。
在我国的煤类分类国标中还规定,对G值大于85的烟煤,如果不测Y值,也可用奥亚膨胀度B值〔%来确定肥煤、气煤与其它煤类的界限,即对Vdaf<28%的煤,暂定b值>150%的为肥煤;对Vdaf>28%的煤,暂定b值>220%的为肥煤〔当Vdaf值<37%时或气肥煤〔当Vdaf值>37%时。
煤炭运销有关煤炭质量指标释义在接触煤炭运销的过程中,很多人一直想了解一些煤质指标,现就常见的几个质量指标与大家一起研讨一下,不到之处,还请各位批评指正。
第一个指标:水分。
煤中水分分为内在水分、外在水分、结晶水和分解水。
煤中水分过大是,不利于加工、运输等,燃烧时会影响热稳定性和热传导,炼焦时会降低焦产率和延长焦化周期。
现在我们常报的水份指标有:1、全水份(Mt),是煤中所有内在水份和外在水份的总和,也常用Mar表示。
通常规定在8%以下。
2、空气干燥基水份(Mad),指煤炭在空气干燥状态下所含的水份。
也可以认为是内在水份,老的国家标准上有称之为“分析基水份”的。
第二个指标:灰分指煤在燃烧的后留下的残渣。
不是煤中矿物质总和,而是这些矿物质在化学和分解后的残余物。
灰分高,说明煤中可燃成份较低。
发热量就低。
同时在精煤炼焦中,灰分高低决定焦炭的灰分。
能常的灰分指标有空气干燥基灰分(Aad)、干燥基灰分(Ad)等。
也有用收到基灰分的(Aar)。
第三指标:挥发份(全称为挥发份产率)V指煤中有机物和部分矿物质加热分解后的产物,不全是煤中固有成分,还有部分是热解产物,所以称挥发份产率。
挥发份大小与煤的变质程度有关,煤炭变质量程度越高,挥发份产率就越低。
在燃烧中,用来确定锅炉的型号;在炼焦中,用来确定配煤的比例;同时更是汽化和液化的重要指标。
常使用的有空气干燥基挥发份(Vad)、干燥基挥发份(Vd)、干燥无灰基挥发份(Vdaf)和收到基挥发份(Var)。
其中Vdaf是煤炭分类的重要指标之一。
第四个指标:固定碳不同于元素分析的碳,是根据水分、灰分和挥发份计算出来的。
FC+A+V+M=100相关公式如下:FCad=100-Mad-Aad-VadFCd=100-Ad-VdFCdaf=100-Vdaf第五个指标:全硫St是煤中的有害元素,包括有机硫、无机硫。
1%以下才可用于燃料。
部分地区要求在0.6和0.8以下,现在常说的环保煤、绿色能源均指硫份较低的煤。
陕西神木煤发热量≥7000挥发分≤10%灰分≤15硫≤0. 5%水分≤5%内水≤1%固定碳≥75%焦渣特征一级一级粉煤灰:一级粉煤灰指标细度≤%需水比≤%烧失量≤%含水量≤%三氧化硫≤%游离氧化钙F类粉煤灰≤%C类粉煤灰≤%安定性(雷氏夹沸煮后增加距离)≤二级粉煤灰二级粉煤灰指标细度≤%需水比≤%烧失量≤%含水量≤%三氧化硫≤%游离氧化钙F类粉煤灰≤%C类粉煤灰≤%安定性(雷氏夹沸煮后增加距离)≤优质还原煤粉优质还原煤粉产品参数高位发热量≥7000挥发分≤10灰分≤12固定碳≥78硫≤水分≤铜冶炼还原煤粉还原煤粉产品参数高位发热量≥7000挥发分≤10灰分≤15固定碳≤75硫≤水分≤5无烟煤:山西晋城水洗无烟煤发热量≥6800全水分≤9挥发份≤8灰分≤9硫≤手工炉专用内蒙炜煤,无烟环保发热量低位≥4800发热量高位≥5600挥发份≥30%灰分≤10%水份≤22%硫≤%取暖,民用内蒙二精煤发热量低位≥5400大卡发热量高位≥6100大卡硫≤%挥发份≥32%水份≤21%灰分≤10%山西大同煤:大同煤产品参数高位发热量≥5500挥发分≥26灰分≤25固定碳≥48硫≤1水分≤10碳金挥发分≤2灰分≤2固定碳≥95硫≤全水≤高气化煤:全水≤9%内水≤1%灰分≤8%挥发份≥31%硫≤%固定碳≥60%发热量≥6500焦渣特征一级水洗煤(阳城)水洗煤全水≤8%内水≤1%灰分≤10%挥发份≥7%硫≤0..35%固定碳≥80%发热量≥6500焦渣特征一级75矿粉密度:比表面就:300活性指数:7天55 28天75流动性大于1%95含水量:三氧化硫:氧离子:烧失量:玻璃体含量:25放射性:合格陕西彬县煤:全水≤9%内水≤1%灰分≤12%挥发份≥26%硫≤1%固定碳≥60%发热量≥6000焦渣特征二级榆林高汽化煤:全水≤10%内水≤1%灰分≤8%挥发份≥32%固定碳≥58%发热量≥6500焦渣特征一级内蒙环保煤全水≤20%内水≤10%灰分≤8%挥发份≥31%硫≤%固定碳≥50%发热量≥5500焦渣特征一级烟化炉专用煤全水≤%内水≤1%灰分≤25%挥发份<16%硫≤4%固定碳≥58%发热量≥5800细煤:全水≤%内水≤1%灰分≤25%挥发份<16%固定碳≥58%发热量≥5800山西晋城水洗小渣全水≤8%内水≤1%灰分≤10%挥发份≤7%硫≤%固定碳≥80%发热量≥6400焦渣特征一级宁夏超低硫低灰无烟煤全水≤6%内水≤1%灰分≤6%挥发份≤6%硫≤%固定碳≥85%发热量≥7000焦渣特征一级。
一、灰分产率级别:1、动力用煤灰分分级2、冶炼用炼焦精煤灰分分级二、全硫含量级别:1、无烟煤和烟煤硫分分级2、炼焦用炼焦精煤硫分硫分分级及炼焦原料用煤三、发热量级别四、磷含量级别五、砷含量级别(煤中砷含量分级MT/T803—1999)六、氟含量级别(煤中氟含量分级MT/T966—2005)七、煤灰熔融性级别1、煤灰熔融性软化温度(ST)分级(MT/T 853.1)2、煤灰熔融性流动温度(FT)分级(MT/T 853。
2)八、煤的焦油产率级别九、煤的抗碎强度级别十、褐煤及风化煤腐植酸含量级别十一、理论精煤回收率级别十二、可选性等级划分标准十三、煤炭粒度分级(GB189—63)十四、煤的哈氏可磨性指数分级(GB MT/T825—2000)十五、煤层瓦斯成分分带十六、挥发份分级表(GB MT/T849-2000)十七、烟煤粘结指数分级(GB MT/T 596—1996)十八、煤全水分分级(GB MT/T850-2000)煤质化验指标一、水分。
煤中水分分为内在水分、外在水分、结晶水和分解水。
煤中水分过大是,不利于加工、运输等,燃烧时会影响热稳定性和热传导,炼焦时会降低焦产率和延长焦化周期。
现在我们常报的水份指标有:1、全水份(Mt),是煤中所有内在水份和外在水份的总和,也常用Mar表示。
通常规定在8%以下。
2、空气干燥基水份(Mad),指煤炭在空气干燥状态下所含的水份。
也可以认为是内在水份,老的国家标准上有称之为“分析基水份”的。
二、灰分指煤在燃烧的后留下的残渣。
不是煤中矿物质总和,而是这些矿物质在化学和分解后的残余物.灰分高,说明煤中可燃成份较低。
发热量就低。
同时在精煤炼焦中,灰分高低决定焦炭的灰分.能常的灰分指标有空气干燥基灰分(Aad)、干燥基灰分(Ad)等。
也有用收到基灰分的(Aar).三、挥发份(全称为挥发份产率)V指煤中有机物和部分矿物质加热分解后的产物,不全是煤中固有成分,还有部分是热解产物,所以称挥发份产率。
煤质指标的分级中国煤炭分类 (2008-06-19 10:04:30)中国煤炭分类:首先按煤的挥发分,将所有煤分为褐煤、烟煤和无烟煤;对于褐煤和无烟煤,再分别按其煤化程度和工业利用的特点分为2个和3个小类;烟煤部分按挥发分>10%~20%、>20%~28%、28%~37和>37%的四个阶段分为低、中、中高及高挥发分烟煤。
关于烟煤粘结性,则按粘结指数G区分:0~5为不粘结和微粘结煤;>5~20为弱粘结煤;>20~50为中等偏弱粘结煤;>50~65为中等偏强粘结煤;>65则为强粘结煤。
对于强粘结煤,又把其中胶质层最大厚度Y>25mm或奥亚膨胀度b>150%(对于Vdaf>28%的烟煤,b>220%)的煤分为特强粘结煤。
在煤类的命名上,考虑到新旧分类的延续性,仍保留气煤、肥煤、焦煤、瘦煤、贫煤、弱粘煤、不粘煤和长焰煤8个煤类。
在烟煤类中,对G>85的煤需再测定胶质层最大厚度Y值或奥亚膨胀度B值来区分肥煤、气肥煤与其它烟煤类的界限。
当Y值大于25mm时,如Vdaf>37%,则划分为气肥煤。
如Vdaf<37%,则划分为肥煤。
如Y值<25mm,则按其Vdaf值的大小而划分为相应的其它煤类。
如Vdaf>37%,则应划分为气煤类,如Vdaf>28%-37%,则应划分为1/3焦煤,如Vdaf在于28%以下,则应划分为焦煤类。
这里需要指出的是,对G值大于100的煤来说,尤其是矿井或煤层若干样品的平均G 值在100以上时,则一般可不测Y值而确定为肥煤或气肥煤类。
在我国的煤类分类国标中还规定,对G值大于85的烟煤,如果不测Y值,也可用奥亚膨胀度B值(%)来确定肥煤、气煤与其它煤类的界限,即对Vdaf<28%的煤,暂定b值>150%的为肥煤;对Vdaf>28%的煤,暂定b值>220%的为肥煤(当Vdaf值<37%时)或气肥煤(当Vdaf值>37%时)。
煤炭运销常用煤质指标、含义与表示(一)水分水分符号:M,单位:%,是一项重要的煤质指标,煤的水分对其加工利用、贸易、运输和储存都有很大的影响。
一般说来,水分高要影响煤的质量。
在煤的利用中首先遇到的是煤的破碎问题,水分高的煤就难以破碎;在锅炉燃烧中,水分高就影响燃烧稳定性和热传导;在炼焦时,水分高会降低焦产率;而且由于水分大量蒸发带走热量而延长焦化周期;在煤炭贸易中,水分也是一个定质和定量的主要指标,故在签订销煤合同时,用户一般都会提出煤中水分的限值。
煤的水分简单地说分为:全水分、内在水分、外在水分、结晶水和分解水,在实际测定中只能测煤的全水分、内在水分、外在水分和最高内在水分,而不测定结晶水和分解水。
日常所说的煤的水分是指,在环境温度和湿度下,煤与大气达到接近平衡时所失的那部分水(外在水)和留下来的内在水分,它们的测值随测定环境的温度和湿度改变而发生变化,这也是为什么矿发煤与用户的水分往往有较大差异的原因。
煤炭运销中常用的水分指标有:全水(符号:Mt),全水分包括外在水分和内在水分;一般分析煤样水分(也称空干基水分,符号:Mad),它是指分析用煤样(<0.2mm)在实验室大气中达到平衡后所保留的水分,也可以认为是内在水分。
有时用户也会要求使用收到基水分(符号:Mar),一般可认为Mar=Mt。
(二)灰分煤中灰分符号:A,单位:%,是另一项在煤质特性和利用中起重要作用的指标,它与含碳量、发热量、结渣性、可磨性等有不同程度的依赖关系。
在煤燃烧和气化中,根据煤的灰分以及灰熔融性、灰粘度、导电性、化学组成等特性来预测燃烧和气化中可能出现的腐蚀、沾污、结渣等问题并据此进行炉型选择;在炼焦中,要用煤的灰分大小来预测焦炭中灰分的高低。
煤的灰分高,有效碳的含量就低,发热量一般也低,在商业上要根据煤的灰分来定级论价(现炼焦煤以灰分论价,动力煤已改为以热值为主论价)。
煤的灰分在煤炭分析中的定义为:煤完全燃烧后留下的残渣,它不是煤中固有的矿物质,而是在高温下经各种化学反应而生成的固体残留物。
煤质指标分级详细标准一、灰分产率级别:1、动力用煤灰分分级2、冶炼用炼焦精煤灰分分级二、全硫含量级别:1、无烟煤和烟煤硫分分级2、炼焦用炼焦精煤硫分硫分分级及炼焦原料用煤三、发热量级别四、磷含量级别五、砷含量级别(煤中砷含量分级MT/T803-1999)六、氟含量级别(煤中氟含量分级MT/T966-2005)七、煤灰熔融性级别1、煤灰熔融性软化温度(ST)分级(MT/T 853.1)2、煤灰熔融性流动温度(FT)分级(MT/T 853.2)八、煤的焦油产率级别九、煤的抗碎强度级别十、褐煤及风化煤腐植酸含量级别十一、理论精煤回收率级别十二、可选性等级划分标准十三、煤炭粒度分级(GB189—63)十四、煤的哈氏可磨性指数分级(GB MT/T825—2000)十五、煤层瓦斯成分分带十六、挥发份分级表(GB MT/T849—2000)十七、烟煤粘结指数分级(GB MT/T 596—1996)十八、煤全水分分级(GB MT/T850—2000)水分LM >6.0~8.0 2 低全水分MLM >8.0~12.0 3 中等全水分4 中高全MHM >12.0~20.0 水分5 高全水HM >20.0~40.0 分煤质化验指标一、水分。
煤中水分分为内在水分、外在水分、结晶水和分解水。
煤中水分过大是,不利于加工、运输等,燃烧时会影响热稳定性和热传导,炼焦时会降低焦产率和延长焦化周期。
现在我们常报的水份指标有:1、全水份(Mt),是煤中所有内在水份和外在水份的总和,也常用Mar表示。
通常规定在8%以下。
2、空气干燥基水份(Mad),指煤炭在空气干燥状态下所含的水份。
也可以认为是内在水份,老的国家标准上有称之为“分析基水份”的。
二、灰分指煤在燃烧的后留下的残渣。
不是煤中矿物质总和,而是这些矿物质在化学和分解后的残余物。
灰分高,说明煤中可燃成份较低。
发热量就低。
同时在精煤炼焦中,灰分高低决定焦炭的灰分。
能常的灰分指标有空气干燥基灰分(Aad)、干燥基灰分(Ad)等。
一、灰分产率级别:1、动力用煤灰分分级2、冶炼用炼焦精煤灰分分级二、全硫含量级别:1、无烟煤和烟煤硫分分级2、炼焦用炼焦精煤硫分硫分分级及炼焦原料用煤三、发热量级别四、磷含量级别五、砷含量级别(煤中砷含量分级MT/T803—1999)六、氟含量级别(煤中氟含量分级MT/T966—2005)七、煤灰熔融性级别1、煤灰熔融性软化温度(ST)分级(MT/T 853.1)2、煤灰熔融性流动温度(FT)分级(MT/T 853。
2)八、煤的焦油产率级别九、煤的抗碎强度级别十、褐煤及风化煤腐植酸含量级别十一、理论精煤回收率级别十二、可选性等级划分标准十三、煤炭粒度分级(GB189—63)十四、煤的哈氏可磨性指数分级(GB MT/T825—2000)十五、煤层瓦斯成分分带十六、挥发份分级表(GB MT/T849-2000)十七、烟煤粘结指数分级(GB MT/T 596—1996)十八、煤全水分分级(GB MT/T850-2000)煤质化验指标一、水分。
煤中水分分为内在水分、外在水分、结晶水和分解水。
煤中水分过大是,不利于加工、运输等,燃烧时会影响热稳定性和热传导,炼焦时会降低焦产率和延长焦化周期。
现在我们常报的水份指标有:1、全水份(Mt),是煤中所有内在水份和外在水份的总和,也常用Mar表示。
通常规定在8%以下。
2、空气干燥基水份(Mad),指煤炭在空气干燥状态下所含的水份。
也可以认为是内在水份,老的国家标准上有称之为“分析基水份”的。
二、灰分指煤在燃烧的后留下的残渣。
不是煤中矿物质总和,而是这些矿物质在化学和分解后的残余物.灰分高,说明煤中可燃成份较低。
发热量就低。
同时在精煤炼焦中,灰分高低决定焦炭的灰分.能常的灰分指标有空气干燥基灰分(Aad)、干燥基灰分(Ad)等。
也有用收到基灰分的(Aar).三、挥发份(全称为挥发份产率)V指煤中有机物和部分矿物质加热分解后的产物,不全是煤中固有成分,还有部分是热解产物,所以称挥发份产率。
煤炭质量指标煤炭质量,是指煤炭产品在自身的形成和开采、加工过程中所具有的、能够满足不同用户需求的特征或特性的总和。
根据煤炭产品质量特性和用途,可用一定的质量指标(或标准)来表示。
如按煤的工业分析,可用煤的固定碳、挥发分、灰分和水分等指标来表示;按煤的元素分析,可用煤中碳(C)、氢(H)、氧(n)、氮(N)、硫(S)、磷(P)及微量元素含量的多少来表示;按煤的工艺性质,煤炭质量又可用煤的发热量(0)、煤的粘结性(R·I)和结焦性(y)、煤的热稳定性(TS)、煤灰的熔融性(DT、ST或FT)、煤的反应性、煤的燃点(T)以及煤的可选性等指标来表示。
一、水分1、外在水分(Wwz):外在水分是指在煤开采、运输和洗选过程中润湿在煤的外表以及大毛细孔(直径>10-5厘米)中的水。
它以机械方式与煤相连结着,较易蒸发,其蒸汽压与纯水的蒸汽相等。
在空气中放置时,外在不分不断蒸发,直至煤中水分的蒸汽压与空气的相对湿度达到平衡时为止,此时失去的水分就是外在水分。
含有外在水分的煤称为应用煤,失去外在水分的煤称为风干煤。
外在水分的多少与煤粒度等有关,而与煤质无直接关系。
2、内在水分(Wnz):吸附或凝聚在煤粒内部毛细孔(直径〈10-5厘米〉中的水,称为内在水分。
内在水分指将风干煤加热到105~110时所失去的水分,它主要以物理化学方式(吸附等)与煤相连结着,较难蒸发,故其蒸汽压小于纯水的蒸汽压。
失去内在水分的煤称为绝对干燥或干煤。
二、灰分1、灰分的来源和种类:煤灰几呼全部来源于煤中的矿物质,但煤在燃烧时,矿物质大部分被氧化,分解,并失去结晶水,因此,煤灰的组成和含量与煤中矿物质的组成和含量差别很大。
我们一般说的煤的灰分实际上就是煤灰产率,煤中矿物质和灰分的来源,一般可分三种。
(1)原生矿物质:它是原来存在于成煤植物中的矿物质,物质紧密地结合在一起,极难用机械的方法将其分开。
它燃烧后形成母体灰分,这部分数量很小。
(2)次生矿物质:当死亡植质堆积和菌解时,由风和水带来的细粘土,砂粒或由水中钙、镁、铁等离子生成的腐植酸盐及FeS2等混入而成,在煤中成包裹体存在。
煤质量指标煤炭质量的基本指标,总共有12个。
煤的水分分为两种,一是内在水分(Minh ),是由植物变成煤时所含的水分;二是外水(Mf ),是在开采、运输等过程中附在煤表面和裂隙中的水分.全水分是煤的外在水分和内在水分总和。
一般来讲,煤的变质程度越大,内在水分越低。
褐煤、长焰煤内在水分普遍较高,贫煤、无烟煤内在水分较低一、水分(M )水分的存在对煤的利用极其不利,它不仅浪费了大量的运输资源,而且当煤作为燃料时,煤中水分会成为蒸汽,在蒸发时消耗热量;另外,精煤的水分对炼焦也产生一定的影响。
一般水分每增加2 % ,发热量降低100kcal/kg(大卡/千克);冶炼精煤中水分每增加1 % ,结焦时间延长5 一10min .二、灰分(A )煤在彻底燃烧后所剩下的残渣称为灰分,灰分分外在灰分和内在灰分。
外在灰分是来自顶板和夹研中的岩石碎块,它与采煤方法的合理与否有很大关系。
外在灰分通过分选大部分能去掉。
内在灰分是成煤的原始植物本身所含的无机物,内在灰分越高,煤的可选性越差。
灰是有害物质.动力煤中灰分增加,发热量降低、排渣量增加,煤容易结渣;一般灰分每增加2% ,发热量降低100kcal / kg 左右。
冶炼精煤中灰分增加,高炉利用系数降低,焦炭强度下降,石灰石用量增加;灰分每增加1 % ,焦炭强度下降2 % ,高炉生产能就下降3 % ,石灰石用量增加4 % .三、挥发分(V )煤在高温和隔绝空气的条件下加热时,所排出的气体和液体状态的产物称为挥发分。
挥发分的主要成分为甲烷、氢及其他碳氢化合物等。
它是鉴别煤炭类别和质量的重要指标之一。
一般来讲,随着煤炭变质程度的增加,煤炭挥发分降低。
褐煤、气煤挥发分较高,瘦煤、无烟煤挥发分较低。
四、固定碳含量(FC )固定碳含量是指除去水分、灰分和挥发分的残留物,它是确定煤炭用途的重要指标。
从100减去煤的水分、灰分和挥发分后的差值即煤的固定碳含量。
根据使用的计算挥发分的基准,可以计算出干基、干燥无灰基等不同基准的固定碳含量。
忻州煤销——产品、煤质--各煤类的煤质指标见表
1.产品
忻州公司煤炭产品主要以原煤和洗选精煤为主。
7个煤矿中,有5个煤矿设计了配套选煤厂。
2.煤质
主要煤种有:弱粘煤(RN)、长焰煤(CY)、气煤(QM)和1/3焦煤。
明业煤矿的侏罗纪2#、3#煤发热量高,粘法指数高,有较高的市场价值。
各煤类的煤质指标见表
序号矿
井
名
称
煤
层
编
号
煤类
灰份
(%)
挥发
份(%)
全硫
(%)
粘结
指数
G
﹍﹍
发热量
106焦
耳
储量
(万
吨)
备注
1泰
山
隆
安
8#
CY+RN
+QM
28.
91
38.480.6819.021.693608 11#上RN+QM
20.
11
36.851.78
28.
06
26.093531 11#下RN
22.
44
36.471.3717.030.464215 13#下
CY+RN
+QM
28.
39
37.352.8228.022.7612563
2泰
安
8#QM
20.
55
38.050.646126.002108
胶质层厚度Y
值平均为10m
m 11#
QM+RN
+1/2Z
N
17.
54
36.512.05226.251257
12#
QM+RN
+1/2Z
N
23.
86
36.311.815425.352495
13#
QM+RN
+1/2Z
N
23.
73
35.292.223824.624682
3猫
儿
沟
8#CY
24.
87
40.260.56822.143563
10#煤层储量
为300万吨9#CY
30.
24
38.520.82720.90641
11#CY
12.
40
37.971.41826.71710
12#CY
17.
86
41.171.141323.1614310
13#CY
22.
38
39.741.061723.428970
4三
百
子
2#
1/2ZN
+QM
29.
15
37.551.50
52.
90
23.041641
胶质层厚度Y
值最大为
13.15mm
5#1/2ZN22.36.562.1255.25.4115561
+QM9507
5明
业
2#CY+QM
14.
86
38.621.031628.762232 3#CY
11.
67
38.770.721230.111268
6天
和
9#QM+5
23.
33
37.931.4773.526.05607
大多为1/3焦
煤10#QM+5
21.
04
37.851.37
77.
63
26.85454
12#QM+5
24.
90
39.181.458025.38409
7恒
腾
2#
1/3JM
+QM
19.
20
36.900.956624.912996 5#
QM+1/
3JM
22.
96
35.923.006725.1410584。