汽车电子技术实验指导书..
- 格式:doc
- 大小:895.00 KB
- 文档页数:13
汽车电气与电子技术综合实训报告1. 实训背景汽车电气与电子技术是现代汽车技术的重要组成部分,在汽车行业发展中起到了重要的推动作用。
为了培养学生的实际动手能力和综合应用能力,我们学院组织了汽车电气与电子技术综合实训。
2. 实训目的通过本次综合实训,旨在使学生掌握汽车电气与电子技术的基本原理、常用设备和维修方法,培养学生的动手能力和解决实际问题的能力。
3. 实训内容本次综合实训主要包括以下内容:3.1. 汽车电路原理学习汽车电路的基本原理,包括电路图的解读、电路的连接方式、电压和电流的计算等。
3.2. 多媒体系统安装与调试学习汽车多媒体系统的安装与调试,包括音频设备、视频设备、导航系统等的安装和调试。
3.3. 车载电子设备维修学习常见的车载电子设备的维修方法,包括发动机控制单元(ECU)、车载娱乐系统等设备的故障排除和维修。
3.4. 电动车辆维护与维修学习电动车辆的基本原理、构造和维修方法,包括电动车辆的充电系统、控制系统等的维护和维修。
4. 实训过程本次实训分为理论学习和实践操作两个阶段。
4.1. 理论学习在理论学习阶段,学生通过听课、讨论和自主学习等方式,掌握了汽车电气与电子技术的基本理论知识。
学生学习了汽车电路的原理和组成、多媒体系统的安装与调试方法、车载电子设备的维修技术以及电动车辆的维护与维修知识。
4.2. 实践操作在实践操作阶段,学生进行了一系列的实践操作,包括电路连线搭建、多媒体系统的安装与调试、车载电子设备的维修和电动车辆的维护与维修等。
学生在指导老师的带领下,独立完成了一系列的实际操作任务,提升了动手能力和解决实际问题的能力。
5. 实训效果通过本次综合实训,学生掌握了汽车电气与电子技术的基本原理和常用设备的维修方法。
学生通过实际操作,熟悉了汽车电路的搭建和调试、多媒体系统的安装和调试、车载电子设备的维修以及电动车辆的维护与维修。
实训过程中,学生的动手能力和解决实际问题的能力得到了有效的提高。
《汽车电子控制技术》实训指导书黄桂华编广东技术师范学院实训纪律要求1、明确实训目的、端正态度、严格遵守校纪校规。
2、努力完成各项实训任务。
3、服从带队教师和实验室管理人员安排。
4、严格遵守实训时间。
5、不迟到、不早退、不打架斗殴。
6、实训期间不穿拖鞋。
7、做好自我身体安全保护,女生长发要扎起。
8、不做危险有害他人身体健康的事情。
9、学生在实训场地内未经许可不准随意搬动机件和乱按电器开关,损坏自赔,严格遵守有关的规章制度。
目录实训课题一:发动机电子控制系统总体结构认识实训课题二:电子燃油系统的检测实训课题三:空气流量计的检测实训课题四:节气门位置传感器的检测实训课题五:曲轴位置(发动机转速)传感器的检测实训课题六:喷油器的检测实训课题七:氧传感器的检测实训课题八:安全气囊系统实验实训课题九:进气压力传感器的检测实训课题十:爆震传感器的检测实训课题十一:温度传感器的检测实训课题一:发动机电子控制系统总体结构认识一、实训目的1、了解发动机电子控制系统总体结构2、识别发动机电子控制系统的主要传感器、执行器二、实训工具及设备1、常用工具1套2、桑塔纳AJR电喷发动机故障实验台一台三、实训内容和步骤1、发动机电子控制系统原理及总体结构认识发动机电子控制系统是由传感器、电控单元和执行器三部分组成。
其主要功能是控制燃油喷射式发动机的空燃比和点火时刻,还有控制发动机启动、怠速转速、极限转速、排气再循环、闭缸工作、二次空气喷射、进气增压、爆震、发电机输出电压、电动燃油泵系统和自诊断等辅助功能。
1)、传感器是一种信号检测与转换装置传感器安装在发动机的各个部位,如空气流量计安装在发动机空气滤清器后,氧传感器安装在排气管上等。
功能是:检测发动机运行状态的各种参数,并将这些参量转换成计算机能够识别的电量信号输入电控单元。
2).电子控制单元的功能是:根据各种传感器和控制开关输入的信号参数,对喷油量、喷油时刻和点火时刻等进行实时控制。
汽车电子诊断实训教案汇总1. 简介本文档旨在汇总和总结汽车电子诊断实训教案,以帮助学生更好地理解和应用相关知识。
2. 实训目标通过这一系列的实训教案,学生应该能够达到以下目标:- 了解汽车电子诊断的基本原理和方法;- 掌握使用汽车电子诊断工具的技巧;- 能够分析和解决常见的汽车电子故障;- 培养良好的实践操作和解决问题的能力。
3. 教案内容3.1 基础知识讲解本部分主要介绍汽车电子诊断的基础知识,包括以下内容:- 汽车电子诊断的定义和作用;- 汽车电子控制单元(ECU)的功能和分类;- 传感器和执行器的工作原理;- 电路和信号的基本概念。
3.2 诊断工具的使用本部分重点介绍汽车电子诊断工具的使用方法和技巧,包括以下内容:- 常见的汽车电子诊断工具介绍和比较;- 诊断工具的装置和连接方法;- 诊断工具的基本操作和设置;- 数据捕获和分析技巧。
3.3 故障分析与解决本部分主要讲解常见的汽车电子故障及其分析与解决方法,包括以下内容:- 发动机故障诊断与排除;- 制动系统故障诊断与排除;- 点火系统故障诊断与排除;- 燃油系统故障诊断与排除;- 故障码的读取和解读。
4. 教学方法教学方法以实践为主,结合理论和实际操作进行教学。
学生将通过实际操作诊断和解决汽车电子故障,培养解决问题的能力和操作技巧。
5. 评估方式学生的评估方式主要基于实训成绩和实际操作能力的表现。
评估方式包括以下内容:- 实训成绩评定;- 实际操作能力测试;- 课堂参与度和讨论。
6. 总结通过本系列的汽车电子诊断实训教案,学生将能够全面了解汽车电子诊断的基本知识和技能,并能够独立分析和解决常见的汽车电子故障。
这将有助于他们在实际工作中应对各种汽车电子故障,并提高工作效率和准确性。
注:此文档为示例文档,具体教案内容和格式可根据实际情况进行调整和修改。
第1篇一、实验目的本次实验旨在通过实际操作和理论学习,加深对汽车智能技术的理解和掌握,重点探索汽车智能电子产品的设计、开发、调试及测试过程,提升对智能驾驶、智能座舱等领域的认知。
二、实验内容1. 实验背景随着科技的飞速发展,汽车行业正经历着前所未有的变革。
电动化、智能化、网联化成为汽车产业发展的三大趋势。
汽车智能技术作为支撑这一变革的核心,日益受到重视。
2. 实验环境实验室配备了先进的汽车智能技术设备和软件,包括汽车微控制器、车载网络与总线系统、车载终端应用程序、汽车传统传感器及智能传感器等。
3. 实验步骤(1)智能驾驶系统开发- 设计智能驾驶系统的硬件架构,包括微控制器、传感器、执行器等。
- 编写智能驾驶算法,实现车道保持、自适应巡航、自动泊车等功能。
- 对智能驾驶系统进行仿真测试,验证其性能。
(2)智能座舱系统开发- 设计智能座舱的硬件架构,包括显示屏、触摸屏、语音识别等。
- 开发智能座舱软件,实现语音控制、信息娱乐、导航等功能。
- 对智能座舱系统进行用户体验测试,优化交互逻辑。
(3)车载网络与总线系统测试- 对CAN、FlexRay、MOST、LIN控制器局域网及以太网Ethernet车载网络进行测试。
- 分析测试数据,诊断网络故障。
(4)车载AI应用运维- 使用Python程序实现机器学习数据预处理、算法设计、程序实现、车载AI应用运维。
- 对车载AI应用进行测试和优化。
4. 实验结果与分析(1)智能驾驶系统- 通过仿真测试,验证了智能驾驶系统的性能,实现了车道保持、自适应巡航、自动泊车等功能。
(2)智能座舱系统- 用户测试结果显示,智能座舱系统操作便捷,用户体验良好。
(3)车载网络与总线系统- 测试结果表明,车载网络与总线系统运行稳定,故障率低。
(4)车载AI应用- 通过优化算法和模型,车载AI应用在准确性和效率方面得到了显著提升。
三、实验总结1. 实验收获通过本次实验,我们深入了解了汽车智能技术的相关知识,掌握了智能驾驶、智能座舱等领域的开发流程,提高了实际操作能力。
《电子技术基础》实验指导书勘查专业适用信息学院实验中心2014年9月目录第一部分《模拟电子技术》实验................................................................ - 1 -实验一电子仪器使用及常用元件的识别与测试 ..................................... - 3 -实验二晶体管共射极放大电路.................................................................. - 6 -实验三多级放大电路中的负反馈(仿真) ........................................... - 10 -实验四由集成运算放大器组成的文氏电桥振荡器(仿真) ............... - 12 -实验五集成运算放大器.................................................... 错误!未定义书签。
第二部分《数字电子技术》实验.............................................................. - 17 -实验一组合逻辑电路................................................................................ - 17 -实验二触发器............................................................................................ - 19 -实验三计数器设计.................................................................................... - 22 -实验四计数、译码和显示电路设计(仿真) ......................................... - 23 -第一部分《模拟电子技术》实验实验一电子仪器使用及常用元件的识别与测试一、实验目的1.掌握常用电子仪器的基本功能并学习其正确使用方法;2.学习掌握用双踪示波器观察和测量波形的幅值、频率及相位的方法;3.掌握常用元器件的识别与简单测试方法。
汽车发动机电控实验指南
1. 实验目的
本实验指南旨在帮助学生了解汽车发动机电控系统的基本原理和操作方法,通过实验让学生掌握相关技能。
2. 实验器材
- 汽车发动机电控系统实验装置
- 计算机
- 数据采集仪器
3. 实验步骤
1. 打开实验装置电源,确保各部件工作正常。
2. 将计算机与实验装置连接,打开相应的控制软件。
3. 通过控制软件选择合适的参数设置。
4. 启动发动机,并进行相关的操作,例如调节油门、改变转速等。
5. 使用数据采集仪器记录和分析发动机的相关数据。
6. 分析实验结果,总结实验中所观察到的现象和规律。
4. 注意事项
- 在进行实验前,确保实验装置和计算机的连接正常,仔细检查各部件的工作状态。
- 在操作实验装置时,遵循相关安全操作规程,保证个人和设备的安全。
- 在记录数据和进行分析时,要准确、细致地记录各项参数,并进行合理的数据处理。
- 如果遇到问题或疑惑,及时向指导老师寻求帮助。
5. 实验预期结果
通过本实验,预期学生能够深入理解汽车发动机电控系统的工作原理,掌握操作实验装置和采集数据的技能,进一步提高实践能力和科学素养。
6. 实验小结
本实验指南详细介绍了汽车发动机电控实验的目的、器材、步骤、注意事项和预期结果。
希望学生能够充分利用实验指南,认真进行实验,从中获得有效的学习和实践经验。
《汽车电子电工技术基础》实训指导书编写说明《汽车电子电工技术基础》实训指导书,适用于龙门县职业技术学校3年制中专“汽车运用与维修”专业的实训教学,也可作为《汽车发动机构造与维修》课程的实训教学参考书。
由于理论课采用教材的不同,在具体的实训教学中,任课教师和实训指导教师可根据课程的实际情况对本指导书所列的实训内容进行变更、增删。
实训一普通万用表的使用一、实验目的:1、了解万用表的结构和原理;2、学习万用表的基本使用方法,测量电压和电阻;二、实验器材MF-30型万用表、电阻箱、(电池+电阻+二极管)盒、直流稳压电源、导线三、实验原理:万用表是集电压表、电流表和欧姆表于一体的仪器。
它主要由表头、测量线路和转换开关三部分组成。
表头通常采用磁电系测量机构,它的满刻度偏转电流一般为几个微安到几百个微安,所以灵敏度较高。
由于各种测量公用一个表头,因而在表盘上有相应的多条标度尺,通过指针可以读出测量的数值。
万用表的测量线路由多量程的直流电压、电流表、多量程的交流电压表和欧姆表等多种线路组合而成。
它的作用是把各种被测量分别转换成适合表头测量的直流电流。
万用表的转换开关是根据不同的测量对象选择适当的档位,切换到相应的测量线路上去。
在转换开关的面板上,标有测量种类和刻度,表明各被测量的档位及其量限。
四、万用表的使用方法和注意事项。
1、表笔的正确使用万用表的红色表笔插入“+”号插孔内,黑色表笔插入“—”号插孔内。
测量时两手不要接触表笔的金属部分,以确保人身安全和测量的准确。
2、正确选择功能档位和量程。
如果测量前不知道被测量的大致范围,可先用最大量程试测,再逐渐减小量程,直到合适的档位。
3、正确读数。
4、欧姆档的正确使用。
首先,要选择合适倍率的档位,使指针在中值电阻值附近,此时测量较准确。
其次,测量电阻之前,应将两支表笔短路,进行调零。
第三,要特别注意,一定不能测量带电的电阻。
第四,欧姆表内附干电池的负极与表面上“+”端(红表笔)相连,而电池正极和“—”端(黑表笔)相连。
XX学院实验指导书课程编号:课程名称:《汽车线控技术》实验学时: 2 适用专业:车辆工程专业制定人:制(修)订时间: 2019年7月专业负责人审核:专业建设工作组审核:2019年 7月实验纪律要求1.明确实习目的、端正态度、严格遵守校纪校规。
2.努力完成各项实习任务。
3.服从指导老师和实验室管理人员安排。
4.不迟到、不早退。
5.实习期间不穿拖鞋,做好自我身体安全保护,女生长发要扎起。
6.不做危险有害他人身体健康的事情。
7. 学生在实习场地内未经许可不准随意搬动机件和乱按电器开关,损坏自赔,严格遵守有关的规章制度。
第一部分实验大纲一、教学目的与基本要求《汽车线控技术》是车辆工程本科专业一门主要的专业选修课。
因其较强的理论性、应用性及实践性,故应充分重视实验教学。
要求学生在实验中发现问题,解决问题,加深对理论知识的理解和应用。
目的使学生了解典型的线控系统,了解其结构组成,掌握其控制原理。
二、实验内容和学时分配三、实验成绩评定、考核办法1.实验报告(1)每个学生按照实验课内容自己总结实验的结果及实验中遇到问题的处理办法;(2)按照规定的时间,上交实验报告。
2.考核方式(1)实验课成绩按照提交的实验报告内容给出,不再进行单独的考核评定。
(2)实验课成绩按照一定的百分比折合到学生的平时成绩中。
四、参考资料(参考书、网络资源等)1.使用教材及实验指导书《汽车线控技术》于蕾艳主编,青岛:中国石油大学出版社.实验指导书:自编。
2. 主要参考书《汽车电器与电子技术》(第2版)孙仁云 ,付百学主编,北京:机械工业出版社,2011.7《汽车电子控制技术》(第3版)凌永成主编,北京:北京大学出版社,2017.1《汽车电子控制技术》姚方方主编,北京:北京理工大学出版社,2019.7第二部分单元实验实验(项目)一典型线控系统的认知实验一、实验目的①了解汽车线控节气门系统的组成。
②掌握汽车线控节气门系统的控制原理。
二、实验要求①认知汽车上的线控节气门系统。
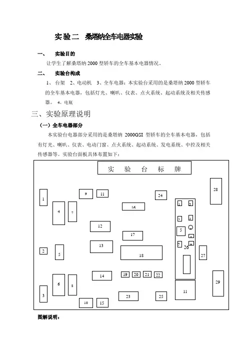
实验二桑塔纳全车电器实验一、实验目的让学生了解桑塔纳2000型轿车的全车基本电器情况。
二、实验台构成1、台架2、电动机3、全车电器:本实验台采用的是桑塔纳2000型轿车的全车基本电器,包括灯光、喇叭、仪表、点火系统、起动系统及相关传感器。
4、电瓶三、实验原理说明(一)全车电器部分本实验台电器部分采用的是桑塔纳2000GSI型轿车的全车基本电器,包括有灯光、喇叭、仪表、电动门窗、点火系统、起动系统、发电系统、中控及相关传感器等。
实验台面板具体布置如下:图解说明:1、前雾灯2、喇叭3、前雾灯4、右前组合大灯5、雨刷电机6、左前组合大灯7、冷却风扇8、冷却风扇9、后视镜10、后视镜11、右前中控门锁12、起动机13、发电机14、温控开关15、左前中控门锁16、火花塞17、点火器18、喷油器19、喷水电机20、冷却液位传感器21、机油压力传感器22、冷却液温度传感器23、玻璃升降器24、右后中控门锁25、左后中控门锁26、控制盒27、组合开关28、右后尾灯29、左后尾灯各部件详细说明:1、前雾灯:分左右两只,小灯亮起时,雾灯才可工作。
2、喇叭:分高、低音两只,其控制按钮在方向盘上。
3、前雾灯:分左右两只,小灯亮起时,雾灯才可工作。
4、右前组合大灯:包括右转向灯、右近光灯和右远光大灯。
5、雨刷电机:用于带动雨刷工作。
6、左前组合大灯:包括左转向灯、左近光灯和左远光大灯。
7、右冷却风扇:用于水箱散热。
8、左冷却风扇:用于水箱散热。
9、右后视镜:开关在控制盒上面。
10、左后视镜:开关在控制盒上面。
11、右前中控门锁:受左前中控门锁控制。
12、起动机13、发电机14、温控开关:实现冷却风扇的运转与停止,当水温升至一定温度时,触点闭合,风扇运转。
15、左前中控门锁:此门锁为控制其它门锁的主控锁。
16、火花塞17、点火器:采用霍尔式电子点火系统。
18、喷油器19、喷水电机:前风挡玻璃喷水。
20、冷却液位传感器:显示冷却液位置,低于某一标准位置时发出报警。
汽车全车电路实验报告1. 实验目的通过对汽车全车电路进行实验,探究其电路连接方式、电流分布以及电路故障排除等问题,进一步理解汽车电路的工作原理。
2. 实验原理汽车的全车电路是一个复杂而庞大的系统,包括了发动机电路、车身电路、光照电路等多个电路。
这些电路之间通过多根导线连接,形成了完整的电路网络。
在实验过程中,我们将通过多种测量手段,如万用表测量电压和电流、跳线短接法排除故障等,来深入了解汽车电路的运行情况。
3. 实验内容3.1 电路连接方式首先,我们将学习汽车电路的连接方式,包括串联连接、并联连接等。
我们选取了发动机电路和车身电路进行实验,通过拆卸部分线束,观察电路的连接方式。
实验结果表明,汽车电路中普遍采用并联连接,以实现电流分流和负载平衡。
3.2 电流分布情况接下来,我们将利用万用表,分别测量汽车电路中的各个电器的电流,了解电流分布情况。
实验结果显示,发动机电路中的启动电机和点火系统是电流较大的部分,而车身电路中,前大灯和音响系统所消耗的电流较大。
3.3 电路故障排查最后,我们将模拟一些常见的汽车电路故障,并通过跳线短接法进行排查。
例如,我们将模拟一个短路故障,通过逐步短接线路,找到短路处,从而定位和解决故障。
4. 实验结果与分析通过实验,我们了解了汽车电路的连接方式和电流分布情况。
发动机电路和车身电路通常采用并联连接方式,以实现电流的分流和负载平衡。
启动电机和点火系统消耗较大的电流,而前大灯和音响系统也是车身电路中电流较大的部分。
通过模拟故障排查实验,我们掌握了一种简单有效的排除汽车电路故障的方法。
通过跳线短接法,可以逐步缩小故障范围,找到并解决故障。
5. 实验总结本次实验通过对汽车全车电路的实验,使我们更加深入地理解了汽车电路的连接方式、电流分布和故障排查方法。
通过实验,我们掌握了一种简单有效的排除故障的方法。
在实际工作中,我们需要结合实际情况,合理运用以上方法,及时解决汽车电路故障,保障汽车的正常运行。
汽车电工电子技术基础实验指导书汽车实验中心目录实验一汽车传统点火系统工作过程 (1)实验二车用交流发电机实验 (4)实验三车用低压电器电路实验 (13)实验四模拟电路元件认识实验 (18)实验一汽车传统点火系统工作过程一、实验目的1.了解传统点火系统的基本组成2.掌握传统点火系的工作过程二、实验原理传统点火系统主要由电源(蓄电池和发电机)、点火开关、点火线圈、电容器、断电器、配电器、火花塞、阻尼电阻和高压导线等组成。
汽油机在压缩接近上止点时,可燃混合气是由火花塞点燃的,从而燃烧对外作功,汽油机的燃烧室中都装有火花塞。
火花塞有一个中心电极和一个侧电极,两电极之间是绝缘的。
当在火花塞两电极间加上直流电压并且电压升高到一定值时,火花塞两电极之间的间隙就会被击穿而产生电火花,能够在火花塞两电极间产生电火花所需要的最低电压称为击穿电压;能够在火花塞两电极间产生电火花的全部设备称为发动机点火系。
图1 点火系统其工作原理为:接通点火开关,发动机开始运转。
发动机运转过程中,断电器凸轮不断旋转,使断电器触点不断地开、闭。
当断电器触点闭合时,蓄电池的电流从蓄电池正极出发,经点火开关、点火线圈的初级绕组、断电器活动触点臂、触点、分电器壳体搭铁,流回蓄电池的负极。
当断电器的触点被凸轮顶开时,初级电路被切断,点火线圈初级绕组中的电流迅速下降到零,线圈周围和铁心中的磁场也迅速衰减以至消失,因此在点火线圈的次级绕组中产生感应电压,称为次级电压,其中通过的电流称为次级电流,次级电流流过的电路称为次级电路。
触点断开后,初级电流下降的速率越高,铁心中的磁通变化率越大,次级绕组中产生的感应电压越高,越容易击穿火花塞间隙。
当点火线圈铁心中的磁通发生变化时,不仅在次级绕组中产生高压电(互感电压),同时也在初级绕组中产生自感电压和电流。
在触点分开、初级电流下降的瞬间,自感电流的方向与原初级电流的方向相同,其电压高达300V。
它将击穿触点间隙,在触点间产生强烈的电火花,这不仅使触点迅速氧化、烧蚀,影响断电器正常工作,同时使初级电流的变化率下降,次级绕组中感应的电压降低,火花塞间隙中的火花变弱,以致难以点燃混合气。
《电子技术基础》实验指导书电子技术课组编信息与通信工程学院实验一常用电子仪器的使用一、实验类型-操作型二、实验目的1、学习电子电路实验中常用的电子仪器——示波器、函数信号发生器、直流稳压电源、交流毫伏表、频率计等的主要技术指标、性能及正确使用方法。
2、初步掌握用双踪示波器观察正弦信号波形和读取波形参数的方法。
三、实验原理在模拟电子电路实验中,经常使用的电子仪器有示波器、函数信号发生器、直流稳压电源、交流毫伏表及频率计等。
它们和万用电表一起,可以完成对模拟电子电路的静态和动态工作情况的测试。
实验中要对各种电子仪器进行综合使用,可按照信号流向,以连线简捷,调节顺手,观察与读数方便等原则进行合理布局,各仪器与被测实验装置之间的布局与连接如图1-1所示。
接线时应注意,为防止外界干扰,各仪器的共公接地端应连接在一起,称共地。
信号源和交流毫伏表的引线通常用屏蔽线或专用电缆线,示波器接线使用专用电缆线,直流电源的接线用普通导线。
图1-1 模拟电子电路中常用电子仪器布局图1、示波器示波器是一种用途很广的电子测量仪器,它既能直接显示电信号的波形,又能对电信号进行各种参数的测量。
现着重指出下列几点:1)、寻找扫描光迹将示波器Y轴显示方式置“Y1”或“Y2”,输入耦合方式置“GND”,开机预热后,若在显示屏上不出现光点和扫描基线,可按下列操作去找到扫描线:①适当调节亮度旋钮。
②触发方式开关置“自动”。
③适当调节垂直()、水平()“位移”旋钮,使扫描光迹位于屏幕中央。
(若示波器设有“寻迹”按键,可按下“寻迹”按键,判断光迹偏移基线的方向。
)2)、双踪示波器一般有五种显示方式,即“Y1”、“Y2”、“Y1+Y2”三种单踪显示方式和“交替”“断续”二种双踪显示方式。
“交替”显示一般适宜于输入信号频率较高时使用。
“断续”显示一般适宜于输入信号频率较低时使用。
3)、为了显示稳定的被测信号波形,“触发源选择”开关一般选为“内”触发,使扫描触发信号取自示波器内部的Y通道。
巴中职业技术学院课程标准学 院:理工学院 教 研 室:智能制造与维修授课时间:2018—2019学年第1学期 编 制:张显德适用对象:2018级汽车检测与维修技术专业2018级汽车制造与装配技术专业 2018级新能源汽车技术专业汽车电工电子技术《汽车电工电子技术》课程标准课程性质:专业基础课学分:4参考学时:总学时:64 理论学时:38 课内实践学时:26适用对象:2018级汽车检测与维修技术、新能源汽车技术、汽车制造与装配技术一、课程定位与设计思路(一)课程定位《汽车电工电子技术》是汽车制造与装配技术专业和汽车检测与维修技术专业必修的一门专业能力课,包括与汽车有关的直流电路、交流电路、电磁学、交流发电机和电动机、半导体器件、集成运算放大器、数字电路基础等基本知识,同时介绍了基本电工电子仪表、工具的使用方法。
本课程实操性非常强,目标是使学生能够理论联系实际,让学生掌握汽车涉及到的电工电子电路基础知识和对电路进行检测的基本操作技能。
学习本课程应具备中学物理电学知识,其后续课程为《汽车电气设备构造与维修》、《汽车电控技术》、《汽车故障诊断与维修》等。
(二)课程的设计思路本课程以课堂教学讲授为主,要充分利用现有的教学条件来构建学习情境。
贯彻以学生为主体的教学理念,为学生创造更多的动手操作机会,实现教、学、做一体化。
采用项目教学方法,培养学生思考问题、分析问题和解决问题的能力;引导和鼓励学生通过实践和自学获取知识,增加讨论课、现场课以及答疑质疑等教学环节。
以高职教育培养目标为依据,遵循“以应用为目的,以适用、够用为度”的原则,以“掌握概念、强化应用、培养技能”为重点,力图做到“精选内容、降低理论、加强技能、突出应用”。
以演练提出学生应该完成的任务,以及为完成任务需要掌握的知识点,让学生带着问题完成任务从而参与到教师的课堂教学中去;在练习过程模式的指导下,实施小组协作学习方法.研究性学习方法.自主学习方法相结合,小组负责人,负责组内基层管理.学习资料管理工作等。
汽车电工电子技术第二版教学设计前言汽车电子技术是现代汽车制造中一个不可或缺的组成部分。
随着汽车智能化和电动化的不断深入,汽车电子技术的重要性也日益突出。
为了培养能够掌握汽车电子技术的人才,汽车电子技术课程的教学设计至关重要。
本文旨在介绍汽车电工电子技术第二版的教学设计方案。
教学目标通过本课程的学习,学生应该能够:1.掌握汽车电子技术的基本概念和原理;2.熟悉汽车电子系统的组成和工作原理;3.掌握常见的汽车电子故障的排查和维修方法;4.了解汽车电子技术的发展趋势和未来动向。
教学内容本课程的教学内容主要包括以下几个方面:第一章:汽车电子技术概述介绍汽车电子技术的基本概念和原理,包括电子学基础、数字电子技术和汽车控制系统等方面,为后续内容的学习做好铺垫。
第二章:汽车电子系统的组成和工作原理介绍汽车电子系统的组成和各个部件的工作原理,包括发动机控制系统、底盘控制系统、安全控制系统、信息娱乐系统等。
第三章:汽车电子故障的排查和维修方法介绍汽车电子故障的排查和维修方法,包括常见故障的诊断、检测仪器的使用、故障代码解读、维修流程等。
第四章:汽车电子技术的发展趋势和未来动向介绍汽车电子技术的发展趋势和未来动向,包括新能源汽车、自动驾驶等方面,引导学生关注未来汽车电子技术的发展和创新。
教学方法本课程采用“理论讲解+实验操作”的教学方法。
在理论讲解环节,教师通过讲课、黑板演示等方式,向学生介绍汽车电子技术的相关知识点和原理,激发学生对汽车电子技术的兴趣和求知欲。
在实验操作环节,学生通过在实验室的实际操作,掌握汽车电子技术的实际应用和操作技巧。
同时,通过实验操作中的故障模拟和排查及维修过程的学习,提高学生的汽车电子故障诊断和维修能力。
教学考核本课程的考核方案主要包括以下几个方面:课堂成绩课堂成绩占总成绩的30%,主要包括:1.课堂出勤率;2.课堂表现评价;3.课堂小测验。
实验成绩实验成绩占总成绩的40%,主要包括:1.实验报告;2.实验操作表现评价。
第1篇一、前言电子技术是现代科技发展的基础,它涉及电路设计、电子元件、电子设备等多个方面。
为了使学生更好地掌握电子技术的基本理论、实践技能和创新能力,本指导书旨在为学生提供电子技术实践教学的指导。
二、教学目标1. 使学生掌握电子技术的基本理论,包括电路分析、模拟电路、数字电路等。
2. 培养学生具备电子电路设计、调试、维修的能力。
3. 提高学生的动手能力和创新能力。
4. 培养学生的团队合作精神和沟通能力。
三、教学内容1. 电路分析基础(1)电路元件及其参数(2)电路分析方法(3)电路实验2. 模拟电路(1)放大电路(2)滤波电路(3)稳压电路(4)运算电路(5)模拟电路实验3. 数字电路(1)数字电路基础(2)组合逻辑电路(3)时序逻辑电路(4)数字电路实验4. 电子设计竞赛与创新能力培养四、实践教学安排1. 课堂实验(1)电路分析实验(2)模拟电路实验(3)数字电路实验2. 课程设计(1)电路设计(2)模拟电路设计(3)数字电路设计3. 电子设计竞赛五、教学方法和手段1. 讲授法教师讲解电子技术的基本理论,使学生掌握电子技术的基本概念和原理。
2. 案例分析法通过分析实际电路案例,使学生了解电路设计、调试、维修的技巧。
3. 实验法通过实验,使学生掌握电子技术实践技能。
4. 讨论法组织学生进行课堂讨论,提高学生的团队合作精神和沟通能力。
5. 网络教学利用网络资源,拓宽学生的知识面,提高学生的学习兴趣。
六、教学评价1. 课堂实验成绩2. 课程设计成绩3. 电子设计竞赛成绩4. 学生自评与互评七、教学资源1. 教材:《电子技术基础》、《模拟电子技术》、《数字电子技术》等。
2. 实验设备:示波器、万用表、信号发生器、电源等。
3. 网络资源:电子技术论坛、电子技术博客、电子技术视频等。
八、教学建议1. 注重基础知识的学习,为后续课程和实践打下坚实基础。
2. 积极参加实验和课程设计,提高实践能力。
3. 关注电子技术发展动态,拓宽知识面。
汽车电子技术维修作业指导书第1章汽车电子技术基础 (4)1.1 汽车电子元件 (4)1.1.1 电阻器 (4)1.1.2 电容器 (4)1.1.3 电感器 (4)1.1.4 晶体管 (4)1.1.5 集成电路 (4)1.1.6 传感器 (4)1.2 汽车电子系统的组成与原理 (4)1.2.1 汽车电子控制单元(ECU) (4)1.2.2 传感器与执行器 (4)1.2.3 数据通信与网络 (5)1.2.4 电源系统 (5)1.2.5 安全与舒适性系统 (5)1.3 常用检测仪器与工具 (5)1.3.1 万用表 (5)1.3.2 示波器 (5)1.3.3 故障诊断仪 (5)1.3.4 信号发生器 (5)1.3.5 热风枪与吸锡器 (5)1.3.6 常用工具 (5)第2章发动机电子控制系统维修 (5)2.1 发动机电子控制单元(ECU)维修 (5)2.1.1 ECU故障诊断 (5)2.1.2 ECU更换与编程 (5)2.2 空气流量计与进气压力传感器维修 (6)2.2.1 空气流量计故障诊断 (6)2.2.2 空气流量计与进气压力传感器更换 (6)2.3 火花塞、点火线圈与高压线维修 (6)2.3.1 火花塞更换 (6)2.3.2 点火线圈与高压线维修 (7)第3章变速器电子控制系统维修 (7)3.1 自动变速器电子控制系统原理 (7)3.1.1 控制系统组成 (7)3.1.2 控制策略 (7)3.2 自动变速器传感器与执行器维修 (7)3.2.1 传感器维修 (7)3.2.2 执行器维修 (8)3.3 无级变速器(CVT)电子控制系统维修 (8)3.3.1 CVT电子控制系统原理 (8)3.3.2 CVT电子控制系统维修 (8)第4章底盘电子控制系统维修 (8)4.1 防抱死制动系统(ABS)维修 (8)4.1.1 故障诊断 (8)4.1.2 维修步骤 (8)4.1.3 维修注意事项 (9)4.2 电子制动力分配系统(EBD)维修 (9)4.2.1 故障诊断 (9)4.2.2 维修步骤 (9)4.2.3 维修注意事项 (9)4.3 车身电子稳定程序(ESP)维修 (9)4.3.1 故障诊断 (9)4.3.2 维修步骤 (9)4.3.3 维修注意事项 (9)第5章车身电子控制系统维修 (10)5.1 智能钥匙与无钥匙进入系统维修 (10)5.1.1 智能钥匙系统检测 (10)5.1.2 无钥匙进入系统维修 (10)5.2 遥控器与防盗系统维修 (10)5.2.1 遥控器维修 (10)5.2.2 防盗系统维修 (10)5.3 车载娱乐系统与导航系统维修 (10)5.3.1 车载娱乐系统维修 (10)5.3.2 导航系统维修 (10)第6章照明与信号系统维修 (11)6.1 车内照明系统维修 (11)6.1.1 维修准备 (11)6.1.2 故障诊断 (11)6.1.3 维修步骤 (11)6.2 车外照明系统维修 (11)6.2.1 维修准备 (11)6.2.2 故障诊断 (11)6.2.3 维修步骤 (11)6.3 转向信号与危险报警灯系统维修 (11)6.3.1 维修准备 (11)6.3.2 故障诊断 (12)6.3.3 维修步骤 (12)第7章电动车窗与天窗系统维修 (12)7.1 电动车窗系统维修 (12)7.1.1 电动车窗系统组成及工作原理 (12)7.1.2 电动车窗故障诊断 (12)7.1.3 电动车窗维修操作 (12)7.2 电动天窗系统维修 (12)7.2.1 电动天窗系统组成及工作原理 (12)7.2.2 电动天窗故障诊断 (13)7.2.3 电动天窗维修操作 (13)7.3 车门锁与行李箱锁系统维修 (13)7.3.1 车门锁与行李箱锁系统组成及工作原理 (13)7.3.2 车门锁与行李箱锁故障诊断 (13)7.3.3 车门锁与行李箱锁维修操作 (13)第8章空调与暖风系统维修 (13)8.1 空调系统原理与部件维修 (13)8.1.1 空调系统原理 (13)8.1.2 空调系统主要部件 (13)8.1.3 空调部件维修 (14)8.2 自动空调控制系统维修 (14)8.2.1 自动空调控制系统原理 (14)8.2.2 自动空调主要部件 (14)8.2.3 自动空调控制系统维修 (14)8.3 暖风与通风系统维修 (14)8.3.1 暖风系统原理 (14)8.3.2 暖风主要部件 (14)8.3.3 暖风与通风系统维修 (15)第9章汽车电路分析与维修 (15)9.1 汽车电路图的识读 (15)9.1.1 汽车电路图类型及特点 (15)9.1.2 汽车电路图识读方法 (15)9.2 汽车电路故障诊断与排除 (15)9.2.1 故障诊断方法 (15)9.2.2 故障排除步骤 (15)9.3 汽车电路维修工具与技巧 (16)9.3.1 常用维修工具 (16)9.3.2 维修技巧 (16)第10章汽车电子设备养护与故障预防 (16)10.1 汽车电子设备日常养护 (16)10.1.1 保养计划制定 (16)10.1.2 清洁与维护 (16)10.1.3 检查电源与连接线路 (16)10.1.4 传感器检查与校准 (16)10.1.5 软件升级与维护 (17)10.2 汽车电子设备故障预防 (17)10.2.1 培训与知识普及 (17)10.2.2 遵循操作规程 (17)10.2.3 预防性维护 (17)10.2.4 避免过载与短路 (17)10.3 汽车电子设备延长使用寿命的措施 (17)10.3.1 合理使用 (17)10.3.2 环境保护 (17)10.3.3 避免非专业维修 (17)10.3.4 定期检查与更换易损件 (17)10.3.5 建立设备档案 (18)第1章汽车电子技术基础1.1 汽车电子元件1.1.1 电阻器电阻器是汽车电子系统中最基本的元件之一,主要作用是限制电流的大小,调节电压,分配功率等。
汽车电子技术实验指导书姓名班级学号西南交通大学机械工程学院车辆热能动力机械实验中心2015年10月实验一交流发电机拆装及主要零部件故障检测诊断实验一.实验目的1.通过拆装实验使学生了解交流发电机的结构,加深对发电机工作原理的理解;2.熟悉交流发电机检查的项目、步骤和方法。
二.实验设备发电机、万用表、拆装工具等三.实验内容和步骤(一)交流发电机的拆装1.交流发电机的解体A.拆除带轮紧固螺母,取下带轮、风扇和转子轴上的半圆键;B.拆除电刷盖板紧固螺母,取出电刷弹簧与电刷;C.拆除后轴承盖,将转子轴紧固螺母拆除;D.拆除前后端盖的联接螺栓,并用木质或橡皮手锤轻击前后端盖,使前后端盖分离,在分离前后端盖时,定子应随后端盖一起,以免拆断定子绕组引出端线,转子也即可拆下;E.从后端盖上拆下定子绕组端头,使定子总成与后端盖分离;F.松开后端盖上紧固硅整流元件板的螺母,拆下硅整流元件板;G.解体后,观察定子、转子内部结构以及后端盖元件板晶体管的固定、绝缘情况。
JF11型发电机有两块整流元件板,即正元件板和负元件板。
负元件板上二极管外壳的极性是负极,引出线是正极。
正元件板上二极管外壳的极性是正极,引出线是负极。
2.交流发电机的装配按上述相反顺序装配交流发电机,最后装复电刷总成。
注意:前后端盖的孔应对齐,以保证在汽车上的定位。
(二)交流发电机的不解体检查用万用表(R×1档)分别测量各接线柱之间的电阻,与表1电阻值作比较,再对故障程度进行分析判断。
表1.1 交流发电机各接线端子之间的电阻值正常值(Ω)(三)交流发电机零部件检查对于交流发电机的定子和转子线圈来说,最容易发生的故障现象是线圈断路、短路和搭铁。
1.转子1)转子的断路和短路检查用万用表测量磁场绕组的电阻,将万用表的两表针分别触在两滑环上,如图1-1,正常阻值为2.6Ω~6Ω(不同型号发电机略有差异),若阻值为“∞”,则说明磁场绕组有断路,若阻值小于正常值,则说明绕组间有匝间短路故障。
图1-1 磁场绕组断路、短路检查图1-2 磁场绕组搭铁检查2)磁场绕组与转子铁芯间的绝缘情况一般用交流试灯法进行检查,如图1-2,若灯不亮,则说明磁场绕组与铁芯绝缘良好;灯亮,则说明绕组或滑环有搭铁故障。
2.定子1)定子绕组断路检查用万用表测量定子绕组各相的电阻,如图1-3,对三相绕组逐个检查,如果万用表指示的阻值为“∞”,则说明定子绕组有断路故障。
图1-3 定子绕组断路检查图1-4 定子绕组搭铁检查2)定子绕组短路检查由于汽车用交流发电机定子绕组的电阻很小,所以用测量电阻的方法难以检查其短路故障,因此,可在交流发电机不解体检测时,用示波器观察整流后输出电压的波形,以判断定子绕组有无短路故障。
(教材P60)3)定子绕组搭铁检查用试灯法进行检查,一端接绕组,另一端搭铁,如图1-4,试灯亮,则定子绕组有搭铁故障,试灯不亮则说明定子绕组绝缘良好。
3.整流器整流器的检测主要是整流硅二极管的检测。
在检查硅二极管时,应首先将定子绕组的引线端头与二极管的引出端头拆开后,用万用表R×1档测量每个二极管的正反向电阻,将万用表的两根测试棒分别接在被测二极管的两极上测量一次,然后交换两根测试棒的位置再检测一次。
如图1-5,若两次测得阻值为一大(10KΩ以上)一小(8~10Ω),则该二极管是好的;若两次检测阻值均为“∞”,则该二极管断路;若两次测量阻值均为零,则该二极管短路。
图1-5 硅二极管检查实验二起动机拆装及主要零部件故障检测诊断实验一.实验目的1.通过拆装实验使学生了解起动机的结构,加深对起动机工作过程的理解。
2.通过实验使学生掌握起动机的零部件检查方法。
二.实验设备起动机,汽车电器万能实验台、万用表、试灯等。
三.电磁控制强制啮合式起动机的拆装实验1.起动机的解体1)先拆下起动机上的防尘箍;2)从电磁开关接线柱上拆下励磁线圈导线端的固定螺母。
3)拆除两个电磁开关安装螺钉,从起动机壳体上拆下电磁开关;4)用铁丝钩起电刷弹簧取出电刷;5)拆除两连接螺栓,使前端盖、起动机外壳、电枢总成分离开,取出拨叉;2.起动机的装复起动机在装配时,基本原则是按分解时相反步骤进行。
四.起动机主要零部件的检查(一)起动机的磁场绕组。
1.断路和搭铁检查检查磁场绕组断路和搭铁的方法如图2-1。
将试灯引线的一端接起动机接线柱,另一端接绝缘电刷,若灯不亮,说明磁场绕组断路。
再把接绝缘电刷的一端改接到外壳上,若灯亮,则说明磁场绕组绝缘损坏而搭铁。
2.匝间短路的检查如图2-2,用2V的蓄电池作电源,电路接通后(通电时间不要过长,否则烧坏绕组),将起子逐一放到每个磁极铁芯上,检查磁极对起子的吸引力是否相同,若某一磁极吸力太小,表明该极下磁场绕组有匝间短路。
图2-1 磁场绕组搭铁试验图2-2 磁场绕组匝间短路的检查(二)起动机的电枢绕组由于起动机电枢绕组是用铜条制作的,不可能在内部出现断条而断路,因而电枢绕组断路是线头脱焊或导线甩出部分折断,目视检查容易发现。
1.电枢绕组搭铁检查用交流试灯法进行检查,将两试灯笔分别接在换向器和铁芯上,如图2-3。
若灯亮则表明电枢绕组搭铁。
图2-3电枢绕组搭铁检查图2-4电枢绕组匝间短路检查2.电枢绕组匝间短路检查将电枢放在感应仪的“V”型槽内,将一薄钢片放在电枢最上边的槽上,如图2-4。
接通感应仪开关,若钢片振动说明绕组有短路故障。
若振动现象明显地出现在所有槽上,说明短路发生在同一槽内上下两线圈间,如钢片仅在四槽上振动,则说明换向器有相邻两换向片短路。
3.起动机的电刷架绝缘情况检查(1)检查绝缘电刷的长度,如电刷磨损至下述极限以下时,应更换:电刷长度标准极限19mm 12mm(2)用交流试灯法进行检查,如图2-5,试灯应不亮,灯亮则说明绝缘电刷搭铁。
4.电磁开关线圈检查用万用表R×1档测量吸引线圈和保持线圈的电阻,阻值应符合表2-1,如果阻值为∞则有断路,过小则有匝间短路。
表2-1给出了ST614,321型以及QD124型起动机电磁开关和起动继电器的线圈电阻。
表2-1 起动机电磁开关和起动继电器的线圈电阻起动机型式线圈名称电阻Ω(20)ST614 吸引线圈0.83~0.85保持线圈 1.07~1.14321 吸引线圈0.55~0.65保持线圈0.96~0.98QD124 吸引线圈0.55~0.65保持线圈0.96~0.98实验一思考题1.交流发电机是由哪些主要零部件组成,定子绕组与六只二极管是怎样连接的?2.交流发电机整流器的作用是什么?怎样将交流电转变为直流电?3.根据所作交流发电机的试验,判断此交流发电机有无故障,并分析原因。
实验二思考题1.起动机主要由哪些零部件组成?2.试述电磁操纵强制啮合式起动机的工作原理。
图2-5起动机的电刷架绝缘情况检查图3-1:触点接触不良的情况 (a )触点歪斜;(b )触点偏移(a ) (b ) 实验三 点火系统的结构组成及主要零部件故障检测诊断实验一.实验目的1.了解点火系统的组成结构,加深对点火系统工作原理的理解; 2.掌握点火系统的检修内容和方法。
二.实验设备传统点火系统各组成部件、万用表、塞尺、弹簧秤、220V 试灯三.点火系统各零部件的检查(一)点火线圈的检查点火线圈的检查,主要包括初级绕组、次级绕组的短路、断路和搭铁故障以及发火强度是否符合要求等。
1.外观检查 仔细观察外表,若有胶木盖裂损,接线柱松动、滑丝、外壳变形、填充物外溢;高压插座接触不良,均表示此点火线圈有故障。
2.点火线圈初级绕组、次级绕组的短路、断路检查 用万用表测量点火线圈的初级绕组、次级绕组和附加电阻(线)的电阻值,测量结果应符合教材P121表4-1规定,如阻值过小,说明有短路故障,如阻值为无穷大,则说明有断路故障。
3.点火线圈搭铁检查用试灯法检查,将试灯的一端接点火线圈的“+”接线柱,另一端接外壳,如灯亮,表示有搭铁故障;否则为良好。
(二)分电器的检查 1. 断电器的检查断电器是传统点火装置中最容易出现故障的地方,常见的故障有:触点烧蚀,触点间隙过大或过小,断电器弹簧弹力不足或搭铁,断电臂胶木顶块磨损、凸轮磨损等。
断电器触点应平整光洁,无脏污、烧蚀,接触面积不得少于85%,表面粗糙度不得高于0.4um ,单个触点厚度不得小于0.5mm ,两触点的中心线应重合,不可歪斜,偏移不得超过0.2mm 。
如图3-1,上下偏差可调整断电臂的上下垫圈,左右偏差或扭曲时,可弯曲固定触点支架进行校正。
1) 触点间隙的检查和调整触点间隙用厚薄规检查,如图3-2,触点间隙应为0.35mm~0.45mm ,若不符合规定,可旋松固定螺钉1,通过偏心螺钉2进行调整。
调整后拧紧固定螺钉,并再次检查间隙。
图3-2:触点间隙检查 图3-3:检查触点臂弹簧拉力 1-固定螺钉;2-偏心调整螺钉2) 触点臂弹簧张力检查图3-4:离心机构的板静配合 1.离心重块;2.分电器轴;3.拉簧及支架; 4.托板;5.离心块销;6.拨板销如图3-3,在触点闭合时用弹簧秤的挂钩钩在活动触点的尖端,沿触点的轴向拉动弹簧秤,当触点刚打开时,弹簧秤的读数应符合规定,一般为4.9~6.9N 。
3) 凸轮磨损情况检查首先查看凸轮工作面是否光洁,用游标卡尺测量凸轮各对角磨损处直径,磨损量不应大于0.4mm ,各对角中心线的距离不应相差0.03mm 。
2. 配电器的检查 1) 检查分火头用高压电的一根触针接分火头的导电片,另一触针放在分火头的座孔内,如此时有火花产生,则说明分火头已窜电损坏。
如果在汽车上检查时,将分火头倒放在气缸盖上,用高压线对准分火头座孔,然后用手扳动断电器触点,使其一张一闭产生高压电,如此时有火花从高压线端跳入座孔中,说明分火头已损坏。
2) 检查分电器盖将高压触针分别插在分电器盖的两个相邻的旁插孔内或中央插孔与旁插孔内进行试火,若有火,说明绝缘已损坏漏电。
另外,分电器盖内中央电极孔的炭精柱应活动自如,不应有卡滞现象,炭精柱不能磨损过短,炭精柱弹簧弹力不能过弱。
3. 离心提前机构检查1) 离心重块甩动应灵活平稳,所有销孔结合处应无卡滞和松旷现象,托板与分电器轴的板的静配合应良好,如图3-4。
2) 将分电器轴固定不动,使齿轮向正常旋转方向转至极限位置,在突然放松时,齿轮应立即返回原位,否则拉簧不合格。
4. 真空提前机构检查 12)用嘴吸管接螺母时,应不漏气。
(三)电容器的检查用220V 交流电作为电源,用一只15~25W 的灯泡作试灯,将试灯的两根触针分别接触电容器的外壳和引出线。
如果灯泡亮,则电容器内部短路;如果灯不亮,可将试灯移去,用电容器引出线与其外壳触碰;如果有强烈火花,则表明电容器良好;如果无火花,则表明电容器内部断路。
(四)火花塞的检查1. 检查陶瓷绝缘体有无裂纹和破损,间隙是否正确,电极有无烧蚀,中心电极及接触头是否松动。