矿山企业生产现场类隐患排查清单
- 格式:xls
- 大小:58.50 KB
- 文档页数:1
非煤矿山地下行业示范企业安全隐患排查标准清单前言随着科技的不断进步,资源与环境的矛盾日趋激化。
为了高效利用和保护资源,非煤矿山地下行业一直是我国的重要产业之一。
然而,由于矿山行业的特殊性,以往的生产方式和安全管理模式已经无法满足当前和未来的需要。
因此,海量索引非煤矿山地下行业示范企业与相关专家制定了一份安全隐患排查标准清单,以确保该行业的安全和稳定发展。
正文一、通风安全1.排风设施是否一直保持良好状态?有没有破损、老化等现象?2.是否存在无法确保负压排烟的状况?3.是否有气流(含风多次前行?风的速度、幅度、两侧差距等是否达到要求?二、瓦斯防治1.瓦斯的源头是否得到了控制和防范?有没有泄漏和缺陷?2.瓦斯检测、防治、紧急处理的机制是否建立?有没有健全的应对计划?3.瓦斯爆炸发生时,是否有可靠的安全措施,如泄爆瓦斯、瓦斯灭火等?三、火灾防治1.电力设备与电气线路是否规范、完好?2.矿井中是否有暴露的电气设备、配电盘、配电箱等?3.火灾发生时是否有完善的疏散机制,有没有使用清洁无毒的消防剂、水和VC等抑制灭火?四、矿井工艺安全1.矿用设备是否有合适的维修保养记录和一定的报废周期?2.是否有建立合理的安全检测机制,如地质勘测,法律法规咨询、安全生产指南等?3.随着生产的推进,是否及时更新和升级矿用设备,取代那些低能低效低安全的设备?五、救援与科技应用1.是否建立了符合技术要求和安全规范的应急救援机构?包括是否建立了完善的矿井应急指挥中心、发现和处置设施并建立了健全的应急联络机制?2.是否有推广先进的安全技术和管理模式,如企业信息化、智能化、自动化、数字化等,并建立了现代化安全模式?3.是否有投资科技创新,开拓新的技术应用,建立符合需求和发展方向的人才培养机制和科研机构?总结非煤矿山地下行业作为我国重要的产业之一,其安全问题对于整个产业的经济、社会和环境都有着不可忽视的影响。
因此,制定一份符合行业要求和规范的安全隐患排查标准清单,才能够有效的保障生产、确保安全、可持续发展。
煤矿安全隐患排查治理检查表一、煤矿基本信息- 煤矿名称:- 煤矿所在地:- 煤矿负责人:- 联系方式:二、检查时间- 日期:三、安全隐患排查情况1. 工作面及巷道- 是否存在顶板、支架等安全隐患?(是/否)- 是否存在积压煤岩?(是/否)- 工作面及巷道是否存在漏水问题?(是/否)- 工作面及巷道是否存在瓦斯积聚问题?(是/否)2. 通风系统- 通风系统是否正常运行?(是/否)- 通风系统是否存在堵塞情况?(是/否)- 通风系统是否有足够的排风量?(是/否)3. 安全设备- 矿井通风门是否完好并能正常使用?(是/否)- 是否有足够的逃生通道?(是/否)- 是否配备了应急救援设备?(是/否)4. 作业人员素质- 作业人员是否经过必要的安全培训?(是/否)- 作业人员是否存在违章操作行为?(是/否)- 作业人员是否佩戴符合要求的个人防护装备?(是/否)四、安全隐患治理情况- 已发现的安全隐患:- 安全隐患描述:- 处理措施:- 负责人:- 完成日期:- 待治理的安全隐患:- 安全隐患描述:- 处理措施:- 负责人:- 完成日期:五、检查人员- 检查人员1:- 检查人员2:- 检查人员3:六、备注以上内容经过仔细检查,确保准确无误,并将检查结果及治理措施上报给相关负责人。
如有发现新的安全隐患,应及时采取措施进行处理,确保煤矿安全运行。
> 注:此文档为煤矿安全隐患排查治理检查表,应定期进行安全检查并记录检查结果。
具体治理措施应根据实际情况进行制定,并由相关负责人及时执行落实。
矿山隐患排查清单
1.矿山地质环境评估,包括矿山地下、地面水文地质状况的评估;
2.矿区地质构造、地形地貌、岩性及矿体分布的详细调查;
3.矿山非常规灾害隐患排查,如滑坡、泥石流、地面塌陷等;
4.矿山安全生产设施完备性的检查,包括通风系统、安全出口、矿井通道、消防设备等;
5.矿山机电设备的检查,包括井下电缆、电气设备、矿用机械等;
6.矿山工作面及矿井支护系统的检查,包括巷道、采场、矿井支护体系等;
7.矿山尾矿、废渣库隐患排查,包括库区安全防护措施、排放标准等;
8.矿山环境污染及治理设施的检查,包括矿山废水处理、废气治理等;
9.矿山安全管理及工作流程的检查,包括应急预案、安全培训、安全生产监管等。
- 1 -。
生产现场隐患排查清单I. 介绍近年来,随着经济的发展和企业规模的扩大,生产现场安全问题日益引起人们的关注。
为确保生产过程安全,减少事故风险,制定和执行一套完善的隐患排查清单变得尤为关键。
本文将介绍一份生产现场隐患排查清单,帮助企业提高生产安全水平。
II. 环境与设备安全隐患1. 电力设备- 电线是否磨损、老化或存在其他物理损坏?- 是否存在电线过载的迹象,如电线发热、闪烁或发出异常噪声?- 电源插座是否正确使用、固定和绝缘?- 是否存在过多使用延长线和多重插座的情况?2. 燃气设备- 燃气管道是否有泄漏的迹象,如气味、气体泡泡、耗气量急剧增加等?- 燃气管道是否正确安装、固定和绝缘?3. 环境通风- 生产现场是否存在堵塞或无法正常工作的通风设备?- 气体泄漏后是否存在通风不畅的情况?III. 人员安全隐患1. 个人防护用品- 生产现场是否提供并要求员工正确佩戴必要的个人防护用品,如安全帽、防护眼镜、防护手套等?- 员工是否遵守佩戴个人防护用品的规定?2. 事故预防培训- 是否对员工进行必要的安全培训,提高他们对事故隐患的识别和应急处理能力?- 是否定期组织演练,加强员工对应急情况的应对能力?3. 生产现场纪律- 是否制定并执行相关安全规章制度,明确员工在生产现场的行为准则?- 是否存在员工私自擅离职守、疏忽职责、随意调整设备等违规行为?IV. 生产设备安全隐患1. 机械设备- 是否存在机械设备安全防护措施不完善的情况?- 机械设备是否定期进行维护和检修,确保设备正常运转? - 是否存在员工违反设备操作规定,使用不当的情况?2. 走廊和通道- 生产现场的走廊和通道是否保持畅通,未被杂物阻塞? - 是否存在杂乱放置货物或其他障碍物的情况?3. 废弃物处理- 废弃物是否正确存放、分类和处理?- 是否存在危险废弃物混合存放、误处理的情况?V. 紧急事件应对隐患1. 灭火设备- 是否在生产现场配备足够数量、容量合适的灭火器?- 灭火器是否由专业人员进行定期维护和检查?2. 疏散通道- 疏散通道是否保持畅通,符合安全标准?- 是否存在紧急疏散计划,并进行定期模拟演练?3. 紧急联系渠道- 是否建立了与相关急救机构和紧急救援部门的联系渠道?- 是否在生产现场设置紧急联系电话、急救箱等应急设施?VI. 结论本文介绍了一份生产现场隐患排查清单,从环境与设备安全隐患、人员安全隐患、生产设备安全隐患以及紧急事件应对隐患四个方面进行了论述。
金属非金属矿山(露天-生产)安全隐患排查检查表单位名称:__________________________所属县(市):______________________检查机构:__________________________检查时间:__________________________企业基本情况表一、安全管理现状检查 (24)二、安全生产基本条件检查 (27)三、总平面部署检查 (29)四、采剥工程检查 (30)五、排土场检查 (32)六、矿山运输检查 (34)七、防排水检查 (36)八、供配电及通讯检查 (37)金属非金属矿山(露天-生产)安全隐患排查现场检查表一、安全管理现状检查2、有需要增加的,可另附页附件2金属非金属矿山(露天-基建)安全隐患排查检查表单位名称:__________________________所属县(市):______________________检查机构:__________________________检查时间:__________________________企业基本情况表一、安全管理现状检查 (4)二、安全生产基本条件检查 (8)三、总平面部署检查 (10)四、剥岩工程检查 (11)五、排土场检查 (13)六、矿山运输检查 (15)七、防排水检查 (17)八、供配电及通讯检查 (18)金属非金属矿山(露天-基建)安全隐患排查现场检查表一、安全管理现状检查2、有需要增加的,可另附页。
金属非金属矿山(露天)隐患排查月汇总表金属非金属矿山(露天)隐患排查治理月汇总表企业名称:安全隐患排查治理报告中介机构名称(盖章)中介机构代码年月中介机构法定代表人及检查人员名单1项目概况 (1)1.1企业概况.............................................. 1.11.2矿山生产现状.......................................... 1.21.3安全管理现状.......................................... 1.3 2检查中存在的问题.. (2)2.1开辟运输系统.......................................... 2.12.2采矿工艺 ............................................. 2.22.3矿山电气 ............................................. 2.32.4防排水与防灭火 ....................................... 2.42.5排土场 ............................................... 2.52.6安全管理 ............................................. 2.62.7其他 ................................................. 2.7 3整改建议. (3)1.项目概况Ll企业概况a.生产矿山/停产矿山简要介绍建设项目行政区划、地理位置及交通、矿区周边环境等。
安全生产安全隐患排查列表一、生产设备方面的安全隐患1. 设备的年限是否过期,是否需要进行定期维护和检修;2. 设备的操作规程是否明确,是否有操作规程培训;3. 设备的基础固定是否牢固,是否有漏电保护措施;4. 设备的保护装置是否完好,是否有缺失,是否需要及时更换;5. 设备电气部分的线路是否整洁,是否存在老化的线路,是否存在漏电隐患;6. 设备的磨损程度是否达到报废标准,是否存在安全隐患。
二、生产作业环境方面的安全隐患1. 生产场所的通风是否良好,是否存在有毒气体积聚;2. 生产场所的噪音是否过大,是否存在聋哑危害;3. 生产场所的光照是否充足,是否存在暗处隐患;4. 生产场所的地面是否平整,是否存在坑洞,高低差;5. 生产场所的消防器材是否齐全,是否过期;6. 生产场所的危险品存储位置是否合理,是否存在混存情况。
三、生产作业人员方面的安全隐患1. 作业人员是否经过安全操作培训,是否具备相关证书;2. 作业人员是否穿戴好劳保用品,是否存在违章操作;3. 作业人员是否存在疲劳操作情况,是否存在操作失误;4. 作业人员是否存在职业病或者不适情况,是否进行定期体检;5. 作业人员在作业时是否存在违反操作规程的行为;6. 作业人员是否存在酗酒、吸烟等不良习惯。
四、管理制度方面的安全隐患1. 企业是否建立了健全的安全管理制度,是否有专门的安全管理人员;2. 企业是否进行了安全培训,是否存在安全意识淡漠的情况;3. 企业是否进行了定期的安全演练,是否有应急预案;4. 企业的安全生产标准是否与国家规定相符,是否存在违规操作;5. 企业是否进行了安全隐患排查工作,是否存在疏漏;6. 企业是否建立了多部门协同的安全管理体系,是否存在管理漏洞。
以上列举的安全隐患排查列表仅供参考,而实际的安全隐患排查还需根据企业的具体情况和实际情况进行细化。
企业在进行安全隐患排查时应该细致入微,将每一个细节都要考虑在内,以确保安全生产环境的营造。
矿工隐患排查清单背景在采矿过程中,由于矿井环境的特殊性,存在着很多安全隐患。
随着矿山事故频发,为了确保矿工的生命安全,各大矿山需要实施隐患排查和整改措施。
本文将为大家介绍一份矿工隐患排查清单,旨在提升矿工工作安全。
什么是矿工隐患排查清单?矿工隐患排查清单是为了排除矿工在工作中可能遇到的安全隐患而制定的一套文件。
该清单一般由安全生产监督管理机构颁布执行,旨在保护矿工的生命财产安全。
矿工隐患排查清单的内容1.井筒与井口方面–井筒旁边的通风管道是否有喷漆等污渍?–井口排水孔是否畅通?–井口边缘是否安装了安全护栏?2.开拓和支护方面–巷道是否有塌方、滑坡等迹象?–支护是否牢固、完好?–可燃气体检测是否正常?3.机电设施方面–是否存在机床、电气安全接地等安全问题?–工作机具是否维护良好?–消防器材是否到位齐全?除以上所列明的事项,矿工隐患排查清单还涵盖了很多方面,需要根据现场的矿井环境合理调整和编写。
更重要的是,在清单的制定过程中应注重出发点是为了保护矿工,避免不必要的伤害和损失。
矿工隐患排查清单的重要性作为一份保障矿工安全的文件,矿工隐患排查清单的重要性不言而喻。
排查隐患,及时发现问题,维护作业环境安全是保证矿工安全的必要条件。
通过制定、完善和执行矿工隐患排查清单,不断提高隐患排查和整改水平,为矿工安全作出重要贡献。
矿工隐患排查清单的实施制定矿工隐患排查清单后,需要有安全监管机构与矿企联手实施。
具体工作流程如下:1. 调查勘察在实际实施矿工隐患排查之前,需要对矿山的情况做全面了解,寻找安全隐患。
信息的收集应覆盖矿山生产全过程,包括区域划分、生产线路、机电设备等方面。
调查勘察的目的是为了更清晰了解哪些地方存在安全隐患,排除所有安全隐患。
2. 报告分析由专业人员对所采集到的信息进行分析,然后撰写报告。
这份报告将详细列出矿山内存在的隐患点,存在的问题和需要解决的难题,以及矿企需要采取的措施。
3. 建立程序当报告分析完毕时,需要提出建议,并建立措施程序。
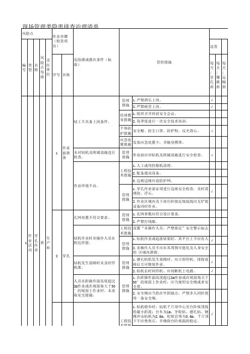
安全生产隐患排查清单表
一、生产设备安全检查
1.设备运转是否正常,有无异常声响或异味?
2.是否定期检查设备的维护记录?
3.设备周围是否有杂物堆积严重?
4.设备接地情况是否正常?
二、作业场所安全检查
1.作业场所有无易燃易爆物品堆放?
2.是否经常检查通道是否畅通,有无堵塞?
3.作业场所是否配备应急疏散通道及标识?
4.作业场所是否有防火设施?
三、用电安全检查
1.用电线路是否老化,有无漏电现象?
2.用电设备安装是否牢固,有无安全隐患?
3.用电箱和开关插座是否定期检查?
4.电气线路是否采取控制措施,防止漏电、短路等情况?
四、劳动防护安全检查
1.是否配备符合标准的劳动防护用具?
2.是否定期检查劳动防护用具的磨损情况?
3.是否组织员工进行岗前安全培训?
4.是否建立应急救援预案?
五、消防安全检查
1.是否定期组织消防演练?
2.作业场所是否配备灭火器、喷水器等消防设施?
3.是否定期检查消防设施的有效性?
4.是否保持消防通道畅通?
结语
安全生产是企业发展的基石,排查隐患,预防事故,是每个企业的责任,希望通过本检查清单表,能够帮助您及时发现和处理安全生产隐患,确保员工和生产设备的安全。
安全生产—煤矿矿山风险控制及隐患排查清单 (一)安全生产是企业的核心要务之一,尤其是对于煤矿矿山这类高风险行业来说,防范和控制风险就显得格外重要。
为此,煤矿矿山需要建立一套科学的风险控制和隐患排查机制,以确保生产过程中的安全性。
本文将从以下几个方面介绍“煤矿矿山风险控制及隐患排查清单”。
一、煤矿矿山风险控制煤矿矿山面临的风险较多,包括瓦斯爆炸、煤尘爆炸、顶板事故等。
为了控制这些风险,煤矿矿山需要采取以下措施:1.建立安全管理机制,制定相关标准和规范,明确管理职责和任务。
2.加强安全培训,提高员工安全意识和技能水平,确保员工时刻保持安全状态。
3.优化设备维护,定期检查机器设备,及时修理或更换损坏部件。
4.加强安全监测,建立完善的监测系统,及时发现和处理安全隐患。
5.做好应急预案,明确各类矿难的应急处置流程,加强应急演练,提高应急处置能力。
二、煤矿矿山隐患排查清单隐患本身并不危险,但如果未被及时发现和处理,就可能会演变为重大事故隐患。
为了排查和消除可能存在的隐患,煤矿矿山需要建立一套科学的隐患排查机制,并制定适当的隐患排查清单。
以下是一份常用的煤矿矿山隐患排查清单:1.顶板隐患排查清单:包括顶板开裂、变形、凹陷等情况。
2.通风隐患排查清单:包括通风管道破损、通风不畅等情况。
3.瓦斯隐患排查清单:包括瓦斯浓度超标、瓦斯渗漏等情况。
4.电气隐患排查清单:包括电器线路老化、漏电等情况。
5.装备隐患排查清单:包括矿车、起重机等装备的老化、损坏等情况。
3.煤矿矿山风险问题解决以上是一份常用的隐患排查清单,但具体清单还需要针对煤矿矿山的实际情况进行调整和完善。
随着煤矿矿山的技术不断进步,风险研判和隐患排查也会更加精准和科学。
总之,煤矿矿山的安全生产既需要科学的风险控制,也需要系统的隐患排查。
只有建立一套科学、完善且切实可行的安全管理机制,加强安全培训、设备维护、安全监测和应急预案,同时加强风险研判和隐患排查清单的完善,才能真正实现煤矿矿山安全稳定生产。
一、大气污染防治管理隐患1、矿山机械钻孔机配置除尘器或其他有效除尘设施,检查除尘滤袋完好,保证除尘设施正常开启2、合理设计爆破方案,增加爆破喷淋设施,减少扬尘。
3、物料转运等产尘点设置集气罩并配备袋式除尘器,半开放式下料口应设置雾化喷淋装置。
收尘设备相对于生产设备先开、后停;喷淋设施雾化效果良好,卸料期间运行并全面覆盖下料口。
4、运矿道路应进行适当硬化并配置固定喷淋管道或洒水车,要求定时或按需喷洒抑尘。
道路两旁进行绿化,有效防治扬尘。
5、原材料汽运车辆应采用覆盖或密封抑尘措施,运输道路需硬化平整,厂区内合理控制车速。
厂内进出车辆配置冲洗装置,且可正常使用;洗车池废水及时更换及时清淤。
6、矿山区域排放口应全部纳入排污许可管理,收尘器等环保设施应按照规程要求进行维护,检测报告、运行台账齐全。
7、矿山不得露天堆放细颗粒或粉状原材料,并及时对停采平台及边界复绿。
二、水污染防治管理隐患1、矿山办公区、生活区卫生间、食堂排水应处理达标后回用;检查废水处理设施出水最终去向,应按照环评要求回用或者通过安装了环保部门统一的标识牌、污染源编号排污口排放。
2、检查车辆冲洗废水应进行收集处理;检查废水处理设施出水最终去向,保证废水完全回用不外排;检查污泥处理处置方式和最终去向,保证污泥合规处置。
3、采场及工业场地应防油污,涌水应收集、沉淀、达标后外排;工业场地应防泥沙堵塞、淤积外部水道,配置雨水收集管网,保证无雨水冲刷污染周边土地情况;配置初期雨水收集池,晴天天气水池维持低液位;排土场周边设置排水、截流沟防水土流失。
4、检查生活污水处理设施曝气风机、水泵等设备运转正常,PH计、流量计等仪表读数正常,沉淀池污泥及时清理,原始运行记录、维护台账齐全。
三、噪声污染防治管理隐患1、矿山区域厂界噪声应符合相关法律规定,无超标情况,无被周边居民投诉的情况,检查环评或项目验收批复要求,如存在搬迁情况,应完成搬迁工作。
2、对爆破作业过程中产生的噪声超标采取一定管控措施,如作业时间点的选定、合理的爆破方案。
矿山隐患排查清单
矿山是我们国家的重要资源,但由于矿山的开采和人员管理问题,也会产生很多隐患。
为了保障矿山工人和周围居民的生命安全和财产安全,政府和相关部门制定了矿山隐患排查清单。
矿山隐患排查清单主要包括以下几个方面:
1. 矿山基本情况核查:对矿山的产权、经营权、土地使用权等进行核实,了解矿山基本情况。
2. 环境治理情况排查:对矿山周围的环境进行排查,包括噪声、颗粒物、废水排放等。
3. 安全设施检查:对矿山的安全设施进行检查,如通风设备、照明设备、消防设备等。
4. 矿山安全管理情况检查:对矿山安全管理制度、消防管理制度、应急预案等进行检查。
5. 员工安全防范情况检查:对员工的安全防范意识、安全装备等进行检查。
在对矿山进行隐患排查时,需要注意以下几点:
1. 充分了解矿山的基本情况,掌握其历史排查记录并进行对比分析。
2. 推荐使用专业的排查工具和设备,如矿山隐患排查专用工作服、矿山安全检测仪器等。
3. 接受矿山工人和职业安全专家的建议和意见,配合现场检查人员,主动收集合理化建议。
总之,排查矿山隐患,是保障矿山工人和周围居民安全的重要工作,我们必须要把排查工作落实到位,并且定期进行排查和整改,以保障大家的生命安全和财产安全。