Removed_铁塔组立工艺要求及质量验评标准
- 格式:pdf
- 大小:218.42 KB
- 文档页数:11
铁塔检验验收细则(一)铁塔检验细则一般要求(1) 铁塔基础应符合工程设计要求。
(2) 铁塔构件如有变形应在安装前进行矫正,但当环境温度低于-16C时,不得对构件进行冷矫正。
(3) 铁塔高度、平台、加挂支柱的安装高度及位置等均应符合工程设计要求。
(4) 铁塔垂直度应符合工程设计要求,铁塔中心轴线倾斜度允许偏差小于等于1/1500。
(5) 铁塔连接螺栓应符合下列要求:1)与铁塔基础连接的构件螺栓必须双螺母。
2)接螺栓应顺畅穿入,不得强行敲击。
当孔位偏差小于等于3mm时可打开冲后再穿入螺栓,螺栓穿向应一致。
3)螺母拧紧后螺栓外露丝扣为3~5扣。
4)螺母坚固应符合工程设计的力矩要求:a. 用力矩搬手检查力矩应符合工程设计要求值。
b. 铁塔全部连接螺栓均应做防松处理。
(6) 铁塔防腐层质量检验:1) 塔必须涂底漆(但构件连接法兰盘的接触面严禁涂漆),涂漆应均匀,无流痕、无气泡、不掉皮。
2) 镀层塔的镀层应均匀,不起泡、不翘皮、无返锈现象。
3) 用0.25kg的小锤轻击铁截构件时,防腐层不得脱落。
4) 塔靴紧固螺栓应按工程设计要求做防腐处理。
(7) 避雷针安装位置及高度应符合工程设计要求,避雷针安装牢固、端正,允许垂直偏差小于等于5‰(与避雷针高度比较)。
(8) 防雷保护接地电阻阻值应符合工程设计要求。
(9) 铁塔航空标志灯的安装应符合工程设计要求或航空部门的相关规定。
拉线塔(1) 拉线塔的拉线地锚埋设应符合工程设计要求:1) 地锚埋设深度允许偏差±50mm。
2) 地锚出土点位置允许偏差±50mm。
3) 埋设地锚的回填土应夯实,土堆整齐,地锚柄自然顺直。
(2) 铁塔两层拉线之间的弯曲度应符合工程设计要求。
(3) 拉线双螺旋调好后,螺杆端距螺旋内口尺寸要求:1) 高度小于80m的铁塔,应在20~30mm之内。
2) 高度在80m以上的铁塔,应在20~60mm之内。
自立式铁塔(1) 铁塔基础必须符合下列要求:1) 基础位置和高度应符合工程设计要求。
铁塔组立施工工艺导则铁塔组立,听起来像是件大工程吧?不过别怕,其实就是咱们小时候拼积木的升级版!咱得找个平整稳固的地盘,这可比挑女婿还得谨慎,不能草草了事。
有了地盘,接下来就该拿出我们的铁塔零件了,这可不是凑热闹的,得有条理,得有组织!铁塔零件看似咱们玩的积木,但别小瞧它们,一个不好好儿摆放,后面可是要出乱子的。
先说铁塔的底座,这可是个大件。
得把它从底下稳稳当当地搞定,不然可是会倒大霉的。
底座稳了,咱们接着上塔身。
塔身就像是个整齐划一的队列,一根接一根,绝对不能乱顺序,不然塔塌人亡,那可就是大事儿啦!塔身安顿好了,接下来就该说上塔顶了。
塔顶是不是听起来特别高大上?不过别着急,先别忘了咱得把所有的零件都检查一遍,得保证一点儿问题没有,不然塔顶可不安心。
组装铁塔可不是简单的拧螺丝,得有技巧,得有一手好功夫。
首先得保证每个零件都对得上号,不能眼高手低;拧紧螺丝得有个度,松紧得当,紧了会嘎吱响,松了会晃悠。
组装的时候,别忘了要有个指挥官,大家听话跟着干,不要各自为政,那就乱套了。
要不然你说,这铁塔成不成?肯定是个大问号了!铁塔组立可不是单打独斗的事,得有个团队精神。
别把自己当成超人,一个人搞不定这么大的家伙。
每个人都得分工明确,一个负责螺丝刀,一个负责拧螺母,再有个负责传递零件,光说不练的,咱还指望不上了。
施工现场要井井有条,不是小范围的搬砖搬砂,是得大手拉小手,才行得通。
组装的过程中难免会遇到点小插曲。
有时候零件不对劲,有时候天公不作美,下雨了下雪了,别灰心丧气,这都是咱施工的常事儿,得有点儿胆识,敢于面对。
要不然,你说这铁塔咋立得起来?就是验收环节了。
铁塔站好了,不能马虎了事,得有个大老板过来验收。
得让他走过每一寸地方,看看有没有歪歪斜斜的情况,听听有没有嘎吱嘎吱的声音。
没问题,咱们就可以高枕无忧了,大功告成,且行且珍惜!所以,组装铁塔,咱不能小觑它,也不能大惊小怪。
得像玩积木一样,有技巧有耐心,有魄力有担当。
铁塔工程施工质量验收标准1. 引言本文档旨在规定铁塔工程施工质量验收的标准。
通过严格按照这些标准进行验收,可以确保铁塔工程的施工质量符合相关要求,保证施工质量的可靠性和安全性。
2. 验收范围铁塔工程施工质量的验收范围包括但不限于以下方面:- 铁塔的基础施工- 铁塔的支撑结构和焊接工艺- 铁塔的材料选用和质量控制- 铁塔的安装和调试- 铁塔的绝缘和保护措施3. 验收标准铁塔工程的施工质量验收应符合以下标准:3.1 基础施工- 基础的混凝土应符合相关标准要求,强度达到设计要求。
- 基础的平整度、垂直度和水平度应满足设计要求。
3.2 支撑结构和焊接工艺- 铁塔的支撑结构应符合相关设计要求,具有足够的稳定性和承载能力。
- 焊接工艺应符合相关标准要求,焊缝应完整牢固、无裂纹和缺陷。
3.3 材料选用和质量控制- 铁塔的材料应符合设计要求,具有足够的强度、耐腐蚀性和可靠性。
- 材料的质量控制应符合相关标准要求,材料检测报告应符合要求并具有合格证明。
3.4 安装和调试- 铁塔的安装应按照设计要求进行,安装精度应满足相关标准要求。
- 铁塔的调试应达到可靠运行的要求,各项指标应在正常范围内。
3.5 绝缘和保护措施- 铁塔的绝缘和保护措施应符合相关要求,确保安全可靠的运行和使用。
- 绝缘材料应具有良好的绝缘性能,保护措施应有效防止外界环境的影响。
4. 验收方法铁塔工程施工质量验收的方法应包括以下内容:- 施工单位应提供相关施工记录和质量检测报告。
- 验收单位应组织验收人员对施工现场进行实地检查。
- 验收单位应委托第三方检测机构对材料进行抽样检验。
- 完成验收后,验收单位应出具验收报告,对验收结果进行评价和总结。
5. 验收结果与评定根据铁塔工程施工质量的验收情况,验收结果可分为以下几种情况:- 合格:施工质量符合相关要求,可正常使用。
- 不合格:施工质量存在严重问题,需整改后重新验收。
- 有条件合格:施工质量存在一些问题,可提出整改要求后验收。
1空距离不应小于300mm;1kV 以下电力线路,不应小于150mm。
第6.0.28 条线路的导线与拉线、电杆或构架之间安装后的净空距离,35kV 时,不应小于600mm;1~10kV 时,不应小于200mm;1kV 以下时,不应小于100mm。
铁塔地面组装技术规定:一现场布置规定: 1.施工前负责人应勘察现场地形,拟定铁塔组立方案,根据不同的组立方案拟定现场布置方案。
2.根据铁塔结构及组立现场布置图作好场地平整。
清除影响组装和立塔的障碍物。
3.地锚坑的定位规定:拉线地锚坑的位置应与线路方向成45°角;地锚坑应尽量避开低洼积水地带; 4.地锚坑开挖应满足下列规定:⑴地锚坑深度应根据土质和受力大小拟定:拉线、牵引地锚:坚土或普土埋深2.2 米,流沙土质2.4 米;⑵地锚坑必须开挖马道。
马道对地面夹角应与受力方向一致,一般不应大于40°。
马道宽度不得太大,以100~ 300mm 为宜。
5.本地锚坑位于松软地质或泥沼地带时,必须采用以下加固措施:增长地锚坑深度;加大地锚规格或用双地锚;在地锚的受力侧加角铁桩或挡板。
二地面组装的一般规定: 1.铁塔地面组装前应做好下述准备工作:⑴送到桩位的塔料通过清点,应确认符合组装规定。
⑵参与地面组装的施工人员均经组塔工序的技术交底并经考试合格。
⑶参与地面组装的民工由现场施工负责人交待安全施工注意事项及现场操作基本知识。
⑷根据现场地形,拟定铁塔组立方法。
⑸熟悉铁塔各段重量,按照允许起吊重量拟定地面组装塔段高度(铁塔分段示意图和图纸重量明细表)。
⑹根据现场地形及设备条件拟定地面组装方法。
⑺根据确立的铁塔组立方法及地面组装方法,选择配套合适的工器具。
各类工器具使用前均应认真检查,不合格者不得使用。
三分解组塔的地面组装规定: 1.地面组装前,应进行构件布置。
构件布置应遵循下述原则。
⑴根据抱杆也许提高的高度、抱杆的允许承载能力等,合理拟定吊装构件的分段、分片及应带附铁(即辅助材) 的数量。
铁塔施工和验收标准
1. 地基施工,铁塔的地基施工是整个铁塔工程的基础,需要严
格按照设计要求进行开挖、浇筑混凝土等工序,确保地基的承载能
力和稳定性。
2. 钢管焊接,铁塔主要由钢管焊接而成,焊接工艺和质量直接
关系到铁塔的结构强度和稳定性,需要符合相关的焊接标准和规范,确保焊接接头牢固可靠。
3. 安装调试,铁塔安装过程中需要进行吊装、安装和调试工作,施工人员需要严格按照操作规程进行,确保铁塔的安装质量和垂直度。
而铁塔的验收标准主要包括以下几个方面:
1. 外观质量,验收人员需要对铁塔的外观质量进行检查,包括
焊接接头的质量、防腐层的涂装情况等,确保外观无明显缺陷。
2. 尺寸偏差,验收人员需要对铁塔的尺寸进行检查,包括高度、立柱间距、横担位置等,确保符合设计要求。
3. 结构稳定性,验收人员需要对铁塔的结构稳定性进行检查,包括地基承载能力、焊接接头的牢固性等,确保铁塔在使用过程中不会出现倾斜或者变形。
总的来说,铁塔施工和验收标准需要严格按照相关的设计规范和标准进行,确保铁塔的质量和安全性能达到要求,从而保障输电线路的安全稳定运行。
铁塔建设及验收规范 Document serial number【UU89WT-UU98YT-UU8CB-UUUT-UUT108】3.2.4铁塔基础3.2.4.1铁塔基础施工应根据建设单位确定的征地范围,平整场地,根据施工图进行准确的定位放线,并确定±相应的绝对标高,特殊位置应判断铁塔和机房地形摆布位置的安全性和可行性。
3.2.4.2根据放线要求和施工图规定进行基础人工开挖,开挖时若遇坚硬岩石,严禁采用爆破方法进行施工。
3.2.4.3基础开挖必须有施工单位的技术督导现场监督,及时核对当地的实际地质条件与地勘结果,若有偏差,需立即通知设计单位,对设计进行复核和变更。
3.2.4.4基坑(槽)开挖至设计要求深度,并预留相应的管道孔位后,由建设、铁塔设计、地勘、监理等有关人员进行现场验槽,经检验合格后应及时一次性浇筑砼垫层封闭地基,若有疑问或不符合要求应及时处理整改。
表3.2.4.4土方工程外形尺寸的允许偏差和检验方法3.2.4.5基础砼和钢材工程3.2.4.基础用材料A水泥:宜用大厂水泥,进场水泥必须在保质期内,具有合格证,若对质量有疑问时,还应按质量标准进行抽检复验;B钢材:进场钢材必须具有出厂质量证明书并加盖销售红章和试验报告,并按检查标准进行抽样送检(进场一批抽验一批),合格后方能使用。
C模板:模板必须牢固,具有一定强度、刚度和稳定性,其支架的支承部分必须有足够的支承面积。
接缝应严密不漏浆,砼浇筑前应对木模板浇水湿润,钢模板应刷隔离剂。
模板内杂物泥土等应清理干净。
3.2.4.钢材表面清洁:材料表面必须清洁除锈。
带有颗粒状或片状老锈,经除锈后仍留有麻点的钢材严禁按原规格使用。
3.2.4.施工注意事项:砼浇筑前宜按设计标号进行试配,试配合格后施工单位技术人员应根据现场材料出具配合比通知单;钢筋在下料、成型等加工时,应自行检验,如发生脆断,焊接性能不良或力学性能不正常等现象,应立即停止加工并取样对该批钢材进行化学成份分析。
铁塔组⽴⼯艺要求及质量验评标准⼀、铁塔组⽴⼯艺要求1.1线路⽅向本⼯程铁塔基础的编号A、B、C、D以线路塔号递增⽅向,顺时针排序,即由灵州(⼩号)⾄绍兴(⼤号)⽅向,如图3-1所⽰。
绍兴图3-1 塔脚编号⽰意图铁塔与基础连接型式本标段铁塔与基础的连接采⽤⽔平塔脚板式及插⼊式⾓钢,基础半根开指地脚螺栓中⼼及插⼊⾓钢重⼼线⾄铁塔中⼼线的距离。
3.3.1 材质铁塔构件的钢种为Q235B、Q345B和Q420B;连接螺栓以热浸镀锌成品后的强度为标准来分级,M16、M20螺栓为6.8级,M24螺栓为8.8级;3.3.2 材料规格构件加⼯运输过程中采⽤单基包装。
必须在现场按图纸认真核对材料规格。
3.3.3 ⾦具挂点直线塔导线挂点考虑了单双挂两种挂线⽅式,加⼯时均按单双挂通⽤加⼯。
施⼯时应根据电⽓挂线⽅式安图组装。
3.3.4施⼯⽤孔本⼯程耐张塔及直线塔均设有施⼯⽤孔。
铁塔组⽴时,钢丝绳宜通过⼯具挂在施⼯孔上,不得直接缠绕在铁塔构件上,防⽌镀锌层脱落和损伤构件。
施⼯时不得随便增加受⼒点⽽造成⾓钢受弯的危险情况,严禁采⽤“⼆倍荷重”的起吊办法。
直线塔采⽤横担起吊导地线时应使前后侧起吊点同时均匀受⼒。
3.3.5 防卸螺栓与防松螺栓最短腿离地⾼10m以下的连接螺栓采⽤防卸螺栓;若在10m处遇有节点板或接头时,其上所有螺栓均使⽤防卸螺栓,防卸螺栓的规格和强度级别应与原施⼯图中相应的螺栓相同;铁塔除防卸螺栓、双螺母、防舞动外,其它单帽螺栓和脚钉均采⽤防松措施,配⼀帽、⼀垫、加⼀个薄螺母,并要求出扣,但挂线⾓钢处应采⽤双帽防松。
业主⽅或运⾏⽅有特殊要求的应按照业主⽅或运⾏⽅的要求。
3.4 脚钉安装规定:脚钉从基础顶⾯以上1.5m左右起装,间距⼀般按400mm,当某⼀个脚钉位于节点板、主材接头、塔⾝变坡等位置,上下脚钉间距不能满⾜标准400mm时,该脚钉上下相邻两个或三个脚钉间距之和需满⾜400mm的倍数;当脚钉代替螺栓时,脚钉级别应与被代螺栓等强度;脚钉型式采⽤防滑带弯钩型式。
3.2.4铁塔基础3.2.4.1铁塔基础施工应根据建设单位确定的征地范围,平整场地,根据施工图进行准确的定位放线,并确定±0.000相应的绝对标高,特殊位置应判断铁塔和机房地形摆布位置的安全性和可行性。
3.2.4.2根据放线要求和施工图规定进行基础人工开挖,开挖时若遇坚硬岩石,严禁采用爆破方法进行施工。
3.2.4.3基础开挖必须有施工单位的技术督导现场监督,及时核对当地的实际地质条件与地勘结果,若有偏差,需立即通知设计单位,对设计进行复核和变更。
3.2.4.4基坑(槽)开挖至设计要求深度,并预留相应的管道孔位后,由建设、铁塔设计、地勘、监理等有关人员进行现场验槽,经检验合格后应及时一次性浇筑砼垫层封闭地基,若有疑问或不符合要求应及时处理整改。
表3.2.4.4土方工程外形尺寸的允许偏差和检验方法3.2.4.5基础砼和钢材工程3.2.4.5.1基础用材料A水泥:宜用大厂水泥,进场水泥必须在保质期内,具有合格证,若对质量有疑问时,还应按质量标准进行抽检复验;B钢材:进场钢材必须具有出厂质量证明书并加盖销售红章和试验报告,并按检查标准进行抽样送检(进场一批抽验一批),合格后方能使用。
C模板:模板必须牢固,具有一定强度、刚度和稳定性,其支架的支承部分必须有足够的支承面积。
接缝应严密不漏浆,砼浇筑前应对木模板浇水湿润,钢模板应刷隔离剂。
模板内杂物泥土等应清理干净。
3.2.4.5.2钢材表面清洁:材料表面必须清洁除锈。
带有颗粒状或片状老锈,经除锈后仍留有麻点的钢材严禁按原规格使用。
3.2.4.5.3施工注意事项:砼浇筑前宜按设计标号进行试配,试配合格后施工单位技术人员应根据现场材料出具配合比通知单;钢筋在下料、成型等加工时,应自行检验,如发生脆断,焊接性能不良或力学性能不正常等现象,应立即停止加工并取样对该批钢材进行化学成份分析。
3.2.4.5.4钢材的规格、形状、尺寸、数量、间距、锚固长度、接头设置必须符合设计要求和施工规范的规定。
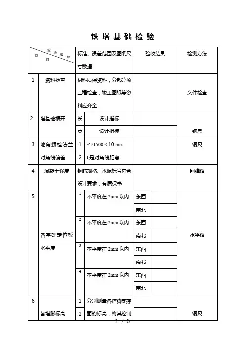
中国联通网络公司山东省分公司铁塔及塔基工程验收细则网络公司山东省分公司2012年1月一、铁塔基础验收细则1、基础位置和高度应符合工程设计要求。
2、基础不得出现不均匀沉降。
3、铁塔基础顶面应平整,标高允许偏差±3mm,水平度允许偏差1/1000, 多边形铁塔的各对应基础顶面相对高度最大偏差±3mm。
4、支承表面(法兰或塔柱脚上端面)标高允许偏差±3mm,水平度(法兰或塔柱脚上端面)允许偏差1/500且不大于3mm。
5、地脚螺栓露出基础顶面长度应符合工程设计要求。
螺栓应垂直,不得变形。
多边形铁塔的各对应基础螺栓中心间距允许偏差±3mm。
6、基础根开及对角线符合设计要求。
7、砼强度应符合设计要求,钢筋规格、水泥标号符合设计要求,并有合格证书。
8、砼基础符合设计标准,不准出现蜂窝、麻面、孔洞、漏筋、缺棱掉角等现象。
9、各种材料证明、施工记录和隐蔽验收资料齐全。
二、铁塔验收细则(一)铁塔支承面1、钢塔柱脚下面的支撑构造,应符合设计要求。
需要填钢板时必须填实75%以上,每叠不得多于两块,垫入后其边缘应与基础锚栓定位版焊接,并做防腐处理。
2、钢塔柱底板(法兰)与基础间的空隙(为调整法兰底板水平高差而预留之空隙),在终验结束后应用微膨胀细石砼浇筑密实。
3、地脚锚栓露出基础顶面部分进行热镀锌处理或防腐处理,并妥善保护,防止锈蚀与损伤。
地脚螺栓埋入基础部分严禁镀锌处理。
(二)金属结构1、材料(1)铁塔材料规格尺寸符合设计要求,并有材料合格证、出厂证明及理化试验报告。
(2)各塔段主材以及主梁必须是整条材料,严禁出现接头,单管塔必须是整条板材,严禁径向环缝拼接,焊缝不能开裂。
(3)塔桅钢构件应符合设计要求和验收规范的规定。
运输、堆放、吊装等造成的钢构件变形及涂层脱落,应进行矫正和修补,但碳素结构钢在环境温度低于-16℃、低合金结构钢在环境温度低于-12℃时,不得对构件进行冷矫正和冷弯曲。
铁塔组立施工工艺导则铁塔组立就像是一场超级酷炫的大型乐高搭建,只不过这乐高是巨大无比的钢铁家伙。
想象一下,那铁塔的部件就像一群等待被召集的超级英雄,各自有着独特的使命。
在施工之前的准备工作就像是烹饪前的食材准备。
材料得齐全啊,就像做菜不能缺盐少醋一样,铁塔的各种钢材构件要是缺了哪一个,那可就像要做蛋糕却没了面粉,完全没法进行下去嘛。
而且这些构件的质量检查,必须得像挑水果一样仔细,有一点瑕疵都不行,毕竟这可不是普通的玩具,是要顶天立地的铁塔。
基础施工就像是给铁塔打造一个超级稳固的“脚底板”。
这个脚底板得深深扎根在土地里,要像大树的根一样坚不可摧。
要是基础没做好,铁塔就像个站不稳的醉汉,风一吹就得晃悠,那可不得了。
接着是铁塔组立的方式选择,这就像是选择不同的战斗策略。
有整体组立,就像一下子把一个完整的变形金刚给立起来,超级霸气。
还有分解组立,就像把一个大拼图一块一块拼起来,每个小块都得严丝合缝。
在组立的过程中,那起吊设备就像大力水手吃了菠菜后的手臂,充满了力量。
把一个个沉重的构件稳稳地吊起,在空中进行对接。
这个对接的过程啊,就像两个久别重逢的老友拥抱,得刚刚好,偏差一点就像两个人拥抱的时候脸撞在了一起,那可就尴尬又危险了。
螺栓的安装就像给铁塔穿上一件件小铠甲。
每个螺栓都要拧紧,要是有一个松松垮垮的,就像铠甲上有个大口子,敌人(风雨等自然因素)一来,铁塔就很容易受伤。
施工人员在铁塔上就像一群灵活的小猴子,在钢铁的丛林里穿梭自如。
他们还得像最严谨的工匠,每一个操作都精准无比。
还有那施工安全措施,这可不能马虎。
安全防护装备就像超级英雄的护盾,必须时刻穿戴好。
一旦安全出了问题,那铁塔组立就像一场正在演奏的音乐会突然断了弦,一切都乱套了。
等铁塔组立好之后,它就像一个威风凛凛的钢铁巨人站在那里。
不管是烈日暴晒还是狂风暴雨,都得像一个忠诚的卫士一样坚守岗位。
它俯瞰着大地,就像一个王者在巡视自己的领地,而这一切的成功都源于那一套严格又有趣的铁塔组立施工工艺导则。
02010200 00 02010201 0002010201 01杆塔组立工程杆塔组立工程自立式铁塔组立施工标准工艺( 1)塔材、螺栓、脚钉及垫片等应有出厂合格( 1)基础混凝土强度达到设计强度的证。
70%,方能进行分解组塔。
( 2)塔材无弯曲、脱锌、变形、错孔、磨损。
( 2)铁塔组装前应根据塔型结构图分段( 3)螺栓的螺纹不应进入剪切曲。
选料核对塔材,并对塔材进行外观检查,( 4)螺栓紧固力矩符合规范要求,且上限不宜不符合规范要求的塔材不得组装。
超过规定值的 20%。
( 3)角钢铁塔分解组立司采用起重机、( 5)自立式转角塔、终端塔应组立在斜平面的座地抱杆、悬浮抱杆等工器具。
使用抱杆基础上,向受力反方向预倾斜,预倾斜符合规组塔,宜采用专用辅助装置安装抱杆承托定。
绳、腰箍拉线等,辅助装置宜采用螺栓连( 6)铁塔组立后,各相邻主材节点间弯陆度不接方式与塔材固定。
得超过 1 /800。
( 4)铁塔组立应有防止塔材变形、磨损角钢铁塔分的措施,临旧接地应连接可靠,每段安装( 7)每腿均设置接地孔,接地孔位置应保证接解组立完毕铁塔辅材、螺栓应装齐,严禁强行组地引下线联板顺利安装。
( 8)螺栓穿向应一致美观。
螺母拧紧后,螺打装。
露出螺母的受度:对单螺母,不应小于两个螺( 5)抱杆每次提升前,须将已组立塔段距,对双螺母,可与螺母相平。
螺栓露扣长度的横隔利装齐,悬浮抱杆腰箍不得少于2不应超过 20mm 或川个螺距。
道。
( 9)杆塔脚钉安装应齐个,脚蹬侧不得露丝,( 6)吊片就位应先低后高,严禁强行组弯钩朝向应一致向上。
装。
( 10)防盗螺栓安装到位,安装高度符合设计( 7)塔身分片吊装,吊点应选在两侧主要求。
防松帽安装齐全。
材节点处,距塔片上段距离不大于该片高( 11)直线塔结构倾斜率;对一般塔不大于度的 1/3,对于吊点位置根开较大、辅材0.24%,对高塔不人于 0.12%。
耐张塔架线后较弱的吊片应采取补强措施。
铁塔基础检验
分公司基站名称基站代号
测试人员:
验收结论:
存在问题:
验收小组人员(签字):
年月日
铁塔主体检验(一)
验收结论:
存在问题:
验收小组人员(签字):
年月日
铁塔主体检验(二)
分公司基站名称基站代号
验收结论:
存在问题:
验收小组人员(签字):
年 月 日
12 天线加挂支柱
支撑、挂高、垂度、方位应
符合设计要求,应与钢塔结构构件牢固联结
13 护笼
符合设计要求
14 馈线固定支架 符合设计要求
15 馈线过桥 位置、强度应符合设计要求,应与钢塔结构构件牢固联结 16
避雷接地
避雷线自避雷针底部满焊至接地体,焊接处需防锈处理,下塔体紧固平整,避雷针高度、接地位置应符合设计要求
17 塔脚包封
铁塔竣工验收后,应要求承 包单位将塔脚按要求做包封处理
塔灯 电力线加防护装置, 工作正常。
接地电阻
铁塔地线与工作地、保护地在地下联成一体,接地电阻<5Ω(以设计文件为准)
地阻测试仪
X。
750千伏白银~黄河Ⅱ回输电线路工程铁塔组立工艺要求一、铁塔螺栓:1、铁塔螺栓均为强度 6.8 级的热镀锌螺栓。
2、本工程铁塔所有螺栓,均须在螺帽侧安装一个垫片。
3、铁塔螺栓的穿向依据750 查收规范的要求进行安装。
a)对峙体构造:①水平方向由内向外 (塔身、横担 );②垂直方向由下向上(塔身横隔面、横担上下盖)。
b)对平面构造:①顺线路方向,由白银变侧穿入;②横线路方向,双侧由内向外,中间由左向右 (左右是指面向黄河变侧,下同 );③垂直地面方向者由下向上;④铁塔下部八字铁内平面由下向上。
c)比较本工程塔型特色,要求以下①ZB 型铁塔下曲臂上、下平面均由下向上穿;上曲臂内外平面对穿;横担上下平面螺栓均由下向上穿;线路中心断面由左向右穿;其他断面由内向外穿。
②个别螺栓不易安装时,穿入方向同意更改办理。
d)螺栓穿向以以下图所示:二、铁塔的防盗要求:防盗螺栓的安装高度的依据铁塔图纸加工说明的规定(铁塔最短腿以上 9 m 地点以下的所有螺栓)进行安装。
建设单位正在申请增添防盗螺栓数目,上司同意后由建设单位另行通知安装区段。
三、铁塔的防松要求:本工程铁塔螺栓均在螺帽侧加有垫片,除双帽及防盗螺栓外,均加一扣紧螺母。
图纸中的所有螺栓均加长5mm (无扣长度不变)。
四、铁塔脚钉的安装要求:1、铁塔脚钉强度均为 6.8 级。
2、脚钉的垫片一致安装在主材内侧,脚钉在主材内侧进行紧固,弯钩侧丝扣与螺帽平齐。
3 、脚钉从离地面 1.5 米处开始向上装设,间距400 ~450mm ,加工放样时可适合调整脚钉的地点,但斜材、辅材与主材各排心线交点处的螺栓不可以用脚钉来取代。
4、非防盗脚钉采纳扣紧螺母防松。
5、直线塔、直线转角塔脚钉安装在线路行进方向 (面向黄河变成线路行进方向,下同 )的右后( D)腿主材上;平口以上安装在左前、右后曲臂主材上。
6、转角塔横担以下脚钉安装在线路转角方向内侧小号侧方向的塔腿( D 或 A )主材上;横担以上脚钉安装在线路转角方向外侧小号侧方向的塔腿( A 或 D)主材上。
铁塔组立施工质量与安全措施一、工程概况本工程共新建铁塔219基,起于长合220kV变电站,止于江津分输压气站110kV 变电站;分为二条单回路设计,长合变终端塔出线采用同塔双回设计;其中一回线路长为36.116km,二回线路长为37.561km。
其中直线塔123基,耐张塔96基。
二、质量保证措施2.1现场构件应分类、分段号摆放。
2.2不得用角钢作其他承力使用,如:当撬棍等。
防止构件弯曲变形。
2.3如因运输造成局部镀锌层磨损时(小于100mm2),应喷防锈漆,进行防锈处理。
喷前应将磨损处清洗干净并保持干燥。
2.4检查构件的弯曲度,角钢的弯曲度不应超过相应长度的1/800。
2.5螺栓防盗栓槽统一朝上。
2.6螺栓连接构件组装规定1、铁塔各构件的组装应牢固,交叉处有空隙者,应按设计图纸加装对应厚度的垫片。
2、螺栓应与构件面垂直,螺栓头平面与构件不应有空隙。
3、螺母拧紧后螺杆露出螺帽的长度,对单螺母不应小于两个螺距,对双螺母可与螺母相平。
2.7螺栓数量不得缺少,规格必须符合设计图纸要求,穿向应符合本工程的统一规定和铁塔图纸会审纪要的要求。
2.8螺杆与螺母的螺纹有滑牙或螺母棱角磨损以至扳手打滑的螺栓必须更换。
2.9铁塔组装有困难时,严禁强行组装,应查明原因。
对于有误的板件应划印,逐件登记交材料站退回厂家处理。
2.10塔材需切角时,其边距尺寸应满足表78-1的要求,切角后应涂漆防锈。
2.11地面组装完成以后,应对组装质量做一次全面检查,如发现有质量缺陷应按规定处理后再转入下一道工序。
其内容包括1、构件是否齐全,缺少的构件是送料缺件,还是原构件加工尺寸错误装不上;2、各部位尺寸是否正确,特别是分段连接处包钢是否正确;3、组装的构件有无歪扭和弯曲,是否有空隙未加垫圈;4、螺栓是否齐全,紧固;5、镀锌层有无剥落。
2.12铁件与钢丝绳的接触面必须垫麻袋等软物,保护镀锌层。
2.13断面较大或主材单薄的塔片必须用圆木补强。
一、铁塔组立工艺要求1.1线路方向本工程铁塔基础的编号A、B、C、D以线路塔号递增方向,顺时针排序,即由灵州(小号)至绍兴(大号)方向,如图3-1所示。
绍兴图3-1 塔脚编号示意图铁塔与基础连接型式本标段铁塔与基础的连接采用水平塔脚板式及插入式角钢,基础半根开指地脚螺栓中心及插入角钢重心线至铁塔中心线的距离。
3.3.1 材质铁塔构件的钢种为Q235B、Q345B和Q420B;连接螺栓以热浸镀锌成品后的强度为标准来分级,M16、M20螺栓为6.8级,M24螺栓为8.8级;3.3.2 材料规格构件加工运输过程中采用单基包装。
必须在现场按图纸认真核对材料规格。
3.3.3 金具挂点直线塔导线挂点考虑了单双挂两种挂线方式,加工时均按单双挂通用加工。
施工时应根据电气挂线方式安图组装。
3.3.4施工用孔本工程耐张塔及直线塔均设有施工用孔。
铁塔组立时,钢丝绳宜通过工具挂在施工孔上,不得直接缠绕在铁塔构件上,防止镀锌层脱落和损伤构件。
施工时不得随便增加受力点而造成角钢受弯的危险情况,严禁采用“二倍荷重”的起吊办法。
直线塔采用横担起吊导地线时应使前后侧起吊点同时均匀受力。
3.3.5 防卸螺栓与防松螺栓最短腿离地高10m以下的连接螺栓采用防卸螺栓;若在10m处遇有节点板或接头时,其上所有螺栓均使用防卸螺栓,防卸螺栓的规格和强度级别应与原施工图中相应的螺栓相同;铁塔除防卸螺栓、双螺母、防舞动外,其它单帽螺栓和脚钉均采用防松措施,配一帽、一垫、加一个薄螺母,并要求出扣,但挂线角钢处应采用双帽防松。
业主方或运行方有特殊要求的应按照业主方或运行方的要求。
3.4 脚钉安装规定:脚钉从基础顶面以上1.5m左右起装,间距一般按400mm,当某一个脚钉位于节点板、主材接头、塔身变坡等位置,上下脚钉间距不能满足标准400mm时,该脚钉上下相邻两个或三个脚钉间距之和需满足400mm的倍数;当脚钉代替螺栓时,脚钉级别应与被代螺栓等强度;脚钉型式采用防滑带弯钩型式。
单角钢采用左右两角钢肢上交错排列,组合角钢在外角钢的一肢上采用前后或左右交错排列(在组合角钢上凡无脚钉代替螺栓的脚钉边距均取30mm)。
铁塔的塔身、塔腿均在B、D 腿布置脚钉,横担以上及地线支架脚钉同样安装在B、D腿侧;转角塔地线支架脚钉按左右对称安装,即:右转时安装在正面左、右地线支架外侧主材上(B、D腿所在侧),左转时装在背面左、右地线支架外侧主材上(A、C腿所在侧)。
塔身的脚钉弯头一律沿主材中心线方向向上;横担、地线支架的脚钉端头一律垂直向上,做到整齐一致。
脚钉等同螺栓处理。
如代替螺栓,须与其替换的螺栓级别相同。
脚钉垫片安装在螺母紧固侧。
脚钉安装、紧固后,弯钩侧不能留有丝扣。
3.5 塔体螺栓穿向:3.5.1一般规定1)本工程除防盗螺栓外,全塔均为双帽螺栓(一厚一薄),舞动区全塔均使用等厚双母螺栓。
2)铁塔构件组装应紧密,交叉铁有空隙处,安装相应厚度的垫片;螺栓无扣长度大于或等于通过厚度者,应在丝扣端加装垫片。
3)螺栓紧固后,螺杆应与构件面垂直,露出长度为:单帽者不应少于2个螺距,双帽者允许平扣。
3.5.2 螺栓穿向1)立体结构:水平方向由内向外,垂直方向由下向上。
2)平面结构:顺线路方向由送电侧穿入,横线路方向两侧由内向外,中间由左向右(面向受电侧)穿,垂直方向由下向上。
3)斜面结构:由斜下向斜上穿,不便时应在同一斜面内取统一方向。
4)个别螺栓不易安装时,穿入方向允许变更处理。
5)凡双角钢主材(含连板)上的螺栓穿向按线路前进方向顺时针方向布置,对于个别螺栓存在相碰情况时,可以按实际情况调整。
图4 双肢主材螺栓穿向示意图3.6 螺栓紧固要求:螺栓紧固标准1)铁塔螺栓应逐个紧固,螺杆与螺母的螺纹不应用滑牙或棱角磨损的现象发生,否则应更换螺栓。
螺栓扭矩值不应小于下表值。
扭矩值(N·cm)螺栓规格6.88.8M1680000/M20160000/M24/2500002)双帽中的第一个螺母按扭矩要求紧固,第二个则紧固即可。
在紧固第二个螺母时,前一个螺母要用扳手止动。
3)为保护塔材镀锌层,所有螺母与塔材连接处均应加装相应规格的垫片。
3.7 接地孔本工程各塔型四腿均需开设2个接地孔(孔径Ф17.5mm),孔间距60mm。
座板式:接地孔距角钢肢边25mm,座板式最下接地孔与靴板距离不小于250mm,且离基础主柱顶面高度不宜大于1500mm;插入式:接地孔打在角钢主材两排螺栓的正中间,插入角钢式保证最下接地孔与塔腿斜材和主材连接板上最上端螺栓的距离不小于240mm,保证接地板不与其它构件相碰,并安装方便。
接地引下线需按风车布置,D腿的接地孔布置在顺线路侧,如下图所示:3.9长短腿安装安装长短塔腿时,需明确塔腿具体配置情况,确保塔腿主材、斜材安装正确,同时应注意检查安装脚钉的杆件是否正确,安装塔号牌的斜材是否正确。
3.10 直线塔和直线转角塔架线注意事项1)直线塔和直线转角塔安装起吊导线、地线时,起吊点的位置和起吊荷重的限值必须严格按照每个铁塔结构图中的说明执行;2)直线塔做锚线塔时,锚线对地面夹角不得大于20°;3)直线转角塔不得做临锚塔使用;4)直线塔和直线转角塔在起吊、临锚线时,其滑车应挂在地线支架及横担下主材两侧节点板的预留孔上,使横担两个立面均匀受力。
3.11 耐张塔架线注意事项1)耐张塔可做紧线塔和锚塔使用,但必须在线条的反方向设置临时拉线,临时拉线上端应挂在支架及横担挂线的节点上,对地夹角不得大于45°。
2)施工时,导线、地线的牵引、紧线、临时拉线等所需的预留孔均在施工图中已注明,需按预留孔挂线,未明确时需通知设计代表确认。
3)导线、地线紧线时,不允许出现“四线同紧”(即两极导线、两根地线同时紧线)。
设计要求导线、地线均需错开紧线,紧线牵引绳对地夹角不得大于20°。
4)导线跳线架只按导线跳线绝缘子串的重量设计,不允许“双倍起吊”;起吊跳线绝缘子串时,提升的吊点必须设在跳线架的主材节点的施工孔处,不得在跳线架的横材或斜材以及其他的部件上起吊绝缘子串。
3.12安装顺序先装地线,再装导线,不得出现左(右)侧导地线已装,另一侧均未装的情况。
3.13 休息平台杆塔全高大于70m的铁塔中部设置休息平台。
休息平台设置在脚钉所在主材中部的水平材上,靠在塔身内,并采取相应的防滑措施。
3.14 杆塔极性牌、杆号牌、警示牌安装孔1)线路每基杆塔的小号侧均安装极性标识牌。
直线塔、直线转角塔的极性牌安装在导线正上方横担下平面主材上(遇到节点板或杆件可向横担外侧偏移);转角塔的左导线极性牌安装在左导线悬挂点的右边, 右导线极性牌安装在右导线悬挂点的左边,距离挂线点2.0m 左右。
极性牌的安装孔为2φ17.5,间距为500mm。
2)线路杆塔编号标识牌(简称杆号牌)及警示标识牌一般在杆塔的小号侧左右对称安装。
杆号牌及警示牌均安装在铁塔腿部第一个横隔面水平材靠近塔身主材的位置。
杆号牌挂在小号侧左侧(左后侧),中心距离塔身主材1.0~1.5m;警示牌挂在小号侧右侧(右后侧),中心距离塔身主材1.0~1.5m。
为满足两种挂牌方式,杆号牌和警示牌的挂孔均为5φ17.5,间距为60/300/300/60mm。
根据国家电网公司“±800kV 特高压直流线路杆塔标志牌的规格、型号、颜色规定(试行)”的要求,杆号牌及警示牌在跨越公路的两侧杆塔上,面向公路安装,在其它特殊地形的杆塔悬挂在显眼的方位上,可采用夹具安装,多余螺栓孔用螺栓填实。
3)在铁塔结构图中应根据极性牌、杆号牌、警示牌的大小布置安装孔的位置,保证三牌安装时不与周边的连接板或杆件相碰。
直线塔极性牌安装位置耐张塔极性牌安装位置杆塔编号标识牌安装位置示意图3.15航空障碍灯根据济南空军要求,N1768-N1815铁塔须加装航空障碍灯,设置要求请注意与航空障碍灯厂家的配合,且由航空障碍灯中标厂家指导安装。
3.16防舞动本工程处于Ⅱ、Ⅲ舞动区,根据《架空输电线路防舞设计规范》的要求,耐张塔、紧邻耐张塔的直线塔、重要交叉跨越段铁塔,应全塔采用双螺母防松螺栓(防盗螺栓除外),两个螺母厚度均应采用国标普通螺母厚度。
防舞动塔位见下表:塔号塔型及呼高塔号塔型及呼高塔号塔型及呼高N1751J30103-54N1752Z27101-54N1753Z27101-50 N1754J27102-46N1755Z27102-67N1756J27102-48 N1757Z27102-74N1760Z27102-62N1761J30103-35 N1762Z27102-57N1765Z27103-54N1766Z27104-66 N1767Z27104-49N1768J27102-42N1769ZKC30101A-99 N1770J27101-57N1771ZKC30101A-81N1772J30103-57 N1773ZKC30102A-109N1774J27102-39N1775Z27102-75 N1777Z27104-69N1778Z27102-73N1779Z27102-58 N1780ZJ2710-69N1781ZC27104-78N1782J30103-57 N1783ZC27104-78N1784J27102-35N1785ZC27104-75 N1786ZKC30102A-99N1788Z27102-62N1789J27101-41 N1790ZKC30101A-86N1791ZKC30101A-82N1792J27102-35 N1793Z27101-49N1794Z27103-56N1795J30103-49 N1796Z27104-69N1800Z27101-45N1801J27101-35N1802Z27103-63N1805Z27102-60N1806J30103-35 N1807Z27103-62N1808Z27103-70N1809Z27102-69 N1814Z27101-49N1815J27101-35N1816Z27104-56 N1819Z27101-46N1820J27101-39N1821Z27101-45 N1822J27101-35N1823Z27102-54N1828Z27102-63 N1829J30103-56N1830Z27102-47N1834Z27102-60 N1835J30103-48N1836Z27102-45N1846Z27104-73 N1847Z27104-73N1852Z27104-71N1853Z27103-71 N1854J27102-35N1855Z27101-57N1856J30103-50 N1857Z27103-58N1858Z27102-51N1859Z27101-52 N1864Z27101-43N1865J27101-45N1866Z27102-74 N1867Z27101-56N1868Z27101-44N1869J30103-42 N1870ZKC30101A-95N1871ZKC30101A-89N1872Z27104-58 N1873J27102-51N1874Z27102-71N1876ZC27104-75 N1877J27101-35N1878Z27102-69N1880Z27101-42 N1881J27102-36N1882Z27102-55N1884Z27104-62 N1885Z27103-71N1886ZKC30101A-90N1887Z27104-72 N1888Z27102-53N1889J27102-56N1890Z27103-58 N1895Z27104-61N1896J27102-42N1897ZKC30101A-79 N1898ZKC30101A-82N1899Z27102-44N1900J27102-54 N1901Z27104-74N1903Z27103-68N1904ZC27104-60 N1906ZC27104-61N1907J27101-50N1908Z27104-72 N1913Z27102-54N1914Z27101-49N1925Z27102-63 N1926J27101-36N1927Z27102-60N1928Z27101-57 N1929J27101-45N1930Z27101-50N1933Z27104-71 N1934J30103-47N1935Z27102-48N1936Z27102-55 N1937J27102-51N1938Z27103-58122基3.17防坠落措施铁塔加装防坠落装置,设置要求参照“关于印发《国家电网公司新建线路杆塔作业防坠落装置通用技术规定(试行)》的通知(国家电网基建[2010]184号)”执行,并注意与防坠落生产厂家的配合。