电阻门机调速说明-新【宁波申菱】
- 格式:pdf
- 大小:164.55 KB
- 文档页数:5
1. 产品概要感谢您使用宁波申菱直流电阻门机控制系统,使用前请仔细阅读本使用说明书! 我公司电阻门机均采用三角带二级传动,应用连杆机构及杠杆原理,实现轿门和层门的开门及关门动作。
两种门机均通过连杆机构将主传动机构与轿门连接,主传动机构工作时通过连杆机构使轿门动作,并应用杠杆原理实现快、慢门动作。
同时,连杆带动门刀曲柄,使门刀张开,推动滚轮,通过连杆将层门门锁装置打开,使轿门带动层门同时动作;关门到位时,连杆机构带动门刀曲柄使门刀闭合,层门门锁装置中的锁钩动作,锁住层门,轿门离开。
2.原理说明2.1调速电阻及电阻架编号和排序:RKM 150Ω/200W 接点SSO1 SSO2RGM 51Ω/200W 接点SSC1 SSC2RMD 51Ω/200W 接点KRMDRMD1 51Ω/200W 接点GRMD注:此为电阻架正面视图;则步骤2.3中实物开关器件在正面视图的右边2.2开关门速度调节说明:开门到位信号SLO关门变速信号ss c关门到位信号SL 关门信号速度2.3 各开关动作距离说明触点接通 触点断开 A B SSO2 SSC2 C D SSO1 SSC1 E F SLO SLC 开门过程 关门过程ABCD E F 100—200 100—200 300—400400—5008—1210—20注:单位(mm)以上数据仅供参考2.4 开门机的调节开门机的主要包括:速度的快慢、曲线的合理性等。
该门机的调节是通过变阻来实现的。
调节前先将各变阻触点做好标记,然后依次滑动变阻触点。
当调节到预期的效果后,锁定。
若与预期的效果相反,先将变阻触点滑回到标记处。
再依前一次调节为参照,调至预期效果,锁定。
现将调节参考如下:(参照电气接线图)1. 若关门速度不良,调节GRMD、SSC1、SSC2变阻触点;2. 若开门速度不良,调节KRMD、SSO1、SSO2变阻触点;3. 若关门速度良,曲线不良,调节SSC1、SSC2变阻触点;4. 若开门速度良,曲线不良,调节SSO1、SSO2变阻触点。
目录1.概要 (2)2.注意事项 (2)3.端子功能 (2)4.按键名称和基本操作 (3)5.接线图 (4)6.开关门曲线说明 (5)7.基本调试1 (7)8.基本调试2 (7)9.功能参数表 (9)10. 监控和故障显示 (12)11.与MPK708/808/货梯BLT V-N接线对照 (14)1、概要为适应宁波申菱新推出NSFC01-01型门机控制器的使用要求,编写本调试说明书。
NSFC01-01型门机控制器是结合门机的机械结构和门机用户控制功能的特点,委托松下电工开发的新一代门机专用型变频调速系统。
它通过编码器反馈的信息进行闭环控制,具有优良的调速特性,启动力矩大,动态响应快,齐全的专用保护和状态监视功能,并具有调试简单、运行平稳可靠、噪音低等特点。
2、注意事项1 必须由具有专业资格的人员才能对控制器进行调试、维修或检查。
2 确认输入电源处于完全断开的情况下,才能进行配线作业。
3 不要把输入端子(L,N)与输出端子(U,V,W) 混淆,否则会损坏控制器。
4 将控制器的接线地端子可靠接地,否则有触电危险。
5 通电情况下,不要用手触摸控制端子,否则有触电危险。
6 在充电指示灯彻底熄灭或正负母线电压在36V以下时进行否则有触电的危险。
7 防止螺钉,垫片及金属之类的异物掉进变频器内部否则有火灾及损坏财务的危险。
8 主回路接线用电缆端头的裸露部分,一定要用绝缘胶带包扎好否则有损坏财物的危险。
注: --*为控制器内部接线不在6芯控制电缆线内4、按键名称和基本操作4、1 按键名称4、2 按键基本操作以改变参数P05为22为例:按键次序 显示内容注:参数d 在参数p 之后。
在切换到参数p可得到d 参数5、接线图注意:1.与上位机配线时,请将动力线与控制线分开走线.2.在配接开关门到位输出电缆线时,要确认门控制器输出的逻辑状态与控制柜接收的逻辑相符,门控制器的出厂状态是常闭输出.用户要根据主控制柜实际情况选择到位输出的逻辑状态.( 端子A2)--开到位常开输出,(端子A3)--关到位常开输出, (端子C2-C3 )--输出公共端6、开关门过程说明6、1 开门过程1、以力矩提升为P05、加减速时间为d28,加速到开门低速频率 P15,进入开门起始低速运行。
宁波申菱门机系统使用手册work Information Technology Company.2020YEAR宁波申菱门机系统使用手册一、系统的构成宁波申菱门机变频调速系统硬件部分采用日本松下公司的VF-7F 0.4kw的变频器,FP1-C14型可编程控制器,门机运行变速位置由双稳态开关控制。
1、变频器内部接线如下图:二、开关端子功能简述TKP131-0.5/0.6/0.7型)一、系统的构成宁波申菱门机变频调速系统硬件部分采用日本松下公司的VF-7F 0.4kw的变频器,FP1-C14型可编程控制器,门机运行变速位置由双稳态开关控制。
1、变频器内部接线如下图二、开关端子功能简述1、切换开关当开关置于调试状态时,系统对外部信号不响应,按下手动开、关门按钮时,门机按要求关门或开门;当开关置于系统状态时,系统由外部信号控制,手动开、关门按钮不起作用。
2、手动关门按钮当调试切换开关置于调试状态时,按下该按钮,门机作关门运动,无论门机在何位置,停止按该按钮,门机立即停止关门运动;当调试切换开关置于系统状态时,该按钮不起作用。
3、手动开门按钮当调试切换开关置于调试状态时,按下该按钮,门机作开门运动,无论门机在何位置,停止按该按钮,门机立即停止开门运动;当调试切换开关置于系统状态时,该按钮不起作用。
4、控制输入控制输入部分包括门位置信号输入和外部控制信号输入,具体见接线图一;4-1 门位置控制信号XK1-XK4均为门位置控制信号,开、关门中XK1-XK4的具体时序图如下图所示:1)XK1、XK2、XK3、XK4的时序图开门时的时序图关门时的时序图TKP131-0.5/0.6/0.7型)2)磁性开关位置:注:开门起始区没有根据磁开关的位置定,而是根据时间设定,程序设定为1s。
4-2 外部控制信号七芯电缆中1#线为输入公共端,2#线为开门信号输入,3#线为关门信号输入。
5、控制输出输出部分如图一所示,其中七芯电缆中4#线为输出公共端,5#线为开门到位输出,6#线为关门到位输出。
宁波申菱门机系统使用手册型增清收集整理一、系统的构成宁波申菱门机变频调速系统硬件部分采用日本松下公司的VF-7F 的变频器,FP1-C14型可编程控制器,门机运行变速位置由双稳态开关控制。
1、变频器内部接线如下图 (点击这里查看清晰图片)二、开关端子功能简述1、切换开关当开关置于调试状态时,系统对外部信号不响应,按下手动开、关门按钮时,门机按要求关门或开门;当开关置于系统状态时,系统由外部信号控制,手动开、关门按钮不起作用。
2、手动关门按钮当调试切换开关置于调试状态时,按下该按钮,门机作关门运动,无论门机在何位置,停止按该按钮,门机立即停止关门运动;当调试切换开关置于系统状态时,该按钮不起作用。
3、手动开门按钮当调试切换开关置于调试状态时,按下该按钮,门机作开门运动,无论门机在何位置,停止按该按钮,门机立即停止开门运动;当调试切换开关置于系统状态时,该按钮不起作用。
4、控制输入控制输入部分包括门位置信号输入和外部控制信号输入,具体见接线图一;4-1 门位置控制信号XK1-XK4均为门位置控制信号,开、关门中XK1-XK4的具体时序图如下图所示:1)XK1、XK2、XK3、XK4的时序图开门时的时序图关门时的时序图2)磁性开关位置:注:开门起始区没有根据磁开关的位置定,而是根据时间设定,程序设定为1s。
4-2 外部控制信号七芯电缆中1#线为输入公共端,2#线为开门信号输入,3#线为关门信号输入。
5、控制输出输出部分如图一所示,其中七芯电缆中4#线为输出公共端,5#线为开门到位输出,6#线为关门到位输出。
6、电源输入部分三芯电缆为本控制器的电源输入电缆,黄绿线为电源接地,1#线和2#线为电源输入,其输入要求为单相交流200-240V,且电压是稳定电压。
三、控制曲线及相关参数说明本变频器位置控制采用双稳态磁开关,门机加、减速位置可根据磁性开关位置自行调整,以满足不同的用户要求。
门机开门的曲线由P01,P02,P36,P37,P38等五个参数控制,关门曲线由P32,P33,P34,P39-P44等参数控制。
目录1.概要 (2)2.注意事项 (2)3.端子功能 (2)4.按键名称和基本操作 (3)5.接线图 (4)6.开关门曲线说明 (5)7.基本调试1 (7)8.基本调试2 (7)9.功能参数表 (9)10. 监控和故障显示 (12)11.与MPK708/808/货梯BLT V-N接线对照 (14)1、概要为适应宁波申菱新推出NSFC01-01型门机控制器的使用要求,编写本调试说明书。
NSFC01-01型门机控制器是结合门机的机械结构和门机用户控制功能的特点,委托松下电工开发的新一代门机专用型变频调速系统。
它通过编码器反馈的信息进行闭环控制,具有优良的调速特性,启动力矩大,动态响应快,齐全的专用保护和状态监视功能,并具有调试简单、运行平稳可靠、噪音低等特点。
2、注意事项1 必须由具有专业资格的人员才能对控制器进行调试、维修或检查。
2 确认输入电源处于完全断开的情况下,才能进行配线作业。
3 不要把输入端子(L,N)与输出端子(U,V,W) 混淆,否则会损坏控制器。
4 将控制器的接线地端子可靠接地,否则有触电危险。
5 通电情况下,不要用手触摸控制端子,否则有触电危险。
6 在充电指示灯彻底熄灭或正负母线电压在36V以下时进行否则有触电的危险。
7 防止螺钉,垫片及金属之类的异物掉进变频器内部否则有火灾及损坏财务的危险。
8 主回路接线用电缆端头的裸露部分,一定要用绝缘胶带包扎好否则有损坏财物的危险。
3、端子功能注: --*为控制器内部接线不在6芯控制电缆线内4、按键名称和基本操作4、1 按键名称4、2 按键基本操作 以改变参数P05为22为例:按键次序 显示内容注:参数d 在参数p 之后。
在切换到参数p 后,可得到d参数5、接线图注意:1.与上位机配线时,请将动力线与控制线分开走线.2.在配接开关门到位输出电缆线时,要确认门控制器输出的逻辑状态与控制柜接收的逻辑相符,门控制器的出厂状态是常闭输出.用户要根据主控制柜实际情况选择到位输出的逻辑状态.( 端子A2)--开到位常开输出,(端子A3)--关到位常开输出, (端子C2-C3 )--输出公共端6、开关门过程说明6、1 开门过程1、以力矩提升为P05、加减速时间为d28,加速到开门低速频率 P15,进入开门起始低速运行。
目录1.注意事项 (1)2.端子名称 (1)3.按键名称和基本操作 (1)4.接线图 (2)5.开关门曲线说明 (3)6.基本调试1 (5)7.基本调试2 (5)8.功能参数表 (7)9.监控和故障显示 (10)1、注意事项1.1本控制器型号NSFC01-01与松下型号AAD0302完全等同。
1.2必须由具有专业资格的人员才能对控制器进行调试、维修或检查。
操作前请仔细阅该使用手册。
1.3 确认输入电源处于完全断开的情况下,才能进行配线作业。
1.4不要把输入端子(L,N)与输出端子(U,V,W) 混淆,否则会损坏控制器。
1.5 将控制器的接线地端子可靠接地,否则有触电危险。
1.6 通电情况下,不要用手触摸控制端子,否则有触电危险。
1.7 在充电指示灯彻底熄灭或正负母线电压在36V以下时进行,否则有触电的危险。
1.8 防止螺钉,垫片及金属之类的异物掉进变频器内部,否则有火灾及损坏财务的危险。
1.9 主回路接线用电缆端头的裸露部分,一定要用绝缘胶带包扎好,否则有损坏财物的危险。
[2] 控制端子第1~7号端子请连接无电压接电信号或开路集电极信号。
信号端电压为+12VDC ,输入公共端8为负。
3、按键名称和基本操作3. 2 按键基本操作以改变参数P05为15为例:按键次序 显示内容注意: 在配接开关门到位输出电缆线时,要确认门控制器输出的逻辑状态与控制柜接收的逻辑相符,门控制器的出厂状态是常闭输出.用户要根据主控制柜实际情况选择到位输出的逻辑状态.( 端子A2)--开到位常开输出,(端子A3)--关到位常开输出, (端子C2-C3 )--输出公共端5、开关门过程说明5. 1 开门过程5.1.1 当有开门信号时,门机以力矩提升P05、加速时间d28,频率 d15启动,再以加速时间d29,目标值为d16进入开门起始低速运行。
5.1.2 经过时间d47后,开始以加速时间d30,目标值为d17进入开门高速运行。
高速段频率一般设置为一段即设置参数d17=d19。
宁波申菱门机系统使用手册TKP131-0.5/0.6/0.7型增清收集整理一、系统的构成宁波申菱门机变频调速系统硬件部分采用日本松下公司的VF-7F 0.4kw的变频器,FP1-C14型可编程控制器,门机运行变速位置由双稳态开关控制。
1、变频器内部接线如下图(点击这里查看清晰图片)二、开关端子功能简述1、切换开关当开关置于调试状态时,系统对外部信号不响应,按下手动开、关门按钮时,门机按要求关门或开门;当开关置于系统状态时,系统由外部信号控制,手动开、关门按钮不起作用。
2、手动关门按钮当调试切换开关置于调试状态时,按下该按钮,门机作关门运动,无论门机在何位置,停止按该按钮,门机立即停止关门运动;当调试切换开关置于系统状态时,该按钮不起作用。
3、手动开门按钮当调试切换开关置于调试状态时,按下该按钮,门机作开门运动,无论门机在何位置,停止按该按钮,门机立即停止开门运动;当调试切换开关置于系统状态时,该按钮不起作用。
4、控制输入控制输入部分包括门位置信号输入和外部控制信号输入,具体见接线图一;4-1 门位置控制信号XK1-XK4均为门位置控制信号,开、关门中XK1-XK4的具体时序图如下图所示:1)XK1、XK2、XK3、XK4的时序图开门时的时序图关门时的时序图2)磁性开关位置:4-2 外部控制信号七芯电缆中1#线为输入公共端,2#线为开门信号输入,3#线为关门信号输入。
5、控制输出输出部分如图一所示,其中七芯电缆中4#线为输出公共端,5#线为开门到位输出,6#线为关门到位输出。
6、电源输入部分三芯电缆为本控制器的电源输入电缆,黄绿线为电源接地,1#线和2#线为电源输入,其输入要求为单相交流200-240V,且电压是稳定电压。
三、控制曲线及相关参数说明本变频器位置控制采用双稳态磁开关,门机加、减速位置可根据磁性开关位置自行调整,以满足不同的用户要求。
门机开门的曲线由P01,P02,P36,P37,P38等五个参数控制,关门曲线由P32,P33,P34,P39-P44等参数控制。
目录1.注意事项 (1)2.端子名称 (1)3.按键名称和基本操作 (1)4.接线图 (2)5.开关门曲线说明 (3)6.基本调试1 (5)7.基本调试2 (5)8.功能参数表 (7)9.监控和故障显示 (10)1、注意事项1.1本控制器型号NSFC01-01与松下型号AAD0302完全等同。
1.2必须由具有专业资格的人员才能对控制器进行调试、维修或检查。
操作前请仔细阅该使用手册。
1.3 确认输入电源处于完全断开的情况下,才能进行配线作业。
1.4不要把输入端子(L,N)与输出端子(U,V,W) 混淆,否则会损坏控制器。
1.5 将控制器的接线地端子可靠接地,否则有触电危险。
1.6 通电情况下,不要用手触摸控制端子,否则有触电危险。
1.7 在充电指示灯彻底熄灭或正负母线电压在36V以下时进行,否则有触电的危险。
1.8 防止螺钉,垫片及金属之类的异物掉进变频器内部,否则有火灾及损坏财务的危险。
1.9 主回路接线用电缆端头的裸露部分,一定要用绝缘胶带包扎好,否则有损坏财物的危险。
[2] 控制端子第1~7号端子请连接无电压接电信号或开路集电极信号。
信号端电压为+12VDC ,输入公共端8为负。
3、按键名称和基本操作3. 2 按键基本操作以改变参数P05为15为例:按键次序 显示内容注意: 在配接开关门到位输出电缆线时,要确认门控制器输出的逻辑状态与控制柜接收的逻辑相符,门控制器的出厂状态是常闭输出.用户要根据主控制柜实际情况选择到位输出的逻辑状态.( 端子A2)--开到位常开输出,(端子A3)--关到位常开输出, (端子C2-C3 )--输出公共端5、开关门过程说明5. 1 开门过程5.1.1 当有开门信号时,门机以力矩提升P05、加速时间d28,频率 d15启动,再以加速时间d29,目标值为d16进入开门起始低速运行。
5.1.2 经过时间d47后,开始以加速时间d30,目标值为d17进入开门高速运行。
高速段频率一般设置为一段即设置参数d17=d19。
目录1.概要 (2)2.注意事项 (2)3.端子功能 (2)4.按键名称和基本操作 (3)5.接线图 (4)6.开关门曲线说明 (5)7.基本调试1 (7)8.基本调试2 (7)9.功能参数表 (9)10. 监控和故障显示 (12)11.与MPK708/808/货梯BLT V-N接线对照 (14)1、概要为适应宁波申菱新推出NSFC01-01型门机控制器的使用要求,编写本调试说明书。
NSFC01-01型门机控制器是结合门机的机械结构和门机用户控制功能的特点,委托松下电工开发的新一代门机专用型变频调速系统。
它通过编码器反馈的信息进行闭环控制,具有优良的调速特性,启动力矩大,动态响应快,齐全的专用保护和状态监视功能,并具有调试简单、运行平稳可靠、噪音低等特点。
2、注意事项1 必须由具有专业资格的人员才能对控制器进行调试、维修或检查。
2 确认输入电源处于完全断开的情况下,才能进行配线作业。
3 不要把输入端子(L,N)与输出端子(U,V,W) 混淆,否则会损坏控制器。
4 将控制器的接线地端子可靠接地,否则有触电危险。
5 通电情况下,不要用手触摸控制端子,否则有触电危险。
6 在充电指示灯彻底熄灭或正负母线电压在36V以下时进行否则有触电的危险。
7 防止螺钉,垫片及金属之类的异物掉进变频器内部否则有火灾及损坏财务的危险。
8 主回路接线用电缆端头的裸露部分,一定要用绝缘胶带包扎好否则有损坏财物的危险。
注: --*为控制器内部接线不在6芯控制电缆线内4、按键名称和基本操作4、1 按键名称4、2 按键基本操作以改变参数P05为22为例:按键次序 显示内容注:参数d 在参数p 之后。
在切换到参数p可得到d 参数5、接线图注意:1.与上位机配线时,请将动力线与控制线分开走线.2.在配接开关门到位输出电缆线时,要确认门控制器输出的逻辑状态与控制柜接收的逻辑相符,门控制器的出厂状态是常闭输出.用户要根据主控制柜实际情况选择到位输出的逻辑状态.( 端子A2)--开到位常开输出,(端子A3)--关到位常开输出, (端子C2-C3 )--输出公共端6、开关门过程说明6、1 开门过程1、以力矩提升为P05、加减速时间为d28,加速到开门低速频率 P15,进入开门起始低速运行。
宁波申菱门机变频调速系统操作手册一、系统的构成宁波申菱门机变频调速系统硬件部分采用日本松下公司的VF-7F 0.4kw的变频器,FP1-C14型可编程控制器,门机运行变速位置由双稳态开关控制。
1、变频器内部接线如下图二、开关端子功能简述1、切换开关当开关置于调试状态时,系统对外部信号不响应,按下手动开、关门按钮时,门机按要求关门或开门;当开关置于系统状态时,系统由外部信号控制,手动开、关门按钮不起作用。
2、手动关门按钮当调试切换开关置于调试状态时,按下该按钮,门机作关门运动,无论门机在何位置,停止按该按钮,门机立即停止关门运动;当调试切换开关置于系统状态时,该按钮不起作用。
3、手动开门按钮当调试切换开关置于调试状态时,按下该按钮,门机作开门运动,无论门机在何位置,停止按该按钮,门机立即停止开门运动;当调试切换开关置于系统状态时,该按钮不起作用。
4、控制输入控制输入部分包括门位置信号输入和外部控制信号输入,具体见接线图一;4-1 门位置控制信号XK1-XK4均为门位置控制信号,开、关门中XK1-XK4的。
4-2 外部控制信号七芯电缆中1#线为输入公共端,2#线为开门信号输入,3#线为关门信号输入。
5、控制输出输出部分如图一所示,其中七芯电缆中4#线为输出公共端,5#线为开门到位输出,6#线为关门到位输出。
6、电源输入部分三芯电缆为本控制器的电源输入电缆,黄绿线为电源接地,1#线和2#线为电源输入,其输入要求为单相交流200-240V,且电压是稳定电压。
三、控制曲线及相关参数说明本变频器位置控制采用双稳态磁开关,门机加、减速位置可根据磁性开关位置自行调整,以满足不同的用户要求。
门机开门的曲线由P01,P02,P36,P37,P38等五个参数控制,关门曲线由P32,P33,P34,P39-P44等参数控制。
具体参数功能说明如下:P01--开门加速时间(第一加速时间)P02--开门减速时间(第一减速时间)P36--开门快速频率(预设频率6)P37--开门高速频率(预设频率7)P38--开门低速频率(预设频率8)P32--关门快速频率(预设频率2)P33--关门高速频率(预设频率3)P34--关门低速频率(预设频率4)P35--开门到位力矩保持频率(预设频率5)P39--关门快速加速时间(第二加速时间)P40--关门快速减速时间(第二减速时间)P41--关门高速加速时间(第三加速时间)P42--关门高速减速时间(第三减速时间)P43--关门低速加速时间(第四加速时间)P44--关门低速减速时间(第四减速时间)运行曲线图(如图二所示):★开、关门到位力矩保持1、05型门机控制系统载力矩保持;2、06/07型门机控制系统,开门到位力矩保持频率由P36设定;关门到位力矩保持由X0切换,保持频率由速度1控制,出厂设定为0.5Hz,(关门到位后,按操作面板上的上下键可改变其频率。
申菱门机系统使用手册TKP131-0.5/0.6/0.7型增清收集整理一、系统的构成申菱门机变频调速系统硬件部分采用日本松下公司的VF-7F 0.4kw的变频器,FP1-C14型可编程控制器,门机运行变速位置由双稳态开关控制。
1、变频器部接线如下图 (点击这里查看清晰图片)二、开关端子功能简述1、切换开关当开关置于调试状态时,系统对外部信号不响应,按下手动开、关门按钮时,门机按要求关门或开门;当开关置于系统状态时,系统由外部信号控制,手动开、关门按钮不起作用。
2、手动关门按钮当调试切换开关置于调试状态时,按下该按钮,门机作关门运动,无论门机在何位置,停止按该按钮,门机立即停止关门运动;当调试切换开关置于系统状态时,该按钮不起作用。
3、手动开门按钮当调试切换开关置于调试状态时,按下该按钮,门机作开门运动,无论门机在何位置,停止按该按钮,门机立即停止开门运动;当调试切换开关置于系统状态时,该按钮不起作用。
4、控制输入控制输入部分包括门位置信号输入和外部控制信号输入,具体见接线图一;4-1 门位置控制信号XK1-XK4均为门位置控制信号,开、关门中XK1-XK4的具体时序图如下图所示:1)XK1、XK2、XK3、XK4的时序图开门时的时序图关门时的时序图2)磁性开关位置:注:开门起始区没有根据磁开关的位置定,而是根据时间设定,程序设定为1s。
4-2 外部控制信号七芯电缆中1#线为输入公共端,2#线为开门信号输入,3#线为关门信号输入。
5、控制输出输出部分如图一所示,其中七芯电缆中4#线为输出公共端,5#线为开门到位输出,6#线为关门到位输出。
6、电源输入部分三芯电缆为本控制器的电源输入电缆,黄绿线为电源接地,1#线和2#线为电源输入,其输入要求为单相交流200-240V,且电压是稳定电压。
三、控制曲线及相关参数说明本变频器位置控制采用双稳态磁开关,门机加、减速位置可根据磁性开关位置自行调整,以满足不同的用户要求。
宁波申菱门机系统使用手册-标准化文件发布号:(9556-EUATWK-MWUB-WUNN-INNUL-DDQTY-KII宁波申菱门机系统使用手册型增清收集整理一、系统的构成宁波申菱门机变频调速系统硬件部分采用日本松下公司的VF-7F 的变频器,FP1-C14型可编程控制器,门机运行变速位置由双稳态开关控制。
1、变频器内部接线如下图 (点击这里查看清晰图片)二、开关端子功能简述1、切换开关当开关置于调试状态时,系统对外部信号不响应,按下手动开、关门按钮时,门机按要求关门或开门;当开关置于系统状态时,系统由外部信号控制,手动开、关门按钮不起作用。
2、手动关门按钮当调试切换开关置于调试状态时,按下该按钮,门机作关门运动,无论门机在何位置,停止按该按钮,门机立即停止关门运动;当调试切换开关置于系统状态时,该按钮不起作用。
3、手动开门按钮当调试切换开关置于调试状态时,按下该按钮,门机作开门运动,无论门机在何位置,停止按该按钮,门机立即停止开门运动;当调试切换开关置于系统状态时,该按钮不起作用。
4、控制输入控制输入部分包括门位置信号输入和外部控制信号输入,具体见接线图一;4-1 门位置控制信号XK1-XK4均为门位置控制信号,开、关门中XK1-XK4的具体时序图如下图所示:1)XK1、XK2、XK3、XK4的时序图开门时的时序图关门时的时序图2)磁性开关位置:注:开门起始区没有根据磁开关的位置定,而是根据时间设定,程序设定为1s。
4-2 外部控制信号七芯电缆中1#线为输入公共端,2#线为开门信号输入,3#线为关门信号输入。
5、控制输出输出部分如图一所示,其中七芯电缆中4#线为输出公共端,5#线为开门到位输出,6#线为关门到位输出。
6、电源输入部分三芯电缆为本控制器的电源输入电缆,黄绿线为电源接地,1#线和2#线为电源输入,其输入要求为单相交流200-240V,且电压是稳定电压。
三、控制曲线及相关参数说明本变频器位置控制采用双稳态磁开关,门机加、减速位置可根据磁性开关位置自行调整,以满足不同的用户要求。
宁波申菱门机系统使用手册TKP131-0.5/0.6/0.7型增清收集整理一、系统的构成 宁波申菱门机变频调速系统硬件部分采用日本松下公司的VF-7F 0.4kw的变频器,FP1-C14型可编程控制器,门机运行变速位置由双稳态开关控制。
1、变频器内部接线如下图 (点击这里查看清晰图片)二、开关端子功能简述1、切换开关 当开关置于调试状态时,系统对外部信号不响应,按下手动开、关门按钮时,门机按要求关门或开门;当开关置于系统状态时,系统由外部信号控制,手动开、关门按钮不起作用。
2、手动关门按钮 当调试切换开关置于调试状态时,按下该按钮,门机作关门运动,无论门机在何位置,停止按该按钮,门机立即停止关门运动;当调试切换开关置于系统状态时,该按钮不起作用。
3、手动开门按钮 当调试切换开关置于调试状态时,按下该按钮,门机作开门运动,无论门机在何位置,停止按该按钮,门机立即停止开门运动;当调试切换开关置于系统状态时,该按钮不起作用。
4、控制输入 控制输入部分包括门位置信号输入和外部控制信号输入,具体见接线图一;4-1 门位置控制信号 XK1-XK4均为门位置控制信号,开、关门中XK1-XK4的具体时序图如下图所示:1)XK1、XK2、XK3、XK4的时序图 开门时的时序图 关门时的时序图2)磁性开关位置: 注:开门起始区没有根据磁开关的位置定,而是根据时间设定,程序设定为1s。
4-2 外部控制信号 七芯电缆中1#线为输入公共端,2#线为开门信号输入,3#线为关门信号输入。
5、控制输出 输出部分如图一所示,其中七芯电缆中4#线为输出公共端,5#线为开门到位输出,6#线为关门到位输出。
6、电源输入部分 三芯电缆为本控制器的电源输入电缆,黄绿线为电源接地,1#线和2#线为电源输入,其输入要求为单相交流200-240V,且电压是稳定电压。
三、控制曲线及相关参数说明 本变频器位置控制采用双稳态磁开关,门机加、减速位置可根据磁性开关位置自行调整,以满足不同的用户要求。
宁波申菱门机系统使用手册TKP131-0.5/0.6/0.7型增清收集整理一、系统的构成宁波申菱门机变频调速系统硬件部分采用日本松下公司的VF-7F 0.4kw的变频器,FP1-C14型可编程控制器,门机运行变速位置由双稳态开关控制。
1、变频器内部接线如下图(点击这里查看清晰图片)二、开关端子功能简述1、切换开关当开关置于调试状态时,系统对外部信号不响应,按下手动开、关门按钮时,门机按要求关门或开门;当开关置于系统状态时,系统由外部信号控制,手动开、关门按钮不起作用。
2、手动关门按钮当调试切换开关置于调试状态时,按下该按钮,门机作关门运动,无论门机在何位置,停止按该按钮,门机立即停止关门运动;当调试切换开关置于系统状态时,该按钮不起作用。
3、手动开门按钮当调试切换开关置于调试状态时,按下该按钮,门机作开门运动,无论门机在何位置,停止按该按钮,门机立即停止开门运动;当调试切换开关置于系统状态时,该按钮不起作用。
4、控制输入控制输入部分包括门位置信号输入和外部控制信号输入,具体见接线图一;4-1 门位置控制信号XK1-XK4均为门位置控制信号,开、关门中XK1-XK4的具体时序图如下图所示:1)XK1、XK2、XK3、XK4的时序图开门时的时序图关门时的时序图2)磁性开关位置:注:开门起始区没有根据磁开关的位置定,而是根据时间设定,程序设定为1s。
4-2 外部控制信号七芯电缆中1#线为输入公共端,2#线为开门信号输入,3#线为关门信号输入。
5、控制输出输出部分如图一所示,其中七芯电缆中4#线为输出公共端,5#线为开门到位输出,6#线为关门到位输出。
6、电源输入部分三芯电缆为本控制器的电源输入电缆,黄绿线为电源接地,1#线和2#线为电源输入,其输入要求为单相交流200-240V,且电压是稳定电压。
三、控制曲线及相关参数说明本变频器位置控制采用双稳态磁开关,门机加、减速位置可根据磁性开关位置自行调整,以满足不同的用户要求。
NSFC01-01门机控制器使用手册目录1.注意事项 (1)2.端子名称 (1)3.按键名称和基本操作 (1)4.接线图 (2)5.开关门曲线说明 (3)6.基本调试1 (5)7.基本调试2 (5)8.功能参数表 (7)9.监控和故障显示 (10)1、注意事项1.1本控制器型号NSFC01-01与松下型号AAD0302完全等同。
1.2必须由具有专业资格的人员才能对控制器进行调试、维修或检查。
操作前请仔细阅该使用手册。
1.3 确认输入电源处于完全断开的情况下,才能进行配线作业。
1.4不要把输入端子(L,N)与输出端子(U,V,W) 混淆,否则会损坏控制器。
1.5 将控制器的接线地端子可靠接地,否则有触电危险。
1.6 通电情况下,不要用手触摸控制端子,否则有触电危险。
1.7 在充电指示灯彻底熄灭或正负母线电压在36V以下时进行,否则有触电的危险。
1.8 防止螺钉,垫片及金属之类的异物掉进变频器内部,否则有火灾及损坏财务的危险。
1.9 主回路接线用电缆端头的裸露部分,一定要用绝缘胶带包扎好,否则有损坏财物的危险。
[2] 控制端子第1~7号端子请连接无电压接电信号或开路集电极信号。
信号端电压为+12VDC ,输入公共端8为负。
3、按键名称和基本操作以改变参数P05为15为例:按键次序 显示内容注意: 在配接开关门到位输出电缆线时,要确认门控制器输出的逻辑状态与控制柜接收的逻辑相符,门控制器的出厂状态是常闭输出.用户要根据主控制柜实际情况选择到位输出的逻辑状态.( 端子A2)--开到位常开输出,(端子A3)--关到位常开输出, (端子C2-C3 )--输出公共端5、开关门过程说明5. 1 开门过程5.1.1 当有开门信号时,门机以力矩提升P05、加速时间d28,频率 d15启动,再以加速时间d29,目标值为d16进入开门起始低速运行。
5.1.2 经过时间d47后,开始以加速时间d30,目标值为d17进入开门高速运行。
NSFC01-01-申菱门机控制器调试说明书1、概要为适应宁波申菱新推出NSFC01-01型门机控制器的使用要求,编写本调试说明书。
NSFC01-01型门机控制器是结合门机的机械结构和门机用户控制功能的特点,委托松下电工开发的新一代门机专用型变频调速系统。
它通过编码器反馈的信息进行闭环控制,具有优良的调速特性,启动力矩大,动态响应快,齐全的专用保护和状态监视功能,并具有调试简单、运行平稳可靠、噪音低等特点。
2、注意事项1 必须由具有专业资格的人员才能对控制器进行调试、维修或检查。
2 确认输入电源处于完全断开的情况下,才能进行配线作业。
3 不要把输入端子(L,N)与输出端子(U,V,W) 混淆,否则会损坏控制器。
4 将控制器的接线地端子可靠接地,否则有触电危险。
5 通电情况下,不要用手触摸控制端子,否则有触电危险。
6 在充电指示灯彻底熄灭或正负母线电压在36V以下时进行否则有触电的危险。
7 防止螺钉,垫片及金属之类的异物掉进变频器内部否则有火灾及损坏财务的危险。
8 主回路接线用电缆端头的裸露部分,一定要用绝缘胶带包扎好否则有损坏财物的危险。
3、端子功能注: --*为控制器内部接线不在6芯控制电缆线内4、按键名称和基本操作4、1 按键名称4、2 按键基本操作以改变参数P05为22为例:注:参数d 在参数p之后。
在切换到参数p后,通过持续按键可得到d参数5、接线图注意:1.与上位机配线时,请将动力线与控制线分开走线.2.在配接开关门到位输出电缆线时,要确认门控制器输出的逻辑状态与控制柜接收的逻辑相符,门控制器的出厂状态是常闭输出.用户要根据主控制柜实际情况选择到位输出的逻辑状态.( 端子A2)--开到位常开输出,(端子A3)--关到位常开输出, (端子C2-C3 )--输出公共端。
6、开关门过程说明6、1 开门过程1、以力矩提升为P05、加减速时间为d28,加速到开门低速频率P15,进入开门起始低速运行。
目录1.注意事项 (1)2.端子名称 (1)3.按键名称和基本操作 (1)4.接线图 (2)5.开关门曲线说明 (3)6.基本调试1 (5)7.基本调试2 (5)8.功能参数表 (7)9.监控和故障显示 (10)1、注意事项1.1本控制器型号NSFC01-01与松下型号AAD0302完全等同。
1.2必须由具有专业资格的人员才能对控制器进行调试、维修或检查。
操作前请仔细阅该使用手册。
1.3 确认输入电源处于完全断开的情况下,才能进行配线作业。
1.4不要把输入端子(L,N)与输出端子(U,V,W) 混淆,否则会损坏控制器。
1.5 将控制器的接线地端子可靠接地,否则有触电危险。
1.6 通电情况下,不要用手触摸控制端子,否则有触电危险。
1.7 在充电指示灯彻底熄灭或正负母线电压在36V以下时进行,否则有触电的危险。
1.8 防止螺钉,垫片及金属之类的异物掉进变频器内部,否则有火灾及损坏财务的危险。
1.9 主回路接线用电缆端头的裸露部分,一定要用绝缘胶带包扎好,否则有损坏财物的危险。
[2] 控制端子第1~7号端子请连接无电压接电信号或开路集电极信号。
信号端电压为+12VDC ,输入公共端8为负。
3、按键名称和基本操作3. 2 按键基本操作以改变参数P05为15为例:按键次序 显示内容注意: 在配接开关门到位输出电缆线时,要确认门控制器输出的逻辑状态与控制柜接收的逻辑相符,门控制器的出厂状态是常闭输出.用户要根据主控制柜实际情况选择到位输出的逻辑状态.( 端子A2)--开到位常开输出,(端子A3)--关到位常开输出, (端子C2-C3 )--输出公共端5、开关门过程说明5. 1 开门过程5.1.1 当有开门信号时,门机以力矩提升P05、加速时间d28,频率 d15启动,再以加速时间d29,目标值为d16进入开门起始低速运行。
5.1.2 经过时间d47后,开始以加速时间d30,目标值为d17进入开门高速运行。
高速段频率一般设置为一段即设置参数d17=d19。
1.产品概要
感谢您使用宁波申菱直流电阻门机控制系统,使用前请仔细阅读本使用说明书!
我公司电阻门机均采用三角带二级传动,应用连杆机构及杠杆原理,实现轿门和层门的开门及关门动作。
两种门机均通过连杆机构将主传动机构与轿门连接,主传动机构工作时通过连杆机构使轿门动作,并应用杠杆原理实现快、慢门动作。
同时,连杆带动门刀曲柄,使门刀张开,推动滚轮,通过连杆将层门门锁装置打开,使轿门带动层门同时动作;关门到位时,连杆机构带动门刀曲柄使门刀闭合,层门门锁装置中的锁钩动作,锁住层门,轿门离开。
2.原理说明
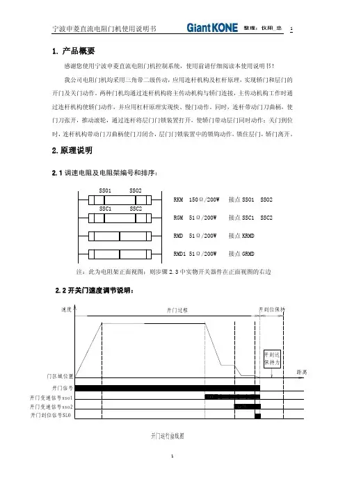
2.1调速电阻及电阻架编号和排序:
RKM 150Ω/200W 接点SSO1 SSO2
RGM 51Ω/200W 接点SSC1 SSC2
RMD 51Ω/200W 接点KRMD
RMD1 51Ω/200W 接点GRMD 注:此为电阻架正面视图;则步骤2.3中实物开关器件在正面视图的右边
2.2开关门速度调节说明:
开门到位信号SLO
关门变速信号ss c
关门到位信号SL 关门信号
速度
2.3 各开关动作距离说明
触点接通 触点断开 A B SSO2 SSC2 C D SSO1 SSC1 E F SLO SLC 开门过程 关门过程
A
B
C
D E F 100—200 100—200 300—400
400—500
8—12
10—20
注:单位(mm)以上数据仅供参考
2.4 开门机的调节
开门机的主要包括:速度的快慢、曲线的合理性等。
该门机的调节是通过变阻来实现的。
调节前先将各变阻触点做好标记,然后依次滑动变阻触点。
当调节到预期的效果后,锁定。
若与预期的效果相反,先将变阻触点滑回到标记处。
再依前一次调节为参照,调至预期效果,锁定。
现将调节参考如下:(参照电气接线图)
1.若关门速度不良,调节GRMD、SSC1、SSC2变阻触点;
2.若开门速度不良,调节KRMD、SSO1、SSO2变阻触点;
3.若关门速度良,曲线不良,调节SSC1、SSC2变阻触点;
4. 若开门速度良,曲线不良,调节SSO1、SSO2变阻触点。
2.5一般直流门机系统的工作原理图如下所示:
M0(+)
RMD1
51Ω/200W
2.6 插件电缆与门机头引出端子接线:
端号 M0 M1 M2 M3 M4 M5 M1a 004 007 SLO SLC 线号 8# 1# 2# 3# 4# 5# 6# 7# 9# 10# 11#
2.7工作原理分析:
开门:当KMJ吸合时,电流一方面通过电机转子M,另一方面通过开门电阻RKM,从M1→M2,使门机向开门方向旋转,因为此时RKM电阻值较大,通过RKM 的分流较小。
所以开门速度较快。
当电梯门关闭到1/2、3/4行程时,分别使开关减速限位SSO1、SSO2接通,短接了RKM的大部分电阻,使通过RKM的分流增大,从而使电机转速降低,实现了开门的减速的功能。
当开门结束时,切断开门终端限位SLO,使开门继电器释放,电梯停止开门。
关门:当GMJ吸合时,电流一方面通过M,另一方面通过关门电阻RGM,从M2→M1,使门机向关门方向旋转。
因为此时RGM电阻值较大,通过RGM的分流较小,所以关门速度较快。
当电梯关闭到一半行程时,使关门一级减速限位SSC1接通,短接了RGM的一部分电阻,使从RGM的分流增大一些,门机实现一级减速。
电梯门继续关闭到3/4行程时,接通二级减速限位SSO2,短接RGM的大部分电阻,使从RGM的分流进一步增加,而电梯门机转速进一步降低,实现了关门的二级减速。
当关门结束时,切断关门终端限位SLC,使关门继电器释放,电梯停止关门。
通过调节开关门电路中的总分压电阻RMD\RMD1,可以控制开\关门的总速度。
因为当JY吸合时,门机励磁绕阻一直有电,所以当KMJ或GMJ释放时,能使电机立即进入能耗制动,门机立即停转。
而且在电梯门关闭时,能提供一个制动力,保证在轿厢内不能轻易扒开电梯门。
3.直流门机系统中常见的故障:
现象1:
电梯开门无减速。
有撞击声。
原因:
门开启时打不到开门减速限位。
开门减速限位已坏,不能接通。
开门减速电阻已烧断或中间的抱箍与电阻丝接触不良。
现象2:
电梯关门无减速,关门速度快有撞击声
原因:
门关闭时打不到关门减速限位。
关门减速限位已坏,不能接通。
关门减速电阻已烧断或中间的抱箍与电阻丝接触不良。
现象3: 开门或关门时速度太慢。
原因:开门或关门减速限位已坏,处在常接通状态。
现象4: 门不能关只能开(KMJ与GMJ动作正常)
原因:可能是关门终端限位已坏,始终处于断开状态。
现象5: 门不能开只能关(KMJ与GMJ动作正常)
原因:可能是开门终端限位已坏,始终处于断开状态。
现象6: 门即不能开也不能关(KMJ与GMJ动作正常)
原因:可能是开关门总电阻已烧断。
现象7: 开关门打到减速开关时不减速,反而增速
原因:检查接线,是否M3、M4接错,引起RKM、RGM交替使用有效(即RKM 控制了关门减速,RGM控制了开门减速)。
现象8: 有开门信号,KMJ吸合正常,门机反而关门
原因:首先判定门机开门时电机的转向,如相反,就将电机S1、S2调换接线。
现象9: 有关门信号,GMJ吸合正常,门机反而开门
原因:首先判定门机关门时电机的转向,如相反,就将电机S1、S2调换接线。
现象10: 在关门过程中,碰到安全触板后反开门时的开门速度很慢 原因:开门的凸轮开关调整不合理。
当碰到安全触板的时候,SSO1、SSO2已经打到闭合了,此时有了反开门信号,控制线路中直流电机的电枢并入的RKM 的有效电阻较小,同时要克服关门自闭力带来的惯性,使得反开门速度很慢。
处理:手拉动门至大约85%~90%的门区位置(关门到位为0%的门区位置,开门到位为100%的门区位置),调整凸轮使其不要或刚好达到SSO1、SSO2(即要求在开门过程中尽量使凸轮晚一点打到SSO1、SSO2)。
这样反开门时,电枢电流增大,反开速度就变大,但是很有可能带来开门撞门的不好现象,如果出现开门撞门,就将RKM上的短接环往有效阻值减小的方向调整,同时可以调大RMD 的有效阻值,从而消除开门撞门的现象。