徐工集团QAY800型全地面起重机
- 格式:pdf
- 大小:378.90 KB
- 文档页数:19
徐州重工企业介绍企业简介:徐州工程机械集团有限公司成立于 1989 年 3 月, 1997 年 4 月被国务院批准为全国 120 家试点企业集团,是国家 520 家重点企业,国家 863/CIMS 应用示范试点企业。
徐工集团年营业收入由成立时的3.86亿元,发展到2007年的308亿元,年实现利税20.8亿元,年出口创汇5.6亿美元,在中国工程机械行业均位居首位。
徐工集团主要产品有:工程起重机械、筑路机械、路面及养护机械、压实机械、铲土运输机械、高空消防设备、特种专用车辆、工程机械专用底盘等系列工程机械主机和驱动桥、回转支承、液压件等基础零部件产品,大多数产品市场占有率居国内第一位。
其中70%的产品为国内领先水平,20%的产品达到国际当代先进水平。
徐工集团秉承“担大任、行大道、成大器”的核心价值观和“严格、踏实、上进、创新”的企业精神,建立了以国家级技术中心为核心的研发体系,徐工技术中心在国家企业技术中心评价中名列全国第15位。
建立了覆盖全国的营销网络,近百个国外徐工代理商为全球用户提供全方位营销服务。
徐工先后获得“全国五一劳动奖状”、全国机械行业文明单位等荣誉称号。
公司党委被中共中央组织部评为全国先进基层党组织。
徐工集团的企业愿景是成为一个极具国际竞争力、让国人为之骄傲的世界级企业。
徐工集团的战略目标是到2010年要实现营业收入500亿元,进入世界工程机械行业前10名;到2015年要实现营业收入1000亿元,进入世界工程机械行业前5名。
企业的荣誉徐工先后获得“全国五一劳动奖状”、全国机械行业文明单位等荣誉称号。
企业主要经营工程起重机械、筑路机械、路面及养护机械、压实机械、铲土运输机械、高空消防设备、特种专用车辆、工程机械专用底盘等系列工程机械主机和驱动桥、回转支承、液压件等基础零部件产品,大多数产品市场占有率居国内第一位。
其中70%的产品为国内领先水平,20%的产品达到国际当代先进水平。
代表1QUY300全液压履带起重机是徐工集团徐州重型机械公司为满足市场需求、参与国际竞争而研制开发的大型起重机械。
王者加冕!中国造世界最大全地面起重机,美日德都没有全球唯一量产的最大吨位的全地面起重机,在中国横空出世,中联重科ZAT18000H是全球唯一满足140m风机安装的全地面起重机,也是吊装高度最高,吊装重量最大的全地面起重机,可以说出道及巅峰,那么我们就来讲讲中国工程机械产品又一巅峰之作到底有多牛?王者加冕!中国造世界最大全地面起重机中联重科量产了最大吨位的全地面起重机,为“基建狂魔”又添加一新建设“神器”。
那么这个“神器”到底有多牛。
从视频中大家都看到了全地面起重机和一般的汽车起重机外形差不太多,但是如果你仔细观看,是不是觉得全地面起重机的拖车有点像我国弹道导弹发射车的底盘。
因为两者确实有异曲同工之妙。
全地面起重机底盘能像汽车起重机灵活,具备一样长距离行驶;又能像越野车一样在崎岖、狭小、泥泞的工作环境快速通过;这得益于全地面起重机底盘是多桥驱动,加上特殊设计的油气悬架系统,让全地面起重机的底盘具备调节车架高度,增加整机侧倾刚度等多项功能,加上车体离地间隙大,以及充沛的发动机动力;让其能在各种复杂地面通行都能如履平地,即使58度的陡坡,通过也是轻松自如。
而且全地面起重机的底盘能实现全轮转向,所以让其拥有了三种转向方式,更加方便地调整车体位置。
看起来全地面起重机优势不小,但是不能忽略它的一个问题,那就是贵。
但考虑到这几年我国新基建的普及,特高压、风力发电等项目大规模出现,加上施工区域位置都比较荒凉,对于起重机的要求也是愈发的高,就在这个档口上,中联重科ZAT18000H全地面起重机横空出世,成为了唯一满足140m风机安装的全地面起重机。
中国全地面起重机屡屡刷新世界记录中国造出了最大全地面起重机!该起重机上能吊装千吨重物,下能穿越泥泞无人能及。
该起重机拥有极佳的越野性能和越障能力,就一个缺点贵。
不过随着我国新基建项目投资越来越大,加上西部又拥有着丰富的可再生资源,所以大批的风力发电设施和特高压输电项目落户西部。
QAY130全地面起重机产品简介徐工集团徐州重型机械厂2004年12月QAY130全地面起重机产品简介概述QAY130全地面起重机是徐州重型机械厂在充分吸收国外先进技术的基础上,结合国际当代全地面起重机现状及发展趋势,运用先进的设计理念与设计手段全新开发的新一代高性能的全地面起重机。
该产品造型美观,整车布局精巧,结构紧凑,性能卓越,市场竞争力强,在设计制造过程中攻克了计算机集成控制技术、单缸插销式全自动伸缩臂技术、椭圆型吊臂技术以及油气悬挂、全轮转向多桥驱动技术等行业内最前沿的重大技术课题,整机性能达到国际先进水平。
该产品适用于工厂、矿山、油田、港口码头、建筑工地等场所的起重作业和安装工程等。
除满足国内外普通用户的使用要求外,同时能适应西部高原、油田、半沙漠等地区的使用,是真正适合中国国情的大吨位全地面起重机。
上车采用独立的动力系统,液压系统采用电比例侍服控制的泵控变量系统,起升回路采用开式回路,回转采用闭式回路。
伸缩臂为5节“U”形起重臂,单缸插销式全自动伸缩机构,单缸前支变幅;副臂为侧置折叠式,公路行驶时可附在主臂侧面,起重机最大起升高度可达70m。
内藏式双独立卷扬系统;回转采用行星减速机,回转机构与回转支承采用外啮合方式。
采用五桥越野底盘,全头驾驶室,全覆盖式走台板,,驱动型式为10x8,爬坡度达45%,最高车速76km/h,全轮转向,机动灵活,最小转弯直径仅18m;油气悬架,使车身高度在±150mm范围内调节,通过性能大大改善;无级变速,自动换档,越野性能好,同时显著减轻驾驶员的劳动强度。
本产品集中了十余项国家专利,是具有完全自主知识产权的高新技术产品,获得专利情况如下:1)内部互锁自动伸缩式“U”形起重臂,专利号:ZL02286205.62)单伸缩油缸自动控制多节臂伸缩装置,专利号:ZL02138606.43)起重机副臂的自动插销连接装置,专利号:ZL02258695.84)可移动式汽车起重机操纵室,专利号:ZL01218016.55)汽车起重机外观设计,专利号:ZL01 3 17793.16)活塞杆自动旋转的液压油缸,专利号:03219673.37)汽车起重机油气悬挂装置,专利号:03220121.48)恒功率控制变量泵液压控制装置,专利号:ZL 03 2 19321.19)起重机集成控制阀,专利号:ZL 01 2 44458.810)自由滑转液压控制装置,专利号:ZL 03 2 19267.311)一种装有插装平衡阀芯的液压油缸,专利号:ZL 01 2 37696.5主要技术特点:1. 在国内首次采用计算机集成控制的电比例操作系统,在系统中运用了先进的CAN-BUS数据总线技术,所有起重机的重要电子元件,如长度传感器、角度传感器、位置传感器及控制手柄等元件的电子信号通过CAN-BUS总线传输给计算机加以集中处理,通过显示屏提供起重作业的全部信息参数,显示起重机的工作状态和工作过程,实现起重机的自动控制,让起重机的所有操作变得更加简单方便,大大提高起重机的作业安全性、可靠性和作业效率,大大降低了操作人员的劳动强度,充分体现了以人为本的设计理念。
QAY130全地面起重机产品简介徐工集团徐州重型机械厂2004年12月QAY130全地面起重机产品简介概述QAY130全地面起重机是徐州重型机械厂在充分吸收国外先进技术的基础上,结合国际当代全地面起重机现状及发展趋势,运用先进的设计理念与设计手段全新开发的新一代高性能的全地面起重机。
该产品造型美观,整车布局精巧,结构紧凑,性能卓越,市场竞争力强,在设计制造过程中攻克了计算机集成控制技术、单缸插销式全自动伸缩臂技术、椭圆型吊臂技术以及油气悬挂、全轮转向多桥驱动技术等行业内最前沿的重大技术课题,整机性能达到国际先进水平。
该产品适用于工厂、矿山、油田、港口码头、建筑工地等场所的起重作业和安装工程等。
除满足国内外普通用户的使用要求外,同时能适应西部高原、油田、半沙漠等地区的使用,是真正适合中国国情的大吨位全地面起重机。
上车采用独立的动力系统,液压系统采用电比例侍服控制的泵控变量系统,起升回路采用开式回路,回转采用闭式回路。
伸缩臂为5节“U”形起重臂,单缸插销式全自动伸缩机构,单缸前支变幅;副臂为侧置折叠式,公路行驶时可附在主臂侧面,起重机最大起升高度可达70m。
内藏式双独立卷扬系统;回转采用行星减速机,回转机构与回转支承采用外啮合方式。
采用五桥越野底盘,全头驾驶室,全覆盖式走台板,,驱动型式为10x8,爬坡度达45%,最高车速76km/h,全轮转向,机动灵活,最小转弯直径仅18m;油气悬架,使车身高度在±150mm范围内调节,通过性能大大改善;无级变速,自动换档,越野性能好,同时显著减轻驾驶员的劳动强度。
本产品集中了十余项国家专利,是具有完全自主知识产权的高新技术产品,获得专利情况如下:1)内部互锁自动伸缩式“U”形起重臂,专利号:ZL02286205.62)单伸缩油缸自动控制多节臂伸缩装置,专利号:ZL02138606.43)起重机副臂的自动插销连接装置,专利号:ZL02258695.84)可移动式汽车起重机操纵室,专利号:ZL01218016.55)汽车起重机外观设计,专利号:ZL01 3 17793.16)活塞杆自动旋转的液压油缸,专利号:03219673.37)汽车起重机油气悬挂装置,专利号:03220121.48)恒功率控制变量泵液压控制装置,专利号:ZL 03 2 19321.19)起重机集成控制阀,专利号:ZL 01 2 44458.810)自由滑转液压控制装置,专利号:ZL 03 2 19267.311)一种装有插装平衡阀芯的液压油缸,专利号:ZL 01 2 37696.5主要技术特点:1. 在国内首次采用计算机集成控制的电比例操作系统,在系统中运用了先进的CAN-BUS数据总线技术,所有起重机的重要电子元件,如长度传感器、角度传感器、位置传感器及控制手柄等元件的电子信号通过CAN-BUS总线传输给计算机加以集中处理,通过显示屏提供起重作业的全部信息参数,显示起重机的工作状态和工作过程,实现起重机的自动控制,让起重机的所有操作变得更加简单方便,大大提高起重机的作业安全性、可靠性和作业效率,大大降低了操作人员的劳动强度,充分体现了以人为本的设计理念。
QAY75全地面起重机基本性能参数1. 概述QAY75全地面起重机是一种用于进行重物吊装和搬运的机械设备。
它具有出色的性能和可靠的操作特性,可以在各种复杂的工地环境下进行作业。
本文档将详细介绍QAY75全地面起重机的基本性能参数。
2. 型号及规格•型号:QAY75•最大起重量:75吨•工作半径:3m - 51m•最大起升高度:62m•自重:42t•发动机功率:247kW•驱动形式:全驱动•最小离地间隙:0.35m•轮胎数目:12•最高行驶速度:75km/h3. 主要功能和特点•高起重能力:QAY75全地面起重机具有最大起重量为75吨,适用于各种建筑、桥梁和水利工程等场景中的吊装作业。
•广泛适用性:该起重机可在各种复杂的地形和工地环境下作业,包括土地、沙地、泥地、坡地等。
•灵活机动:QAY75全地面起重机采用全驱动形式,具有出色的操控性和转弯能力,可以轻松适应狭小的工地空间,并进行各种复杂的动作。
•高效能耗:起重机采用先进的节能技术,经过有效优化设计,能够降低能源消耗,提高工作效率。
•安全可靠:机械系统经过严格设计和测试,确保操作的安全性和可靠性。
吊装作业过程中,起重机具备稳定的抗侧倾性能和传感器等安全保护装置。
4. 使用场景QAY75全地面起重机广泛应用于建筑、桥梁和水利工程等需要进行重物吊装的场合。
主要包括以下使用场景:•建筑工地:用于吊装和搬运建筑材料、设备等;•桥梁施工:用于桥梁吊装、拆卸和维护作业;•水利工程:用于水闸施工、堤坝维修等作业;•基础设施建设:用于道路施工、地铁建设等。
5. 维护和保养为了确保QAY75全地面起重机的正常运行和延长其使用寿命,需要定期进行维护和保养。
具体维护步骤如下:1.清洁:定期清洁起重机的外部表面,包括机身、臂架、吊臂等。
2.润滑:对起重机的各个润滑部位进行润滑,包括转动部件、连接部件等。
3.检查:定期检查起重机各个部件的工作状态,如钢丝绳、轮胎、液压系统等。
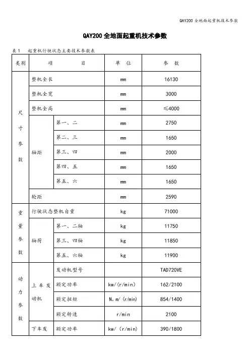
QAY200全地面起重机技术参数
表3 QAY200全地面起重机主臂起重性能表(部分)_单位:吨65t吨配重,支腿全伸
表4 QAY200全地面起重机副臂起重性能表(支腿全伸) 65t平衡重—全伸支腿,臂长11.55m
65t平衡重—全伸支腿,臂长20m
65t平衡重—全伸支腿,臂长28m
QAY200/65t平衡重-全伸支腿,臂长36m
1)表中额定起重量所表示的数值,是在平整的坚固地面上本起重机能够保证的最大起重量
2)表中额定起重量包括吊钩和吊具的重量;
3)表中的工作幅度是包括吊臂的变形量在内的实际值;
4)表中的起重臂长度一定要按照每节臂的伸缩要求进行伸出;
5)臂端单滑轮的起重性能同副臂(11。
55m)0°安装角的起重性能;
6)起重作业时,必须使悬挂系统处于锁死状态,并严禁触动任何调整悬挂的按钮;
7)75%的倾翻载荷考虑了7级风,即风压为125N/m2;
8)主臂起重量是副臂完全折叠,安装在基本侧面的计算值,如带副臂作业,则起重量减小3500kg。
图 3-2 起升高度曲线(基本副臂)
QAY200全地面起重机技术参数
—3 起升高度曲线(加长副臂)
注:曲线旁数字如3.1,2。
2分别代表主臂全伸、主臂仰角为82°和74°时36米副长度的起重量。
徐工QAY300型全地面起重机一、制造厂徐工集团二、主要技术参数项目数值备注工作性能参数最大额定总起重量kg 300000 基本臂最大起重力矩kN.m9526最长主臂最大起重力矩kN.m4675主臂最大起升高度m 60.8主副臂最大起升高度m 72.9工作速度主卷扬单绳最大速度m/min 150 副卷扬单绳最大速度m/min 150 起重臂伸出时间s ≤480起重臂起臂时间s ≤90回转速度r/min 0-1.7行驶参数最高行驶速度km/h 75最大爬坡度% 40最小转弯直径m 24 最小离地间隙mm 330 制动距离(车速为30km/h)m 10接近角° 19离去角° 19百公里油耗L 96质量参数行驶状态自重(总质量)kg 79679 轴荷一/二/三轴 kg 11625四/五轴kg 11201六/七轴kg 11201尺寸参数外形尺寸(长×宽×高) mm 18210×3000×4000支腿纵向距离m 9.2 支腿横向距离m 8.7(全伸)、6.5(半伸)基本臂长m 15.4 最长主臂m 61 最长主臂+副臂m 76 副臂安装角° 0、15、30动力参数下车发动机型号OM502LA. Ш/5发动机额定功率kw 420 排放标准国Ш轮胎数(不包括备胎)14二、外形尺寸徐工QAY300型全地面起重机三、主臂起重性能1、主臂额定起重量表支腿8.7m,配重98.2t臂长(m)幅度 15.4* 15.4 20.5 20.5 25.7 25.7 25.7 30.8 30.830.835.935.935.941.141.141.1 46.2 46.2 46.2 51.351.356.461 3 300 3003.5 210 186 175 1224 190 172 170 119 154 106 894.5 180 162 159 113 146 101 845 169 152 150 108 139 96 80 113 95786 149 135 133 100 125 87 72 104 86708786727 133 120 119 93 113 80 65 95 79648079666967578 120 105 105 87 103 73 60 88 72597473616462529 108 95 95 81 94 67 55 81 675468685759.5584952 48.7 42.410 96 87 87 76 87 63 51 75 625064645355.5544548.5 45.8 39.7 4339.812 73 70 75 67 75 55 45 66 544456564649484043 40.8 35.2 3835.63414 66 60 65 49 40 58.7 483949504144433638.1 36.7 31.5 3432.130.327.2 16 55.5 53 55 44 36 52 433544453739.5393234.3 33.3 28.4 30.829.227.524.8 18 48.5 40 32 47 393240413336352931.2 30.4 25.8 2826.725.122.7 20 38 36 29.1 42.3 362936383032.5322628.5 27.9 23.6 25.724.623.120.9 22 33.5 31.8 25.8 36 332633352830302426.1 25.8 21.7 23.622.821.319.3 24 32.1 31243131.52628272224.1 23.9 20 21.821.119.717.8 26 28.3 282227.827.82425.5252122.3 22.3 18.6 20.219.718.316.6 28 24.624.62224241920.7 20.8 17.3 18.818.41715.4 30 22222122221819.3 19.5 16.1 17.517.315.914.4 32 1919.71920.420.41718 18.3 15.1 16.316.214.913.4 34 18.518.51616.9 17.3 14.2 15.315.31412.6 36 16.516.51515.8 16.3 13.3 14.414.413.111.8 38 14.9 15.4 12.6 13.513.712.311.1 40 14 14.1 11.9 12.71311.610.4 42 11 11 11 1212.3119.8 44 11.411.810.49.3 46 10.8119.88.8 48 88.19.38.3 50 8.87.8 52 8.37.4 54 7 56 6.6 58 4.4Ⅱ% 0 0 0 0 45 0 0 45 00904509045090 45 0 904590100Ⅲ% 0 0 45 0 45 0 0 45 45045459045909090 90 90 909090100Ⅳ% 0 0 0 0 0 45 0 45 459045454545459045 90 90 909090100Ⅴ% 0 0 0 45 0 45 90 0 45450454545454545 45 90 459090100倍率 20 20 17 17 14 14 14 11 1111888888 6 6 6 6663臂长(m)幅度 15.4* 15.4 20.5 20.5 25.7 25.7 25.7 30.8 30.830.835.935.935.941.141.141.1 46.2 46.2 46.2 51.351.356.461 3 300 3003.5 210 186 175 1224 190 172 170 119 154 106 894.5 180 162 159 113 146 101 845 169 152 150 108 139 96 80 113 95786 149 135 133 100 125 87 72 104 86708786727 133 120 119 93 113 80 65 95 79648079666967578 120 105 105 87 103 73 60 88 72597473616462529 106.8 95 95 81 94 67 55 81 675468685759.5584952 48.7 42.410 95.6 87 87 76 87 63 51 75 625064645355.5544548.5 45.8 39.7 4339.812 73 70 75 67 75 55 45 66 544456564649484043 40.8 35.2 3835.63414 63 60 62.1 49 40 58.7 483949504144433638.1 36.7 31.5 3432.130.327.2 16 51 51 50.1 44 36 50.4 433544453739.5393234.3 33.3 28.4 30.829.227.524.8 18 41.5 40 32 41.9 393240413336352931.2 30.4 25.8 2826.725.122.7 20 35.1 35.1 29.1 35.6 35.62935353032.5322628.5 27.9 23.6 25.724.623.120.9 22 30 30 25.8 30.6 30.62630302830302426.1 25.8 21.7 23.622.821.319.3 24 26.6 26.62426.126.12626.726.72224.1 23.9 20 21.821.119.717.8 26 23.4 23.42222.822.822.823.523.52122.3 22.3 18.6 20.219.718.316.6 28 20.120.120.120.820.81920.7 20.8 17.3 18.818.41715.4 30 17.817.817.818.518.51818.6 18.6 16.1 17.517.315.914.4 32 15.815.815.816.616.616.6 16.7 16.7 15.1 16.316.214.913.4 34 14.914.914.9 15 15 14.2 15.215.21412.6 36 13.413.413.4 13.5 13.5 13.3 13.713.713.111.8 38 12.2 12.2 12.2 12.412.412.311.1 40 11.1 11.1 11.1 11.311.311.610.4 42 10 10 10 10.310.310.89.8 44 9.49.49.99.3 46 8.58.59.18.8 48 7.87.88.38.3 50 7.67.6 52 77 54 6.4 56 5.8 58 4.4Ⅱ% 0 0 0 0 45 0 0 45 00904509045090 45 0 904590100Ⅲ% 0 0 45 0 45 0 0 45 45045459045909090 90 90 909090100Ⅳ% 0 0 0 0 0 45 0 45 459045454545459045 90 90 909090100Ⅴ% 0 0 0 45 0 45 90 0 45450454545454545 45 90 459090100倍率 20 20 17 17 14 14 14 11 1111888888 6 6 6 6663臂长(m)幅度 15.4* 15.4 20.5 20.5 25.7 25.7 25.7 30.8 30.830.835.935.935.941.141.141.1 46.2 46.2 46.2 51.351.356.461 3 285.9 2863.5 210 186 175 1224 190 172 170 119 154 106 894.5 180 162 159 113 146 101 845 169 152 150 108 139 96 80 113 95786 148.7 135 133 100 125 87 72 104 86708786727 127.4 120 119 93 113 80 65 95 79648079666967578 111.1 105 105 87 103 73 60 88 72597473616462529 97.2 95 95 81 94 67 55 81 675468685759.5584952 48.7 42.410 85.7 85.7 84.7 76 83.6 63 51 75 625064645355.5544548.5 45.8 39.7 4339.812 62 62 61.4 61.4 60.5 55 45 60.7 544456564649484043 40.8 35.2 3835.63414 47.3 47.3 46.4 46.4 40 46.8 46.83946.146.14144433638.1 36.7 31.5 3432.130.327.2 16 37.9 37.9 37.1 37.1 36 37.6 37.63536.936.936.937.537.53234.3 33.3 28.4 30.829.227.524.8 18 30.3 30.3 30.3 30.9 30.930.930.330.330.330.930.92931 30.4 25.8 2826.725.122.7 20 25.3 25.3 25.3 25.9 25.925.925.325.325.326262626.1 26.1 23.6 25.724.623.120.9 22 21.3 21.3 21.3 22 222221.421.421.422.222.222.2 22.3 22.3 21.7 22.322.321.319.3 24 18.9 18.918.918.318.318.319.119.119.1 19.2 19.2 19.2 19.319.319.717.8 26 16.3 16.316.315.815.815.816.616.616.6 16.7 16.7 16.7 16.816.817.416.6 28 13.713.713.714.514.514.5 14.6 14.6 14.6 14.814.815.315.2 30 11.911.911.912.712.712.7 12.8 12.8 12.8 131313.613.4 32 10.310.310.311.211.211.2 11.3 11.3 11.3 11.511.512.111.9 34 9.89.89.810 10 10 10.210.210.810.7 36 8.78.78.78.8 8.8 8.8 9.19.19.69.5 38 7.8 7.8 7.8 888.68.5 40 6.9 6.9 6.9 7.17.17.77.6 42 6 6 6 6.3 6.3 6.9 6.9 44 5.6 5.6 6.2 6.1 46 55 5.5 5.5 48 4.4 4.4 4.9 4.9 50 4.4 4.4 52 3.9 3.9 54 3.4 56 3 58 2.6Ⅱ% 0 0 0 0 45 0 0 45 00904509045090 45 0 904590100Ⅲ% 0 0 45 0 45 0 0 45 45045459045909090 90 90 909090100Ⅳ% 0 0 0 0 0 45 0 45 459045454545459045 90 90 909090100Ⅴ% 0 0 0 45 0 45 90 0 45450454545454545 45 90 459090100倍率 20 20 17 17 14 14 14 11 1111888888 6 6 6 6663臂长(m)幅度 15.4* 15.4 20.5 20.5 25.7 25.7 25.7 30.8 30.830.835.935.935.941.141.141.1 46.2 46.2 46.2 51.351.356.461 3 273 2733.5 210 186 175 1224 190 172 170 119 154 106 894.5 180 162 159 113 146 101 845 169 152 150 108 139 96 80 113 95786 141.8 135 133 100 125 87 72 104 86708786727 121.4 120 119 93 113 80 65 95 79648079666967578 103.8 104 103 87 102 73 60 88 72597473616462529 87 87 86.1 81 84.9 67 55 81 675468685759.5584952 48.7 42.410 71.1 71.1 70.4 70.4 69.3 63 51 69.5 625064645355.5544548.5 45.8 39.7 4339.812 51 51 50.6 50.6 49.7 49.7 45 50.1 50.14449.349.34649484043 40.8 35.2 3835.63414 38.7 38.7 37.8 37.8 37.8 38.3 38.338.337.637.637.638.238.23638.1 36.7 31.5 3432.130.327.2 16 30.7 30.7 29.8 29.8 29.8 30.5 30.530.529.829.829.830.530.530.5 30.6 30.6 28.4 30.529.227.524.8 18 24.1 24.1 24.1 24.8 24.824.824.224.224.224.924.924.9 25 25 25 25.125.125.122.7 20 19.8 19.8 19.8 20.6 20.620.620202020.720.720.7 20.9 20.9 20.9 20.920.921.620.9 22 16.5 16.5 16.5 17.3 17.317.316.716.716.717.517.517.5 17.6 17.6 17.6 17.717.718.418.1 24 14.6 14.614.614.114.114.114.914.914.9 15 15 15 15.215.215.815.6 26 12.5 12.512.511.911.911.912.812.812.8 12.9 12.9 12.9 13.113.113.713.5 28 10.110.110.111111111.1 11.1 11.1 11.311.311.911.8 30 8.68.68.69.59.59.59.6 9.6 9.6 9.89.810.410.3 32 7.37.37.38.28.28.28.3 8.3 8.3 8.58.59.19 34 7777.2 7.2 7.2 7.47.487.9 36 6.1 6.1 6.1 6.2 6.2 6.2 6.5 6.577 38 5.3 5.3 5.3 5.6 5.6 6.2 6.1 40 4.5 4.5 4.5 4.8 4.8 5.4 5.4 42 3.8 3.8 3.8 4.2 4.2 4.7 4.7 44 3.6 3.6 4.1 4.1 46 33 3.6 3.6 48 2.5 2.5 3.1 3.1 50 2.6 2.6 52 2.2 2.2 54 1.8Ⅱ% 0 0 0 0 45 0 0 45 00904509045090 45 0 904590100Ⅲ% 0 0 45 0 45 0 0 45 45045459045909090 90 90 909090100Ⅳ% 0 0 0 0 0 45 0 45 459045454545459045 90 90 909090100Ⅴ% 0 0 0 45 0 45 90 0 45450454545454545 45 90 459090100倍率 20 20 17 17 14 14 14 11 1111888888 6 6 6 6663臂长(m)幅度15.4* 15.4 20.5 20.5 25.7 25.7 25.7 30.8 30.830.835.935.935.941.141.141.1 46.2 46.2 46.2 51.351.356.461(m)3 260 2603.5 210 186 175 1224 190 172 170 119 154 106 894.5 178.5 162 159 113 146 101 845 161.3 152 150 108 139 96 80 113 95786 134.6 135 133 100 125 87 72 104 86708786727 112.2 112 111 93 110 80 65 95 79648079666967578 88.6 88.6 87.7 87 86.4 73 60 86.6 72597473616462529 69.2 69.2 68.6 68.6 67.4 67 55 67.8 675466.966.95759.5584952 48.7 42.410 56.2 56.2 55.8 55.8 54.7 54.7 51 55.2 55.25054.454.45354.9544548.5 45.8 39.7 4339.812 39.8 39.8 39.6 39.6 38.7 38.7 38.7 39.3 39.339.338.538.538.539.239.239.2 39.3 39.3 35.2 3835.63414 29.9 29.9 29 29 29 29.7 29.729.729292929.729.729.7 29.8 29.8 29.8 29.829.830.327.216 23.3 23.3 22.5 22.5 22.5 23.2 23.223.222.622.622.623.423.423.4 23.5 23.5 23.5 23.623.624.223.918 17.8 17.8 17.8 18.6 18.618.618181818.818.818.8 18.9 18.9 18.9 19.119.119.719.520 14.3 14.3 14.3 15.2 15.215.214.614.614.615.415.415.4 15.5 15.5 15.5 15.715.716.316.122 11.6 11.6 11.6 12.5 12.512.511.911.911.912.712.712.7 12.9 12.9 12.9 13.113.113.713.524 10.3 10.310.39.79.79.710.610.610.6 10.7 10.7 10.7 111111.611.426 8.5 8.58.57.97.97.98.98.98.99 9 9 9.29.29.89.728 6.5 6.5 6.57.47.47.47.5 7.5 7.5 7.87.88.48.330 5.2 5.2 5.2 6.2 6.2 6.2 6.3 6.3 6.3 6.6 6.67.27.132 4.1 4.1 4.1 5.1 5.1 5.1 5.2 5.2 5.2 5.5 5.5 6.1 6.134 4.2 4.2 4.2 4.3 4.3 4.3 4.6 4.6 5.2 5.236 3.4 3.4 3.4 3.5 3.5 3.5 3.8 3.8 4.4 4.438 2.8 2.8 2.8 3.1 3.1 3.7 3.740 2.1 2.1 2.1 2.5 2.5 3.1 3.142 1.6 1.6 1.6 22 2.5 2.544 2246 1.6 1.6Ⅱ% 0 0 0 0 45 0 0 45 00904509045090 45 0 904590100Ⅲ% 0 0 45 0 45 0 0 45 45045459045909090 90 90 909090100Ⅳ% 0 0 0 0 0 45 0 45 459045454545459045 90 90 909090100Ⅴ% 0 0 0 45 0 45 90 0 45450454545454545 45 90 459090100倍率 20 20 17 17 14 14 14 11 1111888888 6 6 6 6663臂长(m)幅度 15.4* 15.4 20.5 20.5 25.7 25.7 25.7 30.8 30.830.835.935.935.941.141.141.1 46.2 46.2 46.2 51.351.356.461 3 244 2443.5 210 186 175 1224 187.2 172 170 119 154 106 894.5 167 162 159 113 146 101 845 150.7 151 149 108 139 96 80 113 95786 121.3 121 120 100 119 87 72 104 86708786727 84.9 84.9 84.1 84.1 82.6 80 65 83.1 79648079666967578 61.7 61.7 61.3 61.3 59.9 59.9 59.9 60.6 60.65959.659.659.660.360.3529 47.6 47.6 47.4 47.4 46.2 46.2 46.2 46.9 46.946.946464646.846.846.8 47 47 42.410 38.1 38.1 38 38 36.9 36.9 36.9 37.7 37.737.736.936.936.937.737.737.7 37.9 37.9 37.9 37.837.812 26.1 26.1 26.3 26.3 25.3 25.3 25.3 26.1 26.126.125.425.425.426.326.326.3 26.4 26.4 26.4 26.526.527.314 19.1 19.1 18.2 18.2 18.2 19.1 19.119.118.418.418.419.419.419.4 19.5 19.5 19.5 19.619.620.420.1 16 11.2 11.2 10.3 10.3 10.3 11.4 11.411.410.710.710.711.811.811.8 11.9 11.9 11.9 12.312.315.715.5 18 7 7 7 8.1 8.18.17.47.47.48.68.68.68.7 8.7 8.7 9.19.19.89.7 20 4.7 4.7 4.7 5.8 5.8 5.8 5.1 5.1 5.1 6.2 6.2 6.2 6.3 6.3 6.3 6.7 6.77.47.4 22 2.8 2.8 2.8 4 44 3.3 3.3 3.3 4.4 4.4 4.4 4.6 4.6 4.6 4.9 4.9 5.6 5.6 24 2.5 2.5 2.5 1.9 1.9 1.9333 3.1 3.1 3.1 3.6 3.6 4.2 4.2 26 1.9 1.9 1.9 2 2 2 2.4 2.4 3.1 3.1 28 1.5 1.5 2.1 2.2Ⅱ% 0 0 0 0 45 0 0 45 00904509045090 45 0 904590100Ⅲ% 0 0 45 0 45 0 0 45 45045459045909090 90 90 909090100Ⅳ% 0 0 0 0 0 45 0 45 459045454545459045 90 90 909090100Ⅴ% 0 0 0 45 0 45 90 0 45450454545454545 45 90 459090100倍率 20 20 17 17 14 14 14 11 1111888888 6 6 6 6663副臂额定起重量表1、支腿8.7m,配重98.2t,臂长15m幅度 (m)主臂长度(m)46.2 51.3 56.4 61安装角(°)0 15 30 0 15 30 0 15 30 0 15 3014 25.1 26.316 23.2 16.2 24.416.621.518 21.6 15.5 13 22.315.919.716.317.420 20.1 14.8 12.620.415.212.818.115.613 16 14.822 18.9 14.2 12.318.814.612.516.715 12.7 14.7 13.712.8 24 17.8 13.6 11.917.314.112.2315.414.312.4 13.6 12.712 26 16.8 13.1 11.616 13.611.914.213.312.1 12.5 11.811.2 28 15.9 12.6 11.314.813.111.613.212.411.7 11.5 10.910.4 30 15.1 12.2 11.113.712.711.312.211.510.9 10.7 10.29.7 32 14.4 11.8 10.812.812 11.111.310.710.2 9.9 9.49 34 13.7 11.4 10.611.911.210.610.510 9.5 9.1 8.88.4 36 12.8 11.1 10.411 10.59.99.89.38.9 8.5 8.27.8 38 11.9 10.8 10.210.39.89.39.18.78.3 7.8 7.67.3 40 11.1 10.5 9.99.69.18.78.58.17.8 7.3 7 6.8 42 10.4 9.9 9.38.98.68.17.97.67.3 6.7 6.5 6.3 44 9.79.3 8.88.38 7.67.37.1 6.8 6.2 6.1 5.9 46 9.18.7 8.37.87.57.1 6.8 6.6 6.4 5.7 5.6 5.4 48 8.58.2 7.87.27 6.7 6.3 6.2 5.9 5.3 5.2 5 50 8 7.7 7.3 6.7 6.5 6.3 5.9 5.7 5.5 4.9 4.8 4.7 52 7.57.2 6.3 6.1 5.8 5.5 5.3 5.2 4.5 4.4 4.3 54 7 6.8 5.9 5.7 5.5 5.1 5 4.8 4.1 4.1 4 56 6.6 6.4 5.5 5.3 4.7 4.6 4.5 3.8 3.8 3.7 58 6.2 5.1 5 4.4 4.3 4.1 3.5 3.4 3.4 60 5.8 4.8 4.6 4.1 4 3.2 3.1 3.1 62 4.4 3.8 3.7 2.9 2.9 2.8 64 3.5 3.4 2.6 2.666 3.2 3.2 2.4 2.468 3 2.1 2.170 1.9 1.972 1.7Ⅱ% 90 90 90 100Ⅲ% 90 90 90 100Ⅳ% 45 90 90 100Ⅴ% 45 45 90 100倍率 3 2 1 2 2 1 2 2 1 1 2 12、副臂额定起重量表支腿8.7m,配重98.2t,臂长23m幅度 (m)主臂长度(m)46.2 51.3 56.4 61安装角(°)0 15 30 0 15 30 0 15 30 0 15 3012 18.3 14.114 17.3 14.110.98.716 16.3 11.8 14.110.98.718 15.4 11.3 14.110.810.910.68.720 14.5 10.8 13.910.510.910.28.7 9.822 13.7 10.3 8.413.010.28.010.99.77.9 8.7 9.324 13.0 9.9 8.211.79.87.810.39.37.8 8.6 8.77.7 26 12.4 9.6 7.910.69.57.69.38.97.6 8.0 7.97.4 28 11.7 9.3 7.59.79.27.58.38.27.4 7.2 7.27.1 30 10.7 8.9 7.48.88.67.37.57.57.2 6.5 6.5 6.5 32 9.88.6 7.28.08.07.1 6.9 6.8 6.7 5.9 5.9 5.9 34 9.18.3 7.07.37.37.0 6.2 6.2 6.1 5.3 5.3 5.3 36 8.38.1 6.8 6.8 6.7 6.6 5.7 5.6 5.7 4.8 4.9 4.9 38 7.77.6 6.7 6.2 6.1 6.2 5.1 5.3 5.1 4.3 4.4 4.5 40 7.17.1 6.6 5.6 5.7 5.7 4.7 4.7 4.8 3.9 3.9 4.0 42 6.5 6.5 6.5 5.2 5.2 5.2 4.3 4.3 4.4 3.6 3.6 3.7 44 6.0 6.1 6.1 4.7 4.7 4.9 3.9 3.9 4.0 3.2 3.3 3.4 46 5.6 5.5 5.7 4.2 4.3 4.5 3.5 3.6 3.7 2.8 2.9 3.0 48 5.2 5.1 5.3 3.9 3.9 4.1 3.2 3.3 3.4 2.5 2.6 2.7 50 4.8 4.8 4.9 3.5 3.7 3.7 2.9 3.0 3.1 2.2 2.3 2.4 52 4.4 4.4 4.5 3.3 3.3 3.4 2.6 2.7 2.8 1.9 2.1 2.2 54 4.0 4.1 4.1 3.0 3.1 3.1 2.4 2.5 2.5 1.7 1.9 1.9 56 3.7 3.7 3.9 2.7 2.8 2.8 2.1 2.2 2.3 1.5 1.6 1.7 58 3.5 3.5 2.5 2.5 2.6 1.9 2.0 2.0 1.5 60 3.2 3.3 2.2 2.3 2.3 1.7 1.8 1.862 2.9 2.9 2.0 2.1 1.5 1.5 1.664 2.7 1.8 1.866 2.5 1.6 1.66870Ⅱ% 90 90 90 100Ⅲ% 90 90 90 100Ⅳ% 45 90 90 100Ⅴ% 45 45 90 100倍率 2 1 1 2 1 1 1 1 1 1 1 1幅度 (m)主臂长度(m)46.2 51.3安装角(°)0 15 30 0 15 3012 12.914 12.210.316 11.610.318 10.910.320 10.27.6 9.9 6.822 9.6 7.2 9.4 6.724 9.2 6.9 8.9 6.526 8.6 6.6 5.2 8.4 6.428 8.2 6.3 5.1 8.0 6.2 5.0 30 7.8 6.0 4.9 7.7 6.0 4.9 32 7.5 5.8 4.7 7.0 5.7 4.7 34 7.2 5.6 4.6 6.2 5.6 4.5 36 6.8 5.4 4.5 5.6 5.4 4.4 38 6.5 5.2 4.3 5.1 5.2 4.3 40 6.0 5.0 4.2 4.7 4.8 4.2 42 5.5 4.9 4.1 4.3 4.5 4.1 44 5.1 4.7 4.0 3.9 4.0 4.1 46 4.7 4.5 3.9 3.6 3.6 3.7 48 4.3 4.4 3.8 3.2 3.3 3.4 50 4.0 4.0 3.8 2.9 3.1 3.1 52 3.7 3.8 3.7 2.7 2.7 2.9 54 3.3 3.5 3.5 2.3 2.5 2.6 56 3.1 3.2 3.2 2.1 2.3 2.4 58 2.8 2.9 3.0 1.9 2.0 2.1 60 2.6 2.7 2.7 1.7 1.8 1.9 62 2.4 2.4 2.5 1.5 1.6 1.6 64 2.2 2.2 2.366 1.9 2.068 1.7 1.870 1.5 1.6Ⅱ% 90 90Ⅲ% 90 90Ⅳ% 45 90Ⅴ% 45 45倍率 2 1 1 1 1 1幅度 (m)主臂长度(m) 46.2 51.3安装角(°)0 150 1514 8.4 6.316 8.0 6.318 7.6 6.320 7.2 6.322 6.8 6.324 6.4 4.5 6.1 4.4 26 6.1 4.3 5.9 4.2 28 5.7 4.2 5.6 4.1 30 5.4 4.1 5.4 4.0 32 5.1 3.9 5.1 3.8 34 4.9 3.7 4.8 3.7 36 4.6 3.6 4.6 3.6 38 4.4 3.4 4.2 3.4 40 4.2 3.3 3.9 3.3 42 4.0 3.2 3.5 3.2 44 3.8 3.1 3.2 3.1 46 3.7 3.0 2.8 3.0 48 3.5 2.8 2.5 2.7 50 3.2 2.7 2.3 2.4 52 2.9 2.7 2.0 2.2 54 2.7 2.6 1.8 2.0 56 2.4 2.5 1.6 1.8 58 2.2 2.3 1.6 60 2.0 2.162 1.8 1.964 1.6 1.766 1.668Ⅱ% 90 90 Ⅲ% 90 90 Ⅳ% 45 90 Ⅴ% 45 45倍率 1 1 1 1幅度 (m) 主臂长度(m) 46.2 51.3 安装角(°)0 016 6.1 5.3 18 5.8 5.3 20 5.6 5.3 22 5.3 5.1 24 5.1 4.9 26 4.8 4.6 28 4.5 4.4 30 4.3 4.2 32 4.1 3.9 34 3.9 3.8 36 3.7 3.6 38 3.4 3.4 40 3.3 3.3 42 3.1 3.1 44 2.9 2.9 46 2.8 2.5 48 2.7 2.2 50 2.5 2.0 52 2.4 1.8 54 2.3 1.5 56 2.158 1.960 1.862 1.564Ⅱ% 90 90 Ⅲ% 90 90 Ⅳ% 45 90 Ⅴ% 45 45 倍率 1 1幅度 (m)主臂长度(m)46.2 51. 3 56.4 61安装角(°)0 15 30 0 15 30 0 15 30 0 15 3014 25.1 26.316 23.2 16.2 24.416.621.518 21.6 15.5 13 22.315.919.716.317.420 20.1 14.8 12.620.415.212.818.115.613 16 14.822 18.9 14.2 12.318.814.612.516.715 12.7 14.7 13.712.8 24 17.8 13.6 11.917.314.112.2315.414.312.4 13.6 12.712 26 16.8 13.1 11.616 13.611.914.213.312.1 12.5 11.811.2 28 15.9 12.6 11.314.813.111.613.212.411.7 11.5 10.910.4 30 15.1 12.2 11.113.712.711.312.211.510.9 10.7 10.29.7 32 14.4 11.8 10.812.812 11.111.310.710.2 9.9 9.49 34 13.7 11.4 10.611.911.210.610.510 9.5 9.1 8.88.4 36 12.8 11.1 10.411 10.59.99.89.38.9 8.5 8.27.8 38 11.9 10.8 10.210.39.89.39.18.78.3 7.8 7.67.3 40 11.1 10.5 9.9 9.69.18.78.58.17.8 7.3 7 6.8 42 10.4 9.9 9.3 8.98.68.17.97.67.3 6.7 6.5 6.3 44 9.49.3 8.8 8.38 7.67.37.1 6.8 6.2 6.1 5.9 46 8.58.7 8.3 7.87.57.1 6.8 6.6 6.4 5.7 5.6 5.4 48 7.78 7.8 7.27 6.7 6.3 6.2 5.9 5.3 5.2 5 50 6.97.2 7.3 6.7 6.5 6.3 5.9 5.7 5.5 4.9 4.8 4.7 52 06.3 6.5 6.3 6.1 5.8 5.5 5.3 5.2 4.5 4.4 4.3 54 5.7 5.8 5.7 5.7 5.5 5.1 5 4.8 4.1 4.1 4 56 5.1 5.2 5.2 5.3 4.7 4.6 4.5 3.8 3.8 3.7 58 4.6 4.6 4.8 4.4 4.3 4.1 3.5 3.4 3.4 60 4.4 4.2 4.3 4.1 4 3.2 3.1 3.1 62 3.7 3.8 3.7 2.9 2.9 2.8 64 3.5 3.4 2.6 2.666 3.1 3.2 2.4 2.468 2.8 2.1 2.170 1.9 1.972 1.7Ⅱ% 90 90 90 100Ⅲ% 90 90 90 100Ⅳ% 45 90 90 100Ⅴ% 45 45 90 100倍率 3 2 1 2 2 1 2 2 1 1 2 1幅度 (m)主臂长度(m)46.2 51.3 56.4 61安装角(°)0 15 30 0 15 30 0 15 30 0 15 3012 18.3 14.114 17.3 14.110.98.716 16.3 11.8 14.110.98.718 15.4 11.3 14.110.810.910.68.720 14.5 10.8 13.910.510.910.28.7 9.822 13.7 10.3 8.413.010.28.010.99.77.9 8.7 9.324 13.0 9.9 8.211.79.87.810.39.37.8 8.6 8.77.7 26 12.4 9.6 7.910.69.57.69.38.97.6 8.0 7.97.4 28 11.7 9.3 7.59.79.27.58.38.27.4 7.2 7.27.1 30 10.7 8.9 7.48.88.67.37.57.57.2 6.5 6.5 6.5 32 9.88.6 7.28.08.07.1 6.9 6.8 6.7 5.9 5.9 5.9 34 9.18.3 7.07.37.37.0 6.2 6.2 6.1 5.3 5.3 5.3 36 8.38.1 6.8 6.8 6.7 6.6 5.7 5.6 5.7 4.8 4.9 4.9 38 7.77.6 6.7 6.2 6.1 6.2 5.1 5.3 5.1 4.3 4.4 4.5 40 7.17.1 6.6 5.6 5.7 5.7 4.7 4.7 4.8 3.9 3.9 4.0 42 6.5 6.5 6.5 5.2 5.2 5.2 4.3 4.3 4.4 3.6 3.6 3.7 44 6.0 6.1 6.1 4.7 4.7 4.9 3.9 3.9 4.0 3.2 3.3 3.4 46 5.6 5.5 5.7 4.2 4.3 4.5 3.5 3.6 3.7 2.8 2.9 3.0 48 5.2 5.1 5.3 3.9 3.9 4.1 3.2 3.3 3.4 2.5 2.6 2.7 50 4.8 4.8 4.9 3.5 3.7 3.7 2.9 3.0 3.1 2.2 2.3 2.4 52 4.4 4.4 4.5 3.3 3.3 3.4 2.6 2.7 2.8 1.9 2.1 2.2 54 4.0 4.1 4.1 3.0 3.1 3.1 2.4 2.5 2.5 1.7 1.9 1.9 56 3.7 3.7 3.9 2.7 2.8 2.8 2.1 2.2 2.3 1.5 1.6 1.7 58 3.0 3.5 2.5 2.5 2.6 1.9 2.0 2.0 1.5 60 3.0 3.0 2.2 2.3 2.3 1.7 1.8 1.862 2.6 2.9 2.0 2.1 1.5 1.5 1.664 2.0 1.8 1.866 1.6 1.6Ⅱ% 90 90 90 100Ⅲ% 90 90 90 100Ⅳ% 45 90 90 100Ⅴ% 45 45 90 100倍率 2 1 1 2 1 1 1 1 1 1 1 1幅度 (m)主臂长度(m)46.2 51.3安装角(°)0 15 30 0 15 3012 12.914 12.210.316 11.610.318 10.910.320 10.27.69.9 6.822 9.67.29.4 6.724 9.2 6.98.9 6.526 8.6 6.6 5.28.4 6.428 8.2 6.3 5.18.0 6.2 5.0 30 7.8 6.0 4.97.7 6.0 4.9 32 7.5 5.8 4.77.0 5.7 4.7 34 7.2 5.6 4.6 6.2 5.6 4.5 36 6.8 5.4 4.5 5.6 5.4 4.4 38 6.5 5.2 4.3 5.1 5.2 4.3 40 6.0 5.0 4.2 4.7 4.8 4.2 42 5.5 4.9 4.1 4.3 4.5 4.1 44 5.1 4.7 4.0 3.9 4.0 4.1 46 4.7 4.5 3.9 3.6 3.6 3.7 48 4.3 4.4 3.8 3.2 3.3 3.4 50 4.0 4.0 3.8 2.9 3.1 3.1 52 3.7 3.8 3.7 2.7 2.7 2.9 54 3.3 3.5 3.5 2.3 2.5 2.6 56 3.1 3.2 3.2 2.1 2.3 2.4 58 2.8 2.9 3.0 1.9 2.0 2.1 60 2.6 2.7 2.7 1.7 1.8 1.9 62 2.4 2.4 2.5 1.5 1.6 1.6 64 2.0 2.2 2.366 1.9 2.068 1.8Ⅱ% 90 90Ⅲ% 90 90Ⅳ% 45 90Ⅴ% 45 45倍率 2 1 1 1 1 1幅度 (m)主臂长度(m)46.2 51.3安装角(°)0 15 0 1514 8.4 6.316 8.0 6.318 7.6 6.320 7.2 6.322 6.8 6.324 6.4 4.5 6.1 4.4 26 6.1 4.3 5.9 4.2 28 5.7 4.2 5.6 4.1 30 5.4 4.1 5.4 4.0 32 5.1 3.9 5.1 3.8 34 4.9 3.7 4.8 3.7 36 4.6 3.6 4.6 3.6 38 4.4 3.4 4.2 3.4 40 4.2 3.3 3.9 3.3 42 4.0 3.2 3.5 3.2 44 3.8 3.1 3.2 3.1 46 3.7 3.0 2.8 3.0 48 3.5 2.8 2.5 2.7 50 3.2 2.7 2.3 2.4 52 2.9 2.7 2.0 2.2 54 2.7 2.6 1.8 2.0 56 2.4 2.5 1.6 1.8 58 2.2 2.3 1.6 60 2.0 2.162 1.8 1.964 1.6 1.766 1.668Ⅱ% 90 90 Ⅲ% 90 90 Ⅳ% 45 90 Ⅴ% 45 45倍率 1 1 1 1幅度 (m)主臂长度(m) 46.2 51.3安装角(°)0 016 6.1 5.3 18 5.8 5.3 20 5.6 5.3 22 5.3 5.1 24 5.1 4.9 26 4.8 4.6 28 4.5 4.4 30 4.3 4.2 32 4.1 3.9 34 3.9 3.8 36 3.7 3.6 38 3.4 3.4 40 3.3 3.3 42 3.1 3.1 44 2.9 2.9 46 2.8 2.5 48 2.7 2.2 50 2.5 2.0 52 2.4 1.8 54 2.3 1.5 56 2.158 1.960 1.862 1.564Ⅱ% 90 90 Ⅲ% 90 90 Ⅳ% 45 90 Ⅴ% 45 45 倍率 1 1幅度 (m)主臂长度(m)46.2 51.3 56.4 61安装角(°)0 15 30 0 15 30 0 15 30 0 15 3014 25.1 26.316 23.2 16.2 24.416.621.518 21.6 15.5 13 22.315.919.716.317.420 20.1 14.8 12.620.415.212.818.115.613 16 14.822 18.9 14.2 12.318.814.612.516.715 12.7 14.7 13.712.8 24 17.8 13.6 11.917.314.112.2315.414.312.4 13.6 12.712 26 16.8 13.1 11.616 13.611.914.213.312.1 12.5 11.811.2 28 14.7 12.6 11.314.813.111.613.212.411.7 11.5 10.910.4 30 12.9 12.2 11.112.912.711.312.211.510.9 10.7 10.29.7 32 11.3 11.8 10.811.312 11.111.310.710.2 9.9 9.49 34 9.9 10.6 10.610 10.710.610.210 9.5 9.1 8.88.4 36 8.7 9.3 9.88.89.49.99 9.38.9 8.5 8.27.8 38 7.6 8.2 8.67.78.38.78 8.68.3 7.8 7.67.3 40 6.7 7.2 7.5 6.87.37.77 7.67.8 6.9 7 6.8 42 5.8 6.3 6.6 5.9 6.4 6.7 6.2 6.77.1 6.1 6.5 6.3 44 5.1 5.5 5.7 5.2 5.6 5.9 5.4 5.9 6.2 5.3 5.8 5.9 46 4.4 4.7 5 4.5 4.9 5.1 4.7 5.2 5.5 4.6 5.1 5.4 48 3.8 4.1 4.3 3.9 4.2 4.4 4.1 4.5 4.8 4 4.4 4.7 50 3.2 3.5 3.6 3.3 3.6 3.8 3.6 3.9 4.1 3.5 3.8 4.1 52 2.7 2.9 2.8 3 3.2 3 3.3 3.5 2.9 3.3 3.5 54 2.2 2.4 2.3 2.5 2.7 2.6 2.8 3 2.5 2.8 3 56 1.8 1.9 1.9 2.1 2.1 2.4 2.5 2 2.3 2.5 58 1.5 1.6 1.7 1.9 2 1.6 1.9 2 60 1.5 1.5 1.6Ⅱ% 90 90 90 100Ⅲ% 90 90 90 100Ⅳ% 45 90 90 100Ⅴ% 45 45 90 100倍率 3 2 1 2 2 1 2 2 1 1 2 1幅度 (m)主臂长度(m)46.2 51.3 56.4 61安装角(°)0 15 30 0 15 30 0 15 30 0 15 3012 18.3 14.114 17.3 14.110.98.716 16.3 11.8 14.110.98.718 15.4 11.3 14.110.810.910.68.720 14.5 10.8 13.910.510.910.28.7 9.822 13.7 10.3 8.413.010.28.010.99.77.9 8.7 9.324 13.0 9.9 8.211.79.87.810.39.37.8 8.6 8.77.7 26 12.4 9.6 7.910.69.57.69.38.97.6 8.0 7.97.4 28 11.7 9.3 7.59.79.27.58.38.27.4 7.2 7.27.1 30 10.7 8.9 7.48.88.67.37.57.57.2 6.5 6.5 6.5 32 9.0 8.6 7.28.08.07.1 6.9 6.8 6.7 5.9 5.9 5.9 34 8.0 8.3 7.07.37.37.0 6.2 6.2 6.1 5.3 5.3 5.3 36 7.0 8.0 6.8 6.8 6.7 6.6 5.7 5.6 5.7 4.8 4.9 4.9 38 6.0 7.0 6.7 6.0 6.1 6.2 5.1 5.3 5.1 4.3 4.4 4.5 40 5.0 6.0 6.6 5.0 5.7 5.7 4.7 4.7 4.8 3.9 3.9 4.0 42 5.0 5.0 6.0 4.0 5.0 5.2 4.3 4.3 4.4 3.6 3.6 3.7 44 4.0 5.0 5.0 4.0 4.7 4.9 3.9 3.9 4.0 3.2 3.3 3.4 46 3.0 4.0 4.9 3.0 4.0 4.5 3.0 3.6 3.7 2.8 2.9 3.0 48 2.8 3.0 4.0 2.7 3.0 4.0 2.9 3.3 3.4 2.5 2.6 2.7 50 2.0 2.8 3.0 2.0 2.8 3.0 2.0 3.0 3.1 2.0 2.3 2.4 52 1.6 2.0 2.7 1.5 2.0 2.7 1.7 2.0 2.8 1.5 2.0 2.2 54 1.6 2.0 1.6 2.0 1.8 2.0 1.7 1.9 56 1.5 1.8 1.7Ⅱ% 90 90 90 100Ⅲ% 90 90 90 100Ⅳ% 45 90 90 100Ⅴ% 45 45 90 100倍率 2 1 1 2 1 1 1 1 1 1 1 1幅度 (m)主臂长度(m)46.2 51.3安装角(°)0 15 30 0 15 3012 12.914 12.210.316 11.610.318 10.910.320 10.27.69.9 6.822 9.67.29.4 6.724 9.2 6.98.9 6.526 8.6 6.6 5.28.4 6.428 8.2 6.3 5.18.0 6.2 5.0 30 7.8 6.0 4.97.7 6.0 4.9 32 7.5 5.8 4.77.0 5.7 4.7 34 7.2 5.6 4.6 6.2 5.6 4.5 36 6.8 5.4 4.5 5.6 5.4 4.4 38 6.0 5.2 4.3 5.1 5.2 4.3 40 5.0 5.0 4.2 4.7 4.8 4.2 42 5.0 4.9 4.1 4.3 4.5 4.1 44 4.0 4.7 4.0 3.9 4.0 4.1 46 3.0 4.0 3.9 3.0 3.6 3.7 48 3.0 4.0 3.8 2.8 3.3 3.4 50 2.0 3.0 3.8 2.0 3.0 3.1 52 1.8 2.7 3.0 1.6 2.6 2.9 54 2.0 2.8 1.0 2.0 2.6 56 1.5 2.0 1.5 2.0 58 1.6 1.6 Ⅱ% 90 90Ⅲ% 90 90Ⅳ% 45 90Ⅴ% 45 45倍率 2 1 1 1 1 1幅度 (m)主臂长度(m)46.2 51.3安装角(°)0 15 0 1514 8.4 6.316 8.0 6.318 7.6 6.320 7.2 6.322 6.8 6.324 6.4 4.5 6.1 4.4 26 6.1 4.3 5.9 4.2 28 5.7 4.2 5.6 4.1 30 5.4 4.1 5.4 4.0 32 5.1 3.9 5.1 3.8 34 4.9 3.7 4.8 3.7 36 4.6 3.6 4.6 3.6 38 4.4 3.4 4.2 3.4 40 4.2 3.3 3.9 3.3 42 4.0 3.2 3.5 3.2 44 3.8 3.1 3.2 3.1 46 3.0 3.0 2.8 3.0 48 3.0 2.8 2.5 2.7 50 2.0 2.7 2.0 2.4 52 1.9 2.7 1.7 2.2 54 2.5 2.0 56 2.0 1.8 58 1.5 1.3 60Ⅱ% 90 90 Ⅲ% 90 90 Ⅳ% 45 90 Ⅴ% 45 45倍率 1 1 1 1幅度 (m)主臂长度(m) 46.2 51.3 安装角(°)0 016 6.1 5.3 18 5.8 5.3 20 5.6 5.3 22 5.3 5.1 24 5.1 4.9 26 4.8 4.6 28 4.5 4.4 30 4.3 4.2 32 4.1 3.9 34 3.9 3.8 36 3.7 3.6 38 3.4 3.4 40 3.3 3.3 42 3.1 3.1 44 2.9 2.9 46 2.8 2.5 48 2.7 2.2 50 2.0 2.0 52 2.0 1.7 545658Ⅱ% 90 90 Ⅲ% 90 90 Ⅳ% 45 90 Ⅴ% 45 45 倍率 1 1主臂+超起工况额定起重量表1、主臂+超起工况额定起重量表支腿8.7m,配重98.2t幅度 (m)臂长(m)35.9 41.1 46.2 51.3 56.4 617 88.2 71.48 83.4 68.89 80.2 66.7 55.210 76 63.1 52.5 44.612 66.1 58.1 48.9 41.6 3714 56.8 54.9 45.9 38.5 33.9 28.8 16 49.3 48.5 43.4 36.3 32.7 27.5 18 44 42.7 40.7 34.4 29.8 25.9 20 38.8 37.8 36.3 33 28.1 24.7 22 35 34.3 32.8 31.6 26.8 23.3 24 32.8 31.5 29.6 28.8 25.3 22.4 26 28.7 28.4 26.9 26.7 23.1 21.6 28 25.2 26.2 24.6 24.4 21.1 20.7 30 22.2 23.3 22.7 22.4 19.5 19.9 32 19 20.8 20.8 20.5 18 18.1 34 18.3 18.7 18.9 16.6 16.7 36 16.3 16.9 17.2 15.4 15.3 38 15.2 15.6 14.2 14.2 40 13.7 14.1 13.2 13 42 12 12.8 12.4 12 44 11.6 11.5 11.3 46 10.5 10.6 10.5 48 9 9.7 9.7 50 9 8.9 52 8.3 8.2 54 7.7 56 7 Ⅱ% 90 90 90 90 90 100 Ⅲ% 45 45 90 90 90 100 Ⅳ% 45 45 45 90 90 100 Ⅴ% 0 45 45 45 90 100 倍率 8 6 6 4 4 3主臂+超起+副臂工况额定起重量表1、主臂+超起+副臂工况额定起重量表支腿8.7m,配重98.2t,臂长15m幅度 (m)主臂长度(m)46.2 51.3 56.4 61安装角(°)0 15 30 0 15 30 0 15 30 0 15 3012 27.8 22.5 16.9 13.714 27.7 19.6 22.5 18.9 16.9 13.716 26.7 18.9 13.2 22.3 18.5 16.7 16.2 13.7 13.618 25.4 18.1 12.8 21.9 18.1 12.8 16.4 15.7 12.4 13.7 13.6 12.0 20 24.3 17.4 12.4 21.4 17.5 12.5 16.1 15.1 12.0 13.7 13.6 11.6 22 23.3 16.6 12.0 20.9 16.7 12.1 15.8 14.5 11.6 13.7 13.2 11.2 24 22.3 16.0 11.6 20.3 16.1 11.7 15.4 13.8 11.4 13.7 12.9 10.9 26 21.2 15.5 11.3 19.8 15.7 11.3 15.0 13.2 11.0 13.5 12.3 10.8 28 20.3 15.1 11.1 19.1 15.1 11.1 14.6 12.6 10.8 12.9 11.9 10.6 30 19.4 14.3 10.7 18.6 14.6 10.8 14.1 12.0 10.6 12.5 11.3 10.4 32 18.0 13.7 10.5 17.9 13.5 10.6 13.7 11.5 10.4 12.0 11.0 10.2 34 16.5 13.0 10.4 16.3 12.4 10.4 13.2 11.1 10.2 11.6 10.6 9.8 36 15.0 12.2 10.2 15.0 11.6 10.2 12.8 10.5 9.9 10.8 10.2 9.4 38 14.0 11.3 10.0 14.0 10.8 10.0 12.5 10.2 9.6 10.0 9.8 9.2 40 12.0 10.0 9.8 12.0 10.0 9.8 12.1 9.8 9.2 9.3 9.4 8.9 42 11.0 9.2 9.2 11.0 9.2 9.6 11.4 9.2 8.7 8.5 8.8 8.6 44 10.0 8.5 8.5 10.0 8.5 8.5 10.6 8.5 8.3 7.7 8.2 8.3 46 9.0 7.7 7.7 9.0 7.7 7.7 9.8 7.7 7.9 6.9 7.6 7.8 48 8.0 6.9 6.9 8.0 6.9 6.9 9.0 6.9 7.3 6.9 6.9 7.2 50 8.0 6.2 8.0 6.2 6.2 8.0 6.2 6.9 6.2 6.2 6.8 52 7.0 5.4 7.0 5.4 6.2 7.0 6.2 6.2 5.4 6.2 6.2 54 6.0 4.6 6.0 5.4 7.0 5.4 5.4 4.6 5.4 5.4 56 6.0 6.0 4.6 6.0 4.6 4.6 4.6 4.6 4.6 58 5.0 5.0 3.8 5.0 4.6 3.8 4.6 4.6 60 4.9 5.0 3.8 3.8 3.862 4.0 4.0 3.8 3.1 3.864 4.0 3.1 3.1 3.166 3.0 2.3 2.968 3.0 2.3 2.370 1.972 1.5Ⅱ% 90 90 90 100Ⅲ% 90 90 90 100Ⅳ% 45 90 90 100Ⅴ% 45 45 90 100倍率 3 2 2 2 2 2 2 2 1 2 2 1主臂+变幅副臂工况起重性能表1、主臂+变幅副臂工况起重性能表支腿8.7m,配重98.2t,臂长22m幅度 (m)主臂长(m)15.4 25.7 35.9 46.2 56.4主臂仰角(°)82° 74° 82° 74° 82°74°82°74°82° 74°9 50.310 49.3 44.212 48.2 43.7 38.514 48.0 44.2 43.5 38.524.016 48.0 43.2 43.5 41.2 38.523.313.418 46.5 43.0 43.5 40.7 36.322.613.220 45.1 43.0 43.5 40.5 34.130.721.912.922 41.0 38.0 32.529.221.218.312.724 34.0 27.720.717.311.926 26.116.310.8 8.6 28 24.515.18.1 30 13.97.6 32 7.1 34 6.5 36组合方式0 0 1100 1100 21102110221122112222 2222 倍率 5 4 4 4 4 3 2 2 2 1主臂+超起+变幅副臂工况起重性能表1、主臂+超起+变幅副臂工况起重性能表支腿8.7m,配重98.2t,臂长22m幅度主臂长(m)35.9 41.1 46.2 51.3 56.4主臂仰角(°)82° 74° 82°74°82°74°82°74°82° 74°12 37.814 36.5 35.526.419.216 34.6 35.526.419.013.518 33.0 34.026.418.813.520 32.0 29.9 32.826.418.813.522 31.7 28.4 32.530.126.426.518.813.524 26.8 28.626.426.518.818.813.526 25.8 27.225.818.813.5 13.728 25.7 26.424.318.813.530 25.322.818.813.432 18.813.434 13.436384042组合方式 1111 1111 2111211122112211222122212222 2222 倍率 4 4 3 3 3 3 2 2 2 2。
徐工QAY300型全地面起重机一、制造厂徐工集团二、主要技术参数项目数值备注工作性能参数最大额定总起重量kg 300000 基本臂最大起重力矩kN.m9526最长主臂最大起重力矩kN.m4675主臂最大起升高度m 60.8主副臂最大起升高度m 72.9工作速度主卷扬单绳最大速度m/min 150 副卷扬单绳最大速度m/min 150 起重臂伸出时间s ≤480起重臂起臂时间s ≤90回转速度r/min 0-1.7行驶参数最高行驶速度km/h 75最大爬坡度% 40最小转弯直径m 24 最小离地间隙mm 330 制动距离(车速为30km/h)m 10接近角° 19离去角° 19百公里油耗L 96质量参数行驶状态自重(总质量)kg 79679 轴荷一/二/三轴 kg 11625四/五轴kg 11201六/七轴kg 11201尺寸参数外形尺寸(长×宽×高) mm 18210×3000×4000支腿纵向距离m 9.2 支腿横向距离m 8.7(全伸)、6.5(半伸)基本臂长m 15.4 最长主臂m 61 最长主臂+副臂m 76 副臂安装角° 0、15、30动力参数下车发动机型号OM502LA. Ш/5发动机额定功率kw 420 排放标准国Ш轮胎数(不包括备胎)14二、外形尺寸徐工QAY300型全地面起重机三、主臂起重性能1、主臂额定起重量表支腿8.7m,配重98.2t臂长(m)幅度 15.4* 15.4 20.5 20.5 25.7 25.7 25.7 30.8 30.830.835.935.935.941.141.141.1 46.2 46.2 46.2 51.351.356.461 3 300 3003.5 210 186 175 1224 190 172 170 119 154 106 894.5 180 162 159 113 146 101 845 169 152 150 108 139 96 80 113 95786 149 135 133 100 125 87 72 104 86708786727 133 120 119 93 113 80 65 95 79648079666967578 120 105 105 87 103 73 60 88 72597473616462529 108 95 95 81 94 67 55 81 675468685759.5584952 48.7 42.410 96 87 87 76 87 63 51 75 625064645355.5544548.5 45.8 39.7 4339.812 73 70 75 67 75 55 45 66 544456564649484043 40.8 35.2 3835.63414 66 60 65 49 40 58.7 483949504144433638.1 36.7 31.5 3432.130.327.2 16 55.5 53 55 44 36 52 433544453739.5393234.3 33.3 28.4 30.829.227.524.8 18 48.5 40 32 47 393240413336352931.2 30.4 25.8 2826.725.122.7 20 38 36 29.1 42.3 362936383032.5322628.5 27.9 23.6 25.724.623.120.9 22 33.5 31.8 25.8 36 332633352830302426.1 25.8 21.7 23.622.821.319.3 24 32.1 31243131.52628272224.1 23.9 20 21.821.119.717.8 26 28.3 282227.827.82425.5252122.3 22.3 18.6 20.219.718.316.6 28 24.624.62224241920.7 20.8 17.3 18.818.41715.4 30 22222122221819.3 19.5 16.1 17.517.315.914.4 32 1919.71920.420.41718 18.3 15.1 16.316.214.913.4 34 18.518.51616.9 17.3 14.2 15.315.31412.6 36 16.516.51515.8 16.3 13.3 14.414.413.111.8 38 14.9 15.4 12.6 13.513.712.311.1 40 14 14.1 11.9 12.71311.610.4 42 11 11 11 1212.3119.8 44 11.411.810.49.3 46 10.8119.88.8 48 88.19.38.3 50 8.87.8 52 8.37.4 54 7 56 6.6 58 4.4Ⅱ% 0 0 0 0 45 0 0 45 00904509045090 45 0 904590100Ⅲ% 0 0 45 0 45 0 0 45 45045459045909090 90 90 909090100Ⅳ% 0 0 0 0 0 45 0 45 459045454545459045 90 90 909090100Ⅴ% 0 0 0 45 0 45 90 0 45450454545454545 45 90 459090100倍率 20 20 17 17 14 14 14 11 1111888888 6 6 6 6663臂长(m)幅度 15.4* 15.4 20.5 20.5 25.7 25.7 25.7 30.8 30.830.835.935.935.941.141.141.1 46.2 46.2 46.2 51.351.356.461 3 300 3003.5 210 186 175 1224 190 172 170 119 154 106 894.5 180 162 159 113 146 101 845 169 152 150 108 139 96 80 113 95786 149 135 133 100 125 87 72 104 86708786727 133 120 119 93 113 80 65 95 79648079666967578 120 105 105 87 103 73 60 88 72597473616462529 106.8 95 95 81 94 67 55 81 675468685759.5584952 48.7 42.410 95.6 87 87 76 87 63 51 75 625064645355.5544548.5 45.8 39.7 4339.812 73 70 75 67 75 55 45 66 544456564649484043 40.8 35.2 3835.63414 63 60 62.1 49 40 58.7 483949504144433638.1 36.7 31.5 3432.130.327.2 16 51 51 50.1 44 36 50.4 433544453739.5393234.3 33.3 28.4 30.829.227.524.8 18 41.5 40 32 41.9 393240413336352931.2 30.4 25.8 2826.725.122.7 20 35.1 35.1 29.1 35.6 35.62935353032.5322628.5 27.9 23.6 25.724.623.120.9 22 30 30 25.8 30.6 30.62630302830302426.1 25.8 21.7 23.622.821.319.3 24 26.6 26.62426.126.12626.726.72224.1 23.9 20 21.821.119.717.8 26 23.4 23.42222.822.822.823.523.52122.3 22.3 18.6 20.219.718.316.6 28 20.120.120.120.820.81920.7 20.8 17.3 18.818.41715.4 30 17.817.817.818.518.51818.6 18.6 16.1 17.517.315.914.4 32 15.815.815.816.616.616.6 16.7 16.7 15.1 16.316.214.913.4 34 14.914.914.9 15 15 14.2 15.215.21412.6 36 13.413.413.4 13.5 13.5 13.3 13.713.713.111.8 38 12.2 12.2 12.2 12.412.412.311.1 40 11.1 11.1 11.1 11.311.311.610.4 42 10 10 10 10.310.310.89.8 44 9.49.49.99.3 46 8.58.59.18.8 48 7.87.88.38.3 50 7.67.6 52 77 54 6.4 56 5.8 58 4.4Ⅱ% 0 0 0 0 45 0 0 45 00904509045090 45 0 904590100Ⅲ% 0 0 45 0 45 0 0 45 45045459045909090 90 90 909090100Ⅳ% 0 0 0 0 0 45 0 45 459045454545459045 90 90 909090100Ⅴ% 0 0 0 45 0 45 90 0 45450454545454545 45 90 459090100倍率 20 20 17 17 14 14 14 11 1111888888 6 6 6 6663臂长(m)幅度 15.4* 15.4 20.5 20.5 25.7 25.7 25.7 30.8 30.830.835.935.935.941.141.141.1 46.2 46.2 46.2 51.351.356.461 3 285.9 2863.5 210 186 175 1224 190 172 170 119 154 106 894.5 180 162 159 113 146 101 845 169 152 150 108 139 96 80 113 95786 148.7 135 133 100 125 87 72 104 86708786727 127.4 120 119 93 113 80 65 95 79648079666967578 111.1 105 105 87 103 73 60 88 72597473616462529 97.2 95 95 81 94 67 55 81 675468685759.5584952 48.7 42.410 85.7 85.7 84.7 76 83.6 63 51 75 625064645355.5544548.5 45.8 39.7 4339.812 62 62 61.4 61.4 60.5 55 45 60.7 544456564649484043 40.8 35.2 3835.63414 47.3 47.3 46.4 46.4 40 46.8 46.83946.146.14144433638.1 36.7 31.5 3432.130.327.2 16 37.9 37.9 37.1 37.1 36 37.6 37.63536.936.936.937.537.53234.3 33.3 28.4 30.829.227.524.8 18 30.3 30.3 30.3 30.9 30.930.930.330.330.330.930.92931 30.4 25.8 2826.725.122.7 20 25.3 25.3 25.3 25.9 25.925.925.325.325.326262626.1 26.1 23.6 25.724.623.120.9 22 21.3 21.3 21.3 22 222221.421.421.422.222.222.2 22.3 22.3 21.7 22.322.321.319.3 24 18.9 18.918.918.318.318.319.119.119.1 19.2 19.2 19.2 19.319.319.717.8 26 16.3 16.316.315.815.815.816.616.616.6 16.7 16.7 16.7 16.816.817.416.6 28 13.713.713.714.514.514.5 14.6 14.6 14.6 14.814.815.315.2 30 11.911.911.912.712.712.7 12.8 12.8 12.8 131313.613.4 32 10.310.310.311.211.211.2 11.3 11.3 11.3 11.511.512.111.9 34 9.89.89.810 10 10 10.210.210.810.7 36 8.78.78.78.8 8.8 8.8 9.19.19.69.5 38 7.8 7.8 7.8 888.68.5 40 6.9 6.9 6.9 7.17.17.77.6 42 6 6 6 6.3 6.3 6.9 6.9 44 5.6 5.6 6.2 6.1 46 55 5.5 5.5 48 4.4 4.4 4.9 4.9 50 4.4 4.4 52 3.9 3.9 54 3.4 56 3 58 2.6Ⅱ% 0 0 0 0 45 0 0 45 00904509045090 45 0 904590100Ⅲ% 0 0 45 0 45 0 0 45 45045459045909090 90 90 909090100Ⅳ% 0 0 0 0 0 45 0 45 459045454545459045 90 90 909090100Ⅴ% 0 0 0 45 0 45 90 0 45450454545454545 45 90 459090100倍率 20 20 17 17 14 14 14 11 1111888888 6 6 6 6663臂长(m)幅度 15.4* 15.4 20.5 20.5 25.7 25.7 25.7 30.8 30.830.835.935.935.941.141.141.1 46.2 46.2 46.2 51.351.356.461 3 273 2733.5 210 186 175 1224 190 172 170 119 154 106 894.5 180 162 159 113 146 101 845 169 152 150 108 139 96 80 113 95786 141.8 135 133 100 125 87 72 104 86708786727 121.4 120 119 93 113 80 65 95 79648079666967578 103.8 104 103 87 102 73 60 88 72597473616462529 87 87 86.1 81 84.9 67 55 81 675468685759.5584952 48.7 42.410 71.1 71.1 70.4 70.4 69.3 63 51 69.5 625064645355.5544548.5 45.8 39.7 4339.812 51 51 50.6 50.6 49.7 49.7 45 50.1 50.14449.349.34649484043 40.8 35.2 3835.63414 38.7 38.7 37.8 37.8 37.8 38.3 38.338.337.637.637.638.238.23638.1 36.7 31.5 3432.130.327.2 16 30.7 30.7 29.8 29.8 29.8 30.5 30.530.529.829.829.830.530.530.5 30.6 30.6 28.4 30.529.227.524.8 18 24.1 24.1 24.1 24.8 24.824.824.224.224.224.924.924.9 25 25 25 25.125.125.122.7 20 19.8 19.8 19.8 20.6 20.620.620202020.720.720.7 20.9 20.9 20.9 20.920.921.620.9 22 16.5 16.5 16.5 17.3 17.317.316.716.716.717.517.517.5 17.6 17.6 17.6 17.717.718.418.1 24 14.6 14.614.614.114.114.114.914.914.9 15 15 15 15.215.215.815.6 26 12.5 12.512.511.911.911.912.812.812.8 12.9 12.9 12.9 13.113.113.713.5 28 10.110.110.111111111.1 11.1 11.1 11.311.311.911.8 30 8.68.68.69.59.59.59.6 9.6 9.6 9.89.810.410.3 32 7.37.37.38.28.28.28.3 8.3 8.3 8.58.59.19 34 7777.2 7.2 7.2 7.47.487.9 36 6.1 6.1 6.1 6.2 6.2 6.2 6.5 6.577 38 5.3 5.3 5.3 5.6 5.6 6.2 6.1 40 4.5 4.5 4.5 4.8 4.8 5.4 5.4 42 3.8 3.8 3.8 4.2 4.2 4.7 4.7 44 3.6 3.6 4.1 4.1 46 33 3.6 3.6 48 2.5 2.5 3.1 3.1 50 2.6 2.6 52 2.2 2.2 54 1.8Ⅱ% 0 0 0 0 45 0 0 45 00904509045090 45 0 904590100Ⅲ% 0 0 45 0 45 0 0 45 45045459045909090 90 90 909090100Ⅳ% 0 0 0 0 0 45 0 45 459045454545459045 90 90 909090100Ⅴ% 0 0 0 45 0 45 90 0 45450454545454545 45 90 459090100倍率 20 20 17 17 14 14 14 11 1111888888 6 6 6 6663臂长(m)幅度15.4* 15.4 20.5 20.5 25.7 25.7 25.7 30.8 30.830.835.935.935.941.141.141.1 46.2 46.2 46.2 51.351.356.461(m)3 260 2603.5 210 186 175 1224 190 172 170 119 154 106 894.5 178.5 162 159 113 146 101 845 161.3 152 150 108 139 96 80 113 95786 134.6 135 133 100 125 87 72 104 86708786727 112.2 112 111 93 110 80 65 95 79648079666967578 88.6 88.6 87.7 87 86.4 73 60 86.6 72597473616462529 69.2 69.2 68.6 68.6 67.4 67 55 67.8 675466.966.95759.5584952 48.7 42.410 56.2 56.2 55.8 55.8 54.7 54.7 51 55.2 55.25054.454.45354.9544548.5 45.8 39.7 4339.812 39.8 39.8 39.6 39.6 38.7 38.7 38.7 39.3 39.339.338.538.538.539.239.239.2 39.3 39.3 35.2 3835.63414 29.9 29.9 29 29 29 29.7 29.729.729292929.729.729.7 29.8 29.8 29.8 29.829.830.327.216 23.3 23.3 22.5 22.5 22.5 23.2 23.223.222.622.622.623.423.423.4 23.5 23.5 23.5 23.623.624.223.918 17.8 17.8 17.8 18.6 18.618.618181818.818.818.8 18.9 18.9 18.9 19.119.119.719.520 14.3 14.3 14.3 15.2 15.215.214.614.614.615.415.415.4 15.5 15.5 15.5 15.715.716.316.122 11.6 11.6 11.6 12.5 12.512.511.911.911.912.712.712.7 12.9 12.9 12.9 13.113.113.713.524 10.3 10.310.39.79.79.710.610.610.6 10.7 10.7 10.7 111111.611.426 8.5 8.58.57.97.97.98.98.98.99 9 9 9.29.29.89.728 6.5 6.5 6.57.47.47.47.5 7.5 7.5 7.87.88.48.330 5.2 5.2 5.2 6.2 6.2 6.2 6.3 6.3 6.3 6.6 6.67.27.132 4.1 4.1 4.1 5.1 5.1 5.1 5.2 5.2 5.2 5.5 5.5 6.1 6.134 4.2 4.2 4.2 4.3 4.3 4.3 4.6 4.6 5.2 5.236 3.4 3.4 3.4 3.5 3.5 3.5 3.8 3.8 4.4 4.438 2.8 2.8 2.8 3.1 3.1 3.7 3.740 2.1 2.1 2.1 2.5 2.5 3.1 3.142 1.6 1.6 1.6 22 2.5 2.544 2246 1.6 1.6Ⅱ% 0 0 0 0 45 0 0 45 00904509045090 45 0 904590100Ⅲ% 0 0 45 0 45 0 0 45 45045459045909090 90 90 909090100Ⅳ% 0 0 0 0 0 45 0 45 459045454545459045 90 90 909090100Ⅴ% 0 0 0 45 0 45 90 0 45450454545454545 45 90 459090100倍率 20 20 17 17 14 14 14 11 1111888888 6 6 6 6663臂长(m)幅度 15.4* 15.4 20.5 20.5 25.7 25.7 25.7 30.8 30.830.835.935.935.941.141.141.1 46.2 46.2 46.2 51.351.356.461 3 244 2443.5 210 186 175 1224 187.2 172 170 119 154 106 894.5 167 162 159 113 146 101 845 150.7 151 149 108 139 96 80 113 95786 121.3 121 120 100 119 87 72 104 86708786727 84.9 84.9 84.1 84.1 82.6 80 65 83.1 79648079666967578 61.7 61.7 61.3 61.3 59.9 59.9 59.9 60.6 60.65959.659.659.660.360.3529 47.6 47.6 47.4 47.4 46.2 46.2 46.2 46.9 46.946.946464646.846.846.8 47 47 42.410 38.1 38.1 38 38 36.9 36.9 36.9 37.7 37.737.736.936.936.937.737.737.7 37.9 37.9 37.9 37.837.812 26.1 26.1 26.3 26.3 25.3 25.3 25.3 26.1 26.126.125.425.425.426.326.326.3 26.4 26.4 26.4 26.526.527.314 19.1 19.1 18.2 18.2 18.2 19.1 19.119.118.418.418.419.419.419.4 19.5 19.5 19.5 19.619.620.420.1 16 11.2 11.2 10.3 10.3 10.3 11.4 11.411.410.710.710.711.811.811.8 11.9 11.9 11.9 12.312.315.715.5 18 7 7 7 8.1 8.18.17.47.47.48.68.68.68.7 8.7 8.7 9.19.19.89.7 20 4.7 4.7 4.7 5.8 5.8 5.8 5.1 5.1 5.1 6.2 6.2 6.2 6.3 6.3 6.3 6.7 6.77.47.4 22 2.8 2.8 2.8 4 44 3.3 3.3 3.3 4.4 4.4 4.4 4.6 4.6 4.6 4.9 4.9 5.6 5.6 24 2.5 2.5 2.5 1.9 1.9 1.9333 3.1 3.1 3.1 3.6 3.6 4.2 4.2 26 1.9 1.9 1.9 2 2 2 2.4 2.4 3.1 3.1 28 1.5 1.5 2.1 2.2Ⅱ% 0 0 0 0 45 0 0 45 00904509045090 45 0 904590100Ⅲ% 0 0 45 0 45 0 0 45 45045459045909090 90 90 909090100Ⅳ% 0 0 0 0 0 45 0 45 459045454545459045 90 90 909090100Ⅴ% 0 0 0 45 0 45 90 0 45450454545454545 45 90 459090100倍率 20 20 17 17 14 14 14 11 1111888888 6 6 6 6663副臂额定起重量表1、支腿8.7m,配重98.2t,臂长15m幅度 (m)主臂长度(m)46.2 51.3 56.4 61安装角(°)0 15 30 0 15 30 0 15 30 0 15 3014 25.1 26.316 23.2 16.2 24.416.621.518 21.6 15.5 13 22.315.919.716.317.420 20.1 14.8 12.620.415.212.818.115.613 16 14.822 18.9 14.2 12.318.814.612.516.715 12.7 14.7 13.712.8 24 17.8 13.6 11.917.314.112.2315.414.312.4 13.6 12.712 26 16.8 13.1 11.616 13.611.914.213.312.1 12.5 11.811.2 28 15.9 12.6 11.314.813.111.613.212.411.7 11.5 10.910.4 30 15.1 12.2 11.113.712.711.312.211.510.9 10.7 10.29.7 32 14.4 11.8 10.812.812 11.111.310.710.2 9.9 9.49 34 13.7 11.4 10.611.911.210.610.510 9.5 9.1 8.88.4 36 12.8 11.1 10.411 10.59.99.89.38.9 8.5 8.27.8 38 11.9 10.8 10.210.39.89.39.18.78.3 7.8 7.67.3 40 11.1 10.5 9.99.69.18.78.58.17.8 7.3 7 6.8 42 10.4 9.9 9.38.98.68.17.97.67.3 6.7 6.5 6.3 44 9.79.3 8.88.38 7.67.37.1 6.8 6.2 6.1 5.9 46 9.18.7 8.37.87.57.1 6.8 6.6 6.4 5.7 5.6 5.4 48 8.58.2 7.87.27 6.7 6.3 6.2 5.9 5.3 5.2 5 50 8 7.7 7.3 6.7 6.5 6.3 5.9 5.7 5.5 4.9 4.8 4.7 52 7.57.2 6.3 6.1 5.8 5.5 5.3 5.2 4.5 4.4 4.3 54 7 6.8 5.9 5.7 5.5 5.1 5 4.8 4.1 4.1 4 56 6.6 6.4 5.5 5.3 4.7 4.6 4.5 3.8 3.8 3.7 58 6.2 5.1 5 4.4 4.3 4.1 3.5 3.4 3.4 60 5.8 4.8 4.6 4.1 4 3.2 3.1 3.1 62 4.4 3.8 3.7 2.9 2.9 2.8 64 3.5 3.4 2.6 2.666 3.2 3.2 2.4 2.468 3 2.1 2.170 1.9 1.972 1.7Ⅱ% 90 90 90 100Ⅲ% 90 90 90 100Ⅳ% 45 90 90 100Ⅴ% 45 45 90 100倍率 3 2 1 2 2 1 2 2 1 1 2 12、副臂额定起重量表支腿8.7m,配重98.2t,臂长23m幅度 (m)主臂长度(m)46.2 51.3 56.4 61安装角(°)0 15 30 0 15 30 0 15 30 0 15 3012 18.3 14.114 17.3 14.110.98.716 16.3 11.8 14.110.98.718 15.4 11.3 14.110.810.910.68.720 14.5 10.8 13.910.510.910.28.7 9.822 13.7 10.3 8.413.010.28.010.99.77.9 8.7 9.324 13.0 9.9 8.211.79.87.810.39.37.8 8.6 8.77.7 26 12.4 9.6 7.910.69.57.69.38.97.6 8.0 7.97.4 28 11.7 9.3 7.59.79.27.58.38.27.4 7.2 7.27.1 30 10.7 8.9 7.48.88.67.37.57.57.2 6.5 6.5 6.5 32 9.88.6 7.28.08.07.1 6.9 6.8 6.7 5.9 5.9 5.9 34 9.18.3 7.07.37.37.0 6.2 6.2 6.1 5.3 5.3 5.3 36 8.38.1 6.8 6.8 6.7 6.6 5.7 5.6 5.7 4.8 4.9 4.9 38 7.77.6 6.7 6.2 6.1 6.2 5.1 5.3 5.1 4.3 4.4 4.5 40 7.17.1 6.6 5.6 5.7 5.7 4.7 4.7 4.8 3.9 3.9 4.0 42 6.5 6.5 6.5 5.2 5.2 5.2 4.3 4.3 4.4 3.6 3.6 3.7 44 6.0 6.1 6.1 4.7 4.7 4.9 3.9 3.9 4.0 3.2 3.3 3.4 46 5.6 5.5 5.7 4.2 4.3 4.5 3.5 3.6 3.7 2.8 2.9 3.0 48 5.2 5.1 5.3 3.9 3.9 4.1 3.2 3.3 3.4 2.5 2.6 2.7 50 4.8 4.8 4.9 3.5 3.7 3.7 2.9 3.0 3.1 2.2 2.3 2.4 52 4.4 4.4 4.5 3.3 3.3 3.4 2.6 2.7 2.8 1.9 2.1 2.2 54 4.0 4.1 4.1 3.0 3.1 3.1 2.4 2.5 2.5 1.7 1.9 1.9 56 3.7 3.7 3.9 2.7 2.8 2.8 2.1 2.2 2.3 1.5 1.6 1.7 58 3.5 3.5 2.5 2.5 2.6 1.9 2.0 2.0 1.5 60 3.2 3.3 2.2 2.3 2.3 1.7 1.8 1.862 2.9 2.9 2.0 2.1 1.5 1.5 1.664 2.7 1.8 1.866 2.5 1.6 1.66870Ⅱ% 90 90 90 100Ⅲ% 90 90 90 100Ⅳ% 45 90 90 100Ⅴ% 45 45 90 100倍率 2 1 1 2 1 1 1 1 1 1 1 1幅度 (m)主臂长度(m)46.2 51.3安装角(°)0 15 30 0 15 3012 12.914 12.210.316 11.610.318 10.910.320 10.27.6 9.9 6.822 9.6 7.2 9.4 6.724 9.2 6.9 8.9 6.526 8.6 6.6 5.2 8.4 6.428 8.2 6.3 5.1 8.0 6.2 5.0 30 7.8 6.0 4.9 7.7 6.0 4.9 32 7.5 5.8 4.7 7.0 5.7 4.7 34 7.2 5.6 4.6 6.2 5.6 4.5 36 6.8 5.4 4.5 5.6 5.4 4.4 38 6.5 5.2 4.3 5.1 5.2 4.3 40 6.0 5.0 4.2 4.7 4.8 4.2 42 5.5 4.9 4.1 4.3 4.5 4.1 44 5.1 4.7 4.0 3.9 4.0 4.1 46 4.7 4.5 3.9 3.6 3.6 3.7 48 4.3 4.4 3.8 3.2 3.3 3.4 50 4.0 4.0 3.8 2.9 3.1 3.1 52 3.7 3.8 3.7 2.7 2.7 2.9 54 3.3 3.5 3.5 2.3 2.5 2.6 56 3.1 3.2 3.2 2.1 2.3 2.4 58 2.8 2.9 3.0 1.9 2.0 2.1 60 2.6 2.7 2.7 1.7 1.8 1.9 62 2.4 2.4 2.5 1.5 1.6 1.6 64 2.2 2.2 2.366 1.9 2.068 1.7 1.870 1.5 1.6Ⅱ% 90 90Ⅲ% 90 90Ⅳ% 45 90Ⅴ% 45 45倍率 2 1 1 1 1 1幅度 (m)主臂长度(m) 46.2 51.3安装角(°)0 150 1514 8.4 6.316 8.0 6.318 7.6 6.320 7.2 6.322 6.8 6.324 6.4 4.5 6.1 4.4 26 6.1 4.3 5.9 4.2 28 5.7 4.2 5.6 4.1 30 5.4 4.1 5.4 4.0 32 5.1 3.9 5.1 3.8 34 4.9 3.7 4.8 3.7 36 4.6 3.6 4.6 3.6 38 4.4 3.4 4.2 3.4 40 4.2 3.3 3.9 3.3 42 4.0 3.2 3.5 3.2 44 3.8 3.1 3.2 3.1 46 3.7 3.0 2.8 3.0 48 3.5 2.8 2.5 2.7 50 3.2 2.7 2.3 2.4 52 2.9 2.7 2.0 2.2 54 2.7 2.6 1.8 2.0 56 2.4 2.5 1.6 1.8 58 2.2 2.3 1.6 60 2.0 2.162 1.8 1.964 1.6 1.766 1.668Ⅱ% 90 90 Ⅲ% 90 90 Ⅳ% 45 90 Ⅴ% 45 45倍率 1 1 1 1幅度 (m) 主臂长度(m) 46.2 51.3 安装角(°)0 016 6.1 5.3 18 5.8 5.3 20 5.6 5.3 22 5.3 5.1 24 5.1 4.9 26 4.8 4.6 28 4.5 4.4 30 4.3 4.2 32 4.1 3.9 34 3.9 3.8 36 3.7 3.6 38 3.4 3.4 40 3.3 3.3 42 3.1 3.1 44 2.9 2.9 46 2.8 2.5 48 2.7 2.2 50 2.5 2.0 52 2.4 1.8 54 2.3 1.5 56 2.158 1.960 1.862 1.564Ⅱ% 90 90 Ⅲ% 90 90 Ⅳ% 45 90 Ⅴ% 45 45 倍率 1 1幅度 (m)主臂长度(m)46.2 51. 3 56.4 61安装角(°)0 15 30 0 15 30 0 15 30 0 15 3014 25.1 26.316 23.2 16.2 24.416.621.518 21.6 15.5 13 22.315.919.716.317.420 20.1 14.8 12.620.415.212.818.115.613 16 14.822 18.9 14.2 12.318.814.612.516.715 12.7 14.7 13.712.8 24 17.8 13.6 11.917.314.112.2315.414.312.4 13.6 12.712 26 16.8 13.1 11.616 13.611.914.213.312.1 12.5 11.811.2 28 15.9 12.6 11.314.813.111.613.212.411.7 11.5 10.910.4 30 15.1 12.2 11.113.712.711.312.211.510.9 10.7 10.29.7 32 14.4 11.8 10.812.812 11.111.310.710.2 9.9 9.49 34 13.7 11.4 10.611.911.210.610.510 9.5 9.1 8.88.4 36 12.8 11.1 10.411 10.59.99.89.38.9 8.5 8.27.8 38 11.9 10.8 10.210.39.89.39.18.78.3 7.8 7.67.3 40 11.1 10.5 9.9 9.69.18.78.58.17.8 7.3 7 6.8 42 10.4 9.9 9.3 8.98.68.17.97.67.3 6.7 6.5 6.3 44 9.49.3 8.8 8.38 7.67.37.1 6.8 6.2 6.1 5.9 46 8.58.7 8.3 7.87.57.1 6.8 6.6 6.4 5.7 5.6 5.4 48 7.78 7.8 7.27 6.7 6.3 6.2 5.9 5.3 5.2 5 50 6.97.2 7.3 6.7 6.5 6.3 5.9 5.7 5.5 4.9 4.8 4.7 52 06.3 6.5 6.3 6.1 5.8 5.5 5.3 5.2 4.5 4.4 4.3 54 5.7 5.8 5.7 5.7 5.5 5.1 5 4.8 4.1 4.1 4 56 5.1 5.2 5.2 5.3 4.7 4.6 4.5 3.8 3.8 3.7 58 4.6 4.6 4.8 4.4 4.3 4.1 3.5 3.4 3.4 60 4.4 4.2 4.3 4.1 4 3.2 3.1 3.1 62 3.7 3.8 3.7 2.9 2.9 2.8 64 3.5 3.4 2.6 2.666 3.1 3.2 2.4 2.468 2.8 2.1 2.170 1.9 1.972 1.7Ⅱ% 90 90 90 100Ⅲ% 90 90 90 100Ⅳ% 45 90 90 100Ⅴ% 45 45 90 100倍率 3 2 1 2 2 1 2 2 1 1 2 1幅度 (m)主臂长度(m)46.2 51.3 56.4 61安装角(°)0 15 30 0 15 30 0 15 30 0 15 3012 18.3 14.114 17.3 14.110.98.716 16.3 11.8 14.110.98.718 15.4 11.3 14.110.810.910.68.720 14.5 10.8 13.910.510.910.28.7 9.822 13.7 10.3 8.413.010.28.010.99.77.9 8.7 9.324 13.0 9.9 8.211.79.87.810.39.37.8 8.6 8.77.7 26 12.4 9.6 7.910.69.57.69.38.97.6 8.0 7.97.4 28 11.7 9.3 7.59.79.27.58.38.27.4 7.2 7.27.1 30 10.7 8.9 7.48.88.67.37.57.57.2 6.5 6.5 6.5 32 9.88.6 7.28.08.07.1 6.9 6.8 6.7 5.9 5.9 5.9 34 9.18.3 7.07.37.37.0 6.2 6.2 6.1 5.3 5.3 5.3 36 8.38.1 6.8 6.8 6.7 6.6 5.7 5.6 5.7 4.8 4.9 4.9 38 7.77.6 6.7 6.2 6.1 6.2 5.1 5.3 5.1 4.3 4.4 4.5 40 7.17.1 6.6 5.6 5.7 5.7 4.7 4.7 4.8 3.9 3.9 4.0 42 6.5 6.5 6.5 5.2 5.2 5.2 4.3 4.3 4.4 3.6 3.6 3.7 44 6.0 6.1 6.1 4.7 4.7 4.9 3.9 3.9 4.0 3.2 3.3 3.4 46 5.6 5.5 5.7 4.2 4.3 4.5 3.5 3.6 3.7 2.8 2.9 3.0 48 5.2 5.1 5.3 3.9 3.9 4.1 3.2 3.3 3.4 2.5 2.6 2.7 50 4.8 4.8 4.9 3.5 3.7 3.7 2.9 3.0 3.1 2.2 2.3 2.4 52 4.4 4.4 4.5 3.3 3.3 3.4 2.6 2.7 2.8 1.9 2.1 2.2 54 4.0 4.1 4.1 3.0 3.1 3.1 2.4 2.5 2.5 1.7 1.9 1.9 56 3.7 3.7 3.9 2.7 2.8 2.8 2.1 2.2 2.3 1.5 1.6 1.7 58 3.0 3.5 2.5 2.5 2.6 1.9 2.0 2.0 1.5 60 3.0 3.0 2.2 2.3 2.3 1.7 1.8 1.862 2.6 2.9 2.0 2.1 1.5 1.5 1.664 2.0 1.8 1.866 1.6 1.6Ⅱ% 90 90 90 100Ⅲ% 90 90 90 100Ⅳ% 45 90 90 100Ⅴ% 45 45 90 100倍率 2 1 1 2 1 1 1 1 1 1 1 1幅度 (m)主臂长度(m)46.2 51.3安装角(°)0 15 30 0 15 3012 12.914 12.210.316 11.610.318 10.910.320 10.27.69.9 6.822 9.67.29.4 6.724 9.2 6.98.9 6.526 8.6 6.6 5.28.4 6.428 8.2 6.3 5.18.0 6.2 5.0 30 7.8 6.0 4.97.7 6.0 4.9 32 7.5 5.8 4.77.0 5.7 4.7 34 7.2 5.6 4.6 6.2 5.6 4.5 36 6.8 5.4 4.5 5.6 5.4 4.4 38 6.5 5.2 4.3 5.1 5.2 4.3 40 6.0 5.0 4.2 4.7 4.8 4.2 42 5.5 4.9 4.1 4.3 4.5 4.1 44 5.1 4.7 4.0 3.9 4.0 4.1 46 4.7 4.5 3.9 3.6 3.6 3.7 48 4.3 4.4 3.8 3.2 3.3 3.4 50 4.0 4.0 3.8 2.9 3.1 3.1 52 3.7 3.8 3.7 2.7 2.7 2.9 54 3.3 3.5 3.5 2.3 2.5 2.6 56 3.1 3.2 3.2 2.1 2.3 2.4 58 2.8 2.9 3.0 1.9 2.0 2.1 60 2.6 2.7 2.7 1.7 1.8 1.9 62 2.4 2.4 2.5 1.5 1.6 1.6 64 2.0 2.2 2.366 1.9 2.068 1.8Ⅱ% 90 90Ⅲ% 90 90Ⅳ% 45 90Ⅴ% 45 45倍率 2 1 1 1 1 1幅度 (m)主臂长度(m)46.2 51.3安装角(°)0 15 0 1514 8.4 6.316 8.0 6.318 7.6 6.320 7.2 6.322 6.8 6.324 6.4 4.5 6.1 4.4 26 6.1 4.3 5.9 4.2 28 5.7 4.2 5.6 4.1 30 5.4 4.1 5.4 4.0 32 5.1 3.9 5.1 3.8 34 4.9 3.7 4.8 3.7 36 4.6 3.6 4.6 3.6 38 4.4 3.4 4.2 3.4 40 4.2 3.3 3.9 3.3 42 4.0 3.2 3.5 3.2 44 3.8 3.1 3.2 3.1 46 3.7 3.0 2.8 3.0 48 3.5 2.8 2.5 2.7 50 3.2 2.7 2.3 2.4 52 2.9 2.7 2.0 2.2 54 2.7 2.6 1.8 2.0 56 2.4 2.5 1.6 1.8 58 2.2 2.3 1.6 60 2.0 2.162 1.8 1.964 1.6 1.766 1.668Ⅱ% 90 90 Ⅲ% 90 90 Ⅳ% 45 90 Ⅴ% 45 45倍率 1 1 1 1幅度 (m)主臂长度(m) 46.2 51.3安装角(°)0 016 6.1 5.3 18 5.8 5.3 20 5.6 5.3 22 5.3 5.1 24 5.1 4.9 26 4.8 4.6 28 4.5 4.4 30 4.3 4.2 32 4.1 3.9 34 3.9 3.8 36 3.7 3.6 38 3.4 3.4 40 3.3 3.3 42 3.1 3.1 44 2.9 2.9 46 2.8 2.5 48 2.7 2.2 50 2.5 2.0 52 2.4 1.8 54 2.3 1.5 56 2.158 1.960 1.862 1.564Ⅱ% 90 90 Ⅲ% 90 90 Ⅳ% 45 90 Ⅴ% 45 45 倍率 1 1幅度 (m)主臂长度(m)46.2 51.3 56.4 61安装角(°)0 15 30 0 15 30 0 15 30 0 15 3014 25.1 26.316 23.2 16.2 24.416.621.518 21.6 15.5 13 22.315.919.716.317.420 20.1 14.8 12.620.415.212.818.115.613 16 14.822 18.9 14.2 12.318.814.612.516.715 12.7 14.7 13.712.8 24 17.8 13.6 11.917.314.112.2315.414.312.4 13.6 12.712 26 16.8 13.1 11.616 13.611.914.213.312.1 12.5 11.811.2 28 14.7 12.6 11.314.813.111.613.212.411.7 11.5 10.910.4 30 12.9 12.2 11.112.912.711.312.211.510.9 10.7 10.29.7 32 11.3 11.8 10.811.312 11.111.310.710.2 9.9 9.49 34 9.9 10.6 10.610 10.710.610.210 9.5 9.1 8.88.4 36 8.7 9.3 9.88.89.49.99 9.38.9 8.5 8.27.8 38 7.6 8.2 8.67.78.38.78 8.68.3 7.8 7.67.3 40 6.7 7.2 7.5 6.87.37.77 7.67.8 6.9 7 6.8 42 5.8 6.3 6.6 5.9 6.4 6.7 6.2 6.77.1 6.1 6.5 6.3 44 5.1 5.5 5.7 5.2 5.6 5.9 5.4 5.9 6.2 5.3 5.8 5.9 46 4.4 4.7 5 4.5 4.9 5.1 4.7 5.2 5.5 4.6 5.1 5.4 48 3.8 4.1 4.3 3.9 4.2 4.4 4.1 4.5 4.8 4 4.4 4.7 50 3.2 3.5 3.6 3.3 3.6 3.8 3.6 3.9 4.1 3.5 3.8 4.1 52 2.7 2.9 2.8 3 3.2 3 3.3 3.5 2.9 3.3 3.5 54 2.2 2.4 2.3 2.5 2.7 2.6 2.8 3 2.5 2.8 3 56 1.8 1.9 1.9 2.1 2.1 2.4 2.5 2 2.3 2.5 58 1.5 1.6 1.7 1.9 2 1.6 1.9 2 60 1.5 1.5 1.6Ⅱ% 90 90 90 100Ⅲ% 90 90 90 100Ⅳ% 45 90 90 100Ⅴ% 45 45 90 100倍率 3 2 1 2 2 1 2 2 1 1 2 1幅度 (m)主臂长度(m)46.2 51.3 56.4 61安装角(°)0 15 30 0 15 30 0 15 30 0 15 3012 18.3 14.114 17.3 14.110.98.716 16.3 11.8 14.110.98.718 15.4 11.3 14.110.810.910.68.720 14.5 10.8 13.910.510.910.28.7 9.822 13.7 10.3 8.413.010.28.010.99.77.9 8.7 9.324 13.0 9.9 8.211.79.87.810.39.37.8 8.6 8.77.7 26 12.4 9.6 7.910.69.57.69.38.97.6 8.0 7.97.4 28 11.7 9.3 7.59.79.27.58.38.27.4 7.2 7.27.1 30 10.7 8.9 7.48.88.67.37.57.57.2 6.5 6.5 6.5 32 9.0 8.6 7.28.08.07.1 6.9 6.8 6.7 5.9 5.9 5.9 34 8.0 8.3 7.07.37.37.0 6.2 6.2 6.1 5.3 5.3 5.3 36 7.0 8.0 6.8 6.8 6.7 6.6 5.7 5.6 5.7 4.8 4.9 4.9 38 6.0 7.0 6.7 6.0 6.1 6.2 5.1 5.3 5.1 4.3 4.4 4.5 40 5.0 6.0 6.6 5.0 5.7 5.7 4.7 4.7 4.8 3.9 3.9 4.0 42 5.0 5.0 6.0 4.0 5.0 5.2 4.3 4.3 4.4 3.6 3.6 3.7 44 4.0 5.0 5.0 4.0 4.7 4.9 3.9 3.9 4.0 3.2 3.3 3.4 46 3.0 4.0 4.9 3.0 4.0 4.5 3.0 3.6 3.7 2.8 2.9 3.0 48 2.8 3.0 4.0 2.7 3.0 4.0 2.9 3.3 3.4 2.5 2.6 2.7 50 2.0 2.8 3.0 2.0 2.8 3.0 2.0 3.0 3.1 2.0 2.3 2.4 52 1.6 2.0 2.7 1.5 2.0 2.7 1.7 2.0 2.8 1.5 2.0 2.2 54 1.6 2.0 1.6 2.0 1.8 2.0 1.7 1.9 56 1.5 1.8 1.7Ⅱ% 90 90 90 100Ⅲ% 90 90 90 100Ⅳ% 45 90 90 100Ⅴ% 45 45 90 100倍率 2 1 1 2 1 1 1 1 1 1 1 1幅度 (m)主臂长度(m)46.2 51.3安装角(°)0 15 30 0 15 3012 12.914 12.210.316 11.610.318 10.910.320 10.27.69.9 6.822 9.67.29.4 6.724 9.2 6.98.9 6.526 8.6 6.6 5.28.4 6.428 8.2 6.3 5.18.0 6.2 5.0 30 7.8 6.0 4.97.7 6.0 4.9 32 7.5 5.8 4.77.0 5.7 4.7 34 7.2 5.6 4.6 6.2 5.6 4.5 36 6.8 5.4 4.5 5.6 5.4 4.4 38 6.0 5.2 4.3 5.1 5.2 4.3 40 5.0 5.0 4.2 4.7 4.8 4.2 42 5.0 4.9 4.1 4.3 4.5 4.1 44 4.0 4.7 4.0 3.9 4.0 4.1 46 3.0 4.0 3.9 3.0 3.6 3.7 48 3.0 4.0 3.8 2.8 3.3 3.4 50 2.0 3.0 3.8 2.0 3.0 3.1 52 1.8 2.7 3.0 1.6 2.6 2.9 54 2.0 2.8 1.0 2.0 2.6 56 1.5 2.0 1.5 2.0 58 1.6 1.6 Ⅱ% 90 90Ⅲ% 90 90Ⅳ% 45 90Ⅴ% 45 45倍率 2 1 1 1 1 1幅度 (m)主臂长度(m)46.2 51.3安装角(°)0 15 0 1514 8.4 6.316 8.0 6.318 7.6 6.320 7.2 6.322 6.8 6.324 6.4 4.5 6.1 4.4 26 6.1 4.3 5.9 4.2 28 5.7 4.2 5.6 4.1 30 5.4 4.1 5.4 4.0 32 5.1 3.9 5.1 3.8 34 4.9 3.7 4.8 3.7 36 4.6 3.6 4.6 3.6 38 4.4 3.4 4.2 3.4 40 4.2 3.3 3.9 3.3 42 4.0 3.2 3.5 3.2 44 3.8 3.1 3.2 3.1 46 3.0 3.0 2.8 3.0 48 3.0 2.8 2.5 2.7 50 2.0 2.7 2.0 2.4 52 1.9 2.7 1.7 2.2 54 2.5 2.0 56 2.0 1.8 58 1.5 1.3 60Ⅱ% 90 90 Ⅲ% 90 90 Ⅳ% 45 90 Ⅴ% 45 45倍率 1 1 1 1幅度 (m)主臂长度(m) 46.2 51.3 安装角(°)0 016 6.1 5.3 18 5.8 5.3 20 5.6 5.3 22 5.3 5.1 24 5.1 4.9 26 4.8 4.6 28 4.5 4.4 30 4.3 4.2 32 4.1 3.9 34 3.9 3.8 36 3.7 3.6 38 3.4 3.4 40 3.3 3.3 42 3.1 3.1 44 2.9 2.9 46 2.8 2.5 48 2.7 2.2 50 2.0 2.0 52 2.0 1.7 545658Ⅱ% 90 90 Ⅲ% 90 90 Ⅳ% 45 90 Ⅴ% 45 45 倍率 1 1主臂+超起工况额定起重量表1、主臂+超起工况额定起重量表支腿8.7m,配重98.2t幅度 (m)臂长(m)35.9 41.1 46.2 51.3 56.4 617 88.2 71.48 83.4 68.89 80.2 66.7 55.210 76 63.1 52.5 44.612 66.1 58.1 48.9 41.6 3714 56.8 54.9 45.9 38.5 33.9 28.8 16 49.3 48.5 43.4 36.3 32.7 27.5 18 44 42.7 40.7 34.4 29.8 25.9 20 38.8 37.8 36.3 33 28.1 24.7 22 35 34.3 32.8 31.6 26.8 23.3 24 32.8 31.5 29.6 28.8 25.3 22.4 26 28.7 28.4 26.9 26.7 23.1 21.6 28 25.2 26.2 24.6 24.4 21.1 20.7 30 22.2 23.3 22.7 22.4 19.5 19.9 32 19 20.8 20.8 20.5 18 18.1 34 18.3 18.7 18.9 16.6 16.7 36 16.3 16.9 17.2 15.4 15.3 38 15.2 15.6 14.2 14.2 40 13.7 14.1 13.2 13 42 12 12.8 12.4 12 44 11.6 11.5 11.3 46 10.5 10.6 10.5 48 9 9.7 9.7 50 9 8.9 52 8.3 8.2 54 7.7 56 7 Ⅱ% 90 90 90 90 90 100 Ⅲ% 45 45 90 90 90 100 Ⅳ% 45 45 45 90 90 100 Ⅴ% 0 45 45 45 90 100 倍率 8 6 6 4 4 3主臂+超起+副臂工况额定起重量表1、主臂+超起+副臂工况额定起重量表支腿8.7m,配重98.2t,臂长15m幅度 (m)主臂长度(m)46.2 51.3 56.4 61安装角(°)0 15 30 0 15 30 0 15 30 0 15 3012 27.8 22.5 16.9 13.714 27.7 19.6 22.5 18.9 16.9 13.716 26.7 18.9 13.2 22.3 18.5 16.7 16.2 13.7 13.618 25.4 18.1 12.8 21.9 18.1 12.8 16.4 15.7 12.4 13.7 13.6 12.0 20 24.3 17.4 12.4 21.4 17.5 12.5 16.1 15.1 12.0 13.7 13.6 11.6 22 23.3 16.6 12.0 20.9 16.7 12.1 15.8 14.5 11.6 13.7 13.2 11.2 24 22.3 16.0 11.6 20.3 16.1 11.7 15.4 13.8 11.4 13.7 12.9 10.9 26 21.2 15.5 11.3 19.8 15.7 11.3 15.0 13.2 11.0 13.5 12.3 10.8 28 20.3 15.1 11.1 19.1 15.1 11.1 14.6 12.6 10.8 12.9 11.9 10.6 30 19.4 14.3 10.7 18.6 14.6 10.8 14.1 12.0 10.6 12.5 11.3 10.4 32 18.0 13.7 10.5 17.9 13.5 10.6 13.7 11.5 10.4 12.0 11.0 10.2 34 16.5 13.0 10.4 16.3 12.4 10.4 13.2 11.1 10.2 11.6 10.6 9.8 36 15.0 12.2 10.2 15.0 11.6 10.2 12.8 10.5 9.9 10.8 10.2 9.4 38 14.0 11.3 10.0 14.0 10.8 10.0 12.5 10.2 9.6 10.0 9.8 9.2 40 12.0 10.0 9.8 12.0 10.0 9.8 12.1 9.8 9.2 9.3 9.4 8.9 42 11.0 9.2 9.2 11.0 9.2 9.6 11.4 9.2 8.7 8.5 8.8 8.6 44 10.0 8.5 8.5 10.0 8.5 8.5 10.6 8.5 8.3 7.7 8.2 8.3 46 9.0 7.7 7.7 9.0 7.7 7.7 9.8 7.7 7.9 6.9 7.6 7.8 48 8.0 6.9 6.9 8.0 6.9 6.9 9.0 6.9 7.3 6.9 6.9 7.2 50 8.0 6.2 8.0 6.2 6.2 8.0 6.2 6.9 6.2 6.2 6.8 52 7.0 5.4 7.0 5.4 6.2 7.0 6.2 6.2 5.4 6.2 6.2 54 6.0 4.6 6.0 5.4 7.0 5.4 5.4 4.6 5.4 5.4 56 6.0 6.0 4.6 6.0 4.6 4.6 4.6 4.6 4.6 58 5.0 5.0 3.8 5.0 4.6 3.8 4.6 4.6 60 4.9 5.0 3.8 3.8 3.862 4.0 4.0 3.8 3.1 3.864 4.0 3.1 3.1 3.166 3.0 2.3 2.968 3.0 2.3 2.370 1.972 1.5Ⅱ% 90 90 90 100Ⅲ% 90 90 90 100Ⅳ% 45 90 90 100Ⅴ% 45 45 90 100倍率 3 2 2 2 2 2 2 2 1 2 2 1主臂+变幅副臂工况起重性能表1、主臂+变幅副臂工况起重性能表支腿8.7m,配重98.2t,臂长22m幅度 (m)主臂长(m)15.4 25.7 35.9 46.2 56.4主臂仰角(°)82° 74° 82° 74° 82°74°82°74°82° 74°9 50.310 49.3 44.212 48.2 43.7 38.514 48.0 44.2 43.5 38.524.016 48.0 43.2 43.5 41.2 38.523.313.418 46.5 43.0 43.5 40.7 36.322.613.220 45.1 43.0 43.5 40.5 34.130.721.912.922 41.0 38.0 32.529.221.218.312.724 34.0 27.720.717.311.926 26.116.310.8 8.6 28 24.515.18.1 30 13.97.6 32 7.1 34 6.5 36组合方式0 0 1100 1100 21102110221122112222 2222 倍率 5 4 4 4 4 3 2 2 2 1主臂+超起+变幅副臂工况起重性能表1、主臂+超起+变幅副臂工况起重性能表支腿8.7m,配重98.2t,臂长22m幅度主臂长(m)35.9 41.1 46.2 51.3 56.4主臂仰角(°)82° 74° 82°74°82°74°82°74°82° 74°12 37.814 36.5 35.526.419.216 34.6 35.526.419.013.518 33.0 34.026.418.813.520 32.0 29.9 32.826.418.813.522 31.7 28.4 32.530.126.426.518.813.524 26.8 28.626.426.518.818.813.526 25.8 27.225.818.813.5 13.728 25.7 26.424.318.813.530 25.322.818.813.432 18.813.434 13.436384042组合方式 1111 1111 2111211122112211222122212222 2222 倍率 4 4 3 3 3 3 2 2 2 2。
XZJ5960JQAY500全地面起重机(起重性能表)中华人民共和国徐州工程机械集团有限公司 徐州重型机械有限公司目 录一、 主臂起重性能表-全伸支腿 (1)1. 主臂工况起重性表_t-1支腿9.6m,平衡重180t (1)2. 主臂工况起重性表_t-2支腿9.6m,平衡重180t (3)二、 变幅副臂起重性能表-主臂仰角83° (5)3. 21米变幅副臂性能表 (5)4. 28米变幅副臂性能表 (7)5. 35米变幅副臂性能表 (9)6. 42米变幅副臂性能表 (11)7. 49米变幅副臂性能表 (13)8. 56米变幅副臂性能表 (15)9. 63米变幅副臂性能表 (18)10. 70米变幅副臂性能表 (21)11. 77米变幅副臂性能表 (24)12. 84米变幅副臂性能表 (27)13. 91米变幅副臂性能表 (30)六、主臂+超起性能表-全伸支腿 (34)62. 主臂+超起性能表_平衡重180t,支腿全伸9.6m,超起安装角15° (34)七、固定副臂起重性能表,安装角0° (35)69. 14m固定副臂性能表 (35)70. 21m固定副臂性能表 (36)71. 28m固定副臂性能表 (37)72. 35m固定副臂性能表 (38)73. 42m固定副臂性能表 (39)74. 49m固定副臂性能表 (40)75. 56m固定副臂性能表 (41)八、固定副臂+超起起重性能表,安装角0° (41)84. 21m固定副臂+超起性能表 (41)85. 28m固定副臂+超起性能表 (43)85. 35m固定副臂+超起性能表 (44)86. 42m固定副臂+超起性能表 (45)87. 49m固定副臂+超起性能表 (46)88. 56m固定副臂+超起性能表 (47)十三、变幅副臂+超起起重性能表,主臂仰角83° (48)96. 21m变幅副臂+超起性能表 (48)97. 28m变幅副臂+超起性能表 (48)98. 35m变幅副臂+超起性能表 (49)99. 42m变幅副臂+超起性能表 (49)100. 49m变幅副臂+超起性能表 (50)101. 56m变幅副臂+超起性能表 (50)102. 63m变幅副臂+超起性能表 (51)103. 70m变幅副臂+超起性能表 (52)104. 77m变幅副臂+超起性能表 (53)105. 84m变幅副臂+超起性能表 (53)106. 91m变幅副臂+超起性能表 (54)十六、臂端单滑轮性能表 (55)说明:z R/L ——代表幅度和主起重臂长度,单位为米,z# ——代表正后方工况z* ——表示加装一些装置z122021——从左向右的位数表示第2、3、4、5、6、7节臂,数字表示伸出的百分比,1表示46%,2表示92%,3表示100%;12相当于000012,表示第伸6、7节,2~5节没伸出。
consTRUcnon safety2020年第12期机械施工安全复杂环境下使用800t汽车起重机吊装的安全管理杨磊,董全忠,刘海峰(北京城建亚泰建设集团有限公司,北京100010)【摘要】汽车起重机(以下简称汽车吊)是流动式起重机的一种,是建筑工程施工最常用的一种起重设备。
具有机动性好、转移迅速的优点。
缺点是对场地要求高,不能负荷行驶。
根据工程特点,现场需要使用800t汽车吊吊装钢构件,需要考虑设备的车身尺寸大、自重大、工程环境复杂、场地狭小、设备对地基承载力要求高、多工序交叉作业等诸多问题,同时还需要考虑设备自重对现场深基坑支护安全、毗邻的地铁通道造成的影响,保证设备使用安全,发挥设备的最大作用。
【关键词】复杂环境800t汽车起重机起重设备安全管理【中图分类号】TH213.6【文献标志码】B1.工程概况某工程位于北京市核心区(二环内),总建筑面积34807n?,地上共10层,地下共三层,结构类型为钢框架-支撑结构体系,建筑高度为45m;基础类型为筏板基础,基坑深约16m,局部深度达19m。
本工程钢结构悬挑结构位置在地上结构F1-F3层(+5.5-+14.7m)ll~14轴线长度24.3m(图1)。
钢梁构件加工时按照图纸分段进行加工,现场安装时构件先在地面对接焊接完成后整体吊装。
根据现场施工需求,现场构件重量超过塔吊起重能力的使用800t汽车吊吊装,型号为LTM1800。
图1项目钢结构整体轴侧2.工程施工难点(1)施工场地狭小:场地西、北侧无施工场地,仅能够满足人员通行,场地东侧、南侧可用场地仅能布置部分材料加工场。
LTM1800汽车吊长度约17.910m,宽度3m。
为了保证LTM1800汽车吊顺利驶入指定的位置,需清空场地内的钢筋堆放场地,拆除钢筋加工棚.清空范围11轴线以西25m 内的场地内的钢筋材料。
堆放场地清空后,现场没有材料周转区,对其他工序影响较大,增加了施工成本(图2~图4)。
(2)对基坑支护结构承载力要求高。
QAY160全路面起重机对比一、概况目前160吨级别全路面产品国内主要生产商有两家:徐重和中联,基本情况如下:1、徐重QAY160六节椭圆形主臂,单缸插销伸缩机构、两节副臂。
六轴全路面底盘,两级伸缩支腿。
电控先导式操纵系统。
单缸前支变幅。
自拆装组合式平衡重。
发动机:下车奔驰,上车沃尔沃。
2、中联浦沅QAY180六节椭圆形主臂,单缸插销伸缩机构、两节副臂。
六轴全路面底盘,两级伸缩支腿。
电控先导式操纵系统。
单缸前支变幅。
自拆装组合式平衡重。
发动机:下车奔驰,上车奔驰。
二、产品主要配置部件对比三、产品基本参数对比1、起重作业主要参数2、行驶状态主要技术参数对比四、起重性能对比(A表示徐重QAY160的主臂臂长;B表示中联QAY180主臂臂长)五、综合对比分析徐重的QAY160全路面起重机与蒲沅的QAY180全路面起重机相比,整体技术水平相当。
但徐重全路面已形成系列、市场影响大。
徐重160吨在2004年推出,并与200吨同时自主研制开发,现在已形成一定的规模,性能稳定可靠,得到市场的考验和用户的认可。
中联的QAY180是在QAY160上升级而成的,且主要部件吊臂依赖于其它单位设计制造(目前来自于比利时进口),液压系统和电控系统尚待完善,整机整体性能不稳定,还需市场的考验和认可,成熟还需要一定的时间。
从外观比较而言,都借鉴和参照利勃海尔的全路面产品外观,中联研制时间落后于我公司,所以可在中联全路面产品看到更多徐重产品的影子,如主臂结构、驾驶室造型、操纵室结构等等。
从产品主要部件配置上,两家公司产品基本相当,而且进口部件厂家基本一样,但是中联的发动机功率略大,多了一件驱动转向桥,轮胎有16.00的选配,从硬件上底盘配置略优于徐重产品。
从产品起重性能上,中联QAY180的主要起重性能优于徐重QAY160,而徐重产品主钩倍率要少于中联产品(徐重160吨用14倍率,中联180吨用16倍率),所以主钩速率徐重要快于中联。