25K徐工汽车起重机技术参数
- 格式:doc
- 大小:266.00 KB
- 文档页数:5
QY25K-Ⅰ汽车起重机技术规格伸缩臂汽车式起重机型号:QY25K-Ⅰ;最大额定起重量:25t;一、技术介绍1、底盘部分徐工设计、制造,全头驾驶室,3桥底盘,驱动/转向:6×4×2。
1.1、车架徐工设计、制造,优化结构设计,防扭转箱型结构,高强度钢材。
支腿箱体位于1桥和2桥之间以及车架后端。
具有前后牵引挂钩。
1.2、底盘发动机制造商:上海柴油机股份有限公司;型号:SC8DK280Q3(东风牌);型式:直列六缸、水冷却、蜗轮增压、电控高压共轨、压燃式柴油发动机;环保性:符合欧洲Ⅲ标准燃料箱容量:约300L1.3、动力传动系统1.3.1变速箱机械操纵,6档变速箱,控制后桥驱动。
1.3.2车桥高强度承载桥,维护方便。
第一桥:单胎,转向但不驱动;第二桥:双胎,驱动但不转向。
一级主减速加轮边减速;第三桥:双胎,驱动但不转向。
一级主减速加轮边减速。
1.3.3驱动轴驱动轴均采用端面齿连接,优化动力传输,传递扭矩大。
维护简便,方便拆卸和安装。
1.4、全桥悬挂前悬挂:纵置钢板弹簧式,筒式减震器;后悬架:双轴平衡、纵置板簧式,板簧与推力杆导向。
1.5、转向机械式转向机构,带有液压助力。
方向盘位置可调。
1.6、轮胎斜交轮胎,适用于重型汽车,通用性强。
标配1个备胎。
1.7、制动行车制动:脚踏板操纵的双回路气压制动。
第一回路作用于一轴车轮上,第二回路作用于二、三轴车轮上;驻车制动:放气制动,作用于后面两根轴上,通过各轴上的弹簧储能气室起作用;辅助制动:发动机排气制动。
1.8、底盘驾驶室新型豪华全宽驾驶室,配CD音响,可调式座椅和方向盘,大视野后视镜,电控洗窗器,电子门窗升降器。
空调:标配暖风和单冷空调。
1.9、液压系统四联齿轮泵通过取力器联接至发动机,控制辅助转向、下车液压支腿。
1.10、液压支腿“H”型支腿,4点支撑,水平和垂直支腿全液压操纵,底盘两侧装有操纵手柄,操纵手柄旁装有水平仪和油门操纵开关。
徐工QY25K-Ⅰ汽车起重机技术规格
二、QY25K-Ⅰ汽车起重机性能参数
1、起重机行驶状态主要技术参数表
2、起重作业状态主要技术参数表
3、QY25K-Ⅰ汽车起重机起重性能表
表1 主臂起重性能表
页脚内容5
页脚内容6
目录
表2 QY25K汽车起重机副臂起重性能表(侧、后方)
注意:
1、表中额定起重量所表示的数值,是在平整的坚固地面上本起重机能够保证的最大起重量,此起重量不超过倾翻载荷的75%;
2、表中额定起重量包括吊钩和吊具的重量;
3、表中的工作幅度是包括吊臂的变形量在内的实际值,因此一
定以工作幅度为依据进行起重作业;
4、只允许在7级风以下进行作业
5、表中起升高度及幅度均为参考值。
6、主臂起重性能表中所列参数是指不带副臂时的额定起重量,当主臂臂头装有副臂时,主臂的额定起重量根据实际情况,应减去900kg;
4、起升高度曲线
起 升 高 度 (m
)
工 作 幅 度(m )
目录
页脚内容11。
QY25K-Ⅰ汽车起重机技术规格伸缩臂汽车式起重机型号:QY25K-Ⅰ;最大额定起重量:25t;一、技术介绍1、底盘部分徐工设计、制造,全头驾驶室,3桥底盘,驱动/转向:6×4×2。
1.1、车架徐工设计、制造,优化结构设计,防扭转箱型结构,高强度钢材。
支腿箱体位于1桥和2桥之间以及车架后端。
具有前后牵引挂钩。
1.2、底盘发动机制造商:上海柴油机股份有限公司;型号:SC8DK280Q3(东风牌);型式:直列六缸、水冷却、蜗轮增压、电控高压共轨、压燃式柴油发动机;环保性:符合欧洲Ⅲ标准燃料箱容量:约300L1.3、动力传动系统1.3.1变速箱机械操纵,6档变速箱,控制后桥驱动。
1.3.2车桥高强度承载桥,维护方便。
第一桥:单胎,转向但不驱动;第二桥:双胎,驱动但不转向。
一级主减速加轮边减速;第三桥:双胎,驱动但不转向。
一级主减速加轮边减速。
1.3.3驱动轴驱动轴均采用端面齿连接,优化动力传输,传递扭矩大。
维护简便,方便拆卸和安装。
1.4、全桥悬挂前悬挂:纵置钢板弹簧式,筒式减震器;后悬架:双轴平衡、纵置板簧式,板簧与推力杆导向。
1.5、转向机械式转向机构,带有液压助力。
方向盘位置可调。
1.6、轮胎斜交轮胎,适用于重型汽车,通用性强。
标配1个备胎。
1.7、制动行车制动:脚踏板操纵的双回路气压制动。
第一回路作用于一轴车轮上,第二回路作用于二、三轴车轮上;驻车制动:放气制动,作用于后面两根轴上,通过各轴上的弹簧储能气室起作用;辅助制动:发动机排气制动。
1.8、底盘驾驶室新型豪华全宽驾驶室,配CD音响,可调式座椅和方向盘,大视野后视镜,电控洗窗器,电子门窗升降器。
空调:标配暖风和单冷空调。
1.9、液压系统四联齿轮泵通过取力器联接至发动机,控制辅助转向、下车液压支腿。
1.10、液压支腿“H”型支腿,4点支撑,水平和垂直支腿全液压操纵,底盘两侧装有操纵手柄,操纵手柄旁装有水平仪和油门操纵开关。
buQY25K-Ⅰ汽车起重机技术规格伸缩臂汽车式起重机型号:QY25K-Ⅰ;最大额定起重量:25t;一、技术介绍1、底盘部分徐工设计、制造,全头驾驶室,3桥底盘,驱动/转向:6×4×2。
1.1、车架徐工设计、制造,优化结构设计,防扭转箱型结构,高强度钢材。
支腿箱体位于1桥和2桥之间以及车架后端。
具有前后牵引挂钩。
1.2、底盘发动机制造商:上海柴油机股份有限公司;型号:SC8DK280Q3(东风牌);型式:直列六缸、水冷却、蜗轮增压、电控高压共轨、压燃式柴油发动机;环保性:符合欧洲Ⅲ标准燃料箱容量:约300L1.3、动力传动系统1.3.1变速箱机械操纵,6档变速箱,控制后桥驱动。
1.3.2车桥高强度承载桥,维护方便。
第一桥:单胎,转向但不驱动;第二桥:双胎,驱动但不转向。
一级主减速加轮边减速;第三桥:双胎,驱动但不转向。
一级主减速加轮边减速。
1.3.3驱动轴驱动轴均采用端面齿连接,优化动力传输,传递扭矩大。
维护简便,方便拆卸和安装。
1.4、全桥悬挂前悬挂:纵置钢板弹簧式,筒式减震器;后悬架:双轴平衡、纵置板簧式,板簧与推力杆导向。
1.5、转向机械式转向机构,带有液压助力。
方向盘位置可调。
1.6、轮胎斜交轮胎,适用于重型汽车,通用性强。
标配1个备胎。
1.7、制动行车制动:脚踏板操纵的双回路气压制动。
第一回路作用于一轴车轮上,第二回路作用于二、三轴车轮上;驻车制动:放气制动,作用于后面两根轴上,通过各轴上的弹簧储能气室起作用;辅助制动:发动机排气制动。
1.8、底盘驾驶室新型豪华全宽驾驶室,配CD音响,可调式座椅和方向盘,大视野后视镜,电控洗窗器,电子门窗升降器。
空调:标配暖风和单冷空调。
1.9、液压系统四联齿轮泵通过取力器联接至发动机,控制辅助转向、下车液压支腿。
1.10、液压支腿“H”型支腿,4点支撑,水平和垂直支腿全液压操纵,底盘两侧装有操纵手柄,操纵手柄旁装有水平仪和油门操纵开关。
QY25K-Ⅰ汽车起重机技术规格伸缩臂汽车式起重机型号:QY25K-Ⅰ;最大额定起重量:25t;一、技术介绍1、底盘部分徐工设计、制造,全头驾驶室,3桥底盘,驱动/转向:6×4×2。
1.1、车架徐工设计、制造,优化结构设计,防扭转箱型结构,高强度钢材。
支腿箱体位于1桥和2桥之间以及车架后端。
具有前后牵引挂钩。
1.2、底盘发动机制造商:上海柴油机股份有限公司;型号:SC8DK280Q3(东风牌);型式:直列六缸、水冷却、蜗轮增压、电控高压共轨、压燃式柴油发动机;环保性:符合欧洲Ⅲ标准燃料箱容量:约300L1.3、动力传动系统1.3.1变速箱机械操纵,6档变速箱,控制后桥驱动。
1.3.2车桥高强度承载桥,维护方便。
第一桥:单胎,转向但不驱动;第二桥:双胎,驱动但不转向。
一级主减速加轮边减速;第三桥:双胎,驱动但不转向。
一级主减速加轮边减速。
1.3.3驱动轴驱动轴均采用端面齿连接,优化动力传输,传递扭矩大。
维护简便,方便拆卸和安装。
1.4、全桥悬挂前悬挂:纵置钢板弹簧式,筒式减震器;后悬架:双轴平衡、纵置板簧式,板簧与推力杆导向。
1.5、转向机械式转向机构,带有液压助力。
方向盘位置可调。
1.6、轮胎斜交轮胎,适用于重型汽车,通用性强。
标配1个备胎。
1.7、制动行车制动:脚踏板操纵的双回路气压制动。
第一回路作用于一轴车轮上,第二回路作用于二、三轴车轮上;驻车制动:放气制动,作用于后面两根轴上,通过各轴上的弹簧储能气室起作用;辅助制动:发动机排气制动。
1.8、底盘驾驶室新型豪华全宽驾驶室,配CD音响,可调式座椅和方向盘,大视野后视镜,电控洗窗器,电子门窗升降器。
空调:标配暖风和单冷空调。
1.9、液压系统四联齿轮泵通过取力器联接至发动机,控制辅助转向、下车液压支腿。
1.10、液压支腿“H”型支腿,4点支撑,水平和垂直支腿全液压操纵,底盘两侧装有操纵手柄,操纵手柄旁装有水平仪和油门操纵开关。
25K1徐工汽车起重机技术参数
徐工汽车起重机是一种专门设计用于提升和搬运重物的设备,具有高效、稳定和安全性能。
以下是徐工汽车起重机的技术参数:
1.起重能力:徐工汽车起重机的起重能力通常从5吨到200吨不等,
用户可根据自身需求选择适合的起重能力。
2.工作半径:徐工汽车起重机的工作半径通常从5米到60米不等,
工作半径越大,起重范围越广。
3.最大起升高度:徐工汽车起重机的最大起升高度一般从20米到
100米不等,用户可根据工作场地的高度选择适合的起升高度。
4.工作速度:徐工汽车起重机的工作速度一般为20米/分钟到60米/
分钟不等,用户可根据工作需求选择适合的工作速度。
5.起重机动力:徐工汽车起重机通常采用柴油机或电动机作为动力源,其功率从100马力到500马力不等。
6.控制系统:徐工汽车起重机配备先进的控制系统,可实现精准操控
和操作,提高工作效率和安全性。
7.安全设备:徐工汽车起重机配备多种安全设备,如过载保护系统、
紧急停车系统、防侧倾系统等,确保操控和操作过程中的安全性。
8.底盘:徐工汽车起重机的底盘通常为吊装底盘或自卸底盘,具有良
好的稳定性和操控性。
9.液压系统:徐工汽车起重机采用高品质的液压系统,提供充足的动
力和操控力,确保设备的顺畅运行。
总的来说,徐工汽车起重机具有强大的起重能力、稳定性能和安全设备,适用于各种工地搬运和起重作业。
用户在选购徐工汽车起重机时,可根据自身需求和工作环境选择合适的型号和配置,确保设备的高效运行和安全操作。
三.QY25K-Ⅰ汽车起重机机能参数
吊钩
2.起重功课状况重要技巧参数表
3.QY25K-Ⅰ汽车起重机起重机能表
表2 QY25K汽车起重机副臂起重机能表(侧.后方)
1.表中额定起重量所暗示的数值,是在平整的牢固地面上本起重机可以或许包管的
最大起重量,此起重量不超出倾翻载荷的75%;
2.表中额定起重量包含吊钩和吊具的重量;
3.表中的工作幅度是包含吊臂的变形量在内的现实值,是以一
定以工作幅度为根据进行起重功课;
4.只许可在7级风以下进行功课
5.表中起升高度及幅度均为参考值.
6.主臂起重机能表中所列参数是指不带副臂时的额定起重量,当主臂臂头装有副
臂时,主臂的额定起重量根据现实情形,应减去900kg;
4.起升高度曲线
起
升
高
度
(
m
)
中间。
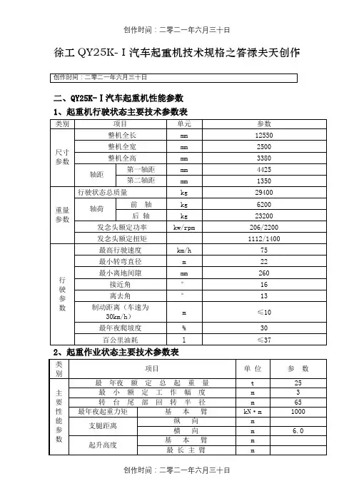
徐工QY25K-Ⅰ汽车起重机技术规格之答禄夫天创作
二、QY25K-Ⅰ汽车起重机性能参数
1、起重机行驶状态主要技术参数表
2、起重作业状态主要技术参数表
创作时间:二零二一年六月三十日3、QY25K-Ⅰ汽车起重机起重性能表
创作时间:二零二一年六月三十日
表2 QY25K汽车起重机副臂起重性能表(侧、后方)
1、表中额定起重量所暗示的数值, 是在平整的坚固空中上本起重机能够保证的
最年夜起重量, 此起重量不超越倾翻载荷的75%;
2、表中额定起重量包括吊钩和吊具的重量;
3、表中的工作幅度是包括吊臂的变形量在内的实际值, 因此一
定以工作幅度为依据进行起重作业;
4、只允许在7级风以下进行作业
5、表中起升高度及幅度均为参考值.
6、主臂起重性能表中所列参数是指不带副臂时的额定起重量, 当主臂臂头装有副
臂时, 主臂的额定起重量根据实际情况, 应减去900kg;
4、起升高度曲线
起升高度(m
)。
徐工QY25K-Ⅰ汽车起重机技术规格
二、QY25K-Ⅰ汽车起重机性能参数
1、起重机行驶状态主要技术参数表
2、起重作业状态主要技术参数表
3、QY25K-Ⅰ汽车起重机起重性能表
表1 主臂起重性能表
. 学习参考.
18
. 学习参考.
表2 QY25K汽车起重机副臂起重性能表(侧、后方)
注意:
1、表中额定起重量所表示的数值,是在平整的坚固地面上本起重机能够保证的
最大起重量,此起重量不超过倾翻载荷的75%;
2、表中额定起重量包括吊钩和吊具的重量;
3、表中的工作幅度是包括吊臂的变形量在内的实际值,因此一
定以工作幅度为依据进行起重作业;
4、只允许在7级风以下进行作业
5、表中起升高度及幅度均为参考值。
6、主臂起重性能表中所列参数是指不带副臂时的额定起重量,当主臂臂头装有副
臂时,主臂的额定起重量根据实际情况,应减去900kg;
4、起升高度曲线
起
升
高
度
(m )。
QY25K- Ⅰ汽车起重机技术规格伸 缩臂 汽车 式起 重机 Ⅰ;最大额定起重量: 25t ;徐工设计、制造,全头驾驶室,3 桥底盘,驱动 /转向: 6×4×2 1.1、车架徐工设计、制造,优化结构设计,防扭转箱型结构,高强度钢材。
支腿箱体位于 1 桥和 2 桥之间以及车架后端。
具有前后牵引挂钩1.2、底盘发动机制造商:上海柴油机股份有限公司; 型 号: SC8DK280Q3 (东风牌);型 式:直列六缸、水冷却、蜗轮增压、电控高压共轨、压燃式柴油发动机; 环保性:符合欧洲Ⅲ标准燃料箱容量:约 300L1.3、动力传动系统 1.3.1 变速箱机械操纵, 6 档变速箱,控制后桥驱动。
1.3.2 车桥高强度承载桥,维护方便。
第一桥:单胎,转向但不驱动; 第二桥:双胎,驱动但不转向。
一级主减速加轮边减速; 第三桥:双胎,驱动但不转向。
一级主减速加轮边减速。
1.3.3 驱动轴 驱动轴均采用端面齿连接,优化动力传输,传递扭矩大。
维护简便,方便拆卸和安 装。
1.4、全桥悬挂前悬挂:纵置钢板弹簧式,筒式减震器; 后悬架:双轴平衡、纵置板簧式,板簧与推力杆导向。
1.5、转向 机械式转向机构,带有液压助力。
方向盘位置可调。
一、技术介绍1、底盘部分型号 :QY25K-1.6、轮胎斜交轮胎,适用于重型汽车,通用性强。
标配1 个备胎。
1.7、制动行车制动:脚踏板操纵的双回路气压制动。
第一回路作用于一轴车轮上,第二回路作用于二、三轴车轮上;驻车制动:放气制动,作用于后面两根轴上,通过各轴上的弹簧储能气室起作用;辅助制动:发动机排气制动。
1.8、底盘驾驶室新型豪华全宽驾驶室,配CD 音响,可调式座椅和方向盘,大视野后视镜,电控洗窗器,电子门窗升降器。
空调:标配暖风和单冷空调。
1.9 、液压系统四联齿轮泵通过取力器联接至发动机,控制辅助转向、下车液压支腿。
1.10、液压支腿“ H”型支腿,4 点支撑,水平和垂直支腿全液压操纵,底盘两侧装有操纵手柄,操纵手柄旁装有水平仪和油门操纵开关。
徐工QY25K-Ⅰ汽车起重机技术规格
二、QY25K-Ⅰ汽车起重机性能参数
1、起重机行驶状态主要技术参数表遵从于技术改进
2、起重作业状态主要技术参数表
3、QY25K-Ⅰ汽车起重机起重性能表
3 18
表2 QY25K汽车起重机副臂起重性能表(侧、后方)
1、表中额定起重量所表示的数值,是在平整的坚固地面上本起重机能够保证的
最大起重量,此起重量不超过倾翻载荷的75%;
2、表中额定起重量包括吊钩和吊具的重量;
3、表中的工作幅度是包括吊臂的变形量在内的实际值,因此一
定以工作幅度为依据进行起重作业;
4、只允许在7级风以下进行作业
5、表中起升高度及幅度均为参考值。
6、主臂起重性能表中所列参数是指不带副臂时的额定起重量,当主臂臂头装有副
臂时,主臂的额定起重量根据实际情况,应减去900kg;
4、起升高度曲线
起
升
高
度
(m )。