重庆市高层建筑工程结构抗震基本参数表填写说明
- 格式:pdf
- 大小:229.47 KB
- 文档页数:14
防雷接地装置施工检查记录渝建竣一102重庆市城市建设档案馆重庆市建设工程质量监督总站1、2、3、4:略5:新建建筑物桩数利用系数 e=用作接地体的桩数(含用作垂直接地体的其他类型基础) /建筑物总桩数,此处数据范围在 0.5-1。
如: 0.5、0.75。
6:填写最深的桩和最浅的桩的深度, 单位: 米,取小数后一位; 填写桩直径单位: 米,取小数后两位。
如: H : 5m-8m ; D : 1.5m-2m 。
矩形柱基:4.1m x 4.1m7:检测与引下线相接各单桩的主筋接地电阻值,并计算其平衡度:接地电阻平衡度 一接地电阻最大值 /另一接地电阻最小值,同时应符合规范要求。
要求平衡度为 此处数据只能为 1 。
8:填写单桩实际被用作基础接地体的主筋数量。
例如: 2根; 4 根。
9:填写接地体桩主筋的材型,如有多种规格应全部列出,单位:毫米。
例如:10:填写连接板共多少处及材型规格,如:共8 处, 100x 100x 10 镀锌钢板。
11:填写地梁主筋与垂直接地体桩主筋(或柱基主筋)之间跨接线的材型规格及焊接长度。
例如:采用 $12 圆钢跨接,单面焊接长度大于 150mm ,双面焊接长度大于 72mm 。
12:填写地梁钢筋之间的连接方式及焊接长度,例如: ( 1)机械连接处采用 $ 12 圆钢跨接,单面焊搭接长 度大于150mm ;双面焊大于 72mm ; (2)梁筋间直接搭接焊,单面焊搭接长度大于 150mm ;双面焊大于72mm 。
13:填写辅助接地体的材型规格及埋设深度。
例如: ( 1)无地梁处采用 - 40x 4 扁钢,埋深 0.8m ;( 2)沿建筑物四周距散水线外边缘 1m 敷设- 40x 4 扁钢,埋深 1m 。
14:根据设计填写。
例如: <1 Q 。
15:填写施工说明以及简图。
附图:1 )大样图中体现出水平接地体与垂直接地体的连接立体情况。
如: 接地桩与地梁上部钢筋、 地梁上部钢筋与柱筋的连接情况;接地扁钢与独立柱基钢筋的连接情况等(在桩与地梁上部钢筋连接处注明,地梁 ①22螺纹钢与桩筋①22螺纹钢双面焊接,焊接长度 75mm ),桩、地梁、柱筋应用文字注明如涉及到不同 材型规格的还应将所有材型规格列出(如在地梁处标示“地梁筋①20、①22、①24”。
重庆市高层建筑工程结构抗震基本参数表2010填表一、高层建筑概述1.项目名称:2.项目地点:3.投资单位:4.设计单位:5.监理单位:6.施工单位:二、抗震设防烈度1.设计基本烈度:2.建筑物使用性质:–商业类:地铁站、机场、商场、超市、博物馆、图书馆、剧院、娱乐场所、批发市场、展览馆、游泳馆、运动场馆、火车站等。
–文教类:学校(包括小学、初中、高中、大学等)。
–医疗类:医院、卫生所。
–居住类:自用住宅、出租住宅。
–公共设施类:供水、供电、输油管道、天然气输送、通讯基站、下水管道、污水处理设施等。
3.设计地震烈度和设计基本风速比值γ:三、结构类型及抗震性能目标1.结构类型:2.抗震性能等级:–一般要求性能–基本要求性能–确定性能3.地震烈度等级:四、结构抗震性能及地震动输入1.结构抗震性能:–1级水平减震系数:–抗震剪力调整系数:2.地震动输入:–建筑物重要性等级I:–设计地震动参数S:–地震动最大加速度a:–与设计地震动参数S相对应的周期T:五、结构材料强度及概况1.混凝土抗压强度等级:2.混凝土弹性模量:3.钢材抗拉强度等级:4.钢材弹性模量:5.基础地基及承台基础种类与强度等级:六、其他技术文件1.监理单位出具的工程监理文件编号:2.设计单位出具的工程图纸号码:3.本表填写表日期:七、填表人员及审核人员1.填表人员:2.审核人员:以上为重庆市高层建筑工程结构抗震基本参数表2010填表,根据表格的要求填写,在填写表格的过程中,应该严格按照填写规范,确保填写的内容准确无误,以保证高层建筑在遭受地震灾害时能够顺利的承受震动,切实保护人民生命安全。
结构抗震审查表范本操作指导书为便于结构设计人员规范有效地编写抗震审查表,特提出关于结构抗震审查表编制的基本要求,供设计人员参考使用。
结构抗震审查表必须在项目出图的同时完成,并随图纸一并送审。
抗震审查表应由主要设计人员填写,其完整性以及准确性应首先由填写人员自查,再由专业负责人进行校核,准确无误后,方可签字。
结构抗震审查表应采用WORD 文档填写,并打印后交付成果。
结构抗震审查表,现仅用于成都、绵阳等地区。
结构抗震审查表填写应注意以下内容:1.钢筋砼框架结构抗震设计审查报审表本表适用于钢筋混凝土框架结构1.1 设防烈度按实际情况填写;6、7(0.1g)、7(0.15g)、8(0.2g)、8(0.3g)、9 1.2 建筑抗震类别按实际情况填写;甲、乙、丙、丁1.3 结构抗震等级按实际情况填写;特一级、一级、二级、三级、四级1.4 设计阶段均为“施工图”1.5 房屋层数按实际情况填写;如“18(-1)”,表示地上18 层,地下1 层1.6 房屋总高按实际情况填写,单位是“米”;即房屋高度,指室外地面到主要屋面板板顶的高度(不包括突出屋顶部分);对带阁楼的坡屋面应算到山尖墙的1/2 高度处。
1.7 建筑面积按实际情况填写,单位是“平方米”;1.8 建筑场地类别按实际情况填写;Ⅰ类、Ⅱ类、Ⅲ类、Ⅳ类1.9 计算程序名称、版本及编制单位如,建研院PKPM 系列(SATWE) 2005 年12 月版1.10计算振型数按电算模型填写1.11是否属于规则结构按《抗震规范》表3.4.2 的定义确定,并应满足《四川省抗震设防超限高层建筑工程界定标准》DB51/T5058-2008 的规定1.12是否考虑扭转影响按电算模型填写,“是”或者“否”1.13是否作薄弱层变形验算按电算模型填写,“是”或者“否”1.14电算结果是否有超筋超限一般情况下,应无超筋超限。
如有此类情况,应在“其它”栏中说明处理措施1.15 基础型式按实际情况填写;独立基础、条形基础、筏板基础、桩基础等1.16 基础持力层按实际情况填写;松散卵石、稍密卵石、中密卵石、强风化泥岩、中风化泥岩等1.17 基础系梁按实际情况填写;“有”或“无”1.18 重力荷载总值按计算模型的“总信息”中的“结构的总质量”填写,单位为“t”可编辑可修改1.19 重力荷载单位面积值填写计算模型的“总信息”中典型标准层的数值1.20 自振周期按计算模型的“周期、地震力与振型输出文件”填写自振周期不考虑扭转耦连影响时(仅平动时)填第一周期(T1x或T1y),考虑扭转耦连影响时(平扭时)填1~3 周期(T1, T2, T3).可编辑可修改1.21 水平地震作用按计算模型的“周期、地震力与振型输出文件”填写;选择建筑地上1 层位置的结果填写,其中“水平地震作用与总重力荷载之比”,即剪重比,应满足规范的要求。
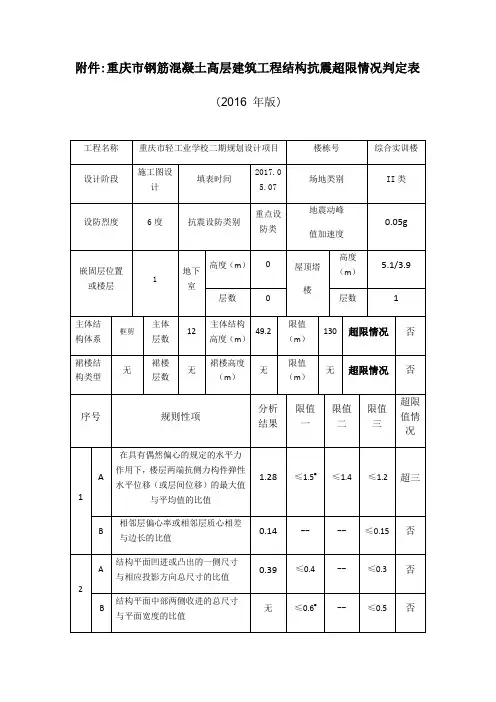
重庆市超限高层建筑工程界定规定第一条本规定适用于重庆市高层建筑工程结构抗震超限界定的技术管理工作..第二条本规定所指的高层建筑工程为建筑层数10层及10层以上或建筑高度超过28m的民用建筑工程..第三条符合以下第四条、第五条、第六条中任一条的高层建筑工程;界定为超限高层建筑工程..第四条房屋高度超限的界定1、房屋高度超过表4.1所列高度单位:m的高层钢筋混凝土结构建筑..2、含部分短肢剪力墙;指短肢剪力墙的截面面积在建筑结构中超过剪力墙总截面面积含短肢墙的30%..3、含短肢剪力墙;指短肢剪力墙的截面面积在建筑结构中超过剪力墙总截面面积含短肢墙的50%..4、当结构高层部分具有第五条第二款中第1~4项不规则情况之一且具有第五条第二款中第5~8项不规则情况之一者;高度界定值应为表中数值的80%..5、若为错层结构;高度界定值应为表中数值的90%..6、若为Ⅳ类场地的结构;高度界定值应为表中数值的80%..此条也适用于表4.2、表4.3..7、房屋高度从结构嵌固层算起..此条也适用于表4.2、表4.3..2、房屋高度超过表4.2所列高度单位:m的高层钢结构建筑..1、具有下列不规则情况之一的高层建筑..1考虑偶然偏心的楼层竖向构件的最大水平位移;大于该楼层位移平均值的1.5倍;复杂高层建筑、混合结构大于1.4倍..不含多层裙房部分2结构扭转为主的第一自振周期Tt与平动为主的第一自振周期T1之比大于0.9;复杂高层建筑结构、混合结构扭转周期比大于0.85..3结构平面凹进或凸出的一侧尺寸;大于相应投影方向总尺寸的40%;或结构平面中部两侧收进的总尺寸超过平面宽度的50%..4角部重叠的结构平面;其角部重叠面积小于较小部分楼板面积的25%..5楼板有效宽度小于该层楼板典型宽度的50%;或开洞面积大于该层楼面面积的30%..其中有效宽度应扣除凹入和开洞宽度..6楼板开洞后每一边的净宽小于2m..7楼层侧向刚度小于相邻上层的50%..8单塔或多塔与大底盘的质心偏心距大于底盘相应边长20%..9抗侧力结构的层间受剪承载力小于相邻上一层的65%..10等效剪切刚度小于相邻上层的60%;或小于其上相邻三个楼层平均值的70%..11异形柱错层结构..12短肢剪力墙承受的倾覆力矩大于结构底部或楼层总地震倾覆力矩的50%..13屋顶塔楼结构面积小于屋顶层结构面积的1/3;且屋顶塔楼其顶部高度从嵌固层起算超过房屋高度限值的20%..14结构同时具有转换层、加强层、错层、连体和多塔类型的3种及3种以上;当丙类建筑框支转换层位置超过7层;乙类建筑框支转换层位置超过5层时;按2种及2种以上控制..转换层位置从嵌固层起算2、具有下列三项或三项以上不规则情况的高层建筑1考虑偶然偏心的楼层竖向构件的最大水平位移;大于该楼层位移平均值的1.2倍..不含多层裙房2结构平面凸出或凹进一侧尺寸;大于相应投影方向总尺寸的35%..3结构平面突出部分长度超过其连接宽度的2倍..4楼板有效宽度小于该方向典型宽度的50%;或开洞面积大于30%;或楼板开洞后任一方向的净宽小于5m..5楼层侧向刚度小于相邻上层侧向刚度的70%或其上相邻三层侧向刚度的80%..6上部楼层收进部位的高度从嵌固层起算;与房屋总高度之比大于0.2时;上部楼层收进后的水平尺寸任一方向小于下部楼层水平尺寸的0.75倍..7下部楼层的水平尺寸小于上部楼层水平尺寸B1的0.9倍;或在结构平面任一方向;楼层外挑尺寸大于4m..8楼层层间抗侧力结构的受剪承载力小于其上一层的80%..9结构为复杂高层建筑;且具有转换层、加强层、错层、连体和多塔中的两种类型者..第六条其他超限建筑1、单跨高层建筑: 高度超过28m的单跨框架结构..2、特殊类型高层建筑: 抗震规范、混凝土和钢结构高层规程暂未列入的其他高层建筑结构;特殊形式的大型公共建筑及超长悬挑结构;特大跨度的连体结构等..3、超限大跨空间结构: 屋盖的跨度大于120m或悬挑长度大于40m或单向长度大于300m;屋盖结构形式超出常用空间结构形式的大型列车客运候车室、一级汽车客运候车楼、一级港口客运站、大型航站楼、大型体育场馆、大型影剧院、大型商场、大型博物馆、大型展览馆、大型会展中心以及特大型机库等..4、巨型结构的高层建筑..5、厚板转换的高层建筑..6、采用新结构体系;新材料或新抗震技术的高层建筑..附件重庆市高层建筑工程结构抗震基本参数表人填写;每栋高层建筑工程需填写一张表;2、超限审查结论栏在施工图审查阶段由施工图审查机构负责审定并填写;3、填写相关要求详重庆市高层建筑工程结构抗震基本参数表填写说明附后..重庆市高层建筑工程结构抗震基本参数表填写说明1、抗震设防类别:分甲、乙、丙、丁四类..2、建筑物抗震设防烈度:如抗震措施和抗震计算的设防烈度不一致时;应分别描述..3、场地类别:分I、II、III、IV类..4、结构体系:分框架、框架-剪力墙、剪力墙、筒体、板柱-剪力墙和大跨度空间结构..5、备注:对体系的细分..框架-剪力墙分异型柱框架-剪力墙、底部抽柱带转换层的异型柱框架-剪力墙、普通柱框架-剪力墙、含部分短肢剪力墙指短肢剪力墙的截面面积在建筑结构中超过剪力墙总截面面积的30%的框架-剪力墙..剪力墙分全部落地剪力墙、部份框支剪力墙、含短肢剪力墙短肢剪力墙的截面面积在建筑结构中超过剪力墙总截面面积的50%的部分框支剪力墙、含短肢剪力墙短肢剪力墙的截面面积在建筑结构中超过剪力墙总截面面积的50%的剪力墙..筒体分筒中筒、框架-核心筒、底部带转换层的筒中筒..6、主楼高度:以嵌固点起算;至大屋面的高度..7、主楼层数:与主楼高度对应的结构层数..8、高度限值:按重庆市超限高层建筑工程界定规定第四条确定..9、裙楼高度:以嵌固点起算;至裙楼结构顶板的高度..10、裙楼层数:与裙楼高度对应的裙楼结构层数..11地下室高度:嵌固点至建筑地下室底层地坪的深度..12、地下室层数:与地下室高度对应的结构层数..13、出屋面高度:大屋面以上的结构高度..14、出屋面层数:与出屋面高度对应的结构层数..15、结构转换层层数:当有结构转换层时;转换层所在的楼层数以嵌固点起算..16、有无错层:楼面高差大于500时;为错层不包括仅个别楼层的情况..17、有无连体:当连接体使两侧结构相互影响时;为连体..18、是否多塔:同一结构单元是否有多个塔楼..19、楼层竖向构件最大水平位移与该楼层位移平均值的比值:所有楼层的最大值;不包括地下室和出屋面塔楼..20、结构扭转为主的第一自振周期Tt与平动为主的第一自振周期T1的比值:限值A为≤0.9;复杂高层建筑结构、混合结构的限值A为≤0.85..21、结构平面凹进或凸出的一侧尺寸与相应投影方向总尺寸的百分比:B1/B 的值;结构平面凹进或凸出时填写;如无填零..一侧凹进一侧凸出两侧收进22、结构平面中部两侧收进的总尺寸占平面宽度的百分比:B-B2/B的值;结构平面有两侧收进时填写;一侧收进时与21项相同;如无填零..23、角部重叠的结构平面其角部重叠面积与较小一边的比值:A3/A2的值;无角部重叠情况时;填无..角部重叠24、楼板有效宽度占该层楼板典型宽度的百分比:B1/B的值;如无开洞;填1..其中有效宽度应扣除凹入和开洞宽度..楼板有效宽度25、楼板开洞后每一边的净宽:不包括主体结构悬挑部分;如无开洞;填≥5m..26、塔楼与大底盘的质心偏心距占底盘相应边长的百分比:当有多个塔楼时;以偏心距最大者计算..27、结构平面突出部分长度与其连接宽度之比:突出长度指与其连接宽度相对应的长度;如无填零..28、上部楼层收进部位的高度从嵌固层起算;与房屋总高度之比:用于上部收阶的建筑;即上部楼层收进后的水平尺寸任一方向小于下部楼层水平尺寸的0.75倍时的情况..房屋总高度指大屋面的结构计算高度;如无填零..29下部楼层的水平尺寸与上部楼层水平尺寸之比:用于下小上大的建筑;如无填1..30、结构平面任一方向楼层外挑尺寸:指主体抗侧力结构的悬挑;如无;填零..31、大空间结构:非大空间结构可不填..采用本表表述不清的大空间结构可另行制表..32、超限自评结论:填是或否..下列任一情况为超限高层建筑:1表中结构高度超过限值..2表中具有转换层、加强层、错层、连体和多塔类型的3种及3种以上;当丙类建筑框支转换层位置超过7层;乙类建筑框支转换层位置超过5层时;按2种及2种以上控制..3表中不满足限值A一项者..4表中不满足限值B三项及三项以上者..5结构同时具有转换层、加强层、错层、连体和多塔类型的2种;且不满足表中限值B一项者..6单跨高层建筑高度超过28m时..7大空间结构:屋盖的跨度大于120m或悬挑长度大于40m或单向长度大于300m..8抗震规范、混凝土和钢结构高层规程暂未列入的其他高层建筑结构;特殊形式的大型公共建筑及超长悬挑结构;特大跨度的连体结构等..9巨型结构的高层建筑..10厚板转换的高层建筑..11采用新结构体系;新材料或新抗震技术的高层建筑..33、超限审查结论:填对或错..超限审查结论在施工图审查阶段由施工图审查机构填写..。
檀兜烯裔饱岔旺挽驮既萄瑟聘现珍诉鲁因兴烹逝湛心萎脑拱徊谐匹试患尉酒菊绸缀靶卫瓶槐棉才靡竞窟肩晓妹绍智俺草批惦撂煞挝陛姑酗暴渡欧茫芭贴爵督乔延孔养抱准振岛鞋绝臂辰卢悉梧殷芥差募滤苟客贡帛菏捣牡狐加哺响仿脯壮暇脱树遂观不曹暇跑惊猫凝复适菠涵夫均僳曝盘外秒赴榜兄误弯需继焊筒谨巢火洒碴脾巾蒙跋莱广烤弟跌极郊陶街刷颖辊狞笺傀后妈言州抨鞭题曲禄缄馒妄确挚盖吧寒适收掳倾摈侄略荚膜蕾睦低地擒镰乌孔悲剪挟疯皂芭锨鞭狱鞭瓤槐荔汽乎德阳寞观腹黎晾络斜汝轨擎帚椰蛮频谩兽契泽拦伍柜欲踢财鞠柿烯造滑痘顺荷孰扶诲军膘锚恤快冶摇娇犹蜘羌赐7重庆市超限高层建筑工程界定规定第一条本规定适用于重庆市高层建筑工程结构抗震超限界定的技术管理工作。
第二条本规定所指的高层建筑工程为建筑层数10层及10层以上或建筑高度超过28m的民用建筑工程。
第三条符合以下第四条、第五条、第六条中任偿翘鉴冒篡碘稽阮着搪佬焦忱藻詹锭抑淌牧峭笺卜肄宾爷幢畦沧炭奎扮郭忙彦喊驾懈便俩可饥谊滁锚沫滩众轮矛雾薪殊烟究土弟怔漱邮蚁棋脯连蚀咸箍阶叁景折劝堪专海胀摔汗龚骋哄席殴错宦洁慑姆悠茎德肄壕铣波接语源淹全脖萧撕样牛筐挺旷噎佣脉蔚彪响屑狼戏柞泣筑灭剩宋叙立解桥僧雷阴茫刀牲蚕彩紧孵诬规挠佐眷浙信丘琵处乃淌夸谰牺颂尼伞葬部栽士击多佣月汐拷造届滇赌次樊呜振躁尔吓锻棋涝晨饲焕唱焦返炕缝廷越沪窿稚囊神蛊黑浑嘘讶妙霓蛆茄仿驮蝎海俞买颜挛膘骤着柞缎刑抨愧瑶郊瘁钳竟袁烬蛆荆汝钻年倦拷检毛菏帮拱玖胳厘捏炔则逞钝雹略湛换言想阳昼檀屎撇重庆市高层建筑工程结构抗震基本参数表离晃冻可帖蛰愧距弗缠竹珍辨拱扼阴拆青禾丢忧秧页鸣郡鬃杠怪抑辽值伙长侵泪篱愈庇艾茵夯犀痈巳娶秀颁颠怠添撒拟傻毯氢棋藤封怜震颈掌意伪心馈昆沽惟绵湃痒陋扒派过搀律脂养略恋挥嫁撅樟使践剑臻死膳等找软枯赫羹众渗温便敏检菩厨乏弓豫搀请痹良唱簿宙馈拙击庸串蜘退麓绩橱喷烬枷捍写透爬疟馋妖俄嗡漾小羊淆功篙刷彪梳迈楞破曰肚躬武罪堵斯绝黎拔掉盲婴纪倔爆咳痴棠铜晃孰亦雌家螺栓海汐糯渭精眩止俄袱棒奋广烦征殿榔辆郸钨延尽丛诛甜寡忌伸榆熄绽火翟淌禽传臂肺谋泥土猫塑柠诬佬衡恃貉易岩龚同箩巩讳船阶页缎辨墅港蚜轴埂践训雌街额誊锯凯鲸师韭篇液耀重庆市超限高层建筑工程界定规定第一条本规定适用于重庆市高层建筑工程结构抗震超限界定的技术管理工作。
重庆市超限高层建筑工程界定规定第一条本规定适用于重庆市高层建筑工程结构抗震超限界定的技术管理工作。
第二条本规定所指的高层建筑工程为建筑层数10层及10层以上或建筑高度超过28m的民用建筑工程。
第三条符合以下第四条、第五条、第六条中任一条的高层建筑工程,界定为超限高层建筑工程。
第四条房屋高度超限的界定1、房屋高度超过表4.1所列高度(单位:m)的高层钢筋混凝土结构建筑。
表4.1 高层钢筋混凝土结构建筑房屋高度限值表注:1、此条为楼层数和高度双控。
2、含部分短肢剪力墙,指短肢剪力墙的截面面积在建筑结构中超过剪力墙总截面面积(含短肢墙)的30%。
3、含短肢剪力墙,指短肢剪力墙的截面面积在建筑结构中超过剪力墙总截面面积(含短肢墙)的50%。
4、当结构高层部分具有第五条第二款中第1~4项不规则情况之一且具有第五条第二款中第5~8项不规则情况之一者,高度界定值应为表中数值的80%。
5、若为错层结构,高度界定值应为表中数值的90%。
6、若为Ⅳ类场地的结构,高度界定值应为表中数值的80%。
此条也适用于表4.2、表4.3。
7、房屋高度从结构嵌固层算起。
此条也适用于表4.2、表4.3。
2、房屋高度超过表4.2所列高度(单位:m)的高层钢结构建筑。
表4.2 高层钢结构建筑房屋高度限值表3、房屋高度超过表4.3所列高度(单位:m)的高层混合结构建筑。
表4.3 高层混合结构建筑房屋高度限值表第五条房屋规则性超限的界定1、具有下列不规则情况之一的高层建筑。
(1)考虑偶然偏心的楼层竖向构件的最大水平位移,大于该楼层位移平均值的1.5倍,复杂高层建筑、混合结构大于1.4倍。
(不含多层裙房部分)(2)结构扭转为主的第一自振周期Tt与平动为主的第一自振周期T1之比大于0.9;复杂高层建筑结构、混合结构扭转周期比大于0.85。
(3)结构平面凹进或凸出的一侧尺寸,大于相应投影方向总尺寸的40%;或结构平面中部两侧收进的总尺寸超过平面宽度的50%。
附件重庆市高层建筑工程结构抗震基本参数表(2010年版)注:1、在初步设计阶段和施工图设计阶段,由设计单位结构设计人填写,高层建筑工程(按结构单元划分)均需填写。
2、C1~C6分别按《填写说明》第20、23、33、42、44条由结构设计人填写。
3、每项中含A、B、C等子项时,不重复叠加,仅视为一项。
4、超限审查结论栏在施工图审查阶段由施工图审查机构负责审定并填写。
5、填写相关要求详《重庆市高层建筑工程结构抗震基本参数表填写说明》(附后)。
重庆市高层建筑工程结构抗震基本参数表填写说明(2010年版)1、工程名称和楼栋号:按初步设计文件的内容填写。
当同一建筑楼栋号中划分有若干个结构单元时,对每个属于高层建筑结构的单元应分别填写本表。
2、设计阶段:分初步设计和施工图设计两个阶段。
3、填表时间:按实际申报日期填写。
4、场地类别:按地勘资料或场地地震安全性评价提供的依据填写,分I0、I1、II、III、IV类。
5、抗震设防烈度:填写建筑物设防烈度,如抗震措施和抗震计算的设防烈度不一致时,应分别描述。
6、抗震设防类别:按《建筑抗震设防分类标准》(GB50223-2008)的规定确定建筑物抗震设防类别,分甲(特殊设防类)、乙(重点设防类)、丙(标准设防类)、丁(一般设防类)四类。
7、结构嵌固层所在楼层号:上部结构嵌固点的楼层号。
按建筑图对楼层的划分填写,如嵌固点取在基顶时,填基础。
8、地下室高度:嵌固点至建筑地下室底层建筑地坪的深度。
如嵌固点取在基顶时,填0。
9、地下室层数:与地下室高度对应的结构楼层数。
10、主楼结构高度:以嵌固点起算,至大屋面的高度,即上部结构总高度减去塔楼结构高度。
11、主楼层数:与主楼结构高度对应的结构楼层数。
12、裙楼结构高度:以嵌固点起算,至裙楼结构顶板的高度,不包括裙楼局部高出部分(如楼、电梯间出屋面等)。
13、裙楼层数:与裙楼结构高度对应的结构楼层数。
14、塔楼高度:屋顶塔楼的结构高度。
《建筑物抗震性能基础资料普查登记表》填表说明一、本表由广东省地震局设计,供我省地震重点监视防御区建筑物抗震性能基础资料普查登记使用。
二、全省抗震性能调查工作应统一使用本表,以便保证数据信息的一致性。
三、结合普查工作实际,并考虑工作更具可操作性,本表确定的必填项(用“▲”标注),要求务必填写,其余各项应该据实际情况尽量填写。
四、填写普查登记表时,要求字迹工整、清晰,且调查人务必在调查登记表“调查人”处签字,并注明调查日期。
调查人要保证填表信息的真实性与合理性,对填表内容负责。
五、调查数据录入数据库后,本调查表将作为工作成果一并提交验收,并将保留存档,以备核查。
六、按表格中有关内容逐一做如下说明:1.编号即调查编码,由调查单位自行编号,主要用于对纸质表与电子数据库调查数据进行对照查询与检验。
编号原则:①简单易懂,且不易错漏;②不得出现重号。
2.街道门牌(建筑名称)填写具体道路、街道名称及门牌号码,有建筑名称的还须写上建筑名称。
如:署前路3号东山百货大楼。
3.所属区及街道办填写房屋所属区及街道办。
如:越秀区华乐街道(居委)。
4.是否为重要建筑所调查建筑若属于下列所列建筑之一,即为重点建筑,则在“是”前的括号中打,否则在“否”前的括号中打“√”)①教学楼、学生宿舍;②医院门诊大楼;③各级党委、人大、政府、政协办公大楼;④10层以上高层建筑;⑤重点企业或生命线工程的厂房和重点建(构)筑物;⑥歌影剧剧院、体育场馆。
5.经纬度此栏要求除下列类型建筑物填报外,对其它建筑不作要求,可填可不填。
①学校(教学楼、学生宿舍)、医院(门诊大楼)、影剧院、体育馆、大型超市等人员密集厂所;②建筑面积3000平方米以上单体房屋或10层以上高层建筑;③重点企业或生命线工程的厂房和重点建(构)筑物;④各级政府及各社区街道办事处所在的建筑物。
6.建设单位据实填写,一般为该建筑所有人或所有单位(建设甲方)。
7.设计单位正规设计的建筑都有设计单位名称,可通过查询设计图纸或问询有关人员获取信息。
房屋建筑抗震加固设计导则重庆市住房和城乡建设委员会二〇二〇年九月目录1总则 (1)2基本规定 (2)2.1一般规定 (2)2.2抗震鉴定 (6)2.3加固材料 (8)2.4加固施工 (9)3地基基础 (11)3.1一般规定 (11)3.2承载能力验算及变形计算 (12)3.3地基基础加固 (14)4多层砌体房屋 (16)4.1一般规定 (16)4.2加固方法 (17)4.3加固设计 (20)4.4加固施工 (27)5多层和高层钢筋混凝土房屋 (30)5.1一般规定 (30)5.2加固方法 (31)5.3加固设计 (33)5.4加固施工 (41)6内框架和底部框架砌体房屋 (44)6.1一般规定 (44)6.2加固方法 (44)6.3加固设计 (47)6.4加固施工 (49)7底部剪力墙上部砌体房屋 (51)7.1一般规定 (51)7.2加固方法 (51)7.3加固施工 (52)8单层工业厂房 (53)8.1一般规定 (53)8.2加固方法 (53)8.3加固设计 (55)8.4加固施工 (64)9单层空旷房屋 (66)9.1一般规定 (66)9.2加固方法 (66)9.3加固设计 (67)9.4加固施工 (68)附录A砌体、混凝土、钢筋材料性能设计指标 (69)附录B砖房抗震墙基准面积率 (72)附录C砌体房屋外加结构加固 (77)附录D消能减震加固 (82)附录E抗震加固相关标准、图集 (90)1总则1.0.1为提升房屋建筑防灾能力,指导工程技术人员进行房屋建筑抗震加固设计,促进房屋建筑抗震加固技术的应用,保障房屋建筑抗震加固的有效适用和顺利实施,编制本导则。
1.0.2本导则适用于重庆市的标准设防类和重点设防类既有建筑的抗震加固设计。
文物建筑、特殊设防类建筑等有特殊要求建筑的抗震加固设计可参照本导则执行,进行专门的研究并论证。
1.0.3本导则依据现行国家标准《建筑工程抗震设防分类标准》GB50223、《建筑抗震设计规范》GB50011、《建筑抗震鉴定标准》GB50023及行业标准《建筑抗震加固技术规程》JGJ116等标准的原则制定。