粉尘涉爆企业执法检查表
- 格式:doc
- 大小:29.50 KB
- 文档页数:1
南京粉尘涉爆企业安全生产专项检查表检查对象对南京市内所有涉及粉尘涉爆的企业进行检查,包括但不限于以下行业:•煤矿•炼油厂•化工厂•粉尘工厂•焊接行业检查内容1.企业安全管理制度是否完备,各项操作规程是否符合国家、行业标准,是否建立应急预案并进行演练。
2.设备设施是否符合国家、行业标准,设备是否定期检修维护,设备管理是否健全。
3.人员是否经过安全培训,是否掌握危险因素,并能正确使用安防设备。
4.环境风险控制是否有效,安全检查、监测是否到位。
5.企业是否建立安全生产责任制,各岗位职责是否明确,事故现场处置是否规范。
检查标准针对以上检查内容,我们将按照以下标准进行评分:•优秀:符合国家、行业标准,设施设备运行正常,安全生产责任制到位,安全管理规程完备,每年定期进行演习。
•良好:设备运行正常,员工日常行为安全意识强且职业技能齐全,发现问题及时整改。
•一般:设备管理不到位、设施设备不符合标准、人员缺乏安全知识、安全管理规程有缺陷、生产环境存在一定安全隐患、未建立健全安全生产责任制。
•较差:存在一定安全风险隐患,未进行应急演练,管理制度明显缺失,建筑布局不合理。
检查要求对于检查中发现的问题,将按照以下要求进行处理:•对于红线问题,一定要立即整改,并报告督查部门。
重复发现两次及以上的企业,将被列入安全生产失信黑名单。
•对于存在安全风险的企业,要及时通报督查部门,并限期整改,下次检查时将对问题整改情况进行复查。
•对于轻微问题,要及时整改,并做好记录,以备下次检查参考。
检查周期将按照安全生产风险等级划分,对于高、中、低三个等级的企业分别采取不同的检查周期。
具体周期安排如下:•高风险企业:每6个月进行一次全面检查;•中风险企业:每年进行一次全面检查,并不定期进行抽查检查;•低风险企业:每两年进行一次全面检查,并不定期进行抽查检查。
总结本次专项检查旨在加强南京市涉爆粉尘企业的安全生产管理和监管,对问题发现及时整改,保护人民群众的生命财产安全和城市稳定发展。
铁硼粉、金属抛光产物粉尘等。
(4) 非金属单质硫磺粉、白磷粉、红磷粉、硅粉、硼粉等。
(5) 塑料、合成树脂与橡胶漆粉、墨粉、粉末喷涂材料、ABS、聚乙烯、聚丙烯、聚氯乙烯、酚醛树脂、环氧树脂、橡胶、墨粉、聚酰胺树脂、聚丙烯酰胺、聚丙烯腈、三聚氰胺树脂(密胺树脂)、聚丙烯酸甲酯、聚乙烯醇、聚乙烯醇缩丁醛等。
(6) 煤炭与碳素类粉尘褐煤、烟煤、无烟煤、活性炭、炭黑、焦炭、石油焦、泥炭、油页岩等。
(7) 化学粉尘制药行业粉尘、医药中间体,除草剂、杀虫剂、农药中间体,抗氧化剂,缓释剂,羧甲基纤维素、甲基纤维素、己二酸、蒽醌、抗坏血酸、乙酸钙、硬脂酸钙、硬脂酸钠、硬脂酸铅、多聚甲醛、抗坏血酸钠等。
(8) 纺织纤维棉、亚麻、羊毛、羽绒,涤纶、氨纶、腈纶等。
表2:涉及粉尘爆炸的行业(1)木材加工与家具生产。
例如:板材、地板、木质门窗生产与加工、家具、组合橱柜等生产企业。
(2) 粮食加工与储运例如:粮库,淀粉、面粉、饲料等生产企业。
(3) 金属粉体生产铝粉、镁粉、钛粉、锆粉、钴粉、锌粉等粉体生产(4) 金属加工例如:汽车/摩托车/自行车/轮椅/童车零部件、轮毂、刹车片、气缸、变速箱、装饰格栅、笔记本/平板电脑/手机框架、锁具、把手、气动阀门、五金日用品、镁铝钛合金加工等生产企业。
(5) 港口装卸与仓储例如:粮食码头、煤码头、硫磺码头及其仓储系统。
(6) 纺织例如:棉纺制品、亚麻制品、成衣、被服、羽绒服、卫生巾与护垫、尿不湿、袜子、帽子、围巾等生产企业。
(7) 发电与建材煤粉制备系统例如:火力发电厂、水泥厂、煤化工、炼铁厂等煤粉制备系统,焦炭生产系统。
(8) 塑料、树脂和橡胶生产与加工塑料、树脂原料生产企业,塑料制品、树脂制品、橡胶制品、塑料管材、塑料板材、轮胎、电路板、风力发电风叶等生产企业,粉末喷涂、喷塑、喷漆等表面处理企业。
(9) 轻工造纸企业(办公用纸、包装材料、纸板、壁纸),糖类(砂糖、白糖、红糖、麦芽糖、葡萄糖、果糖、乳糖)、冲调饮品(奶粉、咖啡),酒类(白酒、啤酒、麦芽、酒曲),调味品(酱油、食醋、味精、鸡精、汤料),茶叶、烟草等生产企业。
企业应编制含有粉尘爆炸的应急救援预案并报相关部门备案;应组织全体职工进行灭火和应急救援预案演练。
附表:可燃及爆炸性粉尘辨识表1:常见可燃粉尘类型和粉尘名称(1) 粮食、农产品、食品与饲料、动物制品玉米淀粉、面粉、咖啡、蛋白粉、大米粉、茶叶、烟草、皮革、奶粉、麦乳精、明胶粉、麦芽、可可粉、黄豆粉、大米淀粉、小麦淀粉、糖粉、石松子、木薯粉、乳清粉、苜蓿粉、苹果粉、香蕉粉、甜菜根粉、胡萝卜粉、椰壳粉、棉籽、大蒜粉、面筋粉、青草粉尘、啤酒花、柠檬皮粉、柠檬浆粉、柠檬酸渣、沙棘粉、莲子粉、亚麻籽、槐树豆胶、橡子粉、橄榄核、洋葱粉、欧芹、桃、花生、土豆、丝兰花籽、玉米粉尘、谷尘、黑麦粉尘、小麦粉尘、黄豆粉尘、调味品粉、向日葵粉、西红柿粉、核桃粉、黄原胶、骨粉、血粉、玉米芯、豆粕、棕榈粕、混合饲料等。
(2) 木材粉尘与造纸粉尘包括木粉(用于生产纤维素),纸粉、木材加工产生的伴生粉尘,基于木材的造粒生物燃料的碎屑等。
(3) 金属粉或金属粉尘铝(合金)粉、镁(合金)粉、锆粉、钴粉、钽粉、锌粉、镍粉、铁粉、钢粉、青铜粉、碱金属粉,钕铁硼粉、金属抛光产物粉尘等。
(4) 非金属单质硫磺粉、白磷粉、红磷粉、硅粉、硼粉等。
(5) 塑料、合成树脂与橡胶漆粉、墨粉、粉末喷涂材料、ABS、聚乙烯、聚丙烯、聚氯乙烯、酚醛树脂、环氧树脂、橡胶、墨粉、聚酰胺树脂、聚丙烯酰胺、聚丙烯腈、三聚氰胺树脂(密胺树脂)、聚丙烯酸甲酯、聚乙烯醇、聚乙烯醇缩丁醛等。
(6) 煤炭与碳素类粉尘褐煤、烟煤、无烟煤、活性炭、炭黑、焦炭、石油焦、泥炭、油页岩等。
(7) 化学粉尘制药行业粉尘、医药中间体,除草剂、杀虫剂、农药中间体,抗氧化剂,缓释剂,羧甲基纤维素、甲基纤维素、己二酸、蒽醌、抗坏血酸、乙酸钙、硬脂酸钙、硬脂酸钠、硬脂酸铅、多聚甲醛、抗坏血酸钠等。
(8) 纺织纤维棉、亚麻、羊毛、羽绒,涤纶、氨纶、腈纶等。
表2:涉及粉尘爆炸的行业(1)木材加工与家具生产。
粉尘涉爆企业专项检查表(可以直接使用,可编辑实用优秀文档,欢迎下载)聚酰胺树脂、聚丙烯酰胺、聚丙烯腈、三聚氰胺树脂(密胺树脂)、聚丙烯酸甲酯、聚乙烯醇、聚乙烯醇缩丁醛等。
(6) 煤炭与碳素类粉尘褐煤、烟煤、无烟煤、活性炭、炭黑、焦炭、石油焦、泥炭、油页岩等。
(7) 化学粉尘制药行业粉尘、医药中间体,除草剂、杀虫剂、农药中间体,抗氧化剂,缓释剂,羧甲基纤维素、甲基纤维素、己二酸、蒽醌、抗坏血酸、乙酸钙、硬脂酸钙、硬脂酸钠、硬脂酸铅、多聚甲醛、抗坏血酸钠等。
(8) 纺织纤维棉、亚麻、羊毛、羽绒,涤纶、氨纶、腈纶等。
表2:涉及粉尘爆炸的行业(1)木材加工与家具生产。
例如:板材、地板、木质门窗生产与加工、家具、组合橱柜等生产企业。
(2) 粮食加工与储运例如:粮库,淀粉、面粉、饲料等生产企业。
(3) 金属粉体生产铝粉、镁粉、钛粉、锆粉、钴粉、锌粉等粉体生产(4) 金属加工例如:汽车/摩托车/自行车/轮椅/童车零部件、轮毂、刹车片、气缸、变速箱、装饰格栅、笔记本/平板电脑/ 框架、锁具、把手、气动阀门、五金日用品、镁铝钛合金加工等生产企业。
(5) 港口装卸与仓储例如:粮食码头、煤码头、硫磺码头及其仓储系统。
(6) 纺织例如:棉纺制品、亚麻制品、成衣、被服、羽绒服、卫生巾与护垫、尿不湿、袜子、帽子、围巾等生产企业。
(7) 发电与建材煤粉制备系统例如:火力发电厂、水泥厂、煤化工、炼铁厂等煤粉制备系统,焦炭生产系统。
(8) 塑料、树脂和橡胶生产与加工塑料、树脂原料生产企业,塑料制品、树脂制品、橡胶制品、塑料管材、塑料板材、轮胎、电路板、风力发电风叶等生产企业,粉末喷涂、喷塑、喷漆等表面处理企业。
(9) 轻工造纸企业(办公用纸、包装材料、纸板、壁纸),糖类(砂糖、白糖、红糖、麦芽糖、葡萄糖、果糖、乳糖)、冲调饮品(奶粉、咖啡),酒类(白酒、啤酒、麦芽、酒曲),调味品(酱油、食醋、味精、鸡精、汤料),茶叶、烟草等生产企业。
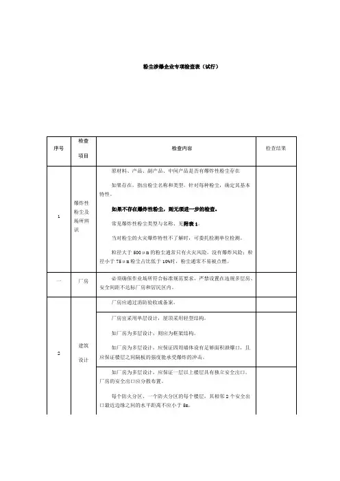
粉尘涉爆企业安全生产执法检查表序号检查内容检查方法执法依据处罚依据7-1①是否设置安全生产管理机构或配备安全生产管理人员:涉爆粉尘的工贸企业从业人员超过100人的,应当设置安全生产管理机构或配备专职安全生产管理人员;从业人员在100人以下的,应当配备专职或者兼职的安全生产管理人员。
②是否设立安委会并按规定开展工作:从业人员在1000人以上的企业,应当建立安全生产委员会。
③安全生产委员会应当由本单位的主要负责人、分管安全生产的负责人(安全总监)、相关负责人、专门的安全生产管理机构及相关机构负责人、安全生产管理人员和工会代表以及从业人员代表组成;安全生产委员会每季度至少召开一次会议,会议应当有书面记录。
①查看员工花名册等能够证明员工数量的资料;查看机构设立文件;安全生产管理人员任命文件;查看资格证书;现场调查了解有关人员。
②查看安委会成立文件;查阅安委会组成部门;查看安委会季度会议通知、纪要等资料。
①《中华人民共和国安全生产法》第二十一条第二款②《山东省安全生产条例》第十四条第一款③《山东省生产经营单位安全生产主体责任规定》第十三条①《中华人民共和国安全生产法》第九十四条第一项②《山东省安全生产条例》第四十二条第(二)项③责令限期改正7-2是否组织制定安全生产规章制度和操作规程:①企业制定的安全生产管理制度应当涵盖260号令中规定的安全生产会议等13项制度。
②生产经营单位是否建立事故隐患排查治理制度。
查看安全生产管理制度、安全操作规程以及内容设置情况。
①《山东省生产经营单位安全生产主体责任规定》第六条、第七条②《中华人民共和国安全生产法》第三十八条第一款①责令限期改正②《中华人民共和国安全生产法》第九十八条第四项7-3①是否按规定进行全员安全生产教育培训:对涉粉尘岗位新进从业人员、离岗6个月以上的或者换岗的从业人员,及时进行上岗前安全生产教育和培训;对在岗人员应当定期组织安全生产再教育培训活动;②培训时间是否符合法规规定:主要负责人和安全生产管理人员初次安全培训时间不得少于32学时。
粉尘涉爆企业执法检查重点事项表序号违法行为描述执法依据方式方法处罚依据备注1的粉性燃加险用系防除联类生燃可易危共尘同的互种”可与等炸质除不区统同燃︑尘体爆介套︐分系通不可尘粉气剧的-统火尘互【法律】《安全生产法》第四十一条第二款生产经营单位应当建立健全并落实生产安全事故隐患排查治理制度,采取技术、管理措施,及时发现并消除事故隐患。
事故隐患排查治理情况应当如实记录,并通过职工大会或者职工代表大会、信息公示栏等方式向从业人员通报。
其中,重大事故隐患排查治理情况应当及时向负有安全生产监督管理职责的部门和职工大会或者职工代表大会报告。
【部门规章】《工贸企业粉尘防爆安全规定》(中华人民共和国应急管理部令第6号)第十五条第一款粉尘涉爆企业应当按照《粉尘防爆安全规程》等有关国家标准或者行业标准规定,将粉尘爆炸危险场所除尘系统按照不同工艺分区域相对独立设置,可燃性粉尘不得与可燃气体等易加剧爆炸危险的介质共用一套除尘系统,不同防火分区的除尘系统禁止互联互通。
存在粉尘爆炸危险的工艺设备应当采用泄爆、隔爆、惰化、抑爆、抗爆等一种或者多种控爆措施,但不得单独采取隔爆措施。
禁止采用粉尘沉降室除尘或者采用巷道式构筑物作为除尘风道。
铝镁等金属粉尘应当采用负压方式除尘,其他粉尘受工艺条件限制,采用正压方式吹送时,应当采取可靠的防范点燃源的措施。
【标准】《粉尘防爆安全规程》(GB15577-2018)8.1.1不同类别的可燃性粉尘不应合用同一除尘系统。
8.1.2粉尘爆炸危险场所除尘系统不应与带有可燃气体、高温气体或其他工业气体的风管及设备连通。
8.1.3应按工艺分片(分区域)设置相对独立的除尘系统。
8.1.4不同防火分区的除尘系统不应连通。
【规范性文件】《工贸行业重大生产安全事故隐患判定标准(2017版)》(安监总管四(2017)129号)一、专项类重大事故隐患(-)存在粉尘爆炸危险的行业领域。
2.可燃性粉尘与可燃气体等易加剧爆炸危险的介质共用一套除尘系统,不同防火分区的除尘系统互联互通。
完整版)粉尘涉爆企业检查表房相连时,应设置防火墙隔离。
办公场所应符合相关标准规范要求,如防火、通风、照明等。
应设置灭火器、烟雾探测器等消防设施,并定期检查维护。
5消防设施厂房内应设置灭火器、消防栓、烟雾探测器等消防设施,并按照相关标准规范要求进行定期检查维护。
应设置灭火器、烟雾探测器等消防设施,并定期检查维护。
如有自动灭火设备,应按照规定进行定期检查和维护。
6安全管理企业应建立健全安全管理制度,制定应急预案,并组织实施。
应定期进行安全培训和演练,提高员工安全意识和应急处置能力。
应建立健全安全管理制度,制定应急预案,并组织实施。
应定期进行安全培训和演练,提高员工安全意识和应急处置能力。
如发现安全隐患,应及时整改并记录,确保安全生产。
在邻近建筑物进行房贴时,其耐火等级应不低于二级,并且必须采用耐火极限不低于3小时的不燃烧体防爆墙进行隔离,并设置独立的安全出口。
有爆炸危险的工艺设备应该设置在建筑物外的露天场所。
对于在厂房内有粉尘爆炸危险的工艺设备,应该设置在建筑物内较高的位置,并且靠近工艺布置外墙。
如果必须在建筑内设置有爆炸危险的工艺设备,那么必须采取爆炸防护措施,例如惰化、爆炸抑制、爆炸泄压或者抗爆强度设计。
对于占地面积大于3000平方米的甲、乙、丙类厂房或占地面积大于1500平方米的乙、丙类仓库,应该设置环形消防车道。
如果确实有困难,那么应该沿建筑物的两个长边设置消防车道。
消防车道的净宽度和净空高度均不应小于4米。
对于具有火灾危险的生产厂区、厂房等的入口处或防火区内,必须设置“禁止烟火”、“禁止吸烟”、“禁止放易燃物”、“禁止带火种”、“当心火灾-易燃物”、“当心火灾-氧化物”和“当心爆炸-爆炸性物质”等标志。
必须按照标准规范设计、安装、使用和维护通风除尘系统。
每班必须按规定检测和规范清理粉尘。
在除尘系统停运期间和粉尘超标时,严禁作业,并停产撤人。
通风除尘系统可以有效降低作业场所粉尘浓度,减少作业现场粉尘沉积。
(7) 化学粉尘制药行业粉尘、医药中间体,除草剂、杀虫剂、农药中间体,抗氧化剂,缓释剂,羧甲基纤维素、甲基纤维素、己二酸、蒽醌、抗坏血酸、乙酸钙、硬脂酸钙、硬脂酸钠、硬脂酸铅、多聚甲醛、抗坏血酸钠等。
(8) 纺织纤维棉、亚麻、羊毛、羽绒,涤纶、氨纶、腈纶等。
表2:涉及粉尘爆炸的行业(1)木材加工与家具生产。
例如:板材、地板、木质门窗生产与加工、家具、组合橱柜等生产企业。
(2) 粮食加工与储运例如:粮库,淀粉、面粉、饲料等生产企业。
(3) 金属粉体生产铝粉、镁粉、钛粉、锆粉、钴粉、锌粉等粉体生产(4) 金属加工例如:汽车/摩托车/自行车/轮椅/童车零部件、轮毂、刹车片、气缸、变速箱、装饰格栅、笔记本/平板电脑/手机框架、锁具、把手、气动阀门、五金日用品、镁铝钛合金加工等生产企业。
(5) 港口装卸与仓储例如:粮食码头、煤码头、硫磺码头及其仓储系统。
(6) 纺织例如:棉纺制品、亚麻制品、成衣、被服、羽绒服、卫生巾与护垫、尿不湿、袜子、帽子、围巾等生产企业。
(7) 发电与建材煤粉制备系统例如:火力发电厂、水泥厂、煤化工、炼铁厂等煤粉制备系统,焦炭生产系统。
(8) 塑料、树脂和橡胶生产与加工塑料、树脂原料生产企业,塑料制品、树脂制品、橡胶制品、塑料管材、塑料板材、轮胎、电路板、风力发电风叶等生产企业,粉末喷涂、喷塑、喷漆等表面处理企业。
(9) 轻工造纸企业(办公用纸、包装材料、纸板、壁纸),糖类(砂糖、白糖、红糖、麦芽糖、葡萄糖、果糖、乳糖)、冲调饮品(奶粉、咖啡),酒类(白酒、啤酒、麦芽、酒曲),调味品(酱油、食醋、味精、鸡精、汤料),茶叶、烟草等生产企业。
(9) 化工例如医药、农药、染料、硫磺、硫酸、煤化工等。
(10) 固体废弃物处理打印机、复印机、计算机、PCB电路板等废弃物处理企业。
表 3 常见可燃粉尘处理工艺除尘、投料、打包、机械输送、气力输送、制粉、破碎、粉碎、研磨、球磨、清选、筛分、风选、熔融雾化、喷雾造粒、混合、压片、流化床干燥、喷雾干燥、旋转干燥、气流干燥、铣屑、锯切、砂光、刷光、抛丸、喷砂、打磨、抛光、粉末喷涂、喷塑、喷漆。
粉尘涉爆企业执法检查表
《安全生产法》第九十六条生产经营单位有下列行为之一的,责令限期改正,可以处五万元以下的罚款;逾期未改正的,处五万元以上二十万元以下的罚款,对其直接负责的主管人员和其他直接责任人员处一万元以上二万元以下的罚款;情节严重的,责令停产停业整顿;构成犯罪的,依照刑法有关规定追究刑事责任:(二)安全设备的安装、使用、检测、改造和报废不符合国家标准或者行业标准的;
《安全生产法》第九十九条生产经营单位未采取措施消除事故隐患的,责令立即消除或者限期消除;生产经营单位拒不执行的,责令停产停业整顿,并处十万元以上五十万元以下的罚款,对其直接负责的主管人员和其他直接责任人员处二万元以上五万元以下的罚款。
硫磺粉、白磷粉、红磷粉、硅粉、硼粉等。
(5) 塑料、合成树脂与橡胶漆粉、墨粉、粉末喷涂材料、ABS、聚乙烯、聚丙烯、聚氯乙烯、酚醛树脂、环氧树脂、橡胶、墨粉、聚酰胺树脂、聚丙烯酰胺、聚丙烯腈、三聚氰胺树脂(密胺树脂)、聚丙烯酸甲酯、聚乙烯醇、聚乙烯醇缩丁醛等。
(6) 煤炭与碳素类粉尘褐煤、烟煤、无烟煤、活性炭、炭黑、焦炭、石油焦、泥炭、油页岩等。
(7) 化学粉尘制药行业粉尘、医药中间体,除草剂、杀虫剂、农药中间体,抗氧化剂,缓释剂,羧甲基纤维素、甲基纤维素、己二酸、蒽醌、抗坏血酸、乙酸钙、硬脂酸钙、硬脂酸钠、硬脂酸铅、多聚甲醛、抗坏血酸钠等。
(8) 纺织纤维棉、亚麻、羊毛、羽绒,涤纶、氨纶、腈纶等。
表2:涉及粉尘爆炸的行业(1)木材加工与家具生产。
例如:板材、地板、木质门窗生产与加工、家具、组合橱柜等生产企业。
(2) 粮食加工与储运例如:粮库,淀粉、面粉、饲料等生产企业。
(3) 金属粉体生产铝粉、镁粉、钛粉、锆粉、钴粉、锌粉等粉体生产(4) 金属加工例如:汽车/摩托车/自行车/轮椅/童车零部件、轮毂、刹车片、气缸、变速箱、装饰格栅、笔记本/平板电脑/手机框架、锁具、把手、气动阀门、五金日用品、镁铝钛合金加工等生产企业。
(5) 港口装卸与仓储例如:粮食码头、煤码头、硫磺码头及其仓储系统。
(6) 纺织例如:棉纺制品、亚麻制品、成衣、被服、羽绒服、卫生巾与护垫、尿不湿、袜子、帽子、围巾等生产企业。
(7) 发电与建材煤粉制备系统例如:火力发电厂、水泥厂、煤化工、炼铁厂等煤粉制备系统,焦炭生产系统。
(8) 塑料、树脂和橡胶生产与加工塑料、树脂原料生产企业,塑料制品、树脂制品、橡胶制品、塑料管材、塑料板材、轮胎、电路板、风力发电风叶等生产企业,粉末喷涂、喷塑、喷漆等表面处理企业。
(9) 轻工造纸企业(办公用纸、包装材料、纸板、壁纸),糖类(砂糖、白糖、红糖、麦芽糖、葡萄糖、果糖、乳糖)、冲调饮品(奶粉、咖啡),酒类(白酒、啤酒、麦芽、酒曲),调味品(酱油、食醋、味精、鸡精、汤料),茶叶、烟草等生产企业。