粉尘涉爆企业隐患检查自查表知识交流
- 格式:doc
- 大小:82.50 KB
- 文档页数:11
防尘爆炸自查自纠报告一、背景随着工业化的进程,各类工业企业的生产活动增多,工业企业都面临着一定的安全隐患问题。
防尘爆炸是常见的一种危险事件,一旦发生会造成严重的人员伤亡和财产损失。
因此,各类工业企业都要高度重视防尘爆炸问题,加强自查自纠,做好预防工作,确保生产过程的安全性和稳定性。
二、自查自纠情况1. 公司开展了全员安全意识教育培训,加强了员工对防尘爆炸的认识和防范意识。
2. 公司对生产车间进行了全面检查,发现了一些存在安全隐患的设备和工艺流程,并及时进行了整改。
3. 公司建立了健全的防尘爆炸应急预案,对各类可能发生的安全事故进行了应急演练。
4. 公司加强了现场管理,对生产车间进行全方位监控,确保生产现场的安全和稳定。
三、存在问题1. 公司在防尘爆炸方面的宣传教育还不够全面和深入,部分员工的安全意识有待提高。
2. 公司在设备更新和维护方面还存在一些不足,部分设备的安全隐患还未及时发现和处理。
3. 公司的安全培训和应急演练还需要进一步完善,提高员工的应急处理能力和意识。
4. 公司在现场管理方面还需加强,完善现场监控系统,做好每个环节的安全控制和管理。
四、改进措施1. 加强对员工的安全教育培训,提高员工的安全意识和防范能力。
2. 定期检查设备和工艺流程,及时发现并整改存在的安全隐患。
3. 完善防尘爆炸应急预案,加强应急演练,提高员工的应急处理能力。
4. 强化现场管理,做好现场监控和管理,确保生产过程的安全和稳定。
五、总结防尘爆炸是一种常见的危险事件,任何工业企业都不能忽视其存在的安全隐患。
只有加强自查自纠,做好预防工作,才能确保生产过程的安全性和稳定性。
公司将继续加大对防尘爆炸工作的投入和力度,为员工的生命财产安全提供有力保障。
附件 2粉尘涉爆企业安全生产检查表受检企业名称:地址:联系人:电话:序号检查自查内容及要求检查自查依据检查自查情况及意见备注一、安全基础管理1 23营业执照:相关证照齐全,具备经营范围。
《中华人民共和国安全生产法》安全生产管理机构或人员:《陕西省安全生产条例》企业应按规定设置安全生产管理机构或配备专(兼)职的安全生产管理人员,或者委托具有国家规定的相关专业技术资格的工程技术人员提供安全生产管理服务。
安全培训和教育:《中华人民共和国安全生产法》(1)企业从业人员经安全培训合格后,方可上岗;(2)企业负责人、从业人员要定期参加安全教育培训,掌握铝镁粉尘的危害性及防爆措施。
《陕西省安全生产条例》( 3)企业应教育和督促从业人员严格执行安全生产规章制度《铝镁粉加工粉尘防爆安全规程》( GB 和安全操作规程,并向从业人员如实告知作业场所和工作岗17269-2003 )位存在的危险因素、防范措施以及事故应急措施。
二、管理制度体系作业岗位安全操作规程:《严防企业粉尘爆炸五条规定》(国家安全应包括以下内容:监管总局令第 68 号)及其释义4(1)个体防护措施:作业人员应佩戴好防护眼镜、护耳器、防尘口罩等个体劳动防护用品;作业人员的衣服应选用耐火、《工贸企业有限空间作业安全管理与监督不易产生静电的棉布制作,同时应易清洁和易脱下。
暂行规定》(国家安全监管总局令第59 号)- 1 -- 1 -序号5 67 - 2 -检查自查内容及要求检查自查依据检查自查情况及意见备注( 2)作业安全:作业人员作业前,要先检查各类仪器、仪表、装置是否正常,并将检查情况如实记录;作业人员作业前,《国务院安委会办公室关于深刻吸取江苏必须首先开启粉尘除、排尘系统的排风风机进行排风运行10省昆山市“8?2特”别重大事故教训深入开展分钟后,方可进行打磨抛光加工作业;作业人员作业后,必安全生产专项整治的紧急通知》(安委办须在铝镁制品机加工作业完全停止,粉尘除、排尘系统的排〔 2014 〕 19 号 )风风机继续运行 15 分钟后,排风风机方可停机,然后要切断岗位所有电源开关。
粉尘涉爆企业安全生产检查自查表(共5则范文)第一篇:粉尘涉爆企业安全生产检查自查表(共)附件2 粉尘涉爆企业安全生产检查表受检企业名称:地址:联系人:电话:序号检查自查内容及要求检查自查依据检查自查情况及意见备注一、安全基础管理营业执照:相关证照齐全,具备经营范围。
《中华人民共和国安全生产法》《陕西省安全生产条例》安全生产管理机构或人员:企业应按规定设置安全生产管理机构或配备专(兼)职的安全生产管理人员,或者委托具有国家规定的相关专业技术资格的工程技术人员提供安全生产管理服务。
安全培训和教育:(1)企业从业人员经安全培训合格后,方可上岗;(2)企业负责人、从业人员要定期参加安全教育培训,掌握铝镁粉尘的危害性及防爆措施。
(3)企业应教育和督促从业人员严格执行安全生产规章制度和安全操作规程,并向从业人员如实告知作业场所和工作岗位存在的危险因素、防范措施以及事故应急措施。
《中华人民共和国安全生产法》《陕西省安全生产条例》《铝镁粉加工粉尘防爆安全规程》(GB 17269-2003)二、管理制度体系作业岗位安全操作规程:应包括以下内容:个体防护措施:作业人员应佩戴好防护眼镜、护耳器、防尘口罩等个体劳动防护用品;作业人员的衣服应选用耐火、不易产生静电的棉布制作,同时应易清洁和易脱下。
作业安全:作业人员作业前,要先检查各类仪器、仪表、装置是否正常,并将检查情况如实记录;作业人员作业前,必须首先开启粉尘除、排尘系统的排风风机进行排风运行10分钟后,方可进行打磨抛光加工作业;作业人员作业后,必须在铝镁制品机加工作业完全停止,粉尘除、排尘系统的排风风机继续运行15分钟后,排风风机方可停机,然后要切断岗位所有电源开关。
检维修作业:生产系统完全停止、现场积尘清理干净后,方可进行检维修作业;严禁交叉作业;检维修作业如涉及有限空间作业的,必须严格遵守“先通风、再检测、后作业”的原则,确定符合安全要求后,方可进入。
《严防企业粉尘爆炸五条规定》(国家安全监管总局令第68号)及其释义《工贸企业有限空间作业安全管理与监督暂行规定》(国家安全监管总局令第59号)《国务院安委会办公室关于深刻吸取江苏省昆山市“8•2”特别重大事故教训深入开展安全生产专项整治的紧急通知》(安委办〔2014〕19号)《铝镁粉加工粉尘防爆安全规程》(GB 17269-2003)场所清洁制度:应包括以下内容:(1)定期对生产场所残留的粉尘进行清理,清洁作业场所地面粉尘,及时对收尘器、吸排尘管道等设备的粉尘进行清理;(2)应当采用不产生火花、静电、扬尘等方法清理生产场所。
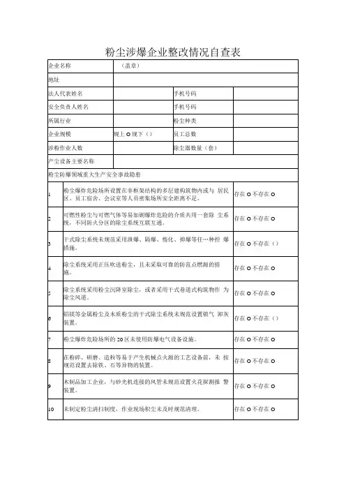
涉爆粉尘企业事故隐患治理自查情况表
涉爆粉尘企业事故隐患治理自查情况表
企业名称:地址:填报人:电话:自查时间:序号自查项目自查内容和重点隐患主要问题整改措施
1 建筑结构粉尘爆炸危险场所设置在飞框架结构的多层建构筑物内或与居民区、员工宿舍、
会议室等人员密集场所安全距离不足。
2 粉尘爆炸危险场所与喷漆、锅炉等易燃易爆场所安全距离不足。
3 除尘系统可燃性粉尘与可燃性气体等易加剧爆炸危险的介质公用一套除尘系统,不同防
火分区的除尘系统互联互通。
4 干式除尘系统未规范采用泄爆、隔爆、惰化、抑爆等任一种控爆措施
5 除尘系统采用正压吹送粉尘,且未采取可靠的防范点燃原的措施
6 除尘系统采用粉尘沉淀除尘,或者采用干式巷道式构筑物作为除尘风道
7 其他各种未按标准规范设计、安装、使用和维护通风除尘系统的问题
8 防火防爆粉尘爆炸危险场所的20区未使用爆吧电气设备设施,未落实防雷、防静电等措
施,设备设施未接地或接地不符合相关标准规范,作业场所存在各种明火。
9 在粉碎、研磨、造粒等易于产生机械点火源的工艺备前,未按规范设置去除铁、
石等异物的装置
10 安全管理对涉爆粉尘安全不重视,未制定粉尘清扫制度,作业场所现场积尘未及时规范
清理
11 未对企业主要负责人、安全管理人员和重点岗位员工进行涉爆粉尘安全管理专
门培训,相关人员未掌握防范粉尘爆炸事故的相关规定和技能,未按规定佩戴
使用防尘、防静电等劳保用品上岗的。
12 未严格执行安全操作规程,在除尘系统停运期间和粉尘超标时未停止作业和停
止撤人的
13 其他违反涉爆粉尘企业安全管理规定的问题。
企业主要负责人、安全管理负责人和一线员工需要准备回答的问题一、主要负责人1.企业主要负责人安全生产职责主要内容有哪些?分别通过什么方式,履行这些职责的?企业主要负责人履行以下工作职责:建立、健全本单位安全生产责任制组织制定本单位安全生产规章制度和操作规程保证本单位安全生产投入的有效实施督促、检查本单位安全生产工作,及时消除安全生产事故隐患组织制定并实施本单位的生产安全事故应急救援预案及时、如实报告生产安全事故组织制定并实施本单位安全生产教育和培训计划2.你公司容易导致群死群伤的重大安全风险主要有哪些,如何有效管控?主要有物体打击和火灾事故风险,制定安全操作规程和管理制度,定期开展安全培训及隐患排查,监督部门落实安全作业,组织开展安全考核及奖惩。
3.专项整治对你公司有哪些要求,如何落实的?积极组织开展风险评估和隐患排查,及时消除事故隐患组织各部门负责人开会研讨,制定一线三排安全工作方案和计划,监督落实及组织考核4.对企业安全生产管理体系的理解,如何推进企业安全生产标准化工作的?企业的安全生产必须由负责人带头层层落实,坚持横向到边、纵向到底、全员参与。
首先成立标准化创建小组,依据法规制定相关管理制度和操作流程,创建年度安全生产目标,层层制定安全生产任务,开展培训、签订责任书,落实隐患排查及整改,组织进行自评,积极改善系统存在的问题、保持持续改进。
5.你公司当前安全生产工作的问题有哪些?目前人员参与安全生产活动的意识还有待提高,后期需加强宣传培训。
二、安全管理负责人1.你公司的重大安全风险主要有哪些,平时是如何有效管控的?重大风险主要有:玻璃运输过程中的倾倒打击、割伤,危险化学品存放及使用过程中的泄露中毒、火灾事故等管控措施:开展危险源辨识、安全生产风险分级管控与隐患排查治理,向各岗位公布危险源及管控措施制定管理制度及安全操作规程,组织培训及考核制定安全生产责任制并落实到人,层层签订安全生产责任书定期开展安全检查,及时消除事故隐患、纠正不安全的行为定期开展各项安全培训及事故应急处置演练监督生产部门的隐患自查自改,督促遵章守纪2.粉尘涉爆专项整治的重点有哪些?主要的安全标准是否了解?如何组织开展自查自改的。
涉爆粉尘安全检查表引言随着工业化的不断发展,涉爆粉尘也越来越成为一个重要的安全隐患。
不正确的处理和管理涉爆粉尘可能导致严重的事故和人员伤亡。
因此,建立对涉爆粉尘的安全检查表是至关重要的。
本文将深入探讨涉爆粉尘安全检查表的内容和预防措施。
涉爆粉尘的安全性涉爆粉尘是指在一定浓度下,与空气形成可燃性混合物,并在受到点火源时发生爆炸或燃烧的粉尘。
许多工业过程中产生的粉尘,如木材、麦麸、面粉、草木灰等,都具有潜在的爆炸风险。
因此,确保涉爆粉尘的安全性至关重要。
涉爆粉尘安全检查表的重要性涉爆粉尘安全检查表是一种用于评估工作场所涉爆粉尘安全性的工具。
它可以帮助企业管理人员和安全专家了解涉爆粉尘的潜在风险,并采取相应的预防措施。
检查表的目的涉爆粉尘安全检查表的目的是确保工作场所的涉爆粉尘安全性符合相关法规和标准。
通过对检查表的填写和评估,可以及时发现和解决潜在的安全隐患,从而保护员工的生命和财产安全。
检查内容涉爆粉尘安全检查表应包括以下内容:1. 工作场所信息•工作场所名称•工作场所地址•负责人姓名和联系方式2. 涉爆粉尘类型和来源•工作场所产生的涉爆粉尘类型•涉爆粉尘的来源:生产过程、储存/堆放区域等3. 涉爆粉尘危险特性•涉爆粉尘的爆炸极限浓度•空气中爆炸极限浓度处的空间类别和组别•点火源的可能性和危险等级4. 涉爆粉尘防护措施•设备和设施:如涉爆粉尘收集系统、排风系统等•维护和保养:设备和设施的检查和维护频率•员工培训:涉爆粉尘的安全意识、应急措施等5. 点火源管理•可能存在的点火源:电气设备、火焰和高温设备等•点火源可能导致的危险性评估•点火源的管理控制措施:如隔离、防护等检查结果和建议根据检查内容的填写和评估,检查表应给出详细的检查结果和建议。
对于存在的安全隐患,应提供相应的改进建议,并要求工作场所负责人立即采取措施解决。
预防措施为了减少涉爆粉尘事故的发生,以下是一些常见的预防措施:1. 控制涉爆粉尘的产生•通过技术手段减少粉尘的产生,如改变工艺、湿法操作等•定期清理工作场所和设备,及时清除积尘2. 设备和设施的防护•安装涉爆粉尘的收集系统和排风系统•定期检查和维护设备和设施的性能和状态3. 员工培训和意识提升•提供涉爆粉尘安全培训,提高员工的安全意识和应急处理能力•建立涉爆粉尘事故报告和教训总结制度,以分享经验和改进措施4. 点火源管理•标示和隔离潜在的点火源•对点火源进行定期检查和维护,确保其安全性结论涉爆粉尘安全检查表是一个非常重要的工具,可以帮助企业管理人员发现和解决潜在的涉爆粉尘安全隐患。
号一、建(构)筑物的结构与布局1安装有粉尘爆炸危险的工艺设备或存在可燃粉尘的建(构)筑物,应与其它建(构)筑物分离,其防火间距应符合GB50016的相关规定。
《粉尘防爆安全规程》GB15577-2007第5.1条2建筑物宜为单层建筑,屋顶宜用轻型结构。
《粉尘防爆安全规程》GB15577-2007第5.2条3多层建筑的结构要求如下:多层建筑物宜采用框架结构;不能使用框架结构的建筑物应在墙上设置符合要求的泄爆口;如果将窗户或其他开口作为泄爆口,应经核算并保证在爆炸时其能有效的进行泄爆。
《粉尘防爆安全规程》GB15577-2007第5.3.1、5.3.2、5.3.3条4梁、支架、墙及设备等应具有便于清扫的表面结构。
工房内墙表面应采用平整不易积尘和易清扫的结构,且不应向上拼接。
非整料构筑的墙体,墙面应用砂浆抹平,不得留有孔隙。
工房、成品库房的地面、工作平台应采用硬质防滑导静电的非燃性材料制作,且不应有积尘接缝。
工、库房屋顶不应漏水,同时应防止室内漏水及外部水流入。
工房、成品库房所有门、窗框架均应采用金属材料制作。
窗扇应向外开启,且不得设中挺并配有摩擦式窗栓。
《粉尘防爆安全规程》GB15577-2007第5.5条《铝镁粉加工粉尘防爆安全规程》GB17269-2003第5.2.3、5.2.4、5.2.5、5.3.1、5.3.2条5疏散通道要求如下:工作区应有疏散通道。
疏散通道的数目和位置应符合GB50016的相关规定门应向外开启,并不得设门槛。
《粉尘防爆安全规程》GB15577-2007第5.6.1条《铝镁粉加工粉尘防爆安全规程》GB17269-2003第5.3.3条6疏散路线应设置明显的路标和应急照明。
《粉尘防爆安全规程》GB15577-2007第5.6.2条二、工艺设备7如厂房内有粉尘爆炸危险的工艺设备,宜设在建筑物内较高的位置,并靠近外墙。
《粉尘防爆安全规程》GB15577-2007第5.4条号8有爆炸危险的工艺设备宜设置在建筑物外的露天场所。
粉尘涉爆企业整改情况自查表企业意见:严格遵守安全生产等有关法律、法规、标准要求,认真履行安全生产主体责任,积极开展隐患排查治理工作,如实记录并向从业人员通报重大生产安全事故隐患排查治理情况,强化粉尘清理清扫、停产复工、设备检维修、动火等作业安全管理,加强作业人员教育培训,全面排查重大事故隐患,如实填写《粉尘涉爆企业整改情况调查表》。
对本企业存在的重大生产安全事故隐患,认真制定整改计划、做到隐患整改责任、措施、资金、时限、预案的“五落实”,确保在规定时间内整改到位,确保从业人员健康和安全。
我已知晓专项治理工作要求并承诺:(手工抄写以上内容)企业主要负责人:时间:2018年月日监管部门意见:签名:时间:2018年月日L所属行业:填写金属制品加工、木制品纸制品加工、农副产品加工、纺织品加工、燥粉制备、橡胶及塑料加工、烟草加工等。
2.粉尘种类:可参考《工贸行业重点可燃性粉尘目录》,务必核查准确,填写铝粉、镁粉、锌粉、钛粉、木粉、竹粉、纸粉、面粉、淀粉、糖粉、奶粉、血粉、鱼骨粉、纺织纤维粉、燥粉、橡胶塑料粉、烟草等。
3.涉粉作业人数:是指可能受到粉尘爆炸伤害的最多作业人数。
主要区域包括:存在粉尘爆炸危险的生产车间,除尘管道通过的建构筑物,与爆炸危险场所毗邻且未设置隔离设施的工作区域.存在重大生产安全事故隐患的粉尘涉爆企业统计表工、烟草加工等。
2.粉尘种类:可参考《工贸行业重点可燃性粉尘目录》,务必核查准确,填写铝粉、镁粉、锌粉、钛粉、木粉(竹粉)、纸粉、面粉、淀粉、糖粉、奶粉、血粉、鱼骨粉、纺织纤维粉、煤粉、橡胶塑料粉烟草等3.涉粉彳乍业人数;是指可能受到粉尘爆炸伤害的最多作业人数。
主要区域包括:存在粉尘爆炸危险的生产车间,除尘管道通过的建构筑物,与爆炸危险场所毗邻且未设置隔离设施的工作区域。
4,对应条款:参考附件2填表说明4粉尘防爆类重大生产安全事故隐患对应序号(1-10) o粉尘涉爆企业基础情况调查汇总表注:1.所属行业:填写金属制品加工、木(竹、纸)制品加工、农副产品加工、纺织品加工、煤粉制备、橡胶及塑料加工、烟草加工等。
粉尘防爆自查自纠报告1. 前言为了加强企业粉尘防爆工作,确保生产过程中的安全与稳定,我公司决定开展粉尘防爆自查自纠工作。
本报告将对我公司的粉尘防爆工作进行全面梳理和分析,找出存在的问题和不足,并提出改进建议,以提高企业的安全生产水平和管理水平。
2. 自查自纠情况2.1 粉尘防爆管理体系建立情况我公司已建立了完善的粉尘防爆管理体系,包括组建了专门的粉尘防爆管理团队,制定了相关的管理制度和操作规程,对粉尘防爆设备进行了定期检修和维护,并对员工进行了相关的培训。
2.2 粉尘防爆设备现状分析经过对我公司的粉尘防爆设备进行检查和评估,发现存在一些老化、损坏或不合格的设备,影响了粉尘防爆的效果。
需要对这些设备进行更新和维修,以确保设备的正常运行和使用安全。
2.3 粉尘防爆工作环境检查通过对我公司的生产现场进行检查,发现部分生产车间存在粉尘积聚较多的情况,且部分区域存在粉尘浓度较高的情况。
需要加强清理和通风工作,减少粉尘的堆积和浓度,降低粉尘爆炸的风险。
2.4 粉尘防爆事故处理与应急预案我公司已建立了完善的粉尘防爆事故处理与应急预案,包括事故报告、紧急疏散、急救救援等内容。
但需要加强员工的应急演练和培训,确保在发生事故时能够及时有效地应对和处理。
3. 存在的问题及改进建议3.1 设备老化、损坏、不合格针对存在的设备老化、损坏或不合格的情况,我公司将加强设备维修和更换工作,并加强设备管理和监督,确保设备的正常运行和使用安全。
3.2 粉尘积聚、浓度高为了减少粉尘的积聚和浓度,我公司将加强生产车间的清理和通风工作,定期对车间进行卫生检查,发现问题及时处理,确保生产环境的清洁和安全。
3.3 应急演练和培训不足针对员工的应急演练和培训不足的情况,我公司将加强应急演练和培训工作,定期组织员工参加应急演练和培训,提高员工的应急处理和应变能力,确保在发生事故时能够及时有序地处理。
4. 结语通过此次粉尘防爆自查自纠工作,我公司认识到了存在的问题和不足,并制定了针对性的改进建议,将进一步加强粉尘防爆管理和工作,提高企业的安全生产水平和管理水平,确保企业生产过程中的安全稳定。
粉尘渉爆安全生产自查报告一、公司概况我公司是一家从事粉尘渉爆产品生产的企业,主要生产粉尘渉爆设备和相关产品。
我们一直致力于提供高质量的产品和服务,以满足客户的需求。
二、生产工艺在我们的生产过程中,主要使用了一些易燃易爆的原材料和工艺,如粉尘、溶剂等。
这些原材料和工艺在未经控制的情况下,有可能导致火灾或爆炸事故的发生。
因此,安全生产对我们来说至关重要。
三、自查内容1. 粉尘渉爆设备和工具的安全状况我们对生产中使用的设备和工具进行了全面的安全检查,包括检查设备和工具的电源线是否破损,是否有泄露现象,是否有明显的损坏等。
2. 原材料的安全储存和使用对于易燃易爆的原材料,我们采取了严格的储存和使用措施,确保原材料在储存和使用过程中不会发生泄露或其他安全隐患。
3. 生产车间的通风情况生产车间是粉尘渉爆事故易发生的地方,我们定期对生产车间的通风设施进行检查和维护,确保通风设施正常运行。
4. 紧急应急预案的制定和演练我们制定了详细的紧急应急预案,并定期组织员工进行紧急演练,以确保员工熟悉应急预案的内容和操作流程。
5. 职工教育培训我们注重对员工进行安全生产教育培训,让员工了解粉尘渉爆安全生产的重要性,以及如何正确使用设备和工具,以及应急处置方法。
四、自查结果通过上述自查,我们发现了一些不足之处,并且已经采取了相应的措施加以改进。
但是,我们也意识到还有一些方面需要进一步加强。
1. 在原材料储存和使用方面,存在一些管理上的不足,我们将加强对原材料管理和使用的监督,确保原材料不会对安全生产造成影响。
2. 在通风设施方面,还需要进一步完善,我们将对通风设施进行升级和改造,以提高通风效果并确保生产车间的空气质量。
3. 在紧急应急预案方面,我们将加大对员工的培训力度,让员工更加熟悉应急预案内容,并加强紧急演练的频率和实施效果。
4. 在职工教育培训方面,我们将注重培训内容的更新和深化,提高员工安全意识和紧急处置能力。
五、改进计划1. 加强原材料的储存和使用管理,严格执行相关制度,确保原材料的安全性。
涉爆粉尘安全隐患自查自纠安全隐患55:除尘系统采用粉尘沉降室除尘自查自纠:除尘系统禁止采用粉尘沉降室除尘及干式巷道式构筑物作为除尘风道。
安全隐患56:铝粉尘除尘系统采用正压吹送粉尘自查自纠:铝粉尘除尘系统应采用负压方式进行除尘。
安全隐患57:木粉尘除尘系统采用正压吹送粉尘时,未采取火花探测消除等防范点燃源措施自查自纠:木粉尘采用正压方式进行除尘时,应设置火花探测装置及喷淋装置。
安全隐患58:铝粉尘、木质粉尘的干式除尘系统未设置锁气卸灰装置自查自纠:铝粉尘、木质粉尘的干式除尘系统应设置锁气卸灰装置。
安全隐患59:木制品加工企业与砂光机连接的风管未设置消除装置自查自纠:木制品加工企业与砂光机连接的风管应设置火花探测消除装置及喷淋装置。
安全隐患60:铝粉尘收集、堆放、储存场所未采取通风等防止氢气积聚措施。
自查自纠:铝粉尘收集、堆放、储存场所应设置氢气探测装置、通风装置等。
安全隐患61:铝粉尘收集、堆放、储存场所未采取防水、防潮措施自查自纠:铝粉尘收集、堆放、储存场所应采取防水、防潮措施。
安全隐患62:未落实粉尘清理制度,造成作业现场积尘严重自查自纠:企业应建立粉尘清扫制度,及时对作业现场的积尘进行清扫。
安全隐患63:铝粉尘干式除尘系统未设置控爆措施自查自纠:铝粉尘干式除尘系统应设置泄爆、惰化、抑爆等任一种爆炸防控措施。
安全隐患64:木粉尘、铝粉尘等粉尘作业现场未张贴安全警示标志自查自纠:木粉尘、铝粉尘等作业现场应张贴“当心爆炸”等安全警示标志。
安全隐患65:铝粉尘湿式一体机上的液位装置、流量装置失效自查自纠:应定期对率分成湿式一体机上的液位装置、流量装置进行维护保养,确保完好。
安全隐患66:粉尘除尘系统的泄爆口朝向安全出口方向自查自纠:粉尘除尘系统的泄爆口应朝向空旷区域,并前方不应有遮挡。
安全隐患67:粉尘除尘风管的连接处未有效固定自查自纠:粉尘除尘风管的连接处应采用专用卡扣进行固定。
安全隐患68:粉尘除尘风管直通厂房内部处未隔爆自查自纠:粉尘除尘风管直通厂房内部处应设置隔爆阀。