齿轮加工工艺卡汇总
- 格式:doc
- 大小:359.00 KB
- 文档页数:14
标记处数更改文件号签字日期标记处数更改文件号签字日期机械加工工序卡片产品型号零件图号A2产品名称减速器零件名称齿轮轴共7 页第 1 页车间工序号工序名称材料牌号1 车45#毛坯种类毛坯外形尺寸每毛坯可制件数每台件数棒料150×Φ42 1 1设备名称设备型号设备编号同时加工件数车床CA6140 1夹具编号夹具名称切削液三爪卡盘乳化液工位器具编号工位器具名称工序工时(分) 准终单件工步号工步容工艺装备主轴转速切削速度进给量切削深度进给次数工步工时r/min m/min mm/r mm 机动辅助用三爪夹盘夹持距工件左端95mm处,车端面见平三爪夹盘,45度偏刀700 50 1 0.5 1打中心孔,用尾架顶尖顶住中心钻、顶尖车倒角45度车刀设计(日期)校对(日期)审核(日期)标准化(日期)会签(日期)标记处数更改文件号签字日期标记处数更改文件号签字日期机械加工工序卡片产品型号零件图号A2产品名称减速器零件名称齿轮轴共7 页第 2 页车间工序号工序名称材料牌号2 车外圆,退刀槽45#毛坯种类毛坯外形尺寸每毛坯可制件数每台件数棒料150×Φ42 1 1设备名称设备型号设备编号同时加工件数车床CA6140 1夹具编号夹具名称切削液三爪卡盘乳化液工位器具编号工位器具名称工序工时(分) 准终单件工步号工步容工艺装备主轴转速切削速度进给量切削深度进给次数工步工时r/min m/min mm/r mm 机动辅助1 粗车外圆至Φ40×590度偏刀700 50 1 1 12 粗车外圆至Φ30×3090度偏刀700 50 1 2 13 粗车外圆至Φ20×3090度偏刀700 50 1 2 14 粗车外圆至Φ15×40 90度偏刀700 50 1 2 15 在28mm处车退刀槽2×2切断刀700 50 1 2 1设计(日期)校对(日期)审核(日期)标准化(日期)会签(日期)标记处数更改文件号签字日期标记处数更改文件号签字日期机械加工工序卡片产品型号零件图号A2产品名称减速器零件名称齿轮轴共7 页第 3 页车间工序号工序名称材料牌号3 换位,钻中心孔45#毛坯种类毛坯外形尺寸每毛坯可制件数每台件数棒料150×Φ42 1 1设备名称设备型号设备编号同时加工件数车床CA6140 1夹具编号夹具名称切削液三爪卡盘工位器具编号工位器具名称工序工时(分) 准终单件工步号工步容工艺装备主轴转速切削速度进给量切削深度进给次数工步工时r/min m/min mm/r mm 机动辅助1 将零件调转,定位夹紧三爪卡盘、顶尖2 车毛坯端面,钻中心孔三爪卡盘、中心钻、45度偏刀700设计(日期)校对(日期)审核(日期)标准化(日期)会签(日期)标记处数更改文件号签字日期标记处数更改文件号签字日期机械加工工序卡片产品型号零件图号A2产品名称减速器零件名称齿轮轴共7 页第 4 页车间工序号工序名称材料牌号4 车外圆,45#毛坯种类毛坯外形尺寸每毛坯可制件数每台件数棒料150×Φ42 1 1设备名称设备型号设备编号同时加工件数车床CA6140 1夹具编号夹具名称切削液三爪卡盘乳化液工位器具编号工位器具名称工序工时(分) 准终单件工步号工步容工艺装备主轴转速切削速度进给量切削深度进给次数工步工时r/min m/min mm/r mm 机动辅助1 粗车外圆至Φ20×3090度偏刀700 50 12 1设计(日期)校对(日期)审核(日期)标准化(日期)会签(日期)标记处数更改文件号签字日期标记处数更改文件号签字日期机械加工工序卡片产品型号零件图号A2产品名称减速器零件名称齿轮轴共7 页第 5 页车间工序号工序名称材料牌号5 铣键槽,45#毛坯种类毛坯外形尺寸每毛坯可制件数每台件数棒料150×Φ42 1 1设备名称设备型号设备编号同时加工件数铣床 1夹具编号夹具名称切削液三爪卡盘乳化液工位器具编号工位器具名称工序工时(分) 准终单件工步号工步容工艺装备主轴转速切削速度进给量切削深度进给次数工步工时r/min m/min mm/r mm 机动辅助1 铣键槽90度偏刀700 50 1 1.5 2设计(日期)校对(日期)审核(日期)标准化(日期)会签(日期)标记处数更改文件号签字日期标记处数更改文件号签字日期机械加工工序卡片产品型号零件图号A2产品名称减速器零件名称齿轮轴共7 页第 6 页车间工序号工序名称材料牌号6 磨,45#毛坯种类毛坯外形尺寸每毛坯可制件数每台件数棒料150×Φ42 1 1设备名称设备型号设备编号同时加工件数磨床 1夹具编号夹具名称切削液顶针乳化液工位器具编号工位器具名称工序工时(分) 准终单件工步号工步容工艺装备主轴转速切削速度进给量切削深度进给次数工步工时r/min m/min mm/r mm 机动辅助1 将车好的阶梯轴用顶尖顶住顶针2 粗磨Φ20轴平行砂轮700 50 1 0.2 13 精磨Φ20轴平行砂轮800 60 1 0.05 1设计(日期)校对(日期)审核(日期)标准化(日期)会签(日期)标记处数更改文件号签字日期标记处数更改文件号签字日期机械加工工序卡片产品型号零件图号A2产品名称减速器零件名称齿轮轴共7 页第7 页车间工序号工序名称材料牌号7 滚齿,45#毛坯种类毛坯外形尺寸每毛坯可制件数每台件数棒料150×Φ42 1 1设备名称设备型号设备编号同时加工件数滚齿机 1夹具编号夹具名称切削液乳化液工位器具编号工位器具名称工序工时(分) 准终单件工步号工步容工艺装备主轴转速切削速度进给量切削深度进给次数工步工时r/min m/min mm/r mm 机动辅助。
齿轮箱加工工序卡片产品型号C2150.6 零件图号030710产品名称六轴自动车床零件名称齿轮箱共9 页第 1 页车间工序号工序名称材料牌号机加车间 5 铣HT250毛坯种类毛坯重量每毛坯可制件数每件台数铸件16kg 1 1设备名称设备型号设备编号同时加工件数铣床X6132 1夹具编号夹具名称切削液专用夹具无工位器具编号工位器具名称工序公时准终单件3.89工步号工步内容工艺装备主轴转速r/min切削速度m/min进给量mm/r切削深度mm进给次数工步工时机动辅助描图 5 粗铣上表面,保证上表面距Ⅰ、Ⅱ、Ⅲ轴孔的尺寸51mm,顾及上表面到底面的尺寸171mm专用夹具、φ120端铣刀950 238.64 1.2 5 1 0.50 1.3710 精铣上表面,保证上表面到Ⅰ、Ⅱ、Ⅲ轴孔的尺寸50mm,顾及上表面到底面的尺寸170mm,表面粗糙度3.2专用夹具、φ120端铣刀1180 296.4 1.2 1 1 0.3 1.27 描校底图号装订号沈阳职业技术学院设计(日期)审核(日期)标准化(日期)会签(日期)专业班级姓名学号齿轮箱加工工序卡片产品型号C2150.6 零件图号030710产品名称六轴自动车床零件名称齿轮箱共9 页第 2 页车间工序号工序名称材料牌号机加车间 6 铣HT250毛坯种类毛坯重量每毛坯可制件数每件台数铸件16kg 1 1设备名称设备型号设备编号同时加工件数铣床X6132 1夹具编号夹具名称切削液专用夹具无工位器具编号工位器具名称工序公时准终单件7.31工步号工步内容工艺装备主轴转速r/min切削速度m/min进给量mm/r切削深度mm进给次数工步工时机动辅助描图 5 铣左端面,保证尺寸12、粗糙度为6.3 专用夹具、φ40端铣刀150 18.84 1.2 3.5 1 1.1 1.3310 铣右端面φ35,保证尺寸12、粗糙度为6.3 专用夹具、φ40端铣刀150 18.84 1.2 3.5 1 1.1 1.33 描校15 铣右端面φ25,保证尺寸2、粗糙度为6.3 专用夹具、φ40端铣刀235 20.66 1.2 3.5 1 1.2 0.41底图号装订号沈阳职业技术学院设计(日期)审核(日期)标准化(日期)会签(日期)专业班级姓名学号齿轮箱加工工序卡片产品型号C2150.6 零件图号030710产品名称六轴自动车床零件名称齿轮箱共9 页第 3 页车间工序号工序名称材料牌号机加车间7 铣HT250毛坯种类毛坯重量每毛坯可制件数每件台数铸件16kg 1 1设备名称设备型号设备编号同时加工件数铣床X6132 1夹具编号夹具名称切削液专用夹具无工位器具编号工位器具名称工序公时准终单件7.07工步号工步内容工艺装备主轴转速r/min切削速度m/min进给量mm/r切削深度mm进给次数工步工时机动辅助描图 5 铣四个工艺凸台,保证尺寸103,表面粗糙度6.3 专用夹具、φ30立铣刀235 20.66 1.2 3.5 1 4.72 1.54 描校底图号装订号沈阳职业技术学院设计(日期)审核(日期)标准化(日期)会签(日期)专业班级姓名学号齿轮箱加工工序卡片产品型号C2150.6 零件图号030710产品名称六轴自动车床零件名称齿轮箱共9 页第8 页车间工序号工序名称材料牌号机加车间12 钻HT250毛坯种类毛坯重量每毛坯可制件数每件台数铸件16kg 1 1设备名称设备型号设备编号同时加工件数钻床Z3050 1夹具编号夹具名称切削液专业夹具无工位器具编号工位器具名称工序公时准终单件4.81工步号工步内容工艺装备主轴转速r/min切削速度m/min进给量mm/r切削深度mm进给次数工步工时机动辅助描图 5 钻B面八个螺纹孔至尺寸φ6.647 专用夹具、φ6.647高速钢钻头1360 0.46 0.36 3.3235 1 0.4 0.4310 攻丝M8 专用夹具、M8机用丝锥392 0.16 0.36 0.6765 1 0.92 0.41描校15 钻两侧底部上2个螺纹底孔至尺寸φ4.917 专用夹具、φ4.917高速钢钻头1360 0.35 0.28 2.4585 1 0.82 0.4320 攻丝2-M6 专用夹具、M6机用丝锥392 0.12 0.28 0.5415 1 0.44 0.41底图号装订号沈阳职业技术学院设计(日期)审核(日期)标准化(日期)会签(日期)专业班级姓名学号。
工序一机械加工工序卡片产品型号零件图号产品名称轴齿轮零件名称轴齿轮共13页第1页车间工序号工序名称材料牌号1粗车、半精车端面45毛坯种类毛坯外形尺寸每毛坯可制件数每台件数热轧钢Φ5611设备名称设备型号设备编号同时加工件数卧式车床CA61401夹具编号夹具名称切削液三爪卡盘工位器具编号工位器具名称工序工时 (分)准终单件工步号工步内容工艺装备主轴转速切削速度进给量切削深度进给次数工步工时r/min m/min mm/r mm机动辅助1粗车端面三爪卡盘、硬质合金可转位车刀451.379.40.621 5.6s 2半精车端面三爪卡盘、硬质合金可转位车刀501.088.10.611 4.8s设计(日期)校对(日期)审核(日期)标准化(日期)会签(日期)工序二机械加工工序卡片产品型号零件图号产品名称轴齿轮零件名称轴齿轮共13页第2页车间工序号工序名称材料牌号2车外圆至Φ52.5mm45毛坯种类毛坯外形尺寸每毛坯可制件数每台件数热轧钢Φ56mm11设备名称设备型号设备编号同时加工件数卧式车床CA61401夹具编号夹具名称切削液三爪卡盘工位器具编号工位器具名称工序工时 (分)准终单件工步号工步内容工艺装备主轴转速切削速度进给量切削深度进给次数工步工时r/min m/min mm/r mm机动辅助1粗车外圆至Φ53.2mm,长度大约为65mm501.183.70.6 1.4113s2半精车外圆至Φ52.7mm 656.3108.60.60.25110.8s3精车外圆至52.5mmh8804.4132.60.50.119.7s设计(日期)校对(日期)审核(日期)工序三机械加工工序卡片产品型号零件图号产品名称轴齿轮零件名称轴齿轮共13页第3页车间工序号工序名称材料牌号1车外圆Φ46、Φ44mmh745毛坯种类毛坯外形尺寸每毛坯可制件数每台件数热轧钢Φ5611设备名称设备型号设备编号同时加工件数卧式车床CA61401夹具编号夹具名称切削液三爪卡盘工位器具编号工位器具名称工序工时 (分)准终单件工步号工步内容工艺装备主轴转速切削速度进给量切削深度进给次数工步工时r/min m/min mm/r mm机动辅助1粗车外圆至Φ46mm,长度为49mm三爪卡盘、硬质合金可转位车刀653.694.40.3 3.25115s 2粗车外圆Φ45mm三爪卡盘、硬质合金可转位车刀736.7104.10.50.51 2.8.s 3半精车外圆Φ44.2mm 三爪卡盘、硬质合金可转位车刀776107.70.50.41 2.6s 4精车外圆Φ44mmh7三爪卡盘、硬质合金可转位车刀959.8132.60.50.11 2.4s设计(日期)校对(日期)审核(日期)标准化(日期)会签(日期)工序四机械加工工序卡片产品型号零件图号产品名称轴齿轮零件名称轴齿轮共13页第4页车间工序号工序名称材料牌号4车外圆Φ4045毛坯种类毛坯外形尺寸每毛坯可制件数每台件数热轧钢Φ5611设备名称设备型号设备编号同时加工件数卧式车床CA61401夹具编号夹具名称切削液三爪卡盘工位器具编号工位器具名称工序工时 (分)准终单件工步号工步内容工艺装备主轴转速切削速度进给量切削深度进给次数工步工时r/min m/min mm/r mm机动辅助1粗车外圆Φ42mm三爪卡盘、硬质合金可转位车刀641.584.60.521 5.6s 2半精车外圆Φ40mm三爪卡盘、硬质合金可转位车刀764.3960.511 5.9s设计(日期)校对(日期)审核(日期)标准化(日期)会签(日期)工序五机械加工工序卡片产品型号零件图号产品名称轴齿轮零件名称轴齿轮共13页第5页车间工序号工序名称材料牌号1切断45毛坯种类毛坯外形尺寸每毛坯可制件数每台件数热轧钢Φ5611设备名称设备型号设备编号同时加工件数卧式车床CA61401夹具编号夹具名称切削液三爪卡盘工位器具编号工位器具名称工序工时 (分)准终单件工步号工步内容工艺装备主轴转速切削速度进给量切削深度进给次数工步工时r/min m/min mm/r mm机动辅助1切断三爪卡盘、切断刀649.11070.15116.2s设计(日期)校对(日期)审核(日期)标准化(日期)会签(日期)标记处数更改文件号签字日期标记处数更改文件号签字日期工序六机械加工工序卡片产品型号零件图号产品名称轴齿轮零件名称轴齿轮共13页第6页车间工序号工序名称材料牌号1车端面45毛坯种类毛坯外形尺寸每毛坯可制件数每台件数热轧钢Φ5611设备名称设备型号设备编号同时加工件数卧式车床CA61401夹具编号夹具名称切削液三爪卡盘工位器具编号工位器具名称工序工时 (分)准终单件工步号工步内容工艺装备主轴转速切削速度进给量切削深度进给次数工步工时r/min m/min mm/r mm机动辅助1粗车端面三爪卡盘、硬质合金可转位车刀453.174.70.631 5.8s 2半精车端面使齿轮宽为12mm三爪卡盘、硬质合金可转位车刀534.488.10.611 4.9s 3倒角1X45°三爪卡盘、硬质合金可转位车刀413.671.80.612s设计(日期)校对(日期)审核(日期)标准化(日期)会签(日期)更改文件号签字日期标记处数更改文件号签字日期工序七机械加工工序卡片产品型号零件图号产品名称轴齿轮零件名称轴齿轮共13页第7页车间工序号工序名称材料牌号1钻孔Φ28mm45毛坯种类毛坯外形尺寸每毛坯可制件数每台件数热轧钢Φ5611设备名称设备型号设备编号同时加工件数卧式车床CA61401夹具编号夹具名称切削液三爪卡盘工位器具编号工位器具名称工序工时 (分)准终单件工步号工步内容工艺装备主轴转速切削速度进给量切削深度进给次数工步工时r/min m/min mm/r mm机动辅助1钻孔Φ28mm三爪卡盘、高速钢钻头326.428.70.365137.4s设计(日期)校对(日期)审核(日期)标准化(日期)会签(日期)更改文件号签字日期标记处数更改文件号签字日期工序八机械加工工序卡片产品型号零件图号产品名称轴齿轮零件名称轴齿轮共13页第8页车间工序号工序名称材料牌号1扩、铰孔Φ32mmJ745毛坯种类毛坯外形尺寸每毛坯可制件数每台件数热轧钢Φ5611设备名称设备型号设备编号同时加工件数卧式车床CA61401夹具编号夹具名称切削液三爪卡盘工位器具编号工位器具名称工序工时 (分)准终单件工步号工步内容工艺装备主轴转速切削速度进给量切削深度进给次数工步工时r/min m/min mm/r mm机动辅助1扩孔Φ31.7mm三爪卡盘、高速钢钻头20622.20.644121.4s 2铰孔Φ32mmJ7,深度为44mm三爪卡盘、硬质合金机铰刀179.1180.644124.6s 3倒角1X45°三爪卡盘、车刀413.671.80.6112s。
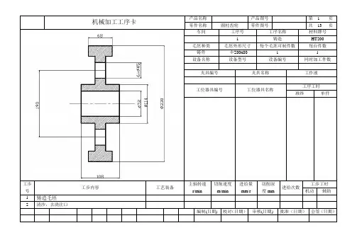
机械加工工序卡产品名称产品图号第 1 页零件名称圆柱齿轮零件图号共13 页车间工序号工序名称材料牌号1 铸造HT200毛坯种类毛坯外形尺寸每个毛坯可制件数每台件数铸件Φ280x80 1 1设备名称设备型号设备编号同时加工件数夹具编号夹具名称工作液工位器具编号工位器具名称工序工时准终单件工步号工步内容工艺装备主轴转速r/min切削速度m/min进给量mm/r切削深度mm进给次数工步工时机动辅助1 铸造毛坯2 清沙,去浇注口编制(日期) 校对(日期)审核(日期) 批准(日期)会签(日期)标记处数更改文件号签字日期标记处数更改文件号签字日期机械加工工序卡产品名称产品图号第 3 页零件名称圆柱齿轮零件图号共13页车间工序号工序名称材料牌号3 扩孔HT200毛坯种类毛坯外形尺寸每个毛坯可制件数每台件数铸件Φ280x80 1 1设备名称设备型号设备编号同时加工件数钻床ZK5215 1夹具编号夹具名称工作液工位器具编号工位器具名称工序工时准终单件工步号工步内容工艺装备主轴转速r/min切削速度m/min进给量mm/r切削深度mm进给次数工步工时机动辅助1 轮辐孔扩至Φ30mm扩孔刀89 5.6 0.6 1 12 扩中心孔至Φ58mm扩孔刀97 6.3 0.8 1 1标记处数更改文件号签字日期标记处数更改文件号签字日期机械加工工序卡产品名称产品图号第 4 页零件名称圆柱齿轮零件图号共13 页车间工序号工序名称材料牌号4 拉孔HT200毛坯种类毛坯外形尺寸每个毛坯可制件数每台件数铸件Φ2800x80 1 1设备名称设备型号设备编号同时加工件数拉床L YK6115夹具编号夹具名称工作液工位器具编号工位器具名称工序工时准终单件工步号工步内容工艺装备主轴转速r/min切削速度m/min进给量mm/r切削深度mm进给次数工步工时机动辅助1 拉中心孔至Φ60mm拉刀15 0.32 1标记处数更改文件号签字日期标记处数更改文件号签字日期机械加工工序卡产品名称产品图号第 5 页零件名称圆柱齿轮零件图号共13 页车间工序号工序名称材料牌号5 粗车HT200毛坯种类毛坯外形尺寸每个毛坯可制件数每台件数铸件Φ280x80 1 1设备名称设备型号设备编号同时加工件数车床CAK6136夹具编号夹具名称工作液工位器具编号工位器具名称工序工时准终单件工步号工步内容工艺装备主轴转速r/min切削速度m/min进给量mm/r切削深度mm进给次数工步工时机动辅助1 粗车齿端侧面至60mm90°车刀250 70 0 10 12 粗车外圆至Φ277mm90°车刀300 80 0.5 2 23 粗车轮辐版侧面至15mm,并倒R8圆角90°车刀300 80 0.5 2 24 粗车中心孔端面至100mm,并倒C2直角90°车刀300 80 0.5 2 2编制(日期) 校对(日期)审核(日期) 批准(日期)会签(日期)标记处数更改文件号签字日期标记处数更改文件号签字日期机械加工工序卡产品名称产品图号第 6 页零件名称圆柱齿轮零件图号共13页车间工序号工序名称材料牌号6 半精车HT200毛坯种类毛坯外形尺寸每个毛坯可制件数每台件数锻件Φ280x80 1 1设备名称设备型号设备编号同时加工件数车床CAK6136夹具编号夹具名称工作液工位器具编号工位器具名称工序工时准终单件号工步内容工艺装备r/min m/min mm/r 度mm 次数机动辅助1 半精车外圆至Φ276mm,并倒角YT15车刀600 150 0.3 0.2 5编制(日期) 校对(日期)审核(日期) 批准(日期)会签(日期)标记处数更改文件号签字日期标记处数更改文件号签字日期机械加工工序卡产品名称产品图号第7 页零件名称圆柱齿轮零件图号共13 页车间工序号工序名称材料牌号7 滚齿HT200毛坯种类毛坯外形尺寸每个毛坯可制件数每台件数铸件Φ280x80 1 1设备名称设备型号设备编号同时加工件数齿轮滚床 YK38夹具编号夹具名称工作液工位器具编号工位器具名称工序工时准终单件号工步内容工艺装备r/min m/min mm/r 度mm 次数机动辅助1 滚齿m=3mm,z=90,α=20°滚齿刀50 2.5 1.5 1 3编制(日期) 校对(日期)审核(日期) 批准(日期)会签(日期)标记处数更改文件号签字日期标记处数更改文件号签字日期机械加工工序卡产品名称产品图号第8 页零件名称圆柱齿轮零件图号共13 页车间工序号工序名称材料牌号8 插HT200 毛坯种类毛坯外形尺寸每个毛坯可制件数每台件数铸件Φ2800x80 1 1设备名称设备型号设备编号同时加工件数插床夹具编号夹具名称工作液工位器具编号工位器具名称工序工时准终单件号工步内容工艺装备r/min m/min mm/r 度mm 次数机动辅助1 插键槽18+0.020插刀100 10 1 1 5编制(日期) 校对(日期)审核(日期) 批准(日期)会签(日期)标记处数更改文件号签字日期标记处数更改文件号签字日期机械加工工序卡产品名称产品图号第12 页零件名称圆柱齿轮零件图号共13 页车间工序号工序名称材料牌号12 倒角HT200毛坯种类毛坯外形尺寸每个毛坯可制件数每台件数铸件Φ280x80 1 1设备名称设备型号设备编号同时加工件数珩齿机YK5714夹具编号夹具名称工作液工位器具编号工位器具名称工序工时准终单件号工步内容工艺装备r/min m/min mm/r 度mm进给次数机动辅助1 珩齿至图纸要求珩刀300 10 0.2 0.05 2编制(日期) 校对(日期)审核(日期) 批准(日期)会签(日期)标记处数更改文件号签字日期标记处数更改文件号签字日期机械加工工序卡产品名称产品图号第11 页零件名称圆柱齿轮零件图号共13 页车间工序号工序名称材料牌号11 磨孔HT200毛坯种类毛坯外形尺寸每个毛坯可制件数每台件数铸件Φ280x80 1 1设备名称设备型号设备编号同时加工件数钻床ZK5215夹具编号夹具名称工作液工位器具编号工位器具名称工序工时准终单件号工步内容工艺装备r/min m/min mm/r 度mm 次数机动辅助1 推中心孔至精度要求推刀600 0.01 1 1 1编制(日期) 校对(日期)审核(日期) 批准(日期)会签(日期)标记处数更改文件号签字日期标记处数更改文件号签字日期机械加工工序卡产品名称产品图号第10 页零件名称圆柱齿轮零件图号共11 页车间工序号工序名称材料牌号10 磨齿HT200毛坯种类毛坯外形尺寸每个毛坯可制件数每台件数铸件Φ2800x80 1 1设备名称设备型号设备编号同时加工件数剃齿机YW A4332夹具编号夹具名称工作液工位器具编号工位器具名称工序工时准终单件机械加工工序卡产品名称产品图号第13 页零件名称圆柱齿轮零件图号共13 页车间工序号工序名称材料牌号13 检验HT200毛坯种类毛坯外形尺寸每个毛坯可制件数每台件数铸件Φ280x80 1 1设备名称设备型号设备编号同时加工件数夹具编号夹具名称工作液工位器具编号工位器具名称工序工时准终单件工步号工步内容工艺装备主轴转速r/min切削速度m/min进给量mm/r切削深度mm进给次数工步工时机动辅助1 按图样检查各部分精度专用量具编制(日期) 校对(日期)审核(日期) 批准(日期)会签(日期)。
16 剃齿剃齿Φ175.814 金工YA4232剃齿机W18剃齿刀,通用夹具17 钻孔钻4个Φ15孔金工Z3050摇臂钻床W18麻花钻Φ15,三爪卡盘18 清洗倒角,去毛刺清洗槽锉刀19 油封入库(用黄油涂抹整个零件表面,用油蜡纸包装,入库)。
设计(日期)校对(日期)审核(日期)标准化(日期)会签(日期)标记处数更改文件号签字日期标记处数更改文件号签字日期佛山科技学院机械加工工序卡片产品型号零件图号产品名称减速器零件名称齿轮共13 页第 2 页车间工序号工序名称材料牌号金工车间Ⅴ钻孔45钢毛坯种类毛胚热处理毛坯外形尺寸每毛坯可制件数锻件 1设备名称设备型号设备编号同时加工件数普通车床CA6140车床车床 1切削液量具名称同时加工件数1夹具名称工序工时(分) 准终单件三爪卡盘工步号工步内容工艺装备主轴转速切削速度进给量背吃刀量进给次数工步工时r/min m/min mm/r mm 机动辅助1 钻孔∅25mm Z3050摇臂钻床191 15.7 0.45 12.5 1标记处数更改文件号签字日期标记处数更改文件号签字日期佛山科技学院机械加工工序卡片产品型号零件图号图一产品名称减速器零件名称齿轮共13 页第 3 页车间工序号工序名称材料牌号金工Ⅵ粗车金工车间45钢毛坯种类毛胚热处理毛坯外形尺寸每毛坯可制件数锻件图二 1设备名称设备型号设备编号同时加工件数普通车床CA6140 1切削液量具名称同时加工件数1夹具名称工序工时(分) 准终单件三爪卡盘工步号工步内容工艺装备主轴转速切削速度进给量背吃刀量进给次数工步工时r/min m/min mm/r mm 机动辅助1 粗车端面CA6140车床204 123.24 1.0 2.0 22 粗车外圆CA6140车床220 129.11 1.0 1.4 1设计(日期)校对(日期)审核(日期)标准化(日期)会签(日期)标记处数更改文件号签字日期标记处数更改文件号签字日期佛山科技学院机械加工工序卡片产品型号零件图号图一产品名称减速器零件名称齿轮共13 页第 4 页车间工序号工序名称材料牌号金工车间Ⅶ45钢毛坯种类毛胚热处理毛坯外形尺寸每毛坯可制件数锻件图二 1设备名称设备型号设备编号同时加工件数普通车床 1切削液量具名称同时加工件数1夹具名称工序工时(分) 准终单件三爪卡盘工步号工步内容工艺装备主轴转速切削速度进给量背吃刀量进给次数工步工时r/min m/min mm/r mm 机动辅助1 粗车另一端面CA6140车床210 123.24 1.0 2.0 2设计(日期)校对(日期)审核(日期)标准化(日期)会签(日期)标记处数更改文件号签字日期标记处数更改文件号签字日期车间工序号工序名称材料牌号Ⅷ扩孔金工车间45钢毛坯种类毛胚热处理毛坯外形尺寸每毛坯可制件数锻件 1设备名称设备型号设备编号同时加工件数普通车床 1 切削液量具名称同时加工件数1夹具名称工序工时(分) 准终单件三爪卡盘工步号工步内容工艺装备主轴转速切削速度进给量背吃刀量进给次数工步工时r/min m/min mm/r mm 机动辅助1 扩孔∅44mm CA6140车床50 6.91 1.2 9.52 扩孔∅47mm CA6140车床50 7.22 1.2 1设计(日期)校对(日期)审核(日期)标准化(日期)会签(日期)标记处数更改文件号签字日期标记处数更改文件号签字日期车间工序号工序名称材料牌号金工车间Ⅸ精车45钢毛坯种类毛胚热处理毛坯外形尺寸每毛坯可制件数锻件图二 1设备名称设备型号设备编号同时加工件数普通车床 1 切削液量具名称同时加工件数1夹具名称工序工时(分) 准终单件三爪卡盘工步号工步内容工艺装备主轴转速切削速度进给量背吃刀量进给次数工步工时r/min m/min mm/r mm 机动辅助1 半精车端面CA6140车床275 127.90 0.3 1.3 12 半精车外圆CA6140车床250 144.53 0.30 0.575 13 倒角CA6140车床250 142.72 0.20 0.75 2设计(日期)校对(日期)审核(日期)标准化(日期)会签(日期)标记处数更改文件号签字日期标记处数更改文件号签字日期车间工序号工序名称材料牌号金工车间Ⅹ精车45钢毛坯种类毛胚热处理毛坯外形尺寸每毛坯可制件数锻件图二 1设备名称设备型号设备编号同时加工件数普通车床 1 切削液量具名称同时加工件数1夹具名称工序工时(分) 准终单件三爪卡盘工步号工步内容工艺装备主轴转速切削速度进给量背吃刀量进给次数工步工时r/min m/min mm/r mm 机动辅助1 半精车另一端面CA6140车床275 127.90 0.3 1.3 12 倒角CA6140车床250 142.72 0.20 0.75 2设计(日期)校对(日期)审核(日期)标准化(日期)会签(日期)标记处数更改文件号签字日期标记处数更改文件号签字日期Ⅺ金工车间45钢毛坯种类毛胚热处理毛坯外形尺寸每毛坯可制件数锻件 1设备名称设备型号设备编号同时加工件数普通车床 1 切削液量具名称同时加工件数1夹具名称工序工时(分) 准终单件三爪卡盘工步号工步内容工艺装备主轴转速切削速度进给量背吃刀量进给次数工步工时r/min m/min mm/r mm 机动辅助1 精车一端面CA6140车床250 142.72 0.20 0.5 22 倒角CA6140车床250 142.72 0.20 0.75 2设计(日期)校对(日期)审核(日期)标准化(日期)会签(日期)标记处数更改文件号签字日期标记处数更改文件号签字日期Ⅻ金工车间45钢毛坯种类毛胚热处理毛坯外形尺寸每毛坯可制件数锻件 1设备名称设备型号设备编号同时加工件数普通车床 1 切削液量具名称同时加工件数1夹具名称工序工时(分) 准终单件三爪卡盘工步号工步内容工艺装备主轴转速切削速度进给量背吃刀量进给次数工步工时r/min m/min mm/r mm 机动辅助1 精车另一端面CA6140车床250 142.72 0.20 0.5 22 倒角CA6140车床250 142.72 0.20 0.75 2设计(日期)校对(日期)审核(日期)标准化(日期)会签(日期)标记处数更改文件号签字日期标记处数更改文件号签字日期佛山科技学院机械加工工序卡片产品型号零件图号图一产品名称减速器零件名称齿轮共13 页第10 页车间工序号工序名称材料牌号ⅩⅢ金工车间45钢毛坯种类毛胚热处理毛坯外形尺寸每毛坯可制件数锻件 1设备名称设备型号设备编号同时加工件数普通车床 1切削液量具名称同时加工件数1夹具名称工序工时(分) 准终单件三爪卡盘工步号工步内容工艺装备主轴转速切削速度进给量背吃刀量进给次数工步工时r/min m/min mm/r mm 机动辅助1 粗铰CA6140车床100 14.76 1.72 0.3 12 精铰CA6140车床100 14.82 1.46 0.1 1设计(日期)校对(日期)审核(日期)标准化(日期)会签(日期)标记处数更改文件号签字日期标记处数更改文件号签字日期佛山科技学院机械加工工序卡片产品型号零件图号图一产品名称减速器零件名称齿轮共13 页第11 页车间工序号工序名称材料牌号ⅩⅣ金工车间45钢毛坯种类毛胚热处理毛坯外形尺寸每毛坯可制件数锻件 1设备名称设备型号设备编号同时加工件数普通车床 1切削液量具名称同时加工件数1夹具名称工序工时(分) 准终单件三爪卡盘工步号工步内容工艺装备主轴转速切削速度进给量背吃刀量进给次数工步工时r/min m/min mm/r mm 机动辅助1 插键槽插床B50200.14 0.23 1 5设计(日期)校对(日期)审核(日期)标准化(日期)会签(日期)标记处数更改文件号签字日期标记处数更改文件号签字日期佛山科技学院机械加工工序卡片产品型号零件图号图一产品名称减速器零件名称齿轮共13 页第12 页车间工序号工序名称材料牌号ⅩⅤ金工车间45钢毛坯种类毛胚热处理毛坯外形尺寸每毛坯可制件数锻件 1设备名称设备型号设备编号同时加工件数普通车床 1切削液量具名称同时加工件数1夹具名称工序工时(分) 准终单件三爪卡盘工步号工步内容工艺装备主轴转速切削速度进给量背吃刀量进给次数工步工时r/min m/min mm/r mm 机动辅助1 滚齿Y3150E滚齿机110 24.34 1.6 1 1设计(日期)校对(日期)审核(日期)标准化(日期)会签(日期)标记处数更改文件号签字日期标记处数更改文件号签字日期佛山科技学院机械加工工序卡片产品型号零件图号图一产品名称减速器零件名称齿轮共13 页第13 页车间工序号工序名称材料牌号ⅩⅥ金工车间45钢毛坯种类毛胚热处理毛坯外形尺寸每毛坯可制件数锻件 1设备名称设备型号设备编号同时加工件数普通车床 1切削液量具名称同时加工件数1夹具名称工序工时(分) 准终单件三爪卡盘工步号工步内容工艺装备主轴转速切削速度进给量背吃刀量进给次数工步工时r/min m/min mm/r mm 机动辅助1 剃齿YA4232剃齿机1100 17.99 0.06 0 1设计(日期)校对(日期)审核(日期)标准化(日期)会签(日期)标记处数更改文件号签字日期标记处数更改文件号签字日期。
机械加工工序卡产品名称产品图号第 1 页零件名称圆柱齿轮零件图号共13 页车间工序号工序名称材料牌号1 铸造HT200毛坯种类毛坯外形尺寸每个毛坯可制件数每台件数铸件Φ280x80 1 1设备名称设备型号设备编号同时加工件数夹具编号夹具名称工作液工位器具编号工位器具名称工序工时准终单件工步号工步内容工艺装备主轴转速r/min切削速度m/min进给量mm/r切削深度mm进给次数工步工时机动辅助1 铸造毛坯2 清沙,去浇注口编制(日期) 校对(日期)审核(日期) 批准(日期)会签(日期)标记处数 更改文件号 签字 日期 标记 处数 更改文件号 签字 日期机械加工工序卡产品名称 产品图号 第 3 页 零件名称圆柱齿轮零件图号共 13 页车间 工序号 工序名称 材料牌号 3 扩孔 HT200 毛坯种类 毛坯外形尺寸 每个毛坯可制件数每台件数铸件 Φ280x80 1 1 设备名称 设备型号设备编号同时加工件数钻床 ZK52151 夹具编号夹具名称工作液工位器具编号工位器具名称工序工时 准终单件工步号 工步内容 工艺装备主轴转速 r/min 切削速度 m/min 进给量 mm/r 切削深度mm 进给次数 工步工时 机动 辅助 1 轮辐孔扩至Φ30mm 扩孔刀 89 5.6 0.6 1 1 2扩中心孔至Φ58mm 扩孔刀976.30.811标记 处数 更改文件号 签字 日期标记处数 更改文件号 签字日期机械加工工序卡产品名称 产品图号 第 4 页 零件名称圆柱齿轮零件图号共 13 页车间 工序号 工序名称 材料牌号 4拉孔HT200 毛坯种类 毛坯外形尺寸每个毛坯可制件数每台件数铸件 Φ2800x80 1 1 设备名称 设备型号 设备编号同时加工件数拉床 L YK6115夹具编号夹具名称工作液 工位器具编号工位器具名称工序工时 准终单件工步号工步内容 工艺装备主轴转速 r/min 切削速度 m/min 进给量 mm/r 切削深度mm 进给次数工步工时 机动辅助1拉中心孔至Φ60mm 拉刀 15 0.3 2 1标记 处数 更改文件号 签字 日期标记处数 更改文件号 签字日期机械加工工序卡产品名称 产品图号 第 5 页 零件名称圆柱齿轮零件图号共 13 页车间 工序号 工序名称 材料牌号 5粗车HT200 毛坯种类 毛坯外形尺寸每个毛坯可制件数每台件数铸件 Φ280x80 1 1 设备名称 设备型号设备编号同时加工件数车床 CAK6136夹具编号夹具名称工作液 工位器具编号工位器具名称工序工时 准终单件工步号 工步内容 工艺装备 主轴转速 r/min 切削速度 m/min 进给量 mm/r 切削深度mm 进给次数 工步工时 机动 辅助1 粗车齿端侧面至60mm 90°车刀 250 70 0 10 1 2粗车外圆至Φ277mm90°车刀300800.5223 粗车轮辐版侧面至15mm ,并倒R8圆角90°车刀 300 80 0.5 2 2 4 粗车中心孔端面至100mm ,并倒C2直角 90°车刀 300800.522编制(日期) 校对(日期)审核(日期)批准(日期) 会签(日期)标记 处数 更改文件号 签字 日期标记处数 更改文件号 签字日期机械加工工序卡产品名称 产品图号 第 6 页 零件名称圆柱齿轮零件图号共 13 页 车间 工序号 工序名称 材料牌号6半精车HT200 毛坯种类 毛坯外形尺寸每个毛坯可制件数每台件数锻件 Φ280x80 1 1 设备名称 设备型号 设备编号同时加工件数车床 CAK6136夹具编号夹具名称工作液 工位器具编号工位器具名称工序工时 准终单件号 工步内容 工艺装备 r/min m/min mm/r 度mm 次数 机动 辅助1半精车外圆至Φ276mm ,并倒角YT15车刀 600150 0.30.25编制(日期) 校对(日期)审核(日期)批准(日期) 会签(日期)标记 处数 更改文件号 签字 日期标记处数 更改文件号 签字 日期机械加工工序卡产品名称 产品图号 第 7 页 零件名称圆柱齿轮零件图号共 13 页车间 工序号 工序名称 材料牌号 7滚齿HT200 毛坯种类 毛坯外形尺寸每个毛坯可制件数每台件数铸件 Φ280x80 1 1 设备名称设备型号设备编号同时加工件数齿轮滚床YK38夹具编号夹具名称工作液 工位器具编号工位器具名称工序工时 准终单件号 工步内容工艺装备r/min m/min mm/r 度mm 次数 机动辅助1 滚齿m=3mm,z=90,α=20° 滚齿刀 50 2.51.5 1 3编制(日期) 校对(日期)审核(日期)批准(日期) 会签(日期)标记 处数 更改文件号 签字 日期标记处数 更改文件号 签字日期机械加工工序卡产品名称 产品图号 第 8 页 零件名称圆柱齿轮零件图号共 13 页 车间 工序号 工序名称 材料牌号8插HT200 毛坯种类 毛坯外形尺寸每个毛坯可制件数每台件数铸件 Φ2800x80 1 1 设备名称 设备型号设备编号同时加工件数插床夹具编号夹具名称工作液 工位器具编号工位器具名称工序工时 准终单件号 工步内容工艺装备r/min m/min mm/r 度mm 次数 机动辅助1 插键槽18+0.020插刀1001011 5编制(日期) 校对(日期)审核(日期)批准(日期) 会签(日期)标记 处数 更改文件号 签字 日期标记处数 更改文件号 签字日期机械加工工序卡产品名称 产品图号 第 12 页 零件名称圆柱齿轮零件图号共 13 页 车间 工序号 工序名称 材料牌号12倒角HT200 毛坯种类 毛坯外形尺寸每个毛坯可制件数每台件数铸件 Φ280x80 1 1 设备名称 设备型号设备编号同时加工件数珩齿机YK5714夹具编号夹具名称工作液 工位器具编号工位器具名称工序工时 准终单件号 工步内容工艺装备 r/min m/min mm/r 度mm 进给次数 机动 辅助1 珩齿至图纸要求珩刀300 100.20.05 2编制(日期) 校对(日期)审核(日期)批准(日期) 会签(日期)标记 处数 更改文件号 签字 日期 标记 处数 更改文件号 签字日期机械加工工序卡产品名称 产品图号 第 11 页 零件名称圆柱齿轮零件图号共 13 页 车间 工序号 工序名称 材料牌号11 磨孔 HT200 毛坯种类 毛坯外形尺寸 每个毛坯可制件数每台件数铸件 Φ280x80 1 1 设备名称设备型号设备编号同时加工件数钻床 ZK5215夹具编号夹具名称工作液 工位器具编号工位器具名称工序工时 准终单件号 工步内容工艺装备 r/min m/min mm/r 度mm 次数 机动 辅助 1 推中心孔至精度要求推刀6000.01111编制(日期) 校对(日期)审核(日期)批准(日期) 会签(日期)标记处数 更改文件号 签字 日期标记处数 更改文件号 签字日期机械加工工序卡产品名称 产品图号 第 10 页 零件名称圆柱齿轮零件图号共 11 页车间 工序号 工序名称 材料牌号 10 磨齿 HT200 毛坯种类 毛坯外形尺寸每个毛坯可制件数每台件数铸件 Φ2800x80 1 1 设备名称 设备型号 设备编号同时加工件数剃齿机 YW A4332夹具编号夹具名称工作液 工位器具编号工位器具名称工序工时 准终单件工步号工步内容工艺装备主轴转速r/min切削速度m/min进给量mm/r切削深度mm进给次数工步工时机动辅助1 剃齿至8级精度要求剃刀100 0.5 1 0.1 1编制(日期) 校对(日期)审核(日期) 批准(日期)会签(日期)标记处数更改文件号签字日期标记处数更改文件号签字日期机械加工工序卡产品名称产品图号第13 页零件名称圆柱齿轮零件图号共13 页车间工序号工序名称材料牌号13 检验HT200毛坯种类毛坯外形尺寸每个毛坯可制件数每台件数铸件Φ280x80 1 1设备名称设备型号设备编号同时加工件数夹具编号夹具名称工作液工位器具编号工位器具名称工序工时准终单件工步号工步内容工艺装备主轴转速r/min切削速度m/min进给量mm/r切削深度mm进给次数工步工时机动辅助1 按图样检查各部分精度专用量具编制(日期) 校对(日期)审核(日期) 批准(日期)会签(日期)标记处数更改文件号签字日期标记处数更改文件号签字日期机械加工工序卡产品名称产品图号第 2 页零件名称活塞零件图号共13 页车间工序号工序名称材料牌号2 HT200毛坯种类毛坯外形尺寸每个毛坯可制件数每台件数铸件设备名称设备型号设备编号同时加工件数夹具编号夹具名称工作液工位器具编号工位器具名称工序工时准终单件工步号工步内容工艺装备主轴转速r/min切削速度m/min进给量mm/r切削深度mm进给次数工步工时机动辅助1 时效处理编制(日期) 校对(日期)审核(日期) 批准(日期)会签(日期)标记处数更改文件号签字日期标记处数更改文件号签字日期机械加工工序卡产品名称产品图号第9 页零件名称圆柱齿轮零件图号共13页车间工序号工序名称材料牌号9 检验HT200毛坯种类毛坯外形尺寸每个毛坯可制件数每台件数铸件Φ330x108 1 1设备名称设备型号设备编号同时加工件数钳工台夹具编号夹具名称工作液工位器具编号工位器具名称工序工时准终单件工步号工步内容工艺装备主轴转速r/min切削速度m/min进给量mm/r切削深度mm进给次数工步工时机动辅助1 去毛刺专用夹具编制(日期) 校对(日期)审核(日期) 批准(日期)会签(日期)标记处数更改文件号签字日期标记处数更改文件号签字日期。