企业编码方案示例
- 格式:docx
- 大小:59.39 KB
- 文档页数:46
服装企业服饰编码方案1 范围(本次编码将外协产品的预留位变为了上市波段,本方案适用于xxx股份公司2012年产品货号编码。
并增加了五个新系列。
)2 物品编码规则概述(注:女装系列按女装系列的编码方案执行) 3 物料编码规则3.1 自制产品编码规则例:规格年份(注:灰色底纹数位为网格,网格后为视图) 3.1。
3 举例3。
1.43.1.5款式编码列表 裤子、4是量体定制、5是春夏传统裤、6是秋冬套装、7是秋冬单西、8是秋冬客户面料、9是春夏客户面料)3.2 外协产品编码规则3。
2.1外协产品编码规则列表(注:灰色底纹数位为网格,网格后为视图)3.2.2 举例秋季2012年3.3 附件及包装物编码规则3.3.2 举例规格0001号产品0001号产品 包装类时尚、经典、女装系列的前加系列号 3。
4 面料编码规则(注:灰色底纹数位为批号管理位,其后为视图。
年份编号规则是(加工面料例外):4对应2010年、5对应2011年…,MX 面料编号中,7001—7999流水号,当面料流水号重复时,面料大类可以用成品大类进行区分如:EMBC61001、EMSC61001) 3.4。
2 举例+流水号 年西服面料3。
4.3 客户编号列表(略) 3。
5 辅料编码规则3。
5。
2 举例第0001号颜色里布类辅料3。
6 3.6。
1样品编码规则列表 3.6.2 举例PEBB61001Z30048规格版号30款式季节流水号+属性2012年份正装西服上衣样品3.6。
3 款式编码列表3.7 次品编码规则有系列号的第二位跟系列号,第三、四位是产品大类,也就是在原货号前加W (注:灰色底纹数位为网格,其后为视图)例:508版号款式正装西服上衣次品508版号款式+季节+流水号正装西服上衣次品。
BOM(Bill of Material)编码方案(讨论稿)
为加强公司产品研发管理,实现物流管理电子化,降低产品成本,提高客户满意度,现提出公司BOM编码方案(讨论稿),望各相关部门提出意见。
1、BOM流程图
2、BOM表结构:
3、编码原则
3.1唯一性
所有物料编码不存在冗余或重复,物料与编码一一对应;3.2易用性
编码应容易识记,方便对应实物及相关人员使用;
3.3统一性
编码方案适用公司所有产品和部门
4、编码方案
公司BOM按照结构件和标准件分类。
4.1、结构件
结构件按照产品型号+部件编号+零件编号组成数形编码,即□□□□□□□□□…………□□□□
产品名称父节点末节点
例如:HBTS 60-01-3 -1 侧板
4.2标准件
4.2.1凡国标件单独统一编码并适用所有产品:
国标编码+名称编码+规格编码组成数形编码
□□□□□□□□□…………□□□□
国标编码名称编码规格编码
例如:GB5782-86 螺栓M16*120可以编码如下
GB01-LS-16-120
4.2.2非国标标准件可以在结构件编码之后按其父节点部件续加
编码
5、BOM的开发、维护与管理
5.1在公司没有实施产品数据管理(PDM)系统的情况下,由技术部采用Powerbuider编程和Access数据库建立公司BOM系统。
5.2 BOM的修改需经过书面程序进行,并经小组讨论后实施。
5.3日常维护、管理由开发部负责
6、保密
BOM资料涉及公司商业机密,注意保密。
编制:开发部
二〇〇三年十二月五日
意见反馈以书面形式反馈至公司开发部杨烈飙、薛风雷处。
“企业标准编号”编写规则附件:中国铝业青海分公司企业标准编号编写规则 1企业标准编码1.1企业标准代码企业标准代码为:“Q”。
2企业单位编码2.1中国铝业股份有限公司代码中国铝业代码为:“CHALCO”。
2.2青海分公司代码青海分公司代码为:“QH”。
2.3中国铝业青海分公司二级单位代码:中国铝业青海分公司二级单位代码规定如下表:分总人财计生安装销供项信技企分公经力务划产全备售应目息术业公司理资部经运环能部部管部开文司各办源营行保源理发化领单公部部部部部部部部导位室代码 01 02 03 04 05 06 07 08 09 10 11 12 13 14 分技术第第第炭热动机炉运计中物公监督一二三素力力修修输控心资司与质电电电厂厂厂厂厂部部化配各量检解解解验送单查总厂厂厂室中位站心代码 15 16 17 18 19 20 21 22 23 24 25 26 27 3企业标准分类及代码3.1中国铝业青海分公司企业标准分类中国铝业青海分公司企业标准分为:管理标准、技术标准和工作标准三类。
3.2中国铝业青海分公司企业标准类别代码中国铝业青海分公司企业标准类别代码表:类别管理标准技术标准岗位工作标准代码 A B D 4企业标准标准编码4.1管理标准标准编码4.1.1中国铝业青海分公司管理标准分类及代码中国铝业青海分公司管理标准分类及代码表:分类技术管理生产计划管理经营管理劳动组织管理代码 01 02 03 04 注:1、技术管理包括:新产品和技术开发管理,科技档案管理,标准化管理,科技情报管理,计量管理等方面的管理标准。
2、生产、计划管理包括:生产管理,设备管理,工艺管理,质量管理,能源管理等方面的管理标准。
3、经营管理包括:经营管理,物资管理,销售管理,财务管理等方面的管理标准。
4.1.2中国铝业青海分公司管理标准编码中国铝业青海分公司管理标准编码规定为:Q / CHALCO QH A×× ××—××××发布年号顺序号A:管理标准代码,××:管理标准分类青海分公司代码中国铝业代码企业标准代码 4.1.3中国铝业青海分公司管理标准编码举例例: 2005年发布的中国铝业青海分公司经营管理类标准的标准编码:Q / CHALCO QH A03 ××— 2005发布年号顺序号A:管理标准,03:经营管理青海分公司代码中国铝业代码企业标准代码 4.2技术标准标准编码4.2.1中国铝业青海分公司技术标准分类及代码中国铝业青海分公司技术标准分类及代码表:产品基础工艺设备方法设计计量器材工装安全标准标准标准标准标准标准器具标准标准环保分测试(外与工类仪器购、外业卫标准协) 生标准代码 01 02 03 04 05 06 07 08 09 10 4.2.2中国铝业青海分公司技术标准编码中国铝业青海分公司技术标准编码规定为:Q / CHALCO QH B××.×× ××—××××发布年号顺序号××:二级单位代码B:技术标准代码,××:技术标准分类青海分公司代码中国铝业代码企业标准代码注:二级单位代码仅适用设备技术标准中按单位分类的标准,其它标准不添加此代码。
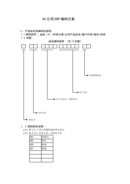
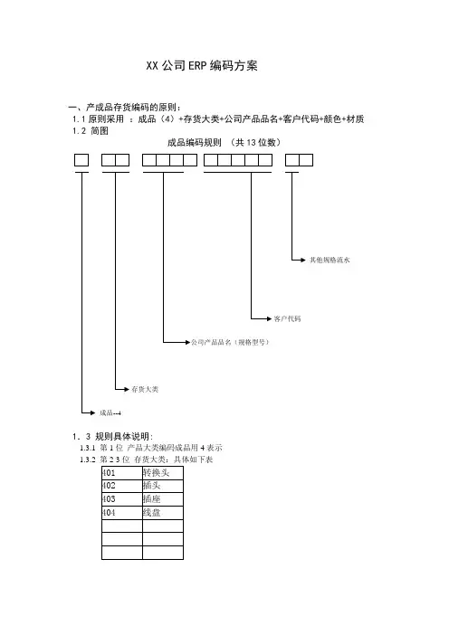
XX公司ERP编码方案一、产成品存货编码的原则:1.1原则采用:成品(4)+存货大类+公司产品品名+客户代码+颜色+材质1.2 简图成品编码规则(共13位数)其他规格流水客户代码存货大类成品--41.3 规则具体说明:1.3.1 第1位产品大类编码成品用4表示1.3.21.3.5 其他规格流水码 01-99位二、 半成品编码的原则:(1+2+4+4+1+1+2=15位)2.1 原则采用:半成品(3)+来源+小分类+规格+颜色+材质+流水 2.2 简图半成品编码的原则(共11位数)流水 材质颜色来源半成品---32.3 规则具体说明:2.3.1 第1位 半成品 用3表示 2.3.2 第2-3位 来源 具体如下表01 注塑 02 装配 03 外协 04包材2.3.5 第11位材质具体如下表三、外购配件编码的原则:(1+2+4+3)3.1原则采用:外外配件(2)+存货小分类+存货二级小分类+规格3.2 简图外购件编码规则(共10位数)存货小分类外购件--21.3 规则具体说明1.3.1 第1位外购件编码用2表示1.3.3 第4-7位存货二级小分类及规格描述具体如下表一级分类码分类名称二级分类码二级分类名称2040010 外箱0020 彩盒003 吸塑盒004 塑料袋005 纸卡006 不干胶007 说明书205 开关206 标准件001 螺丝002 弹簧207 备品备件001 劳保类002 生产辅料003 工具类004 维修配件四、塑料原料编码的原则:4.1原则采用:原料+规格流水4.2 简图原料。
企业内部条码编码规则
为了确保企业内部条码的唯一性、准确性、规范性和可追溯性,需要制定一套完整的条码编码规则。
以下是一个示例规则,供企业参考:
一、编码原则
1. 唯一性:每个条码在全公司范围内是唯一的,不会与其他物品或产品重复。
2. 规范性:编码格式、字符集、条码长度等符合相关标准,便于识别和扫描。
3. 易读性:条码符号的印刷质量良好,易于阅读和扫描。
4. 可追溯性:通过条码信息可以追溯到物品的生产、流通、使用等全过程。
二、编码结构
1. 厂商识别代码:由3-4位数字组成,用于标识生产厂商或供应商。
2. 产品分类代码:由2-3位数字组成,用于标识产品的类别或系列。
3. 流水号:由4-8位数字组成,用于标识具体的产品或物品。
4. 校验码:由1位数字或字符组成,用于保证编码的正确性和完整性。
三、编码示例
假设有一个生产厂商识别代码为“ABC”的公司,以下是其企业内部条码编码示例:
1. 产品分类代码为“01”,流水号为“001”,校验码为“9”,则条码为:“ABC010019”。
2. 产品分类代码为“02”,流水号为“002”,校验码为“8”,则条码为:“ABC020028”。
3. 产品分类代码为“03”,流水号为“003”,校验码为“7”,则条码为:“ABC030037”。
四、注意事项
1. 定期对编码规则进行审查和更新,以确保其适应公司的发展需要。
2. 对新加入的物品或产品及时分配条码,避免出现无条码的情况。
3. 确保条码的印刷质量和清晰度,避免出现模糊或残缺的情况。
开发有限公司发布2006年12月1日实施2006年11月25日发布企业标准编号、格式编写规范Q/FLT J0001-2006Q/FLT 20002-2004有限公司企业标准目次前言 II1 范围 12 规范性引用文件 13 标准的格式和编写要素 14 企业标准的编号 15 附则 3企业标准编号编制说明 41前言为进一步加强公司标准化管理,规范企业标准的编写,建立有效的企业标准体系,特制定本标准。
本标准自2006年12月01日起实施。
企业标准编号、格式编写规范11 范围本标准规定了本公司企业标准的格式、编写要求及企业标准的编号规则。
本标准适用于本公司对搜集的国家法律、法规、外来标准的编码和企业标准的编写及编号。
12 规范性引用文件下列文件中的条款通过本标准的引用而成为本标准的条款。
凡是注日期的引用文件,其随后所有的修改单(不包括勘误的内容)或修订版均不适用于本标准,然而,鼓励根据本标准达成协议的各方研究是否可使用这些文件的最新版本。
凡是不注日期的引用文件,其最新版本适用于本标准。
GB/T 1.1-2000 标准化工作导则第1部分:标准的结构和编写规范GB/T 1.2-2002 标准化工作导则第2部分:标准中规范性技术要素内容的确定方法QP-4.2.3-2003《文件控制程序》质量管理体系13 标准的格式和编写要素企业标准的格式和编写要素,按GB/T 1.1-2000 及 GB/T 1.2-2002 规定执行。
14 企业标准的编号14.1 本公司企业标准代号为Q/FLT。
14.2 技术标准编号表达形式14.2.1 技术标准编号表达方式Q/FLT JXXXX - XXXX批准年代号(四位阿拉伯数字)顺序号(二位阿拉伯数字)技术标准类别代号(见表1)技术标准代号(大写拼音字母“J”)本公司企业标准代号(大写拼音字母)表 1 技术标准类别代号技术标准类别代号技术标准类别代号技术基础标准设计技术标准产品标准采购技术标准工艺技术标准半成品技术标准设备基础设施和工艺装备技术标准检验、验收和试验方法技术标准测量、检验和试验设备技术标准000102030405060708包装、搬运、贮存、标志技术标准交付技术标准服务技术标准能源技术标准安全技术标准职业健康技术标准环境技术标准信息技术标准0910111213141516 14.3 管理标准编号表达形式Q/FLT GXXXX – XXXX批准年代号(四位阿拉伯数字)顺序号(两位阿拉伯数字)管理标准类别代号(见表2)管理标准代号(大写拼音字母“G”)本公司企业标准代号(大写拼音字母)表 2 管理标准类别代号管理标准类别代号管理标准类别代号管理基础标准经营综合管理标准设计、开发与创新管理标准采购管理标准生产管理标准质量管理标准设备与基础设施管理标准测量、检验、试验管理标准包装、搬运、贮存管理标准000102030405060708交付管理标准服务管理标准能源管理标准安全管理标准职业健康管理标准环境管理标准信息管理标准体系评价管理标准标准化管理标准091011121314151617说明:本公司销售服务过程中,不涉及任何安装行为,因此特将”安装技术标准”和”安装管理标准”删除!!!14.4 工作标准编号表达形式Q/FLT ZXXXX – XXXX批准年代号(四位阿拉伯数字)顺序号(二位阿拉伯数字)工作标准类别代号(见表3)工作标准代号(大写拼音字母“Z”)工作标准类别代号工作标准类别代号工作基础标准最高决策者工作标准决策层人员工作标准中层管理人员工作标准00010203一般管理人员工作标准特殊过程操作人员工作标准一般操作人员(岗位)工作标准040506表 3 工作标准类别代号14.5 国家法律、法规编号表达形式Q/FLT FXXX – XXXX批准年代号(四位阿拉伯数字)顺序号(三位阿拉伯数字)国家法律、法规代号(大写拼音字母“F”)14.6 本公司所采用的国家标准、行业标准、地方标准,原编号继续有效,根据标准所属类别,按本标准的要求,再赋予该标准一个体系序号。
管理措施生产制造企业物料编码原则、编码标准、编码方案及管理措施一、引言在生产制造企业中,物料编码的正确使用和管理是非常重要的。
物料编码可以帮助企业对物料进行准确的标识和管理,提高生产效率和管理水平。
本文将介绍生产制造企业物料编码的原则、标准、方案以及相关的管理措施。
二、物料编码原则物料编码的设计应遵循以下原则:1.唯一性原则:每个物料应有唯一的编码,确保不同物料之间不会混淆。
2.简洁性原则:物料编码应尽量简洁明了,不宜过长或过于复杂,便于人们理解和记忆。
3.规范化原则:物料编码应符合一定的规范和标准,便于系统管理和查询。
4.可扩展性原则:物料编码应具有一定的可扩展性,方便新物料的加入和管理。
三、物料编码标准1. 标准化编码结构物料编码应包含以下几个要素:•分类标识符:用于标识不同的物料类别,如原材料、半成品、成品等。
•产品标识符:用于标识不同的产品,通常使用数字、字母或其组合来表示。
•规格标识符:用于标识物料的规格、型号、尺寸等特征。
•单位标识符:用于标识物料的计量单位,如个、件、米、千克等。
2. 混合编码结构为了更好地满足企业的管理需求,物料编码可以采用混合编码结构,即将物料编码分为不同的层级,并在不同的层级中加入不同的标识符。
例如:•第一层级:大类标识符(如01代表原材料,02代表半成品)。
•第二层级:小类标识符(如01代表钢材,02代表塑料)。
•第三层级:产品标识符(如001代表冷轧钢板,002代表高密度聚乙烯)。
•第四层级:规格标识符(如01代表1mm厚度,02代表2mm厚度)。
3. 物料编码示例一个符合标准的物料编码示例:01-01-001-01该物料编码可解读为:原材料-钢材-冷轧钢板-1mm厚度。
四、物料编码方案1. 单级编码方案单级编码方案适用于物料种类较少、层级较简单的情况。
例如,某企业只有原材料和成品两种物料,可以使用以下单级编码方案:•原材料:001、002、003…•成品:101、102、103…2. 多级编码方案多级编码方案适用于物料种类较多、层级较复杂的情况。
目录1.定义 (2)2.目的 (2)3.适用范围 (2)4.上游和参考程序文件 (2)5.程序责任部门和主要相关部门 (2)6.职责 (2)7.程序 (2)7.1. 文件编码分为19字编码和内部编码 (3)7.2. 19字编码规则 (3)7.3. 内部编码 (6)8.记录 (7)9.附录 (7)文件编码系统1. 定义工程文件:指直接涉及工程活动内容的文件。
2. 目的规范对分公司编写的工程文件的编码系统,对文件作唯一性的标识,满足文件管理、查询、归档和检索的需要。
3. 适用范围本程序适用于公司编写的工程文件。
不适用于:不是专为工程编写的以未经修订的原版形式发布的设计文件;函件(信件、电传等);会议纪要。
4. 上游和参考程序文件PK-ENG-306《文件编码系统》PK-ENG-201《系统清单》GPEC-LAP-QAM-1001《文件管理》5. 程序责任部门和主要相关部门程序责任部门:文件中心。
主要相关部门:各部门、项目。
6. 职责文件中心负责分公司程序文件的内部编码和19字编码。
技术管理室负责EESR的19字编码。
设计室负责分公司设计图纸的内部编码及19位编码。
7. 程序文件编码分为19字编码和内部编码19字编码规则P X X X X X X X X X X X19字编码共分为7组,这七组编码的内容详情见表1。
表1:文件编码内容7.2.1. 第一组第一组为两个字母,即PK,表示该文件用于岭澳核电站二期工程。
7.2.2. 第二组第二组为一个数字或字母表示,其中3表示3号机组,4表示4号机组,8表示为3号和4号机组共用及全厂公用设施的工程文件,X表示适用于所有3号、4号机组而非某一台机组的文件。
7.2.3. 第三组是分项活动代码,由五个数字或字母组成质量保证大纲、大纲程序、管理程序在这一组编号为30+文件类别代码。
30表示常规岛设备(不针对某一特定设备的一般文件),主要文件类别代码见7.3.3(如大纲程序:QAM,QA管理程序:QAP)。
零件物号编制方法(讨论后的修改稿)1产品(整机)订货号代码(原产成品号,2开头的编码)注:设计顺序号包括同一型号不同的用户、不同的配置,如带空调、不带空调;同一型号主要部件有区别,如发动机、变速器配套厂家不同等就应有一个顺序号;举例:有一台ZL50E,发动机型号为杭发柴油机、变速器是杭齿厂的、带空调,编码为0001040001;有一台ZL50E,发动机型号为杭发柴油机、变速器是川齿厂的、不带空调,编码为0001040002;表1大类代号表2产品的划分2产品零部件(自制件或外协加工件)大类的划分(见表1);注:1.顺序号即同一部件或组件中零件的顺序号,不同的产地也要进行区分;2.直接外购的小组件如管路组件、销轴类零件等的编号(除有规定的组件代号外),种类划分用2,顺序号是从100、101、102……往下编.3。
组件代号的编码,如铲斗指示杆,010*******组件代号,组件中的零件代号为010*******、010*******……,如果零件改进就重新给顺序号;该组件改进后或新增一种品种,组件代号为010*******,组件中的零件代号为010*******、010*******……。
4.当总成没有分部件(即基本型)时,部件代号为“00",同一系列变形产品的零件如A型部件代号为01,B型部件代号为“02”,依次类推.如套丝机产品。
举例:1.ZL50E中柴油机系统(第一次设计)的编码为010*******;2。
ZL50E中车架(第一次设计)的编码为010*******;3。
ZL50E中车架中后车架(2级部件或组件的第一次设计)的编码为010*******;4.ZL50E中车架中的直属零件如ZL510031法兰(第一次设计)的编码为010*******(当为零件时,部件或组件为该零件所在部件或组件代号)5。
套丝机电机齿轮零件图号为N50—4001,成品件的编码为0602300001(00为基本型,变形产品以01、02……);毛坯件锻件为060250000108表5.1(装载机)举例:1.国标GB/T5782—2000螺栓M14×70,8。
XX公司ERP编码方案一、产成品存货编码的原则:1.1原则采用:成品(4)+存货大类+公司产品品名+客户代码+颜色+材质1.2 简图成品编码规则(共13位数)其他规格流水客户代码存货大类成品--41.3 规则具体说明:1.3.1 第1位产品大类编码成品用4表示1.3.21.3.5 其他规格流水码 01-99位二、 半成品编码的原则:(1+2+4+4+1+1+2=15位)2.1 原则采用:半成品(3)+来源+小分类+规格+颜色+材质+流水 2.2 简图半成品编码的原则(共11位数)流水 材质颜色来源半成品---32.3 规则具体说明:2.3.1 第1位 半成品 用3表示 2.3.2 第2-3位 来源 具体如下表01 注塑 02 装配 03 外协 04包材2.3.5 第11位材质具体如下表三、外购配件编码的原则:(1+2+4+3)3.1原则采用:外外配件(2)+存货小分类+存货二级小分类+规格3.2 简图外购件编码规则(共10位数)存货小分类外购件--21.3 规则具体说明1.3.1 第1位外购件编码用2表示1.3.3 第4-7位存货二级小分类及规格描述具体如下表一级分类码分类名称二级分类码二级分类名称2040010 外箱0020 彩盒003 吸塑盒004 塑料袋005 纸卡006 不干胶007 说明书205 开关206 标准件001 螺丝002 弹簧207 备品备件001 劳保类002 生产辅料003 工具类004 维修配件四、塑料原料编码的原则:4.1原则采用:原料+规格流水4.2 简图原料。
1.1 往来单位编码
1.2 企业工程结构(EPS)
1.3 流程编码规则
1.4 业务单据规则
项目信息收集
编码规则:SXSJ+4位流水号
编码举例:SXSJ0001 信息收集第一张单据
资格预审
编码规则:ZGYS+4位流水号
编码举例:ZGYS0002 资格预审第二张单据
现场踏勘
编码规则:XCTK+4位流水号
编码举例:XCTK0003 资格预审第三张单据
招标文件
编码规则:ZBWJ+4位流水号
标书编制
编码规则:BSBZ+4位流水号
标后分析
编码规则:BHFX+4位流水号
标后交底
编码规则:BHJD+4位流水号
1.5 项目编码规则(项目注册-项目信息)
编码规则:CR22+(2位公司编号,非局指项目才具有)+3位项目名称拼音缩写(如。
物料及客户、供应商编码实例某工业企业编码方案《JYS—MACS企业经营管理与控制系统》物品统一编码标准标准号:信息2001(001)颁布:2001.02.16实施:2001.03.01为规范化本所信息管理、实现科思ERP企业经营管理与控制系统、统一本所的物料信息编码,指定本标准。
本标准是本所所有物料编码的原则,具体编码由所技术科编制,并下达各部门严格执行,本所任何涉及到物料的管理、业务、单证、合同等必须统一执行物料编码。
物料编码的增加、删除、修改权属于技术科。
本标准是本所物品编码的规则,不包括物品的具体编码。
■物品编码规则:物品编码由六位数组成,每个数位由0-9十个数字中的一个数构成X1 X2 X3 X4 X5 X6─┬─ ─┬─ ──┬──│ │ └──── 顺序号│ └─────────── 物品分类└─────────────── 物品科目□物品科目为物品的基本区分,由X1代表其中: 1. 代表我所的产品,包括整机及所属部(组)件2. 代表工具类3. 代表电器(电气)设备4. 代表机械设备5. 代表微机,通讯,电子设备6. 代表印刷设备7. 代表办公设备(设施)及办公用品8. 暂控备用9. 代表我所生产所需的原材料10. 代表不属于上述物品的所有其它类□物品分类由X2,X3代表⊙X2代表物品的大类别其中1. 代表我所生产的点钞机及其系列产品(整机)2. 代表我所生产的非点钞机(整机)产品3. 代表我所生产的点钞机系列产品的部(组)件4. 代表我所生产的非点钞机产品的部(组)件⊙X3代表物品的小类别0. 代表整机部(组)件1. 代表电子元器件2. 代表黑色金属材料及其制品3. 代表有色金属材料及其制品4. 代表塑胶材料及其制品,代表象胶,木材制品,布料5. 代表辅助包装材料及其制品6. 代表紧固件,标准件等□顺序号为每个物品的顺序号码■物品编码细则□前三位规则:110000 我所生产的点钞机及其系列产品116000 紧固件,标准件120000 我所生产的非点钞机类产品□后三位规则:物品编码前三位按前述规则,后三位顺序号按下述规则000-099 TD-5CR点钞机100-199 DX-1吸尘器200-299 BW-2(X)辩伪(吸尘)点钞机⊙电器部分(前三位为181):000-199 电阻200-299 电容300-399 集成电路⊙电脑设备(前三位为500):100-199 整机200-299 外设10-19 显示器20-39 打印机,绘图仪40-49 不间断电源⊙300-399 微机部件00-09 键盘,鼠标10-29 主板■物品编码举例(其中顺序为举例所用)例1. TD-5CR 点钞机X1 X2 X3 X4 X5 X61 1 0 0 0 2例2. TD-5点钞机中的落(托)钞板组件X1 X2 X3 X4 X5 X61 3 0 0 1 3例3. TD-JCR点钞机落钞板组件中的弯托板X1 X2 X3 X4 X5 X61 52 0 2 5鞋业公司物料编码方案1.货品编码规则:编码构成:生产厂家码+ 出厂编号+ 商品颜色码+ 商品尺码编码含意:(1)生产厂家码(两位字母,详见“生产厂家码表”)例如:BJ表示“富立达鞋厂”。
地区编码企业编码(5企业(单位)名称企业(单位)负责人3503051莆田艾力艾鞋服有限公司郑金玉3503052莆田市秀屿区笏石雨晨鞋面加工厂林国城3503053福建奇嘉化工制品有限公司许望远3503054福建省莆田市欣达鞋业有限公司魏文芳3503055莆田市宏利鞋业有限公司黄国雄3503056福建锐鹰鞋塑有限公司范春德3503057福建莆田荔源机械有限公司刘世梁3503058莆田市大欣鞋业有限公司陈贤民3503059莆田洽顺塑胶制品有限公司杨淮澄35030510莆田市三三木业有限公司矛舜义35030511莆田市仁兴花岗岩有限公司林海发35030512福建众和股份有限公司许金和35030513福建佳通轮胎有限公司李怀靖35030514莆田市秀屿区笏立鞋业有限公司唐世明35030515莆田市众和华纶鞋业有限公司吴庆阳填表人联系电话填表日期审核人审核日期刘磊189595583952011.11.25陈仁来135994516862011.11.25陈丽华0594-58815222011.11.25魏萍萍189507556092011.11.25葛德利0594-57259882011.11.25林芳0594-58773992011.11.25卢金彪0594-58829602011.11.25郑元珍138609018092011.11.25杨淮澄0594-58656502011.11.25矛舜义0594-55611332011.11.25林海发0594-21971982011.11.25许金和0594-58952992011.11.25李金清13859866282011.11.25庄炳亮0594-58974702011.11.25陈瑞莺0594-58852882011.11.25。
深圳**技术有限公司编码原则1.0目的:定义深圳ss光电技术有限公司需要的相关编码方法和编码原则。
2.0范围:适用于深圳ss光电技术有限公司所有的产品型号编码,物料编码.3.0职责与权限:3.1技术研究中心:负责维护成品,半成品,物料,辅料,新增部分的编码规范及编码。
4.0内容4.1产品成品型号编码原则:编码长度为14位;由数字结合等长编码半成品中类2、3位代码分类4.1.1编码基本格式如下:1 XX XXXX XX X 00004位流水码(不同客户、尺寸、结构变化) 10 客户分类8、9 颜色4、5、6、7 产品型号2、3 中类1.大类成品的色温/显指、电源、包装、标签用特征码区分4.1.2产成品分类及代码表;5.1半成品包材编码基本格式如下:1 XX XX XXXX X X 0003位流水码(不同客户、设计方案、尺寸) 11 客户分类10 类型6、7 、8、9 产品型号4、5 成品中类2、3 中类2.大类5.1.1产成品分类及代码表:5.1.2半成品灯板组件编码基本格式如下:1 XX XX XXXX X X 0003位流水码(尺寸、品牌、封装、串并) 11 显色指数10 色温6、7 、8、9 产品型号4、5 成品中类2、3 中类3.大类5.1.3产成品分类及代码表5.1.4半成品电源编码基本格式如下:1 XX X XX X XXXX 0003位流水码(尺寸、型号、品牌) 8、9、10、11功率7 电压5、6 产品功能4 产品类型2、3 中类4.大类5.1.5产成品分类及代码表5.1.6半成品电源盒编码基本格式如下1 XX XX XX XXX 00004位流水码 (尺寸、丝印、升级) 8、9 、10 电源盒型号6、7 颜色4、5 材质2、3 中类1 大类5.1.7产成品分类及代码表5.1.8半成品配件编码基本格式如下1 XX XXXX XX 000005位流水码(不同的配件包) 6、7 、8、9 产品型号4、5 成品中类2、3 中类1 大类5.1.9产成品分类及代码表6.1 LED编码基本格式如下1 XX XX XX XX X X 0003位流水码(品牌、参数) 11 显指10 色温8、9 电压6、7 功率4、5 封装2、3 物料中类1 物料大类6.1.1 产成品分类及代码表6.2 贴片电阻编码4 XX XX XX XX 000005位流水码(品牌、阻值) 8、9 不定义6、7 误差4、5、封装2、3 品名1 大类6.2.1产成品分类及代码表:.4 XX XX XX XX 000005 位流水码(品牌、阻值) 8、9 误差6、7 材质4、5、封装2、3 品名1 大类6.4 贴片电容编码4 XX XX XX XX 000005 位流水码(品牌、容值) 8、9 材质6、7 耐压4、5、封装2、3 品名1 大类6.4.1产成品分类及代码表6.5 插件电容编码4 XX XX XX XX 000005 位流水码(品牌、尺寸、容值) 8、9 误差6、7 耐压4、5、材质2、3 品名1 物料大类6.5.1产成品分类及代码表6.6 电感编码4 XX XX XX XX 000005 位流水码(感量、型号) 8、9 不定义6、7 线径4、5、封装2、3 品名1 物料大类6.6.1产成品分类及代码表4 XX XX XX XX 000005 位流水码(型号、感量) 8、9 误差6、7 材质4、5、磁芯类型2、3 品名1 物料大类6.7.1产成品分类及代码表6.8 二三极管/MOS管/稳压管编码4 XX XX XX XX 000005 位流水码(品牌、型号) 8、9 电流6、7 耐压4、5、封装2、3 品名1 物料大类6.8.1产成品分类及代码表6.9 集成电路IC 编码4 XX XX XX XX 000005 位流水码(品牌、型号) 8、9 不定义6、7 不定义4、5、封装2、3 品名1 物料大类6.9.1 产成品分类及代码表.4 XX XX XX XX 000005 位流水码(尺寸、型号) 8、9 成品中类6、7 层数4、5、材质2、3 品名1 物料大类6.10.1 产成品分类及代码表6.11 保险丝编码4 XX XX XX XX 000005 位流水码(品牌、型号) 8、9 电压6、7 电流4、5、封装2、3 品名1 物料大类6.11.1 产成品分类及代码表7.1 结构编码基本格式如下5 X XX XX XXXX XX 002位流水码(尺寸) 11、12 颜色7、8、9、10产品型号5、6 产品中类3、4 品名2 中类1大类7.1.1产成品分类及代码表7.2 结构五金杂类编码基本格式如下5 X XX XX XX XX X 0003位流水码10、11 颜色8、9 规格 6、7 尺寸4、5 类型3 品名 2 中类 1 大类7.2.1 产成品分类及代码表5 X XX XX XX XX X 0003位流水码10、11 颜色9 不定义 7、8 BIN位5、6 材质3、4 品名 2 中类 1 大类7.3.1 产成品分类及代码表7.4 螺丝、螺母编码基本格式如下5 6 X XX X XX XX 00004位流水码9、10 颜色 7、8 牙规格6 尾型4、5 型号3 品名2 中类1 大类7.4.1 产成品分类及代码表8.1 线材编码基本格式如下6 XX X XX XX XX 00004位流水码(长度、认证) 9、10 端部类型7、8 颜色5、6 线径4、材质2、3 中类1、大类8.1.1产成品分类及代码表9.1 包材编码基本格式如下1 XX XX XX XXX 00004位流水码(尺寸)8、9、10 不定属性 6、7 成品中类4、5 材质2、3 中类5.大类9.1.1产成品分类及代码表10.1辅料编码基本格式如下1 XX XX XXXXX 00004位流水码6、7、8、9 、10 不定属性 4、5 品名2、3 中类1。
公司工厂物料及客户、供应商编码实例物料及客户、供应商编码实例某工业企业编码方案《JYS—MACS企业经营管理与控制系统》物品统一编码标准标准号:信息2001(001)颁布:2001.02.16实施:2001.03.01为规范化本所信息管理、实现科思ERP企业经营管理与控制系统、统一本所的物料信息编码,指定本标准。
本标准是本所所有物料编码的原则,具体编码由所技术科编制,并下达各部门严格执行,本所任何涉及到物料的管理、业务、单证、合同等必须统一执行物料编码。
物料编码的增加、删除、修改权属于技术科。
本标准是本所物品编码的规则,不包括物品的具体编码。
■物品编码规则:物品编码由六位数组成,每个数位由0-9十个数字中的一个数构成X1 X2 X3 X4 X5 X6─┬─ ─┬─ ──┬──│ │ └──── 顺序号│ └─────────── 物品分类└─────────────── 物品科目□物品科目为物品的基本区分,由X1代表其中: 1. 代表我所的产品,包括整机及所属部(组)件2. 代表工具类3. 代表电器(电气)设备4. 代表机械设备5. 代表微机,通讯,电子设备6. 代表印刷设备7. 代表办公设备(设施)及办公用品8. 暂控备用9. 代表我所生产所需的原材料10. 代表不属于上述物品的所有其它类□物品分类由X2,X3代表⊙X2代表物品的大类别其中1. 代表我所生产的点钞机及其系列产品(整机)2. 代表我所生产的非点钞机(整机)产品3. 代表我所生产的点钞机系列产品的部(组)件4. 代表我所生产的非点钞机产品的部(组)件⊙X3代表物品的小类别0. 代表整机部(组)件1. 代表电子元器件2. 代表黑色金属材料及其制品3. 代表有色金属材料及其制品4. 代表塑胶材料及其制品,代表象胶,木材制品,布料5. 代表辅助包装材料及其制品6. 代表紧固件,标准件等□顺序号为每个物品的顺序号码■物品编码细则□前三位规则:110000 我所生产的点钞机及其系列产品116000 紧固件,标准件120000 我所生产的非点钞机类产品□后三位规则:物品编码前三位按前述规则,后三位顺序号按下述规则000-099 TD-5CR点钞机100-199 DX-1吸尘器200-299 BW-2(X)辩伪(吸尘)点钞机⊙电器部分(前三位为181):000-199 电阻200-299 电容300-399 集成电路⊙电脑设备(前三位为500):100-199 整机200-299 外设10-19 显示器20-39 打印机,绘图仪40-49 不间断电源⊙300-399 微机部件00-09 键盘,鼠标10-29 主板■物品编码举例(其中顺序为举例所用)例1. TD-5CR 点钞机X1 X2 X3 X4 X5 X61 1 0 0 0 2例2. TD-5点钞机中的落(托)钞板组件X1 X2 X3 X4 X5 X61 3 0 0 1 3例3. TD-JCR点钞机落钞板组件中的弯托板X1 X2 X3 X4 X5 X61 52 0 2 5鞋业公司物料编码方案1.货品编码规则:编码构成:生产厂家码+ 出厂编号+ 商品颜色码+ 商品尺码编码含意:(1)生产厂家码(两位字母,详见―生产厂家码表‖)例如:BJ 表示―富立达鞋厂‖。
本标准规定了集团公司信息编码的基本原则及编制方法。
本标准适用于集团公司及所属各分公司的信息编码系统。
2 引用标准下列标准所包含的条文,通过在本标准中引用而构成为本标准的条文。
本标准出版时,所示版本均为有效。
所有标准都会被修订,使用本标准的各方应探讨使用下列标准最新版本的可能性。
GB2260—1990 中华人民共和国行政区划分代码GB2659—1986 世界各国和地区代码JB/T9164—1998 工艺装备编号方法JJG1051—1996 工作计量器具命名与分类代码3 定义1.数据事物、概念或指令的形式化的表现形式。
它适于由人或自动装置进行通信、解释或处理。
2.信息人们根据数据表现形式中所用的约定赋予数据的意义。
3.信息系统对信息进行采集、处理、存储、管理、检索和传输,并能向有关人员提供有用的信息的系统。
4.编码易于计算机和人识别与处理的符号,表示事物概念的过程。
按照选定的属性或特征划分分类对象,并将具有共同属性或特征的分类对象集合在一起的过程。
6.物料为企业生产经营服务的各类物资。
7.顺序码由阿拉伯数字或拉丁字母的先后顺序来标识编码对象的代码。
顺序码必须等长。
例如:四位顺序码应当用0001,而不是1。
8.系列顺序码根据编码对象属性(或特征)的相同或相似,将编码对象分为若干组。
再将顺序码分为相应的若干系列,并分别赋予各编码对象组。
在同一组内,对编码对象连续编码。
这样编制的代码称为系列顺序码。
系列顺序码必须等长。
4 信息编码的组成信息编码由以下内容组成。
(1)公司、组织机构和人员编码(2)工序编码(3)客户和供应商编码(4)物料编码(5)财务信息编码(6)库位编码(7)计划员编码(8)订单编码(9)凭证编码5 公司、组织机构和人员编码5.1 公司编码1.公司编码规则公司编码采用下面的三位数字码形式。
2.顺序码编码管理者依据情况自行定义。
5.2 组织机构编码1.组织机构编码规则组织机构编码采用下面六位数字码形式。
2.特征码表1是特征码编码列表。
表1 特征码编码列表3.顺序码编码管理者依据情况自行定义。
5.3 人员编码1.人员编码规则人员编码采用下面的九位数字码形式。
2.顺序码编码管理者依据情况自行定义。
6 工序编码1.工序编码编码规则工序编码采用下面的二位数字码形式。
2.系列顺序码编码管理者依据情况自行定义。
7.1客户编码1.国内客户编码规则国内客户编码采用下面的七位数字码形式。
2.国外客户编码规则国外客户编码采用下面七位数字码形式。
3.省、直辖市代码及市代码省、直辖市代码及市代码应符合GB2260的规定。
4.国家、地区代码国家和地区代码应符合GB2659的规定。
5.顺序码编码管理者依据情况自行定义。
7.2 供应商编码1.国内供应商编码规则国内供应商编码采用下面的七位数字码形式。
国外供应商编码采用下面的七位数字码形式。
3.省、直辖市代码及市代码省、直辖市代码及市代码应符合GB2260的规定。
4.国家、地区代码国家和地区代码应符合GB2659的规定。
5.顺序码编码管理者依据情况自行定义。
8 物料编码8.1 物料编码规则物料编码采用下面的十二位数字码形式。
8.2 公司编码按5节第一条规定。
8.3 大分类码依据物料是否直接作用于产品将物料分为以下两种,见表2。
·产品用物料:其定额分配于具体产品及零部件的物料。
·非产品用物料:其定额未分配于具体产品及零部件的物料。
表2 大分类码列表8.4 自制成品半成品零部件分类与编码·编码规则自制成品半成品零部件按如下规则分类与编码。
·产品系列顺序码编码管理者依据产品情况自行定义。
·顺序码编码管理者依据产品情况自行定义,0000代表产成品,0001~9999代表零部件。
8.5 国产外购成品半成品件分类与编码·编码规则国产外购成品半成品件按如下规则分类与编码。
·小类划分及编码表3是国产外购品半成品件小类划分及编码列表。
表3 国产外购品半成品件小类划分及编码·子类编码子类编码详见附件A。
·顺序码编码管理者依据情况自行定义。
8.6 进口成品半成品件分类与编码·编码规则进口成品半成品件按如下规则分类与编码。
·小类划分及编码参照表3。
·子类编码可参照附件A。
·顺序码编码管理者依据情况自行定义。
8.7 原辅材料分类与编码·编码规则·小类划分及编码原辅材料的小类划分与编码见表4。
表4 原辅材料的小类划分与编码列表·子类编码子类编码详见附件A。
·顺序码编码管理者依据情况自行定义。
8.8 工艺装备分类与编码·编码规则工艺装备按如下规则进行分类与编码。
·类编码、组编码及分组编码按JB/T9164—1998的规定。
·识别码识别码用于识别是工艺装备还是组成工艺装备的零部件。
0代表工艺装备,1~9代表组成工艺装备的零部件。
·顺序码编码管理者依据情况自行定义。
8.9 计量器具分类与编码·编码规则计量器具按如下规则进行分类与编码。
·小类划分及编码计量器具的小类划分及编码见表5。
表5 计量器具的小类划分与编码列表·子类编码子类编码详见附件A。
·顺序码编码管理者依据情况自行定义。
8.10 固定资产及附件分类与编码·编码规则固定资产按如下规则进行分类与编码。
·小类划分及编码固定资产的小类划分及编码见表6。
表6 固定资产的小类划分及编码列表·设备分类与编码编码规则设备按如下规则进行分类与编码。
子类、组划分及编码应符合国家《设备统一分类及编号目录》的规定。
顺序码编码管理者根据具体情况自定顺序码0000~9999。
·设备专用机械零部件分类与编码编码规则设备专用机械零部件按如下规则进行分类与编码。
子类、组划分及编码应符合国家《设备统一分类及编号目录》的规定。
顺序码编码管理者根据具体情况自定顺序码0000~9999。
·设备用标准件分类与编码编码规则设备用标准件按如下规则进行分类与编码。
子类划分及编码设备用标准件的子类划分及编码见表7。
表7 设备用标准件的子类划分及编码列表顺序码编码管理者根据具体情况自定顺序码0000~9999。
·设备用电器件分类与编码编码规则设备用电器件按如下规则进行分类与编码。
子类划分及编码设备用电器件的子类划分及编码见表8。
表8 设备用电器件的子类划分及编码列表顺序码编码管理者依据情况自行定义。
·房屋、建筑物分类与编码编码规则房屋、建筑物按如下规则进行分类与编码。
子类划分及编码房屋、建筑物的子类划分及编码见表9。
表9 房屋、建筑物的子类划分及编码列表顺序码编码管理者依据情况自行定义。
·土建材料分类与编码编码规则土建材料按如下规则进行分类与编码。
子类划分及编码土建材料的子类划分及编码见表10。
表10 土建材料的子类划分及编码列表顺序码编码管理者依据情况自行定义。
8.11 办公设备分类与编码编码规则办公设备按如下规则进行分类与编码。
·小类划分及编码办公设备的子类划分及编码见表11。
表11 办公设备的子类划分及编码列表·子类编码子类编码详见附件A。
·顺序码编码管理者依据情况自行定义。
8.12 后勤服务用品分类与编码·编码规则·小类划分及编码后勤服务用品的小类划分及编码见表12。
表12后勤服务用品的小类划分及编码列表·子类编码子类编码详见附件A。
·顺序码编码管理者依据情况自行定义。
8.13 工艺过程件编码工艺过程件按如下规则进行编码。
9 财务会计科目编码会计科目结构依据公司、组织机构、人员编码、产品编码以及国家标准科目组成,规则如下所示。
1.公司编码按5节的规定进行公司编码。
2.组织机构编码按5.2节的规定进行组织机构编码。
3.会计科目段前四位为国家法定编码。
4.产品编码按8.4节的规定进行产品编码。
5.参考段参考段为备用字段,暂不使用。
附件A 子类编码国产外购(进口)成品半成品件子类编码见表13。
表13 国产外购(进口)成品半成品件子类编码原辅材料子类编码见表14。
表14 原辅材料子类编码计量器具的子类分类及编码见表15。
表15 计量器具子类分类及编码办公设备的子类分类及编码见表16。
表16 办公设备子类分类及编码后勤服务用品子类分类及编码见表17。
表17 后勤服务用品子类分类及编码THANKS !!!致力为企业和个人提供合同协议,策划案计划书,学习课件等等打造全网一站式需求欢迎您的下载,资料仅供参考。