导线测量技术要求.pdf
- 格式:pdf
- 大小:1.06 MB
- 文档页数:46
3.3导线测量(Ⅰ)导线测量的主要技术要求3.3.1导线测量的主要技术要求说明如下:1随着全站仪在我国的普及应用,工程测量部门对中小规模的控制测量大部分采用导线测量的方法。
基于控制测量的技术现状和应用趋势的考虑,本规范修订时,维持《93规范》规范导线测量精度等级的划分和主要技术要求不变,将导线测量方法排列三角形网测量之前;导线测量的主要技术要求,是根据多数工程测量单位历年来实践经验、理论公式估算以及规范的科研课题试验验证,基于以下条件确定的。
1)三、四等导线的测角中误差采用同等级三角形网测量的测角中误差值;2)导线点的密度应比三角形网密一些,故三、四等导线的平均边长采用同等级三角测量平均边长的0.7倍左右(参见3.3.3条文说明);3)测距中误差是按常用电磁波测距仪器标称精度的估算值,特别是近年来电磁波测距仪器的精度都相应提高,该指标是容易满足的;4)设计导线时,中间最弱点点位中误差采用50mm;起始误差和测量误差对导线中点的影响按“等影响”处理。
2关于导线的总长限差说明:对于导线中点(最弱点)即有:最弱点点位中误差:中点的测量误差又包含纵向误差和横向误差两部分,即有:附合与高级点间的等边直伸导线,平差后中点纵横向误差可按下列公式计算:(3.6)(3.7)式中:n 为导线边数,〔S〕为导线总长。
则,所求的导线长度的理论公式为:(3.8)分别将各等级的、S及值代入式(3.8),解出[S],即得导线长度。
3关于相对闭合差限差的说明:理论和计算证明,中点和终点的横向误差比值约为1:4,纵向误差和起始数据的误差比值为1:2。
则有,导线终点的总误差的理论公式为:(3.9)取2倍导线终点的总误差作为限值。
则,求导线相对闭合差公式为:(3.10)按1~3款计算,并适当取舍整理,得出导线测量的主要技术要求如规范表3.3.1。
以上导线测量的主要技术要求,与在某测区的试验报告所提指标基本相符合。
4关于测角仪器和测距仪器的分级与命名:由于工程测量规范的编写,一直沿用我国光学经纬仪的系列划分方法,即划分为DJ05、DJ1、DJ2、DJ6等。
一级导线测量规范一级导线测量规范是针对电力工程中一级导线施工过程中的测量工作而制定的技术要求和操作规程,旨在确保施工过程中测量的准确性和可靠性,保证电力工程的顺利进行。
一、导线测量前的准备工作1. 根据工程设计文件,确定一级导线的起始和终点位置,并制定测量方案。
2. 检查测量仪器和设备的完好性和准确性,并进行校准。
3. 准备好必要的测量辅助工具和测量标志物。
4. 与相关单位和人员协调,确保施工现场的安全和畅通。
二、导线测量的基本原则1. 测量工作要严格按照相关国家标准和规范进行,确保测量结果的准确性和可靠性。
2. 测量工作要遵循“先粗后细、先远后近、先标后测、先平后坡”的原则,即先测量起始和终点位置,再测量导线的中间点;先测量远离杆塔的点,再测量靠近杆塔的点;先标志测量点,再进行测量。
3. 测量工作要进行现场勘测和临时辅助测量,以确定测量点的准确位置。
4. 测量工作要根据施工现场的实际情况,合理选择测量方法和仪器设备。
三、导线测量的具体要求1. 测量起点和终点位置时,要确保测量点的准确性和一致性,可采用多次测量取平均值的方法。
2. 测量导线中间点时,要根据设计要求和实际需要,选择合适的测量方法和仪器设备。
3. 测量点位置要准确标志,可使用测量标志物或标线进行标注。
4. 测量点要保持整洁和平整,避免影响测量结果。
5. 测量数据要及时记录和整理,确保不出现遗漏和错误。
四、导线测量的安全注意事项1. 所有参与测量工作的人员要严格遵守相关的安全操作规程,做好个人防护工作。
2. 测量仪器和设备要经过专人负责,确保其正常和安全运行。
3. 施工现场要保持清洁和整洁,避免杂物和障碍物对测量工作造成影响。
4. 测量工作中如遇危险或异常情况,要及时向有关人员报告,并采取相应的应急措施。
五、导线测量的验收和记录1. 测量工作完成后,要进行验收,由相关单位或人员对测量结果进行审核和确认。
2. 测量结果要进行记录和归档,保留相关的测量数据和文件。
导线测量规范(Ⅰ)导线测量的主要技术要求各等级导线测量的主要技术要求,应符合表3.3.1的规定。
注:1 表中n为测站数。
2 当测区测图的最大比例尺为1:1000时,一、二、三级导线的导线长度,、平均边长可适当放长,但最大长度不应大于表中规定相应长度的2倍。
3.3.2 当导线平均边长较短时,应控制导线边数不超过表3、3、1相应等级导线长度与平均边长算得的边数;当导线长度小于表3、3、1规定长度的1/3时,导线全长的绝对闭合差不应大于13㎝。
3.3.3 导线网中,结点与结点、结点与高级点之间的导线段长度不应大于表3、3、1中相应等级规定长度的0、7倍。
(Ⅲ)水平角观测3.3.7 水平角观测所使用的全站仪、电子经纬仪与光学经纬仪,应符合下列相关规定:1 照准部旋转轴正确性指标:管水准器气泡或电子水准器长气光在各位置的读数较差,1秒级仪器不应超过2格,2秒级仪器不应超过1格,6秒级仪器不应超过1、5格。
2 光学经纬仪的测微器行差及隙动差指标:1秒级仪器不应大于1秒,2秒级仪器不应大于2秒。
3 水平轴不垂直于垂直轴之差指标;1秒级仪器不应超过10秒,2秒级仪器不应超过15秒,6秒级仪器不应超过20秒。
4 补偿器的补偿要求:在仪器补偿器的补偿区间,对观测成果应能进行有效补偿。
5 垂直微动旋转使用时,视准轴在水平方向上不产生偏移。
6 仪器的基座在照准部施转时的位移指标:1秒级仪器不应超过0、3秒,2秒级仪器不应超过1秒,6秒级仪器不应超过1、5秒。
7 光学(或激光)对中器的视轴(或射线)与竖轴的重合度不应大于1㎜。
3.3.8 水平角观测宜采用方向观测法,并符合下列规定:1 方向观测法的技术要求,不应超过表3.3.8的规定。
表3.3.8水平角方向观测法的技术要求注;1 全站仪、电子经纬仪水平角观测时不受光学测微器两次重合读数之差指标的限制。
2 当观测方向的垂直角超过±30的范围时,该方向2C互差可按相邻测回同方向进行比较,其值应满足表中一测回内2C互差的限值。
测量技术要求1.前 言惠州市是一个位于广东省东南部的综合性大都市,供水工程是关系着整个城市的政治、经济繁荣发展的重要支撑点,为了改善惠州大亚湾人民的生活及生产用水问题,我公司承接了惠州市大亚湾引水工程的工程施工,通过野外实地踏堪、对该区域进行充分的调查研究,对实施可能性等方面进行综合性研究论证,为建设该项目的决策提供了科学的依据。
接到任务后我公司积极组织力量进行现场踏勘,编写技术要求等。
2.测量依据、原则1、平面采用1954年北京坐标系,高程采用珠基高程系。
2、《工程测量规范》(GB50026—93)。
3、《水利水电工程施工测量规范》(SL52-93)。
4、《1:500、1:1000、1:2000地形图图式》(GB/T7929-1995)。
5、《三、四等水准测量规范》(GB12898-91)。
6、《大比例尺地形图机助制图规范》(GB14912-94)。
7、本工程《技术要求》。
2.1 测区范围及任务本测区位于东经114°17′39″ 至114°18′10″、北纬22°27′19″ 至23°05′42″附近。
测区北临东江,南至大亚湾南海石化,西有惠澳大道,东侧为丘陵地带,总长约47km ;测区为丘陵地区、山地广布、丘谷之间地势起伏延绵,海拔高10 m 至120 m 。
整个线路通视条件较差,给测量及工程施工带来较大的困难。
1、范围:根据提供预定方案设定的位置(1:2万地形图),按照提供的有关资料,以及上述范围进行一级导线、IV 等水准、中桩放样、横断面施测。
2、遵照国家颁布的《工程测量规范》布设5”导线控制点、IV 等水准高程测量、对隧道进出口、泵站、跨越公路段进行1:500地形图测量。
3、以上成果要求提供一套数字化地形图电子文件及地形图。
4、保质保量完成施工放样工作,在工程施工中监督、协助施工队伍把好施工质量关;指导施工队确定施工附属设施、临时建筑、施工便道的布设,以免妨碍后期施工工作,在施工过程中根椐现场实际情况提供合理化建议,提高工程施工效率。
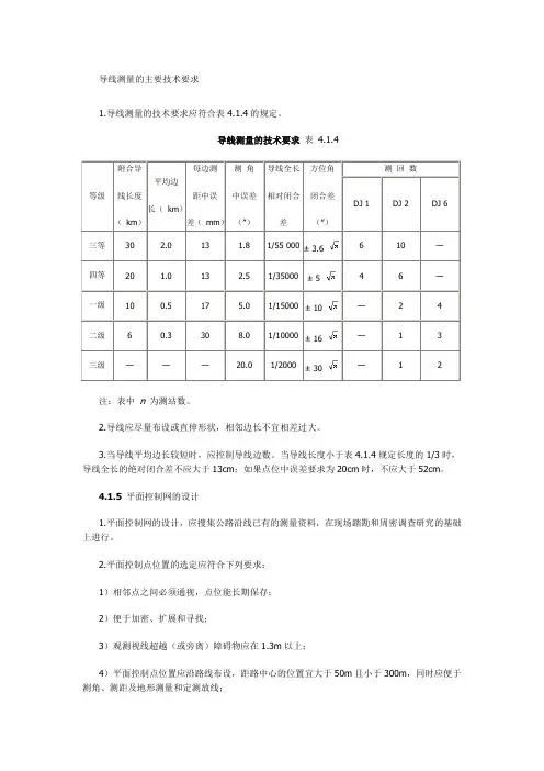
导线测量的主要技术要求1.导线测量的技术要求应符合表4.1.4的规定。
导线测量的技术要求表 4.1.45101630注:表中n 为测站数。
2.导线应尽量布设或直伸形状,相邻边长不宜相差过大。
3.当导线平均边长较短时,应控制导线边数。
当导线长度小于表4.1.4规定长度的1/3时,导线全长的绝对闭合差不应大于13cm;如果点位中误差要求为20cm时,不应大于52cm。
4.1.5 平面控制网的设计1.平面控制网的设计,应搜集公路沿线已有的测量资料,在现场踏勘和周密调查研究的基础上进行。
2.平面控制点位置的选定应符合下列要求:1)相邻点之间必须通视,点位能长期保存;2)便于加密、扩展和寻找;3)观测视线超越(或旁离)障碍物应在1.3m以上;4)平面控制点位置应沿路线布设,距路中心的位置宜大于50m且小于300m,同时应便于测角、测距及地形测量和定测放线;5)路线平面控制点的设计,应考虑沿线桥梁、隧道等构造物布设控制网的要求。
在大型构造物的两侧应分别布设一对平面控制点。
4.1.6 水平角观测1.水平角观测应采用不低于DJ 6 型的经纬仪。
使用前应进行下列检验:1)照准部旋转轴正常,各位置气泡读数较差,DJ 1 型经纬仪不得超过两格;DJ 2 型不得超过一格。
2)光学测微器行差与隙动差,DJ 1 型经纬仪不得大于1″;DJ 2 型不得大于2″。
3)垂直微动螺旋使用时,视准轴在水平方向上不得产生偏移。
4)照准部旋转时,仪器底座位移所产生的系统误差,DJ 1 型经纬仪不得超过0.3″;DJ 6 型不得超过1.0″。
5)水平轴不垂直于垂直轴之差,DJ 1 型经纬仪不得超过10″;DJ2型不得超过15″;DJ 6 型不得超过20″。
6)光学对点器的对中误差不得大于 1mm 。
2.水平角方向观测的作业要求:1)水平角观测方向数不多于3个时可不归零。
各测回应均匀地分配在度盘和测微器的不同位置上。
2)水平角方向观测应在通视良好、成像清晰稳定时进行。
导线测量的主要技术要求1.导线测量的技术要求应符合表4.1.4的规定。
导线测量的技术要求表 4.1.4注:表中n 为测站数。
2.导线应尽量布设或直伸形状,相邻边长不宜相差过大。
3.当导线平均边长较短时,应控制导线边数。
当导线长度小于表4.1.4规定长度的1/3时,导线全长的绝对闭合差不应大于13cm;如果点位中误差要求为20cm时,不应大于52cm。
4.1.5 平面控制网的设计1.平面控制网的设计,应搜集公路沿线已有的测量资料,在现场踏勘和周密调查研究的基础上进行。
2.平面控制点位置的选定应符合下列要求:1)相邻点之间必须通视,点位能长期保存;2)便于加密、扩展和寻找;3)观测视线超越(或旁离)障碍物应在1.3m以上;4)平面控制点位置应沿路线布设,距路中心的位置宜大于50m且小于300m,同时应便于测角、测距及地形测量和定测放线;5)路线平面控制点的设计,应考虑沿线桥梁、隧道等构造物布设控制网的要求。
在大型构造物的两侧应分别布设一对平面控制点。
4.1.6 水平角观测1.水平角观测应采用不低于DJ 6 型的经纬仪。
使用前应进行下列检验:1)照准部旋转轴正常,各位置气泡读数较差,DJ 1 型经纬仪不得超过两格;DJ 2 型不得超过一格。
2)光学测微器行差与隙动差,DJ 1 型经纬仪不得大于1″;DJ 2 型不得大于2″。
3)垂直微动螺旋使用时,视准轴在水平方向上不得产生偏移。
4)照准部旋转时,仪器底座位移所产生的系统误差,DJ 1 型经纬仪不得超过0.3″;DJ 6 型不得超过1.0″。
5)水平轴不垂直于垂直轴之差,DJ 1 型经纬仪不得超过10″;DJ2型不得超过15″;DJ 6 型不得超过20″。
6)光学对点器的对中误差不得大于1mm 。
2.水平角方向观测的作业要求:1)水平角观测方向数不多于3个时可不归零。
各测回应均匀地分配在度盘和测微器的不同位置上。
2)水平角方向观测应在通视良好、成像清晰稳定时进行。
导线测量的主要技术要求注:1 表中n为测站数;2 当测区测图的最大比例尺为1:1000时,一、二、三级导线的平均边长及总长可适当放长,但最大长度不应大于表中规定长度的2倍;3测角的1″、2″、6″级仪器分别包括全站仪、电子经纬仪和光学经纬仪,在本规范的后续引用中均采用此形式。
(Ⅰ)导线测量的主要技术要求3.3.1各等级导线测量的主要技术要求,应符合表3.3.1的规定。
表3.3.1导线测量的主要技术要求注:1 表中n为测站数;2 当测区测图的最大比例尺为1:1000时,一、二、三级导线的平均边长及总长可适当放长,但最大长度不应大于表中规定长度的2倍;3测角的1″、2″、6″级仪器分别包括全站仪、电子经纬仪和光学经纬仪,在本规范的后续引用中均采用此形式。
3.3.2当导线平均边长较短时,应控制导线边数,但不得超过表3.3.1相应等级导线长度和平均边长算得的边数;当导线长度小于表3.3.1规定长度的1/3时,导线全长的绝对闭合差不应大于13cm。
3.3.3导线网中,结点与结点、结点与高级点之间的导线长度不应大于表3.3.1中相应等级规定长度的0.7倍。
(Ⅱ)导线网的设计、选点与埋石3.3.4导线网的布设应符合下列要求:1导线网用作测区的首级控制时,应布设成环形网或多边形网,宜联测2个已知方向。
2加密网可采用单一附合导线或多结点导线网形式;3导线宜布设成直伸形状,相邻边长不宜相差过大;4网内不同线路上的点也不宜相距过近。
3.3.5控制点点位的选定,应符合下列要求:1点位应选在质地坚硬、稳固可靠、便于保存的地方,视野应相对开阔,便于加密、扩展和寻找;2相邻点之间应通视良好,其视线距障碍物的距离,三、四等不宜小于1.5m;四等以下宜保证便于观测,以不受旁折光的影响为原则;3当采用电磁波测距时,相邻点之间视线应避开烟囱、散热塔、散热池等发热体及强电磁场;4相邻两点之间的视线倾角不宜太大;5充分利用旧有控制点。
3.3.6导线点埋石规格及埋设要求,见附录B。
导线测量的主要技术要求导线测量是工程测量中一个重要的内容,其主要技术要求包括以下几个方面。
一、准确性要求:导线测量的主要目的是获取导线的准确位置和长度,因此测量结果必须具有高精度和高准确性。
准确性的要求主要包括两个方面,即距离准确性和角度准确性。
在导线距离测量中,应用高精度的仪器和技术手段,控制误差在可接受范围内,以确保测量结果的准确度。
在角度测量中,应用精密水平仪和全站仪等仪器,保证角度测量的准确度。
二、稳定性要求:导线测量需要在一段时间内持续进行,因此要求测量设备和仪器具有良好的稳定性。
测量设备的稳定性主要包括温度稳定性和时间稳定性。
温度稳定性要求仪器在不同温度条件下具有相对稳定的测量性能,避免温度变化对测量结果的影响。
时间稳定性要求仪器在长时间的测量过程中,其性能和测量结果具有良好的稳定性。
三、可靠性要求:导线测量往往在各种复杂的环境中进行,包括山区、水域、城市等不同的地形和地貌条件。
因此,导线测量的仪器和设备必须具有良好的可靠性和适应性。
仪器和设备应具备防水、防尘、抗震等功能,以确保在恶劣环境下测量的正常进行。
此外,仪器的操作性要求简单方便,使测量人员能够快速掌握并熟练操作。
四、经济性要求:导线测量涉及到大量的仪器和设备,以及人力和物力资源的投入。
在测量过程中,要求以最经济的方式完成测量任务。
在仪器设备选择上,要综合考虑准确性、稳定性和可靠性等因素,选择适合的测量仪器。
在测量方法选择上,要基于实际情况进行合理的规划和设计,以节约时间和成本。
五、安全要求:导线测量可能存在一定的危险性,如高空作业、水域测量等。
因此,要求测量人员具有一定的安全意识和防范意识,遵循相关的安全规范和要求。
在高空作业中,应使用安全防护设施,做好安全防护工作。
在水域测量中,必须配备救生设备,确保人员和仪器的安全。
此外,还要做好仪器的维护和保养工作,确保仪器的正常运行和使用安全。
综上所述,导线测量的主要技术要求包括准确性、稳定性、可靠性、经济性和安全性。
导线测量的主要技术要求(n)导线⽹的设计、选点与埋⽯ 3.3.43.3.51扩展和寻找;导线⽹的布设应符合下列要求:导线⽹⽤作测区的⾸级控制时,应布设成环形⽹或多边形⽹,宜联测加密⽹可采⽤单⼀附合导线或多结点导线⽹形式;导线宜布设成直伸形状,相邻边长不宜相差过⼤;⽹内不同线路上的点也不宜相距过近。
控制点点位的选定,应符合下列要求:点位应选在质地坚硬、稳固可靠、便于保存的地⽅,视野应相对开阔,2个已知⽅向。
便于加密、导线测量的主要技术要求电⼦经纬仪和光学经纬仪,在本规范的后续引⽤中均采⽤此形式。
(I )导线测量的主要技术要求3.3.1各等级导线测量的主要技术要求,表 3.3.1注:表中为测站数;2当测区测图的最⼤⽐例尺为 1 : 1000时,⼀、⼆、三级导线的平均边长及总长可适当放长,但最⼤长度不应⼤于表中规定长度的2倍;3测⾓的T 、2"、6级仪器分别包括全站仪、电⼦经纬仪和光学经纬仪,在本规范的后续引⽤中均采⽤此形式。
3.3.2当导线平均边长较短时,应控制导线边数,但不得超过表3.3.1相应等级导线长度和平均边长算得的边数;当导线长度⼩于表 3.3.1规定长度的1/3时,导线全长的绝对闭合差不应⼤于13cm 。
3.3.3导线⽹中,结点与结点、结点与⾼级点之间的导线长度不应⼤于表规定长度的0.7倍。
注:1表中n 为测站数;⼆、三级导线的平均边长及总长可适当放长,但最⼤长度不应⼤于表中规 2当测区测图的最⼤⽐例尺为 1:1000时,⼀定长度的2倍;3测⾓的T 、2"、6级仪器分别包括全站仪、应符合表 3.3.1的规定。
导线测量的主要技术要求3.3.1中相应等级2 相邻点之间应通视良好,其视线距障碍物的距离,三、四等不宜⼩于下宜保证便于观测,以不受旁折光的影响为原则;3当采⽤电磁波测距时,相邻点之间视线应避开烟囱、散热塔、散热池等发热体及强电磁场; 4相邻两点之间的视线倾⾓不宜太⼤; 5 3.3.6需要⽽定。
导线测量规范Ⅰ导线测量的主要技术要求各等级导线测量的主要Document serial number【NL89WT-NY98YT-NC8CB-NNUUT-NUT108】导线测量规范(Ⅰ)导线测量的主要技术要求注:1 表中n为测站数。
2 当测区测图的最大比例尺为1:1000时,一、二、三级导线的导线长度,、平均边长可适当放长,但最大长度不应大于表中规定相应长度的2倍。
3.3.2 当导线平均边长较短时,应控制导线边数不超过表相应等级导线长度和平均边长算得的边数;当导线长度小于表规定长度的1/3时,导线全长的绝对闭合差不应大于13㎝。
3.3.3 导线网中,结点与结点、结点与高级点之间的导线段长度不应大于表中相应等级规定长度的倍。
(Ⅲ)水平角观测3.3.7 水平角观测所使用的全站仪、电子经纬仪和光学经纬仪,应符合下列相关规定:1 照准部旋转轴正确性指标:管水准器气泡或电子水准器长气光在各位置的读数较差,1秒级仪器不应超过2格,2秒级仪器不应超过1格,6秒级仪器不应超过格。
2 光学经纬仪的测微器行差及隙动差指标:1秒级仪器不应大于1秒,2秒级仪器不应大于2秒。
3 水平轴不垂直于垂直轴之差指标;1秒级仪器不应超过10秒,2秒级仪器不应超过15秒,6秒级仪器不应超过20秒。
4 补偿器的补偿要求:在仪器补偿器的补偿区间,对观测成果应能进行有效补偿。
5 垂直微动旋转使用时,视准轴在水平方向上不产生偏移。
6 仪器的基座在照准部施转时的位移指标:1秒级仪器不应超过秒,2秒级仪器不应超过1秒,6秒级仪器不应超过秒。
7 光学(或激光)对中器的视轴(或射线)与竖轴的重合度不应大于1㎜。
3.3.8 水平角观测宜采用方向观测法,并符合下列规定:1 方向观测法的技术要求,不应超过表3.3.8的规定。
注;1 全站仪、电子经纬仪水平角观测时不受光学测微器两次重合读数之差指标的限制。
2 当观测方向的垂直角超过±30的范围时,该方向2C互差可按相邻测回同方向进行比较,其值应满足表中一测回内2C互差的限值。
测量工程师的导线测量规范要求与技术导线测量是测量工程师在测绘和土木工程中常用的技术之一。
它对于确保工程的精确性和稳定性至关重要。
本文将介绍测量工程师在导线测量中遵循的规范要求和技术。
一、导线测量概述导线测量是一种利用测量仪器和技术手段来确定地面点之间距离和方位关系的测量方法。
它通常用于测绘和土木工程中,以确定地面上各种建筑物、道路、桥梁、管线等的位置和相互关系。
二、测量工程师的职责作为测量工程师,对于导线测量有着重要的责任和职责。
首先,他们需要熟悉并遵守测量规范和标准。
其次,他们需要选择合适的测量仪器和技术手段,并确保其准确性和可靠性。
此外,测量工程师还需要分析和处理测量数据,提供准确的测量结果。
三、导线测量规范要求1. 精确性要求:导线测量需要达到一定的精确性,以确保工程的准确性。
根据不同的测量需求和工程标准,测量工程师需要确定测量的精度要求,并采取相应的措施来保证精确性。
2. 测量仪器要求:测量工程师应使用经过校准和验证的仪器设备,确保其精确性和准确性。
他们还需要了解不同仪器的使用方法和操作技巧,以及对仪器进行常规维护和校准的要求。
3. 测量技术要求:导线测量可以使用多种技术手段,如全站仪、电子经纬仪、全球定位系统(GPS)等。
测量工程师需要根据实际情况选择合适的技术,并熟悉其操作和应用要点。
4. 数据处理要求:导线测量产生的数据需要进行处理和分析,以获得准确的测量结果。
测量工程师需要熟悉测量数据的处理方法和软件,确保数据的质量和准确性。
四、导线测量技术1. 导线布设:在进行导线测量前,测量工程师需要进行导线布设,确定测量线路和测量点。
布设过程需要根据工程要求,考虑地形地貌和测量精度要求,合理选择点位和线路,并做好标记。
2. 角度测量:角度测量是导线测量中的关键环节。
测量工程师可以使用全站仪等仪器进行角度测量。
在进行测量前,需要校准仪器,并选择合适的测量方法和参考点,以确保角度测量的准确性。
JTG_F10-2019_公路路基施⼯技术规范-80页word资料1 总则1.0.1为提⾼公路路基⼯程施⼯技术⽔平,保证施⼯质量,制定本规范。
1.0.2本规范适⽤于各级公路的新建和改(扩)建路基⼯程施⼯。
1.0.3公路路基应达到设计要求的强度、稳定性和耐久性。
1.0.4 公路路基施⼯,必须遵守国家安全⽣产法律法规,制定安全技术措施,加强安全管理,严格执⾏安全操作规程,确保安全施⼯。
1.0.5公路路基施⼯,必须遵守国家职业健康安全法律法规,健全职⼯健康安全保障体系,改善职业健康安全条件。
1.0.6公路路基施⼯必须遵守国家⽣态、环境保护、⼟地管理的有关法律法规,尽量保护原有植被地貌,防⽌噪⾳和粉尘污染,对于施⼯废弃物必须妥善处理。
1.0.7公路路基施⼯,必须遵守国家⽂物保护的法律法规,遇有⽂物时,应⽴即停⽌施⼯,并保护好现场,会同有关单位妥善处理。
1.0.8公路路基施⼯前,应进⾏施⼯组织设计。
1.0.9公路路基施⼯,在满⾜质量标准的前提下,⿎励采⽤新技术、新⼯艺、新材料和新设备。
1.0.10 特殊路段路基,宜进⾏动态施⼯。
1.0.11公路路基施⼯,除应符合本规范外,还应符合国家现⾏的有关标准和规范。
2 术语、符号2.1 术语2.1.1路床 Roadbed路⾯结构层底⾯以下0.80m范围内的路基部分,在结构上分为上路床(0~0.30m)和下路床(0.30~0.80m)。
2.1.2路堤 Embankment⾼于原地⾯的填⽅路基。
路堤在结构上分为上路堤和下路堤,上路堤是指路⾯底⾯以下0.80~1.50m范围内的填⽅部分;下路堤是指上路堤以下的填⽅部分。
2.1.3 路堑 Cutting低于原地⾯的挖⽅路基。
2.1.4填⽯路堤 Rock-fill embankment⽤粒径⼤于40mm且含量超过总质量70%的⽯料填筑的路堤。
2.1.5 ⼟⽯路堤 Earth-rock embankment⽯料含量占总质量30%~70%的⼟⽯混合材料修筑的路堤称为⼟⽯路堤。
导线测量规范(I)导线测量的主要技术要求各等级导线测量的主要技术要求,应符合表3.3.1的规定。
2当测区测图的最大比例尺为1 : 1000时,一、二、三级导线的导线长度,、平均边长可适当放长,但最大长度不应大于表中规定相应长度的2倍。
332当导线平均边长较短时,应控制导线边数不超过表 3.3.1相应等级导线长度和平均边长算得的边数;当导线长度小于表 3.3.1规定长度的1/3时,导线全长的绝对闭合差不应大于13 cm o3.3.3导线网中,结点与结点、结点与高级点之间的导线段长度不应大于表331中相应等级规定长度的0.7倍。
(川)水平角观测3.3.7水平角观测所使用的全站仪、电子经纬仪和光学经纬仪,应符合下列相关规定:1照准部旋转轴正确性指标:管水准器气泡或电子水准器长气光在各位置的读数较差,1秒级仪器不应超过2格,2秒级仪器不应超过1格,6秒级仪器不应超过1.5格。
2光学经纬仪的测微器行差及隙动差指标:1秒级仪器不应大于1秒,2秒级仪器不应大于2秒。
3水平轴不垂直于垂直轴之差指标;1秒级仪器不应超过10秒,2秒级仪器不应超过15秒,6秒级仪器不应超过20秒。
4补偿器的补偿要求:在仪器补偿器的补偿区间,对观测成果应能进行有效补偿。
5垂直微动旋转使用时,视准轴在水平方向上不产生偏移。
6仪器的基座在照准部施转时的位移指标:1秒级仪器不应超过0.3秒,2秒级仪器不应超过1秒,6秒级仪器不应超过 1.5秒。
7光学(或激光)对中器的视轴(或射线)与竖轴的重合度不应大于1伽。
3.3.8水平角观测宜采用方向观测法,并符合下列规定:1方向观测法的技术要求,不应超过表 3.3.8的规定。
注;1全站仪、电子经纬仪水平角观测时不受光学测微器两次重合读数之差指标的限制。
2当观测方向的垂直角超过土3°的范围时,该方向2C互差可按相邻测回同方向进行比较,其值应满足表中一测回内2C互差的限值。
2当观测方向不多于3个时,可不归零。
导线测量选点时,对点位有哪些要求?导线测量选点时,对点位有哪些要求?导线点点位选择必须注意以下几个方面:1.为了方便测角,相邻导线点间要通视良好,视线远离障碍物,保证成像清晰。
2.采用光电测距仪测边长,导线边应离开强电磁场和发热体的干扰,测线上不应有树枝、电线等障碍物。
四等级以上的测线,应离开地面或障碍物1.3 以上。
3.导线点应埋在地面坚实、不易被破坏处,一般应埋设标石。
4.导线点要有一定的密度,以便控制整个测区。
5.导线边长要大致相等,不能悬殊过大。
导线点埋设后,要在桩上用红油漆写明点名、编号,并用红油漆在固定地物上画一箭头指向导线点并绘制“点之记”方便寻找导线点导线测量中导线点的选取有哪些要求要求1、通视良好条件(包括将要进行的碎部测量点可见);2、相邻的边长大概相等;3、点位应该在坚固位置(可人工加固),不易产生沉降、位移,且不容易遭破坏的地方。
GPS控制网对测量选点有哪些基本要求?7.2点位基本要求a)周围应便于安置接收装置和操作,视野开阔,视场内障碍物的高度角不宜超过15度;b)远离大功率无线电发射源(如电视台、电台、微波站等),其距离不小于200m;远离高压输电线和微波无线电讯号传送通道,其距离不得小于50m;c)附近不应有强烈反射卫星讯号的物体(如大型建筑物等);d)交通方便、并有利于其他测量手段扩充套件和联测;e)地面基础稳定,易于点位储存;f)AA、A、B级GPS点,应选在能长期储存的地点;g)充分利用符合要求的旧有控制点;h)选站时应尽可能使测站附近的小环境(地形、地貌、植被等)与周围的大环境保持一致,以减少气象元素的代表性误差。
在进行导线测量选择控制点时的注意事项有哪些1,选在不容易被破坏的位置。
2,和相邻的控制点能通视。
3,选在开阔的位置,尽可能保证仪器架设到点上能看到更多你要测量的地方,方便以后使用。
视野开阔能够通视至少其它两个点,点位能够长期储存,还有与其他两个点的观测角度符合标准,测量中控制点复测的方法除了导线测量之外还有哪些对5个点的一些资料进行测一下,假定一些资料没有了。