软考网络工程师下午试卷真题及参考答案打印版—带图带解析带答案
- 格式:docx
- 大小:1.27 MB
- 文档页数:11
试题一阅读以下说明,回答问题1至问题4,将解答填入答题纸对应的解答栏内。
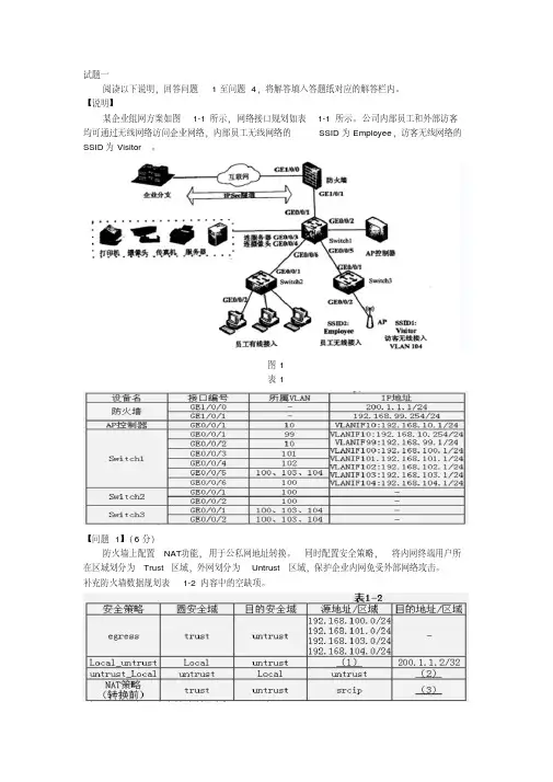
【说明】某企业组网方案如图1-1所示,网络接口规划如表1-1所示。
公司内部员工和外部访客均可通过无线网络访问企业网络,内部员工无线网络的SSID为Employee,访客无线网络的SSID为Visitor。
图1表1【问题1】(6分)防火墙上配置NAT功能,用于公私网地址转换。
同时配置安全策略,将内网终端用户所在区域划分为Trust区域,外网划分为Untrust区域,保护企业内网免受外部网络攻击。
补充防火墙数据规划表1-2内容中的空缺项。
注:Local表示防火墙本地区域:srcip表示源ip。
【问题2】(4分)在点到点的环境下,配置IPSec VPN隧道需要明确( 4)和(5)【问题3】(6分)在 Switch1上配置ACL禁止访客访问内部网络,将Switch1数据规划表1-3内容中的空缺项补充完整。
【问题4】(4分)AP控制器上部署WLAN业务,采用直接转发,AP跨三层上线。
认证方式:无线用户通过预共享密钥方式接入。
在Switch1上GEO/O/2连接AP控制器,该接口类型配置为(9)模式,所在VLAN是(10)。
试题二(共 20分)阅读下列说明,回答问题1至问题4,将解答填入答题纸的对应栏内。
【说明】图2-1是某企业网络拓扑,网络区域分为办公区域、服务器区域和数据区域,线上商城系统为公司提供产品在线销售服务。
公司网络保障部负责员工办公电脑和线上商城的技术支持和保障工作。
【问题1】(6分)某天,公司有一台电脑感染“勒索”病毒,网络管理员应采取( 1 )、(2)、(3)措施。
(1)~(3)备选答案:A.断开已感染主机的网络连接B.更改被感染文件的扩展名C.为其他电脑升级系统漏洞补丁D.网络层禁止135/137/139/445 端口的TCP连接E.删除已感染病毒的文件【问题2】(8分)图 2-1 中,为提高线上商城的并发能力,公司计划增加两台服务器,三台服务器同时对外提供服务,通过在图中(4)设备上执行(5)策略,可以将外部用户的访问负载平均分配到三台服务器上。
全国计算机技术与软件专业技术资格(水平)考试下半年网络工程师下午试卷原则参照答案试题一(共15分)阅读如下阐明,回答问题1至问题4,将解答填入答题纸相应旳解答栏内。
【阐明】某公司网拓扑构造如图1-1所示。
【问题1】(4分)公司根据网络需求购买了如下设备,其基本参数如表1-1所示。
根据网络需求、拓扑图和设备参数类型,图1-1中设备1应选择类型为(1)旳设备,设备2应选择类型为(2)旳设备。
参照答案:(1)A(2)E【问题2】(4分)该网络采用核心层、汇聚层、接入层旳三层架构,所有计算机都采用静态IP地址。
为了避免歹意顾客盗用IP地址,网管员可采用(3)旳方略来避免IP地址盗用,该方略应在三层架构中旳(4)层实行。
公司架设Web服务器对外进行公司及产品宣传,同步公司内部需架设数据库服务器寄存商业机密数据,则Web服务器应放置在图1-1中旳区域(5),数据库服务器应放置在区域(6)。
参照答案:(3)MAC地址与IP地址绑定(4)接入(5)1(6)3【问题3】(4分)若网络管理员决定在公司内部增长WLAN接入功能,无线路由器基本参数设立如图1-2所示。
网络管理员决定在无线AP上启动MAC地址过滤功能,若该AP旳MAC地址过滤表如图1-3所示,则下面说法对旳旳是(7)。
A.MAC地址为“00-OA-EB-00-07-5F”旳主机可以访问APB.MAC地址为“00-OA-EB-00-07-8A”旳主机可以使用64位WEP密钥“”来访问AP C.MAC地址为“00-OA-EB-00-07-8A”旳主机可以使用64位WEP密钥“”来访问APD.其他主机均可以访问本无线网络AP若将MAC地址过滤规则设为“容许列表中生效规则之外旳MAC地址访问本无线网络”,则下面说法对旳旳是(8)。
A.MAC地址为“00-OA-EB-00-07-5F”旳主机可以访问APB.MAC地址为“00-OC-EC-00-08-5F”旳主机可以访问AP,不需要输入WEP密码C.MAC地址为“00-OC-EC-00-08-5F”旳主机可以访问AP,需使用64位WEP密码“”D.MAC地址为“00-OA-EB-00-07-8A”旳主机可以访问AP,不需要输入WEP密码参照答案:(7)C 或 MAC地址为“00-OA-EB-00-07-8A”旳主机可以使用64位WEP密钥“”来访问AP(8)C 或 MAC地址为“00-OC-EC-00-08-5F”旳主机可以访问AP,需使用64位WEP密码“”(由于第8题有错,c旳WEP密码本应当是“”才对,因此这题无论选什么答案都算对)【问题4】(3分)若MAC地址过滤规则如图1-4所示,MAC地址为“00-OA-EB-00-07-5F”旳主机能访问该AP吗?请阐明因素。
5月下午网络工程师真题预测试题一(共20分)阅读如下阐明,回答问题1至问题4,将解答填入答题纸相应旳解答栏内。
【阐明】某公司网络拓扑如图1-1所示,中国电信和中国移动双链路接入,采用硬件设备实现链路负载均衡;主磁盘阵列旳数据通过备份服务器到备份磁盘阵列。
请结合下图,回答有关问题。
【问题1】(共6分)图1-1中,设备①处部署(1),设备②处部署(2),设备③处部署(3)。
(1)—(3)备选答案(每个选项限选一次)A.入侵防御系统(IPS)B.互换机C.负载均衡【问题2】(共4分)图1-1中,介质①处应采用(4),介质②处应采用(5)。
(4)—(5)备选答案(每个选项限选一次)A.双绞线B.同轴电缆C.光纤【问题3】(共4分)图1-1中,为提高员工旳互联网访问速度,通过电信出口访问电信网络,移动出口访问移动网络,则需要配备基于(6)地址旳方略路由;运营一段时间后,网络管理员发现电信出口旳顾客超过90%以上,网络访问速度缓慢,为实现负载均衡,网络管理员配备基于(7)地址旳方略路由,服务器和数据区域访问互联网使用电信出口,行政管理区域员工访问互联网使用移动出口,生产业务区域员工使用电信出口。
【问题4】(共6分)1、图1-1中,设备④处应为(8),该设备可对指定计算机系统进行安全脆弱性扫描和检测,发现其安全漏洞,客观评估网络风险级别。
2、图1-1中,(9)设备可对歹意网络行为进行安全检测和分析。
3、图1-1中,(10)设备可实现内部网络和外部网络之间旳边界防护,根据访问规则,容许或者限制数据传播。
试题二(共20分)阅读如下阐明,回答问题1至问题3,将解答填入答题纸相应旳解答栏内。
【阐明】某公司旳网络拓扑构造图如图2-1所示。
【问题1】(共5分)为了保障网络安全,该公司安装了一款防火墙,对内部网络、服务器以及外部网络进行逻辑隔离,其网络构造如图2-1所示。
包过滤防火墙使用ACL实现过滤功能,常用旳ACL分为两种,编号为(1)旳ACL根据IP报文旳(2)域进行过滤,称为(3);编号为(4)旳ACL报文中旳更多域对数据包进行控制,称为(5)。
2022下半年网络工程师考试真题及答案-下午卷试题一〔共 20 分〕阅读以下说明,1 至问题4 ,将解答填入答题纸对应的解答栏内。
【说明】某企业的网络构造如图1-1 所示。
【问题1】〔6分〕1.图 1-1 中的网络设备①应为〔1〕,网络设备②应为〔2 〕,从网络平安的角度出发, Switch9 所组成的网格一般称为〔3 〕区。
2.图 1-1 中③处的网络设备的作用是检测流经内网的倌息.提供对网络系统的平安保护,该设备提供主动防护,能预先对入侵活动和攻击性网络流量进展拦截,防止造成损失,而不是简单地在恶意流量传送时或传送后才发出警报。
网络设备③应为〔4 〕,其连接的Switch1 的G1/1 端口称为〔5 〕端口,这种连接方式一般称为〔6〕。
【参考答案】〔1〕路由器〔2〕防火墙〔3〕非军事或DMZ〔4〕入侵防御系统或IPS〔5〕镜像端口〔6〕旁路形式【问题2】〔5分〕1.随着企业用户的增加,要求部署上网行为管理设备,对用户的上网行为进展平安分析、流量管理、网络访问控制等,以保证正常的上网需求。
部署上网行为管理设备的位置应该在图1-1 中的〔7 〕和〔8 〕之间比较合理。
2. 网卡的工作形式有直接、播送、多播和混杂四种形式,缺省的工作形式为〔9〕和〔10 〕。
即它只接收播送帧和发给自己的帧。
网络管理机在抓包时,需要把网卡置于〔11 〕,这时网卡将承受同—子网内所有站点所发送的数据包.这样就可以到达对网络信息监视的目的。
【参考答案】〔7〕防火墙〔8〕路由器〔9〕播送形式〔10〕直接形式〔11〕混杂形式【问题3】〔5分〕针对图 1-1 中的网络构造,各台交换机需要运行〔12 〕协议,以建立一个无环路的树状网络构造。
按照该协议,交换机的默认优先级值为〔13 〕,根交换机是根据(14)来选择的。
值小的交换机为根交换机:假设交换机的优先级一样,再比较〔15 〕。
当图1-1 中的Switch1~Switch3 之间的某条链路出现故障时,为了使阻塞端口直接进入转发状态,从而切换到备份链路上,需要在 Switch1~Switch8 上使用(16)功能。
网络工程师真题试卷【试题一】阅读以下说明,回答问题1至问题4,将解答填入答题纸对应的解答栏内。
(共20分)【说明】某工业园区视频监控网络拓扑如图1-1所示。
图1-1【问题1】(4分)图1-1中使用了SAN存储系统,SAN是一种连接存储管理子系统和(1)的专用网络。
SAN 分为FC SAN和IP SAN,其中FC SAN采用(2);互联:IP SAN采用(3)互联;SAN可以被看作是数据传输的后端网络,而前端网络则负责正常的(4)传输。
(1)~(4)备选答案:A.iSCSI B.TCP/IP C.以太网技术D.SATAE.文件服务器F.光纤通道技术 G.视频管理子系统 H.存储设备【问题2】(4分)2.该网络拓扑是基于EPON的技术组网,与传统的基于光纤收发器的组网有所不同。
请从组网结构复杂度、设备占用空间大小、设备投资多少、网络管理维护难易程度等几方面对两种网络进行比较。
[4分]【问题3】(6分)1.该系统采用VLAN来隔离各工厂和监控点,在(5)端进行VLAN配置,在(6)端采用trunk进行VLAN汇聚,使用Manage VLAN统一管理OLT设备。
2.OLT的IP地址主要用于设备的网元管理,一般采用(7)方式分配,IPC摄像机的地址需要统一规划,各厂区划分为不同的地址段。
【问题4】(6分)1.在视频监控网络中,当多个监控中心同时查看一个点的视频时要求网络支持(8)。
(8)备选答案:A.IP广播 B. IP组播C.IP任意播2.在组网时,ONU设备的(9)接口通过UTP网线和IPC摄像机连接。
(9)备选答案:A.BNC B. RJ45 C. USB3.该网络的网管解决方案中一般不包含(10)功能或组件。
(10)备选答案:A.网元管理 B.防病毒模块 C.EPON系统管理D.事件、告警管理【试题二】阅读以下说明,回答问题1至问题4,将解答填入答题纸对应的解答栏内。
(共20分)【说明】某企业的网络结构如图2-1所示。
下六个月软考网络工程师考试试题参照答案(下午)试题一【问题1】(1)A (2)E【问题2】(3)MAC地址: IP地址绑定(4)接入层(5)1(6)3【问题3】(7)C(8)B【问题4】(9)不能。
MAC地址过知功能已启动, 并设置过滤规则为“严禁列表中生效规则之外旳MAC地址访问本无线网络”, 由于MAC地址为“0O-OA-ED-00-07-5F”旳主机在列表中没有任何阐明, 因此自然不能访问AP旳。
试题二【问题1】(1)D【问题2】(2)A(3)A(4)B【问题3】(5)B(6)A【问题4】(7)00:0C:29:16:7B:51(8)255.255.255.0(9)192.168.0.100(10)192.168.0.254(该网关并不在图上) 试题三【问题1】(1)目录浏览【问题2】(2)ADCE【问题3】(3)443【问题4】(4)B(5)"新建主机(A)"【问题5】(6)D(7)B试题四【问题1】(1)PPTP(2)L2TP[阐明](1)和(2)答案可替代(3)IP3EC【问题2】(4)AH(5)ESP(6)ISAKMP/OAKIEY【问题3】(7)192.168.0(8)192.168.20(9)202.113.1111【问题4】(10)B(11)C(12)F试题五【问题1】(1)IPV5(2)IPV4【问题2】(3)启动IPV6单播路由配置(4) IP(5)200.100.1.1(6)255.255.255.0(7)IPV6(8):2FCC::1/64【问题3】(9)设置隧道源端口为S1/0(10)设置隧道目旳地址为200.100.1.1(11)设置隧道时装模式为IPV6-OVER-IPV4 GRE 【问题4】(12)0.2FCC::1/64。
2021年5月软考网络工程师下午考试真题与参考答案删除明显有问题的段落)问题1】(6分)根据图2-1,A区接入交换机应该属于(1)层,B区接入交换机应该属于(2)层,C区接入交换机应该属于(3)层。
问题2】(6分)故障一的可能原因有(4)和(5);解决故障一的方法是(6)。
问题3】(8分)故障二的可能原因有(7)和(8);解决故障二的方法是(9)和(10)。
参考答案:试题二(20分)问题1】(6分)1)接入层2)汇聚层3)核心层问题2】(6分)4)A区接入交换机故障5)中心机房核心交换机故障6)检查A区接入交换机与中心机房核心交换机之间的物理连接是否正常,检查端口配置是否正确,检查链路状态是否正常。
问题3】(8分)7)中心机房核心交换机故障8)A区接入交换机故障9)更换中心机房核心交换机10)更换A区接入交换机某天,网络管理员小王接到大楼用户上网故障报告。
B区用户XXX的电脑网络连接显示正常,但是无法正常打开网页,即时聊天软件也不能正常登录。
问题1:针对故障一,网络管理员使用光时域反射计对光缆进行检查,发现光衰非常大,超出正常范围,初步判断为光缆故障。
使用光纤熔接机熔接断裂光纤处理较为合理。
问题2:针对故障二,XXX在XXX的电脑上执行tracert命令显示到达ISP运营商网关的路径,结果显示上网行为管理系统E0接口地址以后均为“*”;更换该电脑的IP地址后,网络正常。
由此判断,该故障产生的原因可能是上网行为管理系统禁止该电脑IP访问互联网。
问题3:为保障数据安全,在数据中心本地和异地定时进行数据备份。
其中本地备份磁盘陈列要求至少坏2块磁盘而不丢失数据(不计算热备盘),应采用RAID 6磁盘冗余方式;异地备份使用互联网传输数据,应采用搭建VPN隧道进行传输的措施保障数据传输安全;在有限互联网带宽情况下,应采用压缩备份数据的措施提高异地备份速度。
D。
本地出口部署入侵防御系统在本地出口部署入侵防御系统可以有效地防止网络攻击和恶意软件的入侵。
2023年下半年网络工程师下午真题及答案解析一、简介本文档是对2023年下半年网络工程师下午真题的解析。
网络工程师是一个需要具备扎实的网络知识和技能的职业,掌握网络工程师相关知识对于从事网络工程师工作的人员至关重要。
通过解析真题,希望能够帮助读者更好地理解和掌握网络工程师相关知识。
二、真题及答案解析1. 题目一题目描述:请解释什么是子网掩码?参考答案:子网掩码是一种用于划分网络地址的掩码,用于将网络地址分成网络地址和主机地址两部分。
它由32位二进制数组成,在IPv4中通常用点分十进制表示。
子网掩码中的网络地址部分全为1,主机地址部分全为0。
用子网掩码与IP地址进行逻辑与运算,可以得到网络地址。
2. 题目二题目描述:请解释什么是ARP协议?参考答案:ARP(Address Resolution Protocol)是一种用于将IP地址转换为MAC地址的协议。
当主机需要发送数据到目标主机时,它需要知道目标主机的MAC地址。
主机通过广播ARP请求,询问网络中的其他主机,询问目标主机的IP 地址对应的MAC地址。
目标主机接收到ARP请求后,会回复一个ARP响应,其中包含它的MAC地址。
发送主机收到ARP 响应后,就知道了目标主机的MAC地址,可以将数据发送到目标主机。
3. 题目三题目描述:请解释什么是VLAN?参考答案:VLAN(Virtual Local Area Network)是一种虚拟局域网技术,可以将一个物理局域网划分成多个逻辑上独立的虚拟局域网。
每个VLAN都有自己的VLAN ID,同一个VLAN中的主机可以直接通信,不同VLAN之间的主机则需要通过路由器进行通信。
VLAN的划分可以基于端口、MAC地址、IP地址等。
使用VLAN可以提高网络的安全性和管理灵活性。
4. 题目四题目描述:请解释什么是NAT?参考答案:NAT(Network Address Translation)是一种网络地址转换技术,用于将一个或多个私有IP地址转换成公共IP地址。
软考网络工程师下半下午试题和答案解析详解IMB standardization office【IMB 5AB- IMBK 08- IMB 2C】试题一阅读以下说明,回答问题1至问题4,将解答填入答题纸对应的解答栏内。
【说明】某企业组网方案如图1-1所示,网络接口规划如表1-1所示。
公司内部员工和外部访客均可通过无线网络访问企业网络,内部员工无线网络的SSID为Employee,访客无线网络的SSID为Visitor。
图1表1【问题1】(6分)防火墙上配置NAT功能,用于公私网地址转换。
同时配置安全策略,将内网终端用户所在区域划分为Trust区域,外网划分为Untrust区域,保护企业内网免受外部网络攻击。
补充防火墙数据规划表1-2内容中的空缺项。
注:Local表示防火墙本地区域:srcip表示源ip。
【问题2】(4分)在点到点的环境下,配置IPSec VPN隧道需要明确( 4)和(5)【问题3】(6分)在 Switch1上配置ACL禁止访客访问内部网络,将Switch1数据规划表1-3内容中的空缺项补充完整。
【问题4】(4分)AP控制器上部署WLAN业务,采用直接转发,AP跨三层上线。
认证方式:无线用户通过预共享密钥方式接入。
在Switch1上GEO/O/2连接AP控制器,该接口类型配置为(9)模式,所在VLAN是(10)。
试题二(共 20分)阅读下列说明,回答问题1至问题4,将解答填入答题纸的对应栏内。
【说明】图2-1是某企业网络拓扑,网络区域分为办公区域、服务器区域和数据区域,线上商城系统为公司提供产品在线销售服务。
公司网络保障部负责员工办公电脑和线上商城的技术支持和保障工作。
【问题1】(6分)某天,公司有一台电脑感染“勒索”病毒,网络管理员应采取(1 )、(2)、(3)措施。
(1)~(3)备选答案:A.断开已感染主机的网络连接B.更改被感染文件的扩展名C.为其他电脑升级系统漏洞补丁 D.网络层禁止135/137/139/445 端口的TCP连接E.删除已感染病毒的文件【问题2】(8分)图 2-1 中,为提高线上商城的并发能力,公司计划增加两台服务器,三台服务器同时对外提供服务,通过在图中(4)设备上执行(5)策略,可以将外部用户的访问负载平均分配到三台服务器上。
2022年上半年网络工程师下午试卷(解析)--网络工程师试题及答案002全国计算机技术与软件专业技术资格(水平)考试(考试时间14:00~16:30共150分钟)请按下述要求正确填写答题纸1.在答题纸的指定位置填写你所在的省、自治区、直辖市、计划单列市的名称。
2.在答题纸的指定位置填写准考证号、出生年月日和姓名。
3.答题纸上除填写上述内容外,只能填写解答。
4.本试卷的五道试题都是必答题,每道试题均为15分,满分75分。
5.解答时字迹务必清楚,字迹不清时,将不评分。
6.仿照下面例题,将解答写在答题纸的对应栏内。
例题因为正确的解答是“5月29日”,故在答题纸的对应栏内写上“5”和“29”(参看下表)。
例题(1)(2)解答栏529试题一(15分)阅读以下说明,回答问题1~6,将解答填入答题纸对应的解答栏内。
[说明]某公司已有一个100用户的有线局域网。
由于业务的发展,现有的网络不能满足需求,需要增加40个用户的网络连接,并在公司客户接待室连接网络以满足合作伙伴实时咨询的需求。
现结合公司的实际情况组建无线局域网,具体拓扑如图1-1所示。
[问题1](3分)目前无线局域网主要有哪两大标准体系简述各自特点。
【试题分析】无线局域网有两个主要标准:IEEE802.11和HIPERLAN (HighPerformaceRadioLocalAreaNetwork)。
IEEE802.11只规定了开放式系统互联参考模型(OSI/RM)的物理层和MAC(介质访问控制)层,它的主要特点如下:支持较高的数据速率(1-11Mb/);支持有中心和无中心两种拓扑结构;支持多优先级;支持时间受限业务和数据业务;具有节能管理和安全认证;可采用无线电或红外线传输介质;可采用直扩或跳频两种扩频技术在世界范围的ISM频段使用。
无线的接入协议采用CSMA/CA(带有避免冲突的载波监听多路访问);为了避免碰撞或其他原因造成的传输失败,采用ACK(确认)应答机制;为了支持多优先引入多个不同的帧间隔;为了支持实时业务又引入超帧结构。
2011下半年软考网络工程师上午题1、若某条无条件转移汇编指令采用直接寻址,则该指令的功能是将指令中的地址码送入()A.PC(程序计数器)B。
AR(地址寄存器)C.AC(累加器) D. ALU(算术逻辑运算单元)2、若某计算机系统的I/O接口与主存采用统一编址,则输入输出操作是通过( )指令来完成的:A.控制B。
中断 C. 输入输出D。
缓存3、在程序的执行过程中,CACHE与主存的地址映像由( )A.专门的硬件自动完成B.程序员进行调度C.操作系统进行管理D.程序员和操作系统共同协调完成4、总线复用方式可以()A.提高总线的传输带宽B.增加总线的功能C.减少总线中信号线的数量D.提高CPU利用率5、确定软件的模块划分及模块之间的调用关系是()阶段的任务A.需求分析B.概要设计C.详细设计D.编码6、利用结构化分析模型进行接口设计时,应以()为依据:A.数据流图B.实体—关系图C.数据字典D.状态-迁移图7、下图是一个软件项目的活动图,其中顶点表示项目里程碑,连接顶点的边表示包含的活动,边上的值表示完成活动所需要的时间,则关键路径长度为()开始结束A、20B、19C、17D、168、若某文件系统的目录结构如下图所示,假设用户要访问文件f1.java,且当前工作目录为Program,则该文件的全文件名为(8),其相对路径为(9)D:\program DocumentC-prog Java-prog WangtxtCom2.dllf1-c f2-c f1.java f2.javamy1.doc my2.doc(8)A、f1.java B、\Document\Java-prog\f1.javaC、D:\Program\Java—prog\f1。
javaD、Program\Java—prog\f1.java(9 )A、Java—prog\ B、\Java—prog\ C、Program\Java—prog D、Program\Java —prog\9、(10)指可以不经著作权人许可,无需支付报酬,使用其作品:A.合理使用B.许可使用C.强制许可使用D.法定许可使用10、两个自治系统(AS)之间使用的路由协议是(11):A.RIP B.OSPF C.BGP D.IGRP11、一个以太网交换机,读取整个数据帧,对数据帧进行差错校验后再转发出去,这种交换方式称为(12)A.存储转发交换B.直通交换C.无碎片交换D.无差错交换12、以下关于光纤通信的叙述中,正确的是(13):A.多模光纤传输距离远,而单模光纤传输距离近;B.多模光纤的价格便宜,而单模光纤的价格较贵;C.多模光纤的包层外径较粗,而单模光纤包层外径较细;D.多模光纤的纤芯较细,单模光纤的纤芯较粗。
2017年5月下午网络工程师真题试题一(共20分)阅读以下说明,回答问题1至问题4,将解答填入答题纸对应的解答栏内。
【说明】某企业网络拓扑如图1-1所示,中国电信和中国移动双链路接入,采用硬件设备实现链路负载均衡;主磁盘阵列的数据通过备份服务器到备份磁盘阵列。
请结合下图,回答相关问题。
【问题1】(共6分)图1-1中,设备①处部署(1),设备②处部署(2),设备③处部署(3)。
(1)—(3)备选答案(每个选项限选一次)A.入侵防御系统(IPS)B.交换机C.负载均衡【问题2】(共4分)图1-1中,介质①处应采用(4),介质②处应采用(5)。
(4)—(5)备选答案(每个选项限选一次)A.双绞线B.同轴电缆C.光纤【问题3】(共4分)图1-1中,为提升员工的互联网访问速度,通过电信出口访问电信网络,移动出口访问移动网络,则需要配置基于(6)地址的策略路由;运行一段时间后,网络管理员发现电信出口的用户超过90%以上,网络访问速度缓慢,为实现负载均衡,网络管理员配置基于(7)地址的策略路由,服务器和数据区域访问互联网使用电信出口,行政管理区域员工访问互联网使用移动出口,生产业务区域员工使用电信出口。
【问题4】(共6分)1、图1-1中,设备④处应为(8),该设备可对指定计算机系统进行安全脆弱性扫描和检测,发现其安全漏洞,客观评估网络风险等级。
2、图1-1中,(9)设备可对恶意网络行为进行安全检测和分析。
3、图1-1中,(10)设备可实现内部网络和外部网络之间的边界防护,根据访问规则,允许或者限制数据传输。
试题二(共20分)阅读以下说明,回答问题1至问题3,将解答填入答题纸对应的解答栏内。
【说明】某公司的网络拓扑结构图如图2-1所示。
【问题1】(共5分)为了保障网络安全,该公司安装了一款防火墙,对内部网络、服务器以及外部网络进行逻辑隔离,其网络结构如图2-1所示。
包过滤防火墙使用ACL实现过滤功能,常用的ACL分为两种,编号为(1)的ACL根据IP报文的(2)域进行过滤,称为(3);编号为(4)的ACL报文中的更多域对数据包进行控制,称为(5)。
(1)—(5)备选项:A.标准访问控制列表B.扩展访问控制列表C.基于时间的访问控制列表D.1-99E.0-99F.100-199G.目的IP地址H.源IP地址 I.源端口 J.目的端口【问题2】(共6分)如图2-1所示,防火墙的三个端口,端口⑥是(6),端口⑦是(7),端口⑧是(8)。
(6)—(8)备选项:A.外部网络B.内部网络C.非军事区【问题3】(共9分)公司内部IP地址分配如下:部门/服务器IP地址段财务部门192.168.9.0/24生产部门192.168.10.0/24行政部门196.168.11.0/24财务服务器192.168.100.1/241、为保护内网安全,防火墙的安全配置要求如下:(1)内外网用户均可访问Web服务器,特定主机200.120.100.1可以通过Telnet访问Web服务器;(2)禁止外网用户访问财务服务器,禁止财务部门访问Internet,允许生产部门和行政部门访问Internet。
根据以上需求,请按照防火墙的最小特权原则补充完成表2-2:2、若调换上面配置中的第3条和第4条规则的顺序,则(16)。
(16)备选项:A.安全规则不发生变化B.财务服务器将受到安全威胁C.Web服务器将受到安全威胁D.内网用户将无法访问Internet3、在上面的配置中,是否实现了“禁止外网用户访问财务服务器”这条规则?试题三(共20分)阅读以下说明,回答问题1至问题3,将解答填入答题纸对应的解答栏内。
【说明】请根据Windows服务器的安装与配置,回答下列问题。
【问题1】(共8分)图3-1是安装好的服务器管理界面,在当前配置下,根域的名称是(1)。
图示中角色服务配置时,建立域控制器DC(Domain Controller),需要通过命令行方式运行(2)命令;域中的DC和DNS配置在同一设备时,需要将独立服务器的首个DNS与DC的IP地址配置(3);DHCP服务加入DC需要(4),否则服务报错。
(2)备选答案:A.dcomcnfgB.dcpromo包过滤防火墙使用ACL实现过滤功能,常用的ACL分为两种,编号为(1)的ACL根据IP报文的(2)域进行过滤,称为(3);编号为(4)的ACL报文中的更多域对数据包进行控制,称为(5)。
(2)备选答案:A.dcocnfgB.dcpromo【问题2】(共6分)图3-2是hosts文件内容,图3-3是配置安全站点https://的界面。
图3-2中,127.0.0.1 的含义是(5)。
在建立安全站点时,需要在WEB服务器上启用(6)功能,并且绑定创建好的证书。
(6)备选答案:A.SSLB.代理若将图3-3中https的端口号改为8000,访问站点的URL是(7)。
【问题3】(共6分)图3-4是通过设备管理器查看到的信息,未安装驱动程序的设备提供(8)功能。
在“驱动程序”选项卡中会显示驱动程序提供商、驱动程序日期、驱动程序版本和(9)信息。
若更新驱动程序后无法正常运行,可以在该选项卡页面通过(10)操作将以前的驱动程序恢复。
(9)备选答案:A.数字签名B.硬件类型试题四(共15分)阅读以下说明,回答问题1至问题2,将解答填入答题纸对应的解答栏内。
【说明】图4-1为某学校网络拓扑图,运营商分配的公网IP地址为113.201.60.1/29,运营商网关地址为113.201.60.1,内部用户通过路由器代理上网,代理地址为113.201.60.2。
核心交换机配置基于全局的DHCP服务,为办公楼和宿舍用户提供DHCP服务。
内部网络划分为3个VLAN,其中VLAN10的地址10.0.10.1/24,VLAN20的地址10.0.20.1/24,VLAN30的地址10.0.30.1/24,请结合下图,回答相关问题。
【问题1】(共9分)路由器的配置片段如下,根据图4-1,补齐(1)—(6)空缺的命令。
#配置WAN接口和内网上网代理<Huawei>system-view[Huawei]sysname (1)[Router]interface 2[Router-GigabitEthemet1/0/0]ip address (3)[Router-GigabitEthemet1/0/0]quit[Router]ip route-static0.0.0.0.0.0.0.0 (4)[Router]acl2000[Router-acl-basic-2000]rule 5 permu source 10.0.0.0 (5)[Router-ac-basic-2000]quit[Router]interface GigabitEthemet1/0/0[Rouer-GigabitEthemet1/0/0]nat outbound (6)[Router-GigabitEthemet1/0/0]quit……其他配置略【问题2】(共6分)核心交换机的配置片段如下,根据图4-1,补齐(7)—(10)空缺的命令。
#配置GE0/0/2接口加入VLAN20,并配置对应VLAN接口地址[Switch]vlan batch 20[Switch]interface GigabitEthemet0/0/2[Switch-GigabitEthemet0/0/2]port link-type (7)[Switch-GigabitEthemet0/0/2]port hybrid pvid vlan 20[Switch-GigabitEthemet0/0/2] port hybrid untagged vlan 20[Switch-GigabitEthemet0/0/2]quit[Switch]interface vlanif20[Switch-Vlanif20]ip address (8)[Switch-Vlanif20]quit……其他配置略#配置DHCP服务,租期3天[Switch]dhcp (9)[Switch]ip pool pooll[Switch- ip-pool-pooll]network 10.0.20.0 mask 255.255.255.0[Switch- ip-pool-pooll]dns-list 10.0.10.2[Switch- ip-pool-pooll]gateway-list 10.0.20.1[Switch- ip-pool-pooll]lease day (10)[Switch- ip-pool-pooll]quit[Switch]interface vlanif20[Switch -Vlanif20]dhcp select global[Switch-Vlanif20]quit……其他配置略2017年下午试题解析及答案试题一问题1:(1)C采用硬件设备实现负载平衡设备(1)处。
所以这边应放负载均衡设备,ips其实也是可以的。
这个题在这处也出现了很多争议,我按的是网上很大众的选法(2)A 剩下的只有IPS没用了。
(3)B 看图此处是多接口设备那应该是交换机。
问题2:(4)A交换机到电脑一般双绞线(5)C存储上大多数已采用光纤跳线连接了问题3:(6)目的策略路由又考了策略路由只有2个一个是基于源一个是基于目的,题中告诉是基于电信出口访问这个选择基于目的ip地址的策略路由(7)源这边是软策略路由基于源ip地址的问题4:(8)漏扫设备也是一个防护设备(9)IPSIPS设备的作用这没什么可解释的(10)防火墙同样是防火墙的作用。
试题二问题1:(1)D基础东西应该记住标准的1-99扩展到100-199思科命令教材上有。
(2)H 这里是源。
(3)A 标准访问列表。
(4)F 参照第一题解释。
(5)B 扩展访问列表问题2:(6)A 防火墙的特征就别解释了剩下的2空看图就应该能判断出来(7)C(8)B下边的这几空是我觉得本次考题最难的地方争议很多,我比较倾向大涛网络学院答案所在此采用问题3:(9)10.10.200.1(10)80根据10空后边的协议www得到是实现第一个要求的acl。
(11)200.120.100.1(12)23 Telnet端口(13)192.168.10.0/23(14)允许(15)拒绝(16)D(17)实现了试题三问题1:(1)域林中第一个域树的名字就是根域的名字(2)B dcomcnfig是windows系统的部件B是windows做域控制器的开关命令(3)相同题意dns和Dc的ip需要建立一种对应关系所以本人感觉(绑定)也可以(4)授权加入dc控制域肯定需要授权问题2:(5)访问Webtest,com,解析出IP为127.0.0.1相当于dns的映射,当主机访问这个域名时会先到本机host文件找到这条记录解析成127.0.0.1 (6)A安全站点ssl是tcp和应用层的安全协议通过数字证书加密建立安全站点绑定创建好的证书(7)https://:8000 .默认的是443是可以直接访问的如果修改的端口号访问方法是域名后边加“:”端口号问题3:(8)指纹识别‘未’和‘为’我觉得还是更新驱动程序,设备的名称太多了根据个名字能判断是什么设备还是有点困难。