配网工程(35kV及以下):台架式电力变压器安装作业指导书
- 格式:docx
- 大小:213.29 KB
- 文档页数:12
目录
1适用范围 (1)
1.1电压等级 (1)
1.2电气类别 (1)
2编写依据 (1)
3作业流程图 (2)
4安全风险辨析与预控 (2)
5作业内容 (3)
5.1作业前施工条件 (3)
5.2施工准备 (4)
5.3主要作业内容 (6)
5.4质量检验 (10)
1适用范围
1.1电压等级
35kV及以下配网工程。
1.2电气类别
配网工程中户外SF6断路器和真空断路器及负荷开关的安装。
2编写依据
表2-1编写依据
3 作业流程图
图3-1 作业流程图
4 安全风险辨析与预控
表4-1 工作前安全风险辨析及预控措施表
表4-1(续)
请您认真检查并签名确认,您的签名意味着将承担相应的安全质量责任。
施工单位检查人:
监理单位检查人: 日期:
日期:
注:对存在风险且控制措施完善填写“√”,存在风险而控制措施未完善填
写“×”,不存在风险则填写“―”,未检查项空白。
5 作业内容
5.1 作业前施工条件
表5-1 作业前施工条件。
云南xx公司xx供电局农村电网改造升级及无电地区2011年中央预算内项目
变台安装作业指导书
xx电力工程有限责任公司
xx项目部
2011年x月
1、台变安装,变压器使用机械运输人力吊装,对每一台变压器在
投运前均需对接地电阻能够认真测试,并喷图或悬挂警示标
志。
2、变压器就位用道木搭设临时脚手架,脚手架上必须有护栏,然
后用人工将变压器就位到台架上。
3、变压器基础的轨道应水平,轨距与轮距配合。
4、变压器的安装采取相应的抗震措施。
5、杆上变压器高压侧应装设氧化锌避雷器,装设方式必须便于实
验及拆装更换。
6、必须具有高压危险的警告标志和电气设备的铭牌编号。
二、安全注意事项
1、在施工过程中,须注意保障设备安全,起吊变压器时,使用牢
固结实的绳索,将变压器安装在抬担时,要马上用螺栓固定。
2、安装变台的进出线时,每条线各自走各自的通道,不要让线缠
绕在一起,安装JP柜时,要按施工要求接线,不得随意乱接。
3、变台安装完成后,要即时清理废剩物资,保持施工场地清洁。
1、工作人员施工过程中应正确佩戴安全帽违者罚款50元。
2、工作人员施工过程中穿拖鞋者罚款50元。
3、高空作业时应系好安全带、将高处作业所用的工具和材料放在
工具袋内或用绳索吊送,严禁抛掷。
违者每次罚款100元。
4、在施工过程中,施工人员需保障设备安全,如若损坏设备,按
照原价赔偿。
台架式电力变压器安装作业指导书编码:DLBYQ-04目次1 适用范围 (1)2 编写依据 (1)3 作业流程图 (1)4 安全风险辨析与预控 (1)5 作业准备 (2)6 作业方法 (5)7 质量控制措施及检验标准 (12)1适用范围1.1电压等级35kV及以下配网工程。
1.2电气类别台架变压器的安装。
2编写依据表2编写依据3作业流程图图3作业流程图4安全风险辨析与预控施工单位检查人:监理单位检查人:日期:日期:注:对存在风险且控制措施完善填写“√”,存在风险而控制措施未完善填写“×”,不存在风险则填写“—”,未检查项空白。
5 作业准备5.1 作业前施工条件表5.1 作业前施工条件5.2 人员、主要工器具及仪器仪表配置表5.2 人员、主要工器具及仪器仪表配置6 作业方法表6 作业方法7 质量控制措施及检验标准7.1质量控制措施7.1.1现场负责人应根据现场情况安排技术人员负责质量监控。
7.1.2作业人员必须熟悉工程作业流程和质量检验标准;技术岗位人员必须持有与作业相应、有效的上岗证。
7.1.3现场负责人在进行安全技术交底时必须详细介绍本作业质量控制要点、常见的质量通病及其防治措施。
7.1.4作业现场必须有经审核批准的设计图纸和施工方案,作业人员必须按图施工。
7.1.5施工质量检验一般按以下方式进行。
质量检验一般采用三级检验制,施工队(组)对所施工的分项工程应进行100%的质量自检;项目部对所负责施工的分部工程和单位工程组织质量检查,复检比例不宜低于50%;公司对单位工程组织检查,抽检比例不宜低于20%。
7.1.6隐蔽工程施工完成以及全部工序作业完成(转序)时,必须提前24小时通知监理现场验收。
7.2质量控制点表7.2 质量控制表。
目录
1适用范围 (1)
1.1电压等级 (1)
1.2电气类别 (1)
2编写依据 (1)
3作业流程图 (2)
4安全风险辨析与预控 (2)
5作业内容 (4)
5.1作业前施工条件 (4)
5.2施工准备 (4)
5.3主要作业内容 (5)
5.4质量检验 (7)
1适用范围
1.1电压等级
35kV及以下配网工程。
1.2电气类别
架空线路工程的导线附件连接安装。
2编写依据
表2-1编写依据
3作业流程图
图3-1作业流程图
4安全风险辨析与预控
表4-1工作前安全风险辨析及预控措施表
表4-1(续)
请您认真检查并签名确认,您的签名意味着将承担相应的安全质量责任。
施工单位检查人:监理单位检查人:日期:日期:
注:对存在风险且控制措施完善填写“√”,存在风险而控制措施未完善填写“×”,不存在风险则填写“―”,未检查项空白。
台架式电力变压器安装作业指导书前言台架式电力变压器安装作业是一项涉及高压电力的工作,需要高度的责任感和安全意识。
本指导书旨在为台架式电力变压器的安装作业提供方便和准确的指导,同时保障工作安全,确保顺利完成任务。
安装前准备1. 人员准备安装人员应该是熟练掌握安全操作规程的工作人员,必须具备以下条件:•对电力设备有足够的了解和认知•具备足够的操作技巧和经验•具备安全意识,并能保证人身安全和设备安全2. 工具准备为了保证安装进程顺利,要求配备以下工具:•螺丝刀、扳手等工具•起重机械•标尺、钳子等测量工具•电气测试工具3. 确认安装位置在安装前,要确认变压器的安装位置是否符合相关标准和规程要求。
应该特别注意以下问题:•变压器安装位置应该是稳固的,能够承受变压器的重量和运行时的振动•变压器的安装位置应该符合现场的施工条件和环境要求•安装位置应该有足够的空间,方便变压器的维护和操作安装1. 卸载配重块在安装前,先卸载变压器配重块。
卸载操作应该注意以下几点:•先卸载托盘的下螺栓和侧板的螺钉,再用托盘升降机将变压器升起,将配重块顶部螺栓解开•当配重块被升起时,要保证配重块支撑在支撑框架上,以保证安全和稳定•反复检查卸载过程,确保配重块安全卸载2. 安装台架将变压器安装在台架上之前,应该先进行台架的安装。
具体步骤如下:•首先确认台架的位置和方向•拆下底座垫板,基本线等物品•再将四根支架翻起,调整好位置,用螺栓固定•安装好的台架必须符合变压器的规格要求,具备足够的稳固性和使变压器平衡3. 固定变压器安装台架之后,将变压器放置在台架上,具体步骤如下:•将变压器底部的脚座放置在台架上,并使变压器保持水平状态•根据变压器在运输过程中的包装位置和标记进行解绑•再用螺栓和垫圈将变压器和台架固定4. 接线接线是电力设备安装中最重要的环节,必须按照严格的操作规程和安全标准进行,具体步骤如下:•首先,确保变压器的高压和低压引线符合电路接线要求•通过通电试验,检验连接系统,查看系统的连接状况安装完成完成所有安装步骤之后,要再次进行以下操作:•检查螺丝和连接件的紧固情况,确保可靠性和稳定性•确认电缆和引线无松动,符合相关要求•进行通电试验,观察电压是否正常,电流是否平稳总结变压器安装作业是一项非常重要的工作,需要遵循严格的操作规程和安全标准,确保人身安全和设备安全。
DLBYQ-04 台架式电力变压器安装作业指导书台架式电力变压器安装作业指导书编码:DLBYQ-04批准:审核:编写:DLBYQ-04 台架式电力变压器安装作业指导书目次1 适用范围····································································································································· (173)2 编写依据····································································································································· (173)3 作业流程图····································································································································· (173)4 安全风险辨析与预控 (17)45 作业准备····································································································································· (13)6 作业方法····································································································································· (6)7 质量控制措施及检验标准 (9)DLBYQ-04 台架式电力变压器安装作业指导书1 适用范围1. 1电压等级35kV 及以下配网工程。
目录
1适用范围 (2)
1.1电压等级 (2)
1.2电气类别 (2)
2编写依据 (2)
3作业流程图 (2)
4安全风险辨析与预控 (3)
5作业内容 (3)
5.1作业前施工条件 (3)
5.2施工准备 (4)
5.3主要作业内容 (4)
5.4质量检验 (5)
1适用范围
1.1电压等级
35kV及以下配网工程。
1.2电气类别
横担、金具及绝缘子安装制作。
2编写依据
表2-1编写依据
3作业流程图
图3-1作业流程图
4 安全风险辨析与预控
表4-1 工作前安全风险辨析及预控措施表
表4-1(续)
请您认真检查并签名确认,您的签名意味着将承担相应的安全质量责任。
施工单位检查人: 监理单位检查人: 日期:
日期:
注:对存在风险且控制措施完善填写“√”,存在风险而控制措施未完善填写“×”,不存在风险则填写“―”,未检查项空白。
5 作业内容
5.1 作业前施工条件
表5-1 作业前施工条件
5.2施工准备
表5-2施工准备
表5-2(续)
5.3主要作业内容
表5-3主要作业内容。
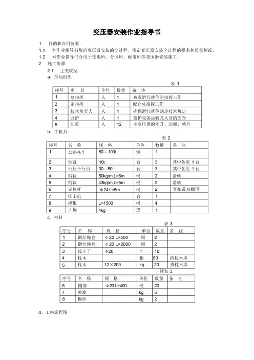
1 目的和合用范围1.1 本作业指导书规范变压器安装的全过程,规定变压器安装全过程的要求和质量标准。
1.2 本作业指导书合用于变电所、分区所、配电所等变压器安装施工 2 施工步骤2.1 主变就位 a 、劳动组织表 1b 、工机具表 2c 、材料序号 1 2 3 4 5表 3名 称 规 格 单位 数量 备 注 钢丝绳套 ф20 L=500 根 2 钢丝绳套 ф20 L=2000 根 2 线卡子 ф20 个 10枕木 根 50 搭枕木垛 枕木 12×200 kg 20 搭枕木垛续表 3d 、工序流程图序号 名 称 规 格 单位 数量 备 注 6圆钢 ф20 L=400根 20 7 黄油 kg 5 8棉纱kg2序号 名 称 规 格 单位 数量 备 注1公路拖车 80— 100t 辆 12 倒链 10t 台3 其中备用 1 台 3 油压千斤顶 30—50t 台 3 其中备用 1 台4 钢轨 50kg/m L=6m 根 2 滑轨5 钢轨 43kg/m L=5m 根 2 滑轨6 定位杆 ф24 L=5m根 2 套扣带双螺母7 推土机台 1 8 撬棍 L=1500 根 4 9 大锤4kg把1序号 项 目 单位 数量 备 注 1总指挥 人 1 负责滑行就位的指挥工作 2 副指挥 人 1 配合总指挥工作3 技术负责人 人 1 确保滑行就位满足技术规定4 监护 人 1 监护设备运输及人身的安全 5起重人12 主变压器的项升、运搬、就位就位准备安装倒链主变压器对位牵引滑行器身顶升主变压器对位穿入滑轨位置调整1 主变压器自锚滑行就位工序流程图e、操作要领(1)就位准备①用推土机挨着基础边缘推一土沟,深度等于拖车台面高度(从基础平面算起),宽度为3m。
②沿拖车入所径路检查道路状况,并修整压实。
(2)主变对位①引导拖车进入土沟,车帮贴近基础的侧面。
②当主变压器中心对准基础中心时,停车下闸,车轮用三角木掣掩。
③当主变压器距基础位置较远,且受外部条件不能再挨近基础时,应该在拖车与基础之间的空挡处搭设道木平台,确保主变压器的平稳运输。
变压器安装作业指导书一、引言本文档旨在提供变压器安装作业的详细指导,确保安装过程顺利进行并符合相关标准和要求。
本指导书适用于各类变压器的安装作业,包括但不限于配电变压器、电力变压器等。
二、安装前准备1. 安全措施在进行变压器安装作业前,必须确保所有参与人员已经接受相关安全培训,并且了解并遵守相关安全规定。
确保工作场所的安全,包括清理杂物、防止滑倒等。
2. 工具和设备准备所需的工具和设备,包括但不限于吊车、起重机、扳手、螺丝刀、电缆等。
确保这些工具和设备的完好性和可靠性,以确保安装过程的顺利进行。
3. 安装场地准备选择合适的安装场地,确保场地平整、干燥,并且具备足够的空间容纳变压器和相关设备。
同时,确保场地的通风良好,以便于变压器正常散热。
4. 安装计划制定详细的安装计划,包括安装顺序、时间安排、人员分工等。
确保安装过程的有序进行,并及时应对可能出现的问题。
三、安装步骤1. 安装基础根据变压器的尺寸和重量,设计并建造合适的基础。
确保基础牢固稳定,并符合相关标准和要求。
2. 安装变压器使用合适的起重设备将变压器安装到基础上。
确保变压器的安装位置正确,并且与周围设备和电缆的连接良好。
3. 连接电缆根据变压器的额定电压和电流,选择合适的电缆,并进行正确连接。
确保电缆的绝缘性能良好,避免出现漏电等安全隐患。
4. 连接接地线将变压器的接地线与接地系统连接。
确保接地线的连接牢固,并符合相关标准和要求。
5. 安装附件根据需要,安装变压器的附件,如温度控制装置、防雷装置等。
确保附件的安装正确,并与变压器的其他部件连接良好。
6. 调试测试完成变压器的安装后,进行必要的调试测试。
包括但不限于检查电压、电流、温度等参数是否正常,确保变压器的正常运行。
四、安全注意事项1. 严格遵守相关安全规定和操作规程,确保工作人员的人身安全。
2. 在进行起重作业时,确保起重设备的安全可靠,并遵守相关操作规程。
3. 在进行电缆连接时,确保电缆的绝缘性能良好,避免漏电等安全隐患。
变压器安装作业指导书1 目的保证变压器安装符合施工验收规范要求2 适用范围35KV 主变安装3 编制依据根据《电力装置安装工程电力变压器、油浸电抗器、互感器施工及验收规范》编制。
4 施工准备4.1 变压器安装前需检查变压器运输情况,包括冲击记录器动作情况(若装设的话);变压器安装前的保管情况,包括变压器到货验收情况和保管情况,并做好记录,变压器出厂试验报告和油的试验报告。
4.2 施工前需有变压器安装说明书,出厂试验报告,变压器各电压等级升高座CT 运行变化值,分接开-关的运行档位,以及甲方提出的特殊要求和试验项目。
由甲方驻厂监造代表通报变压器组装情况及运输临时加固措施,并编入作业程序中。
此外,应落实运行部门提供的反措项目。
4.3 根据目前的施工水平,采用液压吊车吊装方式吊罩,根据上节油箱的重量来选用液压吊车,确定起吊高度和回转半径。
按安装说明书组织有关人员对主变中心线和吊车吊钩中心线进行校准。
当主变门型架构横梁的高度不满足起吊高度的要求时,起吊前应拆去横梁。
4.4 本措施是35-110KV 变压器安装的通用典型措施,安装前还应根据施工图和安装说明书编制适宜该变压器安装的施工技术安全措施。
4.5 施工前需由电气技术员向安装人员进行现场交底,并作好交底记录。
4.6 由变压器安装负责人组织安装人员学习变压器说明书及各安装件说明书,现行的变压器安装施工及验收规范和电气设备交接试验标准,设计院的变压器施工图。
起重指挥向吊车驾驶员作具体的吊装技术要求交底,要求深刻理解和贯彻。
4.7 应提供变压器本体及添加油的击穿强度、介损、微水、简化等试验报告,符合标准要求,击穿强度不低于40KV,介损不大于0.5(90°C),微水不大于15ppm。
4.8 施工机具、安装部件的现场布置4.8.1 滤油及抽真空系统:滤油机及油箱布置应便于注排油,烘箱应放置在独立砖墙结构单间并与油系统间隔30 米距离。
油箱、油管、滤油机等应清洁干净,油处理系统和真空系统应提前两天试运转正常。
目录1 1适用范围 .................................................................................................................1 2编写依据 .................................................................................................................1 3作业流程图 .............................................................................................................3 4安全风险辨析与预控 .............................................................................................5 5作业内容 .................................................................................................................55.1作业前施工条件 ...........................................................................................55.2施工准备 .......................................................................................................65.3主要作业内容 ...............................................................................................105.4质量检验 .....................................................................................................1适用范围本节适用于35kV及以下配网工程电缆沟、管工程配套的电缆工井、检查井、过渡井的施工。
目录一、编制依据 ....................................................... 错误!未定义书签。
二、工程概况、施工范围及工程量................... 错误!未定义书签。
三、施工准备和施工条件................................... 错误!未定义书签。
四、综合进度和配合要求................................... 错误!未定义书签。
五、施工主要机具及材料................................... 错误!未定义书签。
六、主要施工方法和步骤................................... 错误!未定义书签。
七、施工质量标准和工艺要求........................... 错误!未定义书签。
八、应注意的质量问题....................................... 错误!未定义书签。
九、成品保护要求............................................... 错误!未定义书签。
十、安全、环保及文明施工措施和要求........... 错误!未定义书签。
十一、其它需说明问题及附录、附加的各种相关必备内容错误!未定义书签。
1 东电三公司阜新阿金项目经理部 施工作业指导书NEPC一、编制依据1. 《电气装置安装工程 电力变压器、油浸电抗器、互感器施工及验收规范》(GB50148—2010)。
2. 《国家电网公司基建安全管理工作规定》3. 电气装置安装工程质量检验及评定规程(DL/T5161.1~5161.17—2002)。
4. 《电气专业施工组织设计》5. 《施工组织总设计》6. 《质量、职业健康安全、环境管理体系文件》。
(2008年版)7. 《电力建设安全工作规程》变电部分。
电力变压器安装作业指导书【精选文档】(文档可以直接使用,也可根据实际需要修改使用,可编辑推荐下载)电力变压器安装作业指导书1、电力变压器安装流程图2、作业方法及要求2.1 设备接货清点、交接验收1) 检查每批到达现场的绝缘油的试验记录,收集整理备查。
2) 对于运抵工地的每桶绝缘油,首先用透明玻璃管取样观察颜色,闻气味,以免非绝缘油混入。
仔细辨认各桶商标,各桶商标应一致。
3) 对每批到达现场的绝缘油进行取样试验。
4) 绝缘油经验收合格后,将油抽注到临时储油罐内进行过滤处理。
质量检验1)2)检验方法及器具绝缘油桶质量:外观目测绝缘油质量:用透明玻璃管观察颜色,对照试验记录检查质量指标。
1) 观察本体各部位外观有无机械损伤,有无锈蚀情况,清点联接螺栓是否齐全,用木榔头、扳手检查螺栓紧固是否良好,有无渗漏现象,2) 检查并记录充气运输的变压器的气体压力表压力值,油箱内应为正压,其压力值为0.01-0.03Mpa。
3) 装有冲击记录仪的变压器,检查并记录冲击记录仪的记录值,冲击记录仪的记录值不应超标。
4) 对于不立即安装的变压器,作业人员定期检查本体内压力值,发现压力下降,立即按要求进行补气,作好检查记录和补气记录。
2)检验方法及器具:外观检查:用木榔头、扳手配合目测检查。
冲气压力:读取压力表压力值对照产品说明书检查。
冲击情况:读取冲击记录仪的记录值对照产品说明书检查。
1) 包装运抵现场的附件,检查包装物是否完整无损;密封运抵现场的附件,检查密封是否良好。
2) 观察所有附件是否有无锈蚀及机械损伤,清点所有附件是否齐全。
3) 检查并记录充油套管的油位,油位应正常,无渗油现象,检查瓷体有无损伤。
1)2)检验方法及器具:用木榔头、扳手配合目测检查。
2.2 绝缘油过滤2.2.2.2 检验方法及器具:绝缘油处理系统:对照图纸、产品说明书检查;绝缘油质量指标:对照油试验记录检查。
2.3变压器本体现场卸车、运输、就位地面。
35kV变压器安装作业指导书
编写:年月日
审核:年月日
批准:年月日
作业负责人:
作业日期年月日时至年月日时
五河供电公司
1 范围
本作业指导书适用于五河供电公司35kV变压器安装工作。
2 引用文件
下列标准及技术资料所包含的条文,通过在本作业指导书中引用,而构成为本作业指导书的条文。
本作业指导书出版时,所有版本均为有效。
所有标准及技术资料都会被修订,使用本作业指导书的各方应探讨使用下列标准及技术资料最新版本的可能性。
GBJ 148—1990电气装置安装工程电力变压器、油浸电抗器、互感器施工及验收规范
DL/T 596—1996 电力设备预防性试验规程
DL 5009.3—1997 电力建设安全工作规程(变电所部分)
电安生[1994]227号电业安全工作规程(热力和机械)
1DL/T 596—1996 电力设备预防性试验规程
防止电力生产重大事故的二十五项重点要求
国家电网公司电力安全工作规程(变电站和发电厂电气部分)
安徽电网电力设备预防性试验规程
变压器安装说明书
3 安装准备
3.1 准备工作安排
3.2 人员要求
3.3 备品备件
3.4 工器具
3.5 材料
3.6 35KV变压器安装作业定置图
3.7 危险点分析
3.8 安全措施
3.9 人员分工
4 作业程序及作业标准4.1 开工
4.2 检修电源的使用
4.3检修内容和工艺标准4.3
4.4竣工
5 验收记录
6 作业指导书执行情况评估
7 附录
7.1 设备主要技术参数
Word文档仅供参考。
目录
1适用范围 (1)
1.1电压等级 (1)
1.2电气类别 (1)
2编写依据 (1)
3作业流程图 (2)
4安全风险辨析与预控 (2)
5作业内容 (3)
5.1作业前施工条件 (3)
5.2施工准备 (4)
5.3主要作业内容 (6)
5.4质量检验 (9)
1适用范围
1.1电压等级
35kV及以下配网工程。
1.2电气类别
台架变压器的安装。
2编写依据
表2-1编写依据
3作业流程图
图3-1作业流程图
4安全风险辨析与预控
表4-1工作前安全风险辨析及预控措施表
施工单位检查人:监理单位检查人:
日期:日期:
注:对存在风险且控制措施完善填写“√”,存在风险而控制措施未完善填写“×”,不存在风险则填写“―”,未检查项空白。
5作业内容
5.1作业前施工条件
表5-1作业前施工条件
表5-1(续)
5.2施工准备
表5-2施工准备
表5-2(续)
5.3主要作业内容
表5-3主要作业内容
表5-3(续)
5.4质量检验
表5-4质量检验。