典型模具制造工艺
- 格式:ppt
- 大小:872.50 KB
- 文档页数:34
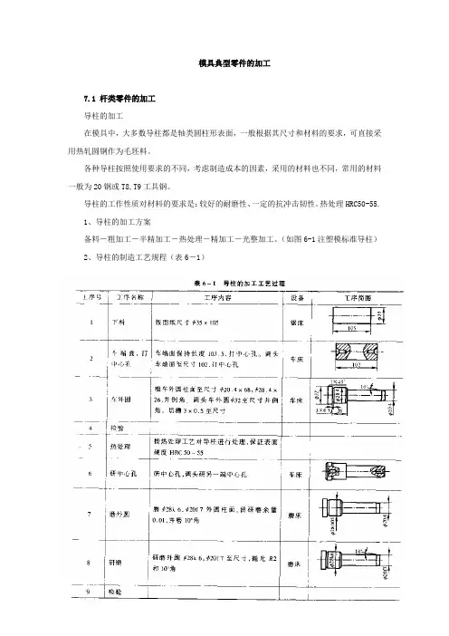
模具典型零件的加工7.1 杆类零件的加工导柱的加工在模具中,大多数导柱都是轴类圆柱形表面,一般根据其尺寸和材料的要求,可直接采用热轧圆钢作为毛坯料。
各种导柱按照使用要求的不同,考虑制造成本的因素,采用的材料也不同,常用的材料一般为20钢或T8,T9工具钢。
导柱的工作性质对材料的要求是:较好的耐磨性、一定的抗冲击韧性。
热处理HRC50-55.1、导柱的加工方案备料-粗加工-半精加工-热处理-精加工-光整加工。
(如图6-1注塑模标准导柱)2、导柱的制造工艺规程(表6-1)导柱的加工工序不是固定不变的,根据不同的生产类型、结构形式和尺寸精度、工厂设备情况,其工序的划分和工艺方法也就不同。
3、导柱加工过程中的定位一般采用设计基准和工艺基准重合的原则,在两端加工中心孔,以两中心孔轴线为各工序的定位基准,中心孔的形状和精度对导柱的加工质量有着直接的关系。
为了确保精加工时的精确定位作用,中心孔在热处理后必须进行对研和修整。
对研中心孔一般采用锥形砂轮或梅花顶尖:4、导柱的研磨一般对于配合精度要求较高的导柱,都要安排研磨工序,以提高表面质量和降低粗糙度。
二、模柄与顶杆的加工模柄的设计已标准化,常用的模柄有:压入式、旋入式、凸缘式、槽形式和浮动式等,和顶杆一样都属于台阶轴类零件,材料选用45钢,热处理HRC40-45,这类零件一般也是采用中心孔作为精加工的定位基准,终加工采用精磨工艺并靠磨端面,保证端面跳动要求。
7.2 套类零件的加工模具中的套类零件主要有:导套、护套和套类凸模等。
导套的材料和导柱一样,一般采用圆钢下料,热处理要求为HRC58-62,制造工艺也不是固定的。
导套的加工方案:备料-粗加工-半精加工-热处理-精加工-光整加工。
7.3 板类零件的加工一、板类零件加工质量的要求模具中各种板类零件较多,如:模座、垫板、固定板、卸料板、推件板等等。
虽然形状、材料、尺寸精度和使用性能要求各不相同,但都是有平面和孔系组成,这类零件的加工质量要求主要有以下几点:①平行度和垂直度要求,一般均按GB1184-80的规定,具体公差执行冷冲模和塑料模的有关国家标准。
圆柱形凸模加工工艺(1)备料。
毛坯需要铸造并经退火处理。
(2)车。
车外圆, 钻顶尖孔(因为凸模中心有一Φ3mm 圆孔, 顶尖孔可合适钻大些), 要求Φ32mm 轴与Φ30mm 轴一起车出, 并各留0.5mm 磨量, 车出右端面及圆角R4mm; 调头车出Φ36mm 轴, 车出左端面, 并确保50mm, 钻出顶尖孔及Φ3mm 小孔(3)钳。
划线并钻攻M5工艺螺孔(4)热处理。
淬火并回火, 检验硬度是否为58~62HRC 。
(5)车。
研磨两端顶尖孔(6)磨。
磨出外圆Φ002.030-mm 及Φ025.0009.032++mm 并确保同轴度要求(7)钳。
将凸模装入固定板。
(8)磨。
与固定板同磨左端面, 翻身磨出右端面。
(9)车。
修光圆角R4mm电火花线切割加工1.下料。
毛坯需锻成方形并经退火处理。
2.刨。
刨六个面, 将毛坯刨成六面体。
3.钳。
钻穿丝孔, 在程序加工起点处钻出直径为2-3mm 穿丝孔; 钻、功固定凸模用两个螺孔。
4.热处理。
淬火、 回火并检验硬度。
5.磨。
磨上、 下平面。
6.电加工。
7.钳。
研磨凸模工作部分。
成形磨削1.下料。
毛坯需锻成方形并经退火处理。
2.刨。
刨六个面。
3.磨。
磨上、 下平面及角尺面4.钳。
划线, 钻、 功固定凸模用两个螺孔。
5.镗。
在坐标镗床上加工圆孔和非圆孔预制孔。
6.铣。
铣加工毛坯外形(放余量)。
7.钳。
锉修非圆孔直至达成要求。
8.热处理。
淬火、 回火并检验硬度。
9.磨。
磨上、 下平面。
10.钳。
内孔按冲孔凸模修间隙(或在冲孔凸模头部修出间隙); 外形与凹模配间隙。
11.成形磨削。
按一定磨削程序磨削凸模外形。
导柱1.备料2.车。
粗车外圆, 留0.5mm 磨量, 钻顶尖孔。
3.热处理。
热处理采取渗碳淬火。
4.按技术要求进行检验。
5.磨外圆。
留研磨量0.01-0.015mm 。
6.研磨。
将导柱装夹在车床上, 在导柱表面均匀地涂上一层研磨剂, 套上研磨环。
导柱由车床带动旋转, 用手握住研磨环作轴向往复运动。
制造工艺中的模具设计与制造技术创新案例模具设计与制造技术在制造工艺中占据着重要的地位。
它们直接关系到产品的质量、生产效率以及生产成本。
随着科技的不断发展,模具设计与制造技术也在不断创新与演进。
本文将介绍几个在制造工艺中的模具设计与制造技术创新案例,以展示技术进步对制造工艺的重要作用。
1. 案例一:3D打印模具传统的模具设计与制造通常需要经过多个环节,耗费大量的时间与人力成本。
然而,随着3D打印技术的兴起,模具制造行业发生了巨大的改变。
通过3D打印技术,可以将模具的制造过程简化为从设计到生产的一体化,大大提高了制造效率。
同时,使用3D打印技术还能够实现个性化定制的模具设计,更好地满足客户的需求。
2. 案例二:数字模具设计与仿真数字模具设计与仿真技术是另一种在制造工艺中的重要创新。
传统的模具设计通常需要进行多次试验与修改,耗费大量的时间与资源。
而借助数字模具设计与仿真技术,设计师可以通过计算机模拟,准确地预测模具设计的效果,降低设计风险。
此外,数字化设计还能够快速生成模具图纸,加快产品的研发周期。
3. 案例三:高性能材料应用在模具设计与制造中,材料的选择至关重要。
传统的模具材料通常存在耐磨性、耐腐蚀性等方面的不足。
而随着材料科学的发展,新型高性能材料逐渐应用于模具制造中。
例如,使用高强度合金材料可以提高模具的使用寿命,使用耐高温材料可以适应高温环境下的制造工艺。
这些高性能材料的应用,不仅提高了模具的性能,还有效地减少了生产成本。
4. 案例四:智能化模具设计与制造随着人工智能技术的发展,智能化模具设计与制造也成为制造工艺中的一个重要方向。
智能化模具可以通过传感器监测和收集数据,实现自主感知与自我调整。
例如,智能模具可以根据生产数据预测模具损耗情况,并主动通知维修与更换。
这种智能化的模具设计与制造技术,不仅提高了制造的自动化程度,还极大地减少了生产成本和人力资源的浪费。
总结:模具设计与制造技术的创新对于制造工艺具有重要的影响。
模具制造工艺流程(简易)总的来说模具制作工艺流程如下:审图—备料—加工—模架加工—模芯加工—电极加工—模具零件加工—检验—装配—飞模—试模—生产A:模架加工:1打编号,2 A/B板加工,3面板加工,4顶针固定板加工,5底板加工B:模芯加工:1飞边,2粗磨,3铣床加工,4钳工加工,5CNC粗加工,6热处理,7精磨,8CNC精加工,9电火花加工,10省模C:模具零件加工:1滑块加工,2压紧块加工,3分流锥浇口套加工,4镶件加工模架加工细节1,打编号要统一,模芯也要打上编号,应与模架上编号一致并且方向一致,装配时对准即可不易出错。
2,A/B板加工(即动定模框加工),a:A/B板加工应保证模框的平行度和垂直度为0.02mm,b :铣床加工:螺丝孔,运水孔,顶针孔,机咀孔,倒角c:钳工加工:攻牙,修毛边。
3,面板加工:铣床加工镗机咀孔或加工料嘴孔。
4,顶针固定板加工:铣床加工:顶针板与B板用回针连结,B板面向上,由上而下钻顶针孔,顶针沉头需把顶针板反过来底部向上,校正,先用钻头粗加工,再用铣刀精加工到位,倒角。
5,底板加工:铣床加工:划线,校正,镗孔,倒角。
(注:有些模具需强拉强顶的要加做强拉强顶机构,如在顶针板上加钻螺丝孔)模芯加工细节1)粗加工飞六边:在铣床上加工,保证垂直度和平行度,留磨余量1.2mm2)粗磨:大水磨加工,先磨大面,用批司夹紧磨小面,保证垂直度和平行度在0.05mm,留余量双边0.6-0.8mm3)铣床加工:先将铣床机头校正,保证在0.02mm之内,校正压紧工件,先加工螺丝孔,顶针孔,穿丝孔,镶针沉头开粗,机咀或料咀孔,分流锥孔倒角再做运水孔,铣R角。
4)钳工加工:攻牙,打字码5)CNC粗加工6)发外热处理HRC48-527)精磨;大水磨加工至比模框负0.04mm,保证平行度和垂直度在0.02mm之内8)CNC精加工9)电火花加工10)省模,保证光洁度,控制好型腔尺寸。
11)加工进浇口,排气,锌合金一般情况下浇口开0.3-0.5mm,排气开0.06-0.1mm,铝合金浇口开0.5-1.2mm排气开0.1-0.2,塑胶排气开0.01-0.02,尽量宽一点,薄一点。
模具制造的工艺流程模具制造的工艺流程是一个复杂且精细的过程,它涉及到多个阶段,每个阶段都有其独特的作用和重要性。
下面将详细介绍这一过程,确保逻辑通顺、内容完整且没有重复。
1. 设计阶段模具制造的第一步是进行设计。
设计师根据产品的形状、尺寸和性能要求,使用CAD(计算机辅助设计)软件绘制出模具的三维模型。
在设计过程中,需要考虑材料的选择、模具的结构、加工方法等因素。
设计师还需与产品工程师和客户沟通,确保模具设计满足所有需求。
2. 材料选择与准备设计完成后,需要选择合适的材料来制造模具。
模具材料的选择取决于产品的性质、生产数量以及成本要求。
常见的模具材料有工具钢、铝合金、镁合金等。
材料准备好后,需要进行热处理、切割和打磨等预处理,以提高材料的性能。
3. 加工阶段加工是模具制造的核心环节。
它包括粗加工、半精加工和精加工三个阶段。
粗加工主要是通过铣削、车削等方法去除大部分余量,形成模具的基本形状。
半精加工则是对模具进行进一步的修整,使其接近最终形状。
精加工则是最后的修整过程,通过磨削、抛光等方法使模具达到设计要求。
4. 装配与调试加工完成后,需要将各个部件装配在一起,形成完整的模具。
装配过程中需要注意各部件之间的配合间隙和位置精度。
装配完成后,需要进行调试,检查模具的动作是否顺畅、尺寸是否合格等。
5. 试模与修正调试合格后,开始进行试模。
试模是在生产条件下模拟实际生产过程,以检验模具的性能和可靠性。
试模过程中可能会发现一些问题,如尺寸超差、表面质量不佳等。
这时需要对模具进行修正,直至达到生产要求。
6. 验收与交付修正完成后,模具需要进行验收。
验收包括外观检查、尺寸测量、性能测试等多个方面。
验收合格后,模具就可以交付给客户使用了。
交付时,需要提供相关的技术文件和操作说明书,以便客户能够正确地使用和维护模具。
7. 维护与保养模具在使用过程中,需要定期进行维护和保养。
这包括清洁模具表面、检查模具的磨损情况、润滑模具的运动部件等。
四合扣翻铆模具制造工艺流程一、模具制造的前期准备。
咱要做四合扣翻铆模具,那前期准备可不能少。
这就像是做饭前得把食材都准备好一样。
得先看看设计图纸呀,这图纸就像是做菜的菜谱,告诉我们这个模具长啥样,有啥要求。
看图纸的时候得仔仔细细的,可不能马虎。
要是看错了一点,那后面做出来的模具可能就成“四不像”啦。
然后就是选材料,这材料的选择就像选衣服一样,得挑合适的。
要考虑模具的使用环境、强度要求这些因素。
比如说,如果这个模具是要长时间高频率使用的,那就得选那种结实耐用的材料,就像选户外探险的衣服得选耐磨的那种感觉。
而且材料的质量也得把关,可不能贪便宜选那些劣质的材料,不然模具做出来不耐用,那就白费劲了。
二、模具的加工制作。
好啦,前期准备妥当了,就开始加工制作模具啦。
先从切割材料开始。
这就像是把一块大布料按照尺寸裁剪成我们需要的样子。
切割的时候得注意精度,要是切歪了或者尺寸不对,那后面组装的时候就会有大麻烦。
切割工具也要选好,就像剪刀得选锋利的一样,合适的切割工具能让切割又快又准。
接下来就是打孔啦。
打孔可不是随便乱打的哦,每个孔的位置、大小都是有讲究的。
这就好比衣服上的纽扣眼,得在合适的位置、合适的大小,不然纽扣就扣不上。
打孔的时候要小心,要是打偏了,那可就影响模具的整体结构啦。
再就是进行一些表面的处理。
这就像是给做好的衣服进行最后的修饰一样。
可以进行打磨,把表面打磨得光滑平整,这样不仅模具看起来美观,而且在使用的时候也不容易划伤操作人员或者损坏其他部件。
有时候还可能需要进行一些特殊的表面处理,像是镀铬之类的,这就像是给衣服加上了一层特殊的保护膜,能让模具更加耐用呢。
三、模具的组装调试。
模具加工好了,接下来就是组装啦。
这就像搭积木一样,但是比搭积木要复杂得多。
每个零件都得安装在正确的位置上,就像每个积木块都有它自己的位置。
在组装的时候,螺丝要拧紧,零件之间的配合要紧密。
要是有一个零件没装好,那整个模具可能就无法正常工作。
模具制作的工艺流程模具制作工艺流程模具制作是工业生产中必不可少的环节之一,它是现代工业产品制造的基础和关键环节。
下面将详细介绍模具制作的工艺流程。
一、模具设计模具制作的第一步是进行模具的设计。
根据客户提供的产品图纸和要求,模具设计师会使用CAD、UG、ProE等软件进行三维模型的建立和设计。
这一步是确定模具的结构和尺寸,以及模具所需材料的选择。
二、模具加工在模具设计完成后,需要进行模具的加工。
首先是进行钢材的选择和准备,根据模具设计的要求选取合适的材料,通常常用的材料有P20钢、45#钢、718H钢等。
接下来是进行铣床加工、车床加工、电火花加工等一系列的加工工艺,将钢材加工成所需的模具零件。
这一步需要高精度的机械设备以及熟练的技术工人。
三、模具组装模具加工完成后,需要进行模具的组装。
将各个零部件进行装配,并进行调整、校正,确保模具的精度和质量。
这一步需要对模具零部件的加工精度要求非常高,以确保模具的使用寿命和生产效率。
四、模具调试完成模具组装后,需要进行模具的调试。
通过在注塑机上进行模具安装和调试,检查模具的运行情况和产品的质量。
在这个过程中,需要调整模具的工艺参数,如温度、压力、速度等,以获得最佳的生产效果。
五、模具试产调试完成后,进行模具试产。
在试产过程中,进行模具的性能测试,检查产品的尺寸、表面质量、强度等指标,确保模具能够满足生产需要。
同时,对模具进行调整和改进,以提高模具的使用寿命和生产效率。
六、模具维护模具试产合格后,需要进行模具的维护。
定期对模具进行清洁、润滑和保养,以延长模具的使用寿命。
同时,定期检查模具的磨损情况,对损坏或磨损的零部件进行更换,确保模具的正常运行。
模具制作是一个复杂而具有挑战性的过程,需要高精度的设备和专业的技术工人。
只有通过严格的工艺流程和质量控制,才能生产出高质量的模具,为工业生产提供稳定可靠的支持。
模具生产工艺流程
模具生产工艺流程是指通过一系列的生产过程,将模具从设计到制造完善的过程。
本文将介绍一个典型的模具生产工艺流程。
模具生产工艺流程主要分为模具设计、材料准备、加工制造和模具调试四个阶段。
首先是模具设计阶段。
在这个阶段,根据产品的要求和设计图纸,制定模具的设计方案。
设计方案包括模具的结构设计、模具的材料选择、生产工艺及零部件的加工等。
经过多次设计迭代,确定最终的模具设计方案。
接下来是材料准备阶段。
根据模具设计方案,准备所需的材料。
通常情况下,模具使用的主要材料有钢材、铝合金等。
在材料准备阶段,需要对材料进行切割、打磨等加工,以便于后续的加工制造。
然后是加工制造阶段。
在这个阶段,根据模具设计方案,将已经准备好的材料进行加工制造。
加工制造主要包括铣削、车削、镗削、钻孔、磨削等工艺。
通过这些加工工艺,将材料加工成符合模具设计要求的零部件。
同时,对于复杂的模具结构,还需要通过电火花加工、线切割等特殊工艺进行加工制造。
最后是模具调试阶段。
在这个阶段,将加工制造好的零部件进行组装,并进行模具的调试。
模具调试主要包括模具的安装、零部件的调整、模仁、顶针的模试等。
通过模具调试,确保模具的正常运行,达到预期的生产要求。
总结起来,模具生产工艺流程包括模具设计、材料准备、加工制造和模具调试四个阶段。
在每个阶段中,都需要严格按照设计要求和工艺规范进行操作,确保模具的质量和生产效率。
通过这个工艺流程,能够实现高效、精确、稳定的模具制造,满足产品的生产要求。
谈谈汽车模具生产过程中的七大制造工艺汽车模具生产中,需要用到了很多的加工工艺,在生产中我们最熟悉的就是七大制造工艺了,它们的工艺历史久。
随着高效率、高科技不断刷新制造生产的发展,一些传统的制造工艺也不断地改进。
一、铸造铸造是将熔化的金属浇灌入铸型空腔中,冷却凝固后而获得产品的生产方法。
在汽车制造过程中,采用铸铁制成毛坯的零件很多,约占全车重量10%左右,如气缸体、变速器箱体、转向器壳体、后桥壳体、制动鼓、各种支架等。
制造铸铁件通常采用砂型。
砂型的原料以砂子为主,并与粘结剂、水等混合而成。
砂型材料必须具有一定的粘合强度,以便被塑成所需的形状并能抵御高温铁水的冲刷而不会崩塌。
为了在砂型内塑成与铸件形状相符的空腔,必须先用木材制成模型,称为木模。
炽热的铁水冷却后体积会缩小,因此,木模的尺寸需要在铸件原尺寸的基础上按收缩率加大,需要切削加工的表面相应加厚。
空心的铸件需要制成砂芯子和相应的芯子木模(芯盒)。
有了木模,就可以翻制空腔砂型(铸造也称为“翻砂”)。
二、锻造在汽车制造过程中,广泛地采用锻造的加工方法。
锻造分为自由锻造和模型锻造。
自由锻造是将金属坯料放在铁砧上承受冲击或压力而成形的加工方法(坊间称“打铁”)。
汽车的齿轮和轴等的毛坯就是用自由锻造的方法加工。
模型锻造是将金属坯料放在锻模的模膛内,承受冲击或压力而成形的加工方法。
模型锻造有点像面团在模子内被压成饼干形状的过程。
与自由锻相比,模锻所制造的工件形状更复杂,尺寸更精确。
汽车的模锻件的典型例子是:发动机连杆和曲轴、汽车前轴、转向节等。
三、冷冲压冷冲压或板料冲压是使金属板料在冲模中承受压力而被切离或成形的加工方法。
日常生活用品,女口铝锅、饭盒、脸盆等就是采用冷冲压的加工方法制成。
例如制造饭盒,首先需要切出长方形并带有4个圆角的坯料(行家称为“落料”),然后用凸模将这块坯料压入凹模而成形(行家称为“拉深”)。
在拉深工序,平面的板料变为盒状,其4边向上垂直弯曲,4个拐角的材料产生堆聚并可看到皱褶。
第一章车削加工:在车床上主要对回转面进行加工的方法。
主要有:卧式车床,立式车床,转塔自动车床,数控车床铣削加工:可以用来加工平面、沟槽、螺纹、齿轮及成形表面,特别是复杂的特形面。
曲面刨削的加工方法:1.按划线刨削法:方法简单,适用单件生产,加工曲面表面粗糙,刨后应修光表面2.成型刀具刨削法:用于弧线相同的成形刨刀刨削曲面,用于一定批量生产,效率低,精度不高。
3.机械装置刨削法:较好的精度,加工质量稳定,用于大批量生产磨削加工:无心内圆磨削、行星式内圆磨削(工件不动,砂轮除了高速旋转外,砂轮轴还要围绕着固定中心作旋转运动以实现圆周进给)仿形磨削:是以预先制成的靠模为依据,加工时在一定的压力下,触头与靠模工作表面紧密接触,并沿其表面移动,通过仿形机构,使刀具作同步仿形动作,从而在零件毛坯上加工出与靠模相同形面的零件。
仿形加工类型:机械式,液压式,电控式,电液式,电光式机械式:仿形的触头与刀具之间是以刚性连接,或通过其他机构如放缩仪及杠杆等进行连接,以实现同步仿形加工。
液压式:利用液压油作为介质来传送运动信息和动力(优点:结构简单,体积小而输送功率大,动作适应力强,动作灵敏度高)电控式:以电信号传递仿形信息,利用伺服系统带动刀具做仿形运动。
{特点:系统结构紧凑,传递信号快捷,准确,灵敏度高,仿形触头压力小,易于实现远距离控制}电液式:以电传感器来传递仿形信号,利用液压力作为动力进行仿形加工雕刻加工:是对零件、模具型腔表面或面上的图案花纹、文字、数字的加工。
属于机械仿形加工,雕刻机加工不是直接作用式机械仿形加工,而是通过放缩尺进行仿形,雕刻机加工是在雕刻机上进行的。
雕刻机种类:平面雕刻机(用于雕刻平面上的文字、数字和图案),立体雕刻机(除了可进行平面雕刻以外,还可以进行小型模具的三维立体的雕刻)精密加工:坐标镗床、加工坐标镗床坐标镗床加工:是在坐标镗床上,利用精密坐标测量装置,对零件的孔及孔系进行高精度切削加工。
模具硬模制造工艺流程一、模具设计。
这是整个硬模制造的开头大戏。
设计师得像个超级魔法师一样,先搞清楚这个模具要干啥用。
比如说,是用来做手机壳那种小巧精致的东西,还是汽车零件那种大块头的。
然后呢,根据这些要求,把模具的形状、尺寸啥的都在图纸上画出来。
这里面学问可大了,就像搭积木,每个小部分都得严丝合缝。
而且呀,还得考虑到材料的收缩率这些小细节,不然做出来的模具可能就不好使啦。
这时候设计师就得跟生产的小伙伴们好好沟通,得让大家都明白他的设计思路,就像接力赛里交接棒一样重要。
二、材料准备。
材料就像做菜的食材,那可不能马虎。
硬模嘛,通常会用一些比较强硬的材料,像钢材之类的。
在选钢材的时候,就像挑水果一样,得挑质量好的。
钢材的硬度、韧性都得合适。
要是太硬了,加工起来就像跟石头较劲似的,太难搞了。
要是韧性不好呢,在使用过程中可能就容易断。
把钢材买回来以后,还得检验检验,看看有没有啥缺陷,就像挑衣服得看看有没有破洞一样。
然后根据设计的尺寸,把钢材切割成合适的大小块,这就像是把一块大蛋糕切成小块,方便后面加工。
三、加工制造。
1. 粗加工。
这就像是给钢材来个大刀阔斧的改造。
一般会用一些大型的加工设备,像铣床、车床啥的。
铣床就像一个超级大嘴巴,把钢材上多余的部分一口一口啃掉,让它初步接近设计的形状。
车床呢,就像一个旋转的小能手,把钢材夹在中间,让它转啊转,然后用刀具把外面多余的部分削掉。
这个过程听起来简单,其实可不容易呢。
操作人员得小心翼翼的,就像走钢丝一样,稍微一不小心,就可能把尺寸弄错了,那整个模具可就毁了。
2. 精加工。
粗加工完了,就到了精加工这个精细活啦。
这时候要用一些更精密的设备,像磨床、电火花加工啥的。
磨床就像一个超级细心的打磨工,把模具表面磨得光光滑滑的,像镜子一样。
电火花加工呢,就像一个神秘的小工匠,专门处理那些形状复杂的地方。
比如说一些小凹槽啊,小缝隙啊,普通的刀具可能进不去,电火花加工就能搞定。
这个过程就像给模具做个精致的美容,让它不仅实用,还好看。
模具制造工艺流程实例嘿,咱今儿就来说说模具制造工艺流程这档子事儿!你想啊,模具就像是个神奇的模子,能把各种材料变成咱想要的形状,那它是咋来的呢?先得有个设计吧,就好比盖房子得先有个图纸。
这设计可得精心,要考虑好多因素呢,尺寸啦、形状啦、用途啦,一个不小心,后面可就麻烦咯!然后就是选材啦,这就跟咱做饭选食材似的,得挑好的、合适的。
不同的模具得用不同的材料,得让它结实耐用,能经得住折腾。
材料选好了,就该加工啦。
这可是个技术活,又是切割又是打磨的,就像雕琢一件艺术品。
师傅们得小心翼翼,不能多切一点,也不能少磨一点,得刚刚好。
接着就是热处理啦,这就好比给模具来个“健身”,让它变得更强大、更坚韧。
经过这一遭,模具就更能扛事儿啦。
再然后就是装配啦,把各个零部件都组装到一块儿,就像搭积木似的,得严丝合缝。
最后还得测试呢,看看这模具做出来的东西合不合格,要是不行,那可就得重新来过啦。
你说这模具制造是不是挺有意思的?就像一个小工程,每个环节都不能马虎。
咱就拿做个塑料杯子的模具来说吧,要是设计的时候尺寸错了,那做出来的杯子不是大了就是小了,根本没法用。
要是选材不好,用几次就坏了,那多浪费啊。
要是加工的时候不精细,那杯子可能就坑坑洼洼的,多难看呀。
所以啊,模具制造工艺流程可真是太重要啦!这可关系到产品的质量和成败呢。
咱生活中的好多东西可都离不开模具制造,从小小的零件到大大的汽车外壳,哪个不是模具的功劳?你想想,要是没有模具,咱的生活得变成啥样?那好多东西都没法批量生产,成本得多高啊,咱也不可能享受到这么多物美价廉的好东西啦。
模具制造工艺流程就像是一场精彩的演出,每个步骤都是演员,都得演好自己的角色,才能呈现出一场完美的大戏。
咱可得好好珍惜这些模具,它们背后可凝聚着无数人的心血和智慧呢!。
四合扣翻铆模具制造工艺流程一、设计阶段。
做这个四合扣翻铆模具呀,最开始就得好好设计。
这就像盖房子得先有个蓝图一样。
设计师得把模具的各个部分都想清楚,比如说它的形状呀,尺寸呀。
这时候要考虑好多东西呢,要根据四合扣的大小和形状来确定模具的具体规格。
如果四合扣是那种小小的、精致的,那模具肯定不能做得太粗糙太大个啦。
而且呀,还要考虑到生产过程中的各种情况,像模具的耐用性,要是用不了几次就坏了,那可不行。
设计师这个时候就得绞尽脑汁,在脑海里把模具的样子一点点构建出来,就像在创作一个艺术品一样。
二、材料准备。
设计好了之后呢,就得准备材料啦。
这材料的选择可大有讲究哦。
就好像我们做菜选食材一样,不同的菜得选合适的食材。
对于四合扣翻铆模具来说,得选择那种强度够高的材料,毕竟在翻铆的过程中,模具要承受一定的压力呢。
而且材料还得有一定的韧性,不能太脆,不然容易断裂。
比如说,有些特殊的钢材就很适合。
这时候采购人员就得像个寻宝猎人一样,在众多的材料供应商里找到合适的材料,还得保证材料的质量是上乘的。
三、加工制造。
材料准备好了,就进入加工制造环节啦。
这个环节就像是一场精密的手术呢。
工人师傅们得用各种机器设备对材料进行加工。
首先得把材料切割成大致的形状,这就要求切割的精度要比较高,要是切歪了或者尺寸不对,那后面的工作就都没法顺利进行了。
然后就是进行一些精细的加工,像是钻孔呀,打磨呀。
钻孔的时候得小心翼翼的,要保证每个孔的位置和大小都准确无误。
打磨就更考验师傅的手艺了,要把模具的表面打磨得光滑平整,就像给娃娃的脸化妆一样,得做到一丝不苟。
在这个过程中,师傅们还得时不时地测量一下尺寸,看看是不是和设计的一样,要是有偏差就得及时调整。
四、组装调试。
加工制造完成后,就是组装调试啦。
这就像是给一个机器人组装零件然后让它动起来一样有趣。
把各个加工好的部件按照设计图组装在一起,这个时候可不能马虎哦,每个螺丝拧紧的程度都得合适。
组装好之后,就得开始调试啦。