JIS日本钢牌号
- 格式:doc
- 大小:21.00 KB
- 文档页数:2
国外钢材(日本JIS美国ASTM 标准牌号)一. 日本JIS标准钢管牌号表示方法:(70年代初)SGP ——普通碳素钢管;仅SGP一种;SGPW ——自来水用镀锌管;仅SGPW一种;STPG××——350℃以下受压用碳钢管;××表示σb≥××kgf/mm2STS××——高压用碳钢管;STPT××——高温用碳钢管;用于350℃以上;STPY××——电弧焊用碳钢管;仅STPY41一种;STPA××——合金钢管;××表示钢材编号:STPA11-STPA12 钼合金钢管;STPA21-STPA26铬钼合金钢管。
STPL××——低温用钢管;用于0℃以下,仅STPL39和STPL46两种;STBL××——低温(0℃以下)的热交换器钢管;仅STBL39和STBL46两种;STB××——锅炉和热交换器用碳钢管;有STB30、33、35、42四种;STL ——机车锅炉用钢管;仅STL一种;STBA××——锅炉和热交换器用合金钢管;STBA11-STBA12 钼合金钢管;STBA21-STBA26铬钼合金钢管。
STK××——普通结构用碳钢管;STKM××——机械结构用碳钢管;××表示σb≥××kgf/mm2STKS×——结构用合金钢管;×为序号,有STKS1-STKS10,大部分在序号后面又有A、B、C、等;STH××——高温气体氰化用无缝钢管;STM-C××——钻探用无缝钢管;作芯管用;STM-R××——钻探用无缝钢管;作钻杆用;二. 日本结构钢标准:1.一般结构用轧材G3101(1976)SS34、SS41、SS50 P≤0.050% S≤0.050%SS55 P≤0.040% S≤0.040% C≤0.30% Mn≤1.60%2.锅炉及压力容器用碳钢及含钼钢板G3103(1977)SB42、SB46、SB49 P≤0.035 S≤0.040 Mn≤0.90 Si=0.15-0.30C≤0.27/0.31/0.33(δ≤50时),C≤0.24/0.28/0.31(δ≤25时);SB46M、SB49M C≤0.21/0.23(0.18/0.20),Mo=0.45-0.60,其余同上。
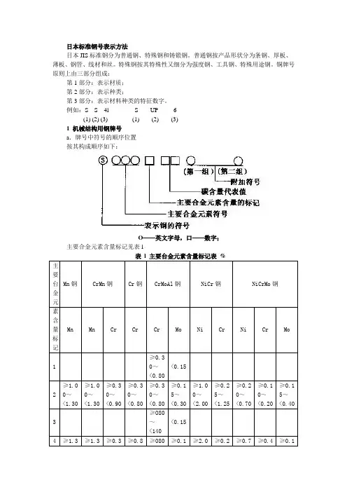
日本标准钢号表示方法日本JIS标准钢分为普通钢、特殊钢和铸锻钢。
普通钢按产品形状分为条钢、厚板、薄板、钢管、线材和丝。
特殊钢按其特殊性又细分为强度钢、工具钢、特殊用途钢。
铜牌号原则上由三部分组成:第1部分:表示材质;第2部分:表示种类;第3部分:表示材料种类的特征数字。
例如:S S 4l S UP 6(1) (2) (3) (1) (2) (3)1 机械结构用钢牌号a.牌号中符号的顺序位置按其构成顺序如下:O——英文字母,口——数字;主要合金元素含量标记见表l表l 主要台金元素含量标记表%主要台金元Mn钢CrMn钢Cr钢CrMoAl钢NiCr钢NiCrMo钢素含量标记Mn Mn Cr Cr Cr Mo Ni Cr Ni Cr Mo1 ≥0.30~<0.80<0.152 ≥1.00~<1.30≥1.00~<1.30≥0.30~<0.90≥0.30~<0.80≥0.30~<0.80≥0.15~<0.30≥1.00~<2.00≥0.25~<1.25≥0.20~<0.70≥0.10~<0.20≥0.15~<0.403 ≥O80~<140<0.154 ≥1.3≥1.3≥0.3≥0.8≥080≥0.1≥2.0≥0.2≥0.7≥0.4≥0.1用规定的碳含量中间值乘i00的数值表示,如该数值不是整数值,去掉小数取整数表示;如该数值在9以下时,其数值前加“0”表示;如两种牌号主要合盒元素符号、含量标记及碳含量代表值相同时,在碳含量较多的碳含量代表值上加“1”表示。
c.附加符号第一组,对基本钢添加特殊元素时使用下列符号:加Pb钢L加S钢S加Ca钢U第二组,除化学成分以外,保证特殊性能时使用下列符号:保证淬透性钢H渗碳用碳素钢K2 钢牌号分类钢牌号分类见表2。
表2 钢牌号分类表。
日本工业标准JIS简介JIS(Japanese Industrial Standards)是日本工业标准的代号。
JIS的制定对象是矿业品及工业制品。
但在工业制品中具有特殊标准体系的药品、农药、化肥以及农业物资不作为JIS的制订对象。
JIS标准是由日本工业标准调查会JISC(Japanese Industrial Standards Committe)所制订的标准,该组织是日本官方机构,由通产省大臣和副大臣任JISC的正、副会长。
办事机构是日本通产省工业技术院,成员包括各方面专家、学者、政府部门及消费者代表,主要任务是审批、发布JIS标准。
这样的建制是由1949年7月1日实施《工业标准化法》后实施的。
JIS标准按其标准对象分类。
目前共有“土木建筑”、“汽车”、“钢铁”、“有色金属”等18类部门,各用英文字母表示(标于标准号中的“JIS”和“××××(标准号)”之间)。
与我们相关的钢铁→G;化学→K;其他(包括试验方法、焊接等)→Z。
按JIS标准内容的性质分为:①产品标准②试验方法标准③基础标准。
JIS标准制定过程有着标准化的程序,并保持透明度。
从制订项目的确立、标准草案的制定、标准审议等过程均在官方标准化杂志上发布官方公告,供任何有兴趣有意见者有机会提出自己的意见。
目前,JIS 共计有8000多个标准,其中钢铁标准有320多个,JIS钢铁标准的特点是除机械结构钢外,标准中“钢”与“钢产品”是统一的,并且用途特点比较突出,在使用上比较方便。
除试验方法以标准外,不存在标准引用标准的复杂情况。
同时,标准指标比较粗线条,同一标准可供制造厂在生产产品时具有较大自由度。
日本于1952年参加ISO,1953年参加IEC,为了达到WTO/TBT协定(世贸组织标准守则)的要求,日本积极参加ISO标准的制定工作并任多个技术委员会的秘书国,并于1995年3月制定了“JIS与ISO整合化”的三年计划,目前已在多个JIS标准后附上相应ISO标准内容,并尽量也其靠拢。
日本标准JIS牌号的说明一、S非机械结构用钢牌号表示方法:JIS非机械结构用钢牌号原则上由以下三部分构成:1,表示材质;2,表示产品的品种类别及用途;3,细分类例:S S 400 S PHT 11 2 3 1 2 3详细说明:1、用英文字母或罗马字头表示材质,钢铁材料大部分用S(STEEL)或F(Ferrum)。
例外的有:1,少数铁合金用元素化学符号直接表示如SiMn(矽锰合金)、MCr(金属铬);2,含硅电工钢SXXX(S:Silicon),(已于1987年废止)。
2、用英语字母或罗马字头表示板、棒、管、线材、铸件等的产品品种形状类别以及用途,位数视不同产品而不同,常见的符号举例如下:S(Structure结构用);PC(Plate Cold冷轧薄板带);M(Marine转义焊接);PH(Plate Hot热轧薄板带);B(Boiler锅炉用);PHT(Plate Hot Tube管用热轧钢带);C(Casting铸件);PFH(Plate Formability Hot冷成型用热轧板带);F(Forging锻件);USB(Use Stainless Bar特殊用途不锈钢棒);EC(Electrolytic Cold冷轧电镀锌)GH(Galvainized Hot热轧基板热镀锌);3、用英文字母或数字表示产品细分类或规定强度值(最低抗拉强度或屈服强度值),常见的符号举例如下:SM490(490为以MPa为单位的最低抗拉强度值);SPCC(Commercial一般用);SG295(295为以MPa为单位的最低屈服强度值);SPHT1(1种)除上述牌号组成外,为了进一步说明形状、制造方法、热处理等内容,在牌号后还可标以附加符号,常见的符号举例如下:CP(Cold Plate冷轧板);CS(Cold Strip冷轧带);WR(Wire Rod线材);HP(Hot Plate热轧板);HS(Hot Strip热轧带);TP(Tube Pipes配管用管);R(Rimmed沸腾钢);K(Killed镇静钢);A(铝镇静钢);R(as-rolled轧制状态);A(annealing 退火);N(normalize正火);Q(调质);NT(正火+回火);TMC(控制轧制)。
工字钢日标号
(原创版)
目录
1.工字钢的概述
2.日标号的含义
3.工字钢的日标号表示方法
4.工字钢日标号的应用
正文
一、工字钢的概述
工字钢,又称之为宽翼缘钢梁,是一种具有经济性和高强度的钢材。
它的名字来源于其横截面形状像汉字“工”字,两侧为宽翼缘,中间为窄腰。
工字钢因其结构特点,既具有较高的承载能力,又具有良好的稳定性,所以在建筑、桥梁、机械等领域中被广泛应用。
二、日标号的含义
日标号,即日本工业标准(JIS)编号,是日本对钢材牌号的表示方式。
它由数字和字母组成,代表了钢材的材质、规格、化学成分、力学性能等技术要求。
日标号是日本钢铁产品生产、检验、使用和销售的重要依据。
三、工字钢的日标号表示方法
工字钢的日标号表示方法一般为:JIS G 3118-XX。
其中,XX 代表钢的种类和规格。
例如,JIS G 3118-2004 表示的是宽 100mm、高 100mm 的普通型工字钢。
四、工字钢日标号的应用
在我国,工字钢的日标号主要应用于以下几个方面:
1.钢结构建筑:工字钢因其较高的承载能力和稳定性,被广泛应用于钢结构建筑中,如高层建筑、桥梁、体育馆等。
2.机械制造:工字钢在机械制造领域中也有广泛应用,如机床、汽车、船舶等。
3.输电铁塔:工字钢因其良好的承载能力和稳定性,也被用于输电铁塔的制造。
日本JIS 标准的钢号表示方法JIS 是现行的日本工业标准(Japanese Industrial Standard )的代号。
日本的钢铁材料标准规格,经过了多次更换,早先采用的JES 标准(Japanese Engineering Standard ),即“旧JES ”(JES original ),以及“临时JES ”(JES temporary)和JES 金属“,现在均己被JIS 标准所代替,而另外一些标准则己废弃不用了。
JIS 标准自1974年起引入国标单位(SI ),与原来的非SI 单位并用,并且计划逐步过渡到全面采用国标单位。
JIS 钢铁材料规格,分为铁和钢两大类。
铁类又分为生铁,铁合金和铸铁。
钢又分为普通钢、特殊钢和铸锻钢,其中普通钢按形状又分为条钢、厚钢、薄钢、钢管、线材和钢丝,特殊钢按特性又分为结构钢、工具钢、特殊用途钢等。
一、 JIS 钢号表示方法概述JIS 号按照上述的分类,原则上由三部分组成,例如:S S 34 S UP S结合以上例子,对JIS 标准的钢号表示方法作以下几点分析:(一)钢号第一部分采用英文字母,表示产材料分类。
例如:“S ”表示(Steel ),“F ”表示铁(Ferrum ),“M ”表示磁性材料或纯金属(Magnet, Metallic-),等等。
但“S ”为首的牌号也有例外,如“SP ”表示镜铁(Spiegeleisen );”Sxx ”表示冷轧硅钢片(S 是Silicon 的缩写),“SiMn ”表示硅锰合金(Silicon-Manganese ).(二)钢号第二部分采用英文字母或假名拼音的罗马字,表示用途、钢材种类及铸锻件制品等。
大部分钢号第二位字母为K——工具)(Kogu);U——特殊用途(Use);P——薄板(Plate);T——钢管(Tube);W——线材、钢丝(Wire);C——铸件(Casting);F——锻材(Forging)。
为了进一步区分,钢号第二部分常采用几个字母组合来表示,见表1.36;其中结构钢材号的表示方法与其他各组钢号不同,详见本节之二。
日本是钢铁工业发展较快的国家之一,形成了比较完备的标准化体系,其板带方面的标准类别齐全,自成体系。
所有加工过程的产品均有相应的标准,而且不同加工过程产品在标准体系中都非常显著地表现出来,脉络非常清楚。
因而在台湾地区、韩国、东南亚等地都用日本标准,中国的钢材经销商也比较多地接触日本标准。
日本标准与西方标准最大区别在于对材料性能分级时,ISO标准及西方标准都按屈服强度来分级,而日本标准是采用抗拉强度。
在这方面日本标准一直未与ISO 标准接轨,只是在标准后附录ISO 标准。
日本标准相对比较陈旧,规范比较粗糙,其目的是留下空间让企业制定更严格的企业标准。
1. 日本板带方面的标准分类日本板带类标准按产品用途分为两大类,第一类是一般用(CQ)和冲压用(DQ)板带,第二类是结构用(SQ)板带。
这两大类材料的根本性区别在于因为用途不同,所以对材料要求的侧重点不同。
一般用和冲压用板带要求材料经过一定的变形加工后使用,因而需要较好的加工性能,即要较好的屈服强度,较高的延伸率,也就对化学成分提出了较高要求。
而结构钢一般不经过复杂的加工,直接用于各类工程结构方面,因而需要较高的强度,对延伸率要求相对较低一点,相对地对化学成分要求也不是很苛刻。
2. 日本一般用和冲压用板带的分级一般用和冲压用板带质量主要体现在加工性能上,所以按其所能达到的冲压级别分级,对于热轧板带(JIS G3131)和冷轧板带(JIS G3141)分三级,分别是一般用的商品(CQ)级、深冲(DQ)级和超深冲(EQ)级。
冲压级别的提高,要求材料的延伸率越来越高,相应地要求含碳量越来越低,有害元素磷、硫越来越少。
而对抗拉强度的要求达到基本的270N/mm2即可。
3. 日本标准结构用板带的分级结构用板带的品质体现在其使用性能方面,因而按其材料能够达到的力学性能分级,日本标准一般根据抗拉强度分级,即材料抵抗外力拉断的性能,分为340、400、440、490、570 N/mm2等五个级别。
日本标准钢号表示方法日本标准钢号表示方法:日本JIS标准钢分为普通钢、特殊钢和铸锻钢。
(1)普通钢按产品形状分为条钢、厚板、薄板、钢管、线材和丝。
(2)特殊钢按其特殊性又细分为强度钢、工具钢、特殊用途钢。
(3)钢牌号原则上由三部分组成:第1部分:表示材质;第2部分:表示种类;第3部分:表示材料种类的特征数字。
例如:S S 4l S UP 6(1) (2) (3) (1) (2) (3)1 机械结构用钢牌号a.牌号中符号的顺序位置按其构成顺序如下:O——英文字母,口——数字;主要合金元素含量标记见表l表 l 主要台金元素含量标记表 %b .碳含量代表值用规定的碳含量中间值乘i00的数值表示,如该数值不是整数值,去掉小数取整数表示;如该数值在9以下时,其数值前加“0”表示;如两种牌号主要合盒元素符号、含量标记及碳含量代表值相同时,在碳含量较多的碳含量代表值上加“1”表示。
c.附加符号第一组,对基本钢添加特殊元素时使用下列符号:加Pb钢 L加S钢 S加Ca钢 U第二组,除化学成分以外,保证特殊性能时使用下列符号:保证淬透性钢 H渗碳用碳素钢 K2 钢牌号分类钢牌号分类见表2。
表2 钢牌号分类表JIS日本工业标准调查会JIS(Japanese Industrial Standard)标准是由日本工业标准调查会(Japanese Industrial Standard Committee 缩写JISC)制定的。
JIS标准各类钢管产品标准由标准代号、字母类号、数字类号、序号、制定(或修订)年份组成见下表。
1 JISC J1S G0582—2004 日本钢管的超声波探伤检验2 JISC JIS G0583—2004 用环形盘绕法对日本钢管进行涡流探伤检验3 JISC JIS G0584—2004 电弧焊日本钢管的超声波探伤检验4 JISC JIS G3132—1990 日本钢管用热轧碳素钢带5 JISC JIS G3429—1988 高压气体容器用无缝日本钢管6 JISC JIS G3439—1988 油井用无缝日本钢管7 JISC JIS G3441—1988 机械结构用合金钢日本钢管8 JISC JIS G3442—2004 普通管系用镀锌日本钢管9 JISC JIS G3443—2004 输水用涂覆日本钢管10 JISC JIS G3444—1994 一般结构用碳素日本钢管11 JISC JIS G3445—1988 普通结构用碳素钢铡管12 JISC JIS G3446—1994 机械结构用不锈钢日本钢管13 JISC JIS G3447—1994 卫生用不锈钢日本钢管14 JISC JIS G3448—2004 普通管路用轻型不锈钢日本钢管15 JISC JIS G3451—1987 输水管路用涂层日本钢管的异型管件16 JISC JIS G3452—2004 普通管系用碳素日本钢管17 JISC JIS G3454—1988 压力管路用碳素钢日本钢管18 JISC JIS G3455-1988 高压管路用碳素钢日本钢管19 JISC JIS G3456—2004 高温管路用碳素日本钢管20 JISC JIG G3457—1988 管路用电弧焊接碳素钢日本钢管21 JISC JIS G3458—1988 管路用合金钢日本钢管22 JISC JIS G3459—2004 不锈钢日本钢管23 JISC JIS G3460-1988 低温管路用日本钢管24 JISC JIS G3461—1988 锅炉与热交换器用碳素钢日本钢管25 JISC JIS G3462—2004 锅炉与热交换器用合金钢日本钢管26 JISC JIS G3463-1994 锅炉与热交换器用不锈钢日本钢管27 JISC JIS G3464—1988 低温热交换器用日本钢管28 JISC JIS G3465—1988 钻探用无缝日本钢管29 JISC JIS G3466-1988 普通结构用方形碳日本钢管30 JISC JIS G3467—1988 加热炉用日本钢管31 JISC JIS G3468—2004 大口径焊接不锈日本钢管32 JISC JIS G3469-2002 聚乙烯覆层日本钢管33 JISC JIS G3472—1988 汽车结构用电阻焊碳素钢日本钢管34 JISC JIS 63473—1988 汽缸套用碳素钢日本钢管35 JISC JIS G3474-1995 塔结构用高强度钢日本钢管36 JISC JIS 63475-1996 建筑结构用碳素日本钢管37 JISC JIS G5201-1991 焊接结构用离心铸日本钢管38 JISC JIS G5202-1991 高温高压装置用离心铸日本钢管39 JISC JIS G5526-1998 可锻铸铁管40 JISC JIS G5528-1984 球墨铸铁管内壁环氧树脂的涂布方法41 JISC JIS G7215—2003 机械用光端无缝日本钢管(ISO 规范)42 JISC JIS G7216—2003 光端无缝精密日本钢管.交货技术条件(ISO 规范)43 JISC JIS G7217—2003 光端焊接精密日本钢管.交货技术条件(ISO 规范)44 JIS G7218—2003 焊后定径光端精密日本钢管.交货技术条件(ISO 规范)45 JISC JIS G7219—2003 承压用无缝日本钢管.交货技术条件.第1部分:规定室温特性的非合金钢(ISO 规范)46 JISC JIS G7220—2003 承压用无缝日本钢管.交货技术条件.第2部分:规定高温特性的非合金钢及合金钢(ISO 规范)47 JISC JIS G7221—2003 承压用无缝日本钢管.交货技术条件.第3部分:规定低温特性的非合金钢及合金钢(ISO 规范)48 JISC JIS G7222—2003 承压用无缝日本钢管.交货技术条件.第4部分:奥氏体不锈钢(ISO 规范)49 JISC JIS G7223—2003 承压用焊接日本钢管.交货技术条件.第l 部分:规定高温特性的非合金日本钢管(ISO 规范)50 JISC JIS G7224—2003 承压用焊接日本钢管.交货技术条件.第2部分:规定室温特性的电阻焊接和感应焊接非合金日本钢管和合金日本钢管(ISO 规范)51 JISC JIS G7225—2003 承压用焊接日本钢管.交货技术条件.第3部分:规定低温特性的电阻焊接和感应焊接非合金日本钢管和合金日本钢管(ISO 规范)52 JISC JIS G7226—2003 承压用焊接日本钢管.交货技术条件.第6 部分:纵向焊接的奥氏体不锈日本钢管(ISO 规范)53 JISC JIS BO151-2001 铁管和日本钢管配件.词汇54 JISC JIS B2220—2004 日本钢管法兰55 JISC JIS B2302—1998 螺旋式日本钢管配件56 JISC JIS C8305—1999 硬日本钢管道57 JISC JIS C8380—1993 架空索道用塑料涂层日本钢管58 JISC JIS D3607-1-2002 柴油发动机。
普通及机械结构用钢板中常见的日本牌号
1、日本钢材(JIS系列)的牌号中普通结构钢主要由三部分组成第一部分表示材质,如:S(Steel)表示钢,F(Ferrum)表示铁;第二部分表示不同的形状、种类、用途,如P(Plate)表示板,T(Tube)表示管,K(Kogu)表示工具;第三部分表示特征数字,一般为最低抗拉强度。
如:SS400——第一个S表示钢(Steel),第二个S表示“结构”(Structure),400为下限抗拉强度400MPa,整体表示抗拉强度为400MPa的普通结构钢。
2、SPHC——首位S为钢Steel的缩写,P为板Plate的缩写,H 为热Heat的缩写,C为商业Commercial的缩写,整体表示一般用热轧钢板及钢带。
3、SPHD——表示冲压用热轧钢板及钢带。
4、SPHE——表示深冲用热轧钢板及钢带。
5、SPCC——表示一般用冷轧碳素钢薄板及钢带,相当于中国Q195-215A牌号。
其中第三个字母C为冷Cold的缩写。
需保证抗拉试验时,在牌号末尾加T为SPCCT。
6、SPCD——表示冲压用冷轧碳素钢薄板及钢带,相当于中国08AL(13237)优质碳素结构钢。
7、SPCE——表示深冲用冷轧碳素钢薄板及钢带,相当于中国08AL(5213)深冲钢。
需保证非时效性时,在牌号末尾加N为SPCEN。
冷轧碳素钢薄板及钢带调质代号:退火状态为A,标准调质为S,1/8
硬为8,1/4硬为4,1/2硬为2,硬为1。
表面加工代号:无光泽精轧为D,光亮精轧为B。
如SPCC-SD表示标准调质、无光泽精轧的一般用冷轧碳素薄板。
再如SPCCT-SB表示标准调质、光亮加工,要求保证机械性能的冷轧碳素薄板。
8、JIS机械结构用钢牌号表示方法为:
S+含碳量+字母代号(C、CK),其中含碳量用中间值×100表示,字母C:表示碳K:表示渗碳用钢。
如碳结卷板S20C其含碳量为0.18-0.23%。