管式炉1基础知识
- 格式:pptx
- 大小:112.58 KB
- 文档页数:21
把我写的一点资料发给你,供参考:9.1 管式加热炉9.1.1 加热炉的烘炉操作9.1.1.1 烘炉的目的(1)脱除炉体内耐火砖及耐火填料(其他耐火材料)等材质内部水分,以免在炉膛急剧升温时,因水分大量汽化膨胀而造成炉体里裂纹或变形,甚至倒塌;(2)使耐火胶泥得到充分烧结;(3)对燃料系统、蒸汽系统工艺管道,设备及自动控制进行热负荷试运;(4)考核加热炉烧嘴(燃烧器)使用效果;(5)考验炉体各部件在热状态下的性能9.1.1.2烘炉前的准备工作(1)对施工质量进行验收;2)检查炉墙砌筑(砖缝、烟道、膨胀缝)情况(3)检查炉体保温及保护层的质量情况(4)检查炉管、回弯头、堵头、顶丝、花板、吊架、防爆门、看火窗、火嘴安装情况;) (5)检查加热炉活动部件是否灵活好用(如烟道挡板、风门等),烟道挡板指针是否与实际开度对应,并将烟道挡板打开1/3;(6)装备好燃料(油或燃气)供应;(7)准备好点火工具及消防安全器材;(8)炉管及蒸汽系统试压完毕。
9.1.1.3 烘炉升温曲线.烘炉的升温速度应缓慢,根据加热炉的热负荷和砌筑材料不同,烘炉时间一般为7~10天,烘炉升、降温情况应严格按烘炉曲线进行(加热炉在设计时都规定了烘炉升温曲线)。
9.1.1.4 烘炉注意事(1)烘炉向炉管内通蒸汽时,赶尽存水操作应缓慢进行,以防水击;(2)烘炉过程要加强检查,按烘炉曲线操作,升温均匀而缓慢,发现异常现象应请示处理((3)升温达到规定最高温度并恒温操作,当降温至250℃熄灭火嘴,关闭全部通风口进行闷炉,使炉膛温度缓慢下降;(4)当炉膛温度下降至100℃时,打开人孔和烟道挡板,进行自然通风冷却,烘炉结束。
.1.1.5 烘炉后的检查(1)检查各部砌砖(或浇铸料)有无裂缝,耐火衬里(浇铸料)有无脱落,钢架吊挂有无弯曲,炉管有无变形,基础是否下沉等。
(2)砖缝取样分析,水分若低于7%,认为合格,可供正常开工使用。
9.1.2 开炉点火操作.1.2.1 点炉前的准备工作(1)炉管用蒸汽试压检查炉管堵头、胀口、回弯头等是否漏油;(2)检查火嘴是否完好,炉膛、烟道内有无杂物;(3)检查看火孔、防爆门、风门、烟道挡板等是否灵活好用,无问题即将看火孔、防爆门关闭,烟道挡板打开1/3;(4)检查消防蒸汽管道是否畅通好用,其他消防器材是否齐全(5)用蒸汽贯通检查火嘴(燃油烧嘴)是否好用,阀门开关是否灵活;(6)燃油时,提前进行燃油循环(燃油供应,为了供油稳定,一般供油管路为循环管路),并加热燃料油使其达到80~90℃,做好油槽脱水工作;(7)向过热蒸汽炉管引汽(焦油加热炉),并在出口放空9.1.2.2 管式热炉点火操作燃油烧嘴点火步骤:2(1)调整好风门开度,开大所有火嘴蒸汽,吹扫炉膛10~15min(烟囱冒汽为止),然后关小火嘴蒸汽(使用空气雾化时,也要先用蒸汽便头吹扫炉膛(2)将已点燃的点火棒放在火嘴的顶端,身置一侧,面部勿对准火嘴,防止回火烧伤;(3)点火时先开汽,后开油。
管式炉的相关原理介绍管式炉是一种常见的热处理设备,广泛应用于各类工业生产中。
本文将介绍管式炉的相关原理,包括工作原理、炉体结构、热传递原理等方面的内容。
一、工作原理管式炉是一种加热装置,用于加热工件或料件,将其加热到一定温度范围内,以满足工业生产中的各种需求。
管式炉采用间接加热方式,即通过高温燃烧气体或电加热器加热管内的热传递油,再将热传递油传递给管壁,以此将工件或料件加热。
二、炉体结构管式炉由燃烧室、热交换器、管道、管壁、工件传递装置等元件组成。
其中,燃烧室包括燃烧器、点火器等部件,用于将气体燃烧产生高温的气体。
热交换器包括热传递油装置、传热管、绝热层等部分,用于将热传递油加热后传递给管壁。
管道用于将加热油循环送入热交换器中。
管壁负责将加热油传递给工件或料件,使其被加热。
工件传递装置用于将工件或料件送入管壁内进行加热。
三、热传递原理管式炉的热传递原理主要包括对流传热、辐射传热和导热传热三种方式。
1.对流传热在管式炉内,热传递油被加热后,以对流方式进行传递。
具体来说,油经过热交换器后,流经管道返回至燃烧室,并再次被加热。
这样的循环过程既可以保证油温度达到要求,也可以保证工件或料件得到均匀的加热。
2.辐射传热在管式炉内,燃烧室内部的高温气体可以通过辐射方式传热。
燃烧室顶部通常安装有辐射板,将燃烧室内部的辐射热传递给管式炉内的工件或料件。
3.导热传热在管式炉内,热传递油经过热交换器被加热后,进入管壁内,经过管壁的导热传递机制将热量传递给工件或料件。
在管壁内,热传递油流经管子时,管子的壁厚会对导热传热起到一定的影响。
四、总结以上是管式炉的相关原理介绍,管式炉的应用非常广泛,可以用于热处理、干燥、烘焙等不同领域的生产过程。
在工业生产中,管式炉对于提高生产效率、改善产品质量等方面起到了重要作用。
石油化工管式炉的基础知识管式加热炉是石油炼制、石油化工和化学、化纤工业使用的。
工业中使用的工艺加热炉,它具有其他工业炉所没有的若干特点。
1.工作原理石油化工管式炉是直接见火的加热设备,燃料在管式炉的辐射室内燃烧,释放出的热量主要通过辐射传热和对流传热传递给炉管,再经过传导传热和对流传热传热传递给管内的被加热介质,这就是管式炉的工作原理。
2.管式加热炉的特征是:(1)被加热物质的管内流动,故仅限于加热气体或液体。
而且,这些气体或液体通常都是易燃的烃类物质,同锅炉加热水或蒸汽相比,危险性大,操作条件要苛刻得多。
(2)加热方式为直接受火式。
(3)只烧液体或气体燃料。
(4)长周期连续运转,不间断操作。
3.管式加热炉的分类3.1 按功能分类;加热型管式炉和加热-反应型管式炉3.2 按炉型分类:圆筒炉、立式炉和大型箱式炉3.3 按工艺用途分类;加热炉和反应炉反应炉:炉管类被加热的物料在压力和催化剂作用下进行反应。
4.管式加热炉结构管式加热炉的一般结构:一般由辐射室、对流式、余热回流系统、燃烧器以及通风系统五部分组成。
4.1 辐射室辐射室是通过火焰或高温烟气进行辐射传热的部分。
这个部分直接受到火焰冲刷,温度最高,必须充分考虑说用材料的强度、耐热性能等。
这个部分是热交换的主要场所,全炉热负荷的70%-80%是由辐射室担负的,它是全炉最重要的部位。
烃蒸汽转化炉、乙烯裂解炉等,其反应和裂解过程全部都用辐射室来完成。
可以说,一个炉子是优是劣主要看它的辐射室性能如何。
4.2 对流室对流室是靠由辐射室出来的烟气进行对流换热的部分,但实际上它也是有一部分辐射热交换,而且有时辐射换热还占有破大的比例。
所谓对流室不过是指“对流传热起支配作用”的部位。
对流室内密布多排炉管,烟气比较大速度冲刷这些管子,进行有效的对流换热。
对流室一般担负全炉热负荷的20%~30%。
对流室吸热量的比例越大,全炉的热效率越高,但究竟占多少比例合适应根据管内流体同烟气的温度差和烟气通过对流管排的压力损失等,选择最经济合理的比值。
管式加热炉的基本知识一、管式加热炉的分类与特征各种管式加热炉通常可按外形或用途来分类。
1.按外形大致可分为四类:箱式炉、立式炉、圆形炉、大型方炉。
这种划分方法是按辐射室的外观形状区分,而与对流室无关。
例如:所谓箱式炉,顾名思义其辐射室为一箱子状的六面体。
所谓立式炉,其辐射室为直立状的六面体,其宽度要窄一些,两侧墙的间距与炉膛高度之比约为1:2。
1.1箱式炉1.1. 1横管和立管大型箱式炉如图2.5.1、图2.5.2所示,这两种炉型结构基本一致,只是一为横管、一为立管。
它们的优点是只要增加中央的隔墙数目,可在炉膛体积热强度图2.5.1 横管大型箱式炉图2.5.2 立管大型箱式炉图2.5.3 顶烧式炉图2.5.4 斜顶炉错误!未指定书签。
不变的前提下,“积木组合式”地把炉子放大。
该炉型适合于大型炉,其主要缺点是敷管率低,炉管需要合金吊挂,造价高,需设独立烟囱等。
1.1. 2顶烧式炉图2.5.3为顶烧式炉。
这种炉子的燃烧器和辐射炉管交错排列,单排管双面辐射,管子沿整个圆周的热分布均匀,燃烧器顶烧,对流室和烟囱在地面。
它的缺点是炉子体积大,造价较高,用于单纯加热不经济。
目前,在合成氨厂常用它作为大型烃蒸汽转化炉的炉型。
1.1. 3斜顶炉图2.5.4为斜顶炉,它由箱式炉演变而来,砍去其炉膛烟气流动死区而变成斜顶炉。
常用的是双斜顶炉。
由于改成斜顶,使箱式炉受热不均匀性有所改善,处理量也可加大。
其对流室在中间,烟气下行经地下或地面烟道排入烟囱内,也可在烟道处加装空气预热器,提高炉子热效率。
这种炉子没有克服箱式炉的其它缺点,除老装置原有使用外,新建装置很少采用。
1.2立式炉1.2.1底烧横管立式炉图2.5.5为底烧横管立式炉,传热方式与箱式炉相似,辐射室保持了立式炉特点。
炉管布置在两侧,中间是一列底烧的燃烧器,烟气由辐射室经对流室、烟囱一直上行。
其燃烧器能量小,数量多,在炉子中央形成一道火焰膜,以提高辐射传热效果。
管式加热炉56个基础知识解答与综合反平衡热效率简化计算方法1、什么叫燃烧?燃烧的基本条件是什么?答:燃烧是物质相互化合而伴随发光、发热的过程。
我们通常所说的燃烧是指可燃物与空气中的氧发生剧烈的化学反应。
可燃物燃烧时需要有一定的温度,可燃物开始燃烧时所需要的最低温度叫该物质的燃点或着火点。
物质燃烧的基本条件:一是可燃物,如燃料油、瓦斯等;二是要有助燃剂,如空气、氧气;三是要有明火或足够高的温度。
三者缺一就不能发生燃烧,这就是“燃烧三条件”或“燃烧三要素”。
2、燃烧的主要化学反应是什么?燃烧产物中主要成份是什么?答:主要化学反应:C+O2→CO2+热量;2H2+O2→2H2O+热量;S+O2→SO2+热量;燃烧产物(烟气)中主要成份:二氧化碳(CO2)、一氧化碳(CO)、二氧化硫(SO2)、水蒸汽(H2O)、氮气(N2)、多余的氧(O2)。
3、什么是辐射传热、对流传热?答:辐射传热是一种由电磁波来传递能量的过程,所传递的能量叫做辐射能,辐射具有微粒性(光子)和波动性(电磁波)两重性质。
对流传热是液体或气体质点互相变动位置的方法将热量自空间的一部分传递到其他部分。
4、什么叫管式加热炉?它有哪些特性?答:管式加热炉是石油炼制、石油化工和化学、化纤工业中使用的工艺加热炉,它具有其它工业炉所没有的若干特点。
其基本特点:具有用耐火材料包围的燃烧室,利用燃料燃烧产生的热量将物质加热的一种设备。
管式加热炉特性:1)被加热物质在管内流动,故仅限于加热气体或液体;2)加热方式为直接受火式;3)只烧液体或气体燃料;4)长周期连续运转,不间断操作。
5、管式加热炉的工作原理是什么?答:管式加热炉的工作原理是:燃料在管式加热炉的辐射室(极少数在单独的燃烧室)内燃烧,释放出的热量主要通过辐射传热和对流传热传递给炉管,再经过传导传热和对流传热传递给被加热介质,这就是管式加热炉的工作原理。
6、管式加热炉的主要特点是什么?答:与炼油装置的其他设备相比,管式加热炉的特殊性在于直接用火焰加热;与一般工业炉相比,管式加热炉的炉管承受高温、高压和介质腐蚀;与锅炉相比,管式加热炉内的介质不是水和蒸汽,而是易燃、易爆、易裂解、易结焦和腐蚀性较强的油和气,这就是管式加热炉的主要特点。
使用管式炉的技巧标题:掌握使用管式炉的技巧,为烹饪带来更多可能导言:管式炉是现代厨房中常见的烹饪工具之一,它提供了更精确的温度控制和更均匀的加热效果。
本文将深入探讨使用管式炉的技巧,以帮助你在烹饪过程中取得更好的效果。
第一部分:管式炉的原理和优势1.1 管式炉的工作原理:介绍管式炉的结构和热传导方式,解释其为何具有更好的温度控制和加热均匀性。
1.2 相对传统炉具的优势:对比传统炉具,强调管式炉在节能、环保和使用便捷性方面的优势。
第二部分:管式炉的使用技巧2.1 选择合适的炉具:根据个人需求和烹饪习惯选择适合自己的管式炉,介绍不同型号和功能的炉具,并给出选购建议。
2.2 温度控制的技巧:讲解如何利用管式炉的温度控制功能来掌握不同烹饪方法的要领,包括预热、调节火力和控制时间等。
2.3 烹饪器具的选择:为不同食材和烹饪方式推荐合适的烹饪器具,如平底锅、砂锅和蒸锅等,以确保最佳的烹饪效果。
2.4 注意安全事项:提醒使用管式炉时需要注意的安全事项,如避免长时间使用、及时关掉电源和防止意外触碰等。
第三部分:管式炉的创新应用3.1 烹饪调味品和酱料:探讨使用管式炉制作调味品和酱料的技巧,如炖汁、焦糖化和调和等,以提升烹饪的口感和风味。
3.2 控制火力以实现高难度技巧:介绍如何利用管式炉的温度控制,实现高难度技巧,如炉边烹饪、逆煮和奶油料理等。
3.3 多功能烹饪:探索管式炉的多功能应用,如加热速冻食品、蒸煮和烘烤等,以满足不同的烹饪需求。
总结与回顾:从管式炉的原理和优势开始,我们深入探讨了其使用技巧和创新应用。
通过掌握这些技巧,你可以在烹饪中更好地利用管式炉的优势,提高食物的口感和风味。
使用管式炉不仅可以为你带来更多可能,还可以为你的烹饪体验增添乐趣。
观点和理解:管式炉作为现代烹饪工具的一大创新,为我们带来了更多烹饪的可能性。
通过深入了解其原理和使用技巧,我们可以更好地利用它的优势,实现更精准、更均匀的加热效果。
管式炉使用方法一、前言管式炉是一种常用的加热设备,广泛应用于化工、制药、食品等行业。
正确使用管式炉不仅能提高生产效率,还能延长设备寿命,保证生产安全。
本文将介绍管式炉的使用方法,包括准备工作、操作流程、注意事项等。
二、准备工作1.清洁管式炉:在使用管式炉前,需要先将其表面清洁干净。
可以使用软布或刷子轻轻擦拭,避免使用硬物刮伤表面。
2.检查电源:确认电源是否正常,并检查电线是否有损坏或老化现象。
3.检查温度控制器:确认温度控制器是否可靠,并检查传感器是否正确安装。
三、操作流程1.设置温度:根据需要设置管式炉的温度。
通常情况下,温度应该在设定值的10%以内。
2.加入样品:将待加热的样品放入管式炉中,并注意不要堆积过多,以免影响加热效果。
3.启动电源:将电源开关打开,并开始加热。
在加热过程中需要时刻关注温度变化,确保温度控制器的准确性。
4.结束加热:当样品加热到设定温度时,需要及时关闭电源,并将样品取出。
四、注意事项1.安全使用:在使用管式炉时,必须注意安全。
不要将电源线插入不合适的插座或使用损坏的电线。
2.防止过载:管式炉使用过程中,不能超过其额定功率。
如果需要加热大量物质,应该选择功率更高的设备。
3.防止损坏:管式炉在加热过程中会产生高温,因此必须避免碰撞或撞击设备以免造成损坏。
4.保持清洁:管式炉在使用后应该及时清洁,并保持干燥。
同时还需要注意不要让水或其他液体进入设备内部。
五、总结正确使用管式炉能够提高生产效率,延长设备寿命,并保障生产安全。
在操作过程中需要遵守相关规定和注意事项,并进行维护和保养。
希望本文能够为您提供帮助,正确使用管式炉并取得良好的效果。
加热炉的烘炉管式炉炉墙施工完毕后应进行烘炉,其目的是为了缓慢地除去炉墙内施工过程中积存的水份,并使耐火材料得到充分的烧结。
如果这些水份不去掉,开工时炉温上升很快,炉墙内的水份急剧蒸发而损坏炉墙。
在烘炉时,炉管内通入蒸汽。
炉管内蒸汽出口温度:碳钢炉管不超过400℃,铬钼钢炉管不超过500℃。
用辐射出口部位的热电偶TI1003来控制炉膛温度。
一般应按下列要求进行烘炉。
1、烘炉前必须做好以下工作:(1)加热炉工程全部完毕,并经检查验收合格。
(2)安全设施、卫生条件达到要求。
(3)烘炉需用的各种管线、消防器材等均应检查合格。
(4)烘炉需用的热工仪表应校验完毕。
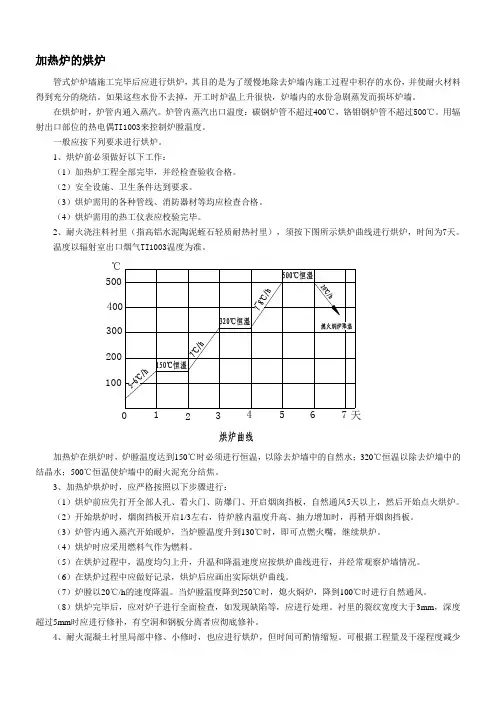
2、耐火浇注料衬里(指高铝水泥陶泥蛭石轻质耐热衬里),须按下图所示烘炉曲线进行烘炉,时间为7天。
温度以辐射室出口烟气TI1003温度为准。
℃天2100200300500加热炉在烘炉时,炉膛温度达到150℃时必须进行恒温,以除去炉墙中的自然水;320℃恒温以除去炉墙中的结晶水;500℃恒温使炉墙中的耐火泥充分结焦。
3、加热炉烘炉时,应严格按照以下步骤进行:(1)烘炉前应先打开全部人孔、看火门、防爆门、开启烟囱挡板,自然通风5天以上,然后开始点火烘炉。
(2)开始烘炉时,烟囱挡板开启1/3左右,待炉膛内温度升高、抽力增加时,再稍开烟囱挡板。
(3)炉管内通入蒸汽开始暖炉,当炉膛温度升到130℃时,即可点燃火嘴,继续烘炉。
(4)烘炉时应采用燃料气作为燃料。
(5)在烘炉过程中,温度均匀上升,升温和降温速度应按烘炉曲线进行,并经常观察炉墙情况。
(6)在烘炉过程中应做好记录,烘炉后应画出实际烘炉曲线。
(7)炉膛以20℃/h 的速度降温。
当炉膛温度降到250℃时,熄火焖炉,降到100℃时进行自然通风。
(8)烘炉完毕后,应对炉子进行全面检查,如发现缺陷等,应进行处理。
衬里的裂纹宽度大于3mm ,深度超过5mm 时应进行修补,有空洞和钢板分离者应彻底修补。
4、耐火混凝土衬里局部中修、小修时,也应进行烘炉,但时间可酌情缩短。
管式炉操作步骤一、管式炉的基本概念管式炉是一种用于加热物体的装置,其工作原理是通过燃烧燃料产生的高温气体传导热量给被加热物体。
管式炉具有加热速度快、温度均匀稳定等优点,在很多工业领域得到广泛应用。
二、管式炉的操作步骤1. 准备工作在操作管式炉之前,首先需要进行一些准备工作。
包括检查炉体是否完好,燃烧器是否正常,燃料是否充足等。
2. 打开燃气阀门在确认炉体和燃烧器状态正常后,可以打开燃气阀门。
燃气阀门控制燃气的流量,根据需要进行调节。
3. 点火打开燃气阀门后,需要进行点火操作。
可以使用火柴或打火机点燃燃气。
在点火时要注意自身安全,避免发生火灾事故。
4. 调节温度点火后,可以通过调节燃气阀门的开度来控制炉内温度。
开度越大,燃气流量越大,温度越高;反之则温度越低。
5. 加入被加热物体当炉内温度达到所需温度后,可以将被加热物体放入管式炉中。
要注意保持物体与炉体的适当距离,避免发生烧伤事故。
6. 加热时间控制根据被加热物体的性质和要求,需要控制加热时间。
可以通过设定计时器或者观察物体的颜色变化来判断加热时间。
7. 关闭燃气阀门加热完成后,需要关闭燃气阀门,停止燃气的供应。
避免燃气泄漏造成安全隐患。
8. 清理炉体在使用管式炉之后,需要对炉体进行清理。
清理过程包括清除炉体内的残留物、清洗炉体表面等。
保持炉体的清洁有助于延长使用寿命。
9. 安全注意事项使用管式炉时,需要注意一些安全事项。
如避免炉体和物体过热导致烧伤,保持炉体周围的通风良好,避免燃气泄漏等。
10. 维护保养定期对管式炉进行维护保养,可以保持其正常运行和延长使用寿命。
维护保养包括清洗炉体、更换燃烧器等。
三、总结管式炉是一种常用的加热设备,在很多工业领域都发挥了重要作用。
操作管式炉时,需要经过准备工作、打开燃气阀门、点火、调节温度、加入被加热物体、控制加热时间、关闭燃气阀门、清理炉体等步骤。
同时还需要注意安全事项和定期维护保养。
只有正确操作和维护管式炉,才能保证其正常运行和安全使用。
管式炉用法
管式炉是一种常见的热处理设备,广泛应用于金属加工、陶瓷烧结、玻璃制造等领域。
下面是一般情况下使用管式炉的基本步骤:
1. 准备工作:确保管式炉周围环境安全,并检查炉体、加热元件等设备部件是否完好。
清理炉膛,移除杂质和残留物,以免对热处理过程产生不良影响。
2. 加载物料:根据热处理的要求和物料的特性,将待处理的物料装入炉膛中。
确保物料摆放整齐,避免相互接触或堵塞炉膛。
3. 设定热处理参数:根据物料的种类、尺寸、要求以及热处理的目的,设定合适的炉温、保温时间、升温速率等参数。
这些参数将直接影响到热处理效果和物料的质量。
4. 加热过程:启动管式炉,根据设定的热处理参数,逐渐升温至目标温度。
在升温过程中,要确保升温速率适宜,避免温度变化过快或过慢对物料造成不利影响。
5. 保温处理:当达到目标温度后,保持稳定的温度和保温时间,使物料得到所需的热处理效果。
在此期间,要注意炉内的温度均匀性,避免出现温度梯度过大的情况。
6. 冷却过程:热处理完成后,将管式炉的加热源关闭,并进行适当的冷却处理。
冷却速度可以根据物料的要求选择自然冷却或辅助冷却方法,确保物料冷却到安全温度。
7. 取出物料:待物料冷却到适当温度后,可以打开炉门,小心取出物料。
注意避免烫伤或其他安全问题。
8. 清洁和维护:热处理结束后,对管式炉进行清洁和维护工作,确保设备的正常运行和延长使用寿命。
1/ 1。
管式炉参数
管式炉是一种工业热处理设备,广泛应用于金属加热、退火、淬火等
工艺中。
管式炉的参数是影响其加热效果和使用寿命的重要因素,下
面将详细介绍管式炉的参数。
1. 炉体结构:管式炉由炉体、加热器、温度控制系统等组成。
其中,
炉体结构包括外壳、内胆、隔离材料等。
不同的结构设计会影响到管
式炉的加热效率和使用寿命。
一般来说,采用高温合金材料制作的内
胆和隔离材料可以提高其耐高温性能。
2. 加热方式:管式炉有多种加热方式,如电阻加热、电弧加热、气体
加热等。
不同的加热方式对管式炉的能耗和生产成本有着不同程度的
影响。
3. 控温系统:管式炉控温系统包括温度传感器、控制器和执行机构等。
传感器可以实时检测到物料或工件的温度变化,并将信号传输给控制
器进行处理;控制器则根据设定的温度值对执行机构进行调节,以保
持物料或工件的恒温加热。
4. 炉膛尺寸:管式炉的炉膛尺寸会影响到其承载能力和生产效率。
一
般来说,较大的炉膛可以同时加热更多的物料或工件,提高生产效率;
而较小的炉膛则更适合对少量物料或工件进行加热处理。
5. 炉内气氛:管式炉在加热过程中需要保持一定的气氛环境,以避免物料或工件表面氧化、变色等问题。
常用的气氛包括惰性气体、还原气体、真空等。
不同的气氛对管式炉的使用寿命和加热效果也有着不同程度的影响。
综上所述,管式炉参数包括炉体结构、加热方式、控温系统、炉膛尺寸和炉内气氛等多个方面。
在选择和使用管式炉时,需要根据实际情况综合考虑这些参数,并进行合理配置和调整,以达到最佳的加热效果和使用寿命。
一、管式加热炉的结构及工作原理1.1 管式加热炉在炼油和石油化工中的重要性管式加热炉是一种火力加热设备, 它利用燃料在炉膛内燃烧时产生的高温火焰与烟气作为热源, 加热在炉管中高速流动的介质, 使其达到工艺规定的温度, 以供给介质在进行分馏、裂解或反应等加工过程中所需的热量, 确保生产正常进行。
与其他加热方式相比, 管式加热炉的主要优点是加热温度高〔可达1273K〕, 传热能力高和便于操作管理。
近60多年所来, 管式炉的发展很快, 已成为近代石化工业中必不可少的工艺设备之一, 在生产和建设中具有十分重要的地位。
例如: 一个年处理量为2.5Mt原油的常减压蒸馏装置, 虽所用的加热炉的座数不多, 但其提供的总热量却达70MW, 如果炉子加热能力不够, 就会限制整个装置处理能力的提升, 甚至无法完成预定的任务。
管式加热炉消耗的燃料量相当可观, 一般加工深度较浅的炼厂, 约占其原油能力的3%~6%, 中等深度的占4%~8%, 较深的为8%~15%, 其费用约占操作费用的60%~70%, 因此, 炉子热效率的凹凸与节约燃料降低成本有密切的关系。
此外, 管式炉炉管结焦、炉管烧穿、炉衬烧塌等事故也常常是迫使装置停工检修的重要原因。
在生产中, 希望生产装置能达到高处理量、高质量和低消耗以及长周期、安全运转, 大量施行说明, 管式炉的操作往往是关键之一。
管式炉的基建投资费用, 一般约占炼油装置总投资的10%~20%, 总设备费用的30%左右, 在重整制氢和裂解等石油化工装置中, 则占建设费用的25%左右, 因此, 加热炉制定选型的好坏, 还直接影响装置经济的合理性。
1.2 管式加热炉的分类和主要工艺指标管式炉的类型很多, 如按用途分有纯加热和加热-反应炉, 前者如: 常压炉、减压炉, 原料在炉内只起到加热〔包括汽化的作用〕;后者如: 裂解炉、焦化炉, 原料在炉内不仅被加热, 同时还应确保有一定的停留时间进行裂解或焦化反应。
管式炉的工作原理
管式炉是一种常用的加热设备,主要由管道和加热元件组成。
其工作原理如下:
1. 加热元件:管式炉内的加热元件一般采用热电阻、导热油、电阻丝或电加热石墨等材料,将电能或燃气能转化为热能,并通过与管道接触将热能传导给管道。
2. 传热过程:加热元件产生的热能通过管道传导到被加热物体上,使其温度升高。
管道通常具有良好的导热性能,可以有效传递热量。
3. 控制系统:管式炉一般配备了一个控制系统,用于对加热元件的工作状态进行调控。
这个控制系统可以根据需要调整加热元件的功率,从而控制管道内的温度。
4. 热效应:被加热物体通过与管道接触,吸收管道传递过来的热量,从而使其温度升高。
管式炉可以通过控制加热元件的工作状态,实现对被加热物体的温度控制。
总之,管式炉的工作原理是通过加热元件产生热能,通过管道将热能传导给被加热物体,从而使其温度升高。
通过控制加热元件的工作状态,可以实现对被加热物体温度的控制。