防排烟设计步骤详解
- 格式:ppt
- 大小:197.00 KB
- 文档页数:13
地铁防排烟系统施工方案概述地铁防排烟系统是地铁车站和隧道中的重要设施,用于消除火灾和烟雾,保障乘客的安全。
本文档旨在介绍地铁防排烟系统的施工方案,包括系统组成、施工步骤和安全措施。
系统组成地铁防排烟系统主要包括以下几个组成部分:1.排烟口:位于车站和隧道的高处,用于排出烟雾和有害气体。
2.排烟管道:连接排烟口和排烟风机,将烟雾和有害气体引导至室外。
3.排烟风机:通过排烟管道排出烟雾和有害气体。
4.排烟控制系统:监测火灾和烟雾,并控制排烟口和排烟风机的运行。
施工步骤地铁防排烟系统的施工主要分为以下几个步骤:1.施工准备:确定施工方案、以及系统组成部分和工作流程。
检查施工场地和设备是否满足要求,制定施工安全措施。
2.安装排烟口:根据设计要求,在车站和隧道的高处安装排烟口。
确保排烟口位置合理,安装牢固,与排烟管道连接顺畅。
3.安装排烟管道:根据设计要求,沿着车站和隧道的布置位置安装排烟管道。
注意管道的绝缘和密封,保证排烟系统的正常运行。
4.安装排烟风机:根据设计要求,在合适的位置安装排烟风机。
确保风机的安装角度正确,风机与排烟管道连接紧密。
5.安装排烟控制系统:安装排烟控制系统,连接传感器和控制装置。
测试系统的运行正常,并进行必要的调整和改进。
6.系统调试和验收:对安装完成的地铁防排烟系统进行测试和调试,确保系统的防排烟功能正常。
经过相关部门的验收合格后,投入正常使用。
安全措施在地铁防排烟系统的施工过程中,需要严格遵守以下安全措施,以确保工人和乘客的安全:1.现场安全:施工现场应设置明确的安全警示标志,并配备必要的安全设备。
施工期间要遵守相关的安全操作规程,如佩戴安全帽、工作服和手套等。
2.防护措施:施工区域需要采取适当的防尘措施,确保工作人员的个人卫生和安全。
3.火灾风险管理:在施工过程中,必须严格执行火灾防护措施,保持施工区域清洁整齐,杜绝火源。
4.紧急情况处理:施工人员应接受相应的紧急情况处理培训,了解处理火灾和烟雾紧急情况的方法和流程,以便在需要时能够快速反应并采取正确的措施。
防排烟系统施工方法1.施工顺序2.施工说明风管设计采用镀锌钢板制作安装;风机采用落地、吊装形式。
3.施工主要方法(1)镀锌钢板风管制作加工本工程风管采用镀锌钢板制作安装,风管厚度有0.5mm 、0.75㎜两种规格.工艺流程:图纸分解→放样→剪切→倒角→翻边→压十字筋→压法兰→咬合→上角→修整成型→角钢加固→核对制作图→检验入库A .关键工序:放样、下料、组合成型为风管制作的重点工序,为质量控制重点。
风管观感为质量控制的另一重点。
B .施工要点:风管加工时,应注意克服胀管、豁口,钢板拉裂等导致严重漏风的通病出现,减小漏风率,保证漏风量≤5%的总风量;应注意克服风管法兰与风管轴线不垂直,影响观感的通病出现。
风管制作完后应按国家规范对其尺寸精度和观感进行验收。
(2)风管支、吊架的安装应符合下列规定:1)风管水平安装,直径或长边尺寸小于等于400mm,间距不应大于4m;大于400mm,不应大于3m。
螺旋风管的支、吊架间距可分别延长至5m和3。
75m;对于薄钢板法兰的风管,其支、吊架间距不应大于3m.2)风管垂直安装,间距不应大于4m,单根直管至少应有2个固定点。
3)风管支、吊架宜按国标图集与规范选用强度和刚度相适应的形式和规格.对于直径或边长大于2500mm的超宽、超重等特殊风管的支、吊架应按设计规定.4)支、吊架不宜设置在风口、阀门、检查门及自控机构处,离风口或插接管的距离不宜小于200mm。
5)当水平悬吊的主、干风管长度超过20m时,应设置防止摆动的固定点,每个系统不应少于1个。
6)吊架的螺孔应采用机械加工。
吊杆应平直,螺纹完整、光洁。
安装后各副支、吊架的受力应均匀,无明显变形。
7)风管或空调设备使用的可调隔振支、吊架的拉伸或压缩量应按设计的要求进行调整.8)风管连接两法兰端面应平行、严密,法兰螺栓两侧应加镀锌垫圈;9)应适当增加支、吊架与水平风管的接触面积;10)风管垂直安装,支架间距不应大于3m.(3)风管安装1)排烟管道安装时应考虑以下几点:①混凝土砌块等非金属材料排烟道,灰缝必须饱满,防止漏烟。
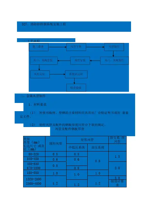
327、消防防排烟系统安装工程二、金属风管制作1、材料要求(1)所使用板材、型钢的主要材料应具有出厂合格证明书或质量鉴定文件。
(2)制作风管及配件的钢板厚度应符合下表的规定。
风管及配件钢板厚度类别厚度(mm)长边尺寸或直径(mm)圆形风管矩形风管除尘系统风管中低压系统高压系统80-320 0.5 0.51.5 340-450 0.6 0.60.8480-6300.8670-1000 0.8 2.0180-850 1.01.0 1.01320-2000 2500-40003.0 1.2 1.2 1.2按设计要求一.工艺流程(3) 作业地点要有相应加工工艺的基本机具、设施及电源和可 靠的安全防护装置,并配有消防器材。
(4) 风管制作应有批准的图纸、经审查的大样图、系统图,并 有施工员的技术质量及安全交底。
3、施工方法(1) 根据图纸及大样风管不同的几何形状和规格、分别进行划 线展开。
(2) 板材剪切必须进行下料的复核,以免有误,按划线形状用 机械剪刀和手工剪刀进行剪切。
(3) 剪切时,手严禁伸入机械压板空隙中。
上刀架不准放置工 具等物品,调整板料时,脚不能放在踏板上。
使用固定式震动剪两手 要扶稳钢板,手离刀口不得小于 5 cm,用力均匀适当。
(4) 板材下料后在轧口之前,必须用倒角机或剪刀进行倒角工(5) 咬口宽度和留量根据板材厚度而定,应符合下表的要求。
咬口宽度表(mm)钢板厚度 平咬口宽B 角咬口宽B0.7以下 0.7~0.82 6~8(6)焊接时可采用气焊、电焊或接触焊, 6~7 7〜8 EBnil 9~io 焊缝形式应根据风管的构造和焊接方法而定。
(7)铆钉连接时,必须使铆钉中心线垂直于板面,铆钉头应把 板材压紧,使板缝密合并且铆钉排列整齐、均匀。
板材之间铆接,一般中间可不加 垫料,设计有规定时,按设计要求进行。
(8)咬口连接根据使用围选择咬口形式。
适用围可参照下表。
型式名称 适用围单咬口 用于板材的拼接和圆形风管的闭合咬口立咬口 用于圆形弯管或直接的管节咬口联合角咬口 用于矩形风管、弯管、三通管及四通管的咬接转角咬口 较多的用于矩形直管的咬缝,和有净化要求的空调 系统,有时也用于弯管或三通管的转角咬口缝按扣式咬口 现在矩形风管大多米用此咬口,有时也用于弯管、 三通管或四通管(9) 咬口时手指距滚轮护壳不小于 5cm 手柄不准放在咬口机 轨道上。
高层建筑防排烟系统设计流程英文回答:The design process of a high-rise building smokecontrol system involves several key steps. These steps ensure that the system is efficient, effective, and compliant with relevant regulations and standards. Here is a general outline of the design process:1. Identify the design objectives and requirements: The first step is to clearly define the objectives of the smoke control system. This includes understanding the building occupancy, the potential fire scenarios, and the desired level of smoke control. The requirements may vary depending on the building type and local regulations.2. Conduct a fire risk assessment: A thorough fire risk assessment is essential to identify the potential fire hazards and their impact on the building occupants. This assessment helps determine the necessary smoke controlmeasures and system design parameters.3. Determine the design criteria: Based on the firerisk assessment, the design criteria for the smoke control system are established. This includes factors such as the required smoke extraction rate, the maximum allowable smoke layer depth, and the expected evacuation time.4. Select the smoke control strategy: There are different smoke control strategies available, such as natural ventilation, mechanical exhaust, or pressurization. The selection of the appropriate strategy depends on various factors, including the building layout, fire scenarios, and occupant safety requirements.5. Design the smoke control system layout: Once the strategy is determined, the next step is to design the layout of the smoke control system. This includes locating smoke extraction points, determining the routing of smoke exhaust ducts, and designing the smoke control zones.6. Size and select smoke control equipment: The smokecontrol equipment, such as fans, dampers, and smoke detectors, need to be properly sized and selected to meet the design criteria. This involves considering factors such as the required airflow rates, pressure differentials, and system redundancy.7. Integrate with the fire alarm and detection system: The smoke control system should be seamlessly integrated with the building's fire alarm and detection system. This ensures that the smoke control system is activated promptly in case of a fire event.8. Prepare detailed design drawings and specifications: Detailed design drawings and specifications are prepared to communicate the design intent to the contractors and installers. These documents include equipment schedules, ductwork layouts, control system diagrams, and installation details.9. Commissioning and testing: Once the smoke control system is installed, it needs to be thoroughly tested and commissioned to ensure its proper functioning. Thisincludes testing the airflow rates, control sequences, and system interlocks.10. Ongoing maintenance and inspection: Regular maintenance and inspection are essential to keep the smoke control system in optimal condition. This includes periodic testing, cleaning of ductwork, and replacement of anyfaulty equipment.中文回答:高层建筑防排烟系统的设计流程包括以下几个关键步骤。
防排烟设计步骤详解防排烟设计是建筑设计中非常重要的一项工作,其优秀的设计可以确保在火灾等紧急情况下,能够迅速将烟气排出建筑物,为人员逃生和消防施救提供必要的时间和空间。
然而有效的防排烟设计并不是一件简单的事情,需要深入了解建筑物本身的特性、火灾情境和不同部位的措施等多个方面,下面就详细介绍一下防排烟设计的步骤。
一、了解建筑物情况在进行防排烟设计之前,首先需要对建筑物的情况进行了解,包括建筑物的高度、面积、楼层结构、使用性质、人口密度等基本信息。
此外,还需要了解建筑物周边的环境情况,包括建筑物所处地区的气候特点、周边道路、建筑物密度和风向等情况,这些都将对防排烟设计产生影响。
二、确定排烟方式排烟方式是防排烟设计中非常重要的一个环节,不同的建筑物和不同的区域,需要采用不同的排烟方式。
常见的排烟方式有自然抽烟、机械抽烟和混合抽烟等方式,其中自然抽烟适用于矮层建筑,机械抽烟适用于高层建筑,而混合抽烟则是自然抽烟与机械抽烟的结合。
三、确定排烟口位置和形式排烟口的位置和形式对于排烟效果有非常重要的影响。
在确定排烟口位置和形式时,需要考虑建筑物的平面和立面布局,确定排烟口的位置和数量,保证可以形成均匀的排烟烟气。
此外,还需要选择适当的排烟口形式,包括侧墙口、屋顶口、风机机房和消防坑道等形式。
四、确定排烟系统参数排烟系统的参数包括排烟量、排烟速度和排烟时间等,这些参数对于排烟系统的设计和运行非常关键。
在确定排烟系统参数时,需要考虑建筑物的使用性质、火灾情境和排烟口位置等因素。
此外,还需要根据国家规定的建筑消防设计标准进行综合考虑,确保排烟系统的参数符合国家标准和建筑物实际情况。
排烟控制系统是防排烟设计的关键环节之一,它可以配合排烟系统,控制烟气的流动和排放方向,确保逃生通道和安全出口的正常使用。
在确定排烟控制系统时,需要考虑建筑物的使用性质、火灾情境和排烟口位置等因素,选择适当的控制设备和控制方式。
六、进行排烟系统的布置排烟系统的布置是整个防排烟设计的最后一步,它可以保证排烟系统的有效性和实用性。
防排烟施工方案第1篇防排烟施工方案一、项目背景为保障建筑物使用安全,提高火灾时人员疏散和消防救援效率,依据《建筑设计防火规范》和《建筑防烟排烟系统技术标准》,特制定本防排烟施工方案。
二、施工目标1. 确保防烟分区合理,减少火灾蔓延速度。
2. 提高排烟系统有效性,降低烟气对人员疏散和消防救援的影响。
3. 符合国家法律法规及行业标准,确保施工质量。
三、施工内容1. 防烟分区划分及设施设置2. 排烟系统设计及设备安装3. 系统调试与验收四、施工步骤1. 防烟分区划分(1)根据建筑物结构、用途和防火要求,合理划分防烟分区。
(2)设置防烟分区设施,包括防烟墙、防烟门、防火卷帘等。
(3)保证防烟分区面积和长度的合理性,满足疏散和消防救援需求。
2. 排烟系统设计(1)根据建筑物特点和防火要求,设计合理的排烟系统。
(2)选用符合国家标准的排烟风机、风管、风口等设备。
(3)设计合理的排烟管道布局,确保排烟效果。
3. 设备安装(1)按照设计图纸,进行防烟分区设施和排烟设备的安装。
(2)确保设备安装牢固、连接紧密,无渗漏现象。
(3)安装过程中严格遵守操作规程,确保施工安全。
4. 系统调试(1)对防烟分区设施进行检查,确保其正常工作。
(2)对排烟系统进行调试,保证风机、风管、风口等设备运行稳定。
(3)测试排烟系统在不同工况下的排烟效果,确保达到设计要求。
5. 验收与维护(1)组织相关部门对防排烟系统进行验收。
(2)验收合格后,对系统进行定期检查、维护,确保其长期稳定运行。
五、质量保证措施1. 选用符合国家标准的设备和材料。
2. 施工过程中严格执行相关法律法规和行业标准。
3. 加强施工现场管理,确保施工质量。
4. 对施工人员进行技能培训,提高施工水平。
六、安全施工措施1. 施工前进行安全技术交底,明确施工要求和安全注意事项。
2. 施工现场设置安全警示标志,配备必要的安全防护设施。
3. 施工人员严格遵守操作规程,确保施工安全。
防排烟施工工艺流程
防排烟施工工艺流程:
①图纸会审与技术交底:仔细审查施工图纸,确保理解设计意图,并对施工人员进行技术交底,明确施工要求和安全规范。
②材料检验:检查所有用于防排烟系统的材料,如风管、阀门、风机等,确保其质量符合国家标准和设计要求。
③加工厂房准备:设置集中加工的厂房,确保环境宽敞、明亮、洁净、地面平整且不潮湿,配备必要的加工工具和安全设施。
④现场设施搭建:对于现场分散加工,搭建能防雨雪、大风的设施,确保结构牢固,并配备基本的加工工具和电力供应。
⑤风管预制:在车间采用机械化加工风管至半成品状态,便于运输和现场组装,以提高效率和减少损耗。
⑥支吊架制作:根据风管的尺寸和重量,制作相应的支吊架,确保风管安装后的稳定性和安全性。
⑦风管运输与现场装配:将预制的风管运至现场,并按照设计图纸进行组合装配。
⑧风管加固:对达到一定尺寸的风管进行加固处理,如金属矩形风管边长大于630mm或保温风管边长大于800mm,以及管段长度大于1250mm等情况。
⑨风管连接与密封:使用法兰或其他连接件将风管连接起来,确保连接处的严密性和气密性。
⑩防火阀与风口安装:在指定位置安装防火阀和排烟口,确保其功能正常且易于操作。
⑪风机与控制系统安装:安装防排烟风机及相关控制设备,连接联动控制线路,确保系统能够自动启动和调整。
⑫系统调试与测试:进行单体试运转和系统联动调试,验证防排烟系统的各项功能和性能指标是否符合设计要求。
⑬完工验收:完成所有施工后,进行现场验收,确保防排烟系统满足消防安全标准和建筑规范。
防排烟系统施工方案(消防安装)一、防排烟系统施工流程施工准备→风管制作→风管管架制作安装→风管及部件安装→风机安装→风管及部件保温→风管强度及严密性测试→系统调试→竣工验收二、施工准备1、加工场地的布置金属风管考虑在现场加工制作,金属风管的现场制作避免了由于工厂化加工造成的风管运输过程中的变形,同时能够灵活处理由于设计变更造成的对风管的修改,节省了时间,保证了工期,节约了运输成本。
2、主要施工工机具的准备金属风管制作之前首先要准备主要的施工机具。
施工机具的准备包括施工工具的准备和施工机械的准备两个方面。
通风管道与配件的加工制作所需的工具如下:(1)测量工具:不锈钢直尺4把,钢折尺2个,钢卷尺8个(2)划线工具:角尺2个,量角器2个,墨斗2个,划规4个,卡尺、划针若干(3)检验工具:水平仪2个,线坠4个,塞尺2套(4)锤打工具:木槌10把,大锤2个(5)切割工具:电剪2个(6)金属钻孔工具:电动钻孔机2台(7)通风管道与配件的加工制作所需施工机械如下(8)剪板机:3台,用于切割金属板材(9)单平咬口机:4台,用于金属板材的平咬口(10)联合咬口机:4台,用于金属板材的联合角咬口(11)折方机:2台,用于矩形通风管道的直边折方(12)插接式咬口机:2台,用于金属风管的无法兰连接3、材料的检验制作风管前,首先检查采用的材料是否符合质量要求,有无出厂合格证明书或质量鉴定文件。
所用的镀锌钢板表面要求光滑洁净,表面层有特有的镀锌层结晶花纹,且保证钢板镀钵厚度不小于0.02mm。
所用型钢做到等型、均匀、无裂纹和气泡。
三、风管的制作(一)金属风管的制作金属风管的制作流程:1、熟悉图纸通风管道与部件加工制作之前首先熟悉施工图纸和有关技术文件,了解与通风空调系统在同一房间内的其它管道、生产工艺设备等的安装位置、标高以及有关土建图纸,如有图纸变更,结合变更图纸,绘制出风管加工制作图。
2、现场复测按图施工,是施工人员必需遵守的准则。
防排烟系统深度图文详解,绝对干货!首先,有必要明确的是:防排烟系统并不是单一系统,而是防烟系统和排烟系统两个系统的总称。
防烟系统采用自然通风方式或机械加压送风方式,防止烟气进入疏散通道的系统。
排烟系统采用自然通风方式或机械排烟方式,将烟气排至建筑物外的系统。
下面就分别对这两个系统进行图文解析:一、防烟系统设置部位:1.防烟楼梯间及前室(安全性较高的安全出口)、消防电梯前室(灭火救援通道);2. 避难层(建筑内的安全区域,超过100米的公共建筑才有)。
作用:通过设置防烟措施,防止烟气进入防烟部位,确保防烟部位的人员不受烟气侵袭,为人员安全疏散和消防扑救创造条件。
方式:1.自然通风2.机械加压送风1)自然通风方式前室示例楼梯间示例示例机械加压送风的立面图和平面图示例加压送风机及风管示例送风风机房电气控制柜示例楼梯间加压送风口和竖井示例前室送风口和竖井示例二、排烟系统设置部位:1.较长的疏散走道;2.有人停留或可燃物较多、面积较大的地上房间和地下室(这两项的具体标准因建筑定性而异,具体可参见建筑防火设计规范);3.中庭。
由此可见,排烟系统的作用是将进入疏散走道的烟气排出室外,为人员疏散创造必要的安全条件。
方式:1.自然通风2.机械排烟1)自然通风方式注:此处(房间和走道)的自然通风不同于楼梯间和前室的自然通风。
虽然它们的原理相同,但此处是作为排烟措施,而楼梯间和前室是作为防烟措施。
走道示例中庭示例2)机械排烟方式设置部位:按规范应设置排烟措施,但又不具备自然排烟条件的房间、走道、中庭。
原理示例水平机械排烟系统原理示例分区示例排烟口和手动开启装置示例排烟口手动开启装置示例中庭机械排烟示例排烟风机及风管示例排烟风机房电气控制柜示例排烟防火阀示例设有机械排烟系统的密闭场所如地下室还应设置补风用的送风系统:机械排烟的补风系统原理:排烟系统在有困难时,可以和通风空调系统兼用,但应符合排烟系统的要求。
车库排风和排烟兼用系统防火防烟分区与分隔:防火分区具有较高耐火极限墙和楼板等构件作为一个区域的边界构件划分出的,能在一定时间内阻止火势向同一建筑的其他区域蔓延的防火单元。
防烟排烟系统自然通风与自然排烟模版自然通风与自然排烟系统是一种被广泛采用的建筑通风烟气排放方式。
它通过利用建筑的自然风力和烟气的热浮力,实现建筑内的空气流通和烟气排放,既可以提供室内空气的新鲜度,又能有效地排除烟雾,保证建筑内的安全环境。
接下来,将为大家介绍防烟排烟系统自然通风与自然排烟的模板。
一、自然通风的原理及设计要点1. 自然通风的原理自然通风是利用自然气流的作用,通过建筑自身的开口和屋顶的气流出口,实现建筑内、外的空气交换。
2. 自然通风的设计要点(1)建筑的朝向和布局应有利于利用自然气流,提供通风的通道,如设置室外窗户和通风孔。
(2)建筑的通风口应根据室内的通风需求和外部气候条件确定,保证室内通风的效果。
(3)建筑的通风口设计应合理,尺寸宜大宜小,可根据建筑时期确立,需与建筑设计相协调。
(4)建筑的通风口位置应考虑到建筑内气流的流动规律,采取合理的设置位置。
(5)建筑的通风口和横通面积之比应保持适度,通风口需求合理,以便达到良好的通风效果。
二、自然排烟的原理及设计要点1. 自然排烟的原理自然排烟是利用烟气的热浮力和建筑内外的气流压差,通过建筑内自然产生的排烟口和外部气流出口,实现建筑内烟气的排放。
2. 自然排烟的设计要点(1)建筑的排烟口应根据烟气产生的位置和数量确定,保证烟气的及时排放。
(2)建筑的排烟口设置应符合烟气排放规范,保证烟气的顺利排放。
(3)建筑的排烟口位置应考虑到烟气的产生位置和流动规律,采取合理的设置位置。
(4)建筑的排烟口和横通面积之比应适当,以保证烟气的顺利排放。
(5)建筑的烟气产生量和排烟口的数量应相匹配,保证烟气排放的效果。
三、自然通风与自然排烟系统的综合设计1. 自然通风与自然排烟系统的合理布局自然通风与自然排烟系统的布局应充分考虑建筑的朝向、布局、通风口和排烟口的位置,合理布置建筑内的空气流通通道和排烟通道,以达到良好的通风效果和排烟效果。
2. 自然通风与自然排烟系统的设计参数(1)通风量和排烟量的计算:根据建筑的使用类型、人员数量、燃烧物质数量和烟气产生量,计算出合理的通风量和排烟量。
防排烟课程设计计算步骤一、教学目标本课程旨在让学生了解和学习防排烟的相关知识,掌握防排烟系统的计算步骤,提高学生在实际工程中的应用能力。
通过本课程的学习,学生应达到以下目标:1.知识目标:–掌握防排烟系统的基本原理和组成;–理解防排烟系统的计算步骤和方法;–了解防排烟系统在建筑安全中的重要性。
2.技能目标:–能够运用所学知识,对防排烟系统进行计算和分析;–能够运用所学知识,解决实际工程中的防排烟问题;–能够运用所学知识,撰写相关的技术报告和论文。
3.情感态度价值观目标:–培养学生对生命安全的重视和责任感;–培养学生对科学研究的兴趣和热情;–培养学生团队合作和沟通交流的能力。
二、教学内容本课程的教学内容主要包括以下几个部分:1.防排烟系统的基本原理和组成;2.防排烟系统的计算步骤和方法;3.防排烟系统在建筑安全中的应用;4.实际工程案例分析。
具体的教学大纲如下:第一周:防排烟系统的基本原理和组成;第二周:防排烟系统的计算步骤和方法(1);第三周:防排烟系统的计算步骤和方法(2);第四周:防排烟系统在建筑安全中的应用;第五周:实际工程案例分析。
三、教学方法为了提高学生的学习兴趣和主动性,本课程将采用多种教学方法,如讲授法、讨论法、案例分析法、实验法等。
1.讲授法:通过教师的讲解,让学生掌握防排烟系统的基本原理和计算方法;2.讨论法:通过小组讨论,培养学生的团队合作和沟通交流能力;3.案例分析法:通过分析实际工程案例,让学生学会将理论知识应用于实际问题;4.实验法:通过实验操作,让学生加深对防排烟系统的理解和掌握。
四、教学资源为了支持教学内容和教学方法的实施,丰富学生的学习体验,我们将选择和准备以下教学资源:1.教材:防排烟系统设计手册;2.参考书:防排烟系统相关论文和书籍;3.多媒体资料:防排烟系统原理动画、实际工程案例视频等;4.实验设备:通风实验室设备。
通过以上教学资源的使用,我们将为学生提供全面、丰富的学习材料,帮助学生更好地掌握防排烟知识,提高实际应用能力。
防排烟施工方案防排烟施工方案---1. 引言随着建筑行业的不断发展,防火安全日益受到重视。
防火排烟系统作为建筑消防设施的重要组成部分,在火灾发生时能够迅速排出烟雾,为人员疏散提供必要的条件。
本文将介绍防排烟施工方案,包括施工前准备、施工工艺、设备选型等内容。
2. 施工前准备在进行防排烟施工之前,需要进行充分的准备工作,以确保施工顺利进行。
主要准备工作包括:2.1 工程准备在施工前,需要对待施工区域进行认真的勘察和分析,明确施工目标和要求。
根据建筑的结构特点和使用功能,确定合适的防排烟系统类型,并进行相应的设计。
2.2 材料采购根据施工图纸和设计要求,确定所需的防排烟设备和材料清单,并进行采购。
确保所采购的设备和材料符合国家相关标准和规定。
2.3 人员组织确定项目的负责人和相关工程人员,安排工作任务和工作时间。
保证施工人员具备相关技能和资质,确保施工质量。
3. 施工工艺防排烟系统的施工工艺包括施工过程中的操作步骤和施工要求。
具体流程如下:3.1 安装建筑物防排烟管道根据设计图纸的要求和建筑物结构特点,进行防排烟管道的布置和安装。
根据实际需要,选择合适的材料,确保管道的稳定和密封性。
3.2 安装防排烟设备根据设计要求和施工图纸,将防排烟设备进行安装。
确保设备的位置合理、固定可靠,并根据需要进行连接、调试等工作。
3.3 联接管道和设备在安装好建筑物防排烟管道和防排烟设备之后,进行管道和设备的联接工作。
使用合适的工具和材料,进行管道和设备的连接,确保连接处密封可靠。
3.4 进行系统调试在完成管道和设备的安装工作后,需要进行系统的调试。
包括检查管道和设备的连接情况,调整设备的工作参数,确保系统能够正常运行。
4. 设备选型在进行防排烟施工之前,需要根据实际需求选购合适的防排烟设备。
以下为几种常见的防排烟设备:4.1 排烟风机排烟风机是防排烟系统的核心设备之一,其作用是排出建筑物内部的烟雾和有害气体。
在选购排烟风机时,需要考虑其风量、风压和噪声等性能指标。
消防防排烟系统设计方案消防防排烟系统设计方案一、设计目标本方案的设计目标是为了提高建筑物内部的火灾安全性能,减少火灾发生后的烟雾积聚,保障人员的生命安全和财产安全。
二、系统组成消防防排烟系统由以下几部分组成:1. 排烟系统:包括烟雾排放通道、排烟风机和排烟口等组成。
主要功能是将火灾现场产生的烟雾排出室外。
2. 进排风系统:包括进排风口、进排风风机等组成。
主要功能是保障建筑物内部的通风。
三、设计原则1. 科学性原则:根据建筑物的具体情况,结合国家相关规范和标准,进行系统设计。
2. 安全性原则:确保系统的稳定性和可靠性,能够在火灾发生后正常运作。
3. 经济性原则:在保证系统功能的基础上,尽量降低成本,提高性价比。
四、具体方案1. 烟雾排放通道:根据建筑物的结构特点,确定烟雾排放通道的位置和数量。
通道应设置在建筑物的高处,确保烟雾能够顺利排出室外。
2. 排烟风机:选用符合国家标准的排烟风机,根据建筑物的面积和高度确定风机的数量和功率。
风机应具备高效、低噪音、耐用等特点。
3. 排烟口:根据建筑物的具体情况,确定排烟口的位置和数量。
排烟口应设置在建筑物的高处,并保证烟雾能够顺利排出室外。
4. 进排风口:根据建筑物的通风需求,确定进排风口的位置和数量。
进排风口应合理分布,确保建筑物内部的通风效果。
5. 进排风风机:选用符合国家标准的进排风风机,根据建筑物的面积和高度确定风机的数量和功率。
风机应具备高效、低噪音、耐用等特点。
6. 控制系统:采用先进的自动控制系统,能够根据火灾发生的状况自动启动排烟系统和进排风系统。
控制系统应具备稳定性、可靠性等特点。
7. 电气系统:根据系统的功率和电气负荷,设计合理的电气系统。
电气系统应符合国家电气标准,确保电气设备安全可靠。
8. 火灾报警系统:与火灾报警系统相结合,当火灾发生时,能够及时启动防排烟系统。
灭火器配置应满足国家相关标准。
五、施工方案1. 建筑物的排烟通道、进排风道等设备应按照国家相关规范进行施工,确保结构牢固、安全可靠。
消防工程防排烟及通风施工工艺方法本页仅作为文档页封面,使用时可以删除This document is for reference only-rar21year.March消防工程防排烟及通风施工工艺方法工艺流程:施工准备→预留孔洞→安装准备→支吊架制安→风管及部件制安→风管漏光测试→设备安装→单机试运转→系统的测定与调整→成品保护→竣工验收。
1风管支、吊架的制作安装支吊架应牢固、可靠,详T616,且支、吊架应设在风管的外部,风管与支架间应加垫木,应避免在法兰、测量孔、调节阀等零部件处设置支吊架,所有吊装设备应单独设置支吊架。
安装在墙上,柱上的支架都用膨胀螺栓固定,一般采用悬臂支架或斜撑式支架,安装时可接风管标高,定出支架与地面的距离。
矩形风管是管低标高。
风管支架一般用角钢制作,当风管较长时,先拉一根线确定支架的标高,再定出中间支架的标高,线要拉紧。
风管敷设在楼板、屋面大梁和屋架下面,离墙柱较远时,用吊架固定风管,其由吊杆和托架组成,吊杆用圆钢制作,端部套出50∽60mm螺丝,以便调整支架的高度,托架用角钢制作,角钢上穿吊杆的螺孔应比风管边长宽140∽150mm。
支吊架应符合下列要求:①风管与部件支、吊架的膨胀螺栓位置应正确、牢固可靠,并应符合螺栓使用条件的规定。
②吊架的吊杆应平直、螺纹应完整、光洁,吊杆拼接采用搭接焊接,搭接长度不应小于吊杆直径的6倍,并应在两侧焊接。
③支、吊架上的螺栓孔应采用机械加工,不得用气割开孔。
④矩形风管的抱箍支架应紧贴风管,折角平直,连接处留有螺栓收紧的距离。
⑤风管安装时应及时进行支、吊架的固定和调整,位置应正确,受力应均匀。
⑥间距满足要求,长边尺寸小于400mm,间距不应大于4m;大于或等于400mm,不应大于3m。
⑦悬吊的风管及部件应设置防止摆动的固定点。
2、风管及部件的安装本工程防排烟及通风系统采用玻璃钢风管,法兰连接。
由玻璃钢厂家根据设计施工图及现场情况分段加工进场,组对安装。
防排烟设计施工方案一、项目概述与需求分析本项目旨在针对建筑物的防排烟系统进行全面的设计与施工,确保在火灾等紧急情况下,能够有效地控制烟雾的扩散,保障人员安全疏散,减少财产损失。
需求分析方面,我们将充分考虑建筑物的结构特点、使用功能、人员密度等因素,确保防排烟系统设计的针对性和实用性。
二、防排烟系统设计原则安全性原则:确保系统在火灾等紧急情况下能够迅速启动,有效排烟防烟,为人员疏散提供安全保障。
实用性原则:结合建筑物实际情况,设计合理的排烟防烟方案,确保系统易于操作和维护。
经济性原则:在满足安全和实用性的基础上,优化设计方案,降低投资和运行成本。
三、排烟系统布局与选型根据建筑物的结构和功能需求,我们将合理布局排烟口、排烟管道和排烟风机等设备,确保烟雾能够快速排出。
在设备选型方面,我们将选用性能稳定、排烟效果好的产品,满足项目需求。
四、防烟系统设计要点设置合理的防烟分区,减少烟雾扩散范围。
采用有效的防烟措施,如设置防烟垂壁、挡烟垂壁等,阻止烟雾蔓延。
配置自动喷水灭火系统,降低火灾发生的可能性,减少烟雾产生。
五、材料选择与设备清单我们将选用符合国家标准、性能稳定的材料和设备,确保防排烟系统的质量和可靠性。
设备清单将详细列出所需设备的名称、规格、数量等信息,为施工提供准确依据。
六、施工流程与工艺要求施工前准备:制定详细的施工方案和安全措施,对施工人员进行培训和技术交底。
设备安装:按照设计图纸要求,准确安装排烟口、排烟管道、排烟风机等设备。
系统调试:完成设备安装后,进行系统调试,确保排烟防烟系统能够正常运行。
竣工验收:施工完成后,进行竣工验收,确保防排烟系统符合设计要求和相关标准。
七、质量控制与检验标准我们将建立完善的质量管理体系,确保施工过程中的每个环节都符合质量控制要求。
在施工过程中,将定期进行质量检查和验收,确保设备安装和系统调试符合设计要求和相关标准。
同时,我们将遵守国家和地方的建筑法规和规范,确保防排烟系统的质量和安全。