数学建模电力安排问题
- 格式:doc
- 大小:281.00 KB
- 文档页数:13
电力运营问题的数学模型
概要
本文介绍了电力运营中存在的一些问题,并提出了相关的数学模型,以便更好地解决这些问题。
问题描述
在电力运营中,有一些常见的问题,比如:
1. 如何准确地预测电力需求?
2. 如何合理地配置电力资源?
3. 如何控制电力损失?
这些问题都需要使用一些数学模型来解决。
数学模型
电力需求预测模型
对于电力需求预测问题,可以采用时间序列分析模型。
该模型通过分析历史数据,以及统计的方法,来预测未来的电力需求。
电力资源配置模型
对于电力资源配置问题,可以采用线性规划模型。
该模型可以帮助决策者合理地分配电力资源,以满足不同地区的需求。
电力损失控制模型
对于电力损失控制问题,可以采用控制论模型。
该模型通过对电力损失的实时监测和调节,来最大限度地减少电力损失。
结论
通过使用适当的数学模型,可以帮助电力运营部门更好地解决各种问题,从而提高服务质量,减少能源浪费,为社会做出更大的贡献。
数学建模在电力网络规划中的应用1. 引言电力网络规划是保障能源供应安全、提高能源利用效率的重要环节。
而数学建模作为一种系统、模拟和优化电力网络的方法,在电力网络规划中发挥了重要的作用。
本文将探讨数学建模在电力网络规划中的应用,并介绍其中的一些常用模型和方法。
2. 负荷预测模型负荷预测是电力网络规划中的关键问题之一。
通过建立负荷预测模型,可以准确预测未来一段时间内的电力负荷情况。
其中,常用的负荷预测模型包括时间序列模型、回归模型和神经网络模型。
例如,ARIMA模型是一种基于时间序列的负荷预测方法,它通过对历史负荷数据的分析,可以预测出未来的负荷趋势。
3. 输电线路配送模型电力网络中的输电线路是连接发电厂和用户的重要纽带。
为了提高输电线路的效率和稳定性,需要进行合理的配送。
数学建模可以帮助确定适当的输电线路配送方案。
常见的输电线路配送模型包括最小生成树模型、最小费用流模型和整数规划模型。
例如,最小生成树模型可以通过最小化连接线路的总长度,找到最节省成本的输电线路配送方案。
4. 发电机组调度模型发电机组的调度是电力网络运行的关键环节。
通过合理的调度,可以充分利用各个发电机组的优势,提高电力供应的效率和稳定性。
数学建模可以帮助确定最佳的发电机组调度方案。
其中,常用的调度模型包括线性规划模型、混合整数规划模型和遗传算法模型。
例如,线性规划模型可以通过最小化总成本,确定发电机组的最优运行状态。
5. 电力市场交易模型电力市场交易是电力网络规划中的重要组成部分。
通过建立合理的交易模型,可以实现电力资源的优化配置和市场的公平竞争。
数学建模在电力市场交易中扮演着重要角色。
常用的交易模型包括均衡模型、竞价模型和拍卖模型。
例如,均衡模型可以通过建立供需平衡方程,确定电力市场中的均衡价格和交易量。
6. 结论数学建模在电力网络规划中具有广泛的应用价值。
通过建立合理的模型和方法,可以实现电力网络的高效运行和优化配置,进而提高能源供应的质量和效益。
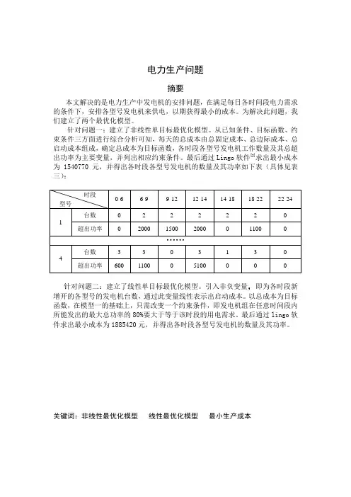
电力生产问题摘要本文解决的是电力生产中发电机的安排问题,在满足每日各时间段电力需求的条件下,安排各型号发电机来供电,以期获得最小的成本。
为解决此问题,我们建立了两个最优化模型。
针对问题一:建立了非线性单目标最优化模型。
从已知条件、目标函数、约束条件三方面进行综合分析可知,每天的总成本由总固定成本、总边际成本、总启动成本组成,确定总成本为目标函数,各时段各型号发电机工作数量及其总超出功率为主要变量,并列出相应约束条件。
最后通过Lingo软件[2]求出最小成本为1540770元,并得出各时段各型号发电机的数量及其功率如下表(具体见表三):针对问题二:建立了线性单目标最优化模型。
引入非负变量,即为各时段新增开的各型号的发电机台数,通过此变量线性表示出启动成本。
以总成本为目标函数,在模型一的基础上,只需改变一个约束条件,即发电机组在任意时间段内所能发出的最大总功率的80%要大于等于该时段的用电需求。
最后通过lingo软件求出最小成本为1885420元,并得出各时段各型号发电机的数量及其功率。
关键词:非线性最优化模型线性最优化模型最小生产成本1 问题重述1.1 问题背景在电力生产过程中,为满足每日的电力需求并且使生产成本达到最小,因不同发电性能的发电机成本不同,故可以选用不同型号的发电机组合使用。
1.2 题目信息题中给出了一天中七个时段的用电需求(见表一)及四种发电机的发电性能和相应成本(见表二)。
其中,所有发电机都有一个最大发电能力,当接入电网时,其输出功率不应低于其最小输出功率,且所有发电机均存在一个启动成本,以及工作于其最小功率状态时固定的每小时成本,并且如果功率高于最小功率,则超出部分的功率每兆瓦每小时还存在一个成本,即边际成本。
问题(1):在每个时段应分别使用哪些发电机才能使每天的总成本最小,最小总成本为多少?问题(2):如果在任何时刻,正在工作的发电机组必须留出20%的发电能力余量,以防用电量突然上升。
电力生产问题的数学模型摘要本文针对发电机厂每天在不同时间段用电需求量不同的情况下,根据给定不同型号不同数量的发电机,合理分配各台发电机在不同时间段的开启数量和运行功率,使得一天内总发电成本最小的问题,采用单目标非线性规划方法,建立所求问题的最优化模型,借助Lingo软件对模型进行求解,得到每日最小发电总成本。
对于问题—:由已知条件可知发电总成本由固定成本、边际成本、启动成本组成,据此,我们确定了三个指标:即固定成本总和、边际成本总和、启动成本总和。
总成本即为这三项成本总和。
每天分为七个时段,发电机共有四种型号,方案结果应该包括每个时段每种型号平均功率及该时段该型号发电机的数量,通过分析未知数与所给数据之间的关系来列出相应的约束条件,写出成本函数表达式,然后通过LINGO求出个时段各种型号发电机的实际发出的功率及所需要运行的台数,从而求出最小总成本1427810元。
对于问题二:题目要求在任何时刻,正在工作的发电机组必须留出20%的发电能力余量,以防用电量突然上升。
其他条件与第一问相同,因此,只需增加一个约束条件,即发电机机组所能发出的最大功率之和乘以80%后大于用电需求,所以可以按照问题—建立的模型,将其约束条件中每个时间段用电量的需求量提高25%,最终得出此情况下每天的最小成本为:1829955元。
关键词:单机输出功率使用数量总成本1.问题重述1.1问题背景为满足每日电力需求(单位为兆瓦(MW)),可以选用四种不同类型的发电机。
每日电力需求如下表1。
表1:每日用电需求(兆瓦)为了便于观察每天的用量需求,将数据重新整理,转化为图1所示的图表。
图1各时间段的用电需求量从图表中可以清晰的观察到每天用电需求变化,在第一阶段用电量需求处于低谷时段,第四阶每种发电机都有一个最大发电能力,当接入电网时,其输出功率不应低于某一最小输出功率。
所有发电机都存在一个启动成本,以及工作于最小功率状态时的固定的每小时成本,并且如果功率高于最小功率,则超出部分的功率每兆瓦每小时还存在一个成本,即边际成本。
数学建模优秀论文—电力生产电力生产问题2012年7月19日摘要该问题是有关满足[1]电力要求所需要的不同发电机数量的整数线性模型的l最优化问题。
每天分七个时段,每个时段的电力需求都不同,要使得每天的总成本最小,就需要适当的分配每个时段的发电机种类和数量。
问题1和问题2都是有关成本最小的问题,问题2在问题1的基础上增加了发电机组必须留出20%的发电能力余量,以防用电量突然上升的条件。
我们建立了电力成本的线型最优化模型,并采用lingo软件对其求解。
对于问题1:我们先利用未知量分别表示出每种类型的发电机每个时段的固定成本、启动成本和边际成本,再对其进行求和。
最后利用最优化模型进行求解。
得到以下结果:.对于问题2:问题2在问题1的基础上增加了发电机组必须留出20%的发电能力余量,以防用电量突然上升的条件。
所以在设定其约束条件时,要将其输出功率乘以80%,即按其80%的输出功率进行计算。
可得到以下结果:0-6 6-9 9-12 12-14 14-18 18-22 22-24型号1的发电机数量1 9 9 9 9 8 0型号2的发电机数量4 4 4 4 4 4 4型号3的发电机数量4 8 8 8 8 8 6 0-6 6-9 9-12 12-14 14-18 18-22 22-24型号1的发电机数量0 3 3 3 2 2 0型号2的发电机数量4 4 4 4 4 4 4型号3的发电机数量3 8 8 8 8 8 3型号4的发电机数量0 3 0 3 1 3 3各时段的总成本(元)176620 270400 185280 196000 247040 302360 85480最小总成本(元)1463180型号4的发电机数量0 1 0 3 0 1 2各时段的最小成本232710 363340 240360 241800 320480 390020 112720最小总成本1901430关键词:最优化模型整数非线性规划lingo软件一、问题重述每日的用电情况可分为7个阶段,每个阶段的用电需求(单位为兆瓦(MW))都不同。
数学建模电力安排
数学建模可以用来解决电力安排问题。
电力安排问题涉及如何合理地分配电力资源,以满足各个用户的需求,并保证电网的稳定运行。
数学建模可以借助数学模型和优化算法来解决这类问题。
首先,需要构建一个数学模型来描述电力系统的各个组成部分以及它们之间的相互关系。
这个模型可以包括电力供应方(如火电厂、风电场、太阳能光伏电站等)、电力消耗方(如居民、工业用电、商业用电等)以及电网的输电和配电系统等。
可以使用流程图、网络图等方法对电力系统的各个元素进行建模和表示。
接下来,需要考虑电力资源的分配问题。
这意味着需要确定电力资源分配给各个用户的方案,以满足用户的电力需求。
这个问题可以看作是一个优化问题,可以使用线性规划、整数规划、动态规划等方法来求解。
优化算法可以考虑用户的电力需求、电力资源的可利用性、电力系统的网络拓扑等因素,并在满足各种约束条件的前提下,求解出最佳的电力资源分配方案。
另外,还需要考虑电力系统的稳定运行问题。
电力系统中存在着输电损耗、电力负载的波动、电网的故障等不确定性因素,这些都会影响电力系统的稳定运行。
因此,建模过程中需要考虑这些不确定性因素,并对电力系统的可靠性进行评估和优化。
总之,数学建模可以在电力安排问题中发挥重要作用,通过建立数学模型和运用优化算法,能够提出合理的电力资源分配方案,保证电网的稳定运行,满足用户的电力需求。
数学建模在电力系统中的应用电力系统是指由发电厂、输电网和配电网组成的系统,是我们日常生活中不可或缺的重要组成部分。
为了保证电网的稳定运行并有效地解决各种问题,数学建模在电力系统中的应用变得越来越重要。
本文将通过介绍数学建模在电力系统中的应用,来探讨其对电力系统优化和问题解决的价值。
一、电力负荷预测电力负荷预测是电力系统运行的基础,通过对电力需求的准确预测,能够帮助电网调度员合理安排发电计划,提高发电效率和负荷调度能力。
数学建模在电力负荷预测中的应用可以采用多种方法,例如基于时间序列分析、神经网络模型、回归分析等。
通过历史数据的分析和建模,结合实时数据的更新,可以得到较为准确的电力负荷预测结果。
二、电力系统优化调度为了实现电力系统的优化运行,数学建模在电力系统调度中起到了重要作用。
电力系统优化调度的目标是通过合理的发电计划、输电网配置和负荷调度,使得系统能够以最低的成本、最高的可靠性和最大化的效益运行。
数学建模可以通过建立数学模型,考虑到各种因素如发电成本、供需平衡、线路容量等,通过优化算法求解,得到最优的系统配置和调度方案。
三、电力故障诊断与预防电力系统中的故障是不可避免的,但通过数学建模的应用可以帮助实现故障的诊断与预防。
通过建立故障识别的数学模型,结合电力系统的监测和测量数据,可以准确地判断电力系统中的故障类型和故障位置。
同时,通过故障预测模型的建立,可以提前预测潜在的故障风险,采取相应的预防措施,减少电力系统的故障概率。
四、电力市场分析与运营决策电力市场是一个复杂的市场体系,其中涉及到的参与主体众多,而数学建模的应用可以帮助实现电力市场的分析和运营决策。
通过建立电力市场的数学模型,可以对市场供需状况进行分析,预测电力价格和市场规模的变化趋势,以及参与主体之间的互动关系。
基于数学模型的分析结果,电力市场的参与者可以做出更加明智的运营决策,提高市场的效益和竞争力。
五、电力系统可靠性评估电力系统的可靠性评估是衡量电力系统正常运行能力的重要指标,而数学建模在可靠性评估中起到了重要作用。
题目:2023数学建模C题解题思路一、明确问题1.1 问题背景分析本题的背景是研究电网中的输电线路问题,即如何合理规划输电线路,使得电网的输电损耗最小化,从而保证电能的高效输送。
1.2 问题提出在实际的电网规划中,需要考虑多个因素,包括输电线路的长度、电阻、负荷等情况,本题要求我们利用数学建模的方法,分析并得出最佳的输电线路规划方案。
二、问题分析2.1 输电线路规划模型建立我们可以建立如下的输电线路规划模型:设电网中有n个节点,其中第i个节点的负荷为Pi,节点i到节点j之间的距离为Lij,电阻为Rij。
为了最小化输电损耗,我们需要在这n个节点之间规划出合理的输电线路。
2.2 优化目标确定我们将电能输送损耗定义为Pij×Lij×Rij,其中Pij为节点i到节点j的电流。
我们的优化目标即为最小化ΣPij×Lij×Rij。
三、模型建立3.1 输电线路路径选择我们可以利用最短路径算法,如Dijkstra算法或Floyd-Warshall算法,来选择节点之间的最佳输电线路路径。
这样,我们就可以确定每条输电线路的最短路径。
3.2 输电线路负荷分配为了最小化输电损耗,我们需要将电能尽量均匀地分配到每个输电线路上。
这就需要我们对电网中的负荷进行合理分配,以确保每条输电线路的负荷接近均衡。
3.3 输电线路电阻计算根据每条输电线路的长度和电阻系数,我们可以计算出每条输电线路的电阻。
这将有助于我们评估每条输电线路的输电损耗情况。
四、模型求解4.1 输电线路最短路径求解利用最短路径算法,我们可以求解出每个节点之间的最短路径,从而确定出最佳的输电线路路径。
4.2 输电线路负荷分配求解根据电网中各个节点的负荷情况,我们可以利用优化算法,如线性规划或遗传算法,来求解最佳的负荷分配方案。
4.3 输电线路输电损耗评估根据每条输电线路的电阻和负荷分配情况,我们可以计算出每条输电线路的实际输电损耗,从而评估电网的输电效率。
中国研究生数学建模竞赛题目
以下是中国研究生数学建模竞赛的一些题目示例:
1. 非线性规划问题:给定某工厂的生产和成本数据,要求优化产量和成本之间的关系,使得产量最大化同时成本最小化。
2. 最优调度问题:某电力公司需要安排多个发电机组的启动和停止时间,以满足不同时间段的电力需求和节约燃料成本等条件。
3. 网络流问题:某物流中心需要将多个物品从供应商通过不同的物流通道送达多个目的地,要求建立一个最优的运输方案,使得总运输时间最短。
4. 高等数学问题:给定一个复杂函数模型,要求推导该函数的极值点、驻点和拐点,并分析函数在不同区间的增减性和凹凸性。
5. 随机过程问题:某金融交易市场的交易量数据呈现随机波动,要求建立一个合适的随机模型,进行交易风险评估和预测。
6. 图论问题:某城市的交通网络由多个节点和边组成,要求分析城市中的交通拥堵情况,找到最短路径和最少换乘的出行方案。
以上只是一些示例题目,实际的竞赛题目会根据具体的考查内
容和难度设置。
每年竞赛的题目都会有所变化,考察的内容也会涵盖数学的不同领域和应用实践。
精心整理电力生产问题为满足每日电力需求(单位为兆瓦(MW)),可以选用四种不同类型的发电机。
每日电力需求如下表1。
表1:每日用电需求(兆瓦)时段(0-24)0-6 6-9 9-12 12-14 14-18 18-22 22-24 需求12000 32000 25000 36000 25000 30000 18000每种发电机都有一个最大发电能力,当接入电网时,其输出功率不应低于某一最小输出功率。
所有发电机都存在一个启动成本,以及工作于最小功率状态时的固定的每小时成本,并且如果功率高于最小功率,则超出部分的功率每兆瓦每小时还存在一个成本,即边际成本。
这些数据均列于表2中。
表2:发电机情况可用数量最小输出功率(MW)最大输出功率(MW)固定成本(元/小时)每兆瓦边际成本(元/小时)启动成本型号1 10 750 1750 2250 2.7 5000型号2 4 1000 1500 1800 2.2 1600型号3 8 1200 2000 3750 1.8 2400型号4 3 1800 3500 4800 3.8 1200 只有在每个时段开始时才允许启动或关闭发电机。
与启动发电机不同,关闭发电机不需要付出任何代价。
问题(1)在每个时段应分别使用哪些发电机才能使每天的总成本最小,最小总成本为多少?问题(2)如果在任何时刻,正在工作的发电机组必须留出20%的发电能力余量,以防用电量突然上升。
那么每个时段又应分别使用哪些发电机才能使每天的总成本最小,此时最小总成本又为多少?电力生产问题的数学模型摘要本文解决的是电力生产问题,在发电机的发电量能满足每日的电力需求的条件下,为了使每日的总成本达到最低,我们建立了一个最优化模型。
对于问题一:由已知条件可知有固定成本、边际成本、启用成本,据此,我们确定了三个指标:即固定总成本、边际总成本、启动总成本。
总成本即为这三项总成本之和。
每天分为七个时段,发电机共有四种型号,方案结果应该包括每个时段每种型号平均功率及该时段该型号发电机的数量,一共有56个未知数,为减少未知数,并将非线性约束条件转化为线性约束条件,将整数规划转化为非整数规划,我们以每个时段每种型号的几个发电机发出的总功率为变量,并列出相应的约束条件,然后通过LINGO求出个时段各种型号发电机的总功率,再采用分支定界法求出最小总成本为146.9210万元。
数学建模中电力安排问题
电力安排问题是指如何合理地安排电力资源的问题。
在数学建模中,电力安排问题通常涉及以下几个方面的内容:
1. 电力供需平衡问题:如何在保证电力供应的前提下,合理安排电力需求,避免供需不平衡现象的发生。
2. 电力生产问题:如何合理安排电力生产的方式和规模,以最大程度地满足电力需求,并考虑到环境、经济和可持续发展等因素。
3. 电力传输问题:如何设计和优化电力传输网络,确保电力能够高效地从发电厂传输到用户,减少能量损耗和线路负荷。
4. 电力负荷预测问题:如何准确地预测电力负荷的大小和变化趋势,以便合理安排电力供应和发电计划。
5. 电力价格和市场问题:如何合理制定电力价格和市场机制,激励电力生产者提供足够的电力供应,并鼓励用户节约用电。
在建立数学模型时,可以使用线性规划、整数规划、动态规划、随机模型等方法来解决电力安排问题。
同时,还需要考虑实际情况中的各种约束条件和限制,例如供电能力、燃料成本、环境因素等,以及不确定性因素的影响。
数学建模优化电力系统配置策略随着电力需求的不断增长和环境保护意识的日益增强,电力系统的配置策略成为了能源公司和政府部门关注的焦点。
为满足用户对电力的需求,同时降低成本并减少对环境的影响,数学建模成为了优化电力系统配置策略的重要工具。
本文将介绍数学建模在优化电力系统配置策略中的应用,并讨论其中的关键因素和挑战。
1. 电力系统配置策略的目标优化电力系统配置策略的目标通常包括以下几个方面:1) 提高可靠性和稳定性:电力系统应能够稳定供应电力,避免停电和电力波动,保证用户的正常用电需求。
2) 降低成本:通过优化电力系统的配置,可以降低电力的生产和传输成本,提高能源利用的效率。
3) 减少对环境的影响:优化配置策略还应该考虑可再生能源的利用,减少对化石燃料的依赖,降低温室气体的排放。
2. 数学建模在电力系统配置策略中的应用数学建模在优化电力系统配置策略中发挥了重要作用,其中一些常用的数学模型和方法包括:1) 优化模型:通过建立数学模型,确定电力系统的配置方案。
常用的优化模型包括线性规划、整数规划和混合整数规划等。
这些模型可以考虑供电可靠性、成本效益和环境影响等因素,找到最优的配置策略。
2) 线性规划模型:线性规划是电力系统优化配置中常用的数学建模方法。
通过考虑电力生产和传输的约束条件,以及用户需求和成本效益等因素,线性规划模型可以确定最佳的电力配置策略。
3) 整数规划模型:整数规划模型在考虑电力系统的离散性问题时发挥重要作用。
比如,是否在某个地区建设新的发电厂,或者是否扩大某个变电站的规模等。
整数规划模型可以在满足所有的约束条件的前提下,找到最优的整数解。
4) 模拟仿真模型:模拟仿真模型可以用来评估不同配置策略对电力系统性能的影响。
通过模拟电力系统的运行过程,可以预测不同策略下的电力供应情况,从而为决策提供参考。
3. 关键因素和挑战在优化电力系统配置策略时,需要考虑以下关键因素和挑战:1) 资源约束:电力系统的配置需要考虑可利用资源的限制,比如可再生能源的供应和传输网络的容量等。
数学建模在电网调度中的应用研究电网调度是一个复杂而重要的问题,在当今多样化的能源市场中,电力供需平衡和电网稳定性对于经济和社会的发展具有至关重要的意义。
现代数学建模方法为解决电网调度中的一系列难题,提供了一种高效的解决方案。
本文将介绍数学建模在电网调度中的应用,讨论其优缺点和未来发展。
1. 电网调度的难点电网调度是指通过合理的调度电力供给和负荷需求之间的平衡来维护电力系统的稳定运行,确保电力能够按时并可靠地供应到各个终端。
电网调度的主要难点包括:(1)负荷预测难度大:随着电力市场的多样性和复杂性,负荷预测涉及到大量的变量和因素,如经济数据、气候变化、用电行为等,往往难以精确预测。
(2)电能质量跟踪难度大:电力系统中存在着各种不同的电气设备,电能的质量会受到众多因素的影响,如电源不平衡、电源电压波动等。
(3)维护电力系统的稳定性:电力系统的稳定性对于电力供应的可靠性和安全性至关重要,但在过去,在处理电力系统稳定性问题的时候,主要采用的是传统的试错法。
2. 数学建模在电网调度中的应用数学建模是一种较为先进、高效的分析方法,在电网调度中,其作用是构建数学模型,将电力系统抽象为适当的数学模型,从而对其进行分析和优化。
(1)负荷预测模型:电力系统是一个复杂的系统,利用数学模型来描述负荷的变化趋势。
常用的数学模型包括ARIMA模型、BP神经网络模型等。
采用这些数学模型,可以预测负荷的未来变化趋势,从而有效地进行电力系统的调度和运营。
(2)电能质量跟踪模型:利用数学建模方法,可以构建出基于小波变换的电能质量跟踪模型。
这种方法利用小波变换从原始信号中提取频率特征、时域和频域的能量等特征,从而能够实现对电力质量的快速和准确跟踪。
(3)电力系统稳定性模型:在处理电力系统稳定性问题的时候,利用传统的试错法会非常麻烦和困难。
现代数学建模方法,如优化和控制等理论,可以用来优化电力系统的稳定性,包括:稳定区域的计算、稳定控制策略的确定、控制器参数的选取等问题。
电力生产问题摘要本文解决的是电力生产中发电机的安排问题,本文解决的是电力生产中发电机的安排问题,在满足每日各时间段电力需求在满足每日各时间段电力需求的条件下,安排各型号发电机来供电,以期获得最小的成本。
为解决此问题,我们建立了两个最优化模型。
们建立了两个最优化模型。
针对问题一:建立了非线性单目标最优化模型。
从已知条件、目标函数、约束条件三方面进行综合分析可知,束条件三方面进行综合分析可知,每天的总成本由总固定成本、每天的总成本由总固定成本、每天的总成本由总固定成本、总边际成本、总边际成本、总边际成本、总总启动成本组成,确定总成本为目标函数,各时段各型号发电机工作数量及其总超出功率为主要变量,并列出相应约束条件。
最后通过Lingo 软件[2]求出最小成本为1540770元,并得出各时段各型号发电机的数量及其功率如下表(具体见表三):时段时段 型号型号0-6 6-9 9-12 12-14 14-18 18-22 22-24 1台数台数22222超出功率超出功率 0 2000 1500 20000 1100 0 (4)台数台数33 0 3 1 3 0 超出功率超出功率 60011005100针对问题二:建立了线性单目标最优化模型。
引入非负变量,即为各时段新增开的各型号的发电机台数,通过此变量线性表示出启动成本。
以总成本为目标函数,在模型一的基础上,在模型一的基础上,只需改变一个约束条件,只需改变一个约束条件,只需改变一个约束条件,即发电机组在任意时间段内即发电机组在任意时间段内所能发出的最大总功率的80%80%要大于等于该时段的用电需求。
要大于等于该时段的用电需求。
要大于等于该时段的用电需求。
最后通过最后通过lingo 软件求出最小成本为1885420元,并得出各时段各型号发电机的数量及其功率。
元,并得出各时段各型号发电机的数量及其功率。
关键词:非线性最优化模型关键词:非线性最优化模型 线性最优化模型线性最优化模型线性最优化模型 最小生产成本最小生产成本1 1 问题重述问题重述问题重述1.1 1.1 问题背景问题背景在电力生产过程中,为满足每日的电力需求并且使生产成本达到最小,因不同发电性能的发电机成本不同,故可以选用不同型号的发电机组合使用。
2023华为杯数学建模f题在2023年华为杯数学建模竞赛中,F题是一个有挑战性的数学建模问题。
本文将针对该问题进行详细的分析和解答。
问题描述:F题的问题描述如下:某地区的电力系统由多个发电站、变电站和用户组成。
每个发电站都有一个固定的发电能力,变电站的作用是将发电站产生的电能分配给各个用户。
每个用户的电能需求是不同的,而且在不同的时间段内也会有所变化。
变电站之间的输电线路有一定的输电损耗。
问题要求我们设计一个电力系统的优化方案,使得用户的电能需求得到满足的同时,系统的电能损耗最小。
问题分析:为了解决这个问题,我们首先需要建立一个数学模型。
考虑到电力系统的复杂性,我们可以将问题分解为以下几个子问题:1. 发电站的分配问题:如何将发电站的发电能力分配给不同的变电站,以满足用户的电能需求。
2. 变电站的分配问题:如何将电能从发电站分配到变电站,以最小化输电损耗。
3. 变电站的供电问题:如何根据用户的电能需求,将电能从变电站供应给不同的用户。
解决方案:针对上述子问题,我们可以采取以下的解决方案:1. 发电站的分配问题可以采用线性规划的方法进行求解。
将每个发电站的发电能力作为变量,用户的电能需求作为约束条件,以最小化总发电能力为目标函数。
通过求解线性规划问题,可以得到最优的发电站分配方案。
2. 变电站的分配问题可以采用图论的方法进行求解。
将电力系统抽象为一个图,发电站和变电站作为节点,输电线路作为边,以输电损耗作为边的权重。
然后,可以使用最小生成树算法来选择一棵边权和最小的生成树,即为最优的变电站分配方案。
3. 变电站的供电问题可以采用贪心算法进行求解。
首先,将变电站按照电能供应能力进行排序。
然后,依次从电能供应能力最大的变电站开始,将电能分配给电能需求最大的用户,直到所有用户的电能需求得到满足为止。
实施和评估:在实施以上解决方案时,我们需要收集电力系统的相关数据,包括发电站的发电能力、变电站之间的输电损耗、用户的电能需求等。
2022年东北三省数学建模b题思路
一、基于用电可靠性的配电网规划
如果一批用户变压器(下面简称用户)仅由一个电源变电站(下面简称电源)供电,称为单供。
这时配电网由电线和开关联接成以电源为根节点的树状结构图,使得每个用户所在顶点都在图中有路(电线)联接到电源根节点。
一些电力用户一日发生停电,无论停电时间长短,都会带来较大损失,降低用电满意度。
因此,定义用户用电可靠性:指定时间段内不因配电网故障停电或限电的概率。
为了提升用户用电可靠性,可在两个电源的单供配电网之间建立联络线,并增设开关和扩充电源可供电功率,形成双电源供电配电网(简称双供配电网)。
二、开关设置原则
1、配电网中开关(电源出线后开关除外)的设置必须使得网中某处发生故障时,通过开关隔离故障后,保持供电的用户需求功率之和最大化。
2、在网上任意一点到电源的所有路中,可以通过设置开关状态使得仅有一条是通路。
3、配电网中开关的设置包含但不限干以下情况:每个用户前端有开关,每个分岔点后端的每条支路上有开关,双供配电网的每条联络线上有开关。
配电网设施可靠性单元划分及其可靠性:忽略电源至它的后端第一个开关部分,忽略用户至它的第一个前端开关部分,配
电网设备可靠性(故障)单元由电源、用户、开关,以及仅含两个开关之间的路(下面称为故障单元路)构成。
每个单元设备在指定时间段内正常运行的概率称为单元设备可靠性,它等于1减去该单元设备的故障率。
双供配电网用户供电调度原则:满足一个用户全部需求功率,否则断开该用户;首先满足各自单供配电网内用户的需求:双供电源多余功率的分配优先提高全配电网供电功率总和,然后提升全配电网最低的用电可靠性。
电力生产问题摘要本文解决的是电力生产中发电机的安排问题,在满足每日各时间段电力需求的条件下,安排各型号发电机来供电,以期获得最小的成本。
为解决此问题,我们建立了两个最优化模型。
针对问题一:建立了非线性单目标最优化模型。
从已知条件、目标函数、约束条件三方面进行综合分析可知,每天的总成本由总固定成本、总边际成本、总启动成本组成,确定总成本为目标函数,各时段各型号发电机工作数量及其总超出功率为主要变量,并列出相应约束条件。
最后通过Lingo软件[2]求出最小成本为1540770元,并得出各时段各型号发电机的数量及其功率如下表(具体见表三):针对问题二:建立了线性单目标最优化模型。
引入非负变量,即为各时段新增开的各型号的发电机台数,通过此变量线性表示出启动成本。
以总成本为目标函数,在模型一的基础上,只需改变一个约束条件,即发电机组在任意时间段内所能发出的最大总功率的80%要大于等于该时段的用电需求。
最后通过lingo软件求出最小成本为1885420元,并得出各时段各型号发电机的数量及其功率。
关键词:非线性最优化模型线性最优化模型最小生产成本1 问题重述1.1 问题背景在电力生产过程中,为满足每日的电力需求并且使生产成本达到最小,因不同发电性能的发电机成本不同,故可以选用不同型号的发电机组合使用。
1.2 题目信息题中给出了一天中七个时段的用电需求(见表一)及四种发电机的发电性能和相应成本(见表二)。
其中,所有发电机都有一个最大发电能力,当接入电网时,其输出功率不应低于其最小输出功率,且所有发电机均存在一个启动成本,以及工作于其最小功率状态时固定的每小时成本,并且如果功率高于最小功率,则超出部分的功率每兆瓦每小时还存在一个成本,即边际成本。
问题(1):在每个时段应分别使用哪些发电机才能使每天的总成本最小,最小总成本为多少?问题(2):如果在任何时刻,正在工作的发电机组必须留出20%的发电能力余量,以防用电量突然上升。
那么每个时段又应分别使用哪些发电机才能使每天的总成本最小,此时最小总成本又为多少?2 模型假设假设1:不计发电机启动时所需时间;假设2:各发电机均在24时关闭,即不考虑循环过程;假设3:各发电机的输出功率在时段初调整好后,保持不变;假设4:题目所列出的成本以外的成本消耗不计。
3 符号说明xijtipijnj1,27j4 问题分析此题研究的是电力生产中合理安排不同类型发电机的数学建模问题。
为满足电力需求,对于每日七个时段,需要对四种不同类型发电机进行合理安排。
针对问题一:从以下三方面来分析(1)对已知条件的分析:七个时段分别对应不同的用电需求,四种不同类型发电机可供使用,且已知其可用数量、最小输出功率、最大输出功率、固定成本、每兆瓦边际成本、启用成本。
要使总成本达到最小,则问题的目标函数就是总成本函数。
(2)对目标函数的分析:发电机总成本包括总固定成本、总边际成本、总启动成本。
该问题的关键在于如何求启动成本。
(3) 对约束条件的分析:四种型号发电机在第i 个时间段的发电总量应不小于总需求量;型号j 发电机在任一时间段的数量不能超过可用数量;型号j 发电机在任一时间段的超出功率不超过最大功率与最小功率之差。
综合以上分析,我们将建立非线性单目标最优化模型。
针对问题二:为了使求解更简单,我们试图采用线性方法来解决该问题,对于启动成本的求解,将引入ij x 表示第i 个时段新增开的型号j 的发电机的台数,后一时间段需关闭发电机时,0ij x =。
此外,只需改变一个约束条件,即发电机组在第i 个时间段所能发出的最大总功率的80%要大于等于该时段的用电需求。
最后建立线性单目标最优化模型来求解。
5 问题一的解答5.1 模型的建立5.1.1 确定目标函数 要使总成本最小,需合理安排四种发电机来满足七个时间段的用电需求,总成本由以下三个指标组成:(1)总固定成本=第i 个时间段的时长⨯第i 个时间段型号j 发电机的数量⨯型号j 发电机每小时的固定成本4711j j ij j i p c t x ===∑∑(2)总边际成本=第i 个时间段的时长⨯第i 个时间段型号j 发电机的数量⨯第i 个时间段型号j 发电机超出最小功率部分的功率⨯型号j 发电机每兆瓦边际成本4711j j ij j i q d t p ===∑∑(3)总启动成本=型号j 发电机启动数量⨯型号j 发电机的启动成本4471112@12ij j j ij j j j i sign x s x e x e ===+=+∑∑∑则总成本 =固定总成本+边际总成本+启动总成本Q p q s =++5.1.2 确定约束条件 约束条件一:台数约束型号j 发电机在任一时间段的数量不超过可用数量01,271,2,3,4ij ij j ij x x n i j x ⎧∈N ⎪≤≤==⎨⎪∈N⎩约束条件二:功率约束型号j 发电机在任一时间段的超出功率不超过最大功率与最小功率只差()1,271,2,3,4ij j j ijp b a x i j ≤-==约束条件三:需求约束四种型号发电机在第i 个时间段的发电总量应不小于其需求量()411,27i ij j ij j w p a x i =≤+=∑5.1.3综上所述,得到问题一的最优化模型()47447111112@1min 2ij j j ij j j ij j j ij j j i j j i sign x Q c t x d t p x e x e =====+=+++∑∑∑∑∑()()41..0i ij j ij j ij j j ij ij ij ij j w p a x p b a x s t x x x n=⎧≤+⎪⎪⎪≤-⎨⎪∈N∈N ⎪⎪≤≤⎩∑ 5.2 模型一的求解根据建立的模型用Lingo 软件代入数据求解(源程序见附录)得最小总成本为1540770元,各时段各型号发电机的数量和总超出功率结果如表三:5.3 模型一结果分析经过对上述表格中的数据进行分析,我们可以发现,求出的结果中,发电机的数量和功率均符合要求。
型号1的发电机由于启动成本比较大,故不适宜启动过多;型号2的发电机由于固定成本和启动成本比较小,故可以尽量启动;型号3的发电机由于边际成本比较小,故该型号可以尽量采用大功率。
型号4的发电机固定成本过高,故不适宜持续启用。
6 问题二的解答6.1 模型的建立6.1.1 确定目标函数通过问题分析已知模型二中固定总成本和边际总成本与模型一相同,而采用线性方法后,启动总成本=第i 个时段新增开的型号j 的发电机的台数⨯型号j 的发电机的启动成本。
故(1)固定总成本7411j j ij i j p c t x ===∑∑(2)边际总成本7411j j ij i j q d t p ===∑∑(3)启动总成本7411ij j i j s x e ===∑∑总成本Q p q s =++6.1.2 确定约束条件因为问题二是在问题一的基础上新增了一个约束条件,即发电机组在第i 个时间段所能发出的最大总功率的80%要大于等于该时段的用电需求,可以直接将问题一的约束三变化得到新的约束条件,故约束条件一:台数约束01,271,2,3,4ij ij j ij x x n i j x *⎧∈N ⎪⎪≤≤==⎨⎪∈N ⎪⎩约束条件二:功率约束()1,271,2,3,4ij j j ijp b a x i j ≤-==约束条件三:需求约束()410.81,27i ij j ij j w p a x i =≤+=∑6.1.3综上所述,得到问题二的最优化模型()4711min ij j j j ij j j ij j i Q x e c t x d t p ===++∑∑()()410.8.0i ij j ij j ij j j ij ijij ij j w p a x p b a x s t x x x n=*⎧≤+⎪⎪⎪≤-⎨⎪∈N ∈N ⎪⎪≤≤⎩∑ 6.2 模型二的求解根据建立的模型用Lingo 软件代入数据求解(源程序见附录)得最小总成本为1885420元,各时段各型号发电机的数量和总超出功率结果如表四:6.3 模型二的结果分析将上述求解结果与表1和表2对照,发现各型号的发电机台数和功率均满足题目要求。
因为问题二要使任何时刻发电机组都有20%的发电能力余量,以防用电量突然上升,所以每个时段的发电机按上述分别进行组合后的实际供电量的80%均应大于或等于每时段的供电需求。
此结果与第一问的结果用matlab 编程分析并绘制出在两个问题的结果中发电机在每个时段的功率和台数的变化图(源程序参见附录)如下:注:图中红线代表无保留电力(问题一)情况下的发电机使用情况,蓝线代表有保留电力(问题二)情况下的发电机使用情况因该模型只是在模型一的基础上做的改进,故结果改变不大。
由上图对比可以看出,型号1的发电机的启动成本过高,故不宜重复启动;对于型号2和型号3的发电机,因其各种成本相对较低,故可尽量多启动这两种型号并使其达到最大功率;型号4的发电机因其启动成本较低而边际成本和固定成本均较高,故输出功率不宜过高,但可重复启动。
7 模型的评价7.1 模型的优点优点一:模型一考虑细致,表述简洁,易于理解,便于重复利用,模型二为线性规划模型,易于求解;优点二:该模型对电力生产问题的考虑比较全面,在电力生产方面有较好的应用前景,对资源的合理利用上有较大的贡献;优点三:在结果分析的检验证明,我们所建模型得到的结果既满足了题目的约束条件又是相应问题的最优解。
7.2 模型的缺点缺点一:模型一为非线性规划模型,故求解上有一定的难度;缺点二: 本文所建模型忽略了发电机输出功率的转换时间与消耗;缺点三:本文所建模型考虑的是一天中0时-24时发电机组的安排,而实际问题中是长期循环过程。
8 模型的改进8.1模型改进改进一:模型一可以改进为线性规划模型,方便求解。
改进二:查询更多相关资料数据,得到发电机输出功率的转换时间与消耗。
改进三:可以考虑长期循环过程,以便模型能够得到更广泛的应用。
8.2 模型推广上述模型不仅可用于电力生产的优化,也可用于其它生产的优化,特别是对于生产过程中涉及到资源的选择分配问题有很好的适用性。
9 参考文献[1] 宋来忠,王志明,数学建模与实验,北京:科学出版社,2005[2] 惠高峰,Lingo软件在求解数学优化问题的使用技巧,《科技视界》,2013[3] 王能淼,杨华,谢伟,电力生产安排的数学模型,百度文库,2012.7[4] 赵静,但琦,数学建模与数学实验,高等教育出版社,2008附录附录一:问题一程序model:sets:time/1..7/:length,demond;type/1..4/:startcost,precost,fixcost,pmin,pmax,num;cost(time,type):p,x;endsets!这里是数据;data:length=6,3,3,2,4,4,2;demond=12000,32000,25000,36000,25000,30000,18000;startcost=5000,1600,2400,1200;precost=2.7,2.2,1.8,3.8;fixcost=2250,1800,3750,4800;pmin=750,1000,1200,1800;pmax=1750,1500,2000,3500;num=10,4,8,3;enddata@for(cost(i,j):p(i,j)<=(pmax(j)-pmin(j))*x(i,j));@for(time(i):@sum(type(j):(p(i,j)+pmin(j)*x(i,j)))>=demond(i));!电机数量约束;!@for(cost(i,j):ns(i,j)<=num(j));@for(cost(i,j):x(i,j)<=num(j));@for(cost:@gin(x));!@for(cost(i,j)|i#gt#1:ns(i,j)>=x(i,j)-x(i-1,j));!目标函数;min=@sum(cost(i,j):x(1,j)*startcost(j)+(@sign(x(i,j)-@if(i#ge#2,x((i-1),j),0))+1)/2*( x(i,j)-@if(i#ge#2,x((i-1),j),0))*startcost(j)+fixcost(j)*length(i)*x(i,j)+p(i,j)*precost(j) *length(i));end附录二:问题二程序model:sets:time/1..7/:length,demond;type/1..4/:startcost,precost,fixcost,pmin,pmax,num;cost(time,type):p,ns,x;endsetsdata:length=6,3,3,2,4,4,2;demond=12000,32000,25000,36000,25000,30000,18000;startcost=5000,1600,2400,1200;precost=2.7,2.2,1.8,3.8;fixcost=2250,1800,3750,4800;pmin=750,1000,1200,1800;pmax=1750,1500,2000,3500;num=10,4,8,3;enddata!功率约束;@for(cost(i,j):p(i,j)<=(pmax(j)-pmin(j))*x(i,j));!需求约束;@for(time(i):@sum(type(j):(p(i,j)+pmin(j)*x(i,j))*0.8)>=demond(i));!电机数量约束;!@for(cost(i,j):ns(i,j)<=num(j));@for(cost(i,j):x(i,j)<=num(j));@for(cost:@gin(x));@for(cost(i,j):ns(1,j)=x(1,j));@for(cost(i,j)|i#ge#2:ns(i,j)>=x(i,j)-x(i-1,j));!目标函数;min=@sum(cost(i,j):startcost(j)*ns(i,j)*(ns(i,j)#ge#0)+fixcost(j)*length(i)*x(i,j)+p(i,j )*precost(j)*length(i));End附录三:模型一与模型二的结果分析的matlab源程序figure('color','w')x=1:7;A1=[0 2000 1500 2000 0 1100 0];subplot(2,2,1)plot(x,A1,'-r',x,A1,'ro')hold onB1=[250 7000 400 8000 0 5600 0];plot(x,B1,'-b',x,B1,'b*')title('型号1发电机超出功率变化')A2=[2000 2000 2000 2000 1700 2000 2000];subplot(2,2,2)plot(x,A2,'-r',x,A2,'ro')hold onB2=[2000 2000 2000 2000 1350 2000 1750];plot(x,B2,'-b',x,B2,'b*')title('型号2发电机超出功率变化')A3=[0 6400 6400 6400 6400 6400 6400];subplot(2,2,3)plot(x,A3,'-r',x,A3,'ro')hold onB3=[3200 6400 6400 6400 6400 6400 6400]; plot(x,B3,'-b',x,B3,'b*')title('型号3发电机超出功率变化')A4=[600 1100 0 5100 0 0 0];subplot(2,2,4)plot(x,A4,'-r',x,A4,'ro')hold onB4=[0 350 0 3600 0 0 0];plot(x,B4,'-b',x,B4,'b*')title('型号4发电机超出功率变化')%%figure('color','w')x=1:7;A1=[0 2 2 2 2 2 0];subplot(2,2,1)plot(x,A1,'-r',x,A1,'or')hold onB1=[1 7 7 8 6 6 1];plot(x,B1,'-b',x,B1,'b*')title('型号1发电机的台数')A2=[4 4 4 4 4 4 4];subplot(2,2,2)plot(x,A2,'-r',x,A2,'or')hold onB2=[4 4 4 4 4 4 4];plot(x,B2,'-b',x,B2,'b*')title('型号2发电机的台数')A3=[0 8 8 8 8 8 6];subplot(2,2,3)plot(x,A3,'-r',x,A3,'or')hold onB3=[4 8 8 8 8 8 8];plot(x,B3,'-b',x,B3,'b*')title('型号3发电机的台数')A4=[3 3 0 3 1 3 0];subplot(2,2,4)plot(x,A4,'-r',x,A4,'ro')hold onB4=[0 3 2 3 3 3 0];plot(x,B4,'-b',x,B4,'b*')title('型号4发电机的台数')。