最新维修电工技师和高级技师职业技能鉴定理论知识模拟试卷及答案
- 格式:doc
- 大小:823.50 KB
- 文档页数:62
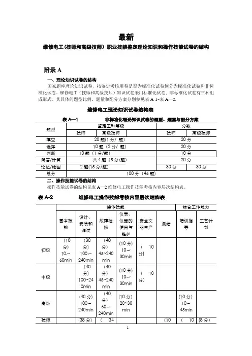
最新维修电工(技师和高级技师)职业技能鉴定理论知识和操作技能试卷的结构附录A一、理论知识试卷的结构国家题库理论知识试卷,按鉴定考核用卷是否为标准化试卷划分为标准化试卷和非标准化试卷。
维修电工(技师和高级技师)知识试卷采用标准化试卷;非标准化试卷有三种组成形式。
其具体的题型比例、题量和配分方案分别参见表A-1~表A-2。
维修电工理论知识试卷结构表表A-1非标准化理论知识试卷的题型、题量与配分方案二、操作技能试卷的结构操作技能试卷的结构见表A-2维修电工操作技能考核内容层次结构表。
表A-2维修电工操作技能考核内容层次结构表国家题库操作技能试卷采用由“准备通知单”、“试卷正文”和“评分记录表”三部分组成的基本结构,分别供考场、考生和考评员使用。
(1)准备通知单包括材料准备,设备准备,工具,量具、刃具、卡具准备等考场准备(标准、名称、规格、数量)要求。
(2)试卷正文包含需要说明的问题和要求、试题内容、总时间与各个试题的时间分配要求,考评人数,评分规则与评分方法等。
(3)评分记录表包含具体的评分标准和评分记录表。
附录B 理论知识模拟试卷一、试卷说明(1)本试卷以《国家职业职业标准》(维修电工)为命题依据。
(2)本试卷考核内容无地域限制。
(3)本试卷只适用于本等级鉴定。
(3)本试卷命题遵循学以致用的原则。
二、模拟试卷正文最新职业技能鉴定国家题库维修电工技师理论知识试卷(1)注意事项1、考试时间:120min。
2、请首先按要求在试卷的标封处填写您的姓名、准考证号和所在单位的名称。
3、请仔细阅读各种题目的回答要求,在规定的位置填写您的答案。
4、不要在试卷上乱写乱画,不要在标封区填写无关的内容。
一、填空题 (第1~20题。
请将正确答案填入题内空白处。
每题1分,共20分。
)1.劳动的双重含义决定了从业人员全新的劳动态度和职业道德观。
2.职业道德的内容包括:_职业德意道识、职业道德行为规范和职业守则等。
3.奉献社会是职业道德中的最高境界,同时也是做人的最高境界。
电工高级技师试题及答案一、单项选择题(每题1分,共10分)1. 电流通过导体时,导体两端产生的电势差称为()。
A. 电压B. 电流C. 电阻D. 功率答案:A2. 以下哪种材料不适合作为绝缘体使用?()A. 橡胶B. 玻璃C. 铁D. 陶瓷答案:C3. 交流电的周期是指()。
A. 电流方向改变一次所需的时间B. 电流方向改变两次所需的时间C. 电流达到最大值所需的时间D. 电流从零值变化到最大值所需的时间答案:B4. 电路中电流的单位是()。
A. 伏特B. 欧姆C. 安培D. 瓦特5. 电阻的单位是()。
A. 伏特B. 欧姆C. 安培D. 瓦特答案:B6. 电路中电压、电流和电阻之间的关系由()定律描述。
A. 欧姆定律B. 基尔霍夫定律C. 法拉第定律D. 牛顿定律答案:A7. 以下哪个选项不是电路的基本组成部分?()A. 电源B. 导线C. 电阻D. 电容器答案:D8. 电路中电流的计算公式为()。
A. I = V/RB. I = V * RC. V = I * RD. R = V/I答案:A9. 以下哪种类型的电路元件可以储存电能?()B. 电感C. 电容D. 二极管答案:C10. 电路中,电感的单位是()。
A. 欧姆B. 法拉C. 亨利D. 安培答案:C二、多项选择题(每题2分,共10分)1. 以下哪些因素会影响电路中的电阻值?()A. 材料B. 温度C. 长度D. 横截面积答案:ABCD2. 以下哪些设备属于电力系统的一次设备?()A. 变压器B. 断路器C. 继电器D. 电表答案:AB3. 以下哪些是直流电的特点?()A. 电流方向不变B. 电流大小不变C. 电流方向周期性变化D. 电流大小周期性变化答案:AB4. 以下哪些是电磁感应定律的表述?()A. 磁场强度与电流成正比B. 磁场强度与导线长度成正比C. 磁场强度与导线周围磁通量成正比D. 磁场强度与导体运动速度成正比答案:AC5. 以下哪些是电路故障的常见类型?()A. 短路B. 开路C. 过载D. 接地答案:ABC三、判断题(每题1分,共10分)1. 电流的流动方向是从正极到负极。
维修电工高级技师模拟考试题及答案(一)1.转速负反馈调速系统在稳定运行过程中,转速反馈线突然断开,电动机的转速会(升高)2.子装置内部采用低噪声前置放大器,各级放大器间防止耦合和自激振荡。
3.当晶闸管直流电动机转速负反馈调速系统中,当负载电流增加后晶闸管整流器输出电压将(增加)4.机电一体化将电子设备的信息处理功能和控制功能融合到机械装置中,使装置更具有系统性、完整性、科学性。
5.选用差分放大电路的主要原因是减少温漂。
6.由被控对象变送器和执行机构组成典型工业控制机系统的一次设备部分。
7.乙类对成功率放大器既能放大电压信号,也能放大电流信号。
8.当配电系统的电感与补偿电容发生串联谐振时,其补偿电容器和配电系统呈最大电流。
9.绝缘栅双极晶体管的导通角与关断是由栅极电压控制的。
10.浮地接法容易产生静电干扰。
11.当电源有一个不接地的信号源与一个接地放大器相连时,输入端的屏蔽应接至放大器的公共端。
12.在逻辑无环流可逆调速系统中,逻辑装置有以下工作状态:①检测主回路电流信号为零②检测转矩极性变号③经过“触发等待时间”的延时,发出开放原来未工作的晶闸管装置的信号④经过“关断等待时间”的延时,发出封锁原来工作的晶闸管装置的信号。
请选出以上过程的正确顺序(②→①→④→③)13.三极管当发射结和集电结都是正偏时工作于饱和状态。
14.机电一体化产品控制系统大多数都具备自动控制、自动诊断、自动信息处理、自动修正、自动检测等功能。
15.工业中控制直流电压一般是DC24伏。
工业中控制电压一般是交流电压。
16.PLC程序中,手动程序和自动程序需要联锁(或者互锁)17电气控制电路设计应最大限度地满足(机械设备加工工艺)的需要18.机电一体化包含了机械技术、计算机与信息处理技术、系统技术、自动控制技术、传感与检测技术、伺服传动技术。
19.pLc改造设备控制是指采用PLc可编程序控制器替换原设备控制中庞大而复杂继电器控制装置。
电工高级技师考试模拟题及参考答案一、单选题(共70题,每题1分,共70分)1、运行中的线路的绝缘电阻每伏工作电压为()欧。
A、1000B、500C、700D、800正确答案:A2、从业人员做到坚持原则,下列哪项不对()A、立场坚定B、注重情感C、和气为重D、利益为重正确答案:D3、反接制动是利用改变异步电动机定子绕组上三相电源的( ),使定子产生反向旋转磁场作用于转子而产生强力制动力矩。
A、相序B、电压C、频率D、磁场正确答案:A4、直流电动机的主磁极产生的磁场是()。
A、恒定磁场B、匀强磁场C、旋转磁场D、脉动磁场正确答案:A5、关于晶闸管说法不正确的是()。
A、电路比较复杂B、电力过载能力差C、抗干扰能力差D、效率低正确答案:B6、当线圈中的磁通增加时,感应电流产生的磁通与原磁通方向( )。
A、相同B、反比C、正比D、相反正确答案:D7、晶体三极管电流放大的偏置条件是()。
A、不确定B、集电结正偏C、发射结反偏、集电结反偏D、发射结正偏、集电结反偏正确答案:D8、一般而言PLC的I/O点数要冗余()。
A、10%B、5%C、8%D、3%正确答案:A9、识读完J50数控系统电气原理图以后,还要进行()。
A、总结B、记录C、检查D、连锁正确答案:C10、接触器触点的整形修理时,当电流过大、灭弧装置失效、触点容量过小或因触点弹簧损坏,初压力过小时,触点()电路时会产生电弧。
A、断开B、闭合或断开C、闭合D、导电正确答案:B11、力矩电动机的特点是()。
A、转速低,转矩小B、转速高,转矩小C、转速高,转矩大D、转速低,转矩大正确答案:D12、执行操作规程的具体要求不包括()A、牢记操作规程B、演练操作规程C、坚持操作规程D、修改操作规程正确答案:D13、斜Y形坡口对接裂纹试验适用于碳素钢和低合金钢抗()的性能试验。
A、热裂纹B、弧坑裂纹C、冷裂纹D、再热裂纹正确答案:C14、在纯电感电路中,没有能量消耗,只有能量()。
维修电工高级理论知识题库(含答案)职业技能鉴定国家题库维修电工高级理论知识题库(含答案)一、单项选择题(第1题~第160题,每题0.5分,共80分)1、职业道德是一种( B )的约束机制。
A、强制性B、非强制性C、随意性D、自发性2、市场经济条件下,职业道德最终将对企业起到( B )的作用。
A、决策科学化B、提高竞争力C、决定经济效益D、决定前途与命运3、下列选项中属于企业文化功能的是( A )A、整合功能B、技术培训功能C、科学研究功能D、社交功能4、职业道德对企业起到( D )的作用,A、增强员工独立意识B、模糊企业上级与员工关系C、使员工规规矩矩做事情D、增强企业凝聚力5、下列选项中,关于职业道德与人生事业成功的关系的正确论述是( A )A、职业道德是人生事业成功的重要条件B、职业道德水平高的人可定能够取得事业的成功C、缺乏职业道德的人更容易获得事业的成功D、人生事业成功与否与职业道德无关6、下列说法中,不符合语言规范具体要求的是( D )A、语言自然,不呆板B、用尊称,不用忌语C、语速适中,不快不慢D、多使用幽默语言,调节气氛7、职业纪律是从事这一职业的员工应该共同遵守的行为准则,它包括的内容有( D )A、交往规则B、操作程序C、群众观念D、外事纪律8、市场经济条件下,不符合爱岗敬业要求的是( D )的观念。
A、树立职业理想B、强化职业责任C、干一行爱一行D、多转行多跳槽9、下面关于严格执行安全操作规程的描述,错误的是( B )A、每位员工都必须严格执行安全操作规程B、单位的领导不需要严格执行安全操作规程C、严格执行安全操作规程是维持企业正常生产的根本保证D、不同行业安全操作规程的具体内容是不同的10、在日常工作中,对待不同对象,态度应真诚热情、( C )A、尊卑有别B、女士优先C、一视同仁D、外宾优先11、电位是相对量,随参考点的改变而改变,二电压是(C ),不随参考点的改变而改变。
最新维修电工(技师和高级技师)职业技能鉴定理论知识和操作技能试卷的结构附录A一、理论知识试卷的结构国家题库理论知识试卷,按鉴定考核用卷是否为标准化试卷划分为标准化试卷和非标准化试卷。
维修电工(技师和高级技师)知识试卷采用标准化试卷;非标准化试卷有三种组成形式。
其具体的题型比例、题量和配分方案分别参见表A-1~表A—2.维修电工理论知识试卷结构表二、操作技能试卷的结构操作技能试卷的结构见表A—2维修电工操作技能考核内容层次结构表。
表A-2 维修电工操作技能考核内容层次结构表国家题库操作技能试卷采用由“准备通知单”、“试卷正文”和“评分记录表”三部分组成的基本结构,分别供考场、考生和考评员使用.(1)准备通知单 包括材料准备,设备准备,工具,量具、刃具、卡具准备等考场准备(标准、名称、规格、数量)要求.(2)试卷正文包含需要说明的问题和要求、试题内容、总时间与各个试题的时间分配要求,考评人数,评分规则与评分方法等。
(3)评分记录表 包含具体的评分标准和评分记录表.附录B 理论知识模拟试卷一、试卷说明(1)本试卷以《国家职业职业标准》(维修电工)为命题依据. (2)本试卷考核内容无地域限制。
(3)本试卷只适用于本等级鉴定。
(3)本试卷命题遵循学以致用的原则. 二、模拟试卷正文最新职业技能鉴定国家题库维修电工技师理论知识试卷(1)注 意 事 项1、考试时间:120min 。
2、请首先按要求在试卷的标封处填写您的姓名、准考证号和所在单位的名称.3、请仔细阅读各种题目的回答要求,在规定的位置填写您的答案. 4一、填空题 (第1~20题。
请将正确答案填入题内空白处。
每题1分,共20分。
)1.劳动的双重含义决定了从业人员全新的劳动态度和职业道德观.2.职业道德的内容包括:_职业德意道识、职业道德行为规范和职业守则等.3.奉献社会是职业道德中的最高境界,同时也是做人的最高境界。
4.采用YY/△接法的三相变极双速电动机变极调速时,调速前后电动机的输电出功率池基本不变。
职业技能鉴定国家题库维修电工高级技师理论知识试卷(B)注意事项1、考试时间:120分钟。
2、请首先按要求在试卷的标封处填写您的姓名、准考证号和所在单位的名称。
3、请仔细阅读各种题目的回答要求,在规定的位置填写您的答案。
4、不要在试卷上乱写乱画,不要在标封区填写无关的内容。
一、填空题 (第1~20题。
请将正确答案填入题内空白处。
每题1分,共20分。
)1、在FANUC系统,F15系列中主CPU CNC装置,因此是人工智能CNC装置。
2、LJ-20系列的内装式PLC3而提高功率因素。
4采样。
5Ω。
64圈以上,实现变频器的输出侧抗干扰。
7术、传感与检测技术、伺服传动技术。
8、电气控制原理图设计按主电路---控制电路总体检查的顺序进行。
9、变频器改造设备调速系统提高了调速系统的性能,降低电能消耗。
1011、SIN840C、输入/输出设备及驱动部分。
12、机床数据,PLC13、CENTER SERVICE BOARD的缩写。
14151617、生产工人在生产班内完成生产任务所需的直接和间接的全部工时为工时定额中的18、1920二、选择题(第21~30题。
请选择一个正确答案,将相应字母填入题中括号内。
每题2分,共20分)21、调制信号是以( A )形式表现的。
A、离散B、收敛C、环绕D、震荡22、50uF/400V100uF/400V进行并联后相当于一个( A )A、150uF/400VB、75uF/400VC、150uF/800VD、25uF/400V23、触电者( A )时,应进行人工呼吸。
A、有心跳无呼吸B、有呼吸无心跳C、既无心跳又无呼吸D、既有心跳又有呼吸24、浮地接法要求全机于地的绝缘电阻不能( C )A、相遇4ΩB、大于500 MΩC、小于50 MΩD、大于50 MΩ25、PLC改造设备控制是指采用PLC可编程序控制器替换原设配控制中庞大而复杂的( B )装置。
A、模拟B、继电器C、实时D、时序逻辑电路26、变频器改造设备调速系统采用交流变频器调速替代原设备中( C )或其他电动机调速的方案。
第四章理论知识试题精选与参考答案第一节试题精选一、填空题(请将正确答案填入题内空白处。
)1、半闭环数控系统具有较高的稳定性,是目前数控机床普遍采用的一种系统。
2、数控系统的控制对象是伺服驱动装置,它通过驱动主轴和进给来实现机床运动。
3、分析数控系统操作单元可以更好地实现人机对话。
4、数控伺服驱动系统通过驱动机床的主轴和进给运动来实现机械运动。
5、在控制装置的接口位置,注有“input、output”字样的,指的是输入、输出部分。
6、stepping代表步进。
7、对系统输出量产生反作用的信号称为扰动。
8、在转速负反馈系统中,闭环系统由理想空载增至满载时的转速降,仅为开环系统转速降的1/(1+K)倍。
9、SIMOREG——V5系列调速装置是一个可逆逻辑无环流双闭环系统。
10、龙门刨床V5系统出现工作台速度过快故障,应首先检查测速发电机反馈信号是否正常,是否有断线、虚焊等现象。
11、龙门刨床V5系统,如果工作台电动机的端电压与速度给定电压之间不成正比关系,在排除了反馈系统的原因之后,问题多出在速度调节器和电流调节器电路中。
12、龙门刨床V5系统出现工作台速度快慢不均故障,应首先判定是机械部份问题还是电气部分问题。
13、龙门刨床V5系统出现工作台速度动慢不均故障,机械部分可检查测速发电机固定是否牢固、机械传动部分是否有松动。
14、龙门刨床V5系统出现工作台速度升不高或升高时间太长故障,首先应检查电动机是否伴有异常的声音。
15、龙门刨床V5系统出现工作台速度升不高或升高时间太长故障,如果是声音异常,同时电动机火花增大,极有可能是整流器三相输出不平衡。
16、龙门刨床V5系统出现工作台速度升不高或升高时间太长故障,如果声音正常,可检查速度给定电压能否调高、速度调节器和电流调节器是否正常、速度负反馈是否调得太强等。
17、龙门刨床V5系统,当电流限幅值调得过低,或加速度调节器和励磁控制部分没有调整好时,也会出现工作台速度升不高,或虽能升高但升得太慢的现象。
维修电工高级技师理论试题姓名___________ 成绩___________ 一、选择题(第1~60题.选择正确的答案,将相应的字母填入题内的括号中。
每题1。
0分。
满分60分)1。
职业道德的内容包括:职业道德意识、职业道德行为规范和()。
(A)职业守则(B)道德规范(C)思想行为(D)意识规范2。
三相桥式半控整流电路,晶闸管承受的最大反向电压是变压器()。
(A)次级相电压的最大值 (B)次级相电压的有效值(C)次级线电压的有效值 (D)次级线电压的最大值3.JT—1型晶体管图示仪输出集电极电压的峰值是( )V.(A)100 (B)200 (C)500 (D)10004。
进口设备标牌上的英文词汇“resolver”的中文意思是()。
(A)变压器(B)电流互感器 (C)自整角机变压器(D)旋转变压器5.西门子SIN840C控制系统的分辨率可达( )mm。
(A)0。
1 (B)0.01 (C)0.001 (D)1 6.变频器输出侧不允许接(),也不允许接电容式电动机。
(A)电容器(B)电阻(C)电抗器 (D)三相异步电动机7。
测绘ZK7132型立式数控钻铣床电气控制系统的第一步是测绘( )。
(A)控制原理图 (B)安装接线图(C)控制草图(D)布置图8.电子测量装置的静电屏蔽必须与屏蔽电路的()基准电位相接。
(A)正电位(B)负电位(C)零信号 (D)静电9。
采用数控技术改造旧机床,以下不宜采用的措施为()。
(A)采用新技术 (B)降低改造费用(C)缩短改造周期(D)突破性的改造10。
计算机集成制造系统的功能不包括( ).(A)经营管理功能(B)工程设计自动化(C)生产设计自动化(D)销售自动化11.劳动的双重含义决定了从业人员全新的()和职业道德观念。
(A)精神文明(B)思想体系(C)劳动态度(D)整体素质12.中性线的作用就在于使星形连接的不对称负载的( )保持对称。
(A)线电压(B)相电压 (C)相电流(D)线电流13。
电工(高级技师)理论知识模拟练习题(含答案)一、单选题(共30题,每题1分,共30分)1、JT-1型晶体管图示仪输出集电极电压的峰值是()伏( )A、200B、100C、500D、1000正确答案:A2、线路故障时,为限制故障的扩大,要求继电保护装置应具有()( )A、可靠性;B、选择性C、灵敏性;D、快速性;正确答案:D3、带电作业使用的固体绝缘材料,必须具有良好的()( )A、加工性能B、耐腐蚀性C、可塑性D、耐热性正确答案:A4、触电者()时,应进行人工呼吸( )A、有呼吸无心跳B、既有心跳又有呼吸C、既无心跳又无呼吸D、有心跳无呼吸正确答案:D5、变压器是一种变换()电压的设备( )A、交流B、直流C、交、直流正确答案:A6、标准式直线感应同步器在实际中用得最广泛,其每块长度为()( )A、100mmB、1mC、250mmD、1cm正确答案:C7、在多级放大电路的级间耦合中,低频电压放大电路主要采用()耦合方式( )A、直接B、电感C、阻容D、变压器正确答案:C8、涡流是一种()( )A、感应电流B、感应电压C、自感电动势D、感应电动势正确答案:A9、拉合开关的单一操作可以不填写()( )A、第二种工作票B、第一种工作票C、操作票正确答案:C10、用SR-8型双踪示波器观察频率较低的信号时,“触发方式”开关放在()位置较为有利( )A、随意B、高频C、自动D、常态正确答案:D11、在检修或更换主电路电流表时,维修电工将电流互感器二次回路(),即可拆下电流表( )A、不用处理B、短路C、断开D、切断熔断器正确答案:B12、示波器面板上的“辉度”是调节()的电位器旋钮( )A、控制栅极负电压B、阴极正电压C、阴极负电压D、控制栅极正电压正确答案:A13、重复接地的作用是降低漏电设备外壳的对地电压,减轻()断线时的危险( )A、零线B、设备C、地线D、相线正确答案:A14、产生串联谐振的条件是()( )A、Xl>XcB、Xl<XcC、Xl=Xc三、多项选择题(每题1分,共40分,请将您认为正确的答案序号填在括号内):正确答案:C15、非电气工作人员在变电所工作时,工作票应发给()( )A、许可人B、工作人C、监护人D、签发人正确答案:C16、蓄电池是一种能够储蓄电能的设备它能把电能转变为( )储蓄起来,使用时又可把()变为电能通过外电路放出来(C)A、热能B、势能C、化学能正确答案:C17、B2010型龙门刨床V55系统,当电动机低于额定转速时,采用()方式调速()A、恒功率B、恒转矩C、恒力矩D、弱磁正确答案:C18、运行中的电力变压器的铁芯()接地的( )A、有时B、是C、不是正确答案:B19、加强协作是()职业道德规范的基本要求( )A、勤劳节俭B、办事公道C、遵纪守法D、团结互助正确答案:D20、架空送电线路架设于大高差、大跨越以及其他特殊地形的山丘地带,导(地)线弛度大于塔高( )时,其观测档的弛度应采用()进行观测A、等长法;B、角度法C、异长法;D、平视法;正确答案:D21、变频器的输出不允许接()( )A、纯电阻B、电动机C、电感D、电容器正确答案:D22、用电设备最理想的工作电压就是它的()( )A、额定电压B、允许电压C、最低电压D、电源电压正确答案:A23、当电流继电器触头数目不足时,或触头容量不够时,可用()继电器来弥补( )A、时间B、中间C、电压正确答案:B24、线路过电流保护的启动电流整定值,是按该线路的()( )A、负荷电流整定;B、最大负荷整定;C、大于允许的过负荷电流整定;D、以上全不是正确答案:C25、变压器的中性点接地是()( )A、保护接地B、防止过电压C、工作接地正确答案:C26、如果负载中电流滞后于电压30°,这个负载是()( )A、电感三、多项选择题(每题1分,共40分,请将您认为正确的答案序号填在括号内):B、电阻;C、电感与电阻串连;D、电容;正确答案:C27、变频器在故障跳闸后,要使其恢复正常状态应先按()键( )A、MODB、PRGC、RESETD、RUN正确答案:C28、在正弦波震荡器中,反馈电压与原输入电压之间的相位差是()( )A、180度B、270度C、0度D、90度正确答案:C29、用晶体管图示仪测量三极管时,调节()可以改变特性曲线族之间的间距( )A、功耗电阻B、阶梯选择C、集电极-基极电流/电位D、峰值范围正确答案:C30、()是最危险的触电形式( )A、单相触电B、两相触电C、电击D、跨步电压触电正确答案:B二、多选题(共30题,每题1分,共30分)1、电力电缆常见的故障是()( )A、断线B、接地、短路C、对地绝缘击穿D、电缆崩裂正确答案:ABC2、绝缘监视装置一般应用于()( )A、中性点经电阻接地系统B、中性点不接地系统C、中性点直接接地系统D、中性点经消弧线圈接地系统正确答案:ABD3、自动准同期装置中,恒定前时间的整定与()有关( )A、合闸出口回路动作时间B、发电机与系统电压差C、发电机与系统频率差D、并列断路器合闸时间正确答案:AD4、用兆欧表测量绝缘电阻时,总的电流由()电流合成( )A、充电B、泄露C、吸收D、电容正确答案:BCD5、经消弧线圈接地系统单相接地自动选线装置,通常采取的原理有()( )A、5次谐波分量法B、注入信号法C、有功分量法D、无功分量法正确答案:ABC6、下列电路中()变换电路的输出电压与输入电压极性相反( )A、升压B、升降压C、库克D、降压正确答案:BC7、下列关于重合闸后加速保护的说法,正确的是()( )A、重合闸后加速保护通常用于35Kv的电网中和对重要负荷供电的送电线路上B、永久性故障能在第二次瞬时切除,并仍有选择性C、重合闸后加速保护的重合闸成功率比“前加速”高D、在几段串联线路上可采用一套ZCH装置,简单经济正确答案:AB8、为了正确找到故障点,根据其原理常用的方法有()等( )A、脉冲示波器法B、声测法C、电桥法D、对地电位法正确答案:ABC9、有载调压分接开关,在变换分接过程中可采用()过渡,以限制其过渡时的循环电流( )A、电阻D电阻加电容B、电容C、电抗正确答案:AC10、引起电动机振动的原因与()有关( )A、环境温度B、电动机安装、地基状况C、轴承.D、与及电机传动设备运行情况正确答案:BCD11、下列属于三相半波可控整流电路缺点的是()( )A、晶闸管承受较高的正反向的峰值电压B、变压器二次绕组周期导电角仅120º,绕组利用低C、绕组中电流时单方向的,其直流分量会使铁芯直流磁化D、整流的附加电流要流入电网零线,引起额外损耗正确答案:ABCD12、PLC网络包括()( )A、PLC控制网络B、管理网络C、编程网络D、PLC通讯网络正确答案:AD13、电力系统数据远传通讯的种类有()( )A、电力线载波B、光纤C、微波D、音频电缆正确答案:ABCD14、变频器中采用电抗器的主要目的是()( )A、减少高次谐波的不良影响B、降低电动机的运行噪音C、改善功率因D、实现变频器和电源的匹配正确答案:ACD15、对于运行中的绝缘油简化试验测定的主要项目有()( )A、酸值B、击穿电压C、闪电D、水溶性PH值正确答案:ACD16、直流泄露试验中出现()情况时,可认为设备直流泄露实验不合格( )A、被试物发生击穿现象B、被试物发生间隙性击穿现象(微安表大幅度周期性摆动)C、实验后的绝缘电阻比实验前显著降低D、泄露电流值比上次实验值增加的变化量很大正确答案:ABCD17、单结晶体管触发电路的特点是()( )A、移相范围约150ºB、输出脉冲前沿陡C、电路简单,易于调整D、触发功率大,脉冲较宽正确答案:ABC18、单结晶体管触发电路由()等部分组成( )A、同步电源B、振荡电路C、移相电路D、脉冲形成电路正确答案:ACD19、发电机转子回路的电气故障有()( )A、相间短路B、匝间短路C、两点接地D、一点接地正确答案:BCD20、变频器日常检查时,应注意()( )A、滤波电容的静电容量B、无过热和变色等异常情况C、键盘面板显示正常D、无异常的噪声、振动和气味正确答案:BCD21、引起断路器分闸失灵的电气回路故障原因是()( )A、分闸回路内元件接触不良或断线B、合闸缓冲偏移,滚动及缓冲杆卡劲C、分闸线圈断线、或低电压不合格D、直流电压过低,电源容量不足正确答案:ACD22、PLC的安装场所应避免()( )A、高温B、结露C、通风D、灰尘正确答案:ABD23、电力电缆的实验项目有()( )A、泄露电流的测量B、电阻直流耐压实验C、测量绝缘电阻正确答案:ABC24、自动准同期装置中,恒定前时间的整定与( )有关(BC)A、发电机与系统频率差B、合闸出口回路动作时间C、并列断路器合闸时间D、发电机与系统电压差正确答案:BC25、六氟化硫断路器的SF6气压监测是通过()来完成的( )A、真空压力表B、通过泄漏量测量C、密度继电器D、SF6压力表正确答案:AC26、少油断路器中的绝缘油主要起()作用( )B、冷却C、润滑正确答案:AB27、微机保护的监控程序包括()( )A、插件调试程序B、整定设置显示等配置的程序C、人机接口处理程序D、自检程序正确答案:ABC28、硬母线连接应采用()( )A、焊接B、搭接C、铆接正确答案:AB29、三相三线制调压电路具有的优点是()( )A、对邻近的通讯线路干扰小B、会产生较大的漏磁通C、零线上谐波电流较大D、输出谐波含量低,且没有三次谐波正确答案:AD30、在降压直流变换电路中,电感中的电流是否连续,取决于()( )A、电容的数值大小B、滤波电感C、输出电压D、开关频率正确答案:ABD三、判断题(共30题,每题1分,共30分)1、晶闸管逆变器是一种将交流电能转变为直流电能的装置( )A、正确B、错误正确答案:B2、频敏变阻器主要用于绕线转子异步电动机的起动控制( )A、正确正确答案:A3、在电机的重绕大修时,在线槽能满足的情况下,漆包线径越大越好( )A、正确B、错误正确答案:B4、基本积分运算放大器,由接到反相输入端的电阻,和输出端到反相输入端之间的电容所组成( )A、正确B、错误正确答案:A5、三相桥式全控整流大电感负载电路工作于整流状态时,其触发延迟角α的最大移相范围为0°~90°( )A、正确B、错误正确答案:A6、当晶体管的发射结正偏的时候,晶体管一定工作在放大区( )A、正确B、错误正确答案:B7、他励直流发电机的外特性,是指发电机接上负载后,在保持励磁电流不变的情况下,负载端电压随负载电流变化的规律( )A、正确B、错误正确答案:A8、6~10KV油浸纸绝缘包电缆在垂直敷设时,其最高点与最低点间的最大允许高度差为25m.( )A、正确B、错误正确答案:B9、换向片之间的绝缘层采用云母片是因为,云母片不仅有较高的绝缘强度,而且还具有耐高温性能( )A、正确B、错误正确答案:A10、320ISO14000系列标准是发展趋势,将代替ISO9000族标准( )A、正确B、错误正确答案:B11、电桥的灵敏度只取决于所用检流计的灵敏度,而与其它因素无关( )A、正确B、错误正确答案:B12、在单极性的SPWM调制方式中,参考信号为单极性信号而载波信号为双极性三角波( )A、正确B、错误正确答案:B13、单极隔离开关及跌落式熔断器的操作顺序,停电时,先拉中相,后拉开两边相送电时则相反( )A、正确B、错误正确答案:A14、变压器无论带什么负载,只要负载电流增大,其输出电压必然降低( )A、正确B、错误正确答案:B15、安装电度表时,可以将电度表的二次回路与继电保护二次回路共用( )A、正确B、错误正确答案:B16、低压断路器中的电磁脱扣器承担过流保护作用( )A、正确B、错误正确答案:B17、有静差调速系统是依靠偏差进行调节的,而无静差调速系统则是依靠偏差对作用时间的积累进行调节的( )A、正确B、错误正确答案:A18、变频器故障跳闸后,欲使其恢复正常状态,应按RESET键( )A、正确B、错误正确答案:A19、旋转变压器有负载时会出现交轴磁动势,破坏了输出电压与转角间已定的函数关系,因此必须补偿,以消除交轴磁动势的效应( )A、正确B、错误正确答案:A20、测量1Ω以下小电阻,如果要求精度高,应选用单臂电桥( )A、正确B、错误正确答案:B21、将程序写入可编程序控制器时,首先应将存储器清零,然后按操作说明写入程序,结束时用结束指令( )A、正确B、错误正确答案:A22、使用CJPEJP指令,可以在CJP的条件满足时跳过部分序,去执行EJP指令以下的程序,而在CJP的条件不能满足时,按原顺序执行程序( )A、正确B、错误正确答案:A23、某三相异步电动机的额定电压为380V,其交流耐压试验电压为1000V( )A、正确B、错误正确答案:B24、用编程器输入程序,每输入一条指令后都要按一下WRITE键( )A、正确B、错误正确答案:A25、保护接地的文字代号是N( )A、正确B、错误正确答案:B26、两组晶闸管变流器反并联可逆调速系统中,当控制电压Uc=0时,两组触发装置的控制角的零位αfo和βro均整定为90度( )A、正确B、错误正确答案:A27、某正弦交流电压的初相角ψ=-л/6,在t=0时其瞬时值将等于零( )A、正确B、错误正确答案:B28、串励电动机的特点是起动转矩和过载能力都比较大,且转速随负载的变化而显著变化( )A、正确B、错误正确答案:A29、直流电动机反接制动,当电动机转速降低至接近零时应立即断开电源( )A、正确B、错误正确答案:A30、差动放大电路工作在线性区时,只要信号从单端输入,则电压放大倍数一定是从双端输出时放大倍数的一半,与输入端是单端输入还是双端输入无关( )A、正确B、错误正确答案:A。
维修电工(技师)模拟试题(附参考答案)一、单选题(共40题,每题1分,共40分)1、盘柜内电子元件回路、弱电回路采用锡焊连接时,在满足载流量和电压降及有足够机械强度的情况下,可采用不小于( )mm2 截面的绝缘导线。
A、1B、1.5C、0.75D、0.5正确答案:D2、计算机接口的抗干扰技术常使用( )和接地。
A、缩短导线长度B、屏蔽C、接零D、信号匹配正确答案:B3、数字式电压表测量的精度高,是因为仪表的( )。
A、能读取的有效数字多B、所用电源的稳定性好C、准确度高D、输人阻抗高正确答案:D4、凡制造、使用或储存炸药、火药、起爆药、火工品等大量爆炸物质的建筑物,因电火花而引起爆炸,会造成巨大破坏和人身伤亡者的建筑物均属第( )类防雷建筑物。
A、四B、一C、二D、三正确答案:B5、引言(Introduction):这是正文的开头部分。
简单扼要地介绍( )等。
A、研究课题的动机、价值B、研究课题的动机、价值,意义和对核心内容的总结C、研究课题的动机、价值,意义D、研究课题的动机、意义正确答案:C6、设备中选用并励电动机的是( )。
A、挖掘机B、城市电车C、金属切削机床D、起重机正确答案:C7、定时限过流保护的动作值是按躲过线路( )电流整定的。
A、最大负荷B、平均负荷C、末端短路D、空载正确答案:A8、PLC 的安装场所应满足( )条件。
A、高温B、结露C、通风D、灰尘正确答案:C9、采用( )调节的自动控制系统,工作时必须存在静差。
A、积分调节器B、比例积分微分调节器C、微分调节器D、比例调节器正确答案:D10、电力变压器并联运行是将满足条件的两台或多台电力变压器( )端子之间通过同一母线分别互相连接。
A、一次侧同极性B、一次侧和二次侧同极性C、一次侧和二次侧异极性D、二次侧同极性正确答案:B11、晶闸管导通后,本身的压降约为( )V 左右,称为通态平均电压。
A、3B、1C、0.7D、0.5正确答案:B12、630kVA 以下的变压器绕组的直流电阻的测试线间差别一般不大于三相平均值的( )。
姓名 ___________维修电工高级技师理论试题成绩____________一、选择题(第1〜60题。
选择正确的答案,将相应的字母填入题内的括号中。
每题1.0 分。
满分60 分)1. 职业道德的内容包括:职业道德意识、职业道德行为规范和()。
(A)职业守则(B)道德规范(C)思想行为(D)意识规范2. 三相桥式半控整流电路,晶闸管承受的最大反向电压是变压器()。
(A)次级相电压的最大值(B)次级相电压的有效值(C)次级线电压的有效值(D)次级线电压的最大值3. JT-1 型晶体管图示仪输出集电极电压的峰值是()V。
(A)100 (B)200 (C)500 (D)10004. 进口设备标牌上的英文词汇“ resolver ”的中文意思是()。
(A)变压器(B)电流互感器(C)自整角机变压器(D)旋转变压器5. 西门子SIN840C控制系统的分辨率可达()mm(A)0.1 (B)0.01 (C)0.001 (D)16. 变频器输出侧不允许接(),也不允许接电容式电动机。
(A)电容器(B)电阻(C)电抗器(D)三相异步电动机7. 测绘ZK7132型立式数控钻铣床电气控制系统的第一步是测绘()。
(A)控制原理图(B)安装接线图(C)控制草图(D)布置图8. 电子测量装置的静电屏蔽必须与屏蔽电路的()基准电位相接。
(A)正电位(B)负电位(C)零信号(D)静电9. 采用数控技术改造旧机床,以下不宜采用的措施为()。
(A)采用新技术(B)降低改造费用(C)缩短改造周期(D)突破性的改造10. 计算机集成制造系统的功能不包括()。
(A)经营管理功能(B)工程设计自动化(C)生产设计自动化(D)销售自动化11. 劳动的双重含义决定了从业人员全新的()和职业道德观念。
(A)精神文明(B)思想体系(C)劳动态度(D)整体素质12. 中性线的作用就在于使星形连接的不对称负载的()保持对称。
(A)线电压(B)相电压(C)相电流(D)线电流13. 测量1Q以下的小电阻,如果要求精度高,可选用()。
维修电工高级技师理论知识试卷(2)一、填空题(第1~20题。
请将正确答案填入题内空白处。
每题1分,共20分。
)1.职业道德是社会主义的重要组成部分。
2.职业道德的内容包括、职业道德行为规范和职业守则。
3.在电流的周围存在磁场,这种现象称为电流的磁效应。
通电导体产生的磁场可用来判断。
4.在三相半控整流电路中,控制角α的移相范围为。
5.触电救护的第一步是使触电者。
6.漏电保护的作用:一是当电气设备(或线路)发生漏电或接地故障时,能在人尚未触及之间切断电源;二是当人触及带体时,能在 s内切断电源。
7.在有滤波电容的单相桥式整流电路中,若要保持输出电压为45V,则整流变压器二次侧交流电压的有效值为 V。
8.西门子SIN840C控制系统的PLC输入/输出可采用结构,简化接线并节省控制柜的空间。
9.变频器主要由整流器、中间直流环节、逆变器和组成。
10.用计算机控制加工功能,实现数值控制的系统,称为计算机。
11.测绘数控机床时,绝对不能在带电的情况下进行拆卸、拔插活动,也不允许用手摸线路板,更不允许用进行测量。
12.电子测量装置的静电屏蔽零信号基准电位的相对接点必须保证不流经信号线。
13.对电子装置内部进行布置和走线时,应采用低噪声前置放大器,各级放大器之间防止耦合,防止。
14.在自动控制系统中,输出量能够以跟随输入量的变化而变化的系统称为伺服系统。
15.数控机床的伺服系统一般包括和检测装置。
16.电气控制设计任务书中,除简要说明所设计任务的用途、、动作要求、传动参数、工作条件外,还要说明主要经济指标及要求。
17.电气设计的技术条件是由参与设计的各方面人员根据设计的总体要求制定的,它是电气设计的。
18.由于旧机床使用年代较长,机械性能较为稳定,但受机床机械结构的限制,利用数控技术进行改造时,不宜做的改造。
19.经济型数控机床的改造主要采用国产经济型,一般用于中、小型车床和铣床的改造。
20.培训讲义的内容应,有条理性和系统性。
维修电工高级技师知识试卷(附答案)一、选择题(第1~60题。
选择正确的答案,将相应的字母填入题内的括号中。
每题1.0分。
满分60分)1. 职业道德的内容包括:职业道德意识、职业道德行为规范和()。
(A)职业守则(B)道德规范(C)思想行为(D)意识规范2.三相桥式半控整流电路,晶闸管承受的最大反向电压是变压器()。
(A)次级相电压的最大值(B)次级相电压的有效值(C)次级线电压的有效值(D)次级线电压的最大值3.JT-1型晶体管图示仪输出集电极电压的峰值是()V。
(A)100 (B)200 (C)500 (D)10004.进口设备标牌上的英文词汇“resolver”的中文意思是()。
(A)变压器(B)电流互感器(C)自整角机变压器(D)旋转变压器5.西门子SIN840C控制系统的分辨率可达()mm。
(A)0.1 (B)0.01 (C)0.001 (D)16.变频器输出侧不允许接(),也不允许接电容式电动机。
(A)电容器(B)电阻(C)电抗器(D)三相异步电动机7.测绘ZK7132型立式数控钻铣床电气控制系统的第一步是测绘()。
(A)控制原理图(B)安装接线图(C)控制草图(D)布置图8.电子测量装置的静电屏蔽必须与屏蔽电路的()基准电位相接。
(A)正电位(B)负电位(C)零信号(D)静电9.采用数控技术改造旧机床,以下不宜采用的措施为()。
(A)采用新技术(B)降低改造费用(C)缩短改造周期(D)突破性的改造10.计算机集成制造系统的功能不包括()。
(A)经营管理功能(B)工程设计自动化(C)生产设计自动化(D)销售自动化11.劳动的双重含义决定了从业人员全新的()和职业道德观念。
(A)精神文明(B)思想体系(C)劳动态度(D)整体素质12.中性线的作用就在于使星形连接的不对称负载的()保持对称。
(A)线电压(B)相电压(C)相电流(D)线电流13.测量1Ω以下的小电阻,如果要求精度高,可选用()。
维修电工高级技师理论试题姓名___________ 成绩___________一、选择题(第1~60题。
选择正确的答案,将相应的字母填入题内的括号中。
每题1.0分。
满分60分)1. 职业道德的内容包括:职业道德意识、职业道德行为规范和()。
(A)职业守则(B)道德规范(C)思想行为(D)意识规范2.三相桥式半控整流电路,晶闸管承受的最大反向电压是变压器()。
(A)次级相电压的最大值(B)次级相电压的有效值(C)次级线电压的有效值(D)次级线电压的最大值3.JT-1型晶体管图示仪输出集电极电压的峰值是()V。
(A)100 (B)200 (C)500 (D)10004.进口设备标牌上的英文词汇“resolver”的中文意思是()。
(A)变压器(B)电流互感器(C)自整角机变压器(D)旋转变压器5.西门子SIN840C控制系统的分辨率可达()mm。
(A)0.1 (B)0.01 (C)0.001 (D)16.变频器输出侧不允许接(),也不允许接电容式电动机。
(A)电容器(B)电阻(C)电抗器(D)三相异步电动机7.测绘ZK7132型立式数控钻铣床电气控制系统的第一步是测绘()。
(A)控制原理图(B)安装接线图(C)控制草图(D)布置图8.电子测量装置的静电屏蔽必须与屏蔽电路的()基准电位相接。
(A)正电位(B)负电位(C)零信号(D)静电9.采用数控技术改造旧机床,以下不宜采用的措施为()。
(A)采用新技术(B)降低改造费用(C)缩短改造周期(D)突破性的改造10.计算机集成制造系统的功能不包括()。
(A)经营管理功能(B)工程设计自动化(C)生产设计自动化(D)销售自动化11.劳动的双重含义决定了从业人员全新的()和职业道德观念。
(A)精神文明(B)思想体系(C)劳动态度(D)整体素质12.中性线的作用就在于使星形连接的不对称负载的()保持对称。
(A)线电压(B)相电压(C)相电流(D)线电流13.测量1Ω以下的小电阻,如果要求精度高,可选用()。
维修电工高级技师理论知识试题一、选择题1 AA001 劳动纪律包括组织纪律 工作纪律生产纪律()纪律和劳动态度。
协作 保密 文明生产 道德2 AA001 工人必须要爱护设备对设备合理保养注意清洁润滑和进行必要的()。
操作 调整 维护保养 检查3 AA002 在处理数量与质量关系时坚持()。
以质量为主 以数量为主 以数量服从质量 以质量服从数量4 AA002 质量管理一般经历了()三个发展阶段。
质量检查统计质量管理全面质量管理 施工组织施工方案施工管理 产品质量管理过程质量管理工作质量管理 产品质量工作质量组织管理5 AB001 支路电流法是以()为未知量应用基尔霍夫定律列出所需的节点电流方程和回路电压方程然后求得各支路电流。
回路电流 节点电压 支路电流 节点个数6 AB001 电压源和电流源的等效变换是对()而言的。
电源以外的负载 电源内部 理想的电压源和理想的电流源之间等效变换 整个电路7 AB002 在纯电容的交流电路中当外施电压一定时则()。
频率越低电流越大无功功率愈小 频率越低电流越小无功功率愈大 频率越高电流越小无功功率愈小 频率越高电流越大无功功率愈大8 AB002 一电感线圈其感抗X L =40Ω电阻很小可以忽略今将线圈接于f=50Hz ,u=220tV 314sin 2交流电源上其电路中电流的瞬时值表达式为()。
A t i )2314sin(25.5π+= At i )2314sin(5.5π+= A t i ⎪⎭⎫ ⎝⎛-=2314sin 25.5π A t i ⎪⎭⎫ ⎝⎛-=2314sin 5.5π 9 AB003 磁路的欧姆定律一般用来对磁路作()分析。
定性 定量 定性和定量 系统 10 AB003 在相同规格的情况下()材料的磁阻最大。
铁 镍 钴 黄铜11 AB004 线圈中的感应电动势大小与线圈中()。
磁通的大小成正比 磁通的大小成反比 磁通的大小无关而与磁通的变化率成正比 磁通的大小无关而与磁通的变化率成反比12 AB004 具有互感的两个不同电感量的线圈反接时其等值电感量应()。
(行业)维修电工高级技师理论知识考试试题卷(附答案)一、填空题(第1〜20题。
请将正确答案填入题内空白处。
每题1分,共20分。
)LCNC系统具有良好的与灵活性,很好的通用型和可靠性。
2 .由被控对象变送器和执行机构组成典型工业控制机系统的部分。
3 .当配电系统的电感与补偿电容发生串联谐振时,其补偿电容器和配电系统呈电流。
4 .浮地接法容易产生干扰。
5 .当电源有一个不接地的信号源与一个接地放大器相连时,输入端的屏蔽应接至的公共端。
6 .电子装置内部采用低噪声前置放大器,各级放大器间防止耦合和o7 .机电一体化将电子设备的信息处理功能和控制功能融合到中,使装置更具有系统性、完整性、科学性和先进性。
8 .机电一体化产品控制系统大多数都具备自动控制、自动诊断、自动信息处理、、自动检测等功能。
9 .机电一体化包含了机械技术、计算机与信息处理技术、系统技术、自动控制技术、传感与技术、伺服传动技术。
10 .电气控制原理图设计按主电路---- 控制电路— --------- --- 总体检查的顺序进行。
ILPLC改造设备控制是指采用PLC可编程序控制器替换原设备控制中庞大而更杂控制装置。
12 .SIN840C系统模块具有种类,结构清晰,便于维修的特点。
13 .机床操作面板上主要有4种加工操作方式,即JOG手动、TEACHlN示教、MDA手动输入数据自动运行和AUTOMATlC方式。
14 .插补原理是已知运动轨迹的起点坐标,终点坐标和曲线方程,由数据系统实时地计算出的坐标。
15 .数控机床的伺服系统中的机械传动系统一般由伺服驱动系统、机械传动部件、组成。
16 .伺服系统是一种反馈控制系统,它由指令脉冲作为输入给定值,与输出被控量进行比较,利用比较后产生的对系统进行自动调节。
17 .CIMS是的缩写。
18 .生产工人在生产班内完成生产任务所需的直接和间接的全部工时为工时定额中的o19 .指导操作是具体示范操作和指导训练。
最新维修电工(技师和高级技师)职业技能鉴定理论知识和操作技能试卷的结构附录A一、理论知识试卷的结构国家题库理论知识试卷,按鉴定考核用卷是否为标准化试卷划分为标准化试卷和非标准化试卷。
维修电工(技师和高级技师)知识试卷采用标准化试卷;非标准化试卷有三种组成形式。
其具体的题型比例、题量和配分方案分别参见表A-1~表A-2。
维修电工理论知识试卷结构表表A-1 非标准化理论知识试卷的题型、题量与配分方案操作技能试卷的结构见表A-2维修电工操作技能考核容层次结构表。
表A-2 维修电工操作技能考核容层次结构表成的基本结构,分别供考场、考生和考评员使用。
(1)准备通知单包括材料准备,设备准备,工具,量具、刃具、卡具准备等考场准备(标准、名称、规格、数量)要求。
(2)试卷正文包含需要说明的问题和要求、试题容、总时间与各个试题的时间分配要求,考评人数,评分规则与评分方法等。
(3)评分记录表包含具体的评分标准和评分记录表。
附录B 理论知识模拟试卷一、试卷说明(1)本试卷以《国家职业职业标准》(维修电工)为命题依据。
(2)本试卷考核容无地域限制。
(3)本试卷只适用于本等级鉴定。
(3)本试卷命题遵循学以致用的原则。
二、模拟试卷正文最新职业技能鉴定国家题库维修电工技师理论知识试卷(1)注意事项1、考试时间:120min。
2、请首先按要求在试卷的标封处填写您的、号和所在单位的名称。
3、请仔细阅读各种题目的回答要求,在规定的位置填写您的答案。
4、不要在试卷上乱写乱画,不要在标封区填写无关的容。
1分,共20分。
) 1.劳动的双重含义决定了从业人员全新的劳动态度和___________。
2.职业道德的容包括:___________、职业道德行为规和职业守则等。
3.___________是职业道德中的最高境界,同时也是做人的最高境界。
4.采用YY/△接法的三相变极双速电动机变极调速时,调速前后电动机的________基本不变。
5.使用直流双臂电桥测量电阻时,动作要迅速,以免________。
6.熔断器的选用首先应确定___________,再根据被保护电路的性质选择熔断器的类型。
7.变频器的逆变器是利用功率器件,有规律地控制逆变器中主开关的通断,从而得到________频率的三相交流电输出。
8.在齿轮传动中,________稳定往往是对传动的一个基本要求。
9.测绘电气主线路图时,首先应从________向下查。
10.不可控电力电子器件,它具有整流的作用而无________的功能。
11.半可控器件通常为三端器件,它能在控制信号的作用下导通,但不能________。
12.晶闸管中频感应加热电源,随着科学技术的发展必将被________感应加热电源所取代。
13.新型的高性能高压变频调速装置的主电路的开关器件使用________,实现PWM 技术更方便。
14.机电一体化是多学科领域综合交叉的________系统工程。
15.电气设计基本完成后,应反复,并进一步完善设计的电气控制电路。
16.ISO9000族标准包括质量术语标准、质量技术标准及________系列标准。
17.制定ISO14000系列标准的直接原因是环境的________。
18.维修电工班组主要是为生产服务的,活动课题一般都需要围绕提高________、保证设备正常运转而提出。
19.提高劳动生产率;必须设法缩短所占比例大的那些因素,降低________,使劳动生产率有明显地提高。
20.精益是适用于现代制造企业的组织管理方法,以“人”为中心,以“简化”为手段,以________为最终目标,增强企业适应时市场的应变能力。
二、选择题(第21~30题。
请选择一个正确答案,将相应字母填入括号。
每题2分,共20分)21.职业道德是从事某种职业的工作或劳动过程中所应遵守的与其职业活动紧密联系的()和原则的总和。
(A)思想体系(B)道德规(C)行为规(D)精神文明22. 集成稳压器按工作方式可分为线性串联型和()串联型。
(A)非线性(B)开关(C)连续(D)断续23.临时线应有严格的审批制度,临时线最长使用期限是()天,使用完毕后应立即拆除。
(A)7 (B)10 (C)15 (D)3024.JT-1型晶体管图示仪输出集电极电压的峰值是()V。
(A)100 (B)200 (C)500 (D)100025.识读J50数控系统电气图的第二步是()。
(A)分析数控装置(B)分析测量反馈装置(C)分析伺服系统装置(D)分析输入/输出设备26.识读完J50数控系统电气原理图以后,还要进行()。
(A)分析连锁(B)总体检查(C)记录(D)总结27.电气设备标牌上英文词汇“asynchronous motor”的中文意思是()。
(A)力矩电动机(B)异步电动机(C)同步电动机(D)同步发电机28.PLC的一个工作周期的工作过程分为输入处理、()输出处理三个阶段。
(A)程序编排(B)采样(C)程序处理(D)反馈29.运算放大器是一种标准化的电路,基本是由高输入阻抗差分放大器、高增益电压放大器和()放大器组成。
(A)低阻抗输出(B)高阻抗输出(C)多级(D)功率30.理论培训讲义的容应(),并有条理性和系统性。
(A)由浅入深(B)简明扼要(C)面面俱到(D)具有较深的容。
每题1分,共10分。
)()31.电动机工业上用得最普遍的硬磁材料是铝镍钴合金。
()32.电磁噪声污染是构成环境污染的一个重要方面。
()33.漏电保护作为防止低压触电伤亡事故的前置保护,广泛应用在低压配电系统中。
()34.按钮的触头允许通过的电流较小,一般不超过2A。
()35.国产集成电路系列和品种的型号由五部分组成,第一部分的符号C表示符合国家标准。
()36.IGBT驱动电路大多采用集成式电路。
()37.电子器件组成的缓冲电路是为避免器件过电流和在器件上产生过电压以及为了避免电压、电流的峰值区同时出现而设置的电路。
()38.指导操作的目的是为了显示操作者的技术水平,使学员的能力得以提高。
()39.示操作法是富有直观性的教学形式。
()40.计算机集成制造系统着重解决产品设计和经营管理中的系统信息集成,缩短了产品开发设计和制造周期。
5分,共20分。
)41.常见的一般机械设备电气图有哪些?42.变频器的配线安装注意事项有哪些?43.一般机械设备电气大修工艺应包括的容?44.电路设计的容包括哪几个方面?五、论述题(第45~46题。
每题15分,共30分。
)45.试述数控机床日常电气维修项目的容?46.试述龙门刨床V5系统常见电气故障的分析方法?最新职业技能鉴定国家题库维修电工技师理论知识试卷(1)答案及评分标准一、填空题评分标准:每题答对给1分;答错或漏答不给分,也不倒扣分。
1.职业道德观2.职业道德意识3.奉献社会4.输出功率电池5.电池耗电量过大6.熔体的额定电流7.任意频率8.传动比9.电源引下端10.可控11.被控关断12.IGBT13.IGBT14.技术密集性15.全面地检查16.ISO900017.日益恶化18.产品质量19.劳动消耗20.尽善尽美二、选择题评分标准:每题答对给1分;答错或漏答不给分,也不倒扣分。
21.22.23.24.25.26.27.28.29.30.D B A B C B B C A A三、判断题评分标准:每题答对给1分;答错或漏答不给分,也不倒扣分。
31.32.33.34.35.36.37.38.39.40.√√××√√√×√√四、简答题评分标准:每题5分,共20分。
41.答:常见的一般机械设备电气图有:电气原理图、安装接线图、平面布置图和剖面图。
维修电工以电气原理图、安装接线图和平面布置图最为重要。
(1)电气原理图电气原理图简称为电路图。
它能充分表达电气设备和电气元件的用途、作用和工作原理,是电气线路安装、调试和维修的理论依据。
(2)电气安装接线图电气安装接线图是根据电气设备和电器元件的实际位置和安装情况绘制的,只用来表示电气设备和电器元件的位置、配线方式和接线方式,而不明显表示电气动作原理。
(3)平面布置图平面布置图是根据电器元件在控制板上实际安装位置,采用简化的外形符号而绘制的一种简图。
它不表示各电器元件的结构、接线情况以及工作原理,主要用于电器元件的布置和安装。
42.答:变频器配线安装注意事项如下:(1)在电源和变频器之间,通常要接入低压断路器与接触器,以便在发生故障时能迅速切断电源,同时便于安装修理;(2)变频器与电动机之间一般不允许接入接触器;(3)由于变频器具有电子热保护功能,一般情况下可以不接热继电器;(4)变频器输出侧不允许接电容器,也不允许接电容式单相电动机。
43.答:一般机械设备电气大修工艺应包括的容如下:(1)整机及部件的拆卸程序及拆卸过程中应检测的数据和注意事项;(2)主要电气设备、电器元件的检查、修理工艺以及达到的质量标准;(3)电气装置的安装程序及应达到的技术要求;(4)系统的调试工艺和应达到的性能指标;(5)需要的仪器、仪表和专用工具应另行注明;(6)试车程序及需要特别说明的事项;(7)施工中的安全措施。
44.答:电路设计的容包括以下几个方面:(1)确定控制电路的电流种类和电压数值。
(2)主电路设计主要是电动机的启动、正反运转、制动、变速等控制方式及其保护环节的电路设计。
(3)辅助电路设计主要有控制电路、执行电路、连锁保护环节、信号显示及安全照明等环节的设计。
1)控制电路控制电路的设计主要是实现主电路控制方式的要求,满足生产加工工艺的自动/半自动及手动调整。
动作程序更换,检测或测试等控制要求。
2)执行电路执行电路是用于控制执行元件的电路。
常见的执行元件有电磁铁、电磁离合器、电磁阀等,它们是针对将电磁能、气动压力能、液压能转换为机械能的电磁器件实施的控制电路。
3)连锁保护环节常见的连锁保护措施有短路保护、过载保护、过电流保护、零电压或欠电压保护、失(欠)磁保护、终端或超程保护、超速保护、油压保护等。
通常,连锁保护一般穿插在主电路、控制电路和执行电路中。
4)信号显示与照明电路信号电路是用于控制信号器件的电路。
常用的信号器件有信号指示灯,蜂鸣器、电铃、电喇叭及电警笛等。
五、论述题评分标准:共30分。
45.答:数控机床日常电气维修项目包含以下容:(1)数控系统控制部分的检修日常检修的项目包括:1)检查各有关的电压值是否在规定的围,应按要求调整。
2)检查系统各电气元件连接是否松动。
3)检查各功能模块的风扇运转是否正常,清除风扇及滤尘网的尘灰。
4)检查伺服放大器和主轴放大器使用的外接式再生放电单元的连接是否可靠,并清除灰尘。
5)检查各功能模块存储器的后备电池电压是否正常,一般应根据厂家要求进行定期更换。
(2)伺服电动机和主轴电动机的检查与保养对于伺服电动机和主轴电动机,应重点检查噪声和温升。