抚挖50吨履带吊性能表
- 格式:pdf
- 大小:854.33 KB
- 文档页数:9
50T吊车性能表50T 主要性能与参数项目数值最大额定总起重量 50000 kg基本臂最大起重力矩 1800 kN.m最长主臂最大起重力矩 868 kN.m主臂最大起升高度 40.2 m副臂最大起升高度 56.5 m外形尺寸(长×宽×高) 13600×2750×3550 mm主臂长 10.8~40.2 m 副臂长 15 m50T起重特性表PATED LIFTING CAPACITY TABLE说明(NOTE):●表中的额定总起重量是起重机设置在坚固地面呈水平状态下的允许起吊重量,不允许在不打支腿的情况下吊重。
(Lifting capacities shown in the table are based the condition that the trane es set on firm ground horizontaily,lifting on wheels is prohibited.)●表中所列数值为包括吊具在内的最大允许值(50吨主钩重505千克,副吊钩重量120千克)。
(Capacities listed in the table are max.permissible values including the slings(505kg main hookblock for 50t and 120kg auxiliary hoodblock).)●表中红线上方的额定总起重量有起重机的结构强度所决定,其他由起重机整机稳定性而确定。
(Rated lifting capacities above the red line in the table are based on structure strength of the crane,the others,on stability.)●使用臂端滑轮时,最大起重量不得超过单根钢丝绳允许起吊载荷4.2吨。
船机名称履带式起重机型号QUY50B制造厂家抚顺挖掘机制造有限公司购置时间2004.6/2004.7最大起重量50T整体参数外形尺寸(长×宽×高)mm6810×3300×3044最大起升重量t 50整机重量t 50 起重力矩t.m 180配重重量t 16 钩头重量kg877(50T)310(15T)使用参数主臂长度m 13~52 起重臂下降钢绳速度m/min 45 主臂加副臂最大长度m 43+15.25 回转速度r/min 2.7 起重臂变幅角度°30~80 行走速度km/h 1.1 提升钢绳速度m/min 54~27 爬坡能力% 40 下降钢绳速度m/min 54~27 主提升倍率——9 起重臂上升钢绳速度m/min 45 接地比压MPa 0.069发动机参数型号——上柴D6114ZG2B 点火顺序——1-5-3-6-2-4 型式——四冲程水冷、直列直喷、涡轮增压发电机V/A 28/36~55 缸数—缸径×行程mm 6-114×135 起动机V/KW 24/7.5 排量L 8.27 蓄电池V/Ah 12/170×2 压缩比——18 发动机机油L 24额定功率/转速KW /r/min 128/2000 发动机冷却水L 60 最大扭矩Nm/r/min 720/1400 净重量Kg 640使用条件1、工作地面必需平整、坚实,作业过程中不得有下陷。
2、工作幅度是吊重后的实际幅度。
3、可在360度范围内作业。
4、起重作业前必须扩张履带。
5、起重的重量包含钩头、吊具的重量。
6、工作时风力应小于10m/s即6级风速以下。
7、单块履带板的接地面积=25cm×75cm8、最大重量=吊车自重+最大吊重=50000kg+50000kg9、最大接地比压:53.3kg/cm2(此参数为最大负荷时临界状态,仅供参考)用途用于起重、安装、转运物资、强夯、打拔桩(钢板桩和钢管桩)QUY50B 履带吊的尺寸图90015007607603170920304432995520469015973450(2540)4300(3300)起重臂角度5470R405042401097364Q U Y 50B 液压履带式起重机主臂额定总载荷表 单位:t528.006.204.964.023.292.702.221.821.481.180.930.714910.457.936.245.024.103.382.802.331.791.601.321.070.854610.55 8.066.355.134.213.492.912.432.041.701.411.160.954312.4510.688.166.475.254.343.623.052.572.181.851.561.311.104012.5010.738.226.535.324.413.703.122.652.261.931.651.401.18 3714.9012.5710.818.326.645.444.533.833.262.792.402.071.791.5434 15.00 12.65 10.898.40 6.735.534.623.913.342.882.492.161.883118.30 15.11 12.79 11.03 8.556.885.684.774.063.503.032.642823.1518.4215.2112.8911.13 8.64 6.97 5.77 4.86 4.16 3.59 3.122526.5523.23 18.48 15.25 12.9211.158.66 6.98 5.77 4.86 4.15 3.582231.1026.77 23.45 18.71 15.49 13.16 11.40 8.91 7.23 6.03 5.12 4.411937.30 31.00 26.70 23.40 18.70 15.50 13.20 11.50 9.007.346.141644.9536.4030.6026.4023.0018.5015.3013.1011.308.907.3013 50.00 43.00 35.00 29.00 25.00 22.00 18.00 15.00 12.60 11.00 8.60 起重臂长(m ) 工作半径(m )3.74.0 4.55.0 5.56.07.08.09.0 10.0 12.0 14.0 16.0 18.0 20.0 22.0 24.0 26.0 28.0 30.0 32.0 34.0起升高度 (m)40°30°60°70°80°10202530工 作 幅 度 (m)1052025303540455055主臂长度(m)52494328161313米主臂米主臂米主臂米主臂米主臂米主臂米主臂米主臂米主臂米主臂米主臂米主臂米主臂米主臂50°QUY50A履带吊主要技术参数船机名称履带式起重机型号QUY50A制造厂家抚顺挖掘机制造有限公司购置时间1983.9最大起重量50T整体参数外形尺寸(长×宽×高)mm6745×3300×3080最大起升重量t 50整机重量T 50 起重力矩t.m 180配重重量t 15.5 钩头重量kg930(50T)310(15T)使用参数主臂长度m 13~52 起重臂下降钢绳速度m/min 45 主臂加副臂最大长度m 43+15.25 回转速度r/min 2.7 起重臂变幅角度°30~80 行走速度km/h 1.1 提升钢绳速度m/min 70~35 主提升倍率——9 下降钢绳速度m/min 70~35 爬坡能力% 20 起重臂上升钢绳速度m/min 45空载接地比压MPa 0.069发动机参数型号——6135G--1 点火顺序——1-5-3-6-2-4 型式——四冲程水冷、直列直喷发电机V/A 28/18~30 缸数—缸径×行程mm 6-135×140 起动机V/KW 24/6.6 排量L 12 蓄电池V/Ah 12/195×2 压缩比——17 发动机机油L 28.7额定功率/转速KW /r/min 117/1800 发动机冷却水L 80 最大扭矩Nm/r/min 650/1400 净重量kg 640使用条件1、工作地面必需平整、坚实,作业过程中不得有下陷。
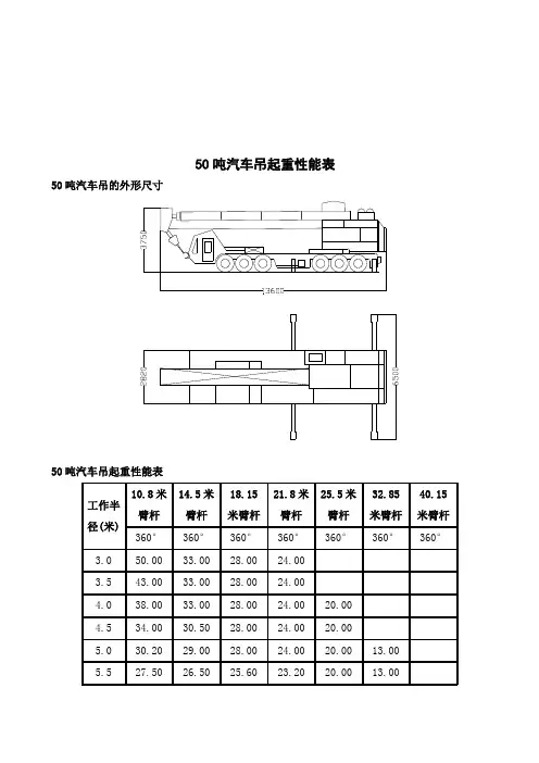
50t履带吊车性能见下表:幅度m臂长15m 臂长30m 臂长40m起重量t 起升高度m 起重量t 起升高度m 起重量t 起升高度m4.5 50 12.15.0 40 12.06.0 30 11.77.0 25 11.38.0 21.5 10.7 20 26.59.0 17.5 10.0 16.5 26.310.0 15.5 9.4 14.5 26.1 8 3611.0 13.5 8.7 12.7 25.6 7.3 35.812.0 11.7 8.0 12.1 25.4 6.7 35.6 14.0 9.4 5.0 9.4 24.5 5.6 35.1 16.0 7.5 23.5 4.8 34.3 18.0 6.1 22.4 4.1 33.8 20.0 5.5 21.2 3.4 32.9 22.0 4.8 19.8 2.8 31.8 24.0 2.5 30.6 26.0 2.1 29.0 28.0 1.8 27.1 30.0 1.5 2550吨汽车吊性能见下图表:200t履带吊主杆起重性能表(履带间距7.25m,配重76.9t)200吨履带式吊车副杆起重性能表(跨距7.25m,配重78.91t)CC-600、CC-1000、CC-2000型履带起重机为上海建筑机械制造厂与德国德马克公司生产。
CC2000履带式起重机起重特性CC1000履带式起重机起重特性CC600履带式起重机起重特性利勃海尔LR1650履带起重机起重性能加藤NK750型汽车起重机额定起重量t 支腿全身、侧向和后向作业KH300型80吨履带式起重机性能表(吨)厂房主要构件用钢量百分比参考值(p236)2100tm/100tⅡ型塔式起重机主要工作性能2100tm/100tⅡ型塔式起重机性能参数表300t履带吊(US/4600S4型)起重特性参数表太钢不锈钢工程炼钢连铸车间柱、梁工程量估算。
船机名称履带式起重机型号QUY50B制造厂家抚顺挖掘机制造有限公司购置时间2004.6/2004.7最大起重量50T整体参数外形尺寸(长×宽×高)mm6810×3300×3044最大起升重量t 50整机重量t 50 起重力矩t.m 180配重重量t 16 钩头重量kg877(50T)310(15T)使用参数主臂长度m 13~52 起重臂下降钢绳速度m/min 45 主臂加副臂最大长度m 43+15.25 回转速度r/min 2.7 起重臂变幅角度°30~80 行走速度km/h 1.1 提升钢绳速度m/min 54~27 爬坡能力% 40 下降钢绳速度m/min 54~27 主提升倍率——9 起重臂上升钢绳速度m/min 45 接地比压MPa 0.069发动机参数型号——上柴D6114ZG2B 点火顺序——1-5-3-6-2-4 型式——四冲程水冷、直列直喷、涡轮增压发电机V/A 28/36~55 缸数—缸径×行程mm 6-114×135 起动机V/KW 24/7.5 排量L 8.27 蓄电池V/Ah 12/170×2 压缩比——18 发动机机油L 24额定功率/转速KW /r/min 128/2000 发动机冷却水L 60 最大扭矩Nm/r/min 720/1400 净重量Kg 640使用条件1、工作地面必需平整、坚实,作业过程中不得有下陷。
2、工作幅度是吊重后的实际幅度。
3、可在360度范围内作业。
4、起重作业前必须扩张履带。
5、起重的重量包含钩头、吊具的重量。
6、工作时风力应小于10m/s即6级风速以下。
7、单块履带板的接地面积=25cm×75cm8、最大重量=吊车自重+最大吊重=50000kg+50000kg9、最大接地比压:53.3kg/cm2(此参数为最大负荷时临界状态,仅供参考)用途用于起重、安装、转运物资、强夯、打拔桩(钢板桩和钢管桩)QUY50B 履带吊的尺寸图90015007607603170920304432995520469015973450(2540)4300(3300)起重臂角度5470R405042401097364Q U Y 50B 液压履带式起重机主臂额定总载荷表 单位:t528.006.204.964.023.292.702.221.821.481.180.930.714910.457.936.245.024.103.382.802.331.791.601.321.070.854610.55 8.066.355.134.213.492.912.432.041.701.411.160.954312.4510.688.166.475.254.343.623.052.572.181.851.561.311.104012.5010.738.226.535.324.413.703.122.652.261.931.651.401.18 3714.9012.5710.818.326.645.444.533.833.262.792.402.071.791.5434 15.00 12.65 10.898.40 6.735.534.623.913.342.882.492.161.883118.30 15.11 12.79 11.03 8.556.885.684.774.063.503.032.642823.1518.4215.2112.8911.13 8.64 6.97 5.77 4.86 4.16 3.59 3.122526.5523.23 18.48 15.25 12.9211.158.66 6.98 5.77 4.86 4.15 3.582231.1026.77 23.45 18.71 15.49 13.16 11.40 8.91 7.23 6.03 5.12 4.411937.30 31.00 26.70 23.40 18.70 15.50 13.20 11.50 9.007.346.141644.9536.4030.6026.4023.0018.5015.3013.1011.308.907.3013 50.00 43.00 35.00 29.00 25.00 22.00 18.00 15.00 12.60 11.00 8.60 起重臂长(m ) 工作半径(m )3.74.0 4.55.0 5.56.07.08.09.0 10.0 12.0 14.0 16.0 18.0 20.0 22.0 24.0 26.0 28.0 30.0 32.0 34.0起升高度 (m)40°30°60°70°80°10202530工 作 幅 度 (m)1052025303540455055主臂长度(m)52494328161313米主臂米主臂米主臂米主臂米主臂米主臂米主臂米主臂米主臂米主臂米主臂米主臂米主臂米主臂50°QUY50A履带吊主要技术参数船机名称履带式起重机型号QUY50A制造厂家抚顺挖掘机制造有限公司购置时间1983.9最大起重量50T整体参数外形尺寸(长×宽×高)mm6745×3300×3080最大起升重量t 50整机重量T 50 起重力矩t.m 180配重重量t 15.5 钩头重量kg930(50T)310(15T)使用参数主臂长度m 13~52 起重臂下降钢绳速度m/min 45 主臂加副臂最大长度m 43+15.25 回转速度r/min 2.7 起重臂变幅角度°30~80 行走速度km/h 1.1 提升钢绳速度m/min 70~35 主提升倍率——9 下降钢绳速度m/min 70~35 爬坡能力% 20 起重臂上升钢绳速度m/min 45空载接地比压MPa 0.069发动机参数型号——6135G--1 点火顺序——1-5-3-6-2-4 型式——四冲程水冷、直列直喷发电机V/A 28/18~30 缸数—缸径×行程mm 6-135×140 起动机V/KW 24/6.6 排量L 12 蓄电池V/Ah 12/195×2 压缩比——17 发动机机油L 28.7额定功率/转速KW /r/min 117/1800 发动机冷却水L 80 最大扭矩Nm/r/min 650/1400 净重量kg 640使用条件1、工作地面必需平整、坚实,作业过程中不得有下陷。
50t履带吊车性能见下表:幅度m臂长15m 臂长30m 臂长40m起重量t 起升高度m 起重量t 起升高度m 起重量t 起升高度m4.5 50 12.15.0 40 12.06.0 30 11.77.0 25 11.38.0 21.5 10.7 20 26.59.0 17.5 10.0 16.5 26.310.0 15.5 9.4 14.5 26.1 8 3611.0 13.5 8.7 12.7 25.6 7.3 35.812.0 11.7 8.0 12.1 25.4 6.7 35.6 14.0 9.4 5.0 9.4 24.5 5.6 35.1 16.0 7.5 23.5 4.8 34.3 18.0 6.1 22.4 4.1 33.8 20.0 5.5 21.2 3.4 32.9 22.0 4.8 19.8 2.8 31.8 24.0 2.5 30.6 26.0 2.1 29.0 28.0 1.8 27.1 30.0 1.5 2550吨汽车吊性能见下图表:200t履带吊主杆起重性能表(履带间距7.25m,配重76.9t)200吨履带式吊车副杆起重性能表(跨距7.25m,配重78.91t)CC-600、CC-1000、CC-2000型履带起重机为上海建筑机械制造厂与德国德马克公司生产。
CC2000履带式起重机起重特性CC1000履带式起重机起重特性CC600履带式起重机起重特性利勃海尔LR1650履带起重机起重性能加藤NK750型汽车起重机额定起重量t 支腿全身、侧向和后向作业KH300型80吨履带式起重机性能表(吨)厂房主要构件用钢量百分比参考值(p236)2100tm/100tⅡ型塔式起重机主要工作性能2100tm/100tⅡ型塔式起重机性能参数表300t履带吊(US/4600S4型)起重特性参数表太钢不锈钢工程炼钢连铸车间柱、梁工程量估算。