常用电子元器件手册
- 格式:pdf
- 大小:3.37 MB
- 文档页数:166
常用电子元器件手册电子元器件是电子设备中的重要组成部分,其品种繁多,功能各异。
为了帮助大家更好地了解和使用常用电子元器件,特编写此手册。
本手册将介绍常见的电子元器件的基本原理、特点和应用,并提供相关技术要点,希望对读者有所帮助。
一、电阻器电阻器是一种用于控制电流和调整电路电阻的被动电子元器件。
它的主要作用是阻碍电流的流动,并将电能转化为热能。
电阻器的阻值常用欧姆(Ω)表示,常见的电阻器有固定电阻器和变阻器两种。
固定电阻器的阻值为固定不变的,而变阻器的阻值可以调节。
二、电容器电容器是一种存储电能的被动电子元器件。
它由两个导体板之间的绝缘介质隔开,能够在两板之间积累电荷。
电容器的主要作用是储存电荷并释放电能,对于交流信号有很好的滤波效果。
常见的电容器有固定电容器和可变电容器两种。
固定电容器的电容值是固定不变的,而可变电容器的电容值可以通过调节其结构或介质的位置来改变。
三、电感器电感器是一种具有感应电动势作用的被动电子元器件。
它由导线绕成的线圈组成,当电流通过线圈时,会在线圈内产生磁场,从而产生感应电动势。
电感器的主要作用是储存磁能,并对直流信号有很好的滤波效果。
常见的电感器有固定电感器和变压器两种。
固定电感器的电感值是固定不变的,而变压器的电感值可以通过调节绕组的匝数来改变。
四、二极管二极管是一种具有单向导电性的电子器件。
它由半导体材料制成,拥有一个P型半导体和一个N型半导体的结合体。
二极管的主要作用是将电流限制在单一方向上流动,实现整流和检波功能。
常见的二极管有普通二极管、肖特基二极管和发光二极管(LED)等。
五、晶体管晶体管是一种用于放大和开关电路的半导体器件。
它由三个或以上的控制电极组成,通过调节控制电极间的电流和电压,能够实现电信号放大、开关控制和逻辑运算等功能。
常见的晶体管有三极管和场效应晶体管(MOSFET)等。
六、集成电路集成电路是一种将多个电子器件集成到一个芯片上的电子元器件。
它采用微电子技术制造,可实现多个器件的功能,并具有高集成度、小尺寸和低功耗的优点。
常用电子元器件大全一、电阻器1. 固定电阻器:阻值固定,常见的有碳膜电阻、金属膜电阻、线绕电阻等。
2. 可变电阻器:阻值可调,如电位器、滑动变阻器等。
3. 熔断电阻器:具有过载保护功能,当电流超过一定值时,电阻器会自动断开。
二、电容器1. 无极性电容器:如陶瓷电容器、聚脂电容器等。
2. 有极性电容器:如电解电容器、钽电容器等。
3. 可变电容器:如空气可变电容器、真空可变电容器等。
三、电感器电感器是一种能产生电磁感应的电子元件,主要用于滤波、振荡、扼流等电路。
常见电感器类型如下:1. 固定电感器:线圈绕制在磁性材料上,如空心电感、磁芯电感等。
2. 可变电感器:线圈匝数可调,如空气可变电感、磁芯可变电感等。
3. 螺线管电感器:具有线性或非线性特性,如线性螺线管、非线性螺线管等。
四、二极管1. 整流二极管:如硅整流二极管、肖特基二极管等。
2. 稳压二极管:如硅稳压二极管、锗稳压二极管等。
3. 发光二极管:如普通LED、红外LED等。
五、晶体管晶体管是一种具有放大功能的半导体器件,是电子电路中的核心元件。
常见晶体管类型如下:1. 双极型晶体管(BJT):如NPN型、PNP型等。
2. 场效应晶体管(MOSFET):如N沟道、P沟道等。
3. 达林顿晶体管:具有高放大倍数的晶体管。
六、集成电路(IC)1. 运算放大器(OpAmp):用于放大、滤波、比较等电路。
2. 逻辑门电路:如与门、或门、非门等,是数字电路的基础。
3. 微控制器(MCU):集成CPU、内存、输入输出接口等,用于控制应用。
七、传感器传感器是一种能感受规定的被测量并按照一定的规律转换成可用信号的器件,它们是电子设备感知外界环境的关键部件。
1. 温度传感器:如热敏电阻、热电偶等,用于测量温度变化。
2. 光电传感器:如光敏电阻、光电二极管等,用于检测光强变化。
3. 压力传感器:用于测量气体或液体的压力。
八、继电器继电器是一种电控制器件,它具有控制系统(输入回路)和被控制系统(输出回路),通常用于实现电路的自动控制。
第3章 常用电子元器件基础知识常用电子元器件包括电阻、电容、电感、二极管、三极管、场效应管等半导体分立器件及常用集成电路,它们是构成电子电路的基本部件。
了解常用电子元器件的基础知识,并学会识别和测量,是正确使用的基础,是组装、调试、维修电子电路必须具备的基本技能。
3.1 电阻、电容、电感器件3.1.1 电阻器电阻器是电子电路中使用最多的元件之一,主要用于控制和调节电路中的电流和电压,用作负载电阻和阻抗匹配等。
电阻器属于无源器件,种类繁多。
按结构形式可分为固定电阻和可变电阻。
固定电阻一般称为“电阻”,可变电阻常称为电位器,如图3-1所示。
按材料可分为碳膜电阻、金属膜电阻和线绕电阻等;按功率规格可分为1/16W、1/8W、1/4W、1/2W、1W、2W、5W等;按误差范围可分为精度为±5%、±10%、±20%等的普通电阻,以及精度为±0.1%、±0.2%、±0.5%、±1%、±2%等的精密电阻。
电阻的类别可以通过外观的标记识别。
(a)固定电阻(b)电位器图3-1 电阻器的符号表示1.电阻器的型号命名方法电阻器的型号命名方法根据《电子设备用固定电阻器、固定电容器型号命名方法》(GB/T 2470—1995),分为4个部分表示,如表3-1所示。
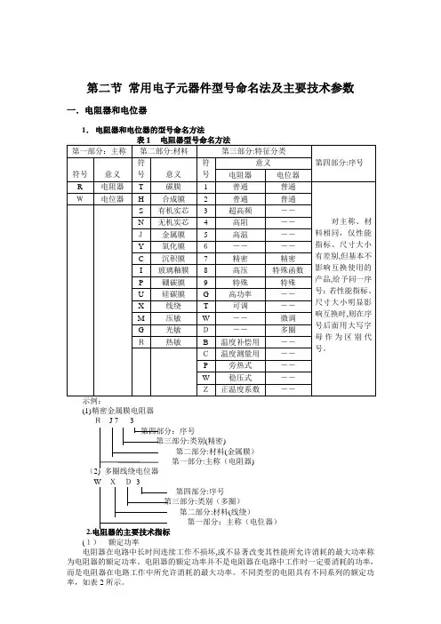
表3-1 电阻器的型号命名方法第1部分第2部分第3部分第4部分用字母表示主称用字母表示材料用数字或字母表示特征用数字表示序号符号意义符号意义符号意义RW电阻器电位器TPUC碳膜硼碳膜硅碳膜沉积膜1,2345普通超高频高阻高温电子工业出版社版权所有盗版必究第1部分 第2部分 第3部分 第4部分 用字母表示主称 用字母表示材料 用数字或字母表示特征用数字表示序号符 号意 义符 号 意 义 符 号 意 义H I J Y SN X R G M合成膜 玻璃釉膜 金属膜(箔) 氧化膜 有机实心 无机实心 线绕 热敏 光敏 压敏7 8 9 G T X L W D精密 电阻器—高压 电位器—特殊函数特殊 高功率 可调 小型 测量用 微调 多圈例如:精密金属膜电阻器R -J -7-3。
元器件 常⽤电⼦元器件参考资料(参数⼿册⼤全)
常⽤电⼦元器件参考资料(参数⼿册⼤全)
常⽤电⼦元器件参考资料(参数⼿册⼤全)2018-11-06 18:00:03第⼀节
部分电⽓图形符号
⼀.电阻器、电容器、电感器和变压器
⼆.半导体管
三.其它电⽓图形符号第⼆节 常⽤电⼦元器件型号命名法及主要技术参数
⼀.电阻器和电位器
1.电阻器和电位器的型号命名⽅法
2.电阻器的主要技术指标
3.电阻器的标志内容及⽅法
4.电位器的主要技术指标
⼆.电容器
1.电容器型号命名法
2.电容器的主要技术指标
3.电容器的标志⽅法
三.电感器
1.电感器的分类
2.电感器的主要技术指标
3.电感器电感量的标志⽅法
四.半导体分⽴器件
1.半导体分⽴器件的命名⽅法
2.常⽤半导体⼆极管的主要参数
3. 常⽤整流桥的主要参数
4. 常⽤稳压⼆极管的主要参数
5. 常⽤半导体三极管的主要参数
五.模拟集成电路
1. 模拟集成电路命名⽅法(国产)
2.部分模拟集成电路引脚排列
3.部分模拟集成电路主要参数
常⽤电⼦元器件参考资料(参数⼿册⼤全)
资料中带有以下表:。
零件名称电阻(1Ω-22MΩ)种类碳膜电阻颜色第一位第二位第三位(倍率)第四位(误差)物料编号1R-C0000XXX-XX黑材料规格1/8W-3W棕 碳膜电阻是从它的大小,色环颜色来红判別它的瓦数,阻值。
右图便是各色环橙所代表的数值。
电阻的单位是(Ω)欧黄姆,如:绿蓝紫灰 碳膜电阻外壳颜色一般为土黄色,外白有四色环,最后一环一般为金色或银色金银红红黄金=220K(220千欧)+-5%110±2%0101±5%±10%10¯¹10¯²923100231,0008894410,00055电子元件手冊100,00077661,000,000棕黑红金=1K(1千欧)+-5% 黄紫棕金=470Ω(470欧)+-5%零件名称电阻(1Ω-22MΩ)种类金属膜电阻颜色物料编号1R-C000XXXX-XX 黑材料规格1/8W-5W棕 金属膜电阻外壳为蓝色,有五个色环红,右图是各色环所代表的意义。
橙如:黄绿蓝紫灰白金银下图是电阻体积与功率的关系:1/8W 1.7±0.50.45±0.051/4W 2.3±0.50.5±0.051/2W 3.0±0.50.6±0.051W 4.0±0.50.75±0.052.0W 5.0±0.50.75±0.053.0W8.0±0.50.75±0.05棕黑黑棕棕=1K(1千欧)+-1%红红黑橙棕=220K(220千欧)+-1%电子元件手冊9924±222±28881110¯²第一位第二位第三位第四位(倍率)10¯¹100第五位(误差)10±1%0001110,000±2%3331,000222555100,000±0.5%44491,000,0007776663.2±0.528±237±26.0±0.59.0±0.511±1.015±1.024±1.027±225±2类型H 电阻体(mm)引脚(mm)dL D零件名称电阻(1Ω-22MΩ)种类贴片电阻物料编号1R-C000XXXX-XX 材料规格贴片电阻,它以数字的形式标在电阻表面,换算方法和色环电阻一样依体积大小分为:0402,0603,0805,1206。
第二节常用电子元器件型号命名法及主要技术参数一.电阻器和电位器1.电阻器和电位器的型号命名方法(1)精密金属膜电阻器RJ 7 3第四部分:序号第三部分:类别(精密)第二部分:材料(金属膜)第一部分:主称(电阻器)(多圈线绕电位器WXD3第四部分:序号第三部分:类别(多圈)第二部分:材料(线绕)第一部分:主称(电位器)2.电阻器的主要技术指标(1)额定功率电阻器在电路中长时间连续工作不损坏,或不显著改变其性能所允许消耗的最大功率称为电阻器的额定功率。
电阻器的额定功率并不是电阻器在电路中工作时一定要消耗的功率,而是电阻器在电路工作中所允许消耗的最大功率。
不同类型的电阻具有不同系列的额定功率,如表2所示。
(2) 标称阻值阻值是电阻的主要参数之一,不同类型的电阻,阻值范围不同,不同精度的电阻其阻值系列亦不同。
根据国家标准,常用的标称电阻值系列如表3所示。
E24、E12和E6系列也适用于电位器和电容器。
(3) 允许误差等级3.电阻器的标志内容及方法(1)文字符号直标法:用阿拉伯数字和文字符号两者有规律的组合来表示标称阻值,额定功率、允许误差等级等。
符号前面的数字表示整数阻值,后面的数字依次表示第一位小数阻值和第二位小数阻值,其文字符号所表示的单位如表5所示。
如1R5表示1.5W,2K7表示2.7kΩ,RJ71-0.125-5k1-II允许误差±10%标称阻值(5.1kW)额定功率1/8W型号由标号可知,1/8W,标称阻值为5.1kΩ,允许误差为±10%。
(2)色标法: 色标法是将电阻器的类别及主要技术参数的数值用颜色(色环或色点)标注在它的外表面上。
色标电阻(色环电阻)器可分为三环、四环、五环三种标法。
其含义如图1和图2所示。
三色环电阻器的色环表示标称电阻值(允许误差均为±20%)。
例如,色环为棕黑红,表示10⨯102=1.0kΩ±20%的电阻器。
四色环电阻器的色环表示标称值(二位有效数字)及精度。
常用电子元器件大全一、电阻器电阻器是一种限制电流通过的电子元器件,它的主要作用是限制电路中的电流大小。
电阻器的种类有很多,包括固定电阻器、可变电阻器、热敏电阻器等。
电阻器的单位是欧姆(Ω)。
二、电容器电容器是一种存储电荷的电子元器件,它的主要作用是存储电能。
电容器的种类有很多,包括固定电容器、可变电容器、电解电容器等。
电容器的单位是法拉(F)。
三、电感器电感器是一种产生电磁场的电子元器件,它的主要作用是产生电磁场。
电感器的种类有很多,包括固定电感器、可变电感器、铁芯电感器等。
电感器的单位是亨利(H)。
四、晶体管晶体管是一种放大电流的电子元器件,它的主要作用是放大电流。
晶体管的种类有很多,包括NPN型晶体管、PNP型晶体管、场效应晶体管等。
五、二极管二极管是一种控制电流方向的电子元器件,它的主要作用是控制电流方向。
二极管的种类有很多,包括普通二极管、稳压二极管、发光二极管等。
六、集成电路集成电路是一种集成了多个电子元器件的电子元器件,它的主要作用是完成特定的电子功能。
集成电路的种类有很多,包括数字集成电路、模拟集成电路、混合集成电路等。
常用电子元器件大全一、电阻器电阻器是一种限制电流通过的电子元器件,它的主要作用是限制电路中的电流大小。
电阻器的种类有很多,包括固定电阻器、可变电阻器、热敏电阻器等。
电阻器的单位是欧姆(Ω)。
在实际应用中,电阻器可以用于调节电路的电压、电流,保护电路中的其他元器件,以及作为负载等。
二、电容器电容器是一种存储电荷的电子元器件,它的主要作用是存储电能。
电容器的种类有很多,包括固定电容器、可变电容器、电解电容器等。
电容器的单位是法拉(F)。
在实际应用中,电容器可以用于滤波、耦合、去耦、延时等电路功能。
三、电感器电感器是一种产生电磁场的电子元器件,它的主要作用是产生电磁场。
电感器的种类有很多,包括固定电感器、可变电感器、铁芯电感器等。
电感器的单位是亨利(H)。
在实际应用中,电感器可以用于滤波、振荡、变压器等电路功能。
第一章电子元器件第一节、电阻器1.1 电阻器的含义:在电路中对电流有阻碍作用并且造成能量消耗的部分叫电阻.1.2 电阻器的英文缩写:R(Resistor)及排阻RN1.3 电阻器在电路符号:R 或WWW1.4 电阻器的常见单位:千欧姆(KΩ), 兆欧姆(MΩ)1.5 电阻器的单位换算: 1兆欧=103千欧=106欧1.6 电阻器的特性:电阻为线性原件,即电阻两端电压与流过电阻的电流成正比,通过这段导体的电流强度与这段导体的电阻成反比。
即欧姆定律:I=U/R。
表 1.7 电阻的作用为分流、限流、分压、偏置、滤波(与电容器组合使用)和阻抗匹配等。
1.8 电阻器在电路中用“R”加数字表示,如:R15表示编号为15的电阻器。
1.9 电阻器的在电路中的参数标注方法有3种,即直标法、色标法和数标法。
a、直标法是将电阻器的标称值用数字和文字符号直接标在电阻体上,其允许偏差则用百分数表示,未标偏差值的即为±20%.b、数码标示法主要用于贴片等小体积的电路,在三为数码中,从左至右第一,二位数表示有效数字,第三位表示10的倍幂或者用R表示(R表示0.)如:472 表示47×102Ω(即4.7K Ω);104则表示100KΩ、;R22表示0.22Ω、 122=1200Ω=1.2KΩ、 1402=14000Ω=14KΩ、R22=0.22Ω、 50C=324*100=32.4KΩ、17R8=17.8Ω、000=0Ω、 0=0Ω.c、色环标注法使用最多,普通的色环电阻器用4环表示,精密电阻器用5环表示,紧靠电阻体一端头的色环为第一环,露着电阻体本色较多的另一端头为末环.现举例如下:如果色环电阻器用四环表示,前面两位数字是有效数字,第三位是10的倍幂, 第四环是色环电阻器的误差范围(见图一)四色环电阻器(普通电阻)标称值第一位有效数字标称值第二位有效数字标称值有效数字后0的个数(10的倍幂)允许误差图1-1 两位有效数字阻值的色环表示法如果色环电阻器用五环表示,前面三位数字是有效数字,第四位是10的倍幂. 第五环是色环电阻器的误差范围.(见图二)五色环电阻器(精密电阻)图1-2 三位有效数字阻值的色环表示法d、SMT精密电阻的表示法,通常也是用3位标示。
------------------留言:主动是人生进位的关键!山不过来我过去! Page 1 of 26 1, 电源器件---------------------------------------------------------------------------------------------------------------------------------1.1 开关电源调整器TOP245 TOP245 单片开关电源稳压器单片开关电源稳压器单片开关电源稳压器 输入85V~265VAC,50Hz/60Hz,最大输出功率60WTOP247 TOP247 单片开关电源稳压器单片开关电源稳压器单片开关电源稳压器 输入85V~265VAC,50Hz/60Hz,最大输出功率125WTOP250 TOP250 单片开关电源稳压器单片开关电源稳压器单片开关电源稳压器 输入85V~265VAC,50Hz/60Hz,最大输出功率210WUC3843B UC3843B 开关电源调整器开关电源调整器开关电源调整器 工作电压范围8.2V~30VDC,输出驱动电流1A,最大使用频率500KHz TL494 TL494 开关电源调整器开关电源调整器开关电源调整器 工作电压范围7.0V~40VDC,输出驱动电流500mA,最大使用频率200KHz MC34063 A DC MC34063 A DC--DC 转换器转换器 输入3.0V~40VDC,输出电压可调,输出开关电流1.5A,100KHz 工作频率, 逐个周期的电流限制,最大电源电流4mAMC MC34023 34023 34023 高速高速PWM 控制器控制器 推挽输出电流0.5A,1MHz 工作频率,软启动,电源欠压锁定,逐个周期的 电流限制,电源电压9.2V~30V,最大电源电流30mAMC34025 MC34025 高速双高速双PWM 控制器控制器 推挽输出电流0.5A,1MHz 工作频率,软启动,电源欠压锁定,逐个周期的 电流限制,电源电压9.2V~30V,最大电源电流30mAμA 78S40 μA 78S40 通用开关电源调整器通用开关电源调整器通用开关电源调整器 输入2.5V~40VDC,输出电压1.25V~40V 可调,输出开关电流1.5A,逐个 周期的电流限制,最大电源电流5.5mAMAX MAX1676 DC 1676 DC 1676 DC--DC 升压转换器升压转换器 输入0.7V~5.5VDC,输出电压2.0V~5.5V 可调,输出电流200mA,电源电 流16μA------------------留言:主动是人生进位的关键!山不过来我过去! Page 2 of 26 MAX1692 DC MAX1692 DC--DC 降压转换器降压转换器 输入2.7V~5.5VDC,输出1.25V~5.5V 可调,最大输出电流600mA,电源 电流85μAMAX829 MAX829 负电压转换器负电压转换器负电压转换器 输入1.5V~5.5VDC,输出电流-150μAMAX889 MAX889 负电压转换器负电压转换器负电压转换器 输入2.7V~5.5VDC,输出电流-200mAMAX1719 MAX1719 负电压转换器负电压转换器负电压转换器 输入1.5V~5.5VDC,输出电流-25mAMAX1760 DC MAX1760 DC--DC 升压转换器升压转换器 输入0.7V~5.5VDC,输出2.5V~5.5V 可调,输出电流800mA,电源电流100 μAMAX1921 DC MAX1921 DC--DC 降压转换器降压转换器 输入2.0V~5.5VDC,输出固定电压1.5V,1.8V,2.5V,3.0V,3.3V,电源电流50μA,输出电流400mA1.2 1.2 线性固定电压调整器线性固定电压调整器线性固定电压调整器 AS1117 AS1117 三端低压差稳压器三端低压差稳压器三端低压差稳压器 最大输入电压12V,最小压差1.2V,输出电压1.5V,2.5V,2.85V,3.0V,3.3V,5.0V,输出电流800mA78L00系列系列 三端正向电压调整器三端正向电压调整器 最大输入电压35V,最小压差1.7V,输出电流100mA79L00系列系列 三端负向电压调整器三端负向电压调整器 最大输入电压-35V,最小压差1.7V,输出电流-100mA78M00系列系列 三端正向电压调整器三端正向电压调整器 最大输入电压35V,最小压差2.2V,输出电流500mA79M00系列系列 三端负向电压调整器三端负向电压调整器 最大输入电压-35V,最小压差1.1V,输出电流-500mA7800系列系列 三端正向电压调整器三端正向电压调整器 最大输入电压35V,最小压差2.2V,最大输出电流1.5A------------------留言:主动是人生进位的关键!山不过来我过去! Page 3 of 26 79790000系列系列 三端负向电压调整器三端负向电压调整器 最大输入电压-35V,最小压差2.2V,最大输出电流-1.5A78T00系列系列 三端正向电压调整器三端正向电压调整器 最大输入电压35V,最小压差2.2V,最大输出电流3A1.3 1.3 线性可调电压调整器线性可调电压调整器线性可调电压调整器LM317L LM317L 可调式三端正向电压调整器可调式三端正向电压调整器可调式三端正向电压调整器 最大允许压差40V,最小压差2.5V,输出电压可调范围1.25V~37V,最大输 出电流100 mA,最小负载电流5mALM317M LM317M 可调式三端正向电压调整器可调式三端正向电压调整器可调式三端正向电压调整器 最大允许压差40V,最小压差2.5V,输出电压可调范围1.25V~37V,最大输 出电流500 mA,最小负载电流10mALM317 LM317 可调式三端正向电压调整器可调式三端正向电压调整器可调式三端正向电压调整器 最大允许压差40V,最小压差3.0V,输出电压可调范围1.25V~37V,最大输 出电流1.5A,最小负载电流12mALM337L LM337L 可调式三端负向电压调整器可调式三端负向电压调整器可调式三端负向电压调整器 最大允许压差40V,最小压差2.5V,输出电压可调范围-1.25V~-37V,最 大输出电流-100 mA,最小负载电流-5mALM337M LM337M 可调式三端负向电压调整器可调式三端负向电压调整器可调式三端负向电压调整器 最大允许压差40V,最小压差2.5V,输出电压可调范围-1.25V~-37V,最 大输出电流-500 mA,最小负载电流-10mALM337 LM337 可调式三端负向电压调整器可调式三端负向电压调整器可调式三端负向电压调整器 最大允许压差40V,最小压差3.0V,输出电压可调范围-1.25V~-37V,最 大输出电流-1.5A,最小负载电流-10mALM350 LM350 可调式三端正向电压调整器可调式三端正向电压调整器可调式三端正向电压调整器 最大允许压差36V,最小压差3.0V,输出电压可调范围1.2V~33V,最大输 出电流3A,最小负载电流10mALM333 LM333 可调式三端负向电压调整器可调式三端负向电压调整器可调式三端负向电压调整器 最大允许压差35V,最小压差3.0V,输出电压可调范围-1.2V~-32V,最 大输出电流-3A,最小负载电流-10mA------------------留言:主动是人生进位的关键!山不过来我过去! Page 4 of 26 LM396 LM396 可调式三端正向电压调整器可调式三端正向电压调整器可调式三端正向电压调整器 最大允许压差20V,最小压差2.1V,输出电压可调范围1.25V~15V,最大输 出电流10A,最小负载电流10mA--------------------------------------------------------------------------------------------------------------------------------- 2, 2, 运算放大器运算放大器运算放大器LM308A LM308A 精密运算放大器精密运算放大器精密运算放大器 最大输入失调电压0.5mV,共模抑制比96dB,电源抑制比96dB,开环电压 增益80V/mV,输入电压范围±14V(Vcc=±15V),输出电压范围±13V(Vcc= ±15V,RL=10KΩ),带宽1MHz,压摆率0.3V/μS,电源电压±3.0V~±18V, 输出短路时间Indefinite,最大电源电流±0.8mALM348 LM348 通用运算放大器通用运算放大器通用运算放大器 最大输入失调电压6.0mV,共模抑制比90dB,输入偏置电流30nA,,带宽 1MHz,压摆率0.5V/μS,电源电压±4.0V~±18V,每放大器电源电流1.125mALF411 LF411 通用运算放大器通用运算放大器通用运算放大器 最大输入失调电压2.0mV,共模抑制比100dB,输入偏置电流50pA,,带宽 3MHz,压摆率13V/μS,电源电压±3.5V~±18V,每放大器电源电流3.4mA TL032 通用运算放大器最大输入失调电压1.5mV,共模抑制比94dB,输入偏置电流2pA,,带宽1.1MHz,压摆率5.1V /μS,电源电压±5.0V~±18V,每放大器电源电流 0.28mATLC4501 TLC4501 通用运算放大器通用运算放大器通用运算放大器 最大输入失调电压0.1mV,共模抑制比100dB,输入偏置电流1pA,,带宽4.7MHz,压摆率2.5V /μS,电源电压4.0V~6.0V,每放大器电源电流1.5mA TLC2654 TLC2654 精密运算放大器精密运算放大器精密运算放大器 最大输入失调电压0.02mV,共模抑制比125dB,输入偏置电流50pA,,带宽1.9MHz,压摆率3.7V /μS,电源电压±2.3V~±8V,每放大器电源电流2.4mA TLC2652 TLC2652 精密运算放大器精密运算放大器精密运算放大器------------------留言:主动是人生进位的关键!山不过来我过去! Page 5 of 26 最大输入失调电压3μV,共模抑制比140dB,输入偏置电流4pA,,带宽1.9MHz,压摆率3.1V /μS,电源电压±1.9V~±8V,每放大器电源电流2.4mA LM358 LM358 通用运算放大器通用运算放大器通用运算放大器 最大输入失调电压7.0mV,共模抑制比70dB,电源抑制比100dB,开环电压 增益100V/mV,输入差动电压范围0~Vcc,输入共模电压范围0~28.3V (Vcc=30V),输出电压范围0~3.5V(Vcc=5V,RL=10KΩ),带宽1MHz,压摆率0.6V/μS,电源电压±1.5V~±16V 或+3.0V~+32V,输出高电平 电流40mA,输出低电平电流20mA,输出短路时间连续,最大电源电流3.0mA LM324A LM324A 通用运算放大器通用运算放大器通用运算放大器 最大输入失调电压3.0mV,共模抑制比70dB,电源抑制比100dB,开环电压 增益100V/mV,输入差动电压范围0~Vcc,输入共模电压范围0~28.3V (Vcc=30V),输出电压范围0~3.5V(Vcc=5V,RL=10KΩ),带宽1MHz,压摆率0.6V/μS,电源电压±1.5V~±16V 或+3.0V~+32V,输出高电平 电流40mA,输出低电平电流20mA,输出短路时间连续,最大电源电流3.0mA OP07 OP07 精密运算放大器精密运算放大器精密运算放大器 最大输入失调电压75μV,共模抑制比123dB,电源抑制比5μV/V,开环电 5压增益500V/mV,输入差动电压范围0~Vcc,输入共模电压范围±14V(Vcc= ±15V),输出电压范围±13V(Vcc=±15V,RL=10KΩ),带宽1MHz,压摆率0.6V/μS,电源电压±3V~±18V,输出短路时间Indefinite,最大电源电 流3.0mAOP297E OP297E 精密运算放大器精密运算放大器精密运算放大器 最大输入失调电压100μV,共模抑制比130dB,电源抑制比130dB,开环电 压增益3200V/mV,输入差动电压范围0~Vcc,输入共模电压范围±13.5V (Vcc=±15V),输出电压范围±13.4V(Vcc=±15V,RL=10KΩ),输出电流 ±10mA,带宽0.9MHz,压摆率0.15V/μS,电源电压±2V~±20V,每运放 最大电源电流750μAAD8572 AD8572 精密运算放大器精密运算放大器精密运算放大器 最大输入失调电压5μV,共模抑制比140dB,电源抑制比130dB,开环电压------------------留言:主动是人生进位的关键!山不过来我过去! Page 6 of 26 增益145dB,轨至轨输入输出,输出电流30mA,带宽1.5MHz,压摆率0.4V/ μS,电源电压+2.7V~+6V,每运放最大电源电流1000μAOP484 OP484 精密运算放大器精密运算放大器精密运算放大器 最大输入失调电压65μV,共模抑制比60dB,电源抑制比76dB,开环电压 增益240V/mV,轨至轨输入输出,输出电流6.5mA,带宽4MHz,压摆率2.4V/ μS,电源电压±1.5V~±18V 或+3.0V~+36V,每运放最大电源电流1.45mAOP727 OP727 精密运算放大器精密运算放大器精密运算放大器 最大输入失调电压100μV,共模抑制比110dB,电源抑制比130dB,开环电 压增益500V/mV,输入共模电压范围0~4V(Vcc=5V),轨至轨输出,输出 电流10mA,带宽0.7MHz,压摆率0.2V/μS,电源电压±1.35V~±18V 或 +2.7V~+36V,每运放最大电源电流270μAOP262 OP262 精密运算放大器精密运算放大器精密运算放大器 最大输入失调电压0.325mV,共模抑制比110dB,电源抑制比120dB,开环 电压增益88V/mV,轨至轨输出,输出电流30mA,带宽15MHz,压摆率13V/ μS,电源电压±1.35V~±6.0V 或+2.7V~+12V,每运放最大电源电流 0.85mAOP296 OP296 精密运算放大器精密运算放大器精密运算放大器 最大输入失调电压0.3mV,共模抑制比60dB,电源抑制比85dB,开环电压 增益200V/mV,轨至轨输入输出,输出电流4mA,带宽0.35MHz,压摆率0.3V/μS,电源电压+3.0V~+12V,每运放最大电源电流80μAAD8028 AD8028 高速运算放大器高速运算放大器高速运算放大器 最大输入失调电压0.8mV,共模抑制比110dB,电源抑制比110dB,开环电 压增益110dB,轨至轨输入输出,输出短路电流120mA,带宽190MHz,压 摆率90V/μS,电源电压±1.35V~±6V 或+2.7V~+12V,每运放最大电源 电流8.5mAAD8616 AD8616 精密运算放大器精密运算放大器精密运算放大器 最大输入失调电压65μV,共模抑制比100dB,电源抑制比90dB,开环电压 增益450V/mV,轨至轨输入输出,输出电流80mA,带宽0.4MHz,压摆率------------------留言:主动是人生进位的关键!山不过来我过去! Page 7 of 26 0.1V/μS,电源电压±0.9V~±2.5V 或+1.8V~+6V,每运放最大电源电流 2mAAD8607 AD8607 精密运算放大器精密运算放大器精密运算放大器 最大输入失调电压50μV,共模抑制比100dB,电源抑制比100dB,开环电 压增益150V/mV,轨至轨输入输出,输出电流150mA,带宽24MHz,压摆率12V/μS,电源电压+2.7V~+6V,每运放最大电源电流2mAAD8130 AD8130 差分放大器差分放大器差分放大器 最大输入失调电压1.8mV,共模抑制比110dB,开环电压增益110dB,输入 共模电压范围±10.5V(Vcc=±12V),输出短路电流55mA,带宽270MHz, 压摆率1100V/μS,电源电压±2.25V~±12.6V 或+4.5V~+25.2V,最大电 源电流1mAOPA2364 OPA2364 通用运算放大器通用运算放大器通用运算放大器 最大输入失调电压500μV,共模抑制比90dB,电源抑制比80μV/V,开环 电压增益100dB,轨至轨输入输出,输出短路时间连续,带宽7MHz,压摆 率5V/μS,电源电压±0.9V~±2.75V 或+1.8V~+5.5V,每运放最大电源 电流1.4mAOP OPA4344 A4344 A4344 通用运算放大器通用运算放大器通用运算放大器 最大输入失调电压1.2mV,共模抑制比92dB,电源抑制比200μV/V,开环 电压增益120dB,轨至轨输入输出,输出短路时间连续,带宽1MHz,压摆 率0.8V/μS,电源电压+2.7V~+5.5V,每运放最大电源电流0.25mATVL2372 TVL2372 通用运算放大器通用运算放大器通用运算放大器 最大输入失调电压4.5mV,共模抑制比68dB,电源抑制比80dB,开环电压 增益110dB(Vcc=5V),轨至轨输入输出,输出电流7mA,带宽3MHz,压摆率2.4V/μS,电源电压±1.35V~±8V 或+2.7V~+16V,每运放最大电 源电流0.55mAMAX4294 MAX4294 通用运算放大器通用运算放大器通用运算放大器 最大输入失调电压2mV,共模抑制比90dB,电源抑制比100dB,开环电压增 益120dB(Vcc=5V,RL=2KΩ),轨至轨输入输出,输出短路时间连续,带宽 500KHz,压摆率0.2V /μS,电源电压±0.9V~±2.75V 或+1.8V~+5.5V,------------------留言:主动是人生进位的关键!山不过来我过去! Page 8 of 26 每运放最大电源电流270μAMAX4240 MAX4240 通用运算放大器通用运算放大器通用运算放大器 最大输入失调电压2mV,共模抑制比90dB,电源抑制比82dB,开环电压增 7益85dB(Vcc=5V,RL=10KΩ),轨至轨输入输出,输出短路电流-0.7mA/2.5mA,输出短路时间连续,带宽90KHz,压摆率40V /mS,电源电 压±0.9V~±2.75V 或+1.8V~+5.5V,每运放最大电源电流19μAMAX4199 MAX4199 通用运算放大器通用运算放大器通用运算放大器 最大输入失调电压0.5mV,共模抑制比110dB,电源抑制比120dB,电压增 益10,轨至轨输入输出,输出短路电流5.5mA,输出短路时间连续,带宽 500KHz,压摆率0.1V /μS,电源电压±1.35V~±3.75V 或+2.7V~+7.5V, 每运放最大电源电流55μAMAX492 MAX492 通用运算放大器通用运算放大器通用运算放大器 最大输入失调电压0.5mV,共模抑制比90dB,电源抑制比110dB,电压增 益108dB,轨至轨输入输出,输出短路电流30mA,输出短路时间不定,带宽 500KHz,压摆率0.2V /μS,电源电压±1.35V~±3.0V 或+2.7V~+6.0V, 每运放最大电源电流170μAMAX4133 MAX4133 通用运算放大器通用运算放大器通用运算放大器 最大输入失调电压0.75mV,共模抑制比94dB,电压增益100dB,轨至轨输 入输出,输出短路电流50mA,输出短路时间连续,带宽10MHz,压摆率4V /μS,电源电压±1.35V~±3.25V 或+2.7V~+6.5V,每运放最大电源电流1.35mAPA12A PA12A 功率运算放大器功率运算放大器功率运算放大器 最大输入失调电压4mV,共模抑制比100dB,电压增益110dB,输出电流± 15A,带宽4MHz,压摆率4V /μS,电源电压±10V~±50V,每运放最大电 源电流50mAPA04A PA04A 功率运算放大器功率运算放大器功率运算放大器 最大输入失调电压5mV,共模抑制比98dB,电压增益102dB,输出电流±15A, 带宽2MHz,压摆率50V /μS,电源电压±15V~±100V,每运放最大电源电流90mA---------------------------------------------------------------------------------------------------------------------------------3, 仪表放大器---------------------------------------------------------------------------------------------------------------------------------AD623B 精密仪表放大器最大输入失调电压100μV,共模抑制比86dB,电源抑制比110dB,电压增益可调范围1~1000,轨至轨输入输出,输出短路时间Indefinite,单位增益带宽800KHz,压摆率0.3V/μS,电源电压±2.5V~±6V或+2.7V~+12V,最大电源电流625μAMAX4194 精密仪表放大器最大输入失调电压690μV,共模抑制比115dB,电源抑制比120dB,输入电压范围VEE+0.2V~VCC-1.1V,轨至轨输出,输出短路电流4.5mA,输出短路时间连续,带宽250KHz,压摆率0.06V/μS,电源电压±1.35V~±3.75V8或+2.7V~+7.5V,最大电源电流110μALH0036 通用仪表放大器最大输入失调电压1mV,共模抑制比100dB,电压增益可调范围1~1000,输入电压范围±12V,输出短路时间连续,电源电压±1V~±18V,最大电源电流600μALH0038 精密仪表放大器最大输入失调电压0.1mV,共模抑制比120dB,电源抑制比120dB,电压增益范围100~2000,输入电压范围±12V(Vcc=±15V),输出短路时间连续,电源电压±5V~±18V,最大电源电流3mAINA128 精密仪表放大器最大输入失调电压50μV,共模抑制比120dB,输入电压范围±40V,输出短路电流+6mA/-15 mA,输出短路时间连续,带宽1.3MHz,压摆率4V/μS,电源电压±2.25V~±18V,最大电源电流750μA------------------留言:主动是人生进位的关键!山不过来我过去! Page 9 of 26---------------------------------------------------------------------------------------------------------------------------------4, 比较器---------------------------------------------------------------------------------------------------------------------------------MAX918 低电压比较器最大输入失调电压10mV,电源抑制比0.1mV/V,轨至轨输入,输出电流±8mA,输出短路时间10S,内部电压基准1.245V,电源电压+1.8V~+5.5V,每比较器最大电源电流1.6μAMAX9144 通用电压比较器最大输入失调电压4.5mV,共模抑制比80μV/V,电源抑制比80μV/V,轨至轨输入,输出电流±4mA,输出短路时间连续,电源电压+2.7V~+5.5V,每比较器最大电源电流300μALM339A 通用电压比较器最大输入失调电压2.0mV,电压增益200V/mV,输入共模电压范围0~VCC-1.5V,最大差分输入电压VCC,输出电流16mA,电源电压±1.0V~±18V或+2.0V~+36V,每比较器最大电源电流2.5mALM393A 通用电压比较器最大输入失调电压2.0mV,电压增益200V/mV,输入共模电压范围0~VCC-2.0V,最大差分输入电压VCC,输出电流16mA,电源电压±1.0V~±18V或+2.0V~+36V,每比较器最大电源电流2.5mALTC1541 通用电压比较器比较器最大输入失调电压2.5mV,运放最大输入失调电压1.65mV,运放电压增益1000V/mV,输入共模电压范围VSS~VCC-1.3V,输出电流±1.8mA,电源电压±1.25V~±6.3V或+2.5V~+12.6V,每比较器最大电源电流17μA9MAX4164 低电压比较器最大输入失调电压6mV,共模抑制比100dB,电源抑制比110dB,大信号电------------------留言:主动是人生进位的关键!山不过来我过去! Page 10 of 26压增益120dB,轨至轨输入输出,200KHz单位增益带宽,输出短路电流±15mA,输出短路时间10S,压摆率115V/mS,电源电压±1.35V~±5V或+2.7V~+10V,每比较器最大电源电流25μATLC352 宽电压比较器最大输入失调电压7mV,轨至轨输出,输出短路电流±20mA,电源电压±0.75V~±9V或+1.5V~+18V,每比较器最大电源电流150μA---------------------------------------------------------------------------------------------------------------------------------5, 电压基准---------------------------------------------------------------------------------------------------------------------------------AD588 精密电压基准初始精度0.01%,温漂1.5ppm/℃,输出电压±5V/±10V,输出电流10mA,电源电压范围Vout+2~36V,最大电源电流12mAAD589 精密电压基准初始精度1.2%,温漂10ppm/℃,输出电压1.2V,电源电流50μA~5 mAADR420 精密电压基准初始精度0.05%,温漂3ppm/℃,输出电压2.048V,输出电流10mA,电源电压范围4V~18V,最大电源电流0.5mAADR421 精密电压基准初始精度0.04%,温漂3ppm/℃,输出电压2.5V,输出电流10mA,电源电压范围4.5V~18V,最大电源电流0.5mAADR423 精密电压基准初始精度0.04%,温漂3ppm/℃,输出电压3.0V,输出电流10mA,电源电压范围5V~18V,最大电源电流0.5mAADR425 精密电压基准初始精度0.04%,温漂3ppm/℃,输出电压5.0V,输出电流10mA,电源电压范围7V~18V,最大电源电流0.5mAREF198 精密电压基准------------------留言:主动是人生进位的关键!山不过来我过去! Page 11 of 26初始精度0.05%,温漂5ppm/℃,输出电压4.096V,输出电流30mA,电源电压范围6.4V~15V,最大电源电流45μALT1634 精密电压基准初始精度0.05%,温漂10ppm/℃,输出电压1.25V ,2.5V ,4.096V ,5.0V,最大工作电流100mA(1.25V),50mA(2.5V),30mA(4.096V ,5.0V),最大反向电源电流20mA10TL431A 通用电压基准初始精度1%,温漂30ppm/℃,可调输出电压范围2.495V~36V,工作电流1mA~100mA,最小调整电流1mAMC1403 通用电压基准输出电压2.5V±25mV,输出电流10mA,温漂10ppm/℃,工作电流1.2mA,电源电压范围4.5V~40VLM385 通用电压基准初始精度1%,1.5%,2%,3%,温漂80ppm/℃,长期稳定性80ppm/1000h,固定输出电压1.235V或2.500V,工作电流10μA~20mAMAX6325 精密电压基准初始精度0.02%,温漂1ppm/℃,输出电压2.500V,输出电流±15mA,电源电压范围8V~36V,最大电源电流3.0mAMAX6341 精密电压基准初始精度0.02%,温漂1ppm/℃,输出电压4.096V,输出电流±15mA,电源电压范围8V~36V,最大电源电流3.2mAMAX6350 精密电压基准初始精度0.02%,温漂1ppm/℃,输出电压5.000V,输出电流±15mA,电源电压范围8V~36V,最大电源电流3.3mAMAX6126 精密电压基准初始精度0.02%,温漂3ppm/℃,输出电压2.048V / 2.5V / 3V / 4.096V / 5V, 输出电流±10mA,电源电压范围2.7V~12.6V,最大电源电流380μA------------------留言:主动是人生进位的关键!山不过来我过去! Page 12 of 26------------------------------------------------------------6, MCU监控器件---------------------------------------------------------------------------------------------------------------------------------MAX816 通用MCU监控器电源电压范围1V~5.5V,最大电源电流85μA,复位电压可调,内部1.70V电压基准,高,低复位电平输出,手动复位输入,内置电源欠压比较器MAX6301 通用MCU监控器电源电压范围1V~5.5V,最大电源电流7μA,上电,WDT复位时间和复位电压可调,内部1.22V电压基准,开漏低有效复位输出,手动复位输入,复位时间可长达22minMAX803 通用MCU监控器电源电压范围1V~5.5V,最大电源电流100μA,固定复位电压2.63V,2.93V, 3.08V,4.00V,4.38V,4.63V,开漏低有效复位输出11MAX809 通用MCU监控器电源电压范围1V~5.5V,最大电源电流100μA,固定复位电压2.63V,2.93V, 3.08V,4.00V,4.38V,4.63V,推挽低有效复位输出MAX810 通用MCU监控器电源电压范围1V~5.5V,最大电源电流100μA,固定复位电压2.63V,2.93V, 3.08V,4.00V,4.38V,4.63V,推挽高有效复位输出MC34161 通用电压监视器电源电压范围2.0V~40V,最大电源电流900μA,内部2.54V,1.27V电压基准,施密特触发输入,两个独立电压比较器,OC输出,输出吸入电流10mA---------------------------------------------------------------------------------------------------------------------------------7, 高频放大器------------------留言:主动是人生进位的关键!山不过来我过去! Page 13 of 26------------------------------------------------------------8, 音频放大器---------------------------------------------------------------------------------------------------------------------------------MAX4410 耳机放大器无需隔直电容,增益-1.5V/V---------------------------------------------------------------------------------------------------------------------------------9, 有源滤波器---------------------------------------------------------------------------------------------------------------------------------LMF40 开关电容滤波器频率范围0.1Hz~40KHz,输入失调电压±5mV,电源电压+4V~+14V或±2V~±7.5V,最大电源电流7mALMF120 开关电容滤波器可构成低通,高通,带通,带阻,全通滤波器,频率范围10Hz~1.5MHz,电源电压+4V~+14V或±2V~±7.5V,电源电流5mAMF10 开关电容滤波器可构成低通,高通,带通,带阻,全通滤波器,频率范围10Hz~1MHz,电源电压+8V~+14V或±4V~±7V,电源电流12mAMAX7491 开关电容滤波器可构成低通,高通,带通,带阻,全通滤波器,频率范围1Hz~40KHz,轨至轨输入输出,电源电压+2.7V~+3.6V,电源电流4mAMAX260 开关电容滤波器数字可编程,可构成低通,高通,带通,带阻,全通滤波器,频率范围75Hz,电源电压+4.75V~+12.6V或±2.37V~±6.3V,电源电流20mA---------------------------------------------------------------------------------------------------------------------------------------------------留言:主动是人生进位的关键!山不过来我过去! Page 14 of 2610, 接口器件---------------------------------------------------------------------------------------------------------------------------------MAX232E RS232收发器12双收发器,±15KV ESD保护,电源电压4.5V~5.5VMAX3232E RS232收发器单收发器,±15KV ESD保护,电源电压3.0V~5.5VMAX203E RS232收发器双收发器,±15KV ESD保护,电源电压4.5V~5.5V,无外部电容MAX3380E RS232收发器双收发器,±15KV ESD保护,电源电压2.35V~5.5V,电源电流1mAMAX3485E RS485收发器±15KV ESD保护,电源电压3.0V~3.6V,电源电流2.2mAMAX3488E RS485收发器±15KV ESD保护,电源电压3.0V~3.6V,电源电流2.2mAMAX485E RS485收发器±15KV ESD保护,电源电压4.75V~5.25VMAX488E RS485收发器±15KV ESD保护,电源电压4.75V~5.25VMAX1480B 全隔离半双工RS485收发器隔离电压1500V,波特率0.25Mbps,静态电流10μA ,电源电压5VMAX1490B 全隔离全双工RS422收发器隔离电压1500V,波特率0.25Mbps,静态电流10μA ,电源电压5V73M2901/5V 单片MODEM电源电压5V±10%MAX3001E 逻辑电平转换器8通道,双向,±15KV ESD保护,保证数据速率4Mbps,VL电源电压+1.2V~+5.5V,VCC电源电压+1.65V~+5.5V,电源电流10μA------------------留言:主动是人生进位的关键!山不过来我过去! Page 15 of 26MAX3372E 逻辑电平转换器2通道,双向,±15KV ESD保护,保证数据速率230Kbps,VL电源电压+1.2V~+5.5V,VCC电源电压+1.65V~+5.5V,电源电流130μA---------------------------------------------------------------------------------------------------------------------------------11, 转换器件---------------------------------------------------------------------------------------------------------------------------------11.1 V-F转换器13AD7740 精密频率/电压转换器输入频率范围32KHz~1000KHz,输出电压范围0~4V(Vcc=5V),精度0.012%,电源电压+3V~+5.25V,最大电源电流1.5mAAD652 精密频率/电压转换器最大输入频率2MHz,精度0.012%,电源电压±6V~±18V或+12V~+36V,最大电源电流±15mALM331 精密电压/频率转换器输出频率1Hz~100KHz,非线性0.01%,电源电压+4V~+40V,最大电源电流8mA11.2 V-I转换器RCV420 精密电流/电压转换器4~20mA转成0~5V,±40V共模输入范围,误差0.1%,带宽150KHz,压摆率1.5V /μS,电源电压±12V~±18V,最大电源电流4mAXTR105 精密电压/电流转换器输出4~20mA,误差0.4%,电源电压+7.5V~+36VXTR106 精密电压/电流转换器输出4~20mA,误差0.4%,电源电压+7.5V~+36VXTR110 精密电压/电流转换器0~5V转成 4~20mA,误差0.005%,电源电压+13.5V~+40V,最大电源------------------留言:主动是人生进位的关键!山不过来我过去! Page 16 of 26电流4.5mAAM442 通用电压/电流转换器11.3 D/A转换器AD558 电压输出D/A转换器8位并行输入,电压输出范围0V~10V,相对精度±(1/2)LSB,输出建立时间1μS,电源电压+5V~+15VMAX503 电压输出D/A转换器10位并行输入,电压输出范围0V~4.096V,相对精度±(1/2)LSB,内置2.048V基准,电源电压±5V或+5V,电源电流250μAMAX530 电压输出D/A转换器12位并行输入,电压输出范围0V~4.096V,相对精度±(1/2)LSB,内置2.048V基准,电源电压±5V或+5V,电源电流250μA14TLC5620 电压输出D/A转换器8位,串行输入,4通道输出,建立时间10μS,线性度±1.0LSB,转换速率100KHz,外部基准,电源电压5VTLC5628 电压输出D/A转换器8位,串行输入,8通道输出,建立时间10μS,线性度±1.0LSB,转换速率100KHz,外部基准,电源电压5VTLC5615 电压输出D/A转换器10位,串行输入,单通道输出,建立时间12.5μS,线性度±1.0LSB,转换速率80KHz,外部基准,电源电压5VDAC0832 电流输出D/A转换器8位并行输入,相对精度0.05%,输出建立时间1μS,基准输入-10V~+10V,电源电压+5V~+15VAD7520 电流输出D/A转换器10位并行输入,相对精度0.05%,输出建立时间0.5μS,基准输入-10V~+10V,电源电压+5V~+15VAD7542 电流输出D/A转换器------------------留言:主动是人生进位的关键!山不过来我过去! Page 17 of 2612位并行输入,相对精度±(1/2)LSB,输出建立时间2μS,电源电压+4.75V~+5.25VMAX517 电压输出D/A转换器8位I2C串行输入,电压输出范围0V~5V,电源电压+5VMAX550 电压输出D/A转换器8位,串行输入,电源电压2.5V~5.5VMAX515 电压输出D/A转换器10位串行输入,电压输出范围0V~5V,电源电压+5VMAX539 电压输出D/A转换器12位串行输入,电压输出范围0V~5V,电源电压+5VAD7943 电流输出D/A转换器12位串行输入,电流输出,电源电压3.3V~5.5VMAX5354 电压输出D/A转换器10位串行输入,电源电压4.5V~5.5V,电源电流400μAMAX5355 电压输出D/A转换器10位串行输入,电源电压3.15V~3.6V,电源电流400μA15AD5300 电压输出D/A转换器8位单通道,3线串行数据接口,输出电压范围0~VDD,外部基准,电源电压2.7V~5.5V,电源电流140μAAD5301 电压输出D/A转换器8位单通道,2线串行数据接口,输出电压范围0~VDD,外部基准,电源电压2.5V~5.5V,电源电流120μAAD5330 电压输出D/A转换器8位单通道,8位并行数据接口,输出电压范围0~VREF或0~2VREF,外部基 准,电源电压2.5V~5.5V,电源电流115μAAD5302 电压输出D/A转换器8位2通道,3线串行数据接口,输出电压范围0~VREF,2个独立外部基准, 电源电压2.5V~5.5V,电源电流230μA------------------留言:主动是人生进位的关键!山不过来我过去! Page 18 of 268位2通道,2线串行数据接口,输出电压范围0~VREF,外部基准,电源电压2.5V~5.5V,电源电流250μAAD7391 电压输出D/A转换器10位单通道,3线串行数据接口,输出电压范围0~VREF,外部基准,电源电压2.7V~5.5V,电源电流100μAAD5312 电压输出D/A转换器10位2通道,3线串行数据接口,输出电压范围0~VREF,2个独立外部基准, 电源电压2.5V~5.5V,电源电流230μAAD5338 电压输出D/A转换器10位2通道,2线串行数据接口,输出电压范围0~VREF,外部基准,电源电压2.5V~5.5V,电源电流250μAAD7390 电压输出D/A转换器12位单通道,3线串行数据接口,输出电压范围0~VREF,外部基准,电源电压2.7V~5.5V,电源电流100μAAD5322 电压输出D/A转换器12位2通道,3线串行数据接口,输出电压范围0~VREF,2个独立外部基准, 电源电压2.5V~5.5V,电源电流230μAAD5339 电压输出D/A转换器12位2通道,2线串行数据接口,输出电压范围0~VREF,外部基准,电源电压2.5V~5.5V,电源电流250μA16AD5551 电压输出D/A转换器14位单通道,3线串行数据接口,输出电压范围0~VREF-1LSB,外部基准,电源电压4.5V~5.5V,电源电流1100μAAD5541 电压输出D/A转换器16位单通道,3线串行数据接口,输出电压范围0~VREF-1LSB,外部基准,电源电压4.5V~5.5V,电源电流1100μA11.4 A/D转换器------------------留言:主动是人生进位的关键!山不过来我过去! Page 19 of 26。
常用电子元器件参考资料第一节局部电气图形符号图形符号一.电阻器、电容器、电感器和变压器名称与说明图形符号名称与说明电感器、线圈、绕组或扼电阻器一般符号流图。
注:符号中半圆数不得少于3 个可变电阻器或可调电阻器滑动触点电位器带磁芯、铁芯的电感器带磁芯连续可调的电感器极性电容双绕组变压器注:可增加绕组数目可变电容器或可调电容器绕组间有屏蔽的双绕组变压器注:可增加绕组数目双联同调可变电容器。
注:可增加同调联数在一个绕组上有抽头的变压器微调电容器二.半导体管三.其它电气图形符号图形符号名称与说明具有两个电极的 压 电 晶 体注:电极数目可增加 图形符号 名称与说明或 接机壳或底板熔断器导线的连接指示灯及信号 灯 导线的不连接扬声器动合(常开)触点开 关蜂鸣器动断(常闭)触点开 关 接大地手动开关图形符号名称与说明 图形符号(1)二极管的符号(2)发光二极管名称与说明 JFET 结型场效应管 (1) N 沟道 (2) P 沟道PNP 型晶体三极管光电二极管稳压二极管NPN 型晶体三极 管全波桥式整流器变容二极管第一局部:主称 其次局部:材料符符第三局部:特征分类意义第四局部:序号符 对主称、材料一样,仅性能指标、尺寸大小有差异,但根本不影响互换使用的产品,赐予同一序号;假设性能指标、尺寸大小明 显影 响互 换时,则在序号后面用大写字母作其次节 常用电子元器件型号命名法及主要技术参数一.电阻器和电位器1. 电阻器和电位器的型号命名方法表 1 电阻器型号命名方法号 意义 号 意义 号 电阻器 电位器 R 电阻器 T 碳膜 1 一般 一般 W 电位器 H 合成膜 2 一般 一般 S 有机实芯 3 超高频 ―― N 无机实芯 4 高阻 ―― J 金属膜 5 高温 ―― Y 氧化膜 6 ―― ―― C 沉积膜 7 周密 周密 I 玻璃釉膜 8 高压 特别函数 P 硼碳膜 9 特别 特别 U 硅碳膜 G 高功率 ―― X 线绕 T 可调 ―― M 压敏 W ―― 微调 G 光敏 D ―― 多圈 R 热敏 B 温度补偿用 ―― C 温度测量用 ―― P 旁热式 ―― W 稳压式 ―― Z正温度系数 ――例如:(1) 周密金属膜电阻器 R J 7 3(2) 多圈线绕电位器 W X D 3第四局部:序号第三局部:类别〔周密〕 其次局部:材料〔金属膜〕 第一局部:主称〔电阻器〕第四局部:序号 第三局部:类别〔多圈〕 其次局部:材料〔线绕〕 第一局部:主称〔电位器〕名称 额定功率〔W 〕标称值系列精度 电阻器〔 〕、电位器〔 〕、电容器标称值〔PF 〕 2. 电阻器的主要技术指标(1) 额定功率电阻器在电路中长时间连续工作不损坏,或不显著转变其性能所允许消耗的最大功率称 为电阻器的额定功率。
常用电子元器件手册[精华]常用电子元器件手册f95常用电子元器件手册一、电容1、电容在电路中一般用“C”加数字表示(如C13表示编号为13的电容)。
电容是由两片金属膜紧靠,中间用绝缘材料隔开组成的元件。
电容的特性主要是隔直流通交流。
电容容量的大小就是表示能贮存电能的大小,电容对交流信号的阻碍作用称为容抗,它与交流信号的频率和电容量有关。
容抗XC=1/2πf c (f表示交流信号的频率,C表示电容容量)。
电话机中常用电容的种类有电解电容、瓷片电容、贴片电容、独石电容、钽电容和涤纶电容等。
2、识别方法:电容的识别方法与电阻的识别方法基本相同,分直标法、色标法和数标法3种。
电容的基本单位用法拉(F)表示,其它单位还有:毫法(mF)、微法(uF)、纳法(nF)、皮法(pF)。
其中:1法拉=103毫法=106微法=109纳法=1012皮法容量大的电容其容量值在电容上直接标明,如10 uF/16V容量小的电容其容量值在电容上用字母表示或数字表示字母表示法:1m=1000 uF 1P2=1.2PF 1n=1000PF数字表示法:一般用三位数字表示容量大小,前两位表示有效数字,第三位数字是倍率。
如:102表示10×102PF=1000PF 224表示22×104PF=0.22 uF3、电容容量误差表符号 F G J K L M允许误差 ?1% ?2% ?5% ?10% ?15% ?20%如:一瓷片电容为104J表示容量为0. 1 uF、误差为?5%。
二、电阻电阻在电路中用“R”加数字表示,如:R1表示编号为1的电阻。
电阻在电路中的主要作用为分流、限流、分压、偏置等。
1、参数识别:电阻的单位为欧姆(Ω),倍率单位有:千欧(KΩ),兆欧(MΩ)等。
换算方法是: 1兆欧=1000千欧=1000000欧电阻的参数标注方法有3种,即直标法、色标法和数标法。
a、数标法主要用于贴片等小体积的电路,如:472 表示47×100Ω(即4.7K); 104则表示100Kb、色环标注法使用最多,现举例如下:四色环电阻五色环电阻(精密电阻)2、电阻的色标位置和倍率关系如下表所示:颜色有效数字倍率允许偏差(%)银色 / x0.01 ?10金色 / x0.1 ?5黑色 0 +0 /棕色 1 x10 ?1红色 2 x100 ?2橙色 3 x1000 /黄色 4 x10000 /绿色 5 x100000 ?0.5蓝色 6 x1000000 ?0.2紫色 7 x10000000 ?0.1灰色 8 x100000000 /白色 9 x1000000000 /三、晶体二极管晶体二极管在电路中常用“D”加数字表示,如: D5表示编号为5的二极管。
电子电气元器件说明大全二.半导体管三.其它电气图形符号一.电阻器和电位器1.电阻器和电位器的型号命名方法表1 电阻器型号命名方法例如:(1)周密金属膜电阻器R J 7 3第四部分:序号第三部分:类别〔周密〕第二部分:材料〔金属膜〕第一部分:主称〔电阻器〕(2) 多圈线绕电位器W X D 3第四部分:序号第三部分:类别〔多圈〕第二部分:材料〔线绕〕第一部分:主称〔电位器〕2.电阻器的要紧技术指标(1) 额定功率电阻器在电路中长时刻连续工作不损坏,或不显著改变其性能所承诺消耗的最大功率称为电阻器的额定功率。
电阻器的额定功率并不是电阻器在电路中工作时一定要消耗的功率,而是电阻器在电路工作中所承诺消耗的最大功率。
不同类型的电阻具有不同系列的额定功率,如表2所示。
表2 电阻器的功率等级(2) 标称阻值阻值是电阻的要紧参数之一,不同类型的电阻,阻值范畴不同,不同精度的电阻其阻值系列亦不同。
依照国家标准,常用的标称电阻值系列如表3所示。
E24、E12和E6系列也适用于电位器和电容器。
表3 标称值系列表中数值再乘以10n,其中n为正整数或负整数。
(3) 承诺误差等级表4 电阻的精度等级3.电阻器的标志内容及方法(1)文字符号直标法:用阿拉伯数字和文字符号两者有规律的组合来表示标称阻值,额定功率、承诺误差等级等。
符号前面的数字表示整数阻值,后面的数字依次表示第一位小数阻值和第二位小数阻值,其文字符号所表示的单位如表5所示。
如1R5表示1.5Ω,2K7表示2.7kΩ,表5例如:RJ71-0.125-5k1-II承诺误差±10%标称阻值(5.1kΩ)额定功率1/8W型号由标号可知,它是周密金属膜电阻器,额定功率为1/8W,标称阻值为5.1kΩ,承诺误差为±10%。
(2)色标法:色标法是将电阻器的类别及要紧技术参数的数值用颜色〔色环或色点〕标注在它的外表面上。
色标电阻〔色环电阻〕器可分为三环、四环、五环三种标法。