某机械公司质量手册(doc 63页)
- 格式:doc
- 大小:426.50 KB
- 文档页数:69
XXXX 有限公司质量管理手册批 准:发 布 实 施发布令“安全、舒适、质量、健康、环保”是企业生存之本,发展之道,是公司的永恒主题为提高公司的整体质量水平,加强产品实现过程中人、机、料、法、环等要素的有效控制, 确保产品在XXXX 有限公司二零零八年四月一日设计开发、采购、生产、销售和服务的全过程有效受控,规范企业经营运作行为, 实现各项工作的标准化,增强顾客满意度,制定本《质量管理手册》本手册根据IS09001: 2000要求,结合青岛xx的实际,描述了公司的质量管理体系,阐述了公司的质量方针和质量目标,经总经理批准即成为青岛xx公司质量管理体系的最低限度要求。
本手册自发布之日起生效,其有效性的审核、复审和评价由管理者代表组织进行。
本《质量管理手册》是xxxx有限公司质量管理体系运行的准则,本手册所规定的质量管理体系要求靠一系列质量管理体系文件的实施和活动来保证,各有关体系文件与本手册要求一致,全体员工均应严格遵照执行。
为保证IS09001标准和本《质量管理手册》的贯彻实施及质量管理体系的有效运行,特授权李XX为管理者代表,其主要职责是:(1)确保按IS09001:2000标准建立、实施和保持质量管理体系;(2)向总经理报告质量管理体系的运行情况和改进的需求;(3)在全体员工中提高满足顾客要求的意识。
(4)就质量管理体系的有关事宜与外部进行信息交流。
总经理:XX2008年4月1日实现各项工作的标准化,增强顾客满意度, 制定本《质量管理手册》。
本手册根据IS09001: 2000要求,结合青岛xx的实际,描述了公司的质量管理体系,阐述了公司的质量方针和质量目标,经总经理批准即成为青岛xx公司质量管理体系的最低限度要求。
本手册自发布之日起生效,其有效性的审核、复审和评价由管理者代表组织进行。
本《质量管理手册》是xxxx 有限公司质量管理体系运行的准则,本手册所规定的质量管理体系要求靠一系列质量管理体系文件的实施和活动来保证,各有关体系文件与本手册要求一致,全体员工均应严格遵照执行。
*****机械有限公司文件编号:质量手册编制:审核/日期:批准/日期:发放编号: 控制状态:0.1 目录及职能分配表0.2 批准发布令各部门及全体员工:为保证本公司产品质量持续地满足客户要求,赢得公司信誉,依据GB/T 19001—2008《质量管理体系要求》标准及本公司实际,编制本《质量手册》.本手册阐述了公司的质量管理体系的结构,描述了质量管理体系的过程顺序和相互作用,是本公司质量管理体系运行的基本准则,也是本公司对所有顾客的承诺。
现将手册予以发布,全公司各部门和全体员工须严格按照《质量手册》的规定贯彻实施.为确保质量管理体系和质量保证体系得到有效建立、实施、保持和改进,任命****先生兼任管理者代表。
本手册2012年5月7日发布,2012年5月7日起实施。
此令总经理:2012年5月7日0。
3质量方针和质量目标0.3.1 质量方针*****************************质量方针内涵:a)质量方针表明公司对质量的追求、目标和对顾客的承诺,体现了顾客的期望与要求以及公司遵纪守法,做强做大的愿望.b)健全和完善公司质量管理体系并持续改进,提高技术和管理水平及产品和服务质量,为客户提供优质挖掘机配件和服务.0。
3。
2 质量目标本公司中长期质量目标为:***************************************0。
4 质量手册说明质量手册是公司质量管理体系的纲领性文件,它描述了一组相互关联、相互作用的过程,旨在实现公司的质量方针、质量目标。
0.4。
1 总则本手册系根据GB/T19001—2008 / ISO9001:2008 《质量管理体系要求》和本公司的实际相结合编制而成。
0。
4。
2 编制和修订管理者代表负责组织编制和修订质量手册.手册管理的所有相关事宜均由品保课负责。
未经管理者代表批准,任何人不得将手册提供给公司以外人员。
手册持有者调离工作岗位时,应将手册交还品保课,办理核收登记.0.4.3 发放a)品保课负责手册的发放,并分别按“受控”和“非受控"两类进行发放和标识。
×××机械有限公司《质量管理手册》------------------------------------------作者------------------------------------------日期浙江瑞邦机械有限公司质量管理手册质量管理方针质量方针发现 创新 精细 规范 发扬精益求精的精神,采用过程打持续改进的方法,全员参与,实行技术创新、规范运作、善于总结,为顾客提供优质的产品和高效的服务。
在市场激烈的竞争中,要脚踏实地,严格进行质量管理,不断提高产品的质量水平。
在此基础上才能求得生存、得以发展和建立抗风险机制。
采用过程方法即 ✌循环模式,建立、实施全面质量管理体系,并通过纠正预防措施,使其得到持续改进。
顾客满意是我们一切工作的最终目的,将通过不断满足其他同行不能满足顾客的需求,来提高顾客满意度和品牌含金量。
质量目标 全员质量意识测试良好率 %; 全年制程不良率低于 ; 全年安装调试一次成功率 %; 全年整机(线)报废事故 起;安装调试时重大改造事故全年不超过 起; 全年客户抱怨次数不超过 次,无客户投诉或质量索赔事件; 客户满意度大于 。
颁 发 令产品质量和工作质量是企业的生命,是企业管理的核心。
为不断提高公司的质量管理水平和提升质量保证能力,最大限度的满足客户和法律法规的要求,推进持续改进和发展,依据✋: 《质量管理体系——要求》,现编制完成了质量管理体系文件《质量手册( 版)》,现予以批准颁布实施。
同时原质量手册及相关的程序文件作废。
《质量管理手册( 版)》是公司质量管理体系的纲领性文件,是公司各项质量工作的基本准则和指南,希望公司全体员工在推动各项质量管理工作中,严格遵照质量手册所描述的质量管理体系的要求和内容执行,不断满足顾客需求和法律法规要求。
机械厂质量手册发布令本公司根据GB/T 19001-2008《质量管理体系要求》建立质量管理体系,编制了质量手册QM/DXC-B-2013。
本质量手册阐明了我公司以“质量第一顾客至上持续改进力创一流”为质量方针,并描述了我公司的质量管理体系。
本质量手册经过审核,证实该质量管理体系符合GB/T 19001-2008标准,符合国家有关质量政策、法规,适合本公司实际,现在我正式批准本质量手册于2013年3月15日起实施。
本质量手册是我公司质量管理体系运行的依据,质量管理体系法规性文件,是指导我公司建立并实施质量管理体系的纲领和行动准则。
全体员工必须严格遵守执行。
为了贯彻执行GB/T 19001-2008《质量管理体系要求》,加强对质量管理体系运作的领导,特任命同志为我公司的管理者代表。
管理者代表的职责是:1 确保质量管理体系所需的过程得到建立、实施和保持;2 向总经理报告质量管理体系的业绩和任何改进的需求;3 确保在整个本公司内提高满足顾客要求的意识;4 与质量管理体系有关事宜的外部联络;总经理:年月日1.0组织机构图质量手册的管理1 质量手册的内容本质量手册依据GB/T 19001-2008《质量管理体系要求》,结合本公司的实际编制而成的,包括: a)质量管理体系的范围,包括任何删减的细节与合理性;b)为质量管理体系编制的形成文件的程序的引用;c)质量管理体系过程之间相互作用的表述。
2 术语和定义本质量手册采用GB/T19000-2008《质量管理体系基础和术语》的术语和定义。
3 质量手册的编制和审批本质量手册由办公室组织编制,管理者代表审核,总经理批准,发布后实施。
4 质量手册的发放a)本质量手册的发放范围为总经理、管理者代表、各部门负责人和经总经理批准的相应人员,如需要可提供给认证机构和顾客,手册的发放需经管理者代表批准;b)本质量手册分“受控”版本和“非受控”版本,本公司内发放的属“受控”版本,对“受控”版本的有效性作跟踪,并在质量手册封面上盖红色“受控”章作标记,一般对外发放的质量手册属“非受控”版本,当质量手册作修改或换版本时对其不作通知,发放时在其封面上盖上红色“非受控”章作标记。
xx公司WT/QM-A-2001质量手册(第A版)[依据GB/T19001-2000 idt ISO9001:2000标准]受控状态:持有人:分发号:2001年7月25日发布2001年8月1日实施xx公司发布0.1 质量手册颁布令 (2)0.2 管理者代表任命书 (3)0.3 企业简介 (4)0.4 质量方针与质量目标 (5)0.5组织机构图与质量管理体系网络图.......................................6~7 0.6质量管理职责分配表 (8)0.7质量手册版序控制 (9)0.8质量手册管理规定 (10)1 范围 (11)2 引用标准 (12)3 术语和定义 (13)4 质量管理体系..................................................................14~17 4.1 总要求 (14)4.2 文件的总要求 (15)5 管理职责........................................................................18~27 5.1 管理承诺 (18)5.2 以顾客为关注焦点 (18)5.3 质量方针 (19)5.4 策划 (19)5.5 职责、权限、沟通 (20)5.6 管理评审 (26)6 资源管理........................................................................28~29 6.1 资源的提供 (28)6.2 人力资源 (28)6.3 基础设施 (28)6.4 工作环境 (29)7 产品实现........................................................................30~48 7.1 产品实现的策划 (30)7.2 与顾客有关的过程 (31)7.3 设计和开发 (33)7.4 采购 (38)7.5 生产和服务提供 (41)7.6 测量和监控装置的控制 (46)8 测量、分析和改进……………………………………………………49~588.1 总则 (49)8.2 监视和测量 (49)8.3 不合格品控制 (53)8.4 数据分析 (54)8.5 改进 (56)附:A、质量手册更改记录 (59)0.1质量手册颁布令为建立健全质量管理体系,提高公司质量管理水平和产品实物质量,增强参与市场竞争的能力,加快与国际质量管理接轨。
机械业质量手册目录1.引言2.质量管理系统3.质量政策– 3.1 客户满意度– 3.2 不断改进4.组织结构5.质量目标– 5.1 产品质量目标– 5.2 过程质量目标6.质量管理流程– 6.1 设计控制– 6.2 采购控制– 6.3 生产控制– 6.4 检验控制7.不合格品管理8.内部审核9.过程改进10.培训与意识提升11.产品追溯12.参考文献1. 引言本手册旨在介绍机械业质量管理体系,并提供实施和维护质量管理系统所需的指导和要求。
它为公司内部所有员工提供了一个明确的框架,以确保我们的产品和服务符合客户的要求,并不断改进我们的工作流程和质量水平。
2. 质量管理系统公司的质量管理系统是基于国际标准ISO 9001:2015的要求建立的。
我们承诺遵守这些标准,并不断提升我们的质量管理体系,以满足客户的需求和法律法规的要求。
我们的质量管理系统包括质量政策、组织结构、质量目标、质量管理流程、不合格品管理、内部审核、过程改进、培训与意识提升、产品追溯等内容,以确保我们能够提供符合客户期望的高质量产品和优质服务。
3. 质量政策我们的质量政策包括以下两个关键方面:3.1 客户满意度客户满意度是我们工作的核心目标。
我们将始终关注客户需求,并及时解决客户的问题和意见。
我们采用客户满意度调查和反馈机制,不断改进我们的产品和服务,以提高客户满意度。
3.2 不断改进持续改进是我们质量管理系统的核心原则。
我们致力于不断提升我们的工作流程和质量水平,通过定期评审、内部审核、过程改进等手段,实现持续改进,以满足客户和市场的需求。
4. 组织结构公司的组织结构是为了实现高效的质量管理而设计的。
我们设立了质量部门,负责制定和监督质量管理系统的实施。
所有员工都有责任参与质量管理活动,并按照公司的质量政策和要求开展工作。
5. 质量目标为了实现质量管理的目标,我们设定了以下两类质量目标:5.1 产品质量目标我们的产品质量目标包括以下方面: - 提供符合客户要求的产品; - 减少产品缺陷率; - 提高产品交付准时率。
【企业管理手册】某机械制造有限责任公司质量手册xxxx年xx月xx日xxxxxxxx集团企业有限公司Please enter your co mpany's name and contentv河南鑫磊集团恒晟机械制造有限责任公司企业标准Q/HS9001-2008质量手册(A/0)2008-01-01发布 2008-01-01实施河南鑫磊集团恒晟机械制造有限责任公司发布编制:文件编写组日期:2007/12/28审核:管卫斌日期:2008/01/01批准:李成杰日期:2008/01/01目录章节号标题页数0.1 发布令 40.2 任命书 50.3 手册说明 6 0.4 组织简介70.5 质量方针和质量目标 8 0.6 组织机构90.7 职能分配101.0 范围112.0 引用标准113.0 术语和定义114.0 质量管理体系125.0 管理职责156.0 资源管理197.0 产品实现218.0 测量、分析和改进27附录1 程序文件清单附录2 程序文件0.1 发布令本手册按照GB/T19001:2000-idtISO9001:2000标准的原则,遵循公司的质量方针并结合公司质量管理的实践经验编写而成。
它是公司质量管理的法规性文件,也是指导公司建立并实施质量管理体系的纲领和行动准则。
公司全体员工必须遵照执行。
本手册自2008年01月01日起执行总经理:李成杰2008/01/010.2管理者代表任命书为了贯彻执行GB/T19001-2000 《质量管理体系要求》,加强对质量管理体系运作的领导,特任命管卫斌为我公司的管理者代表。
管理者代表的职责是:1、确保公司质量管理体系所需过程得到建立,实施和保持。
2、向最高管理者报告质量管理体系的业绩和任何改进需求。
3、确保在整个组织内提高对顾客要求的意识;4、就质量管理体系有关事宜的对外联络。
总经理:李成杰2005年 12月18日0.3手册说明《质量手册》适用于公司产品的质量管理,也适用于公司顾客(第一方)、供方(第二方)、认证机构(第三方)对公司制造和服务满足顾客和适用法律、法规要求的能力的评价。
质量管理手册目录第一章一般规定第一节施工人员第二节施工现场第三节机电设备第四节沟、坑开挖第五节季节施工第二章管工第三章铆工第四章焊工第一节一般安全要求第二节电焊第三节气焊与气割一、自动焊、氩弧焊、等离子切割气体保护焊二、CO2第五章起重工第一节一般安全要求第二节常用施工机具安全操作要求卷扬机、桅杆、滑轮第六章起重机司机第一节一般安全要求第二节履带式起重机第三节轮胎式、汽车式起重机第四节门式、桥式起重机第七章机械操作工第一节发电机第二节空气压缩机第八章电工第一节一般要求第二节设备及内线安装第三节架空线路及电缆敷设第四节施工现场变配电及维修`第九章探伤工第十章油漆工第十一章防腐工第十二章泡沫、黄夹克作业第十三章内防腐作业第十四章打桩作业第十五章钳工第十六章锻工第十七章修理工第十八章锅炉工第十九章机床工通用规定第二十章车工第二十一章铣工第二十二章钻工第二十三章磨工第一节砂轮安装及使用第二节平面磨床第三节内圆磨床第四节外圆磨床第五节曲轴磨床第二十四章刨工第二十五章插床工第二十六章装卸、搬运工第二十七章土石方机械司机第一节挖掘机司机第二节推土机司机第三节铲运机司机第四节叉车司机第一章一般规定第一节施工人员一、特种作业人员必须经过专门的培训,持证上岗。
出海作业人员必须经过“四小证”培训,持证上岗。
二、掌握劳动防护用品、消防器材等的正确使用和维护方法。
掌握应急处理和紧急救护方法。
三、所有人员开赴现场前,都应进行一次自我检查,确保自己适合开赴现场条件,并准备好所需要的物品。
a) 安全培训合格证。
b) 适合自己的劳保用品。
c) 不准携带禁止物品。
进入施工现场,所有人员都应放弃个人的一切自由,必须严格遵守劳动纪律和安全纪律。
牢记下列入场须知事项:1、自觉接受现场安全教育,遵守各项安全管理制度,服从HSE管理人员的管理。
2. 进入施工作业区,必须穿戴劳保服、保护脚趾劳保鞋、安全帽、防护手套、眼镜等防护用品;出海作业人员必须穿防鲨服、救生衣;高处作业必须系安全带。
目录0.1 发布令 (4)0.2 授权书 (4)0.3 企业概况 (4)0.4质量方针、质量目标 (5)1 范围 (6)2 规范性引用标准 (6)3 术语、定义和缩写 (6)4 公司经营环境 (7)4.1 公司的经营环境 (7)4.2相关方的需求和期望 (7)4.3确定质量体系的范围 (7)4.4质量管理体系及其过程 (8)5 领导作用 (8)5.1 领导作用和承诺 (8)5.2 方针 (9)5.2.1 制定质量方针 (9)5.2.2沟通质量方针 (9)5.3组织的角色、职责和权限 (9)6 策划 (12)6.1应对风险和机遇的措施 (12)6.2质量目标及其实现的策划 (13)6.3变更的策划 (13)7.支持 (14)7.1 资源 (14)7.1.1总则 (14)7.1.2 人员 (14)7.1.3基础设施 (14)7.1.4过程运行环境 (14)7.1.5监视和测量资源 (14)7.1.6组织的知识 (15)7.2 能力 (15)7.3 意识 (16)7.4 沟通 (16)7.5形成文件的信息 (16)7.5.1总则 (16)7.5.2创建和更新 (16)7.5.3形成文件的信息的控制 (17)8.运行 (17)8.1运行策划和控制 (17)8.2产品和服务的要求 (18)8.2.1顾客沟通 (18)8.2.2与产品和服务有关的要求的确定 (18)8.2.3与产品和服务有关的要求的评审 (18)8.3产品和服务的设计开发 (19)8.3.1总则 (19)8.3.2设计开发策划 (19)8.3.3设计开发输入 (19)8.3.4设计开发控制 (20)8.3.5设计开发输出 (20)8.3.6设计开发更改 (20)8.4 外部提供过程、产品和服务的控制 (21)8.4.1总则 (21)8.4.2控制类型和程度 (21)8.4.3外部供方的信息 (21)8.5生产和服务提供 (22)8.5.1生产及服务提供的控制 (22)8.5.2标识和可追溯性 (23)8.5.3顾客或外部供方提供的财产 (24)8.5.4 产品的防护 (24)8.5.5 交付后的活动 (24)8.5.6 更改的控制 (24)8.6 产品和服务的放行 (25)8.7 不合格输出控制 (25)9监视、测量、分析和改进 (26)9.1监视、测量、分析和改进 (26)9.1.1总则 (26)9.1.2 顾客满意 (27)9.1.3 分析与评价 (27)9.2 内部审核 (28)9.3 管理评审 (28)9.3.1 总则 (28)9.3.2 输入要求 (28)9.3.3 输出要求 (29)10 改进 (29)10.1 总则 (29)10.2不合格和纠正措施 (29)10.3持续改进 (30)附录1 质量手册管理 (31)附录1 ISO9001:2015要素、程序文件清单和部门对照表 (34)附录2 质量体系组织结构图 (35)0.1 发布令本公司为不断满足顾客的要求和期望,以及适用的法律法规要求,强化内部管理,并实现质量管理体系的持续改进,依据ISO9001:2015《质量管理体系要求》标准对原质量手册(编号:QM-001)进行升级换版。
xx公司WT/QM-A-2001质量手册(第A版)[依据GB/T19001-2000 idtISO9001:2000标准]受控状态:持有人:分发号:2001年7月25日发布2001年8月1日实施xx公司发布0.1 质量手册颁布令 (2)0.2 管理者代表任命书 (3)0.3 企业简介 (4)0.4 质量方针与质量目标 (5)0.5组织机构图与质量管理体系网络图…………………………………6~7 0.6质量管理职责分配表…………………………………………………80.7质量手册版序控制 (9)0.8质量手册管理规定 (10)1 范围……………………………………………………………………112 引用标准 (12)3 术语和定义 (13)4质量管理体系..................................................................14~17 4.1 总要求 (14)4.2文件的总要求…………………………………………………………155 管理职责........................................................................18~275.1 管理承诺 (18)5.2 以顾客为关注焦点............................................................185.3质量方针 (19)5.4 策划 (19)5.5 职责、权限、沟通............................................................20 5.6 管理评审 (26)6资源管理........................................................................28~29 6.1 资源的提供 (28)6.2人力资源 (28)6.3基础设施………………………………………………………………286.4工作环境 (29)7 产品实现........................................................................30~48 7.1 产品实现的策划 (30)7.2 与顾客有关的过程............................................................31 7.3 设计和开发 (33)7.4 采购…………………………………………………………………387.5 生产和服务提供………………………………………………………417.6 测量和监控装置的控制 (46)8 测量、分析和改进............................................................49~588.1总则 (49)8.2 监视和测量……………………………………………………………498.3 不合格品控制…………………………………………………………538.4数据分析………………………………………………………………54 8.5 改进…………………………………………………………………56附:A、质量手册更改记录…………………………………………………590.1质量手册颁布令为建立健全质量管理体系,提高公司质量管理水平和产品实物质量,增强参与市场竞争的能力,加快与国际质量管理接轨。
机电设备有限公司质量手册一、引言机电设备有限公司作为一家专业研发、生产和销售机械设备的企业,始终将质量视为企业发展的核心竞争力。
为了确保产品质量达到国家标准和客户期望,本公司特编写本质量手册,以规范和管理质量控制流程。
二、质量方针本公司一贯秉持以下质量方针:1. 目标导向:以满足客户需求为导向,持续提升产品质量及满意度;2. 风险管理:建立健全的风险评估和控制机制,防范质量问题;3. 创新发展:持续改进产品设计、工艺和技术,保持技术领先;4. 人才培养:重视员工培训和发展,提高员工的专业素养和工作技能;5. 合规合法:严格遵守相关法律法规和行业标准,保证产品合格和安全;6. 环境保护:关注环境保护,减少对环境的影响。
三、质量管理体系本公司建立了完善的质量管理体系,以保证产品质量的稳定和可持续提升。
1. 质量目标设定:通过制定明确的质量目标,并进行定期评估和改进,确保目标的实现;2. 组织与职责:明确各部门在质量管理中的职责和权限,建立良好的沟通机制;3. 产品设计:依据市场需求和客户反馈,制定产品设计规范,确保产品的功能和性能符合要求;4. 采购管理:建立供应商评估和选择制度,确保材料和零部件的质量符合标准;5. 生产过程控制:制定标准化的生产工艺,严格执行操作规程,控制产品加工过程中的质量变异;6. 检测与测试:建立全面的质量检测体系,从原材料到成品的全程监控,确保产品符合标准;7. 不良品管理:建立不良品管理制度,对不合格产品进行分类、处理和追踪,提高产品质量;8. 售后服务:建立健全的客户服务体系,对客户的问题进行及时响应和解决,提高客户满意度;9. 内部审核:定期组织内部审核,评估质量管理体系的有效性,发现问题并制定改进措施;10. 持续改进:通过不断的数据分析和改进措施的制定,促进质量管理体系的持续改进。
四、质量培训与教育本公司重视员工的培训和发展,提高员工的质量意识和工作能力。
1. 入职培训:对新员工进行必要的入职培训,让其了解质量方针、质量目标和相关工作流程;2. 岗位培训:根据员工的工作岗位和能力需求,进行相应的技术和质量培训;3. 内部培训:定期组织内部培训,包括质量管理知识、操作规程和技术要求等;4. 外部培训:鼓励员工参加相关行业协会、展会和培训课程,拓宽专业视野和知识面。
1.目录质量手册颁布令 管理者代表任命书 质量手册的管理 公司简介 质量方针颁发令 公司质量方针 质量目标发布令 组织架构 质量管理体系要素及要求 总要求 文件和资料控制 管理职责 管理承诺 以顾客为中心 质量方针 策划 职责、权限和沟通 管理评审 资源提供 资源的提供 人力资源 基础设施 工作环境 产品实现 产品实现的策划 与顾客有关的过程 新产品的设计和开发 采购管理 生产和服务提供生产和服务提供过程的控制 生产和服务提供过程的确认1.1 1.21.31.42.2.12.23.4. 4.1 4.25. 5.1 5.2 5.3 5.4 5.5 5.66. 6.1 6.2 6.3 6.47. 7.1 7.2 7.3 7.4 7.5 7.5.1 7.5.27.5.3 标识和可追溯性顾客财产 产品防护检验、测量和试验设备控制 测量、分析和改进 总则 监视和测量 顾客满意 部审核过程的监视和测量 产品的监视和测量 不合格品的控制 数据分析 改进 持续改进 纠正措施 预防措施质量管理体系职能分配表/程序文件清单 工作目标及考核方法 组织架构图质量手册颁布令本质量手册规定了 XXXXXXXXXXXX 质量方针、质量目标;依据IS09001:司的质量体系;对顾客作出了提供合格产品及质量的承诺。
是全公司上下进行质量管理的纲领性 文件;也是全公司各阶层、各级别在管理活动中必须遵守的准则。
必须说明:a ) 任何与质量管理体系要素有关的管理规定应按照有关程序,通过质量管理体系文件来传达。
b ) 任何有关质量管理体系的职能部门设置、重要管理岗位及关键管理人员的调整,应经公司管理者 代表审核,呈报总经理批准,通过质量手册的修改来实现。
7.5.4 7.5.5 7.6 8. 8.1 8.2 8.2.1 8.2.2 8.2.3 8.2.4 8.3 8.4 8.5 8.5.1 8.5.2 8.5.3附录: 附录一: 附录二:2008版描述了公c)本《质量手册》自发布之日起实施。
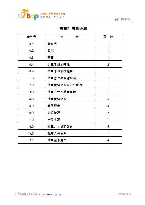
某机械公司质量手册(doc 63页)xx公司WT/QM-A-2001质量手册(第A版)[依据GB/T19001-2000 idt ISO9001:2000标准]受控状态:持有人:分发号:2001年7月25日发布2001年8月1日实施xx公司发布0.1 质量手册颁布令 (2)0.2 管理者代表任命书 (3)0.3 企业简介 (4)0.4 质量方针与质量目标 (5)0.5组织机构图与质量管理体系网络图.......................................6~7 0.6质量管理职责分配表 (8)0.7质量手册版序控制 (9)0.8质量手册管理规定 (10)1 范围 (11)2 引用标准 (12)3 术语和定义 (13)4 质量管理体系..................................................................14~17 4.1 总要求 (14)4.2 文件的总要求 (15)5 管理职责........................................................................18~27 5.1 管理承诺 (18)5.2 以顾客为关注焦点 (18)5.3 质量方针 (19)5.4 策划 (19)5.5 职责、权限、沟通 (20)5.6 管理评审 (26)6 资源管理........................................................................28~29 6.1 资源的提供 (28)6.2 人力资源 (28)6.3 基础设施 (28)6.4 工作环境 (29)7 产品实现........................................................................30~48 7.1 产品实现的策划 (30)7.2 与顾客有关的过程 (31)7.3 设计和开发 (33)7.4 采购 (38)7.5 生产和服务提供 (41)7.6 测量和监控装置的控制 (46)8 测量、分析和改进............................................................49~58 8.1 总则 (49)8.2 监视和测量 (49)8.3 不合格品控制 (53)8.4 数据分析 (54)8.5 改进 (56)附:A、质量手册更改记录 (59)0.1质量手册颁布令为建立健全质量管理体系,提高公司质量管理水平和产品实物质量,增强参与市场竞争的能力,加快与国际质量管理接轨。
我公司依据GB/T 19001-2000 idt ISO9001:2000版标准并结合本公司的实际情况,编写了本质量手册,经管理者代表审核,符合国家、行业和地方有关法律法规的要求,现予以批准颁布实施。
本质量手册是我公司质量管理体系运行应遵循的纲领性和法规性文件。
对外作为本公司向顾客提供质量管理和第三方审核的依据,对内可用于规范本公司的质量管理活动。
本手册现予正式批准颁布,并于2001年8月1日起正式实施。
全公司员工必须严格按手册规定的内容贯彻执行,尽职尽责地履行质量职责和义务,不断追求产品的高科技和高质量以增强顾客满意。
并努力提高和持续改进质量管理体系的有效性。
本公司所编制的其他质量管理体系文件必须与本质量手册保持一致。
总经理:年月日0.2管理者代表任命书为了贯彻执行ISO9001:2000《质量管理体系要求》,加强对公司质量管理体系运作的领导,现任命xx先生为公司管理者代表,全权代表公司最高管理者主持和处理本公司质量管理体系的日常工作,并确保:1、本公司质量管理体系得到建立、实施并保持;2、向公司最高管理者汇报质量管理体系的运转情况和任何改进的需求;3、在公司范围内提高对顾客要求的意识;4、负责与质量管理体系有关事宜的对外联络。
特此任命总经理:年月日0.3公司简介0.4 公司质量方针与质量目标0.4.1 质量方针发布令“追求完美,满足顾客的期望;精益求精,争先创优树品牌。
”本公司的质量方针内容:为顾客提供优质的“威泰”产品和满意的服务,追求完美,满足顾不断发展的需要,是我们永恒的追求——体现了本公司对产品质量永无止境的追求,并坚持持续改进,实施名牌战略,从而增强顾客满意。
以生产高质量的产品,提供高水平的服务,来占领国内市场。
本公司质量方针体现了我们以顾客为中心的思想,要求我们每一个员工在工作中做到每件事情想到顾客、每个产品满足顾客,并以此项原则确定公司的质量目标,分解到每个员工的工作岗位,进行检查和考核,以促进每个员工在各自的工作中努力实施,并能持续改进不断追求。
质量方针由公司各级领导逐级宣贯,公司全体员工必须了解并贯彻执行。
树立良好的企业文化是企业经营管理的灵魂:团队精神、相互信任、认真负责、良好信誉,客户、供方之间的坦诚沟通是xx公司成功的保证。
在公司最高管理层领导下,极力推行全面质量管理,精益求精,使之成为公司长期的企业文化。
公司的各级人员必须认真理解质量方针的内涵,并以实际行动认真贯彻执行。
总经理:年月日0.4.2 本公司质量目标:0.5组织机构图与质量管理体系结构图A. 公司组织机构图B. 公司质量管理体系结构图0.6 高层领导与各部门职责分配表0.7 质量手册版序控制a.版号:Ab.修改号:0c.主编:d.编写:e.审核:f.批准:g.批准日期:2001年7月25日h.实施日期:2001年8月1日i.管理:综合部0.8 质量手册管理规定0.8.1 质量手册的编制、批准和发布A. 管理者代表依据GB/T19001-2000 idt ISO9001:2000标准要求,组织生产技术部等部门人员结合本公司的实际情况编写质量手册。
B.质量手册由管理者代表审核,总经理批准发布。
C.质量手册换版时,仍执行上述程序。
0.8.2 质量手册的发放A. 质量手册分“受控”和“非受控”版本,其发行、更改及控制按4.2.3(文件控制)条款之要求实施;受控文件未经授权不得复制。
B. 当手册持有人因工作变动或调离时,须将手册交回综合部。
C. 质量手册非受控版本用作投标或交流。
D. 质量手册受控版本分发对象为:公司管理层领导、各职能部门主管,以及合同要求的第二方和第三方认证机构。
0.8.3 质量手册的更改和换版A. 质量手册采用活页装订,质量手册由综合部负责分发和实施更改;当受控版本质量手册的内容更改时,可以采用划改或更改页替换作废页的形式更改,所有更改由综合部统一集中实施,并填写“质量手册更改记录”,更换版本标志。
B. 当质量手册经过重大或多次更改,或公司的质量管理体系发生重大调整时,由管理者代表提出“质量手册换版申请”,经总经理批准后实施。
C. 引起换版的原因有:a) 组织机构发生变化时;b) 管理评审结果要求对质量体系作重大改进;c) 产品结构或内外部环境和条件变化;d) 手册引用的标准或法规有变化;1.范围1.1 总则1.1.1 本质量手册规定了本公司质量管理体系要求,是本公司质量管理体系的纲领性文件。
其内容覆盖了本公司产品锻压机床形成全过程的质量管理活动1.1.2本质量手册是证实我公司有能力稳定地提供顾客满意和适用法律法规要求的产品的证据。
也是公司进行内部质量管理体系审核和第二方、第三方审核评价公司质量管理体系的依据。
1.1.3本质量手册的目的是通过质量管理体系的有效运行,使公司更好地实施质量管理,预防不合格的出现,实现持续改进,增强顾客满意。
1.1.4本质量手册适用于本公司所提供的产品的质量管理与控制。
1.2应用由于公司所提供产品的性质,其控制涉及GB/T19001-2000 idt ISO9001:2000标准的各条款要求,因此,未进行条款裁剪,只是结合中小型企业特点,对某些条款作了简略的描述。
2.引用标准2.1GB/T19000-2000 idt ISO9000: 2000《质量管理体系基础和术语》2.2 GB/T19001-2000 idt ISO9001: 2000《质量管理体系要求》3.术语和定义3.1本质量手册采用了GB/T19001-2000 idt ISO9001: 2000《质量管理体系基础和术语》给出的术语和定义。
3.2名词缩写A 公司— xx公司B 体系—质量管理体系C 标准— GB/T19001-2000 idt ISO9001:2000《质量管理体系要求》D 经营公司—代号为JYE 综合部—代号为ZHF 生产技术部—代号为SJG 质检部—代号为ZJ4.1 总要求4.1.1公司按照GB/T19001-2000 idt ISO9001:2000标准要求及本公司的设计、生产和服务的特点,建立质量管理体系,形成文件,加以实施和保持;并予以持续改进,做到:A.从识别过程、确定过程之间的接口和联系,确定过程控制方法及其在公司内的应用。
B.确定这些过程的顺序和相互作用,明确各类人员质量职责、工作程序、操作过程及相互关系。
C.按照国家的法律法规和标准要求,编制公司质量管理体系文件及技术要求、工艺规范,为过程有效运行和控制提供所需要的准则和方法。
D.通过对顾客要求的理解和企业的内部沟通,确保获取必要的资源和信息,以支持这些过程的运行和监视。
E.通过对顾客满意程序的调查、产品的监视和测量、不合格品的控制、纠正和预防措施的控制、管理评审、内审等活动的开展,对过程实施测量、监视和分析。
F.根据上述活动的结果,寻找可改进的机会,分析原因,采取必要的措施,以实现对这些过程所筹划的结果和对这些过程的持续改进。
4.1.2质量管理体系中的主要过程包括:管理活动、资源提供、产品实现和与测量有关的过程,公司按本质量手册的要求管理这些过程。
4.1.3公司的外包活动涉及有:A 零、部件的外委加工和制造;B毛坯件的外加工;C委托的型式试验D技术咨询等(不限于此)4.2 文件要求4.2.1 总则4.2.1.1 根据GB/T19001-2000 idt ISO9001:2000标准要求及公司的实际情况,编制了适宜的文件以使质量管理体系有效运行,公司质量管理体系文件结构图如下:质量手册程序文件作业指导性文件及质量记录等A.质量手册——是公司向内部和外部提供关于公司质量管理体系整体信息的文件。
B.程序文件——公司共编制了6个程序文件(见文件清单),为完成各项活动提供了一致的信息。
C.各类作业性指导文件和质量记录等描述了与质量管理体系相关的具体工作有效实施的程序和方法,为体系运行的有效性提供客观依据。
4.2.1.2公司质量管理体系文件编写的详略程序取决于各项活动的复杂程序,所用方法及开展这项活动涉及的人员所需的技能和培训。