热镀锌钢管技术标准
- 格式:pdf
- 大小:395.61 KB
- 文档页数:2
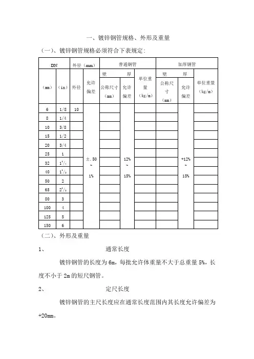
一、镀锌钢管规格、外形及重量(一)、镀锌钢管规格必须符合下表规定:(二)、外形及重量1、通常长度镀锌钢管的长度为6m,每批允许体重量不大于总重量5%,长度不小于2m的短尺钢管。
2、定尺长度镀锌钢管的主尺长度应在通常长度范围内其长度允许偏差为+20mm。
3、倍尺长度镀锌钢管的倍尺长度应在通常长度范围内其余长允许偏差为+20mm。
每个倍尺应留5mm-10mm的切口余量。
4、弯曲度镀锌钢管应具有使用性的直度。
5、端头形状镀锌钢管的两端应在镀锌前与钢管轴线切成直角,切口内外毛刺高度均不得大于。
6、交货重量镀锌钢管以实际重量交货。
7、标记镀锌钢管应注明国标标准编号和尺寸及厂家名称。
二、镀锌钢管质量技术要求:1、牌号和化学成份镀锌钢管用钢的牌号和化学成分应符合GB-3092所规定的黑管用钢的牌号和化学成份。
2、制造方法黑管的制造方法(炉焊或电焊)由制造厂选择,镀锌采用热浸镀锌法。
3、交货状态镀锌钢管以不带螺纹交货。
4、螺纹及管接头(1)带螺纹交货的镀锌钢管,螺纹应在镀锌后车制。
螺纹应符合YB822的规定。
(2)钢制管接头应符合YB238的规定,可铸铁管接头应符合YB230的规定。
5、力学性能钢管镀锌前的力学性能应符合GB3092的规定。
6、镀锌层的均匀性镀锌钢管应做镀锌层均匀性的试验,钢管试样在硫酸铜溶液中连续浸渍5次不得变红。
7、冷弯曲试验公称口径不大于50mm的镀锌钢管应做冷弯曲试验。
弯曲角度为90。
,弯曲半径为外径的8倍。
试验时不带填充物,试样焊缝处应置于弯曲方向的外侧或上部。
试验后,试样上不应有裂缝及锌层剥落现象。
8、水压试验水压试验应在黑管进行,也可用涡流探伤代替水压试验。
试验压力及涡流探伤对比试样尺寸应符合国标GB3092的规定。
9、表面质量镀锌钢管的内外表面应有完整层,不得有未镀上锌的黑斑和气泡存在。
允许有不大的粗糙面和局部的锌瘤存在。
10、镀锌层重量镀锌层重量平均值应不小于500g/㎡,其中任何一个试样不得小于480g/㎡。
热镀锌钢管标准热镀锌钢管是一种常见的钢管产品,具有防腐蚀、耐磨损等优点,在建筑、机械制造、石油化工等领域被广泛应用。
为了确保热镀锌钢管的质量和安全性,相关部门制定了一系列的标准来规范其生产和使用。
本文将对热镀锌钢管的标准进行介绍,以便读者更好地了解和应用这一产品。
一、产品标准。
热镀锌钢管的产品标准主要包括国家标准、行业标准和企业标准。
国家标准是针对整个行业的标准化要求,如GB/T 3091-2015《焊接钢管》、GB/T 13793-2008《低压流体输送用焊接钢管》等。
行业标准是由行业协会或组织制定的,如SY/T 0315-2005《石油天然气工业用钢管技术条件》。
企业标准是由生产企业根据自身生产情况和技术要求制定的,如企业内部的生产工艺标准、质量控制标准等。
二、质量标准。
热镀锌钢管的质量标准主要包括外观质量、化学成分、机械性能、尺寸偏差等方面的要求。
外观质量包括表面光洁度、锌层厚度、镀锌层附着力等指标;化学成分要求钢管的成分符合相应的标准要求,如碳含量、硫、磷含量等;机械性能包括拉伸强度、屈服强度、冲击功等性能指标;尺寸偏差要求钢管的外径、壁厚、长度等尺寸符合相关标准规定。
三、安全标准。
热镀锌钢管在使用过程中需要符合一定的安全标准,主要包括安装、使用、维护和保养等方面的要求。
安装时要求严格按照相关规范进行,保证管道的稳固和密封;使用时要求注意管道的承压能力和耐腐蚀性能,避免超负荷使用和腐蚀介质的直接接触;维护和保养要求定期检查管道的表面状态、连接处的密封性能等,及时发现问题并进行处理,确保管道的安全运行。
四、检验标准。
热镀锌钢管的检验标准主要包括出厂检验和使用过程中的定期检验。
出厂检验要求生产企业按照相关标准进行产品的外观质量、化学成分、机械性能等方面的检测,确保产品符合标准要求;使用过程中的定期检验要求用户根据相关规范对管道进行定期的安全检查和维护,确保管道的安全运行和使用寿命。
总结,热镀锌钢管的标准是保证产品质量和安全的重要依据,生产企业和用户都应严格按照相关标准要求进行生产和使用,以确保热镀锌钢管在各个领域的安全可靠应用。
热镀锌焊接钢管壁厚国标要求
热镀锌焊接钢管作为一种常用的建筑材料,在建筑工程中使用广泛。
其壁厚作为重要的质量标准,必须符合国家标准要求。
根据国家标准《焊接钢管技术条件》(GB/T3091-2015),热镀锌焊接钢管的壁厚按照以下要求进行分类和验收:
1. 钢管壁厚的分类
钢管壁厚按照以下标准进行分类:
(1)一般钢管:壁厚小于等于3.6mm的钢管。
(2)中等钢管:壁厚大于3.6mm,小于等于6.4mm的钢管。
(3)加重钢管:壁厚大于6.4mm的钢管。
2. 钢管壁厚的验收
钢管壁厚的验收应符合以下要求:
(1)一般钢管:允许偏差为壁厚的±10%。
(2)中等钢管:允许偏差为壁厚的±10%或±0.5mm,取两者中较大值。
(3)加重钢管:允许偏差为壁厚的±10%或±1.0mm,取两者中较大值。
总之,热镀锌焊接钢管的壁厚是关乎其质量和安全性的重要标准,必须按照国家标准要求进行分类和验收。
建筑工程中使用时,应严格控制壁厚,确保其质量和使用寿命。
- 1 -。
镀锌钢管质量标准要求一、镀锌钢管规格、外形及重量(一)、镀锌钢管规格必须符合下表规定:(二)、外形及重量1、通常长度镀锌钢管的长度为6m,每批允许体重量不大于总重量5%,长度不小于2m的短尺钢管。
2、定尺长度镀锌钢管的主尺长度应在通常长度范围内其长度允许偏差为+20mm。
3、倍尺长度镀锌钢管的倍尺长度应在通常长度范围内其余长允许偏差为+20mm。
每个倍尺应留5mm-10mm的切口余量。
4、弯曲度镀锌钢管应具有使用性的直度。
5、端头形状镀锌钢管的两端应在镀锌前与钢管轴线切成直角,切口内外毛刺高度均不得大于0.5mm。
6、交货重量镀锌钢管以实际重量交货。
7、标记镀锌钢管应注明国标标准编号和尺寸及厂家名称。
二、镀锌钢管质量技术要求:1、牌号和化学成份镀锌钢管用钢的牌号和化学成分应符合GB-3092所规定的黑管用钢的牌号和化学成份。
2、制造方法黑管的制造方法(炉焊或电焊)由制造厂选择,镀锌采用热浸镀锌法。
3、交货状态镀锌钢管以不带螺纹交货。
4、螺纹及管接头(1)带螺纹交货的镀锌钢管,螺纹应在镀锌后车制。
螺纹应符合YB822的规定。
(2)钢制管接头应符合YB238的规定,可铸铁管接头应符合YB230的规定。
5、力学性能钢管镀锌前的力学性能应符合GB3092的规定。
6、镀锌层的均匀性镀锌钢管应做镀锌层均匀性的试验,钢管试样在硫酸铜溶液中连续浸渍5次不得变红。
7、冷弯曲试验公称口径不大于50mm的镀锌钢管应做冷弯曲试验。
弯曲角度为90。
,弯曲半径为外径的8倍。
试验时不带填充物,试样焊缝处应置于弯曲方向的外侧或上部。
试验后,试样上不应有裂缝及锌层剥落现象。
8、水压试验水压试验应在黑管进行,也可用涡流探伤代替水压试验。
试验压力及涡流探伤对比试样尺寸应符合国标GB3092的规定。
9、表面质量镀锌钢管的内外表面应有完整层,不得有未镀上锌的黑斑和气泡存在。
允许有不大的粗糙面和局部的锌瘤存在。
10、镀锌层重量镀锌层重量平均值应不小于500g/㎡,其中任何一个试样不得小于480g/㎡。
镀锌钢管质量标准要求?一、镀锌钢管规格、外形及重量(一)、镀锌钢管规格必须符合下表规定:DN外径(mm)普通钢管加厚钢管(mm)(in)外径允许偏差壁???? 厚单位重量(㎏/m)壁??? 厚单位重量(㎏/m)公称尺寸(mm)允许偏差公称尺寸(mm)允许偏差6 1/8 10±.5~1%2.0612%~15%0.39 2.5+12%~15%0.468 1/4 13.5 2.25 0.62 2.75 0.7310 3/8 17.0 2.25 0.82 2.75 0.9715 1/2 21.3 2.75 1.26 3.25 1.4520 3/4 26.8 2.75 1.63 3.50 2.0125 1 33.5 3.25 2.42 4.00 2.9132 11/442.3 3.25 3.13 4.00 3.7840 11/248.0 3.50 3.84 4.25 4.5850 2 60.0 3.50 4.88 4.50 6.1665 21/275.5 3.75 6.64 4.50 7.8880 3 88.5 4.00 8.34 4.75 9.81 100 4 114.0 4.00 10.85 5.00 13.44 125 5 140.0 4.50 15.04 5.50 18.24 150 6 165.0 4.50 17.81 5.50 21.63 (二)、外形及重量1、??????????????????? 通常长度??? 镀锌钢管的长度为6m,每批允许体重量不大于总重量5%,长度不小于2m的短尺钢管。
2、??????????????????? 定尺长度??? 镀锌钢管的主尺长度应在通常长度范围内其长度允许偏差为+20mm。
3、??????????????????? 倍尺长度??? 镀锌钢管的倍尺长度应在通常长度范围内其余长允许偏差为+20mm。
每个倍尺应留5mm-10mm的切口余量。
4、??????????????????? 弯曲度??? 镀锌钢管应具有使用性的直度。
镀锌钢管质量标准要求图纸用料:热镀锌管:DN25~DN100,热镀锌无缝管:φ108×4,φ159×5一、镀锌钢管规格、外形及重量(一)、镀锌钢管规格必须符合下表规定:(二)、外形及重量1、通常长度镀锌钢管的长度为6m,每批允许体重量不大于总重量5%,长度不小于2m的短尺钢管。
2、定尺长度镀锌钢管的主尺长度应在通常长度范围内其长度允许偏差为+20mm。
3、倍尺长度镀锌钢管的倍尺长度应在通常长度范围内其余长允许偏差为+20mm。
每个倍尺应留5mm-10mm的切口余量。
4、弯曲度镀锌钢管应具有使用性的直度。
5、端头形状镀锌钢管的两端应在镀锌前与钢管轴线切成直角,切口内外毛刺高度均不得大于0.5mm。
6、交货重量镀锌钢管以实际重量交货。
7、标记镀锌钢管应注明国标标准编号和尺寸及厂家名称。
二、镀锌钢管质量技术要求:1、牌号和化学成份镀锌钢管用钢的牌号和化学成分应符合GB-3092所规定的黑管用钢的牌号和化学成份。
2、制造方法黑管的制造方法(炉焊或电焊)由制造厂选择,镀锌采用热浸镀锌法。
3、交货状态镀锌钢管以不带螺纹交货。
4、螺纹及管接头(1)带螺纹交货的镀锌钢管,螺纹应在镀锌后车制。
螺纹应符合YB822的规定。
(2)钢制管接头应符合YB238的规定,可铸铁管接头应符合YB230的规定。
5、力学性能钢管镀锌前的力学性能应符合GB3092的规定。
6、镀锌层的均匀性镀锌钢管应做镀锌层均匀性的试验,钢管试样在硫酸铜溶液中连续浸渍5次不得变红。
7、冷弯曲试验公称口径不大于50mm的镀锌钢管应做冷弯曲试验。
弯曲角度为90。
,弯曲半径为外径的8倍。
试验时不带填充物,试样焊缝处应置于弯曲方向的外侧或上部。
试验后,试样上不应有裂缝及锌层剥落现象。
8、水压试验水压试验应在黑管进行,也可用涡流探伤代替水压试验。
试验压力及涡流探伤对比试样尺寸应符合国标GB3092的规定。
9、表面质量镀锌钢管的内外表面应有完整层,不得有未镀上锌的黑斑和气泡存在。
材料设备质量标准
材料设备
名称
热镀锌钢管材料设备编码备注
材料设备检验及标准编号金属覆盖层钢铁制品热镀锌层技术要求
GB/T3091-2008
材料分类
产品规格及标记钢管的外径(D)和壁厚(t)应符合GB/T21835的规定,根据需方要求,经供需双方协商,并在合同注明,可供应GB/T21835规格以外尺寸的钢管。
质量要求尺
寸
偏
差
1、外径允许偏差:
2、长度允许偏差:
(1)钢管的定尺长度应在通常长度范围内,直缝电阻焊钢管的定尺长度允许偏差为(+20,0)mm,螺旋缝埋弧焊钢管的定尺长度允许偏差为(+50,0)mm。
外
观
质
量
要
求
镀锌钢管的表面应有完整的镀锌层,不得有未镀上的黑斑和气泡存在,允许有不大的粗糙面和局部锌瘤存在。
性
能
要
求
质量检验质量抽查要求
编制人:编制日期:审查人:审批人:。
材料设备质量标准
材料设备质量标准编码:
材料设备
名称
热镀锌钢管材料设备编码备注材料设备
检验及标准编号金属覆盖层钢铁制品热镀锌层技术要求
GB/T3091-2008
材料分类
产品规格及标记钢管的外径(D)和壁厚(t)应符合GB/T21835的规定,根据需方要求,经供需双方协商,并在合同注明,可供应GB/T21835规格以外尺寸的钢管。
质量要求尺
寸
偏
差
1、外径允许偏差:
2、长度允许偏差:
(1)钢管的定尺长度应在通常长度范围内,直缝电阻焊钢管的定尺长度允许偏差为(+20,0)mm,螺旋缝埋弧焊钢管的定尺长度允许偏差为(+50,0)mm。
外
观
质
量
要
求
镀锌钢管的表面应有完整的镀锌层,不得有未镀上的黑斑和气泡存在,允许有不大的粗糙面和局部锌瘤存在。
性能要求
质量检验质
量
抽
查
要
求
质
量
检
验
及
试
验
1、钢管的尺寸、外形、电阻焊钢管的毛刺高度及埋弧焊钢管的焊缝余
高应采用符合精度要求的量具或仪器测量。
2、钢管的表面质量应在充分照明条件下逐根目视检验。
3、其他检验项目应符合GB/T3091-2008
检验规则
及合格判
断标准
钢管的复验与判定规则应符合GB/T2102的规定
标志、包装、运输及储标
志
符合GB/T2102的规定包
装
符合GB/T2102的规定运
输
编制人:编制日期:审查人:审批人:。
热镀锌钢管国标标准
热镀锌钢管是一种具有良好防腐蚀性能的钢管,广泛应用于建筑、机械、化工、电力、交通、煤炭等行业。
其国家标准对于产品的材质、尺寸、质量、技术要求等方面做出了明确规定,保障了产品的质量和安全性。
以下将对热镀锌钢管的国标标准进行详细介绍。
首先,热镀锌钢管的国标标准对于产品的材质要求非常严格。
主要以Q195、
Q215、Q235等碳素结构钢为原材料,其化学成分、力学性能、金相组织等方面都
有详细规定,确保产品的使用寿命和安全性。
其次,在尺寸方面,国标标准也做出了具体规定。
包括管子的外径、壁厚、长
度等方面的公差要求,以及管端的切割、倒角、螺纹加工等技术要求,保证了热镀锌钢管的加工精度和安装方便性。
此外,国标标准还对热镀锌钢管的质量进行了严格的把控。
对于表面质量、化
学成分、机械性能、涂层附着力、耐蚀性等方面都有详细的检测方法和标准要求,确保产品达到国家标准的要求。
最后,国标标准还对热镀锌钢管的生产工艺和检测方法做出了规定。
包括热镀
锌工艺、镀锌层厚度、镀锌均匀性、膜厚检测、外观检验、压力试验等方面都有具体的操作规程和标准要求,保证产品的质量稳定性和可靠性。
总的来说,热镀锌钢管国标标准的出台,对于规范产品质量、提高产品安全性、保障用户权益起到了重要作用。
只有严格按照国家标准生产,才能生产出合格的产品,满足市场需求,赢得用户信赖。
因此,作为热镀锌钢管的生产企业和使用单位,在生产和选用热镀锌钢管时,
务必要严格按照国家标准要求进行操作,确保产品的质量和安全性,为建设国家经济和保障人民生活做出积极贡献。
镀锌钢管国标质量标准要求Jenny was compiled in January 2021镀锌钢管质量标准要求一、镀锌钢管规格、外形及重量(一)、镀锌钢管规格必须符合下表规定:(二)、外形及重量1、通常长度镀锌钢管的长度为6m,每批允许体重量不大于总重量5%,长度不小于2m的短尺钢管。
2、定尺长度镀锌钢管的主尺长度应在通常长度范围内其长度允许偏差为+20mm。
3、倍尺长度镀锌钢管的倍尺长度应在通常长度范围内其余长允许偏差为+20mm。
每个倍尺应留5mm-10mm的切口余量。
4、弯曲度镀锌钢管应具有使用性的直度。
5、端头形状镀锌钢管的两端应在镀锌前与钢管轴线切成直角,切口内外毛刺高度均不得大于。
6、交货重量镀锌钢管以实际重量交货。
7、标记镀锌钢管应注明国标标准编号和尺寸及厂家名称。
二、镀锌钢管质量技术要求:1、牌号和化学成份镀锌钢管用钢的牌号和化学成分应符合GB-3092所规定的黑管用钢的牌号和化学成份。
2、制造方法黑管的制造方法(炉焊或电焊)由制造厂选择,镀锌采用热浸镀锌法。
3、交货状态镀锌钢管以不带螺纹交货。
4、螺纹及管接头(1)带螺纹交货的镀锌钢管,螺纹应在镀锌后车制。
螺纹应符合YB822的规定。
(2)钢制管接头应符合YB238的规定,可铸铁管接头应符合YB230的规定。
5、力学性能钢管镀锌前的力学性能应符合GB3092的规定。
6、镀锌层的均匀性镀锌钢管应做镀锌层均匀性的试验,钢管试样在硫酸铜溶液中连续浸渍5次不得变红。
7、冷弯曲试验公称口径不大于50mm的镀锌钢管应做冷弯曲试验。
弯曲角度为90。
,弯曲半径为外径的8倍。
试验时不带填充物,试样焊缝处应置于弯曲方向的外侧或上部。
试验后,试样上不应有裂缝及锌层剥落现象。
8、水压试验水压试验应在黑管进行,也可用涡流探伤代替水压试验。
试验压力及涡流探伤对比试样尺寸应符合国标GB3092的规定。
9、表面质量镀锌钢管的内外表面应有完整层,不得有未镀上锌的黑斑和气泡存在。
热镀锌钢管技术标准热镀锌钢管是一种具有良好防腐性能的钢管,其生产工艺和技术标准对产品质量和使用效果起着至关重要的作用。
热镀锌钢管技术标准的制定和执行,不仅关乎企业生产经营,也关系到消费者的安全和权益。
本文将对热镀锌钢管技术标准进行详细介绍,以期为相关从业人员和消费者提供参考。
一、材料选择。
热镀锌钢管的材料选择是影响产品质量的重要因素。
一般来说,生产热镀锌钢管所选用的钢材应符合国家标准,具有一定的机械性能和化学成分。
在材料选择方面,应注意钢管的成分、强度、延展性等指标,以确保产品的使用寿命和安全性。
二、生产工艺。
热镀锌钢管的生产工艺包括钢管预处理、热镀锌、冷镀锌等环节。
在生产过程中,应严格按照国家标准和行业规范进行操作,确保每道工序的质量和工艺要求。
尤其是在热镀锌过程中,控制好镀锌温度、时间和镀层厚度等参数,确保镀层的均匀性和致密性。
三、产品质量。
热镀锌钢管的产品质量直接关系到使用效果和安全性。
在生产过程中,应对产品的外观质量、尺寸偏差、镀层质量等进行严格把关,确保产品符合国家标准和行业规范的要求。
同时,还应对产品进行抽样检测,确保产品质量稳定可靠。
四、使用标准。
热镀锌钢管的使用标准包括安装、连接、防腐等方面的要求。
在使用过程中,应按照相关标准进行操作,确保产品的使用效果和安全性。
特别是在安装和连接过程中,应注意操作规范,避免因操作不当而影响产品的使用效果。
五、质量管理。
热镀锌钢管生产企业应建立健全质量管理体系,严格执行相关标准和规范,加强对生产过程的监控和控制,确保产品质量稳定可靠。
同时,还应加强对产品的追溯管理,建立完善的质量档案,为产品质量的持续改进提供依据。
六、市场监管。
相关部门应加强对热镀锌钢管产品的市场监管,严格执行相关标准和规范,加大对产品质量的抽检力度,对不合格产品采取相应的监管措施,维护市场秩序和消费者权益。
总之,热镀锌钢管技术标准的制定和执行对产品质量和市场秩序至关重要。
各相关方应共同遵守相关标准和规范,确保产品质量和使用效果,为行业的健康发展和消费者的安全使用提供保障。
热镀锌钢管技术标准
材料设备质量标准
材料设备质量标准编码:
材料设备热镀锌钢管材料设备编码备注名称
材料设备金属覆盖层钢铁制品热镀锌层技术要求检验及标材料分类 GB/T3091-2008 准编号
钢管的外径(D)和壁厚(t)应符合GB/T21835的规定,根据需方要产品规格求,经供需双方协商,并在合同注明,可供应GB/T21835规格以外尺及标记寸的钢管。
1、外径允许偏差:
尺
寸偏
差
2、长度允许偏差:
(1)钢管的定尺长度应在通常长度范围内,直缝电阻焊钢管的定尺长
度允许偏差为(+20,0)mm,螺旋缝埋弧焊钢管的定尺长度允许偏差为
(+50,0)mm。
质量外要求观
质镀锌钢管的表面应有完整的镀锌层,不得有未镀上的黑斑和气泡存在,量允许有不大的粗糙面和局部锌瘤存在。
要
求
性
能要
求
质
量
质量抽检验查
要
求
第 1 页共 2 页
质
量1、钢管的尺寸、外形、电阻焊钢管的毛刺高度及埋弧焊钢管的焊缝余检高应采用符合精度要求的量具或仪器测量。
验 2、钢管的表面质量应在充分照明条件下逐根目视检验。
及3、其他检验项目应符合GB/T3091-2008 试验
检验规则
及合格判钢管的复验与判定规则应符合GB/T2102的规定
断标准
标标符合GB/T2102的规定志、志
包
装、包符合GB/T2102的规定运输装
及储
运存要输求
设计图纸图纸有特殊要求,必须满足图纸设计要求。
专项要求编制人: 编制日期: 审查人: 审批人:
第 2 页共 2 页。
镀锌钢管规范镀锌钢管是一种具有防腐功能的钢管产品,经过镀锌处理后,可以有效地提高钢管的耐腐蚀能力,延长使用寿命。
为了确保镀锌钢管的质量和安全性能,制定了一些相关的规范。
1. 材料要求:镀锌钢管所使用的钢材应符合国家相关标准,如GB/T 13912-2002《金属镀层钢制品热浸镀锌层技术要求和试验方法》,钢材的化学成分、力学性能等指标需要经过严格检验,确保材料质量符合标准要求。
2. 镀锌工艺:镀锌钢管采用热浸镀锌工艺进行处理,镀锌层应均匀、致密,并具有良好的附着力。
镀锌层应符合国家标准要求,如锌层平均厚度≥55μm、镀锌层组织均匀等。
3. 镀锌钢管的表面质量:镀锌钢管的外表面应光滑、无划伤、无皱褶,无氧化铁皮等缺陷,内表面光滑,无边角皮、焊渣等杂质。
4. 镀锌钢管的机械性能:镀锌钢管的机械性能应符合国家相关标准要求,如GB/T 3091-2008《焊接钢管》、GB/T 8163-2008《液压支柱用无缝钢管》等。
管材的抗拉强度、屈服强度、延伸率等指标应满足标准要求。
5. 涂层附着力测试:为了判断镀锌层与钢管之间的附着力,可以采用划伤试验、剥离试验等方法进行测试。
测试结果应符合国家相关标准要求。
6. 镀锌钢管的尺寸和偏差:镀锌钢管的外径、壁厚、长度等尺寸应符合国家或行业标准,偏差范围应符合相应规定。
7. 规格标识和包装:镀锌钢管应标明生产厂家、产品名称、规格尺寸、批号等信息,包装应符合运输和储存要求,以保证产品的完整性和安全性。
除了以上规范外,还有一些其他的规范要求,如物理性能测试、化学成分分析、非破坏检测等。
这些规范的制定和执行,可以确保镀锌钢管的质量和使用效果,提高钢管在工程领域的应用价值。
同时,对于采购、使用镀锌钢管的工程单位和个人来说,了解并遵守这些规范,也能保证工程质量,确保安全。
镀锌钢管质量标准要求一、镀锌钢管规格、外形及重量(一)、镀锌钢管规格必须符合下表规定:(二)、外形及重量1、通常长度镀锌钢管的长度为6m,每批允许体重量不大于总重量5%,长度不小于2m 的短尺钢管。
2、定尺长度镀锌钢管的主尺长度应在通常长度范围内其长度允许偏差为+20mm。
3、倍尺长度镀锌钢管的倍尺长度应在通常长度范围内其余长允许偏差为+20mm。
每个倍尺应留5mm-10mm的切口余量。
4、弯曲度镀锌钢管应具有使用性的直度。
5、端头形状镀锌钢管的两端应在镀锌前与钢管轴线切成直角,切口内外毛刺高度均不得大于0.5mm。
6、交货重量镀锌钢管以实际重量交货。
7、标记镀锌钢管应注明国标标准编号和尺寸及厂家名称。
二、镀锌钢管质量技术要求:1、牌号和化学成份镀锌钢管用钢的牌号和化学成分应符合GB-3092所规定的黑管用钢的牌号和化学成份。
2、制造方法黑管的制造方法(炉焊或电焊)由制造厂选择,镀锌采用热浸镀锌法。
3、交货状态镀锌钢管以不带螺纹交货。
4、螺纹及管接头(1)带螺纹交货的镀锌钢管,螺纹应在镀锌后车制。
螺纹应符合YB822的规定。
(2)钢制管接头应符合YB238的规定,可铸铁管接头应符合YB230的规定。
5、力学性能钢管镀锌前的力学性能应符合GB3092的规定。
6、镀锌层的均匀性镀锌钢管应做镀锌层均匀性的试验,钢管试样在硫酸铜溶液中连续浸渍5次不得变红。
7、冷弯曲试验公称口径不大于50mm的镀锌钢管应做冷弯曲试验。
弯曲角度为90。
,弯曲半径为外径的8倍。
试验时不带填充物,试样焊缝处应置于弯曲方向的外侧或上部。
试验后,试样上不应有裂缝及锌层剥落现象。
8、水压试验水压试验应在黑管进行,也可用涡流探伤代替水压试验。
试验压力及涡流探伤对比试样尺寸应符合国标GB3092的规定。
9、表面质量镀锌钢管的内外表面应有完整层,不得有未镀上锌的黑斑和气泡存在。
允许有不大的粗糙面和局部的锌瘤存在。
10、镀锌层重量镀锌层重量平均值应不小于500g/㎡,其中任何一个试样不得小于480g/㎡。
镀锌钢管规范标准篇一:镀锌钢管国家标准壁厚篇二:镀锌钢管质量标准要求镀锌钢管质量标准要求一、镀锌钢管规格、外形及重量(一)、镀锌钢管规格必须符合下表规定:(二)、外形及重量1、通常长度镀锌钢管的长度为6m,每批允许体重量不大于总重量5%,长度不小于2m的短尺钢管。
2、定尺长度镀锌钢管的主尺长度应在通常长度范围内其长度允许偏差为+20mm。
3、倍尺长度镀锌钢管的倍尺长度应在通常长度范围内其余长允许偏差为+20mm。
每个倍尺应留5mm-10mm的切口余量。
4、弯曲度镀锌钢管应具有使用性的直度。
5、端头形状镀锌钢管的两端应在镀锌前与钢管轴线切成直角,切口内外毛刺高度均不得大于0.5mm。
6、交货重量镀锌钢管以实际重量交货。
7、标记镀锌钢管应注明国标标准编号和尺寸及厂家名称。
二、镀锌钢管质量技术要求:1、牌号和化学成份镀锌钢管用钢的牌号和化学成分应符合GB-3092所规定的黑管用钢的牌号和化学成份。
2、制造方法黑管的制造方法(炉焊或电焊)由制造厂选择,镀锌采用热浸镀锌法。
3、交货状态镀锌钢管以不带螺纹交货。
4、螺纹及管接头(1)带螺纹交货的镀锌钢管,螺纹应在镀锌后车制。
螺纹应符合YB822的规定。
(2)钢制管接头应符合YB238的规定,可铸铁管接头应符合YB230的规定。
5、力学性能钢管镀锌前的力学性能应符合GB3092的规定。
6、镀锌层的均匀性镀锌钢管应做镀锌层均匀性的试验,钢管试样在硫酸铜溶液中连续浸渍5次不得变红。
7、冷弯曲试验公称口径不大于50mm的镀锌钢管应做冷弯曲试验。
弯曲角度为90。
,弯曲半径为外径的8倍。
试验时不带填充物,试样焊缝处应置于弯曲方向的外侧或上部。
试验后,试样上不应有裂缝及锌层剥落现象。
8、水压试验水压试验应在黑管进行,也可用涡流探伤代替水压试验。
试验压力及涡流探伤对比试样尺寸应符合国标GB3092的规定。
9、表面质量镀锌钢管的内外表面应有完整层,不得有未镀上锌的黑斑和气泡存在。
热镀锌管国标厚度标准热镀锌管是一种常用的金属管材,具有防腐蚀、耐磨损等优点,广泛应用于建筑、机械制造、石油化工等领域。
热镀锌管的国家标准对其厚度提出了具体的要求,这些标准对于保证产品质量、安全使用具有重要意义。
本文将就热镀锌管国标厚度标准进行详细介绍,希望能够对相关行业人士有所帮助。
首先,根据国家标准,热镀锌管的厚度应符合GB/T 13912-2002《金属覆盖层镀锌技术条件和试验方法》的相关规定。
在此标准中,对于热镀锌层的厚度有着明确的规定,一般来说,热镀锌管的最小厚度应不低于65μm,而双面镀锌的最小厚度应不低于86μm。
这些规定旨在保证热镀锌管的防腐蚀性能和使用寿命,确保产品质量稳定可靠。
其次,对于热镀锌管的厚度测量,国家标准也有着详细的规定。
一般来说,应采用磁感应法或者表面涂层厚度计进行测量,确保测量结果准确可靠。
同时,在进行厚度测量时,还应注意避免因管材表面不平整或者氧化皮等因素导致测量结果的偏差,保证测量的准确性。
另外,需要注意的是,在实际生产和使用过程中,热镀锌管的厚度标准也会受到一定的影响。
例如,在热镀锌过程中,锌层的厚度受到多种因素的影响,包括镀锌温度、镀锌时间、锌浴成分等。
因此,生产企业在生产过程中需要严格控制这些因素,确保产品达到国家标准的要求。
最后,对于用户来说,在选购和使用热镀锌管时,也应注意对产品的厚度进行检查。
可以通过外观检查或者使用厚度测量仪器进行检测,确保产品的质量符合国家标准,从而保证使用效果和安全性。
综上所述,热镀锌管国标厚度标准对于产品质量和安全使用具有重要意义。
生产企业应严格按照国家标准进行生产,确保产品质量稳定可靠;用户在选购和使用时,也应注意对产品进行检查,确保其质量符合标准要求。
只有这样,才能更好地发挥热镀锌管的优势,为相关行业的发展和建设提供更好的支持。
热镀锌钢管执行标准热镀锌钢管是一种具有优良耐腐蚀性能的钢管产品,其执行标准是保证产品质量的重要依据。
热镀锌钢管执行标准主要包括国家标准、行业标准和企业标准三个层次,下面将分别对这三个层次的执行标准进行介绍。
国家标准是对热镀锌钢管产品质量和技术要求的统一规定,其制定和实施是为了保障产品质量、促进行业健康发展。
目前我国热镀锌钢管的国家标准主要包括GB/T 3091-2001《焊接钢管》、GB/T 13793-2008《低压流体输送用焊接钢管》、GB/T 3092-2008《焊接钢管》等。
这些国家标准规定了热镀锌钢管的材质、规格、尺寸、外观质量、技术要求、试验方法等内容,对于生产企业和使用单位来说具有强制性。
行业标准是在国家标准的基础上,根据行业特点和实际需求制定的,其目的是为了进一步规范产品质量和技术要求,提高产品的竞争力。
热镀锌钢管的行业标准主要包括SY/T 0419-2007《石油天然气行业用钢管技术条件》、SY/T 0315-2001《石油天然气行业用镀锌钢管》等。
这些行业标准在国家标准的基础上,对热镀锌钢管的材质、工艺、检测方法等方面进行了进一步的规定,为行业内的生产和使用提供了更为具体的指导。
企业标准是指企业根据自身生产经营的需要,结合国家标准和行业标准,制定的适合本企业生产的产品质量和技术要求的标准。
企业标准通常是在国家标准和行业标准的基础上进行局部修订和补充,以适应企业自身的特殊要求。
企业标准对于企业内部生产和管理起着重要的指导作用,能够更好地满足市场需求,提高企业产品的竞争力。
总的来说,热镀锌钢管的执行标准是保证产品质量、规范生产和使用的重要依据,国家标准、行业标准和企业标准三个层次相互配合,共同构成了完善的标准体系。
只有严格执行执行标准,才能够保证热镀锌钢管产品的质量稳定,满足用户的需求,推动行业的健康发展。