镀锌钢管国标质量标准要求05883
- 格式:doc
- 大小:39.50 KB
- 文档页数:5
镀锌钢管质量标准要求图纸用料: 热镀锌管: ☠❞☠,热镀锌无缝管∙:φ × ,φ ×一、镀锌钢管规格、外形及重量(一)、镀锌钢管规格必须符合下表规定(二)、外形及重量、∙∙∙∙∙∙∙∙∙∙∙∙∙∙∙∙∙∙∙ 通常长度∙∙∙ 镀锌钢管的长度为 ❍,每批允许体重量不大于总重量 ,长度不小于 ❍的短尺钢管。
、∙∙∙∙∙∙∙∙∙∙∙∙∙∙∙∙∙∙∙ 定尺长度∙∙∙ 镀锌钢管的主尺长度应在通常长度范围内其长度允许偏差为 ❍❍。
、∙∙∙∙∙∙∙∙∙∙∙∙∙∙∙∙∙∙∙ 倍尺长度∙∙∙ 镀锌钢管的倍尺长度应在通常长度范围内其余长允许偏差为 ❍❍。
每个倍尺应留 ❍❍❍❍的切口余量。
、∙∙∙∙∙∙∙∙∙∙∙∙∙∙∙∙∙∙∙ 弯曲度∙∙∙ 镀锌钢管应具有使用性的直度。
、∙∙∙∙∙∙∙∙∙∙∙∙∙∙∙∙∙∙∙ 端头形状∙∙∙ 镀锌钢管的两端应在镀锌前与钢管轴线切成直角,切口内外毛刺高度均不得大于 ❍❍。
、∙∙∙∙∙∙∙∙∙∙∙∙∙∙∙∙∙∙∙ 交货重量∙∙ 镀锌钢管以实际重量交货。
、∙∙∙∙∙∙∙∙∙∙∙∙∙∙∙∙∙∙∙ 标记∙∙∙ 镀锌钢管应注明国标标准编号和尺寸及厂家名称。
二、镀锌钢管质量技术要求:、∙∙∙∙∙∙∙∙∙∙∙∙∙∙∙∙∙∙∙∙∙∙∙∙∙∙∙ 牌号和化学成份镀锌钢管用钢的牌号和化学成分应符合☝所规定的黑管用钢的牌号和化学成份。
、制造方法黑管的制造方法(炉焊或电焊)由制造厂选择,镀锌采用热浸镀锌法。
、交货状态镀锌钢管以不带螺纹交货。
、螺纹及管接头( ) 带螺纹交货的镀锌钢管,螺纹应在镀锌后车制。
螺纹应符合✡的规定。
( ) 钢制管接头应符合✡的规定,可铸铁管接头应符合✡的规定。
、力学性能钢管镀锌前的力学性能应符合☝的规定。
、镀锌层的均匀性镀锌钢管应做镀锌层均匀性的试验,钢管试样在硫酸铜溶液中连续浸渍 次不得变红。
镀锌钢管质量标准要求一、镀锌钢管规格、外形及重量(一)、镀锌钢管规格必须符合下表规定:(二)、外形及重量1、通常长度镀锌钢管的长度为6m,每批允许体重量不大于总重量5%,长度不小于2m的短尺钢管。
2、定尺长度镀锌钢管的主尺长度应在通常长度范围内其长度允许偏差为+20mm。
3、倍尺长度镀锌钢管的倍尺长度应在通常长度范围内其余长允许偏差为+20mm。
每个倍尺应留5mm-10mm的切口余量。
4、弯曲度镀锌钢管应具有使用性的直度。
5、端头形状镀锌钢管的两端应在镀锌前与钢管轴线切成直角,切口内外毛刺高度均不得大于0.5mm。
6、交货重量镀锌钢管以实际重量交货。
7、标记镀锌钢管应注明国标标准编号和尺寸及厂家名称。
二、镀锌钢管质量技术要求:1、牌号和化学成份镀锌钢管用钢的牌号和化学成分应符合GB-3092所规定的黑管用钢的牌号和化学成份。
2、制造方法黑管的制造方法(炉焊或电焊)由制造厂选择,镀锌采用热浸镀锌法。
3、交货状态镀锌钢管以不带螺纹交货。
4、螺纹及管接头(1)带螺纹交货的镀锌钢管,螺纹应在镀锌后车制。
螺纹应符合YB822的规定。
(2)钢制管接头应符合YB238的规定,可铸铁管接头应符合YB230的规定。
5、力学性能钢管镀锌前的力学性能应符合GB3092的规定。
6、镀锌层的均匀性镀锌钢管应做镀锌层均匀性的试验,钢管试样在硫酸铜溶液中连续浸渍5次不得变红。
7、冷弯曲试验公称口径不大于50mm的镀锌钢管应做冷弯曲试验。
弯曲角度为90。
,弯曲半径为外径的8倍。
试验时不带填充物,试样焊缝处应置于弯曲方向的外侧或上部。
试验后,试样上不应有裂缝及锌层剥落现象。
8、水压试验水压试验应在黑管进行,也可用涡流探伤代替水压试验。
试验压力及涡流探伤对比试样尺寸应符合国标GB3092的规定。
9、表面质量镀锌钢管的内外表面应有完整层,不得有未镀上锌的黑斑和气泡存在。
允许有不大的粗糙面和局部的锌瘤存在。
10、镀锌层重量镀锌层重量平均值应不小于500g/㎡,其中任何一个试样不得小于480g/㎡。
镀锌钢管质量标准要求一、镀锌钢管规格、外形及重量(一)、镀锌钢管规格必须符合下表规定:(二)、外形及重量1、通常长度镀锌钢管的长度为6m,每批允许体重量不大于总重量5%,长度不小于2m的短尺钢管。
2、定尺长度镀锌钢管的主尺长度应在通常长度围其长度允许偏差为+20mm。
3、倍尺长度镀锌钢管的倍尺长度应在通常长度围其余长允许偏差为+20mm。
每个倍尺应留5mm-10mm的切口余量。
4、弯曲度镀锌钢管应具有使用性的直度。
5、端头形状镀锌钢管的两端应在镀锌前与钢管轴线切成直角,切口外毛刺高度均不得大于0.5mm。
6、交货重量镀锌钢管以实际重量交货。
7、标记镀锌钢管应注明国标标准编号和尺寸及厂家名称。
二、镀锌钢管质量技术要求:1、牌号和化学成份镀锌钢管用钢的牌号和化学成分应符合GB-3092所规定的黑管用钢的牌号和化学成份。
2、制造方法黑管的制造方法(炉焊或电焊)由制造厂选择,镀锌采用热浸镀锌法。
3、交货状态镀锌钢管以不带螺纹交货。
4、螺纹及管接头(1)带螺纹交货的镀锌钢管,螺纹应在镀锌后车制。
螺纹应符合YB822的规定。
(2)钢制管接头应符合YB238的规定,可铸铁管接头应符合YB230的规定。
5、力学性能钢管镀锌前的力学性能应符合GB3092的规定。
6、镀锌层的均匀性镀锌钢管应做镀锌层均匀性的试验,钢管试样在硫酸铜溶液中连续浸渍5次不得变红。
7、冷弯曲试验公称口径不大于50mm的镀锌钢管应做冷弯曲试验。
弯曲角度为90。
,弯曲半径为外径的8倍。
试验时不带填充物,试样焊缝处应置于弯曲方向的外侧或上部。
试验后,试样上不应有裂缝及锌层剥落现象。
8、水压试验水压试验应在黑管进行,也可用涡流探伤代替水压试验。
试验压力及涡流探伤对比试样尺寸应符合国标GB3092的规定。
9、表面质量镀锌钢管的外表面应有完整层,不得有未镀上锌的黑斑和气泡存在。
允许有不大的粗糙面和局部的锌瘤存在。
10、镀锌层重量镀锌层重量平均值应不小于500g/㎡,其中任何一个试样不得小于480g/㎡。
镀锌钢管质量标准要求图纸用料:热镀锌管:DN25~DN100,热镀锌无缝管:φ108×4,φ159×5一、镀锌钢管规格、外形及重量(一)、镀锌钢管规格必须符合下表规定:(二)、外形及重量1、通常长度镀锌钢管的长度为6m,每批允许体重量不大于总重量5%,长度不小于2m的短尺钢管。
2、定尺长度镀锌钢管的主尺长度应在通常长度范围内其长度允许偏差为+20mm。
3、倍尺长度镀锌钢管的倍尺长度应在通常长度范围内其余长允许偏差为+20mm。
每个倍尺应留5mm-10mm的切口余量。
4、弯曲度镀锌钢管应具有使用性的直度。
5、端头形状镀锌钢管的两端应在镀锌前与钢管轴线切成直角,切口内外毛刺高度均不得大于0.5mm。
6、交货重量镀锌钢管以实际重量交货。
7、标记镀锌钢管应注明国标标准编号和尺寸及厂家名称。
二、镀锌钢管质量技术要求:1、牌号和化学成份镀锌钢管用钢的牌号和化学成分应符合GB-3092所规定的黑管用钢的牌号和化学成份。
2、制造方法黑管的制造方法(炉焊或电焊)由制造厂选择,镀锌采用热浸镀锌法。
3、交货状态镀锌钢管以不带螺纹交货。
4、螺纹及管接头(1)带螺纹交货的镀锌钢管,螺纹应在镀锌后车制。
螺纹应符合YB822的规定。
(2)钢制管接头应符合YB238的规定,可铸铁管接头应符合YB230的规定。
5、力学性能钢管镀锌前的力学性能应符合GB3092的规定。
6、镀锌层的均匀性镀锌钢管应做镀锌层均匀性的试验,钢管试样在硫酸铜溶液中连续浸渍5次不得变红。
7、冷弯曲试验公称口径不大于50mm的镀锌钢管应做冷弯曲试验。
弯曲角度为90。
,弯曲半径为外径的8倍。
试验时不带填充物,试样焊缝处应置于弯曲方向的外侧或上部。
试验后,试样上不应有裂缝及锌层剥落现象。
8、水压试验水压试验应在黑管进行,也可用涡流探伤代替水压试验。
试验压力及涡流探伤对比试样尺寸应符合国标GB3092的规定。
9、表面质量镀锌钢管的内外表面应有完整层,不得有未镀上锌的黑斑和气泡存在。
镀锌钢管质量标准要求一、镀锌钢管规格、外形与重量〔一〕、镀锌钢管规格必须符合下表规定:〔二〕、外形与重量1、通常长度镀锌钢管的长度为6m,每批允许体重量不大于总重量5%,长度不小于2m的短尺钢管。
2、定尺长度镀锌钢管的主尺长度应在通常长度X围内其长度允许偏差为+20mm。
3、倍尺长度镀锌钢管的倍尺长度应在通常长度X围内其余长允许偏差为+20mm。
每个倍尺应留5mm-10mm的切口余量。
4、弯曲度镀锌钢管应具有使用性的直度。
5、端头形状镀锌钢管的两端应在镀锌前与钢管轴线切成直角,切口内外毛刺高度均不得大于0.5mm。
6、交货重量镀锌钢管以实际重量交货。
7、标记镀锌钢管应注明国标标准编号和尺寸与厂家名称。
二、镀锌钢管质量技术要求:1、牌号和化学成份镀锌钢管用钢的牌号和化学成分应符合GB-3092所规定的黑管用钢的牌号和化学成份。
2、制造方法黑管的制造方法〔炉焊或电焊〕由制造厂选择,镀锌采用热浸镀锌法。
3、交货状态镀锌钢管以不带螺纹交货。
4、螺纹与管接头〔1〕带螺纹交货的镀锌钢管,螺纹应在镀锌后车制。
螺纹应符合YB822的规定。
〔2〕钢制管接头应符合YB238的规定,可铸铁管接头应符合YB230的规定。
5、力学性能钢管镀锌前的力学性能应符合GB3092的规定。
6、镀锌层的均匀性镀锌钢管应做镀锌层均匀性的试验,钢管试样在硫酸铜溶液中连续浸渍5次不得变红。
7、冷弯曲试验公称口径不大于50mm的镀锌钢管应做冷弯曲试验。
弯曲角度为90。
,弯曲半径为外径的8倍。
试验时不带填充物,试样焊缝处应置于弯曲方向的外侧或上部。
试验后,试样上不应有裂缝与锌层剥落现象。
8、水压试验水压试验应在黑管进行,也可用涡流探伤代替水压试验。
试验压力与涡流探伤对比试样尺寸应符合国标GB3092的规定。
9、表面质量镀锌钢管的内外表面应有完整层,不得有未镀上锌的黑斑和气泡存在。
允许有不大的粗糙面和局部的锌瘤存在。
10、镀锌层重量镀锌层重量平均值应不小于500g/㎡,其中任何一个试样不得小于480g/㎡。
镀锌钢管质量标准镀锌钢管是一种常见的建筑材料,其质量标准对于保障工程质量和安全具有重要意义。
本文将就镀锌钢管的质量标准进行详细介绍,以便各行业人士在选购和使用过程中能够做出正确的判断和决策。
首先,镀锌钢管的质量标准主要包括以下几个方面:1. 钢管的外观质量,镀锌钢管表面应光滑、无裂纹、皱褶、氧化皮和锈蚀等缺陷,镀层应均匀、光亮,无脱落现象。
2. 尺寸偏差,镀锌钢管的外径、壁厚、长度等尺寸应符合国家标准或合同规定的要求,偏差应在允许范围内。
3. 化学成分,镀锌钢管的化学成分应符合国家标准或合同规定的要求,主要包括碳含量、磷含量、硫含量等指标。
4. 机械性能,镀锌钢管的拉伸强度、屈服强度、延伸率等机械性能指标应符合国家标准或合同规定的要求。
5. 镀层质量,镀锌钢管的镀层应具有良好的附着力、耐蚀性和耐磨性,镀层厚度应符合国家标准或合同规定的要求。
在选购镀锌钢管时,应严格按照上述质量标准进行检查,确保所选产品符合要求。
同时,在使用过程中,也应注意以下几点:1. 防止碰撞和摩擦,在搬运和安装镀锌钢管时,应避免碰撞和摩擦,以免损坏镀层。
2. 避免接触酸碱物质,镀锌钢管在使用过程中应避免长时间接触酸碱物质,以免影响镀层的耐蚀性能。
3. 定期检查,定期对镀锌钢管进行外观检查和测量尺寸,发现问题及时处理,以确保使用安全。
4. 合理使用,在使用镀锌钢管时,应按照设计要求和规范要求进行合理使用,避免超载和过度使用,以免影响使用寿命。
总之,镀锌钢管的质量标准对于保障工程质量和安全至关重要。
只有严格按照标准要求选购和使用,才能确保镀锌钢管的质量和性能达到预期目标,为工程建设提供可靠保障。
希望本文所述内容对大家有所帮助,谢谢阅读!。
镀锌钢管质量标准要求一、镀锌钢管规格、外形及重量(一)、镀锌钢管规格必须符合下表规定:(二)、外形及重量1、通常长度镀锌钢管的长度为6m,每批允许体重量不大于总重量5%,长度不小于2m的短尺钢管。
2、定尺长度镀锌钢管的主尺长度应在通常长度范围内其长度允许偏差为+20mm。
3、倍尺长度镀锌钢管的倍尺长度应在通常长度范围内其余长允许偏差为+20mm。
每个倍尺应留5mm-10mm的切口余量。
4、弯曲度镀锌钢管应具有使用性的直度。
5、端头形状镀锌钢管的两端应在镀锌前与钢管轴线切成直角,切口内外毛刺高度均不得大于0.5mm。
6、交货重量镀锌钢管以实际重量交货。
7、标记镀锌钢管应注明国标标准编号和尺寸及厂家名称。
二、镀锌钢管质量技术要求:1、牌号和化学成份镀锌钢管用钢的牌号和化学成分应符合GB-3092所规定的黑管用钢的牌号和化学成份。
2、制造方法黑管的制造方法(炉焊或电焊)由制造厂选择,镀锌采用热浸镀锌法。
3、交货状态镀锌钢管以不带螺纹交货。
4、螺纹及管接头(1)带螺纹交货的镀锌钢管,螺纹应在镀锌后车制。
螺纹应符合YB822的规定。
(2)钢制管接头应符合YB238的规定,可铸铁管接头应符合YB230的规定。
5、力学性能钢管镀锌前的力学性能应符合GB3092的规定。
6、镀锌层的均匀性镀锌钢管应做镀锌层均匀性的试验,钢管试样在硫酸铜溶液中连续浸渍5次不得变红。
7、冷弯曲试验公称口径不大于50mm的镀锌钢管应做冷弯曲试验。
弯曲角度为90。
,弯曲半径为外径的8倍。
试验时不带填充物,试样焊缝处应置于弯曲方向的外侧或上部。
试验后,试样上不应有裂缝及锌层剥落现象。
8、水压试验水压试验应在黑管进行,也可用涡流探伤代替水压试验。
试验压力及涡流探伤对比试样尺寸应符合国标GB3092的规定。
9、表面质量镀锌钢管的内外表面应有完整层,不得有未镀上锌的黑斑和气泡存在。
允许有不大的粗糙面和局部的锌瘤存在。
10、镀锌层重量镀锌层重量平均值应不小于500g/㎡,其中任何一个试样不得小于480g/㎡。
镀锌钢管规范标准篇一:镀锌钢管国家标准壁厚篇二:镀锌钢管质量标准要求镀锌钢管质量标准要求一、镀锌钢管规格、外形及重量(一)、镀锌钢管规格必须符合下表规定:(二)、外形及重量1、通常长度镀锌钢管的长度为6m,每批允许体重量不大于总重量5%,长度不小于2m的短尺钢管。
2、定尺长度镀锌钢管的主尺长度应在通常长度范围内其长度允许偏差为+20mm。
3、倍尺长度镀锌钢管的倍尺长度应在通常长度范围内其余长允许偏差为+20mm。
每个倍尺应留5mm-10mm的切口余量。
4、弯曲度镀锌钢管应具有使用性的直度。
5、端头形状镀锌钢管的两端应在镀锌前与钢管轴线切成直角,切口内外毛刺高度均不得大于0.5mm。
6、交货重量镀锌钢管以实际重量交货。
7、标记镀锌钢管应注明国标标准编号和尺寸及厂家名称。
二、镀锌钢管质量技术要求:1、牌号和化学成份镀锌钢管用钢的牌号和化学成分应符合GB-3092所规定的黑管用钢的牌号和化学成份。
2、制造方法黑管的制造方法(炉焊或电焊)由制造厂选择,镀锌采用热浸镀锌法。
3、交货状态镀锌钢管以不带螺纹交货。
4、螺纹及管接头(1)带螺纹交货的镀锌钢管,螺纹应在镀锌后车制。
螺纹应符合YB822的规定。
(2)钢制管接头应符合YB238的规定,可铸铁管接头应符合YB230的规定。
5、力学性能钢管镀锌前的力学性能应符合GB3092的规定。
6、镀锌层的均匀性镀锌钢管应做镀锌层均匀性的试验,钢管试样在硫酸铜溶液中连续浸渍5次不得变红。
7、冷弯曲试验公称口径不大于50mm的镀锌钢管应做冷弯曲试验。
弯曲角度为90。
,弯曲半径为外径的8倍。
试验时不带填充物,试样焊缝处应置于弯曲方向的外侧或上部。
试验后,试样上不应有裂缝及锌层剥落现象。
8、水压试验水压试验应在黑管进行,也可用涡流探伤代替水压试验。
试验压力及涡流探伤对比试样尺寸应符合国标GB3092的规定。
9、表面质量镀锌钢管的内外表面应有完整层,不得有未镀上锌的黑斑和气泡存在。
镀锌钢管验收标准镀锌钢管是一种常用的建筑材料,具有防腐、耐磨、耐腐蚀的特点,因此在工程建设中得到了广泛的应用。
为了确保镀锌钢管的质量,需要对其进行严格的验收。
以下是镀锌钢管验收标准的相关内容,供大家参考。
一、外观质量。
1. 镀锌钢管表面不得有明显的氧化、锈蚀、破损等情况,应保持光滑、平整。
2. 镀锌层应均匀、牢固,不得有起泡、剥落等现象。
3. 镀锌钢管的外径、壁厚应符合设计要求,不得存在明显的偏差。
二、尺寸偏差。
1. 镀锌钢管的长度允许偏差应符合国家标准,不得超出规定范围。
2. 镀锌钢管的外径、壁厚偏差应符合设计要求,不得影响使用。
三、化学成分。
1. 镀锌钢管的化学成分应符合国家标准,不得存在超出范围的元素含量。
2. 镀锌层的成分应符合要求,不得存在异常情况。
四、力学性能。
1. 镀锌钢管的抗拉强度、屈服强度、伸长率等力学性能应符合设计要求。
2. 镀锌层的硬度、附着力等性能应符合要求,不得影响使用寿命。
五、包装运输。
1. 镀锌钢管在包装运输过程中不得有明显的挤压、变形等情况,包装应完好无损。
2. 镀锌钢管的运输过程中应注意防止受潮、受阳光直射等情况,以免影响质量。
六、验收记录。
1. 对每批镀锌钢管进行验收时,应制作详细的验收记录,包括外观质量、尺寸偏差、化学成分、力学性能等内容。
2. 验收记录应由验收人员签字确认,以便后续的跟踪和追溯。
七、质量证明。
1. 镀锌钢管的质量证明文件应齐全,包括出厂合格证、质量检测报告等。
2. 质量证明文件应与实际产品相符,不得存在造假等情况。
通过以上的镀锌钢管验收标准,我们可以对镀锌钢管的质量进行严格的把关,确保其在工程建设中发挥应有的作用。
希望各位在验收过程中严格按照标准操作,以确保工程质量和安全。
镀锌钢管质量标准要求一、镀锌钢管规格、外形及重量(一)、镀锌钢管规格必须符合下表规定:(二)、外形及重量1、通常长度镀锌钢管的长度为6m,每批允许体重量不大于总重量5%,长度不小于2m的短尺钢管。
2、定尺长度镀锌钢管的主尺长度应在通常长度范围内其长度允许偏差为+20mm。
3、倍尺长度镀锌钢管的倍尺长度应在通常长度范围内其余长允许偏差为+20mm。
每个倍尺应留5mm-10mm的切口余量。
4、弯曲度镀锌钢管应具有使用性的直度。
5、端头形状镀锌钢管的两端应在镀锌前与钢管轴线切成直角,切口内外毛刺高度均不得大于0.5mm。
6、交货重量镀锌钢管以实际重量交货。
7、标记镀锌钢管应注明国标标准编号和尺寸及厂家名称。
二、镀锌钢管质量技术要求:1、牌号和化学成份镀锌钢管用钢的牌号和化学成分应符合GB-3092所规定的黑管用钢的牌号和化学成份。
2、制造方法黑管的制造方法(炉焊或电焊)由制造厂选择,镀锌采用热浸镀锌法。
3、交货状态镀锌钢管以不带螺纹交货。
4、螺纹及管接头(1)带螺纹交货的镀锌钢管,螺纹应在镀锌后车制。
螺纹应符合YB822的规定。
(2)钢制管接头应符合YB238的规定,可铸铁管接头应符合YB230的规定。
5、力学性能钢管镀锌前的力学性能应符合GB3092的规定。
6、镀锌层的均匀性镀锌钢管应做镀锌层均匀性的试验,钢管试样在硫酸铜溶液中连续浸渍5次不得变红。
7、冷弯曲试验公称口径不大于50mm的镀锌钢管应做冷弯曲试验。
弯曲角度为90。
,弯曲半径为外径的8倍。
试验时不带填充物,试样焊缝处应置于弯曲方向的外侧或上部。
试验后,试样上不应有裂缝及锌层剥落现象。
8、水压试验水压试验应在黑管进行,也可用涡流探伤代替水压试验。
试验压力及涡流探伤对比试样尺寸应符合国标GB3092的规定。
9、表面质量镀锌钢管的内外表面应有完整层,不得有未镀上锌的黑斑和气泡存在。
允许有不大的粗糙面和局部的锌瘤存在。
10、镀锌层重量镀锌层重量平均值应不小于500g/㎡,其中任何一个试样不得小于480g/㎡。
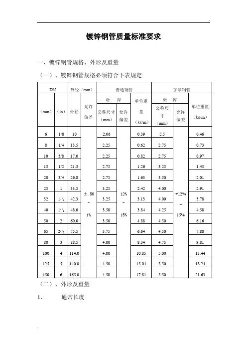
镀锌钢管质量标准要求镀锌钢管质量标准要求一、镀锌钢管规格、外形及重量(一)、镀锌钢管规格必须符合下表规定:DN 外径(mm )普通钢管加厚钢管壁厚壁厚(mm )(in )外径允许偏差公称尺寸(mm )允许偏差单位重量(㎏/m )公称尺寸(mm )允许偏差单位重量(㎏/m )61/810 2.060.39 2.50.4681/413.5 2.250.62 2.750.73103/817.0 2.250.82 2.750.97151/221.3 2.75 1.26 3.25 1.45203/426.8 2.75 1.63 3.502.0125133.5 3.25 2.424.00 2.913211/442.3 3.25 3.13 4.003.784011/248.0 3.50 3.844.25 4.5850260.0 3.50 4.88 4.50 6.166521/275.5 3.756.64 4.507.8880388.5 4.008.34 4.759.811004114.04.0010.855.0013.441255140.0 4.5015.04 5.5018.241506165.0±.50~1% 4.5012%~15%17.81 5.50+12%~15%21.63(二)、外形及重量1、通常长度、管路敷设技术通过管线敷设技术不仅可以解决吊顶层配置不规范高中资料试卷问题,而且可保障各类管路习题到位。
在管路敷设过程中,要加强看护关于管路高中资料试卷连接管口处理高中资料试卷弯扁度固定盒位置保护层防腐跨接地线弯曲半径标高等,要求技术交底。
管线敷设技术中包含线槽、管架等多项方式,为解决高中语文电气课件中管壁薄、接口不严等问题,合理利用管线敷设技术。
线缆敷设原则:在分线盒处,当不同电压回路交叉时,应采用金属隔板进行隔开处理;同一线槽内,强电回路须同时切断习题电源,线缆敷设完毕,要进行检查和检测处理。
镀锌管质量标准
1、镀锌管基本要求
镀锌钢管的长度为6m,每批允许体重量不大于总重量5%,长度不小于2m的短尺钢管。
2、定尺长度
镀锌钢管的主尺长度应在通
常长度范围内其长度允许偏差
为+20mm
3、倍尺长度
镀锌钢管的倍尺长度应在通
常长度范围内其余长允许偏差
为+20mm。
每个倍尺应留5mm-10mm的切口余量。
4、端头形状镀锌钢管的两端应在镀锌前与钢管轴线切成直角,切口内外毛刺高度均不得大于0.5mm。
5、制造方法:镀锌采用热浸镀锌法。
6、力学性能
钢管镀锌前的力学性能应符合GB3092的规定。
7、镀锌层的均匀性
镀锌钢管应做镀锌层均匀性的试验,钢管试样在硫酸铜溶液中连续浸渍5次不得变红。
镀锌钢管质量标准要求镀锌钢管质量标准要求一、镀锌钢管规格、外形及重量(一)、镀锌钢管规格必须符合下表规定:(二)、外形及重量1、通常长度镀锌钢管的长度为6m,每批允许体重量不大于总重量5%,长度不小于2m的短尺钢管。
2、定尺长度镀锌钢管的主尺长度应在通常长度范围内其长度允许偏差为+20mm。
3、倍尺长度镀锌钢管的倍尺长度应在通常长度范围内其余长允许偏差为+20mm。
每个倍尺应留5mm-10mm的切口余量。
4、弯曲度镀锌钢管应具有使用性的直度。
5、端头形状镀锌钢管的两端应在镀锌前与钢管轴线切成直角,切口内外毛刺高度均不得大于0.5mm。
6、交货重量镀锌钢管以实际重量交货。
7、标记镀锌钢管应注明国标标准编号和尺寸及厂家名称。
二、镀锌钢管质量技术要求:1、牌号和化学成份镀锌钢管用钢的牌号和化学成分应符合GB-3092所规定的黑管用钢的牌号和化学成份。
2、制造方法黑管的制造方法(炉焊或电焊)由制造厂选择,镀锌采用热浸镀锌法。
3、交货状态镀锌钢管以不带螺纹交货。
4、螺纹及管接头(1)带螺纹交货的镀锌钢管,螺纹应在镀锌后车制。
螺纹应符合YB822的规定。
(2)钢制管接头应符合YB238的规定,可铸铁管接头应符合YB230的规定。
5、力学性能钢管镀锌前的力学性能应符合GB3092的规定。
6、镀锌层的均匀性镀锌钢管应做镀锌层均匀性的试验,钢管试样在硫酸铜溶液中连续浸渍5次不得变红。
7、冷弯曲试验公称口径不大于50mm的镀锌钢管应做冷弯曲试验。
弯曲角度为90。
,弯曲半径为外径的8倍。
试验时不带填充物,试样焊缝处应置于弯曲方向的外侧或上部。
试验后,试样上不应有裂缝及锌层剥落现象。
8、水压试验水压试验应在黑管进行,也可用涡流探伤代替水压试验。
试验压力及涡流探伤对比试样尺寸应符合国标GB3092的规定。
9、表面质量镀锌钢管的内外表面应有完整层,不得有未镀上锌的黑斑和气泡存在。
允许有不大的粗糙面和局部的锌瘤存在。
10、镀锌层重量镀锌层重量平均值应不小于500g/㎡,其中任何一个试样不得小于480g/㎡。
镀锌钢管质量标准要求
图纸用料:热镀锌管:DN25~DN100,热镀锌无缝管:φ108×4,φ159×5一、镀锌钢管规格、外形及重量
(一)、镀锌钢管规格必须符合下表规定:
(二)、外形及重量
1、通常长度
镀锌钢管的长度为6m,每批允许体重量不大于总重量5%,长度不小于2m的短尺钢管。
2、定尺长度
镀锌钢管的主尺长度应在通常长度范围内其长度允许偏差为+20mm。
3、倍尺长度
镀锌钢管的倍尺长度应在通常长度范围内其余长允许偏差为+20mm。
每个倍尺应留5mm-10mm的切口余量。
4、弯曲度
镀锌钢管应具有使用性的直度。
5、端头形状
镀锌钢管的两端应在镀锌前与钢管轴线切成直角,切口内外毛刺高度均不得大于0.5mm。
6、交货重量
镀锌钢管以实际重量交货。
7、标记
镀锌钢管应注明国标标准编号和尺寸及厂家名称。
二、镀锌钢管质量技术要求:
1、牌号和化学成份
镀锌钢管用钢的牌号和化学成分应符合GB-3092所规定的黑管用钢的牌号和化学成份。
2、制造方法
黑管的制造方法(炉焊或电焊)由制造厂选择,镀锌采用热浸镀锌法。
3、交货状态
镀锌钢管以不带螺纹交货。
4、螺纹及管接头
(1)带螺纹交货的镀锌钢管,螺纹应在镀锌后车制。
螺纹应符合YB822的规定。
(2)钢制管接头应符合YB238的规定,可铸铁管接头应符合YB230的规定。
5、力学性能
钢管镀锌前的力学性能应符合GB3092的规定。
6、镀锌层的均匀性
镀锌钢管应做镀锌层均匀性的试验,钢管试样在硫酸铜溶液中连续浸渍5次不得变红。
7、冷弯曲试验
公称口径不大于50mm的镀锌钢管应做冷弯曲试验。
弯曲角度为90。
,弯曲半径为外径的8倍。
试验时不带填充物,试样焊缝处应置于弯曲方向的外侧或上部。
试验后,试样上不应有裂缝及锌层剥落现象。
8、水压试验
水压试验应在黑管进行,也可用涡流探伤代替水压试验。
试验压力及涡流探伤对比试样尺寸应符合国标GB3092的规定。
9、表面质量
镀锌钢管的内外表面应有完整层,不得有未镀上锌的黑斑和气泡存在。
允许有不大的粗糙面和局部的锌瘤存在。
10、镀锌层重量
镀锌层重量平均值应不小于500g/㎡,其中任何一个试样不得小于480g/㎡。
三、试验方法:
1、表面检查
镀锌钢管的内外表面应用肉眼逐根进行检查。
2、尺寸检查
镀锌钢管应在镀锌前的黑管上用足够精确度的量具逐根进行测量。
3、螺纹检查
带螺纹的镀锌钢管,按YB822的规定,用环规逐根检查螺纹。
四、检验规则:
1、镀锌钢管按批进行检查和验收,每批由同一牌号、同一规格的钢管组成
公称口径≤25mm 每批1000根
公称口径>m25~50m 每批750根
公称口径>50mm 每批500根
2、复验和判定
镀锌钢管的复验和判定规则应符合GB2102的规定。
五、包装、标注及质量证明书
镀锌钢管的包装、标志及质量证明书应符合GB2102的规定。