镀锌焊接钢管规范标准
- 格式:doc
- 大小:41.00 KB
- 文档页数:7
镀锌钢管/不锈钢管焊接规范一、施工准备 :1.预制场地:预制工程如需场地预制时,应提需求标准、位置、尺寸认可后,应在指定地点搭盖临时预制场,并须于完工时,无条件拆除复原及防护措施。
2.物料暂存区:为安装之管件、阀类易受潮或易受碰撞之设备,须设仓库存放。
3.电力:在厂区内或工务所,所须之电力均应提容量、电压申请核可后配置(例如手动砂轮机、切模工具、照明等).4.其他焊接设备、气切工具、电动工具、吊装机器等,皆须事先检查其使用操作之安全性,并须符合相关劳工安全卫生法规之要求,方可使用,且须定期检查.5.核查现场条件,绘制管路系统的管路单线图及管路预制图。
6.单线图上必须标明材质和阀门的编号,且经过专业工程师的确认。
二、材料管理 :1.材料堆放处,场地须干燥通风及排水良好,如有污染、损伤之顾虑,更应予垫高并保持整齐,及注意场地四周环境卫生。
2.不锈钢材质之钢管、管件不得与锌质、碳钢等材料共同存放,且严禁用镀锌之铁线固定,并须加盖保存,不得与地路面接触.3.钢管搬运不得丢掷或在地上拖拉、推曳,更不得与其他坚锐之物体撞击。
4.未使用管材需放置物料暂存区,且须制作管架放置管材。
5.材料在未使用前不得打开外层的保护膜,以及管道两端的封盖6.按照预制图上统计的材料到仓库领料.三、施工之管理1.所有焊工须经过专门的安全作业培训,取得特种作业操作资格证且在有效期间内.2.Clean room施作需填料全氩焊施作。
3.非Clean room施作,第一道填料焊接需氩焊打底,第二道填料焊可使用电焊或氩焊。
四、不锈钢钢管/镀锌钢管焊接要求:1.切管:管端切割后,不论平口或斜口,皆须用砂轮将焊接表面磨至平滑,无残留杂质,露出光滑金属表面。
2.倒角:不管管材管壁厚度及尺寸皆须倒角,倒角方法依法规方法施作。
3.焊道质量必须符合AWS标准。
4.焊工及焊条:(a)焊接人员须通过相关机构检定合格,并于施作前提出证件复印件登记认可后,方可施作。
q235b镀锌管标准
Q235B 镀锌管是一种通常用于管道和结构应用的钢管,通常具有镀锌表面处理,以提高其抗腐蚀性能。
在中国,Q235B 是一种常见的低碳结构钢材,而镀锌管则通常符合一些相关的国家标准和规范。
以下是中国常见的Q235B 镀锌管的国家标准:
1. GB/T 3091-2008《焊接钢管》:该标准规定了焊接钢管的要求,其中包括用于一般用途的Q235B 镀锌管。
2. GB/T 13793-2008《钢管的电阻焊成型》:该标准规定了电阻焊成型钢管的要求,其中包括Q235B 镀锌管。
3. GB/T 6728-2002《冷成型无缝方形钢管》:这个标准涵盖了用于构造目的的无缝方形钢管,通常包括Q235B 材质的镀锌管。
这些标准规定了Q235B 镀锌管的尺寸、质量、制造方法、材料要求和检测方法等方面的要求。
它们有助于确保钢管的质量和性能符合国家的要求。
请注意,除了国家标准,还可能有行业标准和制造商规格,这些标准和规范也可能适用于Q235B 镀锌管。
在购买或使用这种钢管时,建议查阅相关标准和规范,以确保其满足特定项目的要求。
镀锌管标准(国标镀锌管尺寸规格表)镀锌管标准(国标镀锌管尺寸规格表)机电安装工程涉及的材料繁多,进场验收工作需要全面且细心,本文从通用类、电气类、给排水类、暖通空调类四大部分,总结常用材料进场验收的依据及方法,以供大家在工程中参考实施。
一通用类一、管材►焊管、镀锌管一、焊接钢管:执行国家GB/T13793标准;热镀锌管:执行国家GB/T3091标准。
二、产品应用于水、污水、燃气、空气、采暖蒸气等低压流体输送和结构用的直缝焊接钢管。
三、国标产品系列:长度:定尺6米/支四、验收方法:1、外观检查:壁厚均匀,管口无毛刺,无锈蚀,弯折现象;整件包装完好。
2、测量:用游标卡尺测量壁厚,用卷尺测量长度。
用电子秤或磅秤测量重量。
3、试验方法:电线管抽样检测DN15~20,用弯管器现场煨弯,弯曲度和弯扁度符合要求;热镀锌管用锤适当敲外壁,观看是否有缝隙。
4、资料要求:随车附带相应规格的产品质量证明书。
►无缝钢管一、无缝钢管:执行国家GB/T17395标准。
二、型号与规格:三、验收方法:1.外观检查:壁厚均匀,管口无毛刺、腐蚀、弯曲;整个包装完好无损。
2、测量:用游标卡尺测量壁厚,用卷尺测量长度。
用电子秤或磅秤测量重量。
3、试验方法:抽样检测。
4、资料要求:随车附带相应规格的产品质量证明书。
二、型材►角钢一、角钢:执行GB9787、GB9788标准。
二、型号与规格:等边角钢的通常长度:2~4号长3~9m;5~8号长4~12m。
三、验收方法:1.外观检查:壁厚均匀,管口无毛刺、腐蚀、弯曲;整个包装完好无损。
2.测量:用游标卡尺测量壁厚,用卷尺测量长度。
用电子秤或秤测量重量。
3、试验方法:抽样检测。
4.资料要求:车辆附有相应规格的产品质量合格证。
►钢板一、钢板:执行国家GB708/GB709标准。
二、型号与规格:三、验收方法:1、外观检查:壁厚均匀,无锈蚀,弯折现象。
2.测量:用游标卡尺测量壁厚,用卷尺测量长度。
用电子秤或秤测量重量。
镀锌管国标标准
中国国家标准中关于镀锌管的标准主要有以下几项:
1. GB/T 3091-2015《焊接钢管》:这是中国国家标准中的一项,涵盖了一般用途的焊接钢管,其中包括了镀锌钢管的要求和规定。
2. GB/T 3092-2017《焊接钢管质量通用要求》:这个标准规定了焊接钢管的质量要求,也涉及了一些镀锌钢管的相关内容。
3. GB/T 13793-2016《长焊缝钢管》:这个标准针对长焊缝钢管提供了一些技术要求和测试方法,也包括了镀锌管的规定。
4. GB/T 6479-2000《高压液体输送用焊接钢管》:此标准适用于高压液体输送管道中使用的焊接钢管,也包括镀锌钢管。
这些标准覆盖了钢管的质量、尺寸、生产工艺、检验方法等方面的内容,其中也包括了一些针对镀锌钢管的要求。
这些标准对于镀锌钢管的质量控制、生产工艺和检验测试提供了相应的规范和指导。
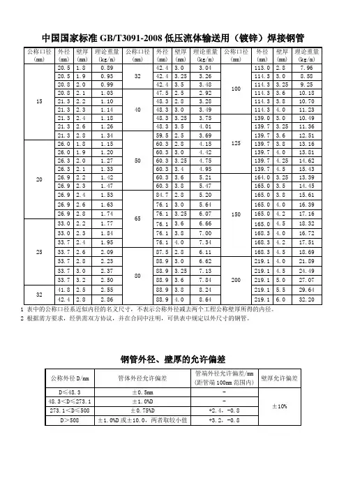
低压流体输送用镀锌焊接钢管表1中所列尺寸及理论重量均指黑管。
根据需方要求,可供应表1以外其他尺寸的镀锌钢管。
表1公称口径1)外径普通钢管加厚钢管mm in 公称尺寸mm允许偏差壁厚理论重量kg/m壁厚理论重量kg/m 公称尺寸mm允许偏差%公称尺寸mm允许偏差%68 10 15 20 25 32 40 50 65 80 100 125 1501/81/43/81/23/4111/411/2221/2345610.013.517.021.326.833.542.348.060.075.588.5114.0140.0165.0±0.50mm2.002.252.252.752.753.253.253.503.503.754.004.004.004.00+12-150.390.620.821.261.632.423.133.844.886.648.3410.8513.4217.812.502.752.753.253.504.004.004.254.504.504.755.005.505.50+12-150.460.730.971.452.012.913.784.586.167.889.8113.4418.2421.63±1%注:1)公称口径,表示近似内径的参考尺寸。
对各种规格的钢管,其外径决定于YB822所规定的尺寸。
每种规格的实际内径随着管壁厚度而变化公称口径不等于外径减2倍壁之差。
4.2 长度4.2.1 通常长度镀锌钢管的通常长度为4~9m。
每批允许交付重量不大于总重量5%、长度不小于2m的短尺钢管。
4.2.2 定尺长度镀锌钢管的定尺长度应在通常长度范围内,其长度允许偏差为mm。
4.2.3 倍尺长度镀锌钢管的倍尺长度应在通常长度范围内,其全长允许偏差为mm。
每个倍尺应留5~10mm的切口余量。
镀锌管焊接规范随着建筑工程的不断发展,铁路、路桥等领域对镀锌管的要求也越来越高。
而因镀锌管的特殊性质,其焊接规范也需要严格把握。
下面就针对镀锌管的焊接规范进行详细介绍。
一、焊接准备工作在进行镀锌管焊接前,首先要进行表面处理。
镀锌管的处理与普通钢管相比,主要有两个不同点。
1. 清理表面。
在进行焊接前,需要对焊接处表面进行清理。
需要注意的是,不应使用普通沙布来擦拭表面,而应使用白车轮磨头或铜丝轮磨头。
这样可以有效避免对镀锌层的损坏。
2. 溶解锌层。
由于镀锌管焊接时会产生高温,如果不进行处理,会导致边缘出现气孔等问题。
因此,需要在焊接处的前后各50mm的範圍内,将镀锌层溶解。
这样可以有效增强焊接强度。
二、焊接工艺选择焊接镀锌管时,我们可以选择多种工艺。
其中最常用的是手工电弧焊接。
而在电弧焊接中,常见的则有直流焊、交流焊以及氩弧焊等。
针对不同的工作需要,我们可以灵活选择。
三、焊接电流控制在进行焊接时,要注意电流的控制。
针对不同口径的镀锌管,需要设置不同的焊接电流,以达到最佳的焊接效果。
同时,焊接时不宜过于频繁地进行坑口补焊,这样会导致焊接处出现气孔、凹陷等现象。
四、焊接保护在进行镀锌管焊接时,需对焊缝进行保护,以避免外部空气的侵入。
常见的保护方式有化学腐蚀保护和机械保护。
选择何种保护方式,需要根据实际情况进行灵活选择。
五、焊接后处理在完成焊接后,还需要进行焊缝处理。
主要包括表面打磨和涂抹喷漆。
对于已经溶解的镀锌层,还需要在焊缝处重新喷镀锌层,以保证表面的整洁和光滑。
总之,镀锌管的焊接规范需要严格遵守,任何一点差错都有可能导致焊接效果不理想。
因此,在进行工作时,我们需要根据实际情况灵活选择,同时严格按照焊接规范进行作业,以达到最佳的焊接效果。
1、焊接钢管:执行国家GB/T13793标准;热镀锌管:执行国家GB/T3091标准。
2、产品应用于水、污水、燃气、空气、采暖蒸气等低压流体输送和结构用的直缝焊接钢管。
3、国标产品系列:长度:定尺6米/支
4、验收方法:外观检查:壁厚均匀,管口无毛刺,无锈蚀,弯折现象;整件包装完好;测量:用游标卡尺测量壁厚,用卷尺测量长度。
用电子秤或磅秤测量重量;试验方法:电线管抽样检测DN15~20,用弯管器现场煨弯,弯曲度和弯扁度符合要求;热镀锌管用锤适当敲外壁,观看是否有缝隙;资料要求:随车附带相应规格的产品质量证明书。
镀锌钢管相关规范近年来,随着工业和建筑行业的发展,镀锌钢管已经越来越被广泛应用在很多领域。
然而,由于市场上存在黑心生产者,使得一些低质量、不符合规范的镀锌钢管也混杂其中。
因此,为了保证我们使用的镀锌钢管具有良好的质量和可靠的性能,我们必须了解相关规范和标准。
本文将介绍镀锌钢管相关标准和规范。
一、镀锌钢管的基本知识镀锌钢管与黑管之间最大的区别是镀锌层,镀锌层通常是在热轧钢管表面覆盖一层锌后制成的。
这种处理可以有效地防止钢管生锈和腐蚀,同时也可增强钢管的硬度和韧性,使其更加耐用。
另外,镀锌层在一定程度上还可以起到隔热的作用,更适合于在一些特殊的场合下使用。
二、国家标准中国镀锌钢管标准主要有GB/T 3091-2015《焊接钢管》、GB/T 3092-2017《焊接镀锌钢管》、GB/T 9711.1-2011《石油天然气输送钢管技术条件第1部分:A级钢管》等。
这些标准均规定了钢管的尺寸、材质、物理性能、化学成份以及镀锌层的质量要求等方面的内容,并且也对钢管质量检测、试验方法等进行了一定的规定。
因此,在实际选购和使用钢管时,我们需要认真查看相关的标准,确保选购的钢管符合标准和规范要求。
三、现场质量控制对于镀锌钢管的质量控制,我们也需要在现场进行一些必要的检测和措施。
比如,钢管的表面镀锌层要光滑、无气泡、无白斑、无未被覆盖的钢管表面,如果发现上述问题,就可能存在一些质量问题。
另外,钢管的接口处和焊缝处也要进行一些必要的检测,确保质量符合规范。
需要注意的是,在使用镀锌钢管时,我们不仅要关注镀锌层质量,钢管的整体质量也是非常重要的。
比如,钢管的材质、壁厚、直径、长度等也都必须符合相关标准和规范要求。
只有选购符合规范的钢管,并且在现场进行严格的质量控制和检测,我们才能保证镀锌钢管在使用时具有良好的性能和可靠的耐久性。
四、总结总之,我们在使用镀锌钢管时,必须要了解相关的标准和规范,确保选购的钢管符合质量要求。
同时,现场进行严格的质量控制和检测也是非常重要的。
镀锌管执行标准
一、GB/T 3091-2015《焊接钢管》
GB/T 3091-2015是我国钢管标准中的基础标准,也是镀锌管的国家标准之一。
该标准规定了焊接钢管的材质、尺寸、化学成分、机械性能等要求,其中包括常用的Q195、Q215、Q235等钢种。
对于镀锌管来说,该标准也规定了镀锌层的厚度和质量等方面的要求。
二、ASTM A53/A53M-20《标准规范钢管,黑色和热浸镀锌、焊接
和无缝制造》
ASTM A53/A53M-20是美国标准,也是国际上广泛采用的钢管标准
之一。
该标准规定了黑色和热浸镀锌、焊接和无缝制造的钢管,其中黑色和热浸镀锌的钢管就包括了镀锌管。
该标准还规定了钢管的尺寸、化学成分、机械性能等方面的要求。
三、DIN 2440-78《普通用途的钢管,热浸镀锌》
DIN 2440-78是德国标准,也是欧洲地区广泛采用的钢管标准之一。
该标准主要适用于一般的建筑、制造和工程用途的钢管,其中包括了热浸镀锌的钢管,即镀锌管。
该标准规定了钢管的尺寸、材质、化学成分、机械性能等方面的要求。
四、其他国际标准
除了上述三个国家标准外,还有许多其他国际标准也适用于镀锌管,如EN 10255、JIS G3444、BS 1387、AS 1074等。
这些标准都规
定了钢管的尺寸、化学成分、机械性能等方面的要求,其中一些标准也包括了钢管的镀锌层厚度和质量等要求。
总的来说,镀锌管在各个国家和地区都有相应的标准规定,这些标准对其材质、尺寸、化学成分、镀层等方面进行了规范。
对于使用镀锌管的人们来说,选择符合相关国家标准的镀锌管是非常重要的,可以确保其性能和质量达到要求。
热镀锌钢管执行标准热镀锌钢管是一种具有优良耐腐蚀性能的钢管产品,其执行标准是保证产品质量的重要依据。
热镀锌钢管执行标准主要包括国家标准、行业标准和企业标准三个层次,下面将分别对这三个层次的执行标准进行介绍。
国家标准是对热镀锌钢管产品质量和技术要求的统一规定,其制定和实施是为了保障产品质量、促进行业健康发展。
目前我国热镀锌钢管的国家标准主要包括GB/T 3091-2001《焊接钢管》、GB/T 13793-2008《低压流体输送用焊接钢管》、GB/T 3092-2008《焊接钢管》等。
这些国家标准规定了热镀锌钢管的材质、规格、尺寸、外观质量、技术要求、试验方法等内容,对于生产企业和使用单位来说具有强制性。
行业标准是在国家标准的基础上,根据行业特点和实际需求制定的,其目的是为了进一步规范产品质量和技术要求,提高产品的竞争力。
热镀锌钢管的行业标准主要包括SY/T 0419-2007《石油天然气行业用钢管技术条件》、SY/T 0315-2001《石油天然气行业用镀锌钢管》等。
这些行业标准在国家标准的基础上,对热镀锌钢管的材质、工艺、检测方法等方面进行了进一步的规定,为行业内的生产和使用提供了更为具体的指导。
企业标准是指企业根据自身生产经营的需要,结合国家标准和行业标准,制定的适合本企业生产的产品质量和技术要求的标准。
企业标准通常是在国家标准和行业标准的基础上进行局部修订和补充,以适应企业自身的特殊要求。
企业标准对于企业内部生产和管理起着重要的指导作用,能够更好地满足市场需求,提高企业产品的竞争力。
总的来说,热镀锌钢管的执行标准是保证产品质量、规范生产和使用的重要依据,国家标准、行业标准和企业标准三个层次相互配合,共同构成了完善的标准体系。
只有严格执行执行标准,才能够保证热镀锌钢管产品的质量稳定,满足用户的需求,推动行业的健康发展。
镀锌钢管的厚度标准
镀锌钢管的厚度标准是按照国家标准《低压流体输送用镀锌焊接钢管》(GB/T3091-2015)进行规定的。
该标准适用于工作压力不大于2.5MPa、公称直径不大于150mm的低压流体输送用镀锌焊接钢管。
镀锌钢管的厚度应符合以下要求:
1. 公称直径为DN15、DN20、DN25、DN32、DN40、DN50、DN65、DN80、DN100、DN125的无缝钢管,其最小厚度分别为0.8mm、1.0mm、
1.2mm、1.5mm、
2.0mm、2.2mm、2.8mm、
3.2mm、
4.0mm、4.8mm。
2. 公称直径为DN75的无缝钢管,其最小厚度为
3.0mm。
3. 公称直径为DN100的无缝钢管,其最小厚度为3.5mm。
4. 公称直径为DN125的无缝钢管,其最小厚度为4.0mm。
镀锌钢管的厚度还与工作压力有关,不同工作压力下,镀锌钢管的厚度也会有所不同。
一般来说,工作压力越高,镀锌钢管的厚度也会相应增加。
q235b 镀锌钢管壁厚标准Q235B镀锌钢管壁厚标准引言:钢管广泛应用于建筑、桥梁、公路、石油、化工、管道等领域,其质量和性能对工程的安全和持久性有着重要影响。
Q235B镀锌钢管作为一种常见的镀锌钢管,其壁厚标准对于钢管的使用和生产具有重要意义。
本文从国家标准和相关行业规范出发,对Q235B镀锌钢管的壁厚标准进行详细介绍和分析。
第一部分:Q235B镀锌钢管的壁厚指标1. 国家标准:Q235B镀锌钢管在国家标准GB/T 3091-2015《焊接钢管》中有明确的壁厚指标。
根据该标准要求,Q235B 镀锌钢管的壁厚应满足GB/T 3091-2015标准表中给出的数值范围。
具体数值范围根据不同直径的钢管而有所不同,表现为最小值和最大值。
例如,直径为25mm的Q235B镀锌钢管的壁厚范围为2.0mm至3.5mm。
2. 相关行业规范:除了国家标准外,行业规范也对Q235B镀锌钢管的壁厚进行了要求。
例如,建筑领域常用的钢结构设计规范GB 50017-2017《钢结构设计规范》中规定,厚度大于等于100mm的连续厚钢板在计算截面特性时可以按照无限厚度进行计算。
对于壁厚小于100mm的钢管,应按国家标准及相关技术要求进行验算。
第二部分:Q235B镀锌钢管壁厚标准的重要性1. 对于钢管的强度和承载能力:钢管的壁厚直接影响到其强度和承载能力。
壁厚越大,钢管的强度和承载能力越大,能够承受更大的压力和拉力。
因此,合理控制Q235B镀锌钢管的壁厚标准,能够确保钢管在使用过程中具有足够的强度和承载能力,提高工程的安全性和可靠性。
2. 防腐性能:镀锌钢管的壁厚直接决定了其防腐性能。
壁厚越大,钢管的防腐层厚度越大,能够更好地防止钢管与外界环境的接触,减少腐蚀的可能。
因此,合理控制Q235B镀锌钢管的壁厚标准,能够提高钢管的防腐性能,延长其使用寿命,降低维修成本。
第三部分:壁厚标准制定的过程和方法1. 实验室测试:壁厚标准的制定需要通过实验室测试来确定最佳数值范围。
低压流体输送用镀锌焊接钢管
表1中所列尺寸及理论重量均指黑管。
根据需方要求,可供应表1以外其他尺寸的镀锌钢管。
表1
公称口径1)外径普通钢管加厚钢管
mm in 公称尺寸
mm
允许偏差
壁厚
理论重量
kg/m
壁厚
理论重量
kg/m
公称尺寸
mm
允许偏差
%
公称尺寸
mm
允许偏差
%
6 8 10 15 20 25 32 40 50 65 80 100 125 150 1/8
1/4
3/8
1/2
3/4
1
11/4
11/2
2
21/2
3
4
5
6
±0.50mm
+12
-15
+12
-15 ±1%
注:1)公称口径,表示近似内径的参考尺寸。
对各种规格的钢管,其外径决定于YB822所规定的尺寸。
每种规格的实际内径随着管壁厚度而变化公称口径不等于外径减2倍壁之差。
长度
4.2.1 通常长度
镀锌钢管的通常长度为4~9m。
每批允许交付重量不大于总重量5%、长度不小于2m的短尺钢管。
4.2.2 定尺长度
镀锌钢管的定尺长度应在通常长度范围内,其长度允许偏差为mm。
4.2.3 倍尺长度
镀锌钢管的倍尺长度应在通常长度范围内,其全长允许偏差为mm。
每个倍尺应留5~10mm的切口余量。