硅胶干燥剂的工作原理
- 格式:docx
- 大小:7.33 KB
- 文档页数:1
干燥剂是一个广泛定义的名词。
根据不同的用途、不同使用环境场所、不同行业及制作干燥剂的技术工艺水平的差异等,大致可以从如下几个方面来分类: 
  按照其成分分类: 
  1、硅胶干燥剂:以硅胶原料为主要成分,通过其疏松的分子结构物理吸附水汽的原理,具有一定的吸潮能力,普通硅胶干燥剂的吸湿率为15~18%,有些经过特别侵泡工艺处理后的吸湿率可达到约25%;
  2、矿物干燥剂:以蒙脱石原料为主要成分,通过其疏松的分子结构物理吸附水汽的原理,具有一定的吸潮能力,普通矿物干燥剂的吸湿率为15~18%;改良矿物干燥剂,含有氯化钙成份,吸湿率提高为40~60%;
  3、纤维干燥剂:以结构疏松的纸板作为基材,经过特定化学物质的侵泡、烘烤等工艺,使其吸湿率性能约达到40~60%; 
  4、生石灰干燥剂:以氧化钙为主要成分,吸湿率约为10~12%;
  5、氯化钙干燥剂:以氯化钙为主要成分,配以凝胶配方。
氯化钙干燥剂的吸湿率最大可达到300%以上。
干燥剂 编辑:hyyfwm。
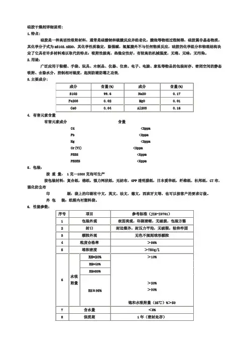
硅胶干燥剂详细说明:
1.特点:
硅胶是一种高活性吸附材料,通常是硅酸钠和硫酸反应并经老化,酸泡等物理过程制得,硅胶属非晶态物质,其化学分子式为mSiO2.nH2O,其化学性质稳定,除强碱,氢氟酸外不与任何物质反应,硅胶的化学组分和物理结构决定了它具有许多材料难以取代的特点:吸附性能高,热稳定性好,有较高的机械强度,无毒,无味,无污染。
2.用途:
广泛应用于鞋帽、手袋、玩具、木制品、仪器、仪表、电子、电脑、家私等物品的包装封存、密闭空间的静态吸附、去除水分,控制相对湿度,起到防潮防霉之功效.
3.主要成分:
4. 有害元素含量
有害元素成分含量
Cd <2ppm
Pb <2ppm
Hg <2ppm
Cr(VI) <2ppm
PBBS <5ppm
PBDES <5ppm
5.包装:
按重量: 1克—1000克均可生产
按包装材料:复合纸,棉纸,强力网状纸,无纺布,OPP透明腊纸,日本爱华纸,纤维纸,杜邦纸,CT布,强化防尘布
印刷:袋上的印刷有中文,英文,法文,德文,西班牙文等,也可以按客户的要求订做。
外包装:纸箱内衬塑料袋。
6. 性能参数:。
硅胶是非结晶性化合物,表面积大,表面活性高,易吸水:mSiO2 + nH2O = mSiO2.nH2O可以认为在局部生成H2SiO3,而H2SiO3只有在高温下才会脱水:H2SiO3 (高温)= H2O + SiO2其逆过程就是吸水,也就是常温下易吸水,所以脱水难,需要高能才能脱水。
硅胶的化学式为xSio 2·yH2O,是透明或乳白色粒状固体。
具有开放的多孔结构,吸附强,能吸附多种物质。
在水玻璃的水溶液中加入稀硫酸(或)并静置,便成为含水硅酸凝胶而固态化。
以水洗清除溶解在其中的电解质Na+和SO4 2-( Cl-)离子,干燥后就可得硅胶。
如吸收水分,吸湿量约达40%。
用于气体干燥,气体吸收,液体脱水,色层分析等,也用做催化剂。
无机硅胶是一种高活吸附材料,通常是用硅酸钠和硫酸反应,并经老化、酸泡等一系列后处理过程而制得。
硅胶属非晶态物质,其化学式为mSiO2 .nH2O。
硅胶干燥剂一般指硅酸干凝胶。
透明或乳白色粒状固体。
具有开放的多孔结构,吸附性强,能吸附多种物质。
它的应用范围非常广泛。
它不仅作为航空、尖端技术、军事技术部门的特种材料使用,而且也用
硅胶干燥剂是一种以细孔硅胶为原料的小包装干燥剂,也是最常用的干燥剂.我们一般所用的干燥剂就是硅胶干燥剂.细孔硅胶为无色或微黄色的透明或半透明型颗粒,内部有许多微细孔,表面积达700平方米/克。
当其吸收水分达到饱和状态,不会发生表面和形态的变化.具有吸湿快,不变形等特点.无毒、无臭、具有较大的内表面积,并且对水蒸汽和其他可冷凝的蒸汽具有较高的吸附能力。
硅酸干凝胶:透明或乳白色粒状固体。
具有开放的多孔结构,吸附性强,能吸附多种物质。
它的应用范围非常广泛。
它不仅作为航空、尖端技术、军事技术部门的特种材料使用,而且也用于国民经济各部门,其已扩到:建筑、电子电气、纺织、汽车、机械、皮革造纸、化工轻工、金属和油漆、医药医疗等。
简介:硅酸干凝胶是经脱水干燥后的硅凝胶,一般人们称为硅胶,有丰富的孔性结构和大的比表面。
硅胶的化学组成为mSiO2·nH2O,其基本结构单元是硅氧四面体。
硅氧四面体以不同方式联结,若联结规则则可得SiO2晶体,无规则堆积则成类似于玻璃态的SiO2胶粒,构成硅凝胶的骨架。
堆积时的孔隙在为水凝胶时被水填充,干凝胶时为空孔隙。
下图是硅氧四面体联结成晶体SiO2和玻璃态SiO2的结构示意图。
硅凝胶的结构类似于玻璃态SiO2的结构。
硅胶的化学稳定性好,耐酸,不耐碱,耐热性好,高纯硅胶在低于700℃时热处理比表面和孔结构无明显变化。
硅胶也没有统一的分类标准,可以按颗粒形状分为粉状、粒状、球状硅胶,按密度可分为高、中、低密度硅胶。
硅酸干凝成份:硅酸干凝成份Si(OC2H5)4(TEOS)和H2N(CH2)3Si(OC2H5)3(APS)为主要原料,在不同的条件下(催化剂、热处理、高分子添加剂)通过溶胶-凝胶法制备了一系列不同组成的SiO2干凝胶,并通过发光光谱对所得的干凝胶进行了表征。
在长波365nm紫外光激发下,干凝胶样品都显示出较强的蓝光发射,但其发光波长和发光强度随着组成和处理条件不同而有明显的差异。
APS与有机酸(醋酸)和无机酸(盐酸、硝酸、硫酸)所得SiO2干凝胶的结果为IHAc(λmax=432nm)>IHNO3(λmax=441nm)≈IH2SO4(λmax=426nm)》IHCl(λmax=442nm),并且在APS与HCl作用所得的干凝胶样品中,明显存在两种发光中心(其发射峰值波长分别位于442nm和487nm,相应的激发波长分别位于365nm和273nm)。
干燥剂的除水原理干燥剂是我们在日常生活中十分熟悉的东西,食品为了减少包装中的水分含量防止腐化也会使用干燥剂,衣服等各个方面也需要使用干燥剂。
干燥剂有两种除水方式,一种是化学吸附,一种是物理吸附。
物理吸附比如硅胶就是通过物理方式直接吸收空气中的水含量。
化学吸附则是让空气中的水和干燥剂发生化学反应,生成水合物。
一、化学吸附1、生石灰干燥剂:主要成分为氧化钙,其吸水能力是通过化学反应来实现的,因此吸水具有不可逆性。
不管外界环境湿度高低,它能保持大于自重35%的吸湿能力,更适合于低温度保存,具有极好的干燥吸湿效果,而且价格较低。
可广泛用于食品、服装、茶叶、皮革、制鞋、电器等行业。
目前最常见“雪饼”中使用该类型干燥剂。
但是生石灰干燥剂由于具有强碱腐蚀性,经常发生伤害小孩或老人眼睛的事情,目前已逐渐被淘汰。
2、氯化钙干燥剂:主要原料是氯化钙,是采用优质碳酸钙和盐酸为原料,经反应合成、过滤、蒸发浓缩、干燥等工艺过程精制而成。
白色多孔块状、粒状或蜂窝状固体。
味微苦,无臭。
水溶液为无色。
主要用作无机化工生产其它各种钙盐的原料;也用作气体的干燥剂,生产醇、酯、醚和丙烯酸树脂时的脱水剂。
在食品工业中用作钙质强化剂、固化剂、螯合剂、干燥剂等。
二、物理吸附1、硅胶干燥剂:是透湿性小袋包装的不同品种的硅胶,主要原料硅胶是一种高微孔结构的含水二氧化硅,无毒、无味、无嗅,化学性质稳定,具强烈的吸湿性能,是一种高活性吸附材料。
通常是用硅酸钠和硫酸反应,并经老化、酸泡等一系列后处理过程而制得。
硅胶属非晶态物质,其形状透明不规则球体,其化学分子式为mSiO2?nH2O。
因而广泛用于仪器、仪表、设备器械、皮革、箱包、鞋类、纺织品、食品、药品等的贮存和运输中控制环境的相对湿度,防止物品受潮,霉变和锈蚀。
2、蒙脱石干燥剂:外观形状为灰色小球,最适宜在50℃以下的环境中吸湿。
当温度高于50℃,蒙脱石的”放水”程度便大于”吸水”程度。
但蒙脱石的优势在于价格便宜。
硅胶干燥剂用量国标标准摘要:1.硅胶干燥剂的基本概念和作用2.硅胶干燥剂的国标用量标准3.硅胶干燥剂的使用注意事项4.硅胶干燥剂的选购与鉴别方法正文:一、硅胶干燥剂的基本概念和作用硅胶干燥剂,是一种高活性吸附材料,主要成分为mSiO2·nH2O。
它具有纳米级的微孔结构,能够有效吸附空气中的水分和体积与其微孔孔容相当的气体分子。
在我国,硅胶干燥剂广泛应用于各个行业,如医药、食品、电子等领域,以防止产品受潮、变质或损坏。
二、硅胶干燥剂的国标用量标准根据我国相关标准,硅胶干燥剂的用量主要取决于其吸附能力和使用环境。
一般情况下,硅胶干燥剂在相对湿度20%的条件下,吸附水蒸气达到饱和时,其吸附量为硅胶最初本身重量的10%。
以100g硅胶为例,20%湿度条件下,它能吸附10g水蒸气达到饱和状态。
三、硅胶干燥剂的使用注意事项1.选用优质硅胶干燥剂:质量好的硅胶干燥剂吸附能力强,使用效果更佳。
2.注意使用环境:根据实际需要,选择适当湿度下能达到饱和吸附的硅胶干燥剂。
3.定期检查和更换:硅胶干燥剂吸附能力下降时,需及时检查并更换新的硅胶干燥剂。
四、硅胶干燥剂的选购与鉴别方法1.选购时,应选择正规厂家和知名品牌,确保产品质量和安全性。
2.鉴别方法:无色硅胶干燥剂无法用肉眼判断吸附效果,可参照国标用量标准进行选购。
此外,有些不法企业在硅胶干燥剂中掺拌玻璃珠,可通过测试爆炸能力来鉴别(但现在这种方法可靠性较低,因为正品硅胶干燥剂和劣质品的爆炸速度差异不明显)。
总之,在选购和使用硅胶干燥剂时,要注重其质量、用量标准和使用方法,确保产品质量和安全。
干燥剂也叫吸咐剂,是用在防潮,防霉方面,起干燥作用,按吸附方式及反应产物不同为分物理吸附干燥剂和化学吸附干燥剂。
物理吸附的干燥剂有硅胶、氧化铝凝胶、分子筛、活性炭、骨炭、木炭、矿物干燥剂,或活性白土等,它的干燥原理就是通过物理方式将水分子吸附在自身的结构中。
英文名:desiccant、drying agent、desiccating agentdessicant。
干燥剂是一种从大气中吸收潮气的除水剂,它的干燥原理就是通过物理方式将水分子吸附在自身的结构中或通过化学方式吸收水分子并改变其化学结构,变成另外一种物质。
化学吸附的常用干燥剂有氯化镁、氯化钙、碱石灰或五氧化二磷、硅酸等,他是通过化学方式吸收水分子并改变其化学结构,变成另外一种物质。
物理吸附的常用干燥剂有硅胶干燥剂、粘土干燥剂、分子筛干燥剂、矿物干燥剂、纤维干燥剂等。
静态干燥(被处理液或气体与吸附剂搅拌混合,定义:定量的吸附剂和定量的溶液经过长时间的充分接触而达到平衡。
而被处理液或气体没有自上而下流过吸附剂的流动,这种吸附操作叫静态吸附。
)应用:1、防湿包装:照相机及感光材料、精密仪器/电器、食品、药品、鞋、衣服、皮革、武器、电讯器材等。
2、空气脱湿:家庭内壁橱、柜子、地板、乐器等。
动态干燥定义:把一定重量的吸附剂填充于吸附柱中,令浓度一定的溶液在恒温下以恒速流过,从而测得透过吸附容量和平衡吸附容量。
(被处理液或气体通过吸附剂自上向下流动的吸附叫动态。
)应用:1、空气干燥:仓库、船仓、制药厂、精密机械、电子器材制造厂、压缩空气、仪表空气干燥。
2、工业气体脱水精制:氢、氧、氮、氯、CO2、乙炔、乙烯、甲烷、乙烷、丙烷、SO3、SO2、天然气、煤气。
编辑本段物理吸附干燥剂分类及介绍⒈硅胶干燥剂是一种高活性吸附材料,主要成分是二氧化硅,是一种高活性吸附材料。
通常是用硅酸钠和硫酸反应,并经老化、酸泡等一系列后处理过程而制得。
硅胶属非晶态物质,其形状透明不规侧球体,其化学分子式为mSiO2.nH2O。
变色硅胶干燥剂成分及变色原理硅胶目前分为3种:蓝色硅胶干燥剂、无钴橙色硅胶干燥剂、无钴蓝色硅胶干燥剂。
2-1、蓝色硅胶干燥剂(蓝变红)变色的主要原因是含有氯化钴。
氯化钴本身具有因为吸水而从蓝色变成粉红色的特性。
——可参阅氯化钴的百度百科2-2、无钴橙色硅胶干燥剂(黄变绿)变色主要原因是含有甲基紫,甲基紫会因为PH变化而发生颜色改变。
其利用了甲基紫在PH0.13-0.5 范围内发生“黄色→绿色”的原理——可参阅甲基紫的百度百2-3、无钴蓝色硅胶干燥剂(黄变红)变色的主要原因是含有刚果红,刚果红本身克用于作为酸碱指示剂,变色范围为3.5到5.2,碱态为红色,酸态为蓝紫色。
——可参阅刚果红的百度百科变色硅胶是在硅胶中加入了少量的CoCl2此物质为蓝色,当硅胶在干燥过程中吸收的水分到了一定程度时,CoCl2形成了CoCl2·6H2O,此物质为粉红色。
当硅胶干燥剂失去了作用时,就显示出了粉红色,可以加热再生。
反应原理为:CoCl2·6H2O = CoCl2 + 6H2O (加热)粉红蓝【产品概况】变色硅胶干燥剂为球形或不规则的颗粒,根据外观的不同分为紫色、桔红色或黄色三种型号,其主要成分为二氧化硅,颜色随湿度不同而变化,除具有兰胶性能外,还具有不含氟化钴,无毒,无害的优点。
蓝色硅胶含有微量氯化钴,为玻璃状颗粒,根据颗粒形状可分为球形和块状两种,具有硅胶吸附防潮的作用,并可随吸湿量的增加,自身颜色由蓝色变紫色,最后变成浅红色,既指示环境的湿度,也直观显示是否仍有防潮作用。
橙色硅胶外观为橘黄色球状玻璃体,它含有一种显示剂,当未受潮湿呈橘黄色。
吸潮后逐渐变成浅绿色,继续吸潮变成墨绿色时,则需要更换新的硅胶或再生使用。
本产品为无钴环保型,采用一种无毒,无钴的混合有机物作为变色剂。
这样就可以有效地避免钴对环境与人类健康的危害。
【用途】变色硅胶干燥剂主要用于干燥、指示干燥程度或湿度,广泛用于精密仪器、医药、石油化工、食品、服装、皮革、家电及其它工业气体等。
干燥剂颜色发生变化的原理干燥剂是一种常见的物质,被广泛应用于吸湿和除湿的过程中。
在使用过程中,人们会发现某些干燥剂会随着时间的推移而发生颜色的变化。
这种颜色变化往往与干燥剂中所含化合物的性质和反应有关。
下面将详细介绍几种常见干燥剂的颜色变化原理。
1. 蓝石(蓝剂):蓝石,又称硅胶干燥剂,是一种常用的除湿剂。
它的颜色是深蓝色的,主要成分是硅酸盐。
蓝石的除湿原理是通过吸附空气中的水分分子,将其固定在表面。
当蓝石吸湿达到一定程度时,其颜色会发生变化,变为粉红色。
这是因为水分分子的吸附使得蓝石表面的颗粒产生结构变化,导致光的散射和吸收特性发生变化,从而呈现出不同的颜色。
2. 氧化镁:氧化镁是一种常用的除湿剂和干燥剂,广泛应用于各种领域。
它的颜色是白色的,主要由镁元素和氧元素组成。
氧化镁的干燥原理是通过吸附空气中的水分分子,将其转化为水合物。
这种水合物会改变氧化镁的晶体结构和电荷分布,从而导致颜色的变化。
当氧化镁吸湿达到一定程度时,其颜色会由白色变为白转黄,表明其吸湿能力已经发挥到了一定程度。
3. 钙氯化剂:钙氯化剂是一种常用的干燥剂,可用于吸湿、除湿和干燥的过程中。
它的颜色是白色的,主要成分是钙离子和氯离子。
钙氯化剂的除湿原理是通过结晶吸附水分分子,将其固定在结晶的空腔中。
当钙氯化剂吸湿达到一定程度时,其颜色会发生变化,变为透明或呈现淡黄色。
这是因为水分分子的结晶吸附导致钙氯化剂结构的微小变化,从而改变了其光的透射和反射特性。
4. 硅胶:硅胶是一种常见的干燥剂,也是一种广泛应用于吸湿和除湿的材料。
它的颜色通常是白色或透明的。
硅胶的除湿原理是通过吸附空气中的水分分子,将其吸附在表面。
当硅胶吸湿达到一定程度时,其颜色会发生变化,变为透明或呈现淡黄色。
这是由于水分分子的吸附导致硅胶表面的微小结构变化,进而影响其光的散射、吸收和透射特性。
以上是几种常见干燥剂的颜色变化原理。
总的来说,干燥剂的颜色变化主要是由于其中所含化合物的结构和电荷分布的改变。
硅胶干燥剂的工作原理
精选文档
TTMS system office room 【TTMS16H-TTMS2A-TTMS8Q8-
硅胶干燥剂的工作原理
硅胶干燥剂主要是用硅酸钠和硫酸反应,并经老化、酸泡等一系列后处理过程得到的,不溶于水和任何溶剂,无毒无味,化学性质稳定,除强碱、氢氟酸外不与任何物质发生反应。
其化学性质与物理性质都赋予了硅胶良好的吸湿能力。
硅胶作为干燥剂,其干燥原理是依靠吸附作用来除去潮湿物质中的水分子,即通过固体表面的质点与各种气体、液体等中的水分子发生相互吸引力而将其吸附在固体物质表面上,这类物质大多有很多的孔隙,有着巨大的表面积。
?
硅胶可用可溶性硅酸盐与盐酸反应而制得,反应的实际过程很复杂,反应方程式一般可写为:
?
硅酸在水里的溶解度不大,但生成后并不立即沉淀,而是硅酸分子之间发生缩合形成硅酸凝胶。
将硅酸凝胶充分洗涤除去可溶性盐类后,干燥脱水即成为多孔性固体物质,称为硅胶。
?
一般湿度的环境下,一个立方的用量大概为500克,但是也可根据环境湿度的高低,适当增减硅胶干燥剂的用量,以达到更合理更正确的吸湿效果。
内容参考自苏州市珍珠活性干燥剂有限公司官网。
硅胶本身是一种中性物质,除与强碱、强酸在一定条件下发生反应外,不会与其他任何物质发生反应。
是一种可与药品、食品直接接触使用的干燥剂。
具有吸附作用能作为干燥剂的物理干燥剂,除了硅胶外,还有活性炭、活性氧化铝等。
变色硅胶干燥剂成分及变色原理硅胶目前分为3种:蓝色硅胶干燥剂、无钴橙色硅胶干燥剂、无钴蓝色硅胶干燥剂。
2-1、蓝色硅胶干燥剂(蓝变红)变色的主要原因是含有氯化钴。
氯化钴本身具有因为吸水而从蓝色变成粉红色的特性。
——可参阅氯化钴的百度百科2-2、无钴橙色硅胶干燥剂(黄变绿)变色主要原因是含有甲基紫,甲基紫会因为PH变化而发生颜色改变。
其利用了甲基紫在PH0.13-0.5 范围内发生“黄色→绿色”的原理——可参阅甲基紫的百度百2-3、无钴蓝色硅胶干燥剂(黄变红)变色的主要原因是含有刚果红,刚果红本身克用于作为酸碱指示剂,变色范围为3.5到5.2,碱态为红色,酸态为蓝紫色。
——可参阅刚果红的百度百科变色硅胶是在硅胶中加入了少量的CoCl2此物质为蓝色,当硅胶在干燥过程中吸收的水分到了一定程度时,CoCl2形成了CoCl2·6H2O,此物质为粉红色。
当硅胶干燥剂失去了作用时,就显示出了粉红色,可以加热再生。
反应原理为:CoCl2·6H2O = CoCl2 + 6H2O (加热)粉红蓝【产品概况】变色硅胶干燥剂为球形或不规则的颗粒,根据外观的不同分为紫色、桔红色或黄色三种型号,其主要成分为二氧化硅,颜色随湿度不同而变化,除具有兰胶性能外,还具有不含氟化钴,无毒,无害的优点。
蓝色硅胶含有微量氯化钴,为玻璃状颗粒,根据颗粒形状可分为球形和块状两种,具有硅胶吸附防潮的作用,并可随吸湿量的增加,自身颜色由蓝色变紫色,最后变成浅红色,既指示环境的湿度,也直观显示是否仍有防潮作用。
橙色硅胶外观为橘黄色球状玻璃体,它含有一种显示剂,当未受潮湿呈橘黄色。
吸潮后逐渐变成浅绿色,继续吸潮变成墨绿色时,则需要更换新的硅胶或再生使用。
本产品为无钴环保型,采用一种无毒,无钴的混合有机物作为变色剂。
这样就可以有效地避免钴对环境与人类健康的危害。
【用途】变色硅胶干燥剂主要用于干燥、指示干燥程度或湿度,广泛用于精密仪器、医药、石油化工、食品、服装、皮革、家电及其它工业气体等。
蓝色硅胶干燥剂:
变色原理:CoCl2 ( 蓝色) + 6H2O ( 浅红色) = CoCl2·6H2O;无水二氯化钴是透明蓝色,吸水后变成浅红色无规则晶体,在加热情况下,可分解成氯化钴重复利用,作为包装用硅胶干燥剂,广泛用于精密仪器、皮革、鞋、服装、食品、药品和家用电器等。
无钴橙色硅胶干燥剂:
变色原理:甲基紫因PH值(酸碱性)变化而发生颜色上的变化,而无钴橙色硅胶干燥剂利用了在PH0.13~0.5的范围内由橙色变为墨绿色的原理,但功能也一样,硅胶的物理特性:
黏度:科技名词解释:液体,拟液体或拟固体物质抗流动的体积特性,即受外力作用而流动时,分子间所呈现的内摩擦或流动内阻力。
通常情况下黏度和硬度成正比。
硬度:硅橡胶具有10至80的邵氏硬度范围,这就给予设计师以充分的自由来选择所需的硬度,以最佳地实现特定的功能。
对聚合物
e799bee5baa6e79fa5e98193e78988e69d8331333431373263基材、填充物行不同比例的混合可以实现各种中间的硬度值。
拉伸强度:拉伸强度是指造成一块橡胶材料样品撕裂时每个范围单位上所需的力。
热加硫型固态有机硅橡胶拉伸强度范围介于4.0-12.5MPa之间。
氟硅橡胶拉伸强度范围介于8.7-12.1MPa之间。
液体硅橡胶的拉伸强度范围介于
3.6-11.0MPa之间。
具有较强的吸湿能力,也是一种循环利用的环保干燥剂材料。
硅胶干燥剂的工作原理 Pleasure Group Office【T985AB-B866SYT-B182C-BS682T-STT18】
硅胶干燥剂的工作原理
硅胶干燥剂主要是用硅酸钠和硫酸反应,并经老化、酸泡等一系列后处理过程得到的,不溶于水和任何溶剂,无毒无味,化学性质稳定,除强碱、氢氟酸外不与任何物质发生反应。
其化学性质与物理性质都赋予了硅胶良好的吸湿能力。
硅胶作为干燥剂,其干燥原理是依靠吸附作用来除去潮湿物质中的水分子,即通过固体表面的质点与各种气体、液体等中的水分子发生相互吸引力而将其吸附在固体物质表面上,这类物质大多有很多的孔隙,有着巨大的表面积。
硅胶可用可溶性硅酸盐与盐酸反应而制得,反应的实际过程很复杂,反应方程式一般可写为:
硅酸在水里的溶解度不大,但生成后并不立即沉淀,而是硅酸分子之间发生缩合形成硅酸凝胶。
将硅酸凝胶充分洗涤除去可溶性盐类后,干燥脱水即成为多孔性固体物质,称为硅胶。
一般湿度的环境下,一个立方的用量大概为500克,但是也可根据环境湿度的高低,适当增减硅胶干燥剂的用量,以达到更合理更正确的吸湿效果。
内容参考自苏州市珍珠活性干燥剂有限公司官网。
硅胶本身是一种中性物质,除与强碱、强酸在一定条件下发生反应外,不会与其他任何物质发生反应。
是一种可与药品、食品直接接触使用的干燥剂。
具有吸附作用能作为干燥剂的物理干燥剂,除了硅胶外,还有活性炭、活性氧化铝等。
干燥剂的工作原理干燥剂,也称为催干剂。
是指能除去潮湿物质中水分的物质,具有多孔结构或较大的表面积,对水蒸气、其他气体或异味具有很高的吸附性能。
干燥剂常用的有吸附型和潮解型两种形式。
物理吸附的干燥剂有硅胶、氧化铝凝胶、分子筛、活性炭、骨炭、木炭、矿物干燥剂,或活性白土等,它的干燥原理就是通过物理方式将水分子吸附在自身的结构中。
化学吸附干燥剂分两类,第一类为酸性干燥剂,有浓硫酸、五氧化二磷、无水硫酸铜等,第二类为碱性干燥剂,有固体烧碱、石灰和碱石灰(氢氧化钠和氧化钙的混合物)等,第三类是中性干燥剂,如无水氯化钙、无水硫酸镁等。
根据状态可分为干燥剂分固体、液体和气体三类。
常见固体干燥剂有:碱石灰、NaOH固体、氧化钙、固体五氧化二磷、无水氯化钙、无水硫酸铜、二氧化硅。
常见液体干燥剂有:浓硫酸、浓磷酸。
根据干燥剂的酸碱性可分为酸性干燥剂、中性干燥剂、碱性干燥剂。
酸性干燥剂:浓硫酸、浓磷酸、五氧化二磷。
中性干燥剂:无水氯化钙、无水硫酸铜。
碱性干燥剂:碱石灰、氧化钙、固体NaOH等。
还有金属干燥剂和分子筛等。
常见的食品干燥剂有碱性和中性两大类。
中性干燥剂有氯化钙和硅胶干燥剂,具有缓慢吸水的作用,对人体不会产生明显的伤害。
但生石灰(氧化钙)价格比较低,有些食品生产商为节约成本,可能会使用。
常见类型二氧化硅型硅胶别名硅酸凝胶,透明或乳白色粒状固体,非晶态物质,主要成分是二氧化硅,物理化学性质稳定,不燃烧。
硅胶具有开放多孔结构,吸附性强,能吸附多种物质,包括细孔球形硅胶和细孔块状硅胶。
硅胶干燥剂氧化硅,二氧化硅(Silica),化学式为SiO₂。
又称硅石,无色透明晶体或白色粉末,松散、无定形、无毒、无味、无嗅、无污染,是一种非金属氧化物。
存在形态有结晶型和无定型两大类。
氧化铝型氧化铝作为吸附剂的氧化铝又称活性氧化铝,经氢氧化铝燃烧而成。
氢氧化铝有多种类型,如三水氧化铝,也称三水铝石、诺水铝石、拜耳石、湃铝石等。
铁矾土即含铁高的耐火粘土和铝土矿。
硅胶干燥剂有毒吗干燥剂的用途关于《硅胶干燥剂有毒吗干燥剂的用途》,是我们特意为大家整理的,希望对大家有所帮助。
硅胶干燥剂是一种高活性吸附材料,它通常是用于硅酸钠和硫酸反应,经过老化、酸泡等一系列的处理过程而制作的。
那么你们知道硅胶干燥剂有毒吗?硅胶干燥剂的用途有哪些呢?对于硅胶干燥剂还有其他的种类吗?硅胶干燥剂里面含有硅胶以及氧化钙,这两种化学物质能够对我们的人体造成极大的危害,那么硅胶干燥剂的原理是什么呢?它对我们的身体到底有没有害处呢?硅胶干燥剂的原理硅胶干燥剂中的主成分是二氧化硅,二氧化硅本事是开放的多孔结构,有强吸附性,能吸附多种物质。
硅胶自身拥有的化学和物理特性,决定了它具有许多其他同类别物质难以媲美的特点:吸附性能好,热稳定性高,化学性质稳定,高机械强度。
硅胶干燥剂有毒吗蓝色硅胶干燥剂(变色硅胶干燥剂)的主要变色成分“氯化钴”。
健康危害:吸入该品粉尘对呼吸道有刺激性.长期吸入引起严重肺疾患.对敏感个体,吸入该品粉尘可致肺部阻塞性病变,出现气短等症状.粉尘对眼有刺激性,长期接触可致眼损害.对皮肤有致敏性,可致皮炎.摄入引起恶心、呕吐、腹泻;大量摄入引起急性中毒,引起血液、甲状腺和胰脏损害。
橙色硅胶干燥剂(变色硅胶干燥剂)的主要变色成分是甲基紫。
健康危害:本品属中等毒类.接触的工人可见慢性胃肠道疾病、喉炎、鼻炎、皮炎和结膜炎等疾病增加.吞入本品可致胃溃疡.长时间接触,可引起头痛、恶心和呕吐。
所以说硅胶干燥剂对我们的人体还是有害的,虽然它能够有效的防止食物的腐坏。
那么硅胶干燥剂还有一些其他的用途吗?下面就跟着小编一起来看看吧。
硅胶干燥剂的用途药品、机械、光学电子、精密仪器、仪表、种子、加工食品、茶叶、各种化纤纺织、皮鞋、皮革、运动鞋以及文物档案、照相机、工艺美术品等一切需要防潮防霉的物品,应用十分广泛。
具体说明如下。
1、硅胶干燥剂可用于瓶装药品、食品的防潮。
保证内容物品的干燥,防止各种杂霉菌的生长。
硅胶干燥剂成分表
硅胶干燥剂成分表
硅胶干燥剂是一种吸湿保鲜的无机材料,主要成分是无机化合物二氧化硅(SiO2)。
其化学结构是由硅和氧原子交替排列而成。
硅胶干燥剂在自然界中广泛存在,如石英砂、玻璃、石英、水晶等都是二氧化硅的形式。
硅胶干燥剂还加入了一些助剂,以提高吸湿性能。
硅胶干燥剂成分表如下:
主要成分:二氧化硅(SiO2)
辅助成分:氧化钙(CaO)、氧化铝(Al2O3)、氯化钠(NaCl)等
氧化钙(CaO):是一种碱性金属氧化物,具有强烈的腐蚀性和脱水性,在硅胶中起到了脱除水分的作用。
氧化铝(Al2O3):是一种无机氧化合物,具有良好的吸湿性,能够帮助硅胶吸附水分并保持吸湿性能。
氯化钠(NaCl):是一种化学物质,用于控制硅胶颜色,其作用是使硅胶保持清晰的白色。
总之,硅胶干燥剂是一种高效的吸湿剂,由二氧化硅、氧化钙、氧化铝、氯化钠等多种无机化合物组成。
通过科学配比,硅胶干燥剂能够
在低温、潮湿的环境中快速吸附水分,保持干燥。
在各个领域,如药品、食品、化妆品、电子器件等都有广泛应用。
各种食品干燥剂的干燥原理
食品干燥剂是一种用于吸收空气中的水分的物质,常用于保持食品的干燥和新鲜度。
不同类型的食品干燥剂有不同的干燥原理。
1. 硅胶干燥剂
硅胶干燥剂是一种常见的食品干燥剂,其干燥原理是利用其吸附性能吸收空气中的水分。
硅胶干燥剂通常是由硅酸盐和硫酸钠等物质制成,其干燥效果较好,但使用后需及时更换。
2. 活性炭干燥剂
活性炭干燥剂也是一种常见的食品干燥剂,其干燥原理是利用吸附剂的表面活性吸附空气中的水分。
活性炭干燥剂通常由竹木炭等材料制成,其干燥效果较好,可以重复使用。
3. 酸盐干燥剂
酸盐干燥剂是一种基于化学反应的食品干燥剂,其干燥原理是通过化学反应吸收空气中的水分。
酸盐干燥剂通常由硫酸钙和硫酸钠等化合物制成,其干燥效果较好,但使用后需及时更换。
4. 分子筛干燥剂
分子筛干燥剂是一种常见的食品干燥剂,其干燥原理是基于分子筛的吸附性能吸收空气中的水分。
分子筛干燥剂通常由氧化铝和硅酸铝等化合物制成,其干燥效果较好,可以重复使用。
总之,不同类型的食品干燥剂有不同的干燥原理,选择适合自己需求的干燥剂可以更好地保持食品的干燥和新鲜度。
- 1 -。
硅胶干燥剂的工作原理
硅胶干燥剂主要是用硅酸钠和硫酸反应,并经老化、酸泡等一系列后处理过程得到的,不溶于水和任何溶剂,无毒无味,化学性质稳定,除强碱、氢氟酸外不与任何物质发生反应。
其化学性质与物理性质都赋予了硅胶良好的吸湿能力。
硅胶作为干燥剂,其干燥原理是依靠吸附作用来除去潮湿物质中的水分子,即通过固体表面的质点与各种气体、液体等中的水分子发生相互吸引力而将其吸附在固体物质表面上,这类物质大多有很多的孔隙,有着巨大的表面积。
硅胶可用可溶性硅酸盐与盐酸反应而制得,反应的实际过程很复杂,反应方程式一般可写为:
硅酸在水里的溶解度不大,但生成后并不立即沉淀,而是硅酸分子之间发生缩合形成硅酸凝胶。
将硅酸凝胶充分洗涤除去可溶性盐类后,干燥脱水即成为多孔性固体物质,称为硅胶。
一般湿度的环境下,一个立方的用量大概为500克,但是也可根据环境湿度的高低,适当增减硅胶干燥剂的用量,以达到更合理更正确的吸湿效果。
内容参考自苏州市珍珠活性干燥剂有限公司官网。
硅胶本身是一种中性物质,除与强碱、强酸在一定条件下发生反应外,不会与其他任何物质发生反应。
是一种可与药品、食品直接接触使用的干燥剂。
具有吸附作用能作为干燥剂的物理干燥剂,除了硅胶外,还有活性炭、活性氧化铝等。