2017年华南理工-生产运作管理-随堂练习
- 格式:docx
- 大小:820.71 KB
- 文档页数:18
管理学原理随堂练习答案管理、管理者与管理学 1.下列不属于管理职能的是()。
(对应知识点:管理的职能)A、激励B、组织C、领导D、计划参考答案:A2.计划职能的核心是()。
(对应知识点:计划职能)A、目标B、宗旨C、决策D、组织参考答案:C3.决定管理社会属性的是()(对应知识点:管理的性质)A、生产方式B、生产力C、生产关系D、上层建筑参考答案:C4.管理的艺术性是指一切管理活动都应该具有()。
(对应知识点:管理的科学性与艺术性)A、复杂性B、精确性C、创造性D、有效性参考答案:C5.()主要关注战组织战略。
(对应知识点:高层管理者)A、高层管理者B、中层管理者C、基层管理者D、财务管理者参考答案:A6.()主要关注日常事务。
(对应知识点:中层管理者)A、高层管理者B、中层管理者C、基层管理者D、行政管理者参考答案:B7.下列不属于管理者人际角色定位的是()(对应知识点:管理者的角色)A、监督者B、代表人C、领导者D、联络者参考答案:A8.管理者的()技能要求与管理者的层次成正方向变化。
(对应知识点:管理者的素质)A、概念技能B、知识技能C、技术技能D、人际技能参考答案:A9.下列不属于管理学的特征的是()。
(对应知识点:管理学的特点)A、特殊性B、综合性C、历史性D、实践性参考答案:A10.管理学的研究对象是()(对应知识点:管理学的概念)A、国民经济管理B、工业经济管理C、企业管理D、管理活动的基本规律与方法参考答案:D11.()是学习、研究管理学的总的方法论指导。
(对应知识点:学习和研究管理学的方法。
注:本题为本科阶段学生作答)A、系统方法B、理论联系实际的方法C、比较研究法D、唯物辩证法参考答案:D第二章管理理论的形成和发展1.以专制主义中央集权体制为目标的行政管理思想形成于()。
(对应知识点:中国古代管理思想的形成轨迹)A、孕育期B、萌芽期C、发展期D、承接期参考答案:C2.下列不属于以中国传统文化为核心的东方管理文化的是?()。
《生产运作管理》练习题第一章生产运作管理概述三、选择题1、企业生产系统中最基层的生产单位是( B)。
A.班组 B.工作地 C.车间 D.工段2、如果( C)不符合要求,那么企业可能达到的产出水平将取决于生产系统中生产能力最低的那个环节,其他环节的生产能力则有剩余而得不到充分利用。
A.生产过程的连续性 B.生产过程的平行性 C.生产系统构成的比例性 D.生产系统的柔性3、现代造船业把船体分成若干段,分别在船体车间内制造,最后把几段制成的船体吊到船台上拼装对焊,这样可以大大缩短每条船的船台生产周期,从而提高造船厂的生产能力。
这体现了( B )。
A.生产过程的连续性 B.生产过程的平行性 C.生产系统构成的比例性 D.生产系统的柔性4、按( D)分类,可以把各种生产过程分为单件小批生产类型、成批生产类型、大量生产类型三种基本生产类型。
A.产品的形态 B.产品的使用特征 C.产品的工艺特征 D.生产过程的重复性和稳定性5、生产管理是关于企业生产系统的 A 、运行与改进工作的总称。
A.计划 B. 组织 C. 控制 D. 设计6、以下哪个企业不是单件小批生产的典型企业( C )。
A.造船厂B.重型机器制造厂C.电视机厂D.大型水轮机制造厂7、(B )是以数控机床和加工中心为基本加工设备的生产单位。
A.成组生产单元B.柔性生产单元C.大件生产单元D.标准件生产单元8、对于单件小批生产类型中结构特殊、工艺复杂、工序多、精度高,加工的技术难度大的主要件、关键件等可以采用哪种生产单元?( C )A.大件生产单元B.柔性制造系统C.成组生产单元D.标准件生产单元9.邮局提供的特快专递服务中,竞争重点放在( D )A.成本B.质量C.柔性D. 时间11.下面哪一类不属于离散型的生产类型( A )A.水泥B.汽车C.家电D. 机床12.饭店某夜的空床位只要过了该夜,就不可以再利用,体现了服务的( A )特点A.无形性B.生产与消费的不可分割性C.不可存储性D.顾客的参与性13,企业在时间上的竞争重点包括哪几个方面:( ABC )A. 快速交货B.按时交货C.新产品的开发速度D.新产品的更新速度14. 下面哪些类属于流程型的生产类型( ABCDF )A.化工B.造纸C.制药D.炼油E.家电F.制糖17、加工中心是哪种集成的例子?( ABD )A 信息集成B 功能集成C 企业间集成 D 人的集成 E 以上都是18、柔性制造系统可以实现:( D )A 降低成本B 比自动化更高的柔性C 加工不同零件快速转换 D 以上都是19.以产品多样化来满足顾客个性化需求,最为理想的生产型式是( D )A.大量生产 B.成批生产C.单件生产 D.多品种小批量生产20、按( D )分类,可以把各种生产过程分为单件小批生产类型、成批生产类型、大量生产类型三种基本生产类型。
生产运作管理试题库一、判断题1.流程式生产有较多标准化产品;√2.加工装配式生产是离散型生产;√3.备货型生产的产品个性化程度高;×4.订货型生产的生产效率较低;√5.订货型生产可能消除成品库存;√6.订货型生产宜采用高效专用设备;×7.在备货订货分离点的上游是订货型生产;×8.在备货订货分离点的下游是订货型生产;√9.单件小批生产的效率较低;√10.基于时间竞争策略的焦点在缩短对顾客需求的响应时间上;√11.单件生产不像连续生产那样要求多技能工人;×12.重复性生产一般是按订单生产;×13.按产品专业化原则布置,适于大量大批生产类型√14.政府部门是按产品专业化原则布置的;×15.成组生产单元既有产品专业化的优点,又有工艺专业化的长处;√16.建立成组生产单元的前提是,将零件按照加工属性的相似性构成零件族;√17.汽车生产流水线是按工艺布置的例子;×18.按工艺过程布置的生产系统具有柔性;√19.按产品布置的生产系统具有高可靠性;×20.节拍是指零件从开始加工到完成加工所经历的时间;×21.产品出产计划是生产大纲的关键输入;×22.企业进行库存分析的基本目的之一是明确何时需要订货;√23.维持库存费高的库存系统趋向于低库存水平和频繁补充订货;√24.根据消耗速度的不同,固定间隔期库存系统的每期订货量不同;√25.对于价格折扣模型,按最低价求得的经济订货批量如果可行,则一定是最佳订货批量相应的总费用最低;√26.库存控制的目标只是要降低维持库存费;×27.库存物资的ABC分类法是按照物品的单价高低进行的;×28.按照ABC分类法,得出的A类物资总是占少数;√29.平均库存量和每年订货次数成反比;√模型就是要使订货费用最省;×31.提高库存系统的服务水平就降低了缺货风险;√也可以用于多品种小批量生产环境;√处理的是相关需求;√34.产品出产计划是通过分解生产大纲得出的;√Ⅱ与MRP是完全不相关的系统;×系统注重批量订单而JIT注重单件生产,因此MRP与JIT无法兼容;×的三项主要输入是产品出产计划、库存状态文件和物料清单文件;√38.产品出产计划说明哪些零件何时出产多少;×39. 看板分为传送看板和生产看板,生产看板用于指挥零部件在前后两道相邻工序之间的移动;×40. 用收入利润顺序法确定品种,收入少、利润小的产品不应再生产;×41.外包使得公司注重核心竞争力;√42.制造商建立营销网络是横向一体化的例子;×43.实行横向一体化是为了适应变化;√44.戴尔计算机公司的直销策略是水平一体化的产物;×45.排序是指安排工件在机器上的加工顺序;√46.确定加工路线是排序要解决的主要问题;×47.箭线型网络图是以箭线表示活动;√48.活动i,j的最早可能开始时间等于事件i的最早可能发生时间;√49.活动i,j的最迟必须开始时间等于事件i的最迟必须发生时间;×50.要想缩短工期,只有在关键路径上赶工;√51.在PERT网络中,关键路径可能有多条;√52. 滚动计划的连续性和应变性好,但严肃性差; ×53. 单周期库存模型的欠储费用是指过量进货带来的损失;×54.库存不仅浪费了资源,而且掩盖了管理中的各种问题;√55.牵引式系统的物流和信息流是分离的;×运作的典型是非重复制造;×57.装配线可通过机器上的改变来达到平衡;×58.生产线可通过机器上的改变来达到平衡;√59.产品导向布置的主要课题是如何合理安排部门或工作中心的位置;×60.工艺原则布置的主要课题是如何合理安排部门或工作中心的位置;√61.汽车轮胎在汽车制造厂属于相关需求库存,在轮胎商店属于独立需求库存;√62 MPG法的实质是要在订货费和维持库存费之间取得平衡;√63.设置库存的优点之一是对缩短响应用户需求的周期有利;√64.通过改变生产率来处理非均匀需求,不是准时生产JIT思想;×65.按EOQ公式,毛坯的生产批量应该大于零件的加工批量;√66.MRP处理的是相关需求,因此不需要安全库存;×67.按Johnson算法得出的最优顺序,若从中去掉某些工件得出的顺序仍为余下工件的最优顺序;√68. 未来的敏捷制造企业能够迅速推出全新产品; √69.MRP以物料为中心组织生产,要求上道工序应该按下道工序的需求进行生产, 前一生产阶段应该为后一生产阶段服务;√70.综合计划要求具体制定每一品种的生产数量; x71.独立需求的一大特点是具有很大的不确定性; √72.流水车间排序问题是指所有工件的加工顺序都相同的排序问题;×73.JIT生产方式中,如果没有看板则不能生产,也不能运送物品;√74.单周期库存模型的超储费用是指过量进货带来的损失; √75.逐批订货法比MPG法的维持库存费低;√76.流程式生产一般是资本密集的;77.备货型生产企业的产品大都是标准产品;78.在关键路线上赶工,会导致关键路线增多;79.精细生产是指的对一切资源的占用少,利用率高;80. 增加价值的活动但耗用的资源超过了“绝对最少”的界限,也是浪费;√81.不放在仓库里的物品不能称作库存;82. DRP处理的是生产过程的物料流问题,DRP处理的是流通领域的物料流;√83. 订货型生产企业的工人操作专业化程度高;84. 按工艺专业化原则组织生产宜采用平行移动方式;85. 随机型的库存问题是指提前期和需求率均为随机变量的问题;86. 按Johnson算法可以得出多少个顺序,则应从中选优;87. 作业i,j的最早可能完工时间一定等于事件j的最早可能发生时间;88. 不减少调整准备时间Setup time则无法做到生产平准化;89. 产品是独立需求性质,而零件是相关需求性质;二、单项选择题1.在大多数的企业中存在的三个主要职能是: BA.制造、生产和运作B.运作、营销和财务C.运作、会计和营销D.运作、制造和财务2.下列哪项不属于大量生产运作AA.飞机制造B.汽车制造C.快餐D.中小学教育3.相对于流程式生产,加工装配式生产的特点是AA.品种数较多B.资本密集C.有较多标准产品D.设备柔性较低4.单件小批生产的好处是DA.生产周期短B.效率高C.成本低D.可“以不变应万变”5.哪项属于事业层战略BA.多元化B.成本领先C.垂直一体化D.横向一体化6.哪项属于公司层战略DA.成本领先B.差异化C.集中化D.多元化7.哪种流程用来生产高度标准化产品AA.连续流成B.间歇流程C.项目生产D.批量生产8.柔性制造系统可以实现DA.降低成本B.比自动化更高的柔性C.加工不同零件快速转换D.以上都是9. 制定生产大纲, A 是准时生产的思想;A.改变生产率,使之与需求同步B.推迟交货C.改变库存水平D.转包10. 按工艺专业化原则建立生产单位,优点是AA.生产系统可靠性高B.可采用专用高效设备C.缩短生产周期D.简化管理工作11.按产品专业化原则建立生产单位,适用于CA.单件生产B.小批生产C.大批生产D.工程项目12.汽车装配宜采用AA.流水线布置B.固定位置布置C.功能布置D.以上都不是13.在生产大纲确定后,一般来说,紧接着进行哪项行动CA.流程设计B.制定战略性的能力计划C.编制产品出产计划D.编制物料需求计划14.下述哪项方法将产品出产计划中的具体产品的需求转化为构成产品的零部件和原材料的需求BA.粗需求能力计划B.物料需求计划C.能力需求计划D.库存计划15.下述哪项不属于制造企业的库存DA.原材料B.产成品C.在制品D.库存记录16.在制定库存量的决策时,不需考虑下述哪项费用CA.维持库存费B.订货费C.固定成本D.缺货损失费17.下述哪项费用组合构成了定量库存系统的总费用CA.年购买费、年补充订货费和固定费用B.年补充订货费、年维持库存费和单价C.年维持库存费、年补充订货费和年购买费D.年提前期内费用、年维持库存费和年购买费18.如下哪一项不是维持库存的原因:CA.使生产系统平稳运行B.减少缺货风险C.使生产活动准时进行D.减少订货费19.以下哪项不是MRP的输入AA.生产大纲 B.产品出产计划C.产品结构文件D.库存状态文件20.哪项是产品出产计划的输入BA.库存状态文件B.生产计划大纲C.产品结构文件D.车间生产作业计划21.哪一项不是相关需求CA.原材料B.在制品C.成品D.自制零件的输出是DA.总需要量B.计划发出订货量C.净需要量D.对所有零件的需求计划23.供应链的组成包括DA.供应商B.顾客C.内部供应链D.以上都是24.供应链管理下的采购与传统采购的不同之处在于CA.为库存采购B.与供应商是一般买卖关系C.与供应商结成战略伙伴关系D.让供应商竞争以获利25.通过哪项活动可将生产计划任务最终落实到操作工人身上DA.流程设计B.能力计划C.生产大纲D.排序和车间生产作业计划26.活动的最早可能完成时间是D;A.该活动箭头事件的最早可能发生时间B.该活动箭尾事件的最早可能发生时间C.该活动箭头事件的最迟必须发生时间D.该活动箭尾事件的最早可能发生时间加上活动所需时间27.活动的最早可能开始时间是B;A.该活动箭头事件的最早可能发生时间B.该活动箭尾事件的最早可能发生时间C.该活动箭头事件的最迟必须发生时间D.以上都不是28.哪一项不是组织准时生产的条件CA.较少调整准备时间B.准时采购C.建立推进式系统D.从根源上保证质量29.从概念上讲,JIT可做到DA.工件在加工过程中没有等待B.没有等待零件加工的机器C.仓库里没有存货D.以上各项都是30.可将每个时期对项目的净需求量作为订货批量的批量方法是BA.固定批量法B.直接批量法C.经济订货量法D.固定周期批量法31.某产品流水生产,计划日产量为150件,两班生产,每班规定有12分钟停歇时间,计划废品率为5%,那么该产品生产的节拍的计算公式应为AA =.B =C =D =32. ABC库存管理法的要点是从中找出关键的少数和次要的多数,其中关键的少数属于BA. C类B. A类C. B类D. D类33.生产运作管理的目标是DA.高效B.灵活C.准时D.以上都是34.为了夺回在制造业的优势,美国提出了AA.精细生产B.敏捷制造C.供应链管理D.大量定制与DRP的主要不同点是DA.假设能力无限B.固定提前期C.按时段订货D.自上而下处理36.某种零件的总需要量是由哪一项决定的DA.净需要量B.现有数C.上层元件的总需要量D.上层元件的计划发出订货量37.与Job shop 排序不直接相关的是DA.加工描述矩阵B.加工时间矩阵C.加工顺序矩阵D.“漏斗”模型38. 生产柔性是指生产系统对用户需求变化的响应速度,是对生产系统适应市场变化能力的一种度量;通常从品种柔性和产量柔性两个方面来衡量;所谓 C 是指生成系统从生产一种产品快速地转换为生产另一种产品的能力;A.柔性B.产量柔性C.品种柔性D.过程柔性39. 按 A 就是按对象专业化原则布置有关机器和设施,布置的结果一般成为流水线生产方式;A、产品布置B、自动化C、批量生产D、工艺专业化40. D 是工艺专业化的优点A.减少了产品在加工过程中的停放、等待时间B.缩短了产品在加工过程中的运距C.减少了生产单位之间的协作联系D.产品的制造路线有一定弹性41. 如果企业生产的产品品种多,产量小则采用 C形式更为有利;A.大批量B.流水线C.工艺专业化D.对象专业化42. 使用固定周期批量法,订货的A保持相对稳定,但订货量可能随需求的不同而变化;A.间隔期B.提前期C.保险期D.休整期43D 的出发点是不断消除浪费,进行永无休止的改进;A. VE D. JIT44A 的说法是正确的;A.生产按专业化程度可分为加工装配型生产和流程型生产;B.流程型生产的生产过程中的协作关系十分复杂;C.加工装配型生产包括化工、冶金等;D.加工装配型生产的特点是工艺过程的离散性;45. 利用活动相关图进行部门布置时,应该把重点放在A类和 D 类的部门的布置上;46.事件时差是CA.最悲观时间和最乐观时间之差B.结束时间和开始时间之差C.事件最迟时间和最早时间之差D.以上都是47.求随机型库存问题的订货点时,除了计算提前期内需求的期望值外,还需加上下述哪一项DA.需求的均值乘以提前期的标准差B. Z值乘提前期C.需求的标准差乘提前期的标准差D.提前期内需求的标准差乘Z值48.生产与运作管理研究对象是CA.产品或服务的生产B.顾客的需求C.生产运作过程和生产与运作系统D.生产与运作系统49.生产运作系统的核心要素是B ;A.投入B. 生产运作过程C.产出D.服务过程50.大量生产一般 DA.重复性小B.柔性高C.设备利用率高D.产品品种少51.关键路线是 B ;A.活动作业最多的路线B.活动时间持续最长的路线C.存在时差的作业构成的路线D.成本高的作业构成的路线52.某流水线一天的有效工作时间为420分钟,要求的产量为210件,则节拍为B ;件/ 分钟分钟 /件 C 件/ 分钟分钟 /件53.实现JIT生产的重要工具是B ;A.自动化机器B. 看板C.时间测定D.工作分析54.敏捷制造的目的可概括为:将 B 生产技术,有技术、有知识的劳动力与灵活的管理集成起来,以便快速响应市场需求;A.大量B.柔性C.负荷距离法D.批量控制的要点是 A ;A.尽可能减少A类物资的库存、B、C三类物资中,应重点管理BC.尽可能增加C类物资库存、B、C三类物资中,应重点管理C56.对于B库存控制的关键在于确定订货批量,订货量就等于预测的需求量;A.多周期模型B.单周期库存模型C.经济订货批量模型D.随机订货模型57.下边哪项不是排序的优先调度法则DA.优先选择余下加工时间最长的工件B.优先选择加工时间最短的工件C.优先选择临界比最小的工件D.优先选择临界比最大的工件是在AA.订购点法的基础上发展起来的B.在制品定额法的基础上发展起来的C.累计数法的基础上发展起来的D.网络计划法的基础上发展起来的59.某加工件批量n=4件,需顺序经过4道工序加工,各工序的单件作业时间分别为:t1=10分,t2=5分,t3=20分,t4=15分,若采用顺序移动方式组织生产,则该批加工件的加工总周期为AA. 200分B. 110分C. 125分D. 115分60.设某企业对某物资的年需求量为10000件,该企业每次订货量为1000件,一次订货成本为100元,则该企业全年采购该物资所需的订货总成本为BA. 10000元B. 1000元C. 100000元D. 100元61.项目管理主要是控制:DA.质量B.进度C.成本D.以上都是62.柔性制造系统可以实现DA.降低成本B.比自动化更高的柔性C 加工不同零件快速转换D 以上都是63.提前期法适用于D的企业;A.单件作业B.大量大批生产C.订货生产D.成批轮番生产64.企业的战略体系中生产运营战略属于C战略;A.公司级B.部门级C.职能级D.事业级65.JIT方式的目标是AA.彻底消除无效劳动所造成的浪费B.坚决拒绝生产过程中的在制品C.彻底清除无效劳动造成的不良品D.大量推销社会所需要的产品66.在装配式生产中,若是成批生产,一批零件的移动方式有三种,其中加工周期最长的方式为B;A.平行移动方式 B.顺序移动方式C.平行顺序移动方式D.不确定67.在工期一定的条件下,可以通过调整 C上的资源,以达到工期与资源的最佳结合;A.总时差 B.关键路线 C.非关键路线 D.单时差68.某加工件批量n=4件,需顺序经过4道工序加工,各工序的单件作业时间分别为:t1=10分,t2=5分,t3=20分,t4=15分,若采用平行移动方式组织生产,则该批加工件的加工总周期为BA. 200分B. 110分C. 125分D. 115分69.某加工件批量n=4件,需顺序经过4道工序加工,各工序的单件作业时间分别为:t1=10分,t2=5分,t3=20分,t4=15分,若采用平行顺序移动方式组织生产,则该批加工件的加工总周期为CA. 200分B. 110分C. 125分D. 115分70.精益生产方式的核心是什么DA.看板管理B.精益制造C.世界级制造D.准时化生产71.库存保管成本的高低,和A呈正相关关系;A.订货批量B.订货次数C.缺货成本D.订货成本72.在产品生命周期A阶段,竞争的焦点为产品的功能表现,产销量较小,需不断进行产品创新,采用通用设备和技术进行小批生产运营;A.投入期B.成长期C.成熟期D.衰退期73.可以起到防止缺货,提高服务水平的库存,称为A;A.安全库存B.周转库存C.运输库存D.预期库存74.订货采购成本的高低,和 B成正比;A.订货批量B.订货次数C.缺货成本D.保管成本75. JIT是按照什么方式组织生产的BA.推动式B.拉动式C.移动式D.流动式76.在网络图中,既不消耗时间,也不消耗资源的作业属于DA.强作业B.弱作业C.实作业D.虚作业77.在网络计划技术中,若a代表乐观时间,b代表悲观时间,m代表最大可能时间,运用三种时间估计计算作业时间的计算公式是AA.a+4m+b/6B.a+4b+m/6C.a+m+b/6D.a+6b+m/b78.精细生产的内容不包括 DA.产品精细B.布置精细C.组织精细D.管理复杂化与DRP的主要不同点是DA.假设能力无限B.固定提前期C.按时段订货D.自上而下处理80.假定无需安全库存,某产品的平均日消耗量为30件,提前期为10天,现有库存量为500件,订货点是 B81.下面 D 不是EOQ模型的假设条件;A.年需求为已知的常数B.提前期已知且固定C.不允许缺货D.有数量折扣三、名词解释法则 2.产品结构文件 3.滚动式计划法 5.虚活动 6. 成组技术7. 独立需求库存 8.节拍9.顺序移动方式10.相关需求库存11.并行工程 12.定量控制系统13. 牵引式系统 14.加工周期 15. 推动式生产四、计算题1.设有A、B、C、D、E 5种零件,均需先在铣床上加工,再由钻床加工,两种设备各有1台,各零件的单件工时定额见下表;求总流程时间最短的加工顺序安排方1台,各零件的单件工时定额见下表,试对零件的加工顺序进行安排,求总流程时间最短的加工顺序安排方案,并求最短的总流程时间;4.周期5.周期;6. 12分,8分,10分和5分,批量为5件,试计算在三种移动方式下整批零件的加工周期;7.已知m=5,n=4,t1=12,t2=6,t3=8,t4=10,t5=5,求在平行顺序移动下和在平行移动下,这批零件的加工周期;8. 从某个供应商处购得某物资的单价为20美元,预计下一年的需求量为1000件;每件的订购成本为5美元,每单位货物的年存储成本为4美元,问题:1每次应该订购多少件2年总订购成本为多少3年总存储成本为多少9. 某公司现有某产品200单位,每两周销售人员拜访公司时订购一次该产品;该产品日平均需求量为20件,标准差为5件,提前期为7天,管理部门要求的服务水平为该产品不缺货的概率为95%;现有库存为180件;问应该订购该产品多少件10. 某公司每年需用某元件80000单位;每次订购费用为100元,单位维持库存费为货物价值的10%;现有三个货源可供选择;A:不论多少订货价格都为元;B:订购量必须大于等于600单位,单价元;C:订货起点为800单位,单价为元;试确定该公司的订货策略,并计算年最低库存费用;期为7天;求该零件的经济订购批量及订货点最佳库存水平;一年以365天计算;13.一个快餐店欲布置其生产与服务设施;该快餐店共分成6个部门,计划布置在一个如图1所示的2×3的区城内;已知6个部门间的作业关系密切程度如图2所示;请合理安排这6个部门;14. Piddling公司组装监视器,每年以65美元的价格购买3200个单色阴极管,订货成本为13美元,单个年持有成本为价格的25%;计算最优订货批量及在最优订货条件下的定购及库存成本之和;15.某产品包括两个构件,A和B;每制造一件产品需要2个A和4个B;第6周开始时必须发送100单位该产品;目前持有量为50个A和100个B;另外还有两份应接收的B,每份为100单位,其中第一份在第4周初,第二份在第5周初收到;该产品的生产提前期为2周,A、B各为1周;用直接批量法为该产品作MRP;16.某项工程的作业及有关数据如左表;已知间接成本为每天1000元;请确定工期缩短3周的方案;;18.求:12计算出总加工周期;19.有如图所示的网络图,各活动的成本斜率及可能缩短天数如下表所示;要求:42天内完成,若完成可获1000元奖励;织送货要产生125元的费用,每个单位的存储成本为6元;若每次订货的提前期为2周,试求经济订货批量、最低年总成本、年订购次数和订货点;21.根据预测,市场每年对某公司生产的产品的需求量为40000台,一年按250个工作日计算;生产率为每天250台,生产提前期为4天;单位产品的生产成本为100元,单位产品的年维持库存费为20元,每次生产的生产准备费用为40元;试求经济生产批量EPQ、年生产次数、订货点和最低年总费用;22.某产品的需求量服从正态分布,其均值为每周40个,周需求的标准偏差为15个;订购周期为3周;一年的工作周是52周;在使用P系统的情况下,如果EOQ=400个,观测间隔P应为多长如果顾客服务水平为80%,T应为多大23.有关数据如下:D—10000件年需求量,S—32美元每次的订购成本, i—20%年持有成本占单价的20%,C—单位成本批量为0~849件,每件5美元;850 ~1499件,每件元;1500件及以上,每件美元; 求最优定购量;24.某批发商准备订购一批圣诞树供圣诞节期间销售;该批发商对包括订货费在内的每棵圣诞树要支付$2,树的售价为$6;未售出的树只能按$1出售;节日期间圣诞树需求量的概率分布如表4所示批发商的订货量必须是10的倍数;试求该40件,订购成本每次是10元,从下订单到收到货物的时间间隔为4周,单件年持有成本为元;如果服务水平为98%,目标库存应该是多少假设生产经理被要求将安全库存减少100件,如果这样做,那么此时的服务水平是多少五、应用题1.一条装配线一天要运转8个小时,日产量为240个单位;下表给出了该产品的作12对装配线进行平衡;3求装配线平衡后的效率;%1画出装配工序顺序图;2对装配线进行平衡;3求装配线平衡后的效率;%1画出装配工序顺序图;2对装配线进行平衡;3求装配线平衡后的效率;%4.已知某工程项目的活动明细表如下:2计算活动D、H的最早可能开始时间、最早可能完成时间、最迟必须开始时间和最迟必须完成时间;3确定关键路线,计算总工期;2计算活动D、G的最早可能开始时间、最早可能完成时间、最迟必须开始时间和最迟必须完成时间;3确定关键路线,计算总工期;2计算活动D、H的最早可能开始时间、最早可能完成时间、最迟必须开始时间和最迟必须完成时间;3确定关键路线,计算总工期;7.产品A的结构树如图所示,现有B、C、D、E的库存和预计到货量见下表;要在第8周生产200件A,第9周生产300件,第10周生产100件;要求:画出C、D的库存情况;10产M,T 和W,全年T 的需求相对稳定,当库存水平降至再订购点;两种产品的有关数3DLT=3周。
《生产运作管理》随堂练习题及答案1.生产主要包括投入、转换和产出三个部分,其中投入的要素有人力、物料、设备、技术、信息、能源、土地、知识和资金等。
()【答案:对】2.生产与运作系统是从投入到产出的变换过程得以实现的手段,是企业系统的一个子系统。
()【答案:对】3.企业经营活动是多个职能有机联系往复循环的过程,其中的职能出了生产,还包括哪些?()A •人力资源B•财务C.营销D •技术【答案:A、B、C、D】4.企业经营活动的多个职能中,哪个职能为企业创造价值而成为企业利润源泉?()A •人力资源B•财务C.营销D .生产《生产运作管理》随堂练习题1.生产主要包括投入、转换和产出三个部分,其中投入的要素有人力、物料、设备、技术、信息、能源、土地、知识和资金等。
()【答案:对】2.生产与运作系统是从投入到产出的变换过程得以实现的手段,是企业系统的一个子系统。
()【答案:对】3.企业经营活动是多个职能有机联系往复循环的过程,其中的职能出了生产,还包括哪些?()A •人力资源B•财务C.营销D •技术【答案:A、B、C、D】4.企业经营活动的多个职能中,哪个职能为企业创造价值而成为企业利润源泉?()A •人力资源B•财务C.营销D .生产较大,质量容易度量等特点。
()【答案:错】10.服务系统按照顾客需求特性可以分为通用型与专用型,按照运作系统特性可以分为技术密集型与人员密集型。
航空、金融、通讯等属于专用型与人员密集型服务。
【答案:错】11.服务业企业的运作活动受时间的约束更小,运作能力管理比制造业简单。
【答案:错】12.生产管理,又称生产控制,是对企业生产系统的设置和运行的各项管理工作的总称。
()【答案:对】13.生产运作管理是指为了实现企业经营目标.提高企业经济效益,对生产运作活动进行计划、组织和控制等一系列管理工作的总称。
()【答案:对】14.生产运作管理有狭义和广义之分,广义的生产运作管理不仅包括生产运作系统的运行管理,而且包括生产运作系统的定位与设计管理,可以认为是选择、设计、运行、控制和更新生产运作系统的管理活动的总和。
华南理工生产运作管理生产运作管理作业集团文件版本号:(M928-T898-M248-WU2669-I2896-DQ586-M1988)2019上半年《生产运作管理》作业一、判断题1、生产运作系统是从投入到产出的变换过程得以实现的手段,是企业系统的一个子系统。
(√)2、如今市场需求越来月多样化、产品的寿命周期变长,多品种、小批量生产方式逐渐转向大批量生产方式。
(×)3、生产运作管理是指为了实现企业经营目标,提高企业经济效益,对生产运作活动进行计划、组织和控制等一系列管理工作的总称。
(√)4.工作设计是关于生产系统的工作岗位设置和岗位责任设计。
(√)5.产品专业化组织生产单位的一个优点是设备不是针对某一种产品配置,对产品品种变化有较强的应变能力。
(×)二、单项选择题1、按工艺专业化原则建立生产单位,适用于(A )A.小批生产B.单件生产C.大批生产D.工程项目2、汽车装配宜采用:( C )A.定置布置B.功能布置C.流水线布置D.以上都不是3、属于定性预测方法的是( B )A.移动平均法B.德尔菲法C.指数平滑法D.线性回归法4.以下哪个不是常用的安排生产进度和生产方式计划的基本方法( B )A.图解法 B.试凑法 C.线性规划法 D.非线性规划法5.以下哪种制造流程适用于产品体积大、结构复杂的企业(C )A.单件小批量 B.批量生产 C.流水线生产 D.混合生产三、概念解释题1. 工序平衡答:对生产的全部工序进行平均化,调整各作业负荷,以使各工作站时间尽可能相近。
2.作业计划答:企业生产计划的具体执行计划。
它把企业的年度、季度生产计划具体规定为各个车间、工段、班组,每个工作地和个人的以月、周、班以至小时计的计划3.对象专业化答:将加工某种产品或某种服务所需的设备和工人布置在一个区域内,所有生产设备和工作地按产品加工装配的工艺路线顺序排列。
在这个区域内完成产品或零部件的全部或大部分工艺4.库存策略答:从库存管理存在的问题入手,提出供应链环境下适合涂层企业库存管理的控制策略,并对策略的实施进行可行性分析和探索5.劳动定额答:是指在一定的生产技术和组织条件下,为生产一定数量的产品或完成一定量的工作所规定的劳动消耗量的标准,劳动定额是组织现代化大工业生产的客观要求四、简答题1.请问影响选址决策的主要因素有什么答:(1)技术性因素,地形(2)地质、水源(3)排水,废渣物的处理气候,(4)社会性因素,政策法令,(5)个人或传统性因素,(6)国家及城市发展规划,当地居民的态度,(7)经济性因素2.请问库存费用有哪几项?答:存储费用,这项费用主要用于维系库存活动,包括:仓库使用费、物资保管费用、物资损坏变质损失。
华南理工大学网络教育《管理学原理》随堂练习及参考答案华南理工大学《管理学原理》随堂练习参考答案(2021-2021学年第二学期)第一章企业运作的源头1. 1. 所有组织的一个基本目标是能长期生存下来去贯彻基本宗旨。
()答题:对. 错.参考答案:√ 2. 2. 完成计划是组织的最终目的。
()答题:对. 错.参考答案:√ 3. 3. 管理人员通过对资源进行组合和协调来实现组织目标。
()答题:对. 错. 参考答案:√4. 4. 企业以盈利为唯一目的,因此管理人员的管理活动应紧紧围绕盈利这一中心。
()答题:对. 错. 参考答案:×5. 5. 宗旨是公司的宪法,是全公司上下的行为准则。
()答题:对. 错. 参考答案:√ 第二章管理者与管理1. 6. 对于管理,最形象的描述是________。
A. 艺术 B. 科学 C. A和BD. 上述都不是答题: A. B. C. D. 参考答案:C2. 7. 管理理论以________为核心。
A. 计划 B. 组织 C. 控制 D.指挥答题: A. B. C. D. 参考答案:B3. 8. 以下不属于管理职能的是_______。
A. 组织活动 B.控制活动C. 有效获取资源D.计划与决策答题: A. B. C. D. 参考答案:C4. 9. 管理者应该承担哪种类型的角色_______。
A.人际关系方面的角色B.信息方面的角色C.决策方面的角色D.全部皆是答题:A. B. C. D. 参考答案:D5. 10. 法约尔所提出的企业6项经营职能是指:技术职能、营业职能、财务职能、保养职能、会计职能、安全职能。
()答题:对. 错.参考答案:×6. 11. 按照现代的观点,管理的职能包括计划、组织、领导和控制。
()答题:对. 错. 参考答案:√7. 12. 法约尔提出的管理职能中包括了指挥、协调两大职能,现代理论则以领导取而代之。
()答题:对. 错. 参考答案:√8. 13. 泰勒教授提出,管理就是决策。
华南理工<生产运作管理>随堂练习1.(单选题) 生产运作管理的基本问题不包括()A.如何保证和提高质量B.如何保证适时适量将产品投放市场C.如何使产品的价格为顾客接受D答题: A. B. C. D. (已提交)参考答案:D2.(单选题) 生产运作管理的重要先驱泰勒没有做的实验是()A.霍桑实验 B.铁铲实验 C.搬运实验 D.切削实验答题: A. B. C. D. (已提交)参考答案:A3.(单选题) 霍桑试验的结论包括??A、对工人进行科学的挑选和培养,可以正确执行管理者的意图。
B、合理区分工人与管理部门的工作,各自承担最合适的工作C、对工人的尊重和关心是提高生产率的重要条件。
D、科学的方法可以应用于一切管理问题。
答题: A. B. C. D. (已提交)参考答案:C4.(单选题) 以下不属于中长期决策的是()A.产品的选择与设计 B.质量控制C.设备与生产方式的选择 D.职务与作业设计答题: A. B. C. D. (已提交)参考答案:B5.(单选题) 运作管理系统管理可以分为三个子职能,其中不包括()A.计划 B.组织 C.质量 D.控制答题: A. B. C. D. (已提交)参考答案:C6.(单选题) 以下哪种制造流程适用于产品体积大、结构复杂的企业()A.单件小批量 B.批量生产 C.流水线生产 D.混合生产答题: A. B. C. D. (已提交)参考答案:A7.(单选题) 按照生产方法划分有四种生产类型,其中不包括()A.混合型 B.分解型 C.调制型 D.提取型答题: A. B. C. D. (已提交)参考答案:A8.(单选题) 制造业生产类型按照生产稳定性和重复性可以分为多种型,其中不包括()A.大量生产 B.成批生产 C.试产 D.单件小批生产答题: A. B. C. D. (已提交)参考答案:B9.(单选题) 企业达到世界级制造系统境界的重要标志不包括()A.企业销售额增加了 B.职能部门的界限模糊了C.企业整体目标突出了 D.企业整体上的协调性增强了答题: A. B. C. D. (已提交)参考答案:A10.(单选题) ()不属于企业中长期决策的内容。
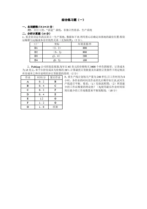
综合练习题(一)一、名词解释(5×4=20分)JIT,并行工程,“浴盆”曲线,非独立性需求,生产系统二、分析计算题(40分)1、某企业决定在武汉设立一生产基地,数据如下表.利用重心法确定该基地的最佳位置.假设2、Piddling公司组装监视器,每年以65美元的价格购买3600个单色阴极管,订货成本为13美元,单个年持有成本为价格的20%.计算最优订货批量及在最优订货条件下的定购及.(5分)3、某生产线计划每天产量为240单位,日工作时间为8小时,各作业的时间及作业的先后顺序如左表,试对生产线进行平衡。
要求:(1)绘制流程图;(2)所需最少的工作站数量的理论值?(3)使用最长作业时间原则以最少的工作地数量来平衡装配线,(10分)4、某产品包括两个构件,A和B.每制造一件产品需要2个A和4个B。
第6周开始时必须发送100单位该产品.目前持有量为50个A和100个B。
另外还有两份应接收的B,每份为100单位,其中第一份在第4周初,第二份在第5周初收到。
该产品的生产提前期为2周,A、B各为1周.用直接批量法为该产品作MRP.(10分)5.某项工程的作业及有关数据如左表。
已知间接成本为每天1000元.请确定工期缩短3周的方案.(10)四、简答题(20分)1。
服务系统有何特点?2.生产过程的组织有哪几种基本形式?3。
有哪些针对需求变动变动的生产计划方法?4。
质量管理经历了哪几个发展阶段?五、论述题(20分)请利用运作管理的相关知识谈谈如何提高企业的运作管理水平。
综合练习题(一)参考答案一、名词解释(5×4=20分)JIT:Just In Time的缩写,译为准时化生产。
JIT是由日本丰田公司首创的一种全新的管理体制,其目的是在原材料、在制品及产成品保持最小库存的情况下实现大批量生产,零件准时到达下道工序,并被下道工序迅速加工和转移。
基本思想是:只在需要的时候,按需要的量生产所需的产品;核心:追求库存或库存达到最小的生产系统,最终彻底消除无效劳动和浪费.并行工程:在信息化社会,为了提高企业竞争力,将并行设计的概念应用到企业业务流程的重组,称为并行工程技术。
华南理工大学网络教育生产运作管理模拟试题及答案一、判断题(每题2分,共20分)1.本质上看MRPⅡ仍是以ERP为核心,但功能和技术上却超越了ERP。
()2.项目型生产计划中的进度计划优化包括时间优化、时间和费用优化、时间和资源优化。
()3.企业经营者在系统稳定性与适应性之间做权衡时,一般比较明智的选择是不断变革。
()4.制造业运营战略的大多数概念对服务业不能适用。
()5.产品开发与工艺选择是生产系统设计中的后期任务,对企业的经营效果影响很大,风险也很大。
()6.地址选择只是新建企业面临的决策,老企业不存在这个问题。
()7.在制造业中通常有两种基本生产单位组织形式,其中按产品专业划分生产单位成为对象原则。
()8.流水生产方式在1913年产生于美国福特汽车公司。
()9.劳动组织设计的对象是劳动者。
()10.柔性工人是指身体非常柔软的工人,比如经常练习瑜伽。
()二、单项选择题(每题2分, 共20分)1.以下哪些原则不属于精益生产?()A.消除浪费 B.关注流程,提供总体效益C.建立无间断流程以快速应变 D.增加库存2.在以下哪种技术的支持下,使得供应链管理得以实现()A.数字电子计算机 B.因特网 C.经济批量理论 D.应用数学3.以下不属于运营战略内容的是()A.产品选择 B.生产能力需求计划 C.质量管理 D.生产组织4.企业选择新产品时考虑因素一般不包括()A.企业经营方向 B.企业技术特长C.产品成本 D.产品的获利能力5.不属于分级加权评分法步骤的是()A.查表 B.确定评价标尺 C.计算评价值 D.计算总评分6.厂区平面布置原则一般不包括()A.工艺原则 B.经济原则 C.产品原则 D.安全与环保原则7.以下属于非定额时间的是()A.照管工作地时间 B.工人造成的损失时间C.休息时间 D.准备时间8.以下不属于常用编制定员方法的是()A.按时间定额定员 B.按产量定额定员C.按工资定额定员 D.按看管定额定员9.以下哪个途径不可以持续降低库存水平、加快库存周转()A.提高全员的削减库存意识B.加强对市场需求的预测并提供预测的准确性C.确定合理的库存服务水平和准时交货水平D.提高安全库存水平10.哈默提出的是()A.BPR B.TQM C.TQC D.MRP三、简答题(每题6分,共36分)1.请对比生产与服务。
生产运作管理试题(含答案).综合练习题(一)一、名词解释(5×4=20分)JIT ,并行工程,“浴盆”曲线,非独立性需求,生产系统二、分析计算题(40分)1、某企业决定在武汉设立一生产基地,数据如下表。
利用重心法确定该基地的最佳位置。
假设运输量与运输成本存在线性关系(无保险费)。
(5分)。
工厂坐标年需求量/件D1 (2,2)800 D2 (3,5)900 D3 (5,4)200 D4(8,5)1002、Piddling 公司组装监视器,每年以65美元的价格购买3600个单色阴极管,订货成本为13美元,单个年持有成本为价格的20%。
计算最优订货批量及在最优订货条件下的定购及库存成本之和并说明经济订货批量的原理。
(5分)3、某生产线计划每天产量为240单位,日工作时间为8小时,各作业的时间及作业的先后顺序如左表,试对生产线进行平衡。
要求:(1)绘制流程图;(2)所需最少的工作站数量的理论值?(3)使用最长作业时间原则以最少的工作地数量来平衡装配线,(10分)作业时间/分紧后作业A 0.2B B 0.4C C 0.2 FD 0.4E E 1.2 GF 1.2G G1.0结束4、某产品包括两个构件,A 和B 。
每制造一件产品需要2个A 和4个B 。
第6周开始时必须发送100单位该产品。
目前持有量为50个A 和100个B 。
另外还有两份应接收的B ,每份为100单位,其中第一份在第4周初,第二份在第5周初收到。
该产品的生产提前期为2周,A 、B 各为1周。
用直接批量法为该产品作MRP 。
(10分)5.某项工程的作业及有关数据如左表。
已知间接成本为每天1000元。
请确定工期缩短3周的方案。
(10)四、简答题(20分)1.服务系统有何特点?2.生产过程的组织有哪几种基本形式?3.有哪些针对需求变动变动的生产计划方法?4.质量管理经历了哪几个发展阶段?五、论述题(20分)请利用运作管理的相关知识谈谈如何提高企业的运作管理水平。
生产与运作管理习题集第一章绪论一、判断题1.有形产品的变换过程通常称为生产过程。
()2.生产运作管理的基本目标主要包括质量管理、成本管理及进度管理。
()3.生产与运作管理的目标是在需要的时候,以适宜的价格,向顾客提供具有适当质量的产品和服务。
()4.“发现与发掘顾客的需求,让顾客了解公司的产品和服务,并将这些产品和服务送到顾客手中”是社会组织基本职能之一。
()5.生产运营管理是对生产运作系统的设计、运行、维护与改善过程的管理,它包括对生产运作活动进行计划、组织与控制。
()6.生产运作是使一定的原材料转化为一定的有形产品。
()7.运输公司属于顾客参与的服务生产。
()8.生产是指一切有形产品的生产()9.生产运作管理的目标永远是质量、成本、交货期。
()10.企业的三项基本职能是市场营销、生产与运作和人力资源。
()11.生产运作是社会组织的唯一职能。
()二、单项选择题1.生产与运营活动是()。
A.投入资源要素B.产出最终产品C.投入—变换—产出过程D.信息反馈与管理提升过程2.输入生产要素中最活跃、最重要的因素是()。
A.生产对象B.生产信息C.劳动力D.生产资金3.用户购买产品和要求提供服务的第一需要是()。
A.品种B.交货期C.价格D.质量4.在现代企业生产与运作系统中,与企业相互依赖,已被看作为重要组成部分的是()。
A.零售商B.供应商C.生产对象D.用户5.企业生产与运作系统的立足点是()。
A.市场导向B.市场需求C.企业需求D.竞争需求6.从广义的生产运作管理理解,生产运作管理是对系统()。
A.设置和运行的管理B.设置的管理C.运行的管理D.机制的管理7.组织创造价值的主要环节是()。
A.营销环节B.生产运作环节C.财务环节D.组织环节8.能构成生产运作系统主体框架的要素是()。
A.生产计划B.生产库存C.生产技术D.质量管理9.自20世纪70年代以来,在世界制造企业的五大职能中日益成为企业竞争优势的重心和支撑点是()。
华南理工<生产运作管理>随堂练习1.(单选题) 生产运作管理的基本问题不包括()A.如何保证和提高质量B.如何保证适时适量将产品投放市场C.如何使产品的价格为顾客接受D答题: A. B. C. D. (已提交)参考答案:D2.(单选题) 生产运作管理的重要先驱泰勒没有做的实验是()A.霍桑实验 B.铁铲实验 C.搬运实验 D.切削实验答题: A. B. C. D. (已提交)参考答案:A3.(单选题) 霍桑试验的结论包括??A、对工人进行科学的挑选和培养,可以正确执行管理者的意图。
B、合理区分工人与管理部门的工作,各自承担最合适的工作C、对工人的尊重和关心是提高生产率的重要条件。
D、科学的方法可以应用于一切管理问题。
答题: A. B. C. D. (已提交)参考答案:C4.(单选题) 以下不属于中长期决策的是()A.产品的选择与设计 B.质量控制C.设备与生产方式的选择 D.职务与作业设计答题: A. B. C. D. (已提交)参考答案:B5.(单选题) 运作管理系统管理可以分为三个子职能,其中不包括()A.计划 B.组织 C.质量 D.控制答题: A. B. C. D. (已提交)参考答案:C6.(单选题) 以下哪种制造流程适用于产品体积大、结构复杂的企业()A.单件小批量 B.批量生产 C.流水线生产 D.混合生产参考答案:A7.(单选题) 按照生产方法划分有四种生产类型,其中不包括()A.混合型 B.分解型 C.调制型 D.提取型答题: A. B. C. D. (已提交)参考答案:A8.(单选题) 制造业生产类型按照生产稳定性和重复性可以分为多种型,其中不包括()A.大量生产 B.成批生产 C.试产 D.单件小批生产答题: A. B. C. D. (已提交)参考答案:B9.(单选题) 企业达到世界级制造系统境界的重要标志不包括()A.企业销售额增加了 B.职能部门的界限模糊了C.企业整体目标突出了 D.企业整体上的协调性增强了答题: A. B. C. D. (已提交)参考答案:A10.(单选题) ()不属于企业中长期决策的内容。
华南理工<生产运作管理>随堂练习1.(单选题) 生产运作管理的基本问题不包括( ) A .如何保证和提高质量B .如何保证适时适量将产品投放市场C .如何使产品的价格为顾客接受D .如何打败竞争对手ff8080815d54f1答题:DA. B.C.D. (已提交)参考答案:D2.(单选题) 生产运作管理的重要先驱泰勒没有做的实验是( ) A .霍桑实验 B .铁铲实验 C .搬运实验 D .切削实验 ff8080815d54f1答题:AA. B. C. D. (已提交)参考答案:A3.(单选题) 霍桑试验的结论包括? ?A 、对工人进行科学的挑选和培养,可以正确执行管理者的意图。
B 、合理区分工人和管理部门的工作,各自承担最合适的工作C 、对工人的尊重和关心是提高生产率的重要条件。
D 、科学的方法可以使用于一切管理问题。
ff8080815d54f1答题:CA. B. C. D. (已提交)参考答案:C4.(单选题) 以下不属于中长期决策的是( ) A .产品的选择和设计 B .质量控制C .设备和生产方式的选择D .职务和作业设计 ff8080815d54f1答题:BA. B. C. D. (已提交)参考答案:B5.(单选题) 运作管理系统管理可以分为三个子职能,其中不包括( ) A .计划 B .组织 C .质量 D .控制 ff8080815d54f1答题:CA. B. C. D. (已提交)参考答案:C6.(单选题) 以下哪种制造流程适用于产品体积大、结构复杂的企业( )A .单件小批量B .批量生产C .流水线生产D .混合生产 ff8080815d54f1答题:AA. B. C. D. (已提交)参考答案:A7.(单选题) 按照生产方法划分有四种生产类型,其中不包括( ) A .混合型 B .分解型 C .调制型 D .提取型 ff8080815d54f1答题:AA. B. C. D. (已提交)参考答案:A8.(单选题) 制造业生产类型按照生产稳定性和重复性可以分为多种型,其中不包括( ) A .大量生产 B .成批生产 C .试产 D .单件小批生产 ff8080815d54f1答题:BA. B. C. D. (已提交)参考答案:B9.(单选题) 企业达到世界级制造系统境界的重要标志不包括( ) A .企业销售额增加了 B .职能部门的界限模糊了 C .企业整体目标突出了 D .企业整体上的协调性增强了 ff8080815d54f1答题:AA. B. C. D. (已提交)参考答案:A10.(单选题) ( )不属于企业中长期决策的内容。
A 、产品的选择和设计 B 、设备和生产方式的选择 C 、年度和进度计划 D 、质量控制 ff8080815d54f1答题:DA. B. C. D. (已提交)11.(单选题) 运营战略认为企业的竞争之本在于( ) A .生产系统 B .营销系统 C .财务系统 D .采购系统 ff8080815d54f1答题: AA. B. C. D. (已提交)12.(单选题) 以下不属于运营战略内容的是( )A .产品选择B .生产能力需求计划C .质量管理D .生产组织 ff8080815d54f1答题:CA. B. C. D. (已提交)13.(单选题) 企业经营活动的多个职能中,哪个职能为企业创造价值而成为企业利润源泉?( ) A .人力资源 B .财务 C .营销 D .生产 ff8080815d54f1答题: DA. B. C. D. (已提交)14.(单选题) 马云的无人超市体现了( )A .制造业加工工艺的退化B .制造业加工工艺的优化C .服务业加工工艺的退化D .服务业加工工艺的优化 ff8080815d54f1答题: DA. B. C. D. (已提交)15.(单选题) 企业选择新产品时考虑因素一般不包括( ) A .企业经营方向 B .企业技术特长 C .产品成本 D .产品的获利能力 ff8080815d54f1答题: CA. B. C. D. (已提交)16.(单选题) 需求结构变了,生产结构必须随之变化,调整结构的常用措施一般不包括( ) A .关闭工厂 B .开发新产品 C .开拓经营新领域 D .调整投资结构ff8080815d54f1答题:AA. B. C. D. (已提交)17.(单选题) 开发新产品时,提倡采用( )A .串行工程B .并行工程C .断续工程D .周期工程 ff8080815d54f1答题: BA. B. C. D. (已提交)18.(单选题) 厂区平面布置原则一般不包括( )A .工艺原则B .经济原则C .产品原则D .安全和环保原则 ff8080815d54f1答题: CA. B. C. D. (已提交)19.(单选题) 不属于分级加权评分法步骤的是( )A .查表B .确定评价标尺C .计算评价值D .计算总评分 ff8080815d54f1答题: AA. B. C. D. (已提交)20.(单选题) 厂址选择方法一般不包括( ) A .分级加权评分法 B .层次分析法 C .线性规划-运输模型方法 D .头脑风暴法 ff8080815d54f1答题:DA. B. C. D. (已提交)21.(单选题) 工厂平面布置的方法不包括( ) A .模板布置法 B .生产活动相关图法 C .统计法 D .重量-距离模式 ff8080815d54f1答题:CA. B. C. D. (已提交)参考答案:C22.(单选题) 以下哪种制造流程适用于产品体积大、结构复杂的企业( ) A .单件小批量 B .批量生产 C .流水线生产 D .混合生产 ff8080815d54f1答题:AA. B. C. D. (已提交)参考答案:A23.(单选题) 影响厂址选择的自然资源条件因素中不包括( ) A .土地资源 B .劳动力资源 C .气候资源 D .物产资源 ff8080815d54f1答题:BA. B. C. D. (已提交)参考答案:B24.(单选题) 合成型生产类型按照产品生产数量划分有三种生产类型,其中不包括( ) A .大量生产 B .重复生产 C .成批生产 D .单件小批生产 ff8080815d54f1答题:BA. B. C. D. (已提交)参考答案:B25.(单选题) 影响厂址选择的社会环境因素不包括( )。
A 、劳动力资源 B 、基础设施条件 C 、市场空间 D 、物产资源 ff8080815d54f1答题:DA. B. C.D. (已提交)参考答案:D26.(单选题) 车间设备布置的原则不包括( )。
A 、尽可能保持生产过程的连续性。
B 、要把同类的设备布置在一起。
C 、工件加工中的运送路线要短。
D 、设备布置要保证安全。
ff8080815d54f1答题:BA. B. C. D. (已提交)参考答案:B27.(单选题) 厂址选择的原则不包括( )。
A 、费用原则 B 、长远发展原则 C 、接近用户原则 D 、系统分析原则 ff8080815d54f1答题:DA. B. C. D. (已提交)参考答案:D28.(单选题) 劳动定额的制定方法很多,其中属于预定时间法的是( ) A .统计分析法 B .经验估工法 C .MOD 法 D .比较类推法 ff8080815d54f1答题:CA. B. C.D. (已提交)参考答案:C29.(单选题) 1MOD 等于( )A .0.129SB .0.903SC .1.29SD .9.03S ff8080815d54f1答题:AA. B. C. D. (已提交)参考答案:A30.(单选题) 看管循环期内各机床手动时间总和除以看管循环期的结果是( ) A .看管台数 B .看管人数 C .工人负荷系数 D .设备负荷系数 ff8080815d54f1答题:CA. B. C. D. (已提交)31.(单选题) 准备车间属于哪种生产单位类型( ) A .基本生产单位 B .辅助生产单位 C .生产服务部门 D .生产技术准备部门 ff8080815d54f1答题:AA. B. C. D. (已提交)参考答案:A33.(单选题) 以下不属于常用编制定员方法的是( ) A .按时间定额定员 B .按产量定额定员C .按工资定额定员D .按看管定额定员ff8080815d54f1答题:CA.B.C.D. (已提交)参考答案:C34.(单选题) 以下不属于作业时间的是( ) A .机动时间 B .手动时间 C .辅助操作时间 D .准备时间 ff8080815d54f1答题:DA. B. C. D. (已提交)参考答案:D35.(单选题) 许多输入系统的顾客到达分布服从( ) A .正态分布 B .几何分布 C .泊松分别 D .二项分布 ff8080815d54f1答题:CA. B. C. D. (已提交)参考答案:C36.(单选题) 在排队模型中,采用不同符号表达相继到达间隔时间和服务时间的各种分布,其中负指数分布所对用的符号是( )A .DB .GC .MD .N ff8080815d54f1答题:CA. B. C.D. (已提交)参考答案:C37.(单选题) 会使系统总的等待时间最短的排队规则是( ) A .最短时间先服务 B .最长时间先服务 C .先来先服务 D .后来先服务 ff8080815d54f1答题:AA. B. C. D. (已提交)参考答案:A38.(单选题) 以下不属于排队系统组成的是( )A .顾客源达到B .接待顾客C .等待排队D .服务设施 ff8080815d54f1答题:BA. B. C. D. (已提交)参考答案:B39.(单选题) 服务业生产能力计划一般不具有哪个特殊点?( ) A .需求时间特性 B .需求地点特性 C .需求量大特性 D .需求易变特性 ff8080815d54f1答题:CA. B. C. D. (已提交)参考答案:C40.(单选题) 一般认为最合理的生产能力利用率大概为( ) A .50% B .70% C .90% D .100% ff8080815d54f1答题:BA. B. C. D. (已提交)41.(单选题) 生产能力不足时,不可以用作短期能力调整的方法是( )。
A 、库存产品 B 、劳动时间 C 、推迟交货期 D 、购买设备 ff8080815d54f1答题:DA. B. C. D. (已提交)参考答案:D42.(单选题) 哪种能力是企业建厂时在技术文件中所规定的生产能力,它是按照工厂设计文件规定的产品方案、技术工艺和设备,通过计算得到的最大年产量?( ) A .查定能力 B .设计能力 C .计划能力 D .工作能力 ff8080815d54f1答题:BA. B. C. D. (已提交)参考答案:B43.(单选题) 生产能力计量单位一般不包括哪些?( ) A .用产品计量单位表示 B .用原料处理量表示 C .用投入量计量单位表示 D .用金额计量单位表示 ff8080815d54f1答题:DA. B. C.D. (已提交)参考答案:D44.(单选题) 流水生产企业生产能力计算步骤一般不包括哪些?( ) A .工人生产能力B .零件加工流水线生产能力C .车间生产能力D .工厂生产能力答题:AA. B. C. D. (已提交)参考答案:A45.(单选题) 生产能力计划的内容一般不包括哪些?( ) A .需求预测 B .能力计算 C .能力计量 D .能力平衡 ff8080815d54f1答题:CA. B. C. D. (已提交)参考答案:C46.(单选题) 在线性规划中,约束条件的个数一般不可能是( ) A .0 B .1 C .2 D .3 ff8080815d54f1答题:AA. B. C.D. (已提交)参考答案:A47.(单选题) 图解法适合的生产计划问题是( )A .简单问题B .中等问题C .复杂问题D .超级问题 ff8080815d54f1答题:AA. B. C. D. (已提交)参考答案:A48.(单选题) 以下哪个不是常用的安排生产进度和生产方式计划的基本方法( ) A .图解法 B .试凑法 C .线性规划法 D .非线性规划法 ff8080815d54f1答题:DA. B. C. D. (已提交)参考答案:D49.(单选题) 所谓柔性,是指能力的可变性和适应性。