架桥机计算内容(50米200吨)
- 格式:doc
- 大小:1011.44 KB
- 文档页数:25
XXXX XXXX大桥引桥上部T梁架设施工技术方案1.编制说明1.1 编制范围XXXX大桥东、西两岸引桥(14#~23#墩、26#~35#墩)上部T梁架设、连接接头的施工以及相关临时工程施工。
1.2 编制依据⑪《XXXX XXXX大桥施工招标文件》;⑫《XXXX XXXX大桥施工合同文件》;⑬《XXXX大桥工程第2合同两阶段施工图设计》;⑭《XXXX大桥施工图技术交底要点说明》;⑮《XXXX大桥工程地质勘察报告》;⑯《城市桥梁工程施工与质量验收规范》(CJJ2-2008);⑰《公路工程技术标准》(JTGB01-2004);⑱《公路桥涵施工技术规范》(JTG/TF50-2011);⑲《公路桥涵地基与基础设计规范》(JTJD63-2007);⑳国家、行业相关标准。
1.3 编制原则⑪依据相关的施工技术,编制最优的、最具可行性的施工方案,同时确保方案满足XXXX大桥施工招标文件、设计图纸及相关规范要求;⑫施工方案力求采用先进、可靠的工艺、材料、设备、达到技术先进,力求工艺成熟,具有可操作性;⑬保证施工质量和确保计划工期如期完成;⑭通过快捷的工艺、合理有效的资源组织,力求缩短工期,为桥梁的施工提供有力保障;⑮充分利用企业及社会现有设备、资源合理安排施工进度;⑯高度重视环保、施工安全问题。
2.工程概况XXXX大桥东、西两岸引桥共20跨,东西两岸各10跨,桥跨布置均为(5×50.68m)+(5×50.68m)=506.8m,桥面设置了2.2%的纵坡,2%的双向横坡,其上部结构采用预制T梁,简支安装,现浇连接接头,先简支后连续的结构体系。
其中每跨16片T梁,包括2片边梁与14片中梁,共有T梁320片。
引桥T 梁上部构造标准横断面图如图2-1和图2-2所示。
图2-1 引桥T梁上部构造半幅跨中横断面图(单位:cm)图2-2 引桥T梁上部构造半幅支点横断面图(单位:cm)T梁高度为2.8m,端跨T梁长50.3m,中跨T梁长50.08m。
50m 万能杆件架桥机计算资料一、16Mn 钢材加工构件计算架桥机中支腿附近28m 的N 1、N 2及相关的N 8、N 11、N 15均用16Mn钢材特制。
其中 N 1: L125⨯125⨯12⨯3994mm N 2: L125⨯125⨯12⨯1994mmN8、N 11、N 15尺寸与A 3钢相同。
<一>、计算N 1、N 2杆件所能承受的最大压力和拉力。
1、计算[N 压]L125⨯125⨯12: I x =423.16cm 4Z 0=3.53cm A=28.91cm 2 I x =I y =[423.16+28.91⨯(3.53+0.5)2]⨯4=3570.7cm 4 r x =r y =A I =91.2847.3570⨯=5.56cm λ=l 0/r=200/5.56=35.97查表得 ϕ=0.915 对于16Mn 钢[σ]=2400kg/cm 2125*125*12[N 压]=[σ]·ϕA=2.4⨯0.915⨯28.91⨯4=253.9t 2、计算[N 拉]参照万能杆件资料求A j由a=6, b=2⨯6.5=13, c=5, s=13.93, Am=28.91cm 2 ΔA=2⨯12.5⨯1.2-28.91=1.09cm 2A j =(2⨯6+13.93-2⨯2.8)⨯1.2-1.09=23.306cm 2 4N1则A j =4⨯23.306=93.224cm 2[N 拉]=[σ]⋅A j =2.4⨯93.224=223.7t <二>计算螺栓容许外力16Mn 加工件,其连接螺栓材料及数量与A 3钢加工件相同,均为粗制螺栓(A 3钢、M 27螺栓)。
查钢结构设计手册,螺栓连接的容许应力为:抗剪[τl ]=1000kg/cm 2承压 构件为A 3钢时 [σc l ]=2400kg/cm 2构件为16Mn 钢时 [σc l ]=3350kg/cm 2 对于承受轴心力作用的抗剪连接有: 抗剪[N j ]=nj ⋅42d π[τl]=4⨯47.22⨯π⨯1.0=22.9t杆件承压[N c e ]=d ⋅∑δ⋅[σc l ]=2.7⨯1.2⨯2⨯3.35=21.708t考虑N 8、N 11、N 15由16Mn 钢,N 6或N 6j 由A 3钢材制成,节点板承压有两种情况,按最不利计算,则节点板承压[N c e ]=d ⋅∑δ⋅[σc l ]=2.7⨯1.0⨯2⨯2.4+2.7⨯1.0⨯3.35=22.005t 由杆件承压控制,原设计的14个螺栓所能承受的力为:N c e =21.708⨯14=303.912t满足要求。
一.ik设计规范及参考文献(一)重机设计规范(GB3811-83)(二)钢结构设计规范(GBJ17-88)(三)公路桥涵施工规范(041-89)(四)公路桥涵设计规范(JTJ021-89)二.(一).梁重12纵向走行横梁(1号车):Q7=7.5+7.3=14.8t 纵向走行横梁(2号车):Q8=7.5+7.3=14.8t 梁增重系数取:1.1活载冲击系数取:1.2不均匀系数取:1.1(二).水平荷载1.风荷载a.设计取工作状态最大风力,风压为7级风的最大风压:q1=19kg/m2b.非工作计算状态风压,设计为11级的最大风压;q22(2.三.起,1P1P2P3P4P5P7为风荷载,按11级风的最大风压下的横向风荷载,所有迎风面均按实体计算,P7=ΣCKnqAi=1.2×1.39×66×(0.7+0.584+0.245+2.25+0.3+0.7+0.8+1.5)×12.9=10053kg=10.05t作用在轨面以上5.58m处M抗=43.31×15+14.8×(22+1.5)+14.8×27.5+14.6×22=1725.65t.mM倾=5.6×32+45.44×16+10.05×5.58=962.319t.m架桥机纵向抗倾覆安全系数n=M抗/M倾=1725.65/(962.319×1.1)=1.63>1.3<可)(二)架桥机横向倾覆稳定性计算1.检算P1P1P2数取1.6=1.6P3数取P3=2×1.39×1.6×19×0.8×0.46×4=124.4kg=0.1244tP4为架桥机起重小车重量P4=7.5×2+100×1.1=125tP5为架桥机起重小车及梁体所受的风荷载,作用在支点以上8.113m处,P5=1.39×1.6×19×(3×2×2+2×30)=3042.432kg=3.042t图2所示A点为倾覆支点,对A点取矩:M倾=P2×3.8+P3×5.179+P4×1.435+P5×8.113=13.53×3.8+0.1244×5.179+125×1.435+3.042×8.113=256.11t·mM抗=P1×4.8=132.55×4.8=636.24t·m架桥机工作条件横向抗倾覆安全系数n中已经四.(一)荷载取值:桁架及桥面系均部荷载1.29t/节×1.1=1.42t/节(单边),荷载(100+7.5×2)×1.2=138.0t。
SHJQJ200/50架桥机一、总体说明SH-JQJ型200t-50架桥机为步履式新型双向架桥机,不用掉头可反方向架梁,过孔不用铺设专用轨道。
本架桥机可自平衡过孔,在特定环境下可少拼一节至两节主梁配重过孔。
架设边梁可一次到位,安全可靠。
该架桥机是一种运行工作范围广、性能优良、操作方便、结构安全的钢结构预制梁吊装架设设备。
本产品适应于山区修筑公路,能够满足大坡度、小半径弯桥、45度斜桥以及隧道口桥梁架设的要求。
同样,在平原施工条件好的地方更加方便。
本产品使用于-20~40℃,无火灾、无爆炸和无腐蚀性介质的环境中工作。
1.1技术参数1.2型号说明SH-JQJ 型200-50 A3A3级别跨度≤50m起升载荷200 t架桥机型号1.3、主要结构及功能该架桥机为了运输方便和现场安装,主结构之间采用销轴和法兰连接,其结构见总装示意图。
该架桥机在结构上可以分为主梁、提升小车、前支腿、中支腿、行走轨道、运梁平车、液压和电气等几部分,构成一个完整的结构体系。
1.3.1主梁主梁为三角桁架式结构,采用型钢和钢板焊接而成。
有结构轻、刚性好、稳定性强、抗风能力大、安装方便、外形美观等优点。
主梁是架桥机的主要承力构件,分为2列,每列全长96米。
为了运输方便,每列主梁又分为10节(见总装示意图),每节最长不超10米,节重不超9t重,节之间通过销轴联接。
两列主梁通过后上横梁、前框架及前支腿横梁联接在一起。
主梁上弦杆顶部铺设有方钢轨道,提升小车在上部运行及进行起吊作业。
1.3.2前框架由型钢焊接而成,总长度可以根据需要进行调节。
它位于两列主梁的前端,通过螺栓把两列主梁接在一起。
架设斜桥或弯桥时,自身具有调节角度的功能。
1.3.3上横梁上横梁安装在两列主梁的后端上部,采用型钢和钢板焊接而成,两端通过可调法兰和旋转支座与主梁相连接。
架设斜桥或弯桥时,自身具有调节角度的功能。
1.3.4提升小车提升小车有纵移轮箱、旋转支座、担梁、横移轮箱、卷扬机及滑轮组等组成。
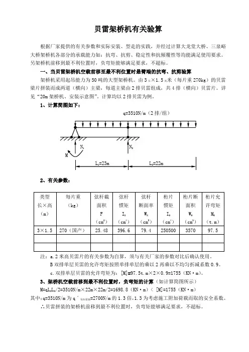
贝雷架桥机有关验算根据厂家提供的有关参数和实际安装、型走的实践,并经过计算大龙堂大桥、三泉峪大桥架桥机各部分的承载能力如:抗弯、抗剪、稳定性和抗倾覆性等均能满足使用要求。
另架桥机前移到最不利位置时,负弯矩能够满足要求,不超标。
一、当贝雷架桥机空载前移至最不利位置时悬臂端的抗弯、抗剪验算架桥机采用起吊能力为50吨的大型架桥机。
由3长×1.5高米(每片重270kg )的贝雷梁片拼装而成两道(横向)主梁,每道主梁由2排贝雷组成,共4排(横向)贝雷片。
详见“20m 架桥机、安装示意图”。
计算均以2排贝雷为例。
1、计算简图如下:q=3510N/m (2排/组)2、有关参数: 注:a.2米高贝雷片的有关参数为自算,须与有关厂家的参数对比后确认使用。
B 双排单层贝雷的允许弯矩按照单排单层的乘以2再乘以不均匀折减系数0.9。
c.双排单层贝雷的允许弯矩为:[M]=97.5t.m ×2×0.9=1755(KN ·m )。
3、架桥机空载前移到最不利位置时,负弯矩的计算(如计算简图所示) M=qL 2L 2/2=3510N/m ×22m ×22m/2=1698.8(KN ·m )< [M]=1755(KN ·m )其中:q=3510N/m 为q ˊ实际荷载=2700N/m 的1.3倍,1.3为考虑施工附加荷载而取的安全系数。
∴贝雷拼装的架桥机前移到最不利位置时,负弯矩能够满足要求,不超标。
4、当贝雷架桥机空载前移至最不利位置时的抗剪验算Q=qL2=3510N/m×22m=77.22(KN)< [Q]= 1582.31(KN)其中:[Q]=25.48cm2×23000N/cm2×1.5×2×0.9=1582.31(KN)∴贝雷拼装的架桥机前移到最不利位置时,抗剪能力也能满足要求。
目录一、设计规范及参考文献 (2)二、架桥机设计荷载 (2)三、架桥机倾覆稳定性计算 (3)四、结构分析 (5)五、架桥机1号、2号车横梁检算 (7)六、架桥机0号立柱横梁计算 (9)七、1号车横梁及0号柱横梁挠度计算 (11)八、150型分配梁:(1号车处) (13)九、0号柱承载力检算 (14)十、起吊系统检算 (15)十一、架桥机导梁整体稳定性计算 (16)十二、导梁天车走道梁计算 (18)十三、吊梁天车横梁计算 (18)一、设计规范及参考文献(一)重机设计规范(GB3811-83)(二)钢结构设计规范(GBJ17-88)(三)公路桥涵施工规范(041-89)(四)公路桥涵设计规范(JTJ021-89)(五)石家庄铁道学院《GFJT-40/300拆装式架桥机设计计算书》(六)梁体按30米箱梁100吨计。
二、架桥机设计荷载(一)、垂直荷载梁重:Q=100t1单个天车重:Q=20t(含卷扬机、天车重、天车横梁重)2主梁、桁架及桥面系均部荷载:q=0、67t/m×1、1=0、74t/m前支腿总重: Q=4t3=2t中支腿总重:Q4=34t1号承重梁总重:Q5=34t2号承重梁总重:Q6=12t2#号横梁Q7梁增重系数取:1、1活载冲击系数取:1、2不均匀系数取:1、1(二).水平荷载1、风荷载a.设计取工作状态最大风力,风压为7级风得最大风压:q=19kg/m21b、非工作计算状态风压,设计为11级得最大风压;=66kg/m2q2(以上数据参照石家庄铁道学院《GFJT-40/300拆装式架桥机设计计算书》)2、运行惯性力: Ф=1、1三、架桥机倾覆稳定性计算(一) 架桥机纵向稳定性计算架桥机纵向稳定性最不利情况出现在架桥机悬臂前行阶段,该工况下架桥机得支柱已经翻起,1号天车及2号天车退至架桥机尾部作为配重,计算简图见图1(单位 m):图中图1P1=4t (前支柱自重)P2=0、74×22=16、28t (导梁后段自重)P3=0、74×30=22、2t (导梁前段自重)P 5= P4=20t (含卷扬机、天车重、天车横梁重)P6为风荷载,按11级风得最大风压下得横向风荷载,所有迎风面均按实体计算,P6=ΣCKnqAi =1、2×1、39×66×(0、7+0、584+0、245+2、25+0、3+0、7+0、8+1、5)×12、9=10053kg=10、05t作用在轨面以上5.5m处M抗=16、28×11+20×(11+4+5)+20×(11+5) =899、08t、mM倾=4×30+22、2×15+10、05×5、5=508、275t、m架桥机纵向抗倾覆安全系数n=M抗/M倾=899、08/(508、275×1、1)=1、61>1、3 <可)(二) 架桥机横向倾覆稳定性计算1.正常工作状态下稳定性计算架桥机横向倾覆稳定性最不利情况发生在架边梁就位时,最不利位置在1号天车位置,检算时可偏于安全得将整个架桥机荷载全部简化到该处,计算简图如图图2P1为架桥机自重(不含起重车),作用在两支点中心(其中天车横梁重6t) P1=(16、28+22、2)×2+12×2+6×2=112、96 tP2为导梁承受得风荷载,作用点在支点以上3.8m处,导梁迎风面积按实体面积计,导梁形状系数取1、6。
A-18贵州省公路局公路建设项目赤水至望谟高速公路仁怀至赤水段施工技术方案申报批复单承包单位:中交一公局第二工程有限公司合同号:RCTJ-13仁赤高速公路RCTJ-13合同段项目经理部JQ160t-70m架桥机受力荷载计算书二O一一年九月编制:审核:审批:JQ160t-70m架桥机受力荷载计算书一、概述赵河沟大桥预制T梁架设所采用的JQ160t-70m 型架桥机是根据架桥施工现场实际工作情况设计配置的,其特点是实现了架桥的机械化、自动化,提高了工作效率,加快了工程进度,减少了人力投入。
同时施工过程中的安全也得到了有效保证。
二、结构及工作原理导梁由桁架、支撑架、贝雷销、撑架螺栓、加强弦杆、弦杆螺栓等组成。
导梁下部安装有4台导梁平车。
两导梁上部铺设有枕木、钢轨。
两导梁钢轨上放置有2台横梁纵移平车,每两台横梁纵移平车之间由天车横梁连接,天车横梁上铺设有钢轨,供天车横向行走。
横梁纵移平车是单轨主动平车,每组横梁的两台纵移平车由电气线路控制实现纵向行走。
两组横梁可以单独使用,也可以联机使用。
天车由行走机构和提升机构两部分组成,提升机构实现吊装,行走机构实现横向位移。
三、架桥机的拼装1、架桥机架桥机按照规定进行拼装,并进行电气安全检查,经质监部门检验合格方可进行施工。
2、工地准备工作⑴、枕木:①、前部平车横移用枕木②、导梁平车用枕木:导梁平车用枕木由厂家设计的钢枕来代替,用螺栓固定在桁架上。
③、中部平车横移用枕木④、架桥机移跨用枕木:架桥机在移跨时危险性很大,中部平车两轨道面一定要在一个平面上,这样架桥机在移跨时才会平稳。
如果两轨道面有高差,架桥机在移跨时就向低的一边倾斜,高差过大有可能发生倾倒。
⑤、尾部平车行走用枕木(被动行走):尾部平车行走用枕木应与中部平车相对应。
⑵、导轨(钢轨):①、天车行走用导轨:2×5.4m=10.8m②、横梁纵移平车用导轨:2×70m=108m③、前部平车行走用导轨:13m④、中部平车行走用导轨:移跨用2×40m=80m,横移用13m⑤、尾部平车行走用导轨:2×10=20m⑶、其它件:①、吊梁用索具卸扣:50t,2 件;②、吊梁用钢丝绳:4×15m=60m 直径40mm;③、电源线:可供输入总功率≥30kw,5台电机同时起动。
LBQJ200/50型架桥机计算说明书郑州力博桥梁机械制造有限公司版权所有,翻版必究(LBQJ200/50双导梁联合式架桥机)1.架桥机的工作方式及工作状态参数1.1架桥机的工作方式简介架桥机也称导梁机,本机是双导梁联合式架桥机,是架设架梁时用来提升、移动桥梁,最终使桥梁到达指定位置的起重设备,整机由主桁架及行走机构、副架及行走机构、卷扬机及行走机构三大部分组成,使用时,主桁架安装在桥墩帽梁和桥面上,由电动机驱动在临时铺设的钢轨上作纵向或横向运行,移梁架由电机驱动在主桁架上面的钢轨上作纵向运行,卷扬机由电机驱动在移梁架上的钢轨上作横向运行,由大功率电机驱动卷扬机提升桥梁(见图1)。
架桥机在桥墩上运行,属高空、重载作业,作业区域属风力较强的沿海地区,要求该机各种构件安全牢固,性能稳定可靠,该机自重轻,起重能力强,纵横移电动行走,运行平稳、快捷,集中控制,操作简便,能架设弯桥、斜交桥、坡桥,桥宽不限。
符合桥梁的吊装要求和起重机械所必须具备的通用的各项要求,能保证工程安全。
本机能满足长50米,宽3.5米,高3米,重200吨及以下的砼梁的吊装要求和起重机械所必须具备的通用的各项要求。
本机主桁架都是每段9米另接一段5米,最大重量7吨左右,可便于运输,使用者可按编号逐一拆卸及拼装,既简单又快捷。
1.2200/50型架桥机工作状态参数,见表1表1 架桥机工作状态参数一览表2整机的结构及加工方法简介2.1主桁架的结构、加工及连接方法2.1.1主桁架横移截面如图二所示2.1.2 主桁架用主要材料参数见上图22.1.3 截面形心位置Y 0=134cm 2.1.4 截面对形心轴的惯性矩x J =82324174cm; y J =5366054cm2.1.5 主桁架自重(包括焊在架面钢轨)q=8.8kg/cm 2.1.6 抗弯截面模数3163326cm W X =(上弦); 3261436cm W X =(下弦)3117199cm W Y =(上弦); 3213689cm W Y =(下弦)2.1.7主桁架的加工和连接方法主桁架由型钢焊接成横截面如图1的呈梯形桁架结构 焊接方法:人工电弧焊; 焊 条:J422和507;焊缝形式:主要是 焊缝高度:6~12mm 。
200T双导梁架桥机结构计算1桥机概况桥机由两根主承重梁(全长78m),前支腿部分,中托部分,后支部分,天车部分,液压系统及电控部分组成,可完成桥机的过孔,架梁功能,桥机的高度可由前、后支的液压系统调节,整个桥机的所有功能可由电控系统控制完成(见图1)。
2 桥机的结构计算2.1荷载统计主梁:0.75t/m;前支腿:3t/根;天车:6t/台。
2.2桥机主梁的承载力计算计算桥机主梁承载力,要分别考虑桥机的以下三种情况:1)过孔。
过孔时计算主梁上、下弦的强度,此工况梁中的弯矩,可能是主梁所承担的最大弯矩,所以校核此状态时需计算上、下弦的强度。
2)架中梁。
此工况时,天车位于主梁50m的跨中,弯矩为最大值。
3)架边梁。
当天车偏移桥机主梁一侧时,此侧主梁中的剪力最大,所以应校核主梁腹杆的强度及稳定性。
2.2.1过孔时上下弦杆及后支腿的强度计算1)上下弦杆的强度计算。
当桥机前支腿达到前桥台,尚未支撑时,悬臂端根部的最大弯矩(安全起见,忽略后端配重)见图2。
Mmax=3×52+0.75×52×(52/2)=1170t·m。
Nmax=Mmax/h=1170/2.7=433.3t。
在悬臂端的根部,上、下弦杆的面积为A=49.9×4+1.0×26×4=303.6cm2(30号b槽钢对扣,在槽钢内外各部贴两块δ10mm的钢板补强,材质为Q235B),见图3。
弦杆中的工作应力:σmax=142.7MPa<[σ]=170MPa。
所以过孔时上下弦强度满足要求。
2)后支腿的配重计算。
按桥机最大悬臂52m,加配重过孔,起重机稳定系数不小于 1.3,最低配重量:p≥(1170×1.3-0.75×262×1/2-3×24-3×25)/25=45t。
2.2.2架中梁时上下弦及销板、销轴强度计算1)上下弦强度计算。
LBQJ200/50型架桥机计算说明书郑州力博桥梁机械制造有限公司版权所有,翻版必究(LBQJ200/50双导梁联合式架桥机)1.架桥机的工作方式及工作状态参数1.1架桥机的工作方式简介架桥机也称导梁机,本机是双导梁联合式架桥机,是架设架梁时用来提升、移动桥梁,最终使桥梁到达指定位置的起重设备,整机由主桁架及行走机构、副架及行走机构、卷扬机及行走机构三大部分组成,使用时,主桁架安装在桥墩帽梁和桥面上,由电动机驱动在临时铺设的钢轨上作纵向或横向运行,移梁架由电机驱动在主桁架上面的钢轨上作纵向运行,卷扬机由电机驱动在移梁架上的钢轨上作横向运行,由大功率电机驱动卷扬机提升桥梁(见图1)。
架桥机在桥墩上运行,属高空、重载作业,作业区域属风力较强的沿海地区,要求该机各种构件安全牢固,性能稳定可靠,该机自重轻,起重能力强,纵横移电动行走,运行平稳、快捷,集中控制,操作简便,能架设弯桥、斜交桥、坡桥,桥宽不限。
符合桥梁的吊装要求和起重机械所必须具备的通用的各项要求,能保证工程安全。
本机能满足长50米,宽3.5米,高3米,重200吨及以下的砼梁的吊装要求和起重机械所必须具备的通用的各项要求。
本机主桁架都是每段9米另接一段5米,最大重量7吨左右,可便于运输,使用者可按编号逐一拆卸及拼装,既简单又快捷。
1.2200/50型架桥机工作状态参数,见表1表1 架桥机工作状态参数一览表2整机的结构及加工方法简介2.1主桁架的结构、加工及连接方法2.1.1主桁架横移截面如图二所示2.1.2 主桁架用主要材料参数见上图22.1.3 截面形心位置Y 0=134cm 2.1.4 截面对形心轴的惯性矩x J =4cm; y J =5366054cm2.1.5 主桁架自重(包括焊在架面钢轨)q=8.8kg/cm 2.1.6 抗弯截面模数3163326cm W X =(上弦); 3261436cm W X =(下弦)3117199cm W Y =(上弦); 3213689cm W Y =(下弦)2.1.7主桁架的加工和连接方法主桁架由型钢焊接成横截面如图1的呈梯形桁架结构 焊接方法:人工电弧焊; 焊 条:J422和507;焊缝形式:主要是 焊缝高度:6~12mm 。
目录一、设计规范及参考文献 (2)二。
架桥机设计荷载 (2)三.架桥机倾覆稳定性计算 (3)四。
结构分析 (5)五。
架桥机1号、2号车横梁检算 (7)六。
架桥机0号立柱横梁计算 (9)七、1号车横梁及0号柱横梁挠度计算 (11)八。
150型分配梁:(1号车处) (13)九、0号柱承载力检算 (14)十、起吊系统检算 (15)十一。
架桥机导梁整体稳定性计算 (16)十二。
导梁天车走道梁计算 (18)十三.吊梁天车横梁计算 (18)一、设计规范及参考文献(一)重机设计规范(GB3811-83)(二)钢结构设计规范(GBJ17—88)(三)公路桥涵施工规范(041—89)(四)公路桥涵设计规范(JTJ021—89)(五)石家庄铁道学院《GFJT-40/300拆装式架桥机设计计算书》(六)梁体按30米箱梁100吨计。
二.架桥机设计荷载(一)。
垂直荷载=100t梁重:Q1单个天车重:Q=20t(含卷扬机、天车重、天车横梁重)2主梁、桁架及桥面系均部荷载:q=0。
67t/m×1.1=0.74t/m=4t前支腿总重: Q3中支腿总重:Q=2t4=34t1号承重梁总重:Q52号承重梁总重:Q=34t6=12t2#号横梁Q7梁增重系数取:1。
1活载冲击系数取:1.2不均匀系数取:1。
1(二).水平荷载1.风荷载a.设计取工作状态最大风力,风压为7级风的最大风压:=19kg/m2q1b。
非工作计算状态风压,设计为11级的最大风压;q=66kg/m22(以上数据参照石家庄铁道学院《GFJT-40/300拆装式架桥机设计计算书》) 2.运行惯性力: Ф=1。
1三。
架桥机倾覆稳定性计算(一) 架桥机纵向稳定性计算架桥机纵向稳定性最不利情况出现在架桥机悬臂前行阶段,该工况下架桥机的支柱已经翻起,1号天车及2号天车退至架桥机尾部作为配重,计算简图见图1(单位 m):图中图1P1=4t (前支柱自重)P2=0。
74×22=16。
目录一、设计规范及参考文献 (2)二.架桥机设计荷载 (2)三.架桥机倾覆稳定性计算 (3)四.结构分析 (5)五.架桥机1号、2号车横梁检算 (7)六.架桥机0号立柱横梁计算 (9)七、1号车横梁及0号柱横梁挠度计算 (11)八.150型分配梁:(1号车处) (13)九、0号柱承载力检算 (14)十、起吊系统检算 (15)十一 .架桥机导梁整体稳定性计算 (16)十二.导梁天车走道梁计算 (18)十三.吊梁天车横梁计算 (18)一、设计规范及参考文献(一)重机设计规范(GB3811-83)(二)钢结构设计规范(GBJ17-88)(三)公路桥涵施工规范(041-89)(四)公路桥涵设计规范(JTJ021-89)(五)石家庄铁道学院《GFJT-40/300拆装式架桥机设计计算书》(六)梁体按30米箱梁100吨计。
二.架桥机设计荷载(一).垂直荷载=100t梁重:Q1单个天车重:Q=20t(含卷扬机、天车重、天车横梁重)2主梁、桁架及桥面系均部荷载:q=0.67t/m×1.1=0.74t/m=4t前支腿总重: Q3中支腿总重:Q=2t4=34t1号承重梁总重:Q52号承重梁总重:Q=34t6=12t2#号横梁Q7梁增重系数取:1.1活载冲击系数取:1.2不均匀系数取:1.1(二).水平荷载1.风荷载a.设计取工作状态最大风力,风压为7级风的最大风压:=19kg/m2q1b. 非工作计算状态风压,设计为11级的最大风压;q=66kg/m22(以上数据参照石家庄铁道学院《GFJT-40/300拆装式架桥机设计计算书》) 2.运行惯性力:Ф=1.1三.架桥机倾覆稳定性计算(一) 架桥机纵向稳定性计算架桥机纵向稳定性最不利情况出现在架桥机悬臂前行阶段,该工况下架桥机的支柱已经翻起,1号天车及2号天车退至架桥机尾部作为配重,计算简图见图1(单位 m):图中图1P1=4t (前支柱自重)P2=0.74×22=16.28t (导梁后段自重)P3=0.74×30=22.2t (导梁前段自重)P 5= P4=20t (含卷扬机、天车重、天车横梁重)P6为风荷载,按11级风的最大风压下的横向风荷载,所有迎风面均按实体计算,P6=ΣCKnqAi =1.2×1.39×66×(0.7+0.584+0.245+2.25+0.3+0.7+0.8+1.5) ×12.9=10053kg=10.05t作用在轨面以上5.5m处M抗=16.28×11+20×(11+4+5)+20×(11+5) =899.08t.mM倾=4×30+22.2×15+10.05×5.5=508.275t.m架桥机纵向抗倾覆安全系数n=M抗/M倾=899.08/(508.275×1.1)=1.61>1.3 <可)(二) 架桥机横向倾覆稳定性计算1.正常工作状态下稳定性计算架桥机横向倾覆稳定性最不利情况发生在架边梁就位时,最不利位置在1号天车位置,检算时可偏于安全的将整个架桥机荷载全部简化到该处,计算简图如图图2P1为架桥机自重(不含起重车),作用在两支点中心(其中天车横梁重6t)P1=(16.28+22.2)×2+12×2+6×2=112.96 tP2为导梁承受的风荷载,作用点在支点以上3.8m处,导梁迎风面积按实体面积计,导梁形状系数取1.6。
SN200T/50m型桥机复核计算书目录1工程概述 (1)2 架桥机主要技术参数 (1)3 材料特性及计算依据 (1)3.1 材料性质 (1)3.1.1 材料特性 (1)3. 2 主体结构材质 (2)3.1.2 容许应力 (2)3.3 设计依据 (2)4 结构计算 (2)4.1计算载荷 (2)4.1.1砼荷载 (2)4.1.2风载荷 (3)4.1.3天车自重载荷 (3)4.2 计算工况 (4)4.3 计算模型及结果 (4)4.4计算结果 (4)4.4.1 工况1计算 (4)4.4.2 工况2计算 (7)4.4.3 工况3计算 (9)4.4.4 工况4计算 (11)4.4.5 工况5计算 (13)4.4.6 工况6计算 (15)4.4.7 工况7计算 (17)4.4.8 工况8计算 (19)4.4.9 工况9计算 (21)4.4.6 工况10计算 (23)4.4.7 工况11计算 (25)4.4.8计算结果汇总 (27)4.5 铰接计算 (27)4.5.1 主梁上下弦杆连接销轴计算 (27)4.5.2 前支腿伸缩筒销轴计算 (31)4.5.3 主梁上下弦杆连接耳板计算 (33)4.5.3 前支腿伸缩筒连接耳板计算 (34)4.6 螺栓连接计算 (35)4.7 轨道接触计算 (36)5.稳定性校核 (36)5.1前支腿稳定性校核 (37)6.复核结论及建议 (38)6.1复核结论 (38)6.2建议..................................................................................................... 错误!未定义书签。
1工程概述架桥机主要由主梁、前支腿、中支腿、后支腿、中拖轮、起重天车、卷扬机等组成。
2 架桥机主要技术参数设计单位提出的架桥机主要技术参数如下:(1) 架桥跨径:≤50m(2) 额定起吊重量:≤2×100t(3) 适宜纵坡:≤±3﹪(4) 吊钩提升速度:0.75m/min(5) 提升小车运行速度:1.38 m/min(6) 边梁架设速度:1.38 m/min(7) 桥机过孔速度:1.38m/min(8) 桥机横移速度:1.38m/min(9) 整机功率:51kw(10) 自重:100t3 材料特性及计算依据3.1 材料性质3.1.1 材料特性钢的材料特性:弹性模量E=2.1×105 MPa泊松比:μ=0.3密度:ρ=7850 kg/m33. 2 主体结构材质主体结构材质如表1。
架桥机计算内容(50米200吨)(LBQJ200/50双导梁联合式架桥机)1.架桥机的工作方式及工作状态参数1.1架桥机的工作方式简介架桥机也称导梁机,本机是双导梁联合式架桥机,是架设架梁时用来提升、移动桥梁,最终使桥梁到达指定位置的起重设备,整机由主桁架及行走机构、副架及行走机构、卷扬机及行走机构三大部分组成,使用时,主桁架安装在桥墩帽梁和桥面上,由电动机驱动在临时铺设的钢轨上作纵向或横向运行,移梁架由电机驱动在主桁架上面的钢轨上作纵向运行,卷扬机由电机驱动在移梁架上的钢轨上作横向运行,由大功率电机驱动卷扬机提升桥梁(见图1)。
架桥机在桥墩上运行,属高空、重载作业,作业区域属风力较强的沿海地区,要求该机各种构件安全牢固,性能稳定可靠,该机自重轻,起重能力强,纵横移电动行走,运行平稳、快捷,集中控制,操作简便,能架设弯桥、斜交桥、坡桥,桥宽不限。
符合桥梁的吊装要求和起重机械所必须具备的通用的各项要求,能保证工程安全。
本机能满足长50米,宽3.5米,高3米,重200吨及以下的砼梁的吊装要求和起重机械所必须具备的通用的各项要求。
本机主桁架都是每段9 米另接一段5米,最大重量7吨左右,可便于运输,使用者可按编号逐一拆卸及拼装,既简单又快捷。
1.2200/50型架桥机工作状态参数,见表1表1 架桥机工作状态参数一览表2整机的结构及加工方法简介2.1主桁架的结构、加工及连接方法主桁架横移截面如图二所示上图2Y 0=134cm截面对形心轴的惯性矩x J =82324174cm; y J =5366054cm主桁架自重(包括焊在架面钢轨)q=8.8kg/cm抗弯截面模数3163326cm W X =(上弦); 3261436cm W X =(下弦)3117199cm W Y =(上弦); 3213689cm W Y =(下弦)主桁架的加工和连接方法主桁架由型钢焊接成横截面如图1的呈梯形桁架结构 焊接方法:人工电弧焊; 焊 条:J422和507;焊缝形式:主要是焊缝高度:6~12mm。
(LBQJ200/50双导梁联合式架桥机)1.架桥机的工作方式及工作状态参数1.1架桥机的工作方式简介架桥机也称导梁机,本机是双导梁联合式架桥机,是架设架梁时用来提升、移动桥梁,最终使桥梁到达指定位置的起重设备,整机由主桁架及行走机构、副架及行走机构、卷扬机及行走机构三大部分组成,使用时,主桁架安装在桥墩帽梁和桥面上,由电动机驱动在临时铺设的钢轨上作纵向或横向运行,移梁架由电机驱动在主桁架上面的钢轨上作纵向运行,卷扬机由电机驱动在移梁架上的钢轨上作横向运行,由大功率电机驱动卷扬机提升桥梁(见图1)。
架桥机在桥墩上运行,属高空、重载作业,作业区域属风力较强的沿海地区,要求该机各种构件安全牢固,性能稳定可靠,该机自重轻,起重能力强,纵横移电动行走,运行平稳、快捷,集中控制,操作简便,能架设弯桥、斜交桥、坡桥,桥宽不限。
符合桥梁的吊装要求和起重机械所必须具备的通用的各项要求,能保证工程安全。
本机能满足长50米,宽3.5米,高3米,重200吨及以下的砼梁的吊装要求和起重机械所必须具备的通用的各项要求。
本机主桁架都是每段9 米另接一段5米,最大重量7吨左右,可便于运输,使用者可按编号逐一拆卸及拼装,既简单又快捷。
1.2 200/50型架桥机工作状态参数,见表1表1 架桥机工作状态参数一览表2整机的结构及加工方法简介2.1主桁架的结构、加工及连接方法2.1.1主桁架横移截面如图二所示2.1.2 主桁架用主要材料参数见上图22.1.3 截面形心位置Y 0=134cm 2.1.4 截面对形心轴的惯性矩 x J =82324174cm ; y J =5366054cm 2.1.5 主桁架自重(包括焊在架面钢轨)q=8.8kg/cm 2.1.6 抗弯截面模数3163326cm W X =(上弦); 3261436cm W X =(下弦)3117199cm W Y =(上弦); 3213689cm W Y =(下弦)2.1.7主桁架的加工和连接方法主桁架由型钢焊接成横截面如图1的呈梯形桁架结构 焊接方法:人工电弧焊; 焊 条:J422和507;焊缝形式:主要是 焊缝高度:6~12mm 。
主桁架每条长9m ,每段主桁架(共2段)由11条连接而成。
在每段 主桁架的两端上下弦杆上焊接法兰,然后段与段之间用M36(10.9级) 高强度螺栓连接起来。
主桁架的材质: A3 ; 许用应力:[ ]=2150 kg/2cm ;弹性模量E=2×610 kg/2cm ;主桁架的上焊有4cm 钢条,供副架即移梁架纵向移动,钢轨与钢轨之间用标准夹板连接。
2.2 移梁架的结构和加工方法 2.2.1移梁架的截面如图3所示2.2.2 移梁架用主要材料参数(见表3) 2.2.3移梁架截面形心位置o Y =86cm 2.2.4 截面对形心轴的惯性矩 x J =9101044cm , y J =247264cm2.2.5移梁架自重 q=350kg/m(包括钢轨) 2.2.6 移梁架抗弯截面模数1X W =117283cm (上弦) 2X W =105834cm (下弦) 1y W =16484cm (上弦) 2y W =12364cm (下弦)2.2.7 移梁架的加工方法移梁架(又叫副架)总共4段,每段长8.2m 。
加工方法、材质,与主桁架相同。
每段架上部装有4cm 钢条(见图3),卷扬机可在上面走动,每两段移梁架为一组平行安装在底盘上,底盘下部装车轮,由电机带动,共两副。
2.3 卷扬机的结构卷扬机由电机、减速器、刹车装置、卷筒、底盘、滑车组、钢丝绳、行走机构组成。
2.4 架桥机的运行程序(见表4) 表4 导梁机运行顺序2.5 载荷的核定、分配与组合2.5.1金属结构和支承零件的计算载荷 A.自重:架桥机各部件自重见表5 表5、架桥机各部件自重自重冲击系数:有轨运行,V=0.077<1m/s取∏K =1 I K =(∏K +1)/2=1 B.起升载荷a .起升载荷=+=-13G Q Q qQ =200t 13-G =2t(包括钢丝绳和滑轮组) =+=-13G Q Q q 202tb .计算起升载荷需要考虑起升动力系数时,取 1.1=α C .风载荷f Fa .风载荷沿水平方向按下式计算: f F =∑C ·h K ·q ·A kgfb .风载体型系数 C=1.35 高度修正系数 h K =1.0 标准风压(沿海地区)q =25kg/2m迎风面积A=104×2.64+4×0.7=277.42m 结构充满系数 Φ=0.6面积折减系数 f η=0.67(b:h <2) c .风力f F =1.35×1.0×25×277.4×(0.6+0.6×0.67)=9381 kg 3. 主桁架受力计算3.1重载时主桁架受力分析与计算架桥机为三支点连续梁,属超静定系统,用三弯矩方程求解。
架桥机是在移动载荷下工作,存在无数种力学状况。
经初步计算,筛选出两种危险载荷组合校核。
如果校核安全即整机在其它种力学状况下都能安全运行。
3.1.1 前移梁架到达B-C 跨的中点时,受力如图4PP图4 纵向移梁时主桁架受力图(单位:m)1P =2P =41[α⨯q Q +(3G -2)+ 2G ]=41[202×1.1+(6-2)+14]=60.05吨(考虑某些不可预见因素,取1P =2P =62吨) 3.1.2 当架设边梁时,受力如图5P P3.1.2.1 对靠边的一条主桁架(见图5)1P ’=2P ’=48.415.42)]2()2([23G G Q q +⨯÷-++⨯α =4148.415.42)]26()2200(1.1[+⨯÷-++⨯=101.28吨3.1.2.2 对靠另一边的主桁架相应受力减少 1P ”=2P ”=4148.465.02]4)2200(1.1[+⨯÷++⨯=18.82吨3.1.3 用三弯矩方程求解。
2221112221110/6/6)(2L W b L W a L M L L M L M --=+++。
对图4和图5两种受力情况进行计算,结果见表6。
表6 解三弯矩方程的已知条件及计算结果3.2 主桁架的强度及刚度的校核3.2.1 杆的强度3.2.1.1上弦杆的强度(包括钢轨的作用) (1)拉应力A .在图4的状态下,支座B 的上弦处于最大拉应力状态(见表6)m ax σ=766701025910597.565551⨯+⨯=X W M 1076kg/2cm (说明:这1X W 是中间加强段抗弯截面模量) B. 剪应力τ=1732.798137940==∑AQkg/2cm C 、折合拉应力11171733107622=⨯+=折σ kg/2cmD 、平均拉应力(包括钢轨) 上弦总拉力F=kg h M 369774223824597000==4.420369774=拉σ=880kg/2cm (2)压应力A 、在图4状态下,BC 跨中上弦处于最大压应力状态 m ax σ==633265170320016313560+=1074kg/2cm <[f]=2150 kg/2cmB 、折合压应力2222max 23310743⨯+=+=τσσ压折合=1075 kg/2cmC.平均压应力(包括钢轨) 34.3422256801676034.342680167600⨯=⨯=h 压σ =883 kg/2cm3.2.1.2 下弦杆的强度(包括加固后的钢板) (1)拉应力A 、在图4状态下,B-C 跨中处最大拉应力状态。
m ax 拉σ=6143668016760=1107 kg/2cm <[f]=2150 kg/2cmB 、 平均拉应力拉σ=74.299225680167600⨯=∑Ah M=1009kg/2cm [f]=2150 kg/2cm(2)压应力A 、在图4状态下,支座B 的下弦处于最大压应力状态=max σ7609082459700=1084kg/2cm <[f]=2150 kg/2cmB 、剪应力 τ=173 kg/2cmC 、折合压应力11251733108422=⨯+=折压σ kg/2cm <[f]=2150 kg/2cm D 、平均压应力=⨯=8.37722382459700σ979 kg/2cm <[f]=2150 kg/2cm3.2.1.3 腹杆的强度椐初步计算,在架设边梁时,重载边腹杆处于最大应力状态。
A 、 斜杆的强度从表6中计算出,架设边梁时,B 、C 支座反力最大。
尤其支座B 右边反力达129吨。
该处斜杆使用加强斜杆截面见下图6图6 斜杆截面支座反力N=129T ,斜杆计算长度:L=68cm,=y i 2.28cm3028.268==λ ϕ=0.936 2/1730936.035.442898.0129000936.02sin cm kg A a N =⨯⨯⨯=⨯⨯⨯所以斜杆强度是足够的。
B 、 竖杆的强度计算长度L=81cm, [22a , A=31.842cm ,=y i 2.23cm, 竖杆压力=101.28T,23.281==y i L λ=36.3 ϕ=0.913 174214.58101280913.084.312101280==⨯⨯ kg/2cm <[f]故竖杆强度能满足设计要求。
3.2.2刚度3.2.2.1 主桁架的刚度A .主桁架在图4状态下的刚度在图4工作状态下BC 跨中处的挠度最大,其值为:中f =EJ PL 483+])21(2132[2163845224+⨯-⨯-EJ ML EJ qL =+⨯⨯⨯⨯⨯⨯823241710248106.5110626633375.082324171026106.5110597.8248232417102384106.518.856425684⨯⨯⨯⨯⨯⨯⨯-⨯⨯⨯⨯⨯⨯ =7.4cmB. 主桁架在图5状态下,BC 跨中的挠度设想把支座B 左边的主桁架拆下计算BC 跨中挠度中f =])(43[243845224lqEJ Pal EJ ql -+ =)6.513.143(823241*********.51103.11028.1018232417102384106.518.852264223684-⨯⨯⨯⨯⨯⨯⨯⨯+⨯⨯⨯⨯⨯⨯ =7.6cm刚度基本满足要求。
3.3连接及焊接部位的强度校核 3.3.1 斜杆与弦杆的焊接强度 对一根斜杆而言, A.焊缝长度 L=95cm B.焊缝高度 h ≥6mmC.最大拉力(支座B 右侧斜杆) P=107tD. 拉应力σ=2956.07.0107000⨯⨯⨯=1341kg/2cm <[f]=2150 kg/2cm3.3.2 下弦杆与法兰的焊接 A.焊缝长度L=408cm B.焊缝高度h ≥8mm C.最大拉力(图5跨中)P=225101676.6805⨯=302297kgD.剪力:τ=15022kg E.拉应力σ=4088.07.0302297⨯⨯=1323kg/2cmF.剪应力τ=64215022=23 kg/2cmG.焊缝强度:C σ=22231323+=1323 kg/2cm <w f f =1600 kg/2cm 3.3.3 上弦杆与法兰的焊接 A. 焊缝长度L ≥490cm B.焊缝高度 h ≥10mm C.上弦杆最大拉力P=4988092251032.11225=⨯kg D.拉应力 σ=49017.0498809⨯⨯=1454kg/2cmE.最大剪应力 τ=6964244540=kg/2cm F.焊缝强度σ=22691454+=1456kg/2cm <w f f =1600 kg/2cm 故焊缝安全。