摩托车短路熄火原理
- 格式:doc
- 大小:12.84 KB
- 文档页数:2
摩托车电器系统原理简介一、摩托车电器系统简述摩托车电器系统通常由以下几个部分组成:电源系统、点火系统、信号系统、照明系统、电启动系统、防盗系统等。
二、摩托车电器系统的特点1、摩托车电器系统一般采用12V直流电为电源,但是有的摩托车的照明系统和点火系统采用交流电。
2、电源设备与用电设备并联连接,而开关则串联在二者之间,各用电设备互不干扰。
3、摩托车电路普遍采用负极搭铁(接地)。
4、在电路中的连接导线均采用规定颜色,根据这一特点可以比较方便地查找电路连接的故障。
5、在电路的连接中广泛采用插接器,在保养和检修时可以方便地断开或恢复电路的连接。
三、电源系统电源系统的作用是给摩托车用电设备提供电能。
一般由蓄电池、磁电机、电压调节器、熔断器及点火开关等组成。
㈠蓄电池1、蓄电池的作用①用作电源,当发电机供电不足时给用电设备供电;②储存能量,将发电机的电能转化为蓄电池的化学能储存起来,用作在发电机供电不足时的补充;③稳定电源系统的电压,发动机转速急剧波动时,发电机的电压波动也较大,蓄电池可以通过充电和放电吸收这种波动,稳定系统的电压。
2、蓄电池的分类蓄电池按结构可分为开放型、密封型和干荷型。
①开放型蓄电池又称普通铅酸蓄电池,这种蓄电池需经常检查液面高度,加注蒸馏水,定期从车上拆下进行充电等。
②密封型蓄电池又称免维护蓄电池,在摩托车上合理使用过程中不需添加蒸馏水,接线柱腐蚀较轻,蓄电池自行放电较少,在车上使用或储存时不需要进行补充充电。
③干荷型蓄电池又称干电瓶,其极板在干燥状态下能够长期保存电荷,在规定的保存期内(两年)如需使用,只要灌入符合规定的电解液,搁置15分钟,调整液面高度至规定值,不必进行初次充电即可使用。
3、蓄电池的容量蓄电池的容量是表示蓄电池储存电能多少的参数。
当蓄电池充足电时,以一定的电流连续放电,从放电开始到端电压降低到10.5V为止,放电电流与放电时间的乘积为容量,其单位为Ah。
容量大小与蓄电池的极板大小、片数及蓄电池使用时的温度有关。
摩托车点火器原理综述摩托车点火器原理综述摩托车点火可分为蓄电池点火和磁电机点火两大类。
点火方式见表1所示。
其中最常用的有三种:1.蓄电池有触点电感放电式点火;2.磁电机有触点电感放电式点火;3.磁电机无触点电容放电式点火。
一、蓄电池有触点电感放电式点火系统工作原理目前大排量的摩托车一般都采用蓄电池点火。
图1是单缸二冲程摩托车蓄电池点火的典型电路,在国产摩托车中应用较多。
工作原理:闭合点火开关S1时,发动机的凸轮带动断电触点S2一开一闭。
当触点闭合时,电流流进点火线圈T的初级线圈中,开始储存磁场能。
当触点断开时,初级线圈中的电流突然中断,由于互感作用使次级线圈感应产生上万伏的高压电,并送至火花塞使其极间跳火,点燃气缸内的可燃混合气。
此点火电路很简单,因是单缸点火所以不需要分电器。
图1中的电容器C的作用一是为了防止初级线圈产生的自感电动势将断电触点烧损,二是能提高次级线圈的放电电压。
电容器C的容量一般在0.2uF左右,断电触点的正常间隙为0.3-0.5mm。
图2是带有分电器的双缸蓄电池有触点电感放电式点火原理图。
工作原理基本同上,只不过它采用四冲程发动机,曲轴转两圈720°,各缸火花塞跳火一次,即双缸火花塞跳火的间隔时间为360°。
在多缸的摩托车蓄电池点火系统中,为了改善发动机高速运转时的点火特性,某些车型取消了分电器,采用一种所谓的“浪费火花型”点火。
其关键元件是点火线圈T的次级线圈的变型,见图3所示。
由于此点火线圈T的次级线圈的两端分别接第一缸和第二缸的火花塞,因此在点火时,一缸和二缸的火花塞同时跳火。
只有处于压缩行程终了的那个气缸火花塞的跳火才是有效的,而相对于这时处于排气行程的另一个气缸火花塞的跳火是无效的,是多余的跳火,即所谓“浪费火花型”点火。
此类无分电器式点火,由于两个气缸的火花塞是串联的,因此要求跳火电压能同时击穿两个火花塞的间隙,故要求点火线圈产生的能量要大,次级放电电压要高。
摩托车熄火线原理摩托车熄火线是指当摩托车发动机在运行过程中突然熄火时,需要检查的一系列可能原因和排除方法。
摩托车熄火线原理包括以下几个方面:1. 点火系统问题:摩托车的点火系统是摩托车正常运行的关键。
如果点火系统出现问题,会导致燃烧室无法正常点火,进而导致熄火。
可能的原因包括点火线路接触不良、点火线圈损坏或过热等。
解决方法包括检查线路连接是否正常,检查点火线圈是否有烧损或发热过多的现象,并及时更换损坏的部件。
2. 燃油供给问题:燃油供给不足或过量也是摩托车熄火的常见原因之一。
供油系统问题可能包括油路堵塞、油泵故障等。
检查燃油是否充足,检查油泵是否正常工作,并及时清洗或更换堵塞的油路,维护油泵,以确保燃油供给的正常。
3. 进气系统问题:进气系统是摩托车顺利运行的另一个重要组成部分。
如果进气系统出现问题,会导致混合气过浓或过稀,影响燃烧效果,导致熄火。
检查空气滤清器是否清洁,是否需要更换新的空气滤清器。
同时,检查汽油和空气混合比是否正确,并及时调整和清洁需要维护的部件。
4. 发动机机械故障:摩托车发动机出现机械故障也会导致熄火。
例如,曲轴、连杆、活塞等零部件的损坏或磨损,会导致发动机运转不稳定,甚至熄火。
解决方法包括检查发动机机械零部件是否正常磨损,及时更换损坏的零件,保持发动机的正常运转。
5. 电气系统故障:摩托车的电气系统也可能会导致熄火。
例如,电瓶电量不足、线路短路等原因都可能导致发动机熄火。
解决方法包括检查电瓶电量是否充足,检查线路是否出现短路等问题,并及时调整或更换需要维护的零部件。
总之,摩托车熄火线原理包括点火系统、燃油供给系统、进气系统、发动机机械和电气系统几个方面。
了解这些原理,并及时排查和维护可能出现的问题,对于保持摩托车的正常运转是非常重要的。
以保证摩托车的安全和顺畅行驶。
摩托车熄火原理摩托车熄火是指发动机在运行过程中突然停止工作。
熄火原因可以有很多种,下面将介绍一些常见的情况。
1. 燃料供给问题:摩托车熄火最常见的原因之一是燃料供给不足。
这可能是由于油箱中没有足够的燃料,或者燃料管道堵塞,导致燃料无法正常流动到发动机。
2. 点火系统故障:点火系统发生故障也会导致摩托车熄火。
点火系统包括点火线圈、点火开关、火花塞等部件,任何这些部件出现故障都可能导致发动机无法正常点火,进而熄火。
3. 空气供给问题:摩托车发动机需要足够的空气来燃烧燃料,如果空气滤清器堵塞或进气管道泄漏,都会导致发动机无法获得足够的空气从而熄火。
4. 发动机过热:摩托车长时间高速行驶或在高温环境下运行会导致发动机过热,进而熄火。
这是因为高温会使发动机冷却系统失效,导致无法正常散热。
5. 电路问题:与点火系统类似,摩托车的电路系统故障也可能导致熄火。
例如,电瓶电量不足或电路线路出现短路等情况。
在日常使用摩托车时,如果发动机突然熄火,我们可以尝试以下一些操作来解决问题:首先,检查油箱中的燃料是否充足,并确保燃料管道没有阻塞或漏油现象。
如果油箱燃料不足,则需要及时添加燃料;如果发现阻塞或漏油现象,应及时清理或修复。
其次,如果燃料供给正常,可以检查点火系统的工作情况。
可以检查火花塞是否老化或损坏,需要更换;检查电线是否有松动或断裂等问题,并及时修复。
此外,还可以检查空气滤清器是否干净,进气管道是否正常。
如果发现滤清器脏了,可以进行清洗或更换;如果发现漏气或泄漏现象,可以修复或更换。
对于发动机过热导致熄火的情况,可以尝试将摩托车停在阴凉处,给发动机降温一段时间后再重新启动。
最后,如果以上方法还无法解决问题,建议及时联系专业的摩托车维修人员进行检修和维护。
摩托车侧撑熄火开关原理概述摩托车侧撑熄火开关是摩托车上一种常见的安全装置。
它的主要功能是在摩托车停稳时自动切断点火系统,避免因忘记关闭点火开关而导致车辆意外启动。
本文将详细探讨摩托车侧撑熄火开关的原理及工作机制。
工作原理摩托车侧撑熄火开关的工作原理基于摩托车侧撑杆与地面接触的状态。
当摩托车侧撑杆与地面接触时,开关会自动断开点火线路,使发动机无法启动。
而当侧撑杆与地面脱离接触时,开关会关闭,点火线路恢复正常,发动机可以启动。
组成结构摩托车侧撑熄火开关一般由以下几个主要部件组成: 1. 撑脚传感器:安装在摩托车侧撑杆上,用于检测侧撑杆与地面的接触状态。
2. 电磁继电器:输入传感器信号,并控制点火线路的开关状态。
3. 电源线路:提供电能给电磁继电器,使其正常工作。
4. 点火线路:负责将电磁继电器的开关状态传递给点火系统,控制发动机的启停。
工作过程以下是摩托车侧撑熄火开关的工作过程: 1. 驾驶员将摩托车停稳并打开侧撑杆。
2. 撑脚传感器感知到侧撑杆与地面接触,并将信号传给电磁继电器。
3. 电磁继电器收到信号后,将点火线路断开,发动机无法启动。
4. 当驾驶员将侧撑杆收起并离开地面时,撑脚传感器不再接触地面,传感器信号改变。
5. 电磁继电器接收到新的信号后,关闭断开的点火线路,发动机可以启动。
优势与安全性摩托车侧撑熄火开关具有以下优势和安全性: - 避免意外启动:侧撑熄火开关可以防止因忘记关闭点火开关而导致的意外启动,提高了驾驶员和车辆的安全性。
- 简单易用:该开关在使用上非常简单,驾驶员只需打开或收起侧撑杆即可。
- 节能环保:在停车状态下熄火,可以避免长时间怠速造成的燃油浪费和环境污染。
维护与故障排除尽管摩托车侧撑熄火开关通常是耐用且可靠的,但有时也会出现故障。
以下是一些常见的故障情况及排除方法: 1. 侧撑杆无法收起:可能是撑脚传感器损坏,需要更换传感器。
2. 发动机无法启动:可能是电磁继电器故障,需要检查继电器线路或更换继电器。
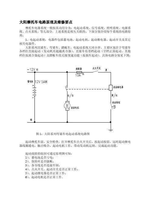
大阳摩托车电路原理及维修要点摩托车电器系统一般按其功用分为:电起动系统、信号系统、照明系统、电源系统、点火系统、等几部分,上述系统是相互关联的,下面分别介绍每个系统的电路原理:1、电起动系统:电器件包括蓄电池、起动电机、起动继电器、起动开关及其它相关电器件。
大阳系列直梁车、弯梁车、踏板车,电起动系统大同小异,主要区别在于弯梁车各档位直接起动(发动机有超越离合器)、直梁车有带档起动(空档正常起动、其他档位按离合器起动)及踏板车的无级变速功能(按刹车起动)。
具体电路分别见下图:图1:大阳系列弯梁车电起动系统电路图起动摩托车前,安全检查,打开摩托车点火开关后,按起动按钮,这时起动继电器线圈通电,触点吸合,起动电机工作,带动发动机运转,完成起动功能。
起动故障的原因可通过原理图可知:1)、蓄电池是否亏电;2)、保险丝是否烧断;3)、各导线是否连接牢固;4)、点火开关、起动开关是否正常工作;5)、起动继电器是否正常工作;6)、起动电机是否正常工作。
图2:大阳系列直梁车电起动系统电路图直梁车电起动系统中的二极管作用是:防止带档起动时,离合器开关接通,空档灯常亮。
发生故障的原因比前面多一种:二极管是否失效或接反。
图3:DY50T、DY100T、DY125T踏板车电起动系统电路图图4:DY150T踏板车电起动系统电路图踏板车电起动系统中串入刹车开关是为防止起动时(油门大)摩托车前冲,原理与故障同上。
DY150T踏板车只有在紧急熄火开关接通,电路才能工作。
2、信号系统:摩托车信号系统电器件包括蓄电池、点火开关、转向开关、闪光继电器、前后转向灯、转向指示灯、喇叭、喇叭按钮、刹车灯、刹车开关、油位表、油位传感器、档位指示灯及档位开关。
信号系统电路也可分为:转向、喇叭、刹车、油位指示及档位指示等支路。
各类摩托车信号系统基本相似,仅仅是踏板车无档位指示功能(有些摩托车带电压指示功能或来电显示功能),原理见下图:油位传感器有两线式和三线式,当油位发生变化时,传感器电阻值变化,油位表指示值随之变化。
电喷摩托车熄火开关工作原理
电喷摩托车熄火开关是电喷系统中一个非常重要的组件,它能够控制车辆的发动机熄火,防止发生意外事故。
下面我们来了解一下电喷摩托车熄火开关的工作原理。
1. 熄火开关的位置
熄火开关通常位于车辆的右手方向盘下方或者左手方向盘上方,用于控制车辆的熄火。
2. 熄火开关的组成
熄火开关由开关本体和连接线两部分组成。
开关本体分为正常关闭状态和正常打开状态,连接线则连接着电喷系统的ECU(电子控制单元)。
3. 熄火开关的工作原理
当驾驶员使熄火开关处于打开状态时,ECU会感知到这个状态信号,通过发动机控制模块(ECM)停止燃料泵的工作,停止供应燃料给发动机,同时通过点火控制模块(ICM)切断点火线圈的电源,从而使发动机停止运转。
当驾驶员使熄火开关处于关闭状态时,ECU会感知到这个状态信号,
启动燃料泵,供应燃料给发动机,并通过ICM使点火线圈通电,启动
发动机。
需要注意的是,熄火开关通常在紧急情况下使用,应该避免频繁使用,以免损坏车辆的电喷系统。
总之,电喷摩托车熄火开关是一款非常重要的电子设备,能够帮助驾
驶员控制车辆的行驶状态,保证行车的安全性。
摩托车上的熄火原理是什么摩托车上的熄火原理,其实是一种复杂的机械运作机制。
在摩托车行驶时发生熄火的原因往往是多种因素交织所致,但实质上可以归纳为以下几个方面:燃油不足、空气流通不畅、火花不足、机械故障、电气系统不稳定等因素。
首先,燃油不足会导致摩托车熄火。
原因可能是油箱中汽油不足,或是油路堵塞等。
由于发动机需要燃油才能燃烧产生动力,如果燃油供应不足,则摩托车的动力会急剧降低,最终导致熄火。
其次,空气流通不畅也是摩托车熄火的原因之一。
该问题多发于汽车的空气进口和油路的氧气传递不畅。
因为,摩托车的发动机是通过燃料和空气的化学反应来产生动力的,两者的配比不匹配,或者是空气进口不畅都会影响发动机的正常运行,从而引起发动机的熄火。
另一方面,火花不足也是导致摩托车熄火的原因。
当摩托车行驶时,点火的火花会引燃汽油气体,从而产生能量,使摩托车前行。
因此,如果火花暂时没有被点燃,或者是点火系统失效,都会造成摩托车的熄火。
除此之外,摩托车机械故障也是熄火的原因之一。
摩托车的发动机由许多零件组成,如汽缸、活塞、气门、曲轴等,如果出现器件断裂或损坏,就会导致发动机运作不正常,最终引起熄火。
同时,电气系统也是导致摩托车熄火的原因之一。
如果电池不足,或者是电路系统出现故障,都会影响到发电机供电的情况,导致熄火。
综上所述,摩托车熄火的原理是一个复杂的机械运作机制,其中包含许多不同的因素。
这些因素如果不能及时得到解决,则会导致摩托车在行驶时熄火,进而影响到行车的安全和正常运行。
因此,我们在驾驶摩托车时,需要定期检查机械和电气系统的运作情况,并准备好必要的维修工具和备件,以便随时处理出现的问题。
机车电气火灾的原因分析及预防措施随着现代交通工具的发展和运输需求的增加,机车作为重要的铁路运输工具,在现代交通体系中扮演着重要的角色。
然而,由于长时间连续工作、电气设备复杂等原因,机车电气火灾成为当前铁路交通安全的一项重要挑战。
本文将对机车电气火灾的原因进行分析,并提出一些预防措施。
一、机车电气火灾的原因分析1. 电气设备老化与损坏机车作为一个高度自动化的系统,依赖大量的电气设备来确保正常运行。
然而,长时间的运行和高频率的切换,使得电气设备容易发生老化和损坏,进而引起火灾。
2. 短路与电气故障由于机车电气系统中存在复杂的电气线路和元件,一旦发生短路或其他电气故障,就可能会出现电弧放电导致火灾。
这些故障可能是由于材料老化、设计缺陷、操作失误或外力冲击等引起的。
3. 不当使用和维护机车电气设备的使用和维护不当也是电气火灾的常见原因。
例如,过高的电流负荷、频繁的电气元件更换和维修、不合格的设备安装等,都可能导致电气设备的故障和火灾。
4. 环境因素机车作为铁路交通工具,经常在复杂的环境中运行,如高温、高湿、尘土较多等。
这些环境因素会增加机车电气系统的故障和火灾的风险。
二、机车电气火灾的预防措施1. 定期检查和维护定期对机车电气设备进行全面检查和维护,包括清洁、润滑、紧固等工作,以确保设备的正常运行。
同时,对容易老化和损坏的部件进行更换和更新,以减少火灾的风险。
2. 强化培训和操作规范加强机车驾驶员和维护人员的培训,提高其对机车电气设备运行和维护的认识和技术水平。
严格执行操作规范,确保操作人员正确使用设备,减少操作失误引发的火灾。
3. 加强环境监测和维护定期对机车运行环境进行监测和维护,确保环境温湿度的合理控制,防止尘土等异物进入电气设备,减少环境因素对设备故障和火灾的影响。
4. 使用高质量的电气设备和材料选用高质量的电气设备和材料,确保其符合国家标准和行业要求。
同时,对新型设备和材料进行严格的试验和检测,确保其安全性和可靠性。
摩托车熄火原理摩托车作为一种常见的交通工具,其燃油发动机是其动力来源。
在日常使用中,有时会出现摩托车熄火的情况,这对于骑手来说是一种常见的问题。
那么,摩托车熄火的原理是什么呢?接下来,我们将对摩托车熄火的原理进行详细的介绍。
首先,摩托车熄火可能是由于点火系统故障造成的。
点火系统是摩托车发动机正常运转所必需的部件之一,它的作用是在气缸内的混合气被压缩后,通过点火系统的高压电流点燃,从而推动活塞做功。
如果点火系统出现故障,比如点火线圈损坏、点火开关故障等,就会导致摩托车熄火。
此时,需要对点火系统进行检查和维修,以确保其正常运转。
其次,摩托车熄火也可能是由于供油系统故障造成的。
供油系统是摩托车发动机正常运转所必需的部件之一,它的作用是将汽油喷入气缸内,与空气混合后被点火系统点燃,从而推动活塞做功。
如果供油系统出现故障,比如油泵故障、油路堵塞等,就会导致摩托车熄火。
此时,需要对供油系统进行检查和维修,以确保其正常运转。
另外,摩托车熄火还可能是由于机械部件故障造成的。
摩托车发动机是由许多机械部件组成的复杂系统,如果其中的任何一个部件出现故障,都有可能导致摩托车熄火。
比如,活塞环磨损、气缸密封不良等都会导致摩托车熄火。
此时,需要对发动机的机械部件进行检查和维修,以确保其正常运转。
总之,摩托车熄火的原理是多方面的,可能是由于点火系统故障、供油系统故障、机械部件故障等原因造成的。
对于摩托车骑手来说,及时了解摩托车熄火的原理,并对其进行检查和维修,可以有效地避免摩托车熄火带来的麻烦,保证摩托车的正常运转。
希望本文的介绍能够帮助到广大摩托车骑手,让大家能够更好地享受骑行的乐趣。
短路熄火原理
短路熄火是指电路中出现了短路故障,导致电流异常增大,使电路无法正常工作,甚至引发火灾。
短路熄火的原理主要有以下几个方面:
1. 短路故障:短路故障是短路熄火的直接原因。
当电路中的导线或元件发生断裂、损坏、接触不良等问题时,会导致电流无法正常流动,形成短路故障。
短路故障会导致电流迅速增大,引发热量积聚和局部高温现象,进而引发火灾。
2. 热效应:短路故障会产生大量的电流,当电流通过短路点时,会产生 Joule 热效应。
Joule 热效应会使短路点周围的温度迅速升高,进而促使短路点的电阻继续减小,形成正反馈的热效应。
当温度升高到足够高时,电阻可能会进一步减小至极低的水平,造成更大电流的流动,加剧火灾危险。
3. 失控的电能释放:在短路过程中,由于电能无法正常传输和消耗,电能将会累积在短路点附近。
当电能释放得过快或过多时,可能会引发火花、电弧或爆炸等危险情况,导致火灾的发生。
综上所述,短路熄火是由短路故障、热效应和失控的电能释放相互作用而引发的。
为了防止短路熄火的发生,需要注意电路的设计和维护,确保导线和元件的连接牢固可靠,避免损坏和接触不良。
此外,还需加强对电路的监控和检测,及时发现和修复潜在的短路故障,确保电路的正常运行和安全。
摩托车上的熄火原理是什么
摩托车上的熄火系统主要有下列几种工作原理:
1. 碰停器熄火:通过碰停器按钮断开电路,切断点火系统对火花塞的供电,使引擎熄火。
2. 停止开关熄火:松开油门时,油门瓦斯线拉力消失,停止开关触点断开,切断点火电流,引擎熄火。
3. 边倾断油熄火:摩托车倾斜到一定角度时,燃油供给通过倾斜阀关闭,燃油供给中断,引擎熄火。
4. 真空断油熄火:随着车速降低,进气道负压降低到一定程度,控制真空阀关闭,燃油供给中断,引擎熄火。
5. 旁通空气熄火:松开油门时,调节旁通空气门打开,使引擎内进过多空气,使混合气过稀,引擎熄火。
6. 退磁管熄火:通过电控退磁管切断点火线圈的电流,使火花塞失去火花,引擎熄火。
这些是摩托车常见的几种熄火系统及工作原理。
采用不同部位的控制来切断点火
或燃油,实现引擎的停机熄火。
摩托车熄火原理
摩托车作为一种常见的交通工具,熄火是摩托车使用过程中常见的问题之一。
了解摩托车熄火的原理,可以帮助我们更好地维护和保养摩托车,及时解决熄火问题,确保行驶安全。
摩托车熄火的原理主要涉及到点火系统、供油系统和空气系统等方面,下面将逐一进行介绍。
首先,我们来了解一下摩托车的点火系统。
摩托车的点火系统主要由点火线圈、点火开关、蜡烛和点火线等组成。
当点火开关打开时,电流通过点火线圈产生磁场,当磁场消失时,点火线圈产生的感应电流会使蜡烛产生火花,从而点燃混合气。
如果点火系统出现故障,比如点火线圈损坏或者点火开关故障,就会导致摩托车熄火。
其次,供油系统也是摩托车熄火的重要原因之一。
摩托车的供油系统主要包括油箱、油泵、油管和喷油嘴等部件。
如果供油系统出现问题,比如油路堵塞、油泵故障或者喷油嘴堵塞,就会导致摩托车燃油不足,无法正常工作,从而熄火。
最后,空气系统也是摩托车熄火的原因之一。
摩托车的空气系
统主要包括进气口、空气滤清器和节气门等部件。
如果空气系统出现问题,比如进气口堵塞、空气滤清器堵塞或者节气门故障,就会导致摩托车无法正常吸入空气,影响燃烧效果,从而导致熄火。
综上所述,摩托车熄火的原理主要涉及到点火系统、供油系统和空气系统等方面。
在日常使用摩托车的过程中,我们应该定期检查和维护这些系统,确保它们的正常运行,及时发现并解决问题,避免摩托车熄火给我们带来不便和危险。
希望本文对大家了解摩托车熄火原理有所帮助。
熄火电机工作原理
熄火电机主要由电磁线圈、铁芯、摩擦片、齿轮等部分组成。
其工作原理如下:
1. 在车辆发生迅速停止(例如遇到紧急情况)或者关闭点火开关的情况下,电磁线圈断电,磁场消失。
2. 断电后,电磁线圈失去磁力,摩擦片受到回弹力推动向离合器控制器方向运动。
3. 摩擦片处于运动状态下,通过离合器控制器将动力传输转移到熄火电机主动轴上的齿轮上。
4. 转动的齿轮推动飞轮转动,再通过曲轴带动其他传动系统进行动力输出。
5. 当车辆需要重新启动时,按下启动按钮或者点火开关重新供电给电磁线圈。
6. 电磁线圈获得电流,产生磁力吸引摩擦片,使其与离合器控制器分离。
7. 分离后,摩擦片不再与齿轮接触,熄火电机停止工作。
总结来说,熄火电机通过控制电磁线圈的通断来实现工作与停止,从而实现车辆引擎的启动与熄火。
摩托车侧撑熄火开关原理摩托车侧撑熄火开关是一种用于控制摩托车引擎熄火的开关装置。
它一般安装在摩托车的侧撑杆上,当摩托车的侧撑放下时,该开关会自动触发,使得摩托车的引擎熄火。
这种开关的原理是通过利用侧撑杆的运动来改变电路的状态,来控制引擎的工作状态。
以下是介绍摩托车侧撑熄火开关原理的内容。
1. 开关电路设计摩托车侧撑熄火开关的设计基于一个简单的开关电路。
该电路由两个主要部分组成:一个可动的接触器和相应的控制开关。
当侧撑装置被放下时,接触器就会与控制开关接触,此时电路闭合。
相反,当侧撑装置被收起时,接触器与控制开关分离,电路断开。
2. 接触器位置摩托车侧撑熄火开关中的接触器一般安装在侧撑杆的末端,与侧撑柱或者地面接触。
当侧撑放下时,侧撑杆会触摸到接触器,使得接触器关闭。
通过这种结构,接触器能够很好地感知侧撑的状态。
3. 接触器类型摩托车侧撑熄火开关的接触器一般采用液体或者电子接触器。
液体接触器使用电导液体作为电路的触点,当侧撑放下时,液体会填充到接触器中,导电液体使得电路闭合。
电子接触器则通过电场或者磁场来控制电路的连接状态,当侧撑放下时,电场或者磁场的变化会使得电路闭合。
4. 电路控制开关摩托车侧撑熄火开关中的控制开关通常是一个普通的按钮开关。
通过按下或者松开按钮,调整电路的状态。
当按钮开关处于断开状态时,不论侧撑的位置如何,电路都是断开的,引擎不会熄火。
当按钮开关处于闭合状态时,接触器会根据侧撑的状态来决定电路的连接状态。
5. 接触器和控制开关之间的连接接触器和控制开关之间通过电线进行连接。
一端连接到接触器,另一端连接到控制开关。
当摩托车的侧撑放下时,接触器和控制开关之间的电路就会闭合,电流可以流通,引擎就会熄火。
当侧撑收起时,电路断开,电流无法流通,引擎就能继续工作。
综上所述,摩托车侧撑熄火开关的原理是通过感知侧撑杆的状态,利用接触器和控制开关的连通或断开来控制电路的闭合和断开,从而实现摩托车引擎的熄火或开启。
摩托车短路熄火原理?
就象水会流向低处一样,电流也总是向阻力(即电阻)最小的地方流动,如果短路熄火型摩托车的点火器的熄火线短路(关闭钥匙或熄火开关),点火器的输出点火信号电流就会流向车架而不是高压包,这样高压包就得不到点火所需的感应电流,火花塞就得不到高压电而熄火。
港头。
缺油卡不动
用火线搭铁
?
摩托车的熄火线工作原理:
摩托车的熄火线工作原理摩托车的熄火有两种:1短路熄火,点火器上的黑白线通过与大梁接地造成短路来控制...摩托车电门锁熄火原理:
摩托车电门锁熄火原理有两种,分别是短路熄火和断路熄火。
短路熄火的用在交流点火型摩托车上,当关闭钥匙时...125摩托车紧急熄火开关是什么原理?:
摩托车的紧急熄火开关一般是装在右手把开关上,它的熄火原理与电门锁熄火是一样的,根据车型不同,有短路熄...摩托车为什么搭铁就会熄火?原理是什么?电路是怎样的?:
我只说说最多的点火系统吧就是磁电机里有一个独立的发电线圈供给点火器低压电源磁电机外面有一个触发...摩托车熄火开关的原理:
摩托车的熄火线,其实就是点火器供应给高压包的线电流的那条线,当关闭摩托车钥匙的时候,这条线接通地线(...摩托车熄火线为什么搭铁就会熄火?原理是什么?:
因为这种熄火方式是短路式,把磁电机点火充电线圈进点火器的电源线打铁短路,点火器得不到电源,所以摩托车...摩托车上的直流点火器熄火原理?:
摩托车的点火器有两种: 一是交流点火器,由磁碟机提供的交流电和脉冲信号来工作,与12V电源无关,熄火...怎么快速区分摩托车是短路熄火还是断路熄火:
短路熄火的是交流点火,断路熄火的是直流点火,拔下电门锁接线,用脚起动仍能起动的是短路熄火,否则是断路...摩托车短路熄火和断路熄火怎么区别:
一般交流点火是短路熄火,直流点火是断路熄火摩托车熄火开关原理:
断电了就熄火了。