元素周期律元素周期表-
- 格式:pdf
- 大小:5.90 MB
- 文档页数:52
初中化学元素周期表带拼音化学元素是学习化学的最基本前提,科学家们对化学元素的规律进行总结,制成了化学元素周期表,为了帮助大家学习,今天小编在这整理了初中化学元素周期表,接下来随着小编一起来看看吧!元素周期表(注音版)qīng氢hài氦lǐ锂pí铍péng硼tàn碳dàn氮yǎng氧fú氟nǎi氖nà钠měi镁lǚ铝guī硅lín磷liú硫lǜ氯yà氩jiǎ钾gài钙kàng钪tài钛fán钒gè铬měng锰tiě铁gǔ钴niè镍tóng铜xīn锌jiā镓zhě锗shēn砷xī硒xiù溴kè氪rú铷sī锶yǐ钇gào锆ní铌mù钼dé锝liǎo钌lǎo铑pá钯yín银gé镉yīn铟xī锡tī锑dì碲diǎn碘xiān氙sè铯bèi钡lán镧shì铈cuò错nǚ钕pǒ钷shān钐yǒu铕gá钆tè铽dí镝huǒ钬ěr铒diū铥yì镱 lǔ镥hā铪tǎn钽wū钨lái铼é锇yī铱bó铂jīn金gǒng汞tā铊qiān铅bì铋pō钋ài砹dōng氡fāng钫léi镭ā锕tǔ钍pú镤yóu铀ná镎bù钚méi镅jū锔péi锫kāi锎āi锿fèi镄mén钔nuò锘láo 铹巧记化学元素周期表口诀先用2分钟时间看一个不伦不类的小故事:侵害:从前,有一个富裕人家,用鲤鱼皮捧碳,煮熟鸡蛋供养着有福气的奶妈,这家有个很美丽的女儿,叫桂林,不过她有两颗绿色的大门牙(哇,太恐怖了吧),后来只能嫁给了一个叫康太的反革命。
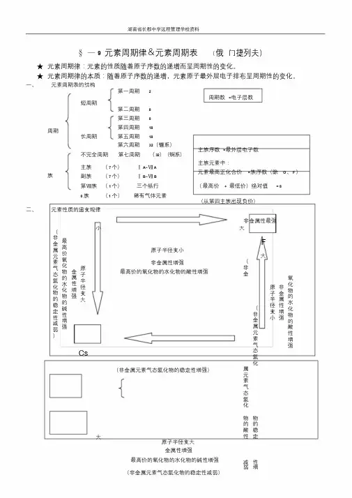
湖南省长郡中学远程管理学校资料§—9 元素周期律&元素周期表(俄门捷列夫)★元素周期律:元素的性质随着原子序数的递增而呈周期性的变化。
★元素周期律的本质:随着原子序数的递增,元素原子最外层电子排布呈周期性的变化。
一、元素周期表的结构第一周期 2周期数=电子层数短周期第二周期8第三周期8周期长周期第四周期18第五周期18第六周期32(镧系)不完全周期第七周期(32)(锕系)主族序数=最外层电子数族主族(7 个)ⅠA~ⅦA副族(7 个)ⅠB~ⅦB主族元素中:元素最高正化合价=族序数(除O、F)第Ⅷ族(1 个)三个纵行(最高价+ 最低价)绝对值= 80 族(1 个)稀有气体元素(从第四主族出现负价)二、元素性质的递变规律非金属性最强(非金属元素气态氢化物的稳定性减弱)最高价氧化物的水化物的碱性增强金属性增强原子半径变大Cs小大F原子半径变小大非金属性增强最高价的氧化物的水化物的酸性增强(非金(非金属元素气态氢化(非金属元素气态氢化物的稳定性增强)属元素气态氢化大物物的的酸稳性定原子半径变大金属性增强最高价的氧化物的水化物的碱性增强减性弱增(非金属元素气态氢化物的稳定性减弱)原子半径变小非金属性增强氧化物的水化物的酸性增强)强大小)最高价金属性最强元素的最高价氧化物的水化物主族元素R →R2O xR金属R(OH) xR 非金属H8-x RO 4元素气态氢化物H6-x RO 3非金属元素R →H x R ( RH x ) X 代表元素最低价的绝对值怀化市长郡湖天中学、怀化市第一中学、怀化市第五中学。
周期族I A1 0181 1 H 氢1.008 Ⅱ A2Ⅲ A13Ⅳ A14Ⅴ A15Ⅵ A16Ⅶ A172 He氦4.0032 3 Li 锂6.941 4 Be铍9.0125 B硼10.816 C碳12.017 N氮14.018 O氧16.009 F氟19.0010 Ne氖20.183 11 Na 钠22.99 12 Mg镁24.31Ⅲ B3Ⅳ B4Ⅴ B5Ⅵ B6Ⅶ B7Ⅷ8 9 10I B11Ⅱ B1213 Al铝26.9814 Si硅28.0915 P磷30.9716 S硫32.0617 Cl氯35.4518 Ar氩39.954 19 K钾39.10 20 Ca钙40.0821 Se钪44.9622 Ti钛47.8723 V钒50.9424 Cr铬52.0025 Mn锰54.9426 Fe铁55.8527 Co钴58.9328 Ni镍58.6929 Cu铜63.5530 Zn锌65.3831 Ga镓69.7232 Ge锗72.6333 As砷74.9234 Se硒78.9635 Br溴79.9036 Kr氪83.805 37 Rb 铷85.47 38 Sr锶87.6239 Y钇88.9140 Zr锆91.2241 Nb铌92.9142 Mo钼95.9643 Tc锝[98]44 Ru钌101.145 Rh铑102.946 Pd钯106.447 Ag银107.948 Cd镉112.449 In铟114.850 Sn锡118.751 Sb锑121.852 Te碲127.653 I碘126.954 Xe氙131.36 55 Cs 铯132.9 56 Ba钡137.357~71La~Lu镧系72 Hf铪178.573 Ta钽180.574 W钨183.975 Re铼186.276 Os锇190.277 Ir铱192.278 Pt铂195.179 Au金197.080 Hg汞200.681 Ti铊204.482 Pb铅207.283 Bi铋209.084 Po钋[209]85 At砹[210]86 Rn氡[222]7 87 Fr钫[223] 88 Ra镭[226]89~103Ac~Lr锕系104 Rf钅卢*[265]105 Db钅杜*[268]106 Sg钅喜*[271]107 Bh钅波*[270]108 Hs钅黑*[277]109 Mt钅麦*[276]110 Ds钅达*[281]111 Rg钅仑*[280]112 Cn钅哥*[285]113Uut*[284]114 Fl*[289]115Uup*[288]116 Lv*[293]117Uus*[294]118Uuo*[294]镧系57 La镧138.958 Ce铈140.159 Pr镨140.960 Nd钕144.261 Pm钷*[145]62 Sm钐150.463 Eu铕152.064 Gd钆157.365 Tb铋158.966 Dy镝162.567 Ho钬164.968 Er铒167.369 Tm铥168.970 Yb镱173.171 Lu镥175.0锕系89 Ac锕[227]90 Th钍232.091 Pa镤231.092 U铀238.093 Np镎[237]94 Pu钚[244]95 Am镅*[243]96 Cm锯*[247]97 Bk锫*[247]98 Cf锎*[251]99 Es锿*[252]100 Fm镄*[257]101 Md钔*[258]102 No锘*[259]103 Lr铹*[262]金属非金属过渡元素8 O氧16.00原子序数元素符号,红色指放射性元素元素名称,注*的是人造元素相对原子质量(加括号的数据为该放射性元素半衰期最长同位数的质量数)元素周期表元素周期表有关知识一、部分酸、碱和盐的溶解性表(室温)说明:“溶”表示那种物质可溶于水,“不”表示不溶于水,“微”表示微溶于水,“挥”表示挥发性,“-”表示那种物质不存在或遇水就分解了。
元素周期律、元素周期表(一)[重点内容讲解]一、元素周期律:元素的性质随着原子序数的递增而呈周期性的变化(即随着原子核电荷数的递增,核外电子排布呈现周期性的变化)表现在1.随着原子序数的递增,元素原子的最外层电子数重复着由1到8(K层除外)的周期性变化。
2.随着原子序数的递增,元素(除稀有气体外)的原子半径重复着由大到小的周期性变化。
3.随着原子序数的递增,元素的主要化合价(除H、He外)重复着正价由+1到+7,负价由-4到-1的规律性变化。
元素周期律的实质是由于原子序数的递增,核外电子排布呈周期性变化的结果。
由此导致元素化学性质,如金属性、非金属性、气态氢化物稳定性、高价氧化物对应水化物的酸碱性等呈现周期性的变化规律,这就是元素周期律,但应注意这种变化不是简单的重复。
二、元素周期表:元素周期表是元素周期律的具体表现形式,它反映了元素之间相互联系的规律。
1.元素周期表的结构:七横行——周期,包括三个短周期,三个长周期和一个不完全周期;十八个纵列——族,包括七主族,七副族,一个Ⅷ族和一个零族。
注意:(1)主族和副族的区分:主族是由长周期元素和短周期元素共同构成的族,但由长周期和短周期构成的族也不一定是主族元素,如0族元素。
只由长周期元素构成的族为副族。
(2)镧系和锕系及超铀元素所包含的元素。
2.与原子结构的关系:同周期:电子层数相同,周期数即电子层数,最外层电子从1个递增到8个(除第1周期外)同主族:电子层数不同,最外层电子数相同,族序数即最外层电子数。
注意:(1)最外层只有1个电子的元素,不一定是IA族元素,可能是副族元素,如Cu,也不一定是金属元素,如H。
最外层电子数有2个电子的元素不一定是主族元素,如He、Fe等。
最外层电子是3~7个电子的元素一定是主族元素。
(2)每一周期元素种类:2,8,8,18,18,32,(7周期预计32);(3)同一周期主族序数之差即原子序数之差或最外层电子数之差。