最新的质量技术监督局颁发的特种作业人员证件编号
- 格式:docx
- 大小:77.46 KB
- 文档页数:11
附件2:特种设备作业人员证编号方法一、基本格式××××××××××××顺序号地区代码作业种类代号证书项目代号共12位。
二、代号含义(一) 证书项目代号由两个字母和一个数字表示为TS6。
(二)作业种类代号由一个字母表示。
(三) 地区代码由三位字母表示,含义是指首次发证部门所在地区的地区代码。
地区代码基本采用GB/T2260-1999《中华人民共和国行政区划代码》中规定的行政区划字母代码(见附录)。
县级质量技术监督部门发证的编号采用所在地市的地区代码,顺序号由市级质量技术监督部门统一分配。
如地区行政区划发生变化,附录中未涵盖,可向我局申请地区代码。
(四) 顺序号由五位数字表示。
按首次发证部门地区所发证的该作业种类人员的顺序编号。
如果超过99999,则用字母与数字混合表示。
如顺序号为100020,则表示为A0020;顺序号为110020,则表示为B0020;依次类推。
三、举例如:由北京市质量技术监督局首次发证的特种设备管理人员,总排列顺序为100。
则表示为:TS6ABJS00100如:由辽宁省质量技术监督局首次发证的特种设备焊接作业人员,总排列顺序为100010。
则表示为:TS6JLNSA0010如:由北京市东城区质量技术监督局首次发证的电梯作业人员,总排列顺序为120101。
则表示为:TS6EDCQC0101如:由河北省石家庄市质量技术监督局首次发证的锅炉作业人员,总排列顺序为10001。
则表示为:TS6BSJW10001附录:地区代码。
特种设备作业人员证编号地区代码名称字母码北京市 BJS东城区 DCQ西城区 XCQ崇文区 CWQ宣武区 XWQ朝阳区 CYQ丰台区 FTQ石景山区 SJS海淀区 HDN门头沟区 MTG房山区 FSQ通州区 TZQ顺义区 SYQ昌平区 CPQ大兴区 DXQ平谷县 PGX怀柔县 HRX密云县 MYN延庆县 YQX天津市 TJS和平区 HPG 河东区 HDQ 河西区 HXQ 南开区 NKQ 河北区 HBQ 红桥区 HQO 塘沽区 TGA 汉沽区 HGQ 大港区 DGJ 东丽区 DLI 西青区 XQG 津南区 JNQ 北辰区 BCQ 宁河区 NHE 武清区 WQX 静海区 JHT 宝坻区 BDI 开发区 KFQ 蓟县 JIT河北省 HES 石家庄市 SJW 唐山市 TGS 秦皇岛市 SHP邯郸市 HDS邢台市 XTS保定市 BDS张家口市 ZJK承德市 CDS沧州市 CGZ廊坊市 LFS衡水市 HGS山西省 SXS太原市 TYN大同市 DTG阳泉市 YQS长治市 CZS晋城市 JCG朔州市 SZJ忻州市 XZS吕梁市 LLS晋中市 JZS临汾市 LFD运城市 YCJ内蒙古自治区 NMQ 呼和浩特市 HET 包头市 BTS乌海市 WHM赤峰市 CFS呼伦贝尔市 HBM 兴安盟 HIN哲里木盟 JIR 锡林郭勒盟 XGO 乌兰察布市 ULS 鄂尔多斯市 EES 巴彦淖尔盟 BAM 阿拉善盟 ALM 辽宁省 LNS沈阳市 SHE大连市 DLC鞍山市 ASN抚顺市 FSN本溪市 BXS丹东市 DDG锦州市 JNZ营口市 YIK阜新市 FXS辽阳市 LYL铁岭市 TLS朝阳市 CYS盘锦市 PJS葫芦岛市 HLD吉林省 JIL长春市 CGQ吉林市 JLS四平市 SPS辽源市 LYH通化市 THS白山市 BSN松原市 SYU白城市 BCS延边朝鲜族自治州 YBZ 黑龙江省 HLS哈尔滨市 HRB齐齐哈尔市 NDG鸡西市 JXI鹤岗市 HEG双鸭山市 SYS大庆市 DQG伊春市 YCH佳木斯市 JMU七台河市 QTH牡丹江市 MDG黑河市 HEK绥化市 SHD大兴安岭行署 DHL 上海市 SHS黄浦区 HGP卢湾区 LWN徐汇区 XHI长宁区 CNQ静安区 JAQ普陀区 PTQ闸北区 ZBE虹口区 HKQ杨浦区 YPU闵行区 MHQ宝山区 BAO嘉定区 JDG浦东新区 PDX金山区 JSH松江区 SOJ南汇区 NHQ奉贤区 FXQ青浦区 QPQ崇明县 CMI江苏省 JSS 南京市 NKG 无锡市 WUX 徐州市 XUZ 常州市 CZX 苏州市 SZH 南通市 NTG 连云港市 LYG 淮安市 HYS 盐城市 YCK 扬州市 YZH 镇江市 ZHE 泰州市 TZS 宿迁市 SUQ 浙江省 ZJS 杭州市 HGH 宁波市 NGB 温州市 WNZ 嘉兴市 JIX 湖州市 HZH 绍兴市 SXG 金华市 JHA 衢州市 QUZ舟山市 ZOS 台州市 TZZ 丽水市 LSS 安徽省 AHS 合肥市 HFE 芜湖市 WHI 蚌埠市 BBU 淮南市 HNS 马鞍山市 MAA 淮北市 HBE 铜陵市 TOL 安庆市 AQG 黄山市 HSN 滁州市 CUZ 阜阳市 FYS 宿州市 SUZ 六安市 LAS 宣城市 XCD 巢湖市 CHS 池州市 CZD 亳州市 BZS 福建省 FJS 福州市 FOC厦门市 XMN 莆田市 PUT 三明市 SMS 泉州市 QZJ 漳州市 ZZU 南平市 NPS 龙岩市 LYF 宁德市 NDS 江西省 JXS 南昌市 KHN 景德镇市 JDZ 萍乡市 PXS 九江市 JIU 新余市 XYU 鹰潭市 YTS 赣州市 GZH 宜春市 YCS 上饶市 SRS 吉安市 JAS 抚州市 FZS 山东省 SDS 济南市 TNA 青岛市 TAO淄博市 ZBO 枣庄市 ZZG 东营市 DYG 烟台市 YNT 潍坊市 WEF 济宁市 JNG 泰安市 TAI 威海市 WEH 日照市 RZH 莱芜市 LWS 临沂市 LYI 德州市 DZS 聊城市 LCH 滨州市 BNZ 菏泽市 HZS 河南省 HAS 郑州市 CGO 开封市 KFS 洛阳市 LYA 平顶山市 PDS 安阳市 AYS 鹤壁市 HBS 新乡市 XXS焦作市 JZY 濮阳市 PYS 许昌市 XCS 漯河市 LHS 三门峡市 SMX 南阳市 NYS 商丘市 SQS 信阳市 XYG 周口市 ZKS 驻马店市 ZMD 济源市 JYS 湖北省 HUB 武汉市 WUH 黄石市 HSI 十堰市 SYE 宜昌市 YCO 襄樊市 XFN 鄂州市 EZS 荆门市 JMS 孝感市 XGE 荆州市 JGZ 黄冈市 HGE 咸宁市 XNS恩施土家族苗族自治州 ESH 湖南省 HUN长沙市 CSX株州市 ZZS湘潭市 XGT衡阳市 HNY邵阳市 SYR岳阳市 YYG常德市 CDE张家界市 ZJJ益阳市 YYS郴州市 CNZ永州市 YZS怀化市 HHS湘西土家族苗族自治州 XXZ 娄底市 LDS广东省 GDS广州市 CAN韶关市 HSC深圳市 SZX珠海市 ZUH汕头市 SWA佛山市 FOS江门市 JMN湛江市 ZHA茂名市 MMI肇庆市 ZQG惠州市 HUI梅州市 MXZ汕尾市 SWE河源市 HEY阳江市 YJI清远市 QYN东莞市 DGG中山市 ZSN潮州市 CZY揭阳市 JIY云浮市 YFS广西壮族自治区 GXQ 南宁市 NNG柳州市 LZH桂林市 KWL梧州市 WUZ北海市 BHY防城港市 FAN钦州市 QZH贵港市 GUG 玉林市 YUL 来宾市 LBS 崇左市 CHZ 贺州市 HEZ 百色市 BSE 河池市 HCS 海南省 HIS 海口市 HAK 三亚市 SYX 重庆市 CQS 万州区 WZO 涪陵区 FLG 渝中区 YZQ 大渡口区 DDK 江北区 JBE 沙坪坝区 SPB 九龙坡区 JLP 南岸区 NAQ 北碚区 BBE 万盛区 WSQ 双桥区 SQQ 渝北区 YBE巴南区 BNN长寿区 CSQ綦江县 QJG潼南县 TNN铜梁县 TGL大足县 DZX荣昌县 RGC璧山县 BSY梁平县 LGP城口县 CKO丰都县 FDU垫江县 DJG武隆县 WLG忠县 ZHX开县 KAI云阳县 YNY奉节县 FJE巫山县 WSN巫溪县 WXX黔江土家族苗族自治县 QJX 石柱土家族自治县 SZY秀山土家族苗族自治县 XUS 酉阳土家族苗族自治县 YUY彭水苗族土家族自治县 PSU 江津市 JJY合川市 HEC永川市 YCP南川市 NCU四川省 SCS成都市 CTU自贡市 ZGS攀枝花市 PZH泸州市 LUZ德阳市 DEY绵阳市 MYG广元市 GYC遂宁市 SNS内江市 NJS乐山市 LES南充市 NCO宜宾市 YBS广安市 GAC达州市 DCS雅安市 YAS阿坝藏族羌族自治州 ABA 甘孜藏族自治州 GAZ凉山彝族自治州 LSY巴中市 BAZ眉山市 MSS资阳市 ZYS贵州省 GZS贵阳市 KWE六盘水市 LPS遵义市 ZNY铜仁地区 TRD黔西南布依族苗族自治州 QXZ 毕节地区 BJD黔东南苗族侗族自治州 QND 黔南布依族苗族自治州 QNZ 安顺市 ASS云南省 YNS昆明市 KMG曲靖市 QJS玉溪市 YXS昭通市 ZTS楚雄彝族自治州 CXD红河哈尼族彝族自治州 HHZ 文山壮族苗族自治州 WSZ思茅地区 SMD西双版纳傣族自治州 XSB 大理白族自治州 DLZ保山市 BSS德宏傣族景颇族自治州 DHG 丽江地区 LJD怒江傈僳族自治州 NUJ迪庆藏族自治州 DEZ临沧地区 LCD西藏自治区 XZQ拉萨市 LXA昌都地区 QAD山南地区 SND日喀则地区 XID那曲地区 NAD阿里地区 NGD林芝地区 NYD陕西省 SNH西安市 SIA铜川市 TCN宝鸡市 BJI咸阳市 XYS渭南市 WNA延安市 YNA汉中市 HZJ安康市 AKS商洛市 SLS榆林市 YLS杨临农业高新技术产业示范区 YLQ 甘肃省 GSS兰州市 LHW嘉峪关市 JYG金昌市 JCS白银市 BYS天水市 TSU酒泉市 JQS张掖市 ZYD武威市 WWS定西市 DXS平凉市 PLS庆阳市 QYS陇南地区 LND临夏回族自治州 LXH甘南藏族自治州 GNZ青海省 QHS西宁市 XNN海东地区 HDD海北藏族自治州 HBZ黄南藏族自治州 HNZ海南藏族自治州 HNN果洛藏族自治州 GOL玉树藏族自治州 YSZ海西蒙古族藏族自治州 HXZ 宁夏回族自治区 NXQ银川市 INC石嘴山市 SZS吴忠市 WZS固原地区 GYD新疆维吾尔自治区 XJS乌鲁木齐市 URC克拉玛依市 KAR吐鲁番地区 TUD哈密地区 HMD昌吉回族自治州 CJZ博尔塔拉蒙古自治州 BOR巴音郭愣蒙古自治州 BAG阿克苏地区 AKD克孜勒苏柯尔克孜自治州 KIZ 喀什地区 KSI和田地区 HOD伊犁哈萨克自治州 ILD 塔城地区 TCD阿勒泰地区 ALD石河子市 SHZ。
建筑施工特种作业操作资格证书编号1. 简介建筑施工特种作业操作资格证书是根据中华人民共和国相关法律法规和行业标准,对从事建筑施工特种作业的人员进行资格认定和管理的证明文件。
该证书的编号是唯一的,用于标识特定人员的资格情况。
2. 证书编号的重要性证书编号在建筑施工特种作业操作资格证书上起着非常重要的作用。
它不仅仅是一个简单的序列号,更是对证书的标识和管理的关键。
以下是证书编号的重要性体现:2.1 标识个人身份证书编号是建筑施工特种作业人员的身份标识,通过编号可以快速区分和识别特定的个人。
在进行施工特种作业时,相关监管部门和其他参与人员可以根据编号来确认该人员是否具备相应的资质和权限。
2.2 资格认定的依据证书编号是对个人资格认定的依据之一。
在申请建筑施工特种作业操作资格证书时,个人需要提供相关的材料和信息,包括个人身份证明、培训证明、工作经验等等。
这些材料会经过严格审核,并最终给予一个唯一的证书编号。
2.3 证书管理和查询证书编号是对建筑施工特种作业操作资格证书进行管理和查询的重要依据。
有了编号,相关部门可以通过电子管理系统或其他方式,便捷地查询到个人的证书信息,包括证书的有效期、证书类型等等。
这对于提高施工现场的管理效率和安全性非常有帮助。
3. 证书编号的构成证书编号是由一串数字和/或字母组成的序列,不同地区和机构可能存在一定差异。
一般而言,证书编号的构成包括以下几个要素:3.1 区域代码证书编号中的区域代码是指发证机构所在的行政区域代码。
它可以标识证书发证的具体地域,方便了解证书持有人所在的地区。
3.2 类别代码证书编号中的类别代码指的是建筑施工特种作业的具体类别。
不同的特种作业领域有不同的代码,例如建筑高处作业、起重机械操作、钢筋工等等。
3.3 个人信息代码证书编号中的个人信息代码通常包括个人的姓名首字母或拼音字母缩写,有些还可能包括个人的性别、出生日期等信息。
通过个人信息代码可以大致了解证书持有人的基本信息。
— 1 —北京市质量技术监督局关于“特种设备作业人员证编号方一、基本××× × ××× ××××× ××× × ××× ××××× ××× × ××× ××××× ××× × ××× ××××× ××× × ××× ××××× ××× × ××× ×××××××× × ××× ×××××××× × ××× ××××× ××××××× 顺序号作业种类代号证书项目代号共12位。
共12二、代号(一) 证书项目由两个字母和一个数字表示为T S (二)作业种类由一个字母表() 地区由三位字母表示地区代码基本采用GB/T2260-1999《中华人民共和国行政区划代码》中规定的行政区划字母代码(见附录)。
附件2:特种设备作业人员证编号方法一、基本格式顺序号地区代码作业种类代号证书项目代号共12位。
二、代号含义(一) 证书项目代号由两个字母和一个数字表示为TS6。
(二)作业种类代号由一个字母表示。
(三) 地区代码由三位字母表示,含义是指首次发证部门所在地区的地区代码。
地区代码基本采用GB/T2260-2019《中华人民共和国行政区划代码》中规定的行政区划字母代码(见附录)。
县级质量技术监督部门发证的编号采用所在地市的地区代码,顺序号由市级质量技术监督部门统一分配。
如地区行政区划发生变化,附录中未涵盖,可向第 1 页我局申请地区代码。
(四) 顺序号由五位数字表示。
按首次发证部门地区所发证的该作业种类人员的顺序编号。
如果超过99999,则用字母与数字混合表示。
如顺序号为100020,则表示为A0020;顺序号为110020,则表示为B0020;依次类推。
三、举例如:由北京市质量技术监督局首次发证的特种设备管理人员,总排列顺序为100。
则表示为:TS6ABJS00100如:由辽宁省质量技术监督局首次发证的特种设备焊接作业人员,总排列顺序为100010。
则表示为:TS6JLNSA0010如:由北京市东城区质量技术监督局首次发证的电梯作业人员,总排列顺序为120191。
则表示为:TS6EDCQC0101如:由河北省石家庄市质量技术监督局首次发证的锅炉作业人员,总排列顺序为10001。
则表示为:TS6BSJW10001附录:地区代码第 2 页第 3 页第 4 页第 5 页第 6 页第 7 页第 8 页第 9 页。
特种设备作业人员资格认定办事指南昆明市市场监督管理局2019年9月发布BSZN-1100513000特种设备作业人员资格认定办事指南一、事项名称和代码特种设备作业人员资格认定代码:1100513000二、受理范围受理昆明市行政区域内特种设备作业人员资格认定,拟为符合条件的公民核发证书。
三、办理依据《中华人民共和国特种设备安全法》第十四条:“特种设备安全管理人员、检测人员和作业人员应当按照国家有关规定取得相应资格,方可从事相关工作。
特种设备安全管理人员、检测人员和作业人员应当严格执行安全技术规范和管理制度,保证特种设备安全”。
《特种设备安全监察条例》(国务院令第549号)第三十八条:锅炉、压力容器、电梯、起重机械、客运索道、大型游乐设施、场(厂)内专用机动车辆的作业人员及其相关管理人员(以下统称特种设备作业人员),应当按照国家有关规定经特种设备安全监督管理部门考核合格,取得国家统一格式的特种作业人员证书,方可从事相应的作业或者管理工作。
《国务院对确需保留的行政审批项目设定行政许可的决定》(国务院令第412号)第249项“压力管道的设计、安装、使用、检验单位和人员资格认定”。
实施机关:质监总局和县级以上人民政府质量技术监督部门。
四、实施机关昆明市市场监督管理局,受云南省市场监督管理局委托办理该行政许可事项。
负责该行政许可事项的受理、审核、审批。
五、审批条件(一)申请《特种设备安全管理和作业人员证》的人员应当符合下列条件:1.年龄在18周岁以上且不超过60周岁,并且具有完全民事能力;焊接作业人员年龄在18周岁以上且不超过51周岁;2.无妨碍从事作业的疾病和生理缺陷,并满足申请从事的作业项目对身体条件的要求;3.具有初中以上学历,并满足相应申请作业项目要求的文化程度;4.符合相应考试大纲的专项要求;(二)复审换证的条件:1.持有有效的《特种设备安全管理和作业人员证》,且在持证项目有效期届满前1个月提出复审申请,焊接作业人员应在持证项目有效期届满前3个月提出复审申请;2.年龄不超过65周岁,焊接作业人员年龄不超过55周岁;3.持证期间,无违章作业、未发生责任事故,焊接作业人员没有因违反工艺纪律以致发生重大质量事故的;4.持证期间,《特种设备安全管理和作业人员证》的聘用记录中所从事持证项目的作业时间连6续中断未超过一年;5.焊接作业人员重新考试合格项目或者抽考合格项目。
国家质量监督检验检疫总局关于公布《特种设备作业人员证》样式和编号方法的通知文章属性•【制定机关】国家质量监督检验检疫总局(已撤销)•【公布日期】2005.03.30•【文号】质检办特[2005]86号•【施行日期】2005.07.01•【效力等级】部门规范性文件•【时效性】失效•【主题分类】质量监督检验检疫综合规定正文国家质量监督检验检疫总局关于公布《特种设备作业人员证》样式和编号方法的通知(质检办特[2005]86号)各省、自治区、直辖市质量技术监督局:为进一步规范特种设备作业人员证书的管理,根据《特种设备安全监察条例》和《特种设备作业人员监督管理办法》的规定,现将《特种设备作业人员证》(以下简称证书)样式和编号方法予以公布,并就有关问题通知如下:一、现公布的新式证书,自2005年7月1日起正式启用。
自2005年7月1日起,各地不得再向行政相对人颁发旧式证书。
二、已经颁发的旧式证书仍然有效。
在有效期满复审时进行更换。
三、为落实对特种设备作业人员的动态监管,各地应当严格按照公布的编号方法进行证书编号。
附件:1.证书样式2.证书编号方法国家质量监督检验检疫总局二00五年三月三十日附件1:证书样式特种设备作业人员证┌────────────────────────┐┌────────────────────────┐│中华人民共和国││││特种设备││根据中华人民共和国《特种设备安全监察条例》和││││《国务院对确需保留的行政审批项目设定行政许可的决││作││定》的规定,锅炉、压力容器、压力管道、电梯、起重││业││机械、客运索道、大型游乐设施、场(厂)内机动车辆等││人││特种设备的作业人员,需经特种设备安全监督管理部门││员││考核合格,持证上岗。
││证││作业人员必须坚守工作岗位,遵守操作规程,保证││││特种设备安全运行。
││国家质量监督检验检疫总局制│││└────────────────────────┘ └────────────────────────┘┌────────────────────────┐┌────────────────────────┐│││中华人民共和国││注意事项││特种设备││1.本证的持有者,需经聘用单位法定代表人签证││││后,方可从事批准和聘用项目范围内的工作。
关于公布《特种设备作业人员作业种类与
项目》目录的公告
(2011年第95号)
按照《国家质量监督检验检疫总局关于修改<特种设备作业人员监督管理办法>的决定》(质检总局令第140号),国家质检总局修订了《特种设备作业人员作业种类与项目》目录,现予公布,自2011年7月1日起施行。
特此公告。
附件:特种设备作业人员作业种类与项目
二〇一一年六月三十日
附件:
特种设备作业人员作业种类与项目
注:1.特种设备焊接作业(金属焊接操作和非金属焊接操作)人员代号按照《特种设备焊接操作人员考核细则》的规定执行。
2.表中A1、A2、A6、A7、G6、R3、D2、D3、S1、S2、S3、S4、Y1、F1、F2项目和金属焊接操作项目中的长输管道、非金属焊接操作项目的考试机构由总局指定,其它项目的考试机构由省局指定。
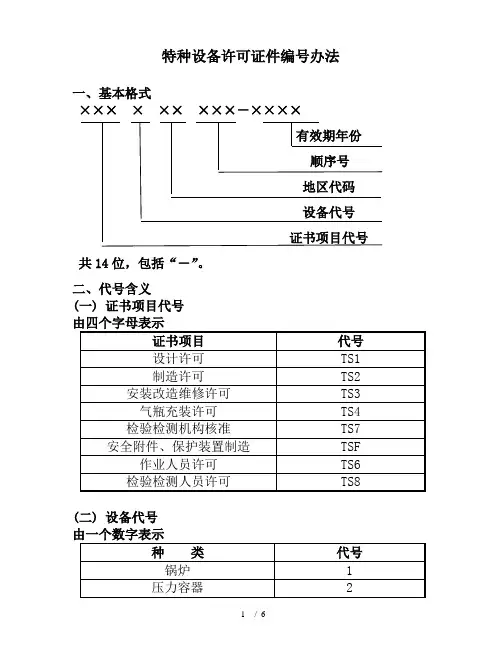
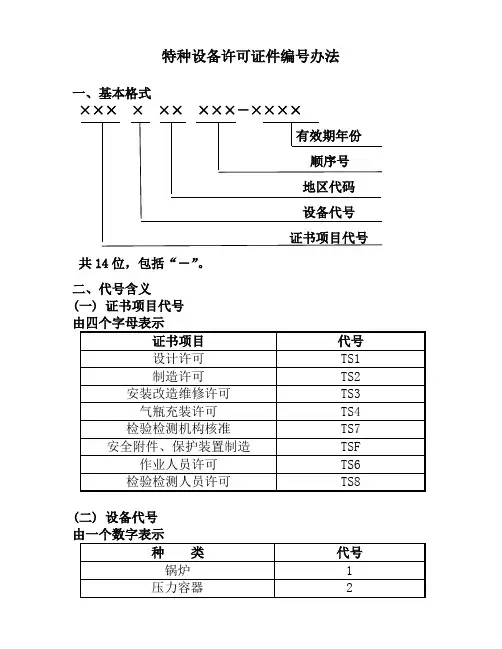
特种设备许可证件编号办法一、基本格式×××××××××-××××有效期年份顺序号地区代码设备代号证书项目代号共14位,包括“-”。
二、代号含义(一) 证书项目代号由四个字母表示(二) 设备代号由一个数字表示注:因检验检测人员没有设备代号:故在此为0(三) 地区代码由两位数字表示,含义是审批机构所在省级地区的行政区划代码。
省级地区行政区划代码采用GB/T2260-1999《中华人民共和国行政区划代码》中规定的代码的前两位 (见附录1)。
国家总局颁发的许可证编号中的地区代码,境内用10表示、境外用00表示。
(四) 顺序号由三位数字表示。
按审批机构地区所审批的该设备种类的顺序编号。
如果超过999,则用字母与数字混合表示。
如顺序号为1020,则表示为A20。
三、举例如:经辽宁省质量技术监督局审批的锅炉制造许可,辽宁省地区锅炉制造许可审批的总排列顺序为980,许可证有效期至2007年。
则表示为:TS2121980-2007如:经北京市质量技术监督局审批的压力管道元件制造许可,北京市地区压力管道元件制造许可审批的总排列顺序为200,许可证有效期至2007年。
则表示为:TS2711200-2007如:经国家质检总局审批的压力容器境内设计许可,总局压力容器设计许可审批的总排列顺序为700,许可证有效期至2006年。
则表示为:TS1210700-2006如:经国家质检总局审批的境外压力容器制造许可,总局境外压力容器制造许可审批的总排列顺序为699,许可证有效期至2006年。
则表示为:TS2200699-2006如:经江苏省审批的锅炉封头部件制造许可,江苏省锅炉安全附件、保护装置审批的总顺序号为1000,许可证有效期至2007年。
则表示为:TSF132A00-2007四、气瓶和型式试验的许可证编号(一)气瓶制造许可证的编号表示方法目前,有些气瓶制造单位在生产线上自动将其许可证编号打在瓶体上,如果因机器的限制,只能采用六位数的,则可按下述方法简化表示:前面证书项目代号和设备代号简化为T,中间两位数字表示地区代码,后面用三位数表示压力容器制造单位的顺序号。
特种设备许可证件编号办法一、基本格式×××××××××-××××有效期年份顺序号地区代码设备代号证书项目代号共14位,包括“-”。
二、代号含义(一) 证书项目代号由四个字母表示(二) 设备代号由一个数字表示注:因检验检测人员没有设备代号:故在此为0(三) 地区代码由两位数字表示,含义是审批机构所在省级地区的行政区划代码。
省级地区行政区划代码采用GB/T2260-1999《中华人民共和国行政区划代码》中规定的代码的前两位 (见附录1)。
国家总局颁发的许可证编号中的地区代码,境内用10表示、境外用00表示。
(四) 顺序号由三位数字表示。
按审批机构地区所审批的该设备种类的顺序编号。
如果超过999,则用字母与数字混合表示。
如顺序号为1020,则表示为A20。
三、举例如:经辽宁省质量技术监督局审批的锅炉制造许可,辽宁省地区锅炉制造许可审批的总排列顺序为980,许可证有效期至2007年。
则表示为:TS2121980-2007如:经北京市质量技术监督局审批的压力管道元件制造许可,北京市地区压力管道元件制造许可审批的总排列顺序为200,许可证有效期至2007年。
则表示为:TS2711200-2007如:经国家质检总局审批的压力容器境内设计许可,总局压力容器设计许可审批的总排列顺序为700,许可证有效期至2006年。
则表示为:TS1210700-2006如:经国家质检总局审批的境外压力容器制造许可,总局境外压力容器制造许可审批的总排列顺序为699,许可证有效期至2006年。
则表示为:TS2200699-2006如:经江苏省审批的锅炉封头部件制造许可,江苏省锅炉安全附件、保护装置审批的总顺序号为1000,许可证有效期至2007年。
则表示为:TSF132A00-2007四、气瓶和型式试验的许可证编号(一)气瓶制造许可证的编号表示方法目前,有些气瓶制造单位在生产线上自动将其许可证编号打在瓶体上,如果因机器的限制,只能采用六位数的,则可按下述方法简化表示:前面证书项目代号和设备代号简化为T,中间两位数字表示地区代码,后面用三位数表示压力容器制造单位的顺序号。
特种作业操作证真假辨识及相关规定1、真的证件第一行为14位数字,数字多的和少的均属假证。
2、第6位数字是代表作业的类别:1、电工2、金属焊接切割作业3、起重机械作业(含电梯)、4、企业内机动车辆驾驶5、登高架设作业。
(如有多字、少字、错字均为假本)3、证件号基本在证件的中间。
不在中间的为假证。
4、证件照片均为1寸彩照修边处理、黑白或未修边的为假证。
5、使用的期限均为6年,多一年少一年的均属假证。
6、两年一复审。
其他复审年限为假证。
7、有效期为二年,超二年的属假证。
8、电工的证件、高压就高压、低压就低压,注明高低运行维修的属假证。
9、2003年12月以后证件的印章均为:(1)**省安全生产监督管理局(2)**自治区安全生产监督管理局(3)**市安全生产监督管理局以上三类印章中间红星是实心的,字体饱满,其它印章属假证。
10、证件号斜的为假证11、防伪标志在右下角的为假证12、证件号前面定有工种的为假证13、正本与付本的证号不同的为假证14、纸版发白和背后无字以及有错字的均属假本作业类别相对应的操作项目(2006年5月13日之前发的证):1、电工(1):⑴低压运行、维修⑵高压运行、维修⑶电缆安装2、金属焊接切割作业(2):⑴手工电弧焊、气焊、气割⑵气体保护焊3、起重机械作业(3):⑴塔式起重机械驾驶⑵桥式起重机驾驶⑶自行式起重机驾驶⑷垂直式卷扬机操作⑸信号指挥、挂钩作业⑹乘客、载货电梯驾驶⑺电梯安装维修⑻施工外用电梯驾驶⑼绞车司机4、企业内机动车辆驾驶(4):⑴叉、铲车驾驶⑵电力车驾驶⑶汽车驾驶、拖拉机驾驶⑷机械施工用车驾驶⑸矿山专用车驾驶⑹电动挖掘机5、登高架设作业(5):⑴建筑脚手架拆装⑵起重设备拆装作业类别相对应的操作项目(2006年5月13日以后发的证):1、电工(1):⑴低压运行、维修⑵高压运行、维修⑶电缆安装2、金属焊接切割作业(2):⑴焊条电弧焊、气焊、气割⑵压弧焊、CO2焊⑶电阻焊(钢筋对焊)3、企业内机动车辆驾驶(3):⑴叉、铲车驾驶⑵翻斗车驾驶⑶电瓶车驾驶⑷装载机驾驶⑸推土机驾驶⑹挖掘机驾驶⑺摊铺机驾驶⑻平地机驾驶⑼压路机驾驶4、登高架设作业(4):⑴建筑脚手架拆装5、制冷作业(5)。
特种设备作业人员作业种类与项目序号种类作业项目项目代号01特种设备相关管理特种设备安全管理负责人A1 特种设备质量管理负责人A2 锅炉压力容器压力管道安全管理A3 电梯安全管理A4 起重机械安全管理A5 客运索道安全管理A6 大型游乐设施安全管理A7 场(厂)内专用机动车辆安全管理A802 锅炉作业一级锅炉司炉G1 二级锅炉司炉G2 三级锅炉司炉G3 一级锅炉水质处理G4 二级锅炉水质处理G5 锅炉能效作业G603 压力容器作业固定式压力容器操作R1 移动式压力容器充装R2 氧舱维护保养R304 气瓶作业永久气体气瓶充装P1序号种类作业项目号液化气体气瓶充装P2溶解乙炔气瓶充装P3液化石油气瓶充装P4车用气瓶充装P505 压力管道作业压力管道巡检维护D1 带压封堵D2 带压密封D306 电梯作业电梯机械安装维修T1 电梯电气安装维修T2 电梯司机T307 起重机械作业起重机械机械安装维修Q1 起重机械电气安装维修Q2 起重机械指挥Q3 桥门式起重机司机Q4 塔式起重机司机Q5 门座式起重机司机Q6 缆索式起重机司机Q7 流动式起重机司机Q8 升降机司机Q9序号种类作业项目号机械式停车设备司机Q1008 客运索道作业客运索道安装S1 客运索道维修S2 客运索道司机S3 客运索道编索S409大型游乐设施作业大型游乐设施安装Y1 大型游乐设施维修Y2 大型游乐设施操作Y3 水上游乐设施操作与维修Y410场(厂)内专用机动车辆作业车辆维修N1 叉车司机N2 搬运车牵引车推顶车司机N3 内燃观光车司机N4 蓄电池观光车司机N511安全附件维修作业安全阀校验F1 安全阀维修F212特种设备焊接作业金属焊接操作(注)非金属焊接操作注:1. 特种设备焊接作业(金属焊接操作和非金属焊接操作)人员代号按照《特种设备焊接操作人员考核细则》的规定执行。
2. 表中A1、A2、A6、A7、G6、R3、D2、D3、S1、S2、S3、S4、Y1、F1、F2项目和金属焊接操作项目中的长输管道、非金属焊接操作项目的考试机构由总局指定,其它项目的考试机构由省局指定。
关于焊工证编号规则为了进一步规范各焊考委考核焊工的《特种设备作业人员证》编号管理,避免证书编号编错、编重,现根据“关于公布《特种设备作业人员证》样式和编号的通知”(质检办特[2005]86号)要求,对各省属焊考委、地市属焊考委考核焊工的证书编号管理做如下规定: 一、各焊工考委会为其考核的焊工颁发的证书,自本规则发布之日起,一律采用新式证书,证书样式见“质检办特[2005]86号”,旧式证书不再使用。
对于因特殊原因还在用旧证书的焊考委,请于2008年10月31日前,全部更换成新证书,旧证书上的有效项目,应誊写到新证书上,并把旧证书销毁。
二、各焊工考委会应严格按照国质检办特[2005]86号通知要求的基本格式进行证书编号,即: 12(1) (2) (3) 1。
盖的,可向省局提出申请,由省局向国家质监局申请地区代码。
表1. 黑龙江省各地区的地区代码(4) 顺序号:由五位数字表示。
按照首次发证部门焊接作业人员的顺序编号。
如果超过99999,则用字母与数字混合表示。
如顺序号为100020,则表示为A0020;顺序号为110020,则表示为B0020;依此类推,表示方法参见表2。
表2. 顺序号表示方法三、省属的焊考委,证书顺序号由各焊考委自行排序,地区代码统一为“HLS ”,顺序号均从00001起始,但在顺序号后面应加注在名序表中给出的焊考委代码,见表3。
表3总排序为100,则表示为:TS6JHLS00100(01);总排序为100150,则表示为:TS6JHLSA0150(01)例如:黑龙江省电力公司第三焊接培训中心首次考核发证的焊工,总排序为800,则表示为:TS6JHLS00800(02);总排序为110180,则表示为:TS6JHLSB0180(02)例如:黑龙江省电力有限公司焊接技术培训中心首次考核发证的焊工,总排序为900,则表示为:TS6JHLS00900(03);总排序为120190,则表示为:TS6JHLSC0190(03)四、市属的焊考委,地区代码按照所在地市的地区代码(见表1),证书顺序号由市技术监督局统一排序,顺序号均从00001起始,顺序号后面加注焊考委代码自定。
京
一由
由
地区代码基本采用GB/T2260-1999《中华人民共和国行政区划码》中规定的行政区划字母代码(见附录)。
县级质量技术监督部发证的编号采用所在地市的地区代码,顺序号由市级质量技术监
(
四 由五位数字表示。
按首次发证部门地区所发证的该作业种类人 员的顺序编号。
如果超过99999,则用字母与数字混合表示。
如顺 序 号三 为如 1 则
由 女口:由辽宁省质量技术监督局首次发证的特种设备焊接作业人
则
女口:由北京市东城区质量技术监督局首次发证的电梯作业人
则
如:由河北省石家庄市质量技术监督局首次发证的锅炉作业人
: 发 0K ;
地
顺
名称
字母码
序 匕京市 BJS 号东城区
DCQ
西城区 XCQ 崇文区 CWC 宣武区 XWQ . 朝阳区
CYQ
丰台区
FTQ
局
—p —
—9 —
—10 —。