钢结构知识学习简易速成资料
- 格式:pdf
- 大小:609.82 KB
- 文档页数:54
钢结构工程知识点总结一、钢结构的基本知识1.1 钢结构的分类钢结构可以分为框架结构、刚架结构、悬索结构、网架结构等多种类型,各种结构类型在不同场合有不同的适用性。
1.2 钢材的选择钢结构中常用的材料包括碳素结构钢、低合金高强度钢、不锈钢等。
在选择材料时需要考虑结构的受力情况、耐腐蚀性能、成本等因素。
1.3 钢结构的设计规范钢结构的设计需遵循相应的国家标准,如《钢结构设计规范》(GB 50017-2003)、《工业厂房钢结构技术规范》(GB 50019-2015)等。
1.4 钢结构的施工工艺钢结构的施工过程包括预制、安装、钢柱、钢梁等部件的连接、防腐处理等工艺环节。
二、钢结构的设计2.1 钢结构的受力分析钢结构的受力分析是设计的基础,包括对结构的静力分析、动力分析、温度、风、地震等外部荷载的影响分析。
2.2 钢结构的构建方法钢结构的构建方法包括焊接、螺栓连接、铆接等,不同的构建方法适用于不同的工程要求。
2.3 钢结构的设计原则钢结构的设计原则包括安全性、经济性、美观性等多个方面的考虑,设计要兼顾这些方面的因素。
2.4 钢结构的设计软件目前,钢结构设计常常使用一些专业的设计软件,如Tekla Structures、STAAD Pro、SAP2000等。
三、钢结构的安装3.1 钢结构的安装工艺钢结构的安装包括吊装、定位、连接、补偿等环节,需要考虑结构的稳定性和安全性。
3.2 钢结构的防腐处理钢结构在使用过程中容易受到腐蚀的侵蚀,因此需要进行防腐处理,如喷涂防腐漆、热浸镀锌等。
3.3 钢结构的质量控制钢结构的安装过程需要进行严格的质量控制,确保结构的安全和稳定。
3.4 钢结构的安装场地钢结构的安装场地需要平整、干燥、便于吊装施工,同时需要考虑周边环境的安全性。
四、钢结构的应用领域4.1 工业厂房工业厂房是钢结构的主要应用领域之一,钢结构可以满足对于大空间、大跨度、大荷载的要求。
4.2 商业建筑商业建筑中也广泛应用钢结构,如购物中心、大型超市等。
钢结构基本知识钢结构基本知识本文档旨在介绍钢结构的基本知识,涵盖了钢结构的概念、特点、组成部分、设计原则、施工过程以及常见问题的解决方法。
本文档将详细阐述每个章节的内容,以便读者对钢结构有一个更全面的了解。
一、钢结构概述钢结构是指使用钢材作为主要构件的建筑结构系统。
它具有高强度、轻质、可塑性好、可靠性高等特点,因此被广泛应用于各种建筑和工程领域。
二、钢结构的组成部分钢结构由主梁、次梁、柱子、框架等组成。
主梁起到承载整个结构重量的作用,次梁用于辅助支撑和加强结构稳定性,柱子起到承重支撑的作用,框架则是几个结构构件的组合。
三、钢结构的设计原则钢结构的设计原则包括荷载计算、结构分析、构件设计、连接设计等。
荷载计算需要确保结构能够承受各种静态和动态荷载。
结构分析是通过数学模型计算结构的应力和变形情况。
构件设计涉及梁、柱、连接件的尺寸和截面设计。
连接设计是确保各构件之间紧密连接的重要步骤。
四、钢结构的施工过程钢结构的施工过程涉及到各个环节的安装和调试。
包括货物组织、运输、起吊、定位、焊接、检测等步骤。
施工中需要注意安全、合理使用设备、遵守规范等。
五、常见问题及解决方法在钢结构的设计和施工过程中,会遇到一些常见问题,比如设计错误、连接不牢固、变形过大等。
针对这些问题,我们将给出相应的解决方法和建议,以确保钢结构的稳定性和安全性。
扩展内容:1、本文档所涉及附件如下:附件1:钢结构设计规范附件2:钢结构施工图纸示例附件3:钢结构质量检测报告模板2、本文档所涉及的法律名词及注释:1)建筑结构设计规范:国家规定的建筑结构设计的基本原则和要求。
2)静态荷载:指结构在静止状态下受到的荷载,如自重、人员荷载等。
3)动态荷载:指结构在运动或变化状态下受到的荷载,如风荷载、地震荷载等。
第一章概论第一节钢结构的特点和应用钢结构的特点:钢结构构件较小,质量较轻,便于运输和安装,便于装拆、扩建。
适用于跨度大、高度高,承载重的结构。
1.钢材的材质均匀,质量稳定,可靠度高;2.钢材的强度高,塑性和韧性好,抗冲击和抗振动能力强;3.钢结构工业化程度高,工厂制造,工地安装,加工精度高,制造周期短,生产效率高,建造速度快;4.钢结构抗震性能好;5.耐腐蚀和耐火性差。
第二节钢结构的应用范围一、大跨度结构:体育场、馆、会展中心、会堂、剧场、飞机库、机车库等。
二、高层建筑:纽约的西尔斯大厦共110层,总高443m;深圳的地王商业大厦总高368m;上海金茂大厦共88层,总高420.5m。
三、工业建筑设有大吨位吊车,炼钢车间,船体车间,水压机车间。
四、轻钢结构后面重点讲解。
五、高耸结构(塔桅结构)高压输电塔,微波站,雷达站,火箭发射塔,海洋石油平台。
随着现代建筑技术发展,塔桅结构由单一功能向多功能方向发展,如加拿大多伦多的电视塔为全钢结构,我国黑龙江省336m高的全钢结构多功能电视塔。
六、活动式结构水工钢闸门,升船机,三峡的升船机120×18×3.5m,最大提升高度113m,重11800T。
七、可拆卸或移动的结构钢栈桥、移动式平台,发挥钢结构重量轻,便于运输和安装的优点。
加拿大已建成120多万吨,可容纳5000多人的海上采油平台。
八、高压容器和大直径管道三峡水利枢纽工程中的发电机组压力钢管内径达12.4m,钢管壁厚60mm。
九、抗震要求高的结构十、特种结构钢烟囱、钢水塔,纪念性建筑(北京的中华世纪坛)城市大型雕塑(南海大佛)。
第三节现代建筑钢材的发展一、高强度钢材随着人们对结构性能要求的提高,研制和应用高强度钢材、优质钢和各种低合金钢,如Q345(16锰钢)、Q390(15锰钒钢)、Q420(15锰钒氮钢),有些西方国家已把钢材的屈服强度为700~800Mpa或更高强度的低合金钢列入设计规范。
钢结构基础知识钢结构是现代建筑中广泛应用的一种结构形式,它具有强度高、重量轻、施工速度快等诸多优点。
接下来,让我们一起深入了解一下钢结构的基础知识。
一、钢结构的定义与特点钢结构,顾名思义,是以钢材为主要材料构建的结构体系。
钢材具有优异的力学性能,其强度高,能够承受较大的荷载;同时,钢材的重量相对较轻,这使得钢结构在大跨度和高层建筑中具有明显的优势。
钢结构的特点可以总结为以下几点:1、强度高:钢材的强度远高于混凝土和木材等常见建筑材料,能够建造更高、更大跨度的建筑结构。
2、重量轻:在相同的承载能力下,钢结构的重量约为混凝土结构的一半,这减轻了建筑物的自重,有利于基础设计和降低运输成本。
3、施工速度快:钢结构构件可以在工厂预制,然后在施工现场进行快速组装,大大缩短了施工周期。
4、可重复利用:钢结构构件拆除后,大部分材料可以回收再利用,符合可持续发展的理念。
5、空间布置灵活:钢结构的梁柱截面较小,可以为建筑提供更大的使用空间和更灵活的布局。
二、钢结构的材料钢结构中常用的钢材主要包括碳素结构钢和低合金高强度结构钢。
碳素结构钢价格相对较低,但强度和韧性一般;低合金高强度结构钢则具有更高的强度、更好的韧性和焊接性能,在重要的钢结构工程中应用广泛。
钢材的性能指标主要包括强度、塑性、韧性、冷弯性能和可焊性等。
强度是钢材最重要的性能指标,通常用屈服强度和抗拉强度来表示。
塑性反映了钢材在受力时产生变形而不破坏的能力,常用伸长率来衡量。
韧性表示钢材在冲击荷载作用下抵抗破坏的能力,通过冲击试验来测定。
冷弯性能是衡量钢材在常温下承受弯曲变形的能力,可焊性则关系到钢材在焊接过程中的质量和性能。
三、钢结构的连接钢结构的连接方式主要有焊接、螺栓连接和铆钉连接三种。
焊接是通过高温使钢材局部融化,冷却后形成牢固的连接。
焊接连接的优点是刚度大、整体性好,但焊接质量容易受到焊接工艺和焊工技术水平的影响,并且焊接会产生残余应力和变形。
螺栓连接分为普通螺栓连接和高强度螺栓连接。
钢结构基础知识复习资料钢结构建筑是现代建筑中应用最广泛的一种建筑形式。
它具有轻质、高强、抗震、耐腐蚀等优良特性,使得钢结构在高层建筑、市政工程、桥梁建设等领域被广泛应用。
然而,要想设计和施工出一座质量优良的钢结构,需要有扎实的基础知识。
下面,就让我们来一起复习一下钢结构的基础知识。
一、钢结构的种类钢结构可以分为三类:框架结构、网架结构和空间结构。
框架结构是指柱、梁、墙板组成的空间框架结构,它的外形和内部布置均具有规则性和对称性。
因为它具有面积大、强度高的优势,所以适用于高层建筑、地铁车站等场所。
网架结构是由斜杆、竖杆和横向斜杆组成的结构,这种结构的特点是自重轻,刚性好,所需钢量少,适用于体育馆、剧场等大跨度建筑。
空间结构是指三维结构,主要应用于航空航天、体育场馆、大型展览馆等场所,常用杆件是三角形、四边形、多边形,形体可设计成球形、圆形、锥形等。
二、钢结构施工的步骤钢结构施工的步骤一般包括准备工作、制造加工、现场安装和预应力张拉等环节。
其中,制造加工是钢结构的关键环节。
在此环节中,要根据钢结构的类型和结构特点,制定出合理的加工方案和工艺流程。
现场安装是钢结构建筑的重要环节,因为它涉及到钢结构的精度和安全。
在进行现场安装时,需要安装吊装架、安装钩索、吊装钢梁等,以确保施工的安全和质量。
三、钢结构的组构形式钢结构的组构形式包括点式组构、线式组构和面式组构。
点式组构是指钢构件采用对点连接的方式形成的结构,主要应用于桥梁、高层建筑等场所。
线式组构是指钢构件以一条线连接形成的结构,主要应用于网架结构、展览馆等。
面式组构是指钢构件以面的方式连接形成的结构,主要应用于滑雪馆、博物馆等场所。
四、钢结构的防腐措施防腐是钢结构的重要工作之一,它是确保钢结构质量和使用寿命的关键。
主要的防腐措施包括防腐漆、热喷涂和冷镀锌等,其中防腐漆的施工最为常见。
在使用防腐漆时,需要先清理去污,然后涂刷底漆、中间漆和面漆三层防腐漆。
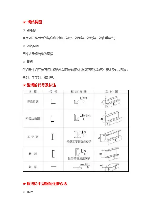
★钢结构图※钢结构由型钢连接而成的结构物,例如:钢梁、钢屋架、钢塔架、钢脚手架等。
※钢结构图用来表示钢结构的图样。
※型钢型钢是由钢厂按照标准规格轧制而成的钢材,其断面形状如尺寸是定型的,例如:角钢、工字钢、槽钢等。
★型钢的代号及标注★钢结构中型钢的连接方法※焊接※铆接※螺栓连接一、焊接将被连接的型钢在连接部位加热使其和焊条熔化,凝结后成为不可分割的整体。
1、焊缝类型及其符号※坡口焊缝※贴角焊缝※塞焊缝★焊缝的图形符号和辅助符号2、焊缝的标注在钢结构图中,必须把焊缝的位置、形式、尺寸和辅助要求标准清楚。
★焊缝的标注方法★焊缝不连续时的画法及标注当焊缝分布不连续时,可见焊缝宜在焊缝处加中实线,不可见焊缝加细栅线二、铆接用铆钉将两块或两块以上的钢板连接在一起★铆接分类※工厂连接※现场连接★铆钉类型三、螺栓连接※焊接和铆接都是不可拆卸的连接,螺栓连接是可拆卸的连接※连接方法★螺栓、孔、电焊铆钉图例钢梁结构图概述钢梁常用于大、中跨度桥梁中钢梁的种类※钢板梁※钢桁梁★下承式简支栓焊梁★钢梁结构图的内容※设计轮廓图※节点图※杆件图※零件图★设计轮廓图★节点图★节点构造图★拼接板、填板的拼装★立体图★节点板详图★杆件图★零件图钢屋架结构图概述※钢屋架※钢屋架结构图屋架简图、屋架详图(包括节点图)、杆件详图、连接板详图。
★屋架简图※屋架简图又称屋架示意图、屋架杆件几何尺寸简图。
※比例:1:100、1:200※单线条表示,杆件长度直接注在单线条旁边。
★屋架详图※图样:立面图,上弦实形辅助投影,剖面断面图。
※比例:两种比例:杆件轴线采用较小比例(1:20,1:15)节点板、杆件、断面采用较大比例(1:10,1:5)※图线:可见轮廓线——中实线不可见轮廓线——中虚线★杆件拼接★支座节点图★屋脊节点图。
5.方茴说:“那时候我们不说爱,爱是多么遥远、多么沉重的字眼啊。
我们只说喜欢,就算喜欢也是偷偷摸摸的。
”6.方茴说:“我觉得之所以说相见不如怀念,是因为相见只能让人在现实面前无奈地哀悼伤痛,而怀念却可以把已经注定的谎言变成童话。
”7.在村头有一截巨大的雷击木,直径十几米,此时主干上唯一的柳条已经在朝霞中掩去了莹光,变得普普通通了。
8.这些孩子都很活泼与好动,即便吃饭时也都不太老实,不少人抱着陶碗从自家出来,凑到了一起。
9.石村周围草木丰茂,猛兽众多,可守着大山,村人的食物相对来说却算不上丰盛,只是一些粗麦饼、野果以及孩子们碗中少量的肉食。
钢结构加工制作流程(1)钢材力学指标:结构用钢的力学指标包括屈服点、抗拉强度、延伸率、低温冲击韧性。
这些指标应符合《钢结构设计规范》的要求,但其中低温冲击韧性仅在结构可能处于低温环境下工作时才要检验。
钢材力学指标的测定须符合《钢材力学及工艺性能试验取样规定》(GB2975-82)(2)钢材化学成分:与钢材的可加工性、韧性、耐久性等有关。
其中主要是碳的含量,合金元素的含量及硫、磷等杂质元素的限制含量应符合规范(GB222-84)要求。
(3)工艺性能:工艺性能主要包括可焊性和加工性能。
可焊性与含碳量或碳当量(低合金钢)有关,可用可焊性试验鉴定。
加工性能则通过冷弯试验来确定。
按(GB232-88)为标准。
(4)几何尺寸偏差:钢材(钢板、型钢、圆钢、钢管)的外形尺寸与理论尺寸的偏差必须在允许范围内。
允许偏差值可参考国家标准GB709-88、GB706-88、GB787-88、GB978-88,GB707-88、GB816-87等。
(5)钢材外形缺陷:钢材表面不得有气泡、结疤、拉裂、裂纹、褶皱、夹杂和压入的氧化铁皮。
这些缺陷必须清除,清除后该处的凹陷深度不得大于钢材厚度负偏差值。
另外,当钢材表面有锈蚀、麻点或划痕等缺陷时,其深度不得大于该钢材厚度负偏差值的1/2。
(6)机械切割:使用机械力(剪切、锯割、磨削)切割,相应的机械有剪板机、锯床、砂轮机等,较适合于厚度在12~16mm以下钢板或型材的直线性切割。
★钢结构图※钢结构由型钢连接而成的结构物,例如:钢梁、钢屋架、钢塔架、钢脚手架等。
※钢结构图用来表示钢结构的图样。
※型钢型钢是由钢厂按照标准规格轧制而成的钢材,其断面形状如尺寸是定型的,例如:角钢、工字钢、槽钢等。
★型钢的代号及标注★钢结构中型钢的连接方法※焊接※铆接※螺栓连接一、焊接将被连接的型钢在连接部位加热使其和焊条熔化,凝结后成为不可分割的整体。
1、焊缝类型及其符号※坡口焊缝※贴角焊缝※塞焊缝★焊缝的图形符号和辅助符号2、焊缝的标注在钢结构图中,必须把焊缝的位置、形式、尺寸和辅助要求标准清楚。
★焊缝的标注方法★焊缝不连续时的画法及标注当焊缝分布不连续时,可见焊缝宜在焊缝处加中实线,不可见焊缝加细栅线二、铆接用铆钉将两块或两块以上的钢板连接在一起★铆接分类※工厂连接※现场连接★铆钉类型三、螺栓连接※焊接和铆接都是不可拆卸的连接,螺栓连接是可拆卸的连接※连接方法★螺栓、孔、电焊铆钉图例钢梁结构图概述钢梁常用于大、中跨度桥梁中钢梁的种类※钢板梁※钢桁梁★下承式简支栓焊梁★钢梁结构图的内容※设计轮廓图※节点图※杆件图※零件图★设计轮廓图★节点图★节点构造图★拼接板、填板的拼装★立体图★节点板详图★杆件图★零件图钢屋架结构图概述※钢屋架※钢屋架结构图屋架简图、屋架详图(包括节点图)、杆件详图、连接板详图。
★屋架简图※屋架简图又称屋架示意图、屋架杆件几何尺寸简图。
※比例:1:100、1:200※单线条表示,杆件长度直接注在单线条旁边。
★屋架详图※图样:立面图,上弦实形辅助投影,剖面断面图。
※比例:两种比例:杆件轴线采用较小比例(1:20,1:15)节点板、杆件、断面采用较大比例(1:10,1:5)※图线:可见轮廓线——中实线不可见轮廓线——中虚线★杆件拼接★支座节点图★屋脊节点图。
★钢结构图
※钢结构
由型钢连接而成的结构物,例如:钢梁、钢屋架、钢塔架、钢脚手架等。
※钢结构图
用来表示钢结构的图样。
※型钢
型钢是由钢厂按照标准规格轧制而成的钢材,其断面形状如尺寸是定型的,例如:角钢、工字钢、槽钢等。
★型钢的代号及标注
★钢结构中型钢的连接方法
※焊接
※铆接
※螺栓连接
一、焊接
将被连接的型钢在连接部位加热使其和焊条熔化,凝结后成为不可分割的整体。
1、焊缝类型及其符号
※坡口焊缝
※贴角焊缝
※塞焊缝
★焊缝的图形符号和辅助符号
2、焊缝的标注
在钢结构图中,必须把焊缝的位置、形式、尺寸和辅助要求标准清楚。
★焊缝的标注方法
★焊缝不连续时的画法及标注
当焊缝分布不连续时,可见焊缝宜在焊缝处加中实线,不可见焊缝加细栅线
二、铆接
用铆钉将两块或两块以上的钢板连接在一起
★铆接分类※工厂连接※现场连接★铆钉类型
三、螺栓连接
※焊接和铆接都是不可拆卸的连接,螺栓连接是可拆卸的连接※连接方法
★螺栓、孔、电焊铆钉图例
钢梁结构图
概述
钢梁常用于大、中跨度桥梁中钢梁的种类
※钢板梁
※钢桁梁
★下承式简支栓焊梁
★钢梁结构图的内容※设计轮廓图
※节点图
※杆件图
※零件图
★设计轮廓图
★节点图
★节点构造图
★拼接板、填板的拼装
★立体图
★节点板详图。
★钢结构图※钢结构由型钢连接而成的结构物,例如:钢梁、钢屋架、钢塔架、钢脚手架等。
※钢结构图用来表示钢结构的图样.※型钢型钢是由钢厂按照标准规格轧制而成的钢材,其断面形状如尺寸是定型的,例如:角钢、工字钢、槽钢等。
★型钢的代号及标注★钢结构中型钢的连接方法※焊接※铆接※螺栓连接一、焊接将被连接的型钢在连接部位加热使其和焊条熔化,凝结后成为不可分割的整体。
1、焊缝类型及其符号※坡口焊缝※贴角焊缝※塞焊缝★焊缝的图形符号和辅助符号2、焊缝的标注在钢结构图中,必须把焊缝的位置、形式、尺寸和辅助要求标准清楚.★焊缝的标注方法★焊缝不连续时的画法及标注当焊缝分布不连续时,可见焊缝宜在焊缝处加中实线,不可见焊缝加细栅线二、铆接用铆钉将两块或两块以上的钢板连接在一起★铆接分类※工厂连接※现场连接★铆钉类型三、螺栓连接※焊接和铆接都是不可拆卸的连接,螺栓连接是可拆卸的连接※连接方法★螺栓、孔、电焊铆钉图例钢梁结构图概述钢梁常用于大、中跨度桥梁中钢梁的种类※钢板梁※钢桁梁★下承式简支栓焊梁★钢梁结构图的内容※设计轮廓图※节点图※杆件图※零件图★设计轮廓图★节点图★节点构造图★拼接板、填板的拼装★立体图★节点板详图★杆件图★零件图钢屋架结构图概述※钢屋架※钢屋架结构图屋架简图、屋架详图(包括节点图)、杆件详图、连接板详图.★屋架简图※屋架简图又称屋架示意图、屋架杆件几何尺寸简图。
※比例:1:100、1:200※单线条表示,杆件长度直接注在单线条旁边。
★屋架详图※图样:立面图,上弦实形辅助投影,剖面断面图。
※比例:两种比例:杆件轴线采用较小比例(1:20,1:15)节点板、杆件、断面采用较大比例(1:10,1:5)※图线:可见轮廓线——中实线不可见轮廓线——中虚线★杆件拼接★支座节点图★屋脊节点图。
钢结构基础知识钢结构在现代建筑工程中起着至关重要的作用,它具有高强度、轻质、耐用等特点,因此在大型建筑物或桥梁等工程中广泛应用。
本文将介绍钢结构的基础知识,包括钢的性质、钢结构构件以及常见的钢结构连接方式等内容。
一、钢的性质钢是一种由铁和碳组成的合金,其中碳元素含量小于2%。
钢的特点主要包括以下几个方面:1.高强度:相比其他材料,钢的强度更高,能够承受较大的荷载。
2.轻质:相对于混凝土等材料,钢的密度较小,从而减轻了整体建筑的自重。
3.耐腐蚀:钢具有较好的耐腐蚀性能,可以抵抗大部分外界环境的侵蚀。
4.可回收再利用:钢可以通过回收再利用的方式减少资源浪费,符合可持续发展的理念。
二、钢结构构件钢结构构件是组成钢结构的基本单元,通过连接构件形成整体框架。
常见的钢结构构件包括梁、柱、桁架等,每种构件都有其特定的形状和功能。
1.梁:梁是一种用于支撑屋顶或楼板的水平构件,承担着承载荷载的任务。
梁的截面形状多样,常见的有I型梁和H型梁等。
2.柱:柱是一种用于承受垂直荷载并将其传递到地基的垂直构件。
柱的形状通常为圆形、矩形或方形。
3.桁架:桁架是由梁与柱构成的三角形结构,用于支撑较大跨度的屋顶或桥梁。
桁架结构具有高刚性和较低的自重。
4.其他构件:除了梁、柱和桁架,钢结构中还可以存在其他构件,如连接板、瓦楞钢板等,用于完成特定的功能或满足设计要求。
三、钢结构连接方式钢结构的连接方式对于结构的稳定性和完整性至关重要。
根据连接方式的不同,可以分为焊接连接、螺栓连接和铆接连接等几种。
1.焊接连接:焊接连接是将构件通过焊接的方式固定在一起。
焊接连接具有较高的强度和刚性,广泛应用于大型和重要的钢结构工程中。
2.螺栓连接:螺栓连接是通过将构件用螺栓紧固在一起形成连接。
螺栓连接具有可拆卸的特点,便于维护和更换。
3.铆接连接:铆接连接是使用铆钉将构件连接在一起。
铆接连接可以实现构件的高强度和可靠性,适用于较大荷载和较高要求的工程。
钢结构通用知识第一篇:钢结构通用知识什么是钢结构? 用型钢或钢板制成基本构件,根据使用要求,通过焊接或螺栓连接等方法,按照一定规律组成的承载机构叫钢结构。
钢结构在各项工程建设中的应用极为广泛,如钢桥、钢厂房、钢闸门、各种大型管道容器、高层建筑和塔轨机构等。
钢结构的特点:1、钢结构自重较轻2、钢结构工作的可靠性较高3、钢材的抗振(震)性、抗冲击性好4、钢结构制造的工业化程度较高5、钢结构可以准确快速地装配6、容易做成密封结构7、钢结构易腐蚀8、钢结构耐火性差常用钢结构用钢的牌号及性能1、炭素结构钢:Q195、Q215、Q235、Q255、Q275等2、低合金高强度结构钢3、优质碳素结构钢及合金结构钢4、专门用途钢钢结构的材料选用原则是保证承重结构的承载能力和防止在一定条件下出现脆性破坏,根据结构的重要性、荷载特征、结构形式、应力状态、连接方法、钢材厚度和工作环境等因素综合考虑的。
《钢结构设计规范》GB50017-2003提出的四种钢材型号是“宜”使用的型号,是在条件许可时的首先选择,并不禁止其它型号的使用,只要使用的钢材满足规范的要求即可。
1、主要钢结构技术内容:(1)高层钢结构技术。
根据建筑高度和设计要求分别采用框架、框架支撑、筒体和巨型框架结构,其构件可采用钢、劲性钢筋混凝土或钢管混凝土。
钢构件质轻延性好,可采用焊接型钢或轧制型钢,适用于超高建层建筑;劲性钢筋混凝土构件刚度大,防火性能好,适用于中高层建筑或底部结构;钢管混凝土施工简便,仅用于柱结构。
(2)空间钢结构技术。
空间钢结构自重轻、刚度大、造型美观,施工速度快。
以钢管为杆件的球节点平板网架、多层变截面网架及网壳等是我国空间钢结构用量最大的结构型式。
具有空间刚度大,用钢量低的优点,在设计、施工和检验规程,并可提供完备的CAD****。
除网架结构外,空间结构尚有大跨悬索结构、索膜结构等。
(3)轻钢结构技术。
伴随着轻型彩色钢板制成墙体和屋面围护结构组成的新结构形式。