K-ZSTFB20- 扩展覆盖快速响应边墙型喷头概要
- 格式:doc
- 大小:198.50 KB
- 文档页数:2
自动喷水灭火系统术语1、喷头分类(1)按响应时间指数(RTI)分类:RTI≤50,快速响应闭式洒水喷头50<RTI≤80,特殊响应闭式洒水喷头80<RTI≤350,标准响应闭式洒水喷头(2)按流量系数(K)分类:K=80 标准流量洒水喷头K≥80 标准覆盖面积洒水喷头,直立型、下垂型:1只喷头最大保护面积≤20m2 边墙型:1只喷头最大保护面积≤18m2K≥80 扩大覆盖面积洒水喷头,直立型、下垂型、边墙型:1只喷头最大保护面积>20m2(标准覆盖面积),但≤36m2 K≥161 特殊应用喷头,具有较大雾滴,用于民用和厂房的高大空间以及仓库(3)按响应时间指数(RTI)和流量系数(K)混合分类:K≥161且RTI≤28±8 早起抑制快速响应洒水喷头,用于保护堆垛和高架仓库一、设置场所的火灾危险性分类1、轻危险级、中危险级(Ⅰ、Ⅱ)、严重危险级(Ⅰ、Ⅱ)、仓库危险级(Ⅰ、Ⅱ、Ⅲ)4类8级附录1 自喷系统设置场所火灾危险等级举例二、系统基本要求1、不适用场所:遇水易燃、爆炸、剧烈化学反应、放出有毒气体场所,洒水会发生沸溢、喷溅场所2、系统选型(1)湿式系统:4℃~70℃(2)干式系统:<4℃或>70℃(3)预作用:a、准工作状态时严禁误喷场所b、准工作状态时严禁管道充水场所c、代替干式系统场所(4)重复启闭预作用系统:灭火后需要及时停止喷水场所(5)雨淋系统:a、水平蔓延快,闭式喷头不能及时有效覆盖起火区域场所b、净空高度超过6.1.1规定,且需要快速扑灭初期火灾场所。
c、严重危险级Ⅱ场所(易燃固液清洗喷涂、摄影棚下吃葡萄)(6)早起抑制快速响应喷头(K≥161且RTI≤28±8 )的自喷系统的场所:a、净空≤13.5m、且物高≤12.0m,仓库Ⅰ、仓库Ⅱ、沥青、箱装不发泡塑料的仓库b、净空≤12.0m、且物高≤10.5m,袋装不发泡塑料、箱装及袋装发泡塑料的仓库(7)仓库型特殊应用喷头(K≥161且较大雾滴)的自喷系统的场所:c、净空≤12.0m、且物高≤10.5m,仓库Ⅰ、仓库Ⅱ、箱装不发泡塑料的仓库d、净空≤7.5m、且物高≤6.0m,袋装不发泡塑料、箱装发泡塑料的仓库(8)其它系统可串联接入同一建筑物内的湿式系统,接入点应为配水干管。
⽔幕喷头⼤全ZSTMB系列单出⼝型⽔幕喷头是⾃动或⼿动⽔幕系统的⼀个组成元件。
是作为防⽕或分区及局部防护冷却。
⼀般情况下多与防护卷帘及玻璃幕墙等配合使⽤,通常安装于⾃动扶梯和旋转梯穿过的楼板孔⼝出或舞台⼝等地⽅。
特别是液化⽯油和化⼯品等储藏等场所进⾏⽕灾控制和冷却保护。
⼆、⼯作原理ZSTMB系列单出⼝型⽔幕喷头由于压⼒⽔作⽤下,将流⼊的⽔迅速形成⽔幕,以⼀定的速度喷出,按照⼀定的雾化⾓均匀喷射在相应的射程范围内,覆盖保护对象外表⾯上,具有冷却、窒息、乳化、稀释、绝缘等作⽤,以到达抑制⽕势和灭⽕作⽤。
三、产品特点★限制燃烧速度,减少⽕灾破坏,减少爆炸危险,促使蒸⽓稀释和散发。
★仅使⽤⽔作为灭⽕剂,有良好的经济性。
★如果要求扑灭液体⽕灾,可将清⽔泡沫引⼊混合器内。
★能有效的与其它灭⽕系统配合使⽤。
四、技术参数ZSTMB-T ⽔幕喷头⼀、产品结构ZSTMB-T ⽔幕喷头是开式喷头的⼀种类型,只有⼀个出⽔⼝。
其喷洒时,⼊⽔⼝轴线与出⽔⼝轴线成90°夹⾓。
材质为钢镀铬。
根据喷射流量和喷射⾓度的不同要求设有不同的开⼝⼤⼩。
⼆、产品型号三、ZSTMB-T ⽔幕喷头外型及尺⼨四、技术参数ZSTMB-T ⽔幕喷头技术参数表外观形状外形尺⼨ZS T M B-T公称流量系数同时适⽤于防⽕分隔和防护冷却⽔幕倾⾓为90°,且只有⼀个出⽔⼝⽔幕喷头喷头⾃动喷⽔灭⽕设备五、特性曲线六、产品⽤途⽔幕喷头与⾬淋报警装置等配套使⽤构成⽔幕系统。
⽔幕系统分防⽕分隔⽔幕和防护冷却⽔幕,前者是⽤密集的喷头喷⽔构成⽔墙式⽔帘,如舞台、窗⼝、⾃动扶梯和旋转楼梯及建筑中庭四周。
后者是配合防⽕卷帘等分隔物进⾏防⽕分隔,如防⽕卷帘、玻璃幕墙、防⽕门、钢构件等。
七、注意事项1.开箱后检验商标、型号、合格证是否齐全,喷头外观应⽆加⼯缺陷和机械损伤现象;2.安装前确认喷头型号与安装部位要求⼀致;ZSTMC-T⽔幕喷头⼀、产品结构ZSTMC-T双⼝式⽔幕喷头是开式喷头的⼀种类型,有两个出⽔⼝,其喷洒时,⼊⽔⼝轴线与出⽔⼝轴线成90°夹⾓。
水幕喷头大全ZSTMB系列单出口型水幕喷头是自动或手动水幕系统的一个组成元件。
是作为防火或分区及局部防护冷却。
一般情况下多与防护卷帘及玻璃幕墙等配合使用,通常安装于自动扶梯和旋转梯穿过的楼板孔口出或舞台口等地方。
特别是液化石油和化工品等储藏等场所进行火灾控制和冷却保护。
二、工作原理ZSTMB系列单出口型水幕喷头由于压力水作用下,将流入的水迅速形成水幕,以一定的速度喷出,按照一定的雾化角均匀喷射在相应的射程范围内,覆盖保护对象外表面上,具有冷却、窒息、乳化、稀释、绝缘等作用,以到达抑制火势和灭火作用。
三、产品特点★限制燃烧速度,减少火灾破坏,减少爆炸危险,促使蒸气稀释和散发。
★仅使用水作为灭火剂,有良好的经济性。
★如果要求扑灭液体火灾,可将清水泡沫引入混合器内。
★能有效的与其它灭火系统配合使用。
四、技术参数型号规格公称压力(MPa)流量(L/min)流量系数(K)雾化角(℃)连接螺纹(R)ZSTMB80.3515845°60°90°120°1/2”3/4”1”ZSTMB1018.510 ZSTMB14.92814.9 ZSTMB173217 ZSTMB21.44021.4 ZSTMB275027 ZSTMA285228ZSTMB407540150°ZSTMB529752ZSTMB8015080ZSTMB115215115ZSTMB-T水幕喷头一、产品结构ZSTMB-T 水幕喷头是开式喷头的一种类型,只有一个出水口。
其喷洒时,入水口轴线与出水口轴线成90°夹角。
材质为钢镀铬。
根据喷射流量和喷射角度的不同要求设有不同的开口大小。
二、产品型号ZS T M B-T公称流量系数同时适用于防火分隔和防护冷却水幕倾角为90°,且只有一个出水口水幕喷头喷头自动喷水灭火设备三、ZSTMB-T水幕喷头外型及尺寸四、技术参数ZSTMB-T 水幕喷头技术参数表喷头型号公称直径 (mm )流量特性 参数 (K) 喷水 角度 (º) 最小工作 压力 (MPa ) 最大工作压力 (MPa ) 外形尺寸 D ×L (mm ) 连接 螺纹 R 流量公式 (L/min ) ZSTMB-T28.7/180 8 28.7 180 0.05 1.6 28×42 R1/2K:流量系数 P :喷头工作压力(MPa ) Q:;流量(L/min)ZSTMB-T 43/180 10 43 180 0.05 1.6 28×42 R1/2 ZSTMB-T 56/18012561800.051.628×42R1/2五、特性曲线外 观 形 状外 形 尺 寸1.开箱后检验商标、型号、合格证是否齐全,喷头外观应无加工缺陷和机械损伤现象;2.安装前确认喷头型号与安装部位要求一致;ZSTMC-T水幕喷头一、产品结构ZSTMC-T双口式水幕喷头是开式喷头的一种类型,有两个出水口,其喷洒时,入水口轴线与出水口轴线成90°夹角。
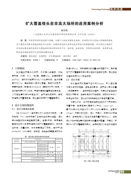
张志伟(大连理工大学土木建筑设计研究院有限公司 辽宁大连 116000)摘要:消防涉及到社会的各个领域,与每个人的生活都关系密切,自动喷水灭火系统以其独特优势成为了建筑应用最为普遍的固定灭火系统,而做好系统设计是保证其正常运行的重要前提。
本文通过工程设计实例论证特定场所采用扩大覆盖面积洒水喷头技术可行,造价低,安全性好,具有很大的优势,各类喷头在特定场合搭配使用可以有效降低建设成本。
关键词:建筑消防 自动喷水 扩大覆盖面积 洒水喷头 造价中图分类号:TU998.1 文献标识码:B 文章编号:1002-3607(2024)01-0091-04扩大覆盖喷头在非高大场所的应用案例分析1 工程概况本工程位于某二线城市,为多层公共建筑,功能有教学、科研、办公,共5层,层高4.5m,总建筑面积26,470m2,结构设计主要为8.4m×8.4m单向梁,主次梁高度均为0.7m,每半跨或一跨设分隔墙,房间不设吊顶,有集中空调。
根据GB 50016-2014《建筑设计防火规范》[1] 应设自动喷水灭火系统,考虑到建筑的重要性和复杂性,火灾危险等级定为中危险I级。
由于结构梁特殊,常规标准喷头布置有困难,因此尝试采用扩大覆盖面喷头。
2 设计方案的规范性2.1 设计方案理论依据GB 50084-2017《自动喷水灭火系统设计规范》(简称规范)[2]6.1.1条中明确了各类场合的喷头选型,洒水喷头类型和场所净空高度见表1。
由表1可知,民用建筑普通场所可以采用标准喷头和扩大覆盖面喷头,并对响应时间、流量系数、场所净高提出了限制。
相对于GB 50084-2001(2005年版)旧规范,新规参照美国消防协会标准NFPA13,将标准喷头的流量系数范围扩大,同时增加了扩大覆盖面积洒水喷头在非大空间的应用。
因此在本工程中采用K=115符合规范。
2.2 设计方案溅水盘与顶板距离不应大于550mm,可以通过增大喷头与顶板距离,避免梁的影响,进而减少喷头数量 (与梁高有关)。
浅谈边墙型扩展覆盖面喷头的布置作者:张学伟来源:《科技资讯》 2014年第17期张学伟(同济大学建筑设计研究院(集团)有限公司上海 200092)摘要:本文介绍了边墙型喷头选型的相关规定,并结合实际,分析宾馆客房内不同喷头布置方式的优缺点,选择出较为合理的喷头布置方式,并通过简单计算复核喷头的选型。
关键词:边墙型喷头边墙型扩展覆盖面喷头选型喷头布置客房吊顶中图分类号:TU892 文献标识码:A 文章编号:1672-3791(2014)06(b)-0080-031 喷头选用概述喷头是自动喷水灭火系统组成中最基本的元件,既是感应探头,又是灭火的工具。
喷头的选型对自动喷水灭火系统很重要,关系到系统的灭火效果。
合理的选型,有利于及时、快速、有效的灭火。
不同用途和型号的喷头,分别具有不同的使用条件和安装方式,工程设计时喷头的选用需要考虑多种因素。
由于喷头的选型不当而造成失误的现象比较突出,往往会造成较大的损失。
因此,规范对不同条件下的喷头选型做出了相应的规定。
实际的工程中,有些区域如医院病房、宾馆客房、普通办公室等场所,往往不设吊顶或者局部区域不设吊顶,在满足灭火设计要求下,考虑到布置的美观性,这时就需要设置边墙型喷头。
根据《自动喷水灭火设计规范》GB50 084-2001(2005年版,以下简称《喷规》)6.1.3.3条规定:“顶板为水平面的轻危险级、中危险级Ⅰ级居室和办公室,可采用边墙型喷头。
”此外,从条文解释可知,国外对采用边墙型喷头有严格规定:(1)保护场所应为轻危险级,中危险级系统采用时需经特许。
(2)顶板必须为水平面,喷头附近不得有阻挡喷水的障碍物。
(3)洒水应喷湿一定范围墙面等。
参考国外自动喷水灭火系统基本设计数据表可知,旅馆、医院、办公室、住宅基本均属于轻危险级场所。
笔者认为,《喷规》既参考了国外相关规范,也考虑了国内的需求,根据火灾危险等级分类及边墙型喷头性能特点等实际情况,提出了边墙型喷头的使用规定。
消防工程师—特殊应用喷头、早期抑制快速响应喷头、货架内置洒水喷头01特殊应用喷头、ESFR喷头术语一、特殊应用喷头:流量系数K大于等于161 ,具有较大水滴粒径,在通过标准试验验证后,可用于民用建筑和厂房高大空间场所以及仓库的标准覆盖面积洒水喷头,包括非仓库型特殊应用喷头和仓库型特殊应用喷头。
注:非仓库型特殊应用喷头用于民用建筑和厂房高大净空场所,该喷头具有流量系数大和工作压力低等特点,且喷洒的水滴粒径较大。
二、早期抑制快速响应喷头(ESFR):流量系数K大于等于161,响应时间指数RTI小于等于28±8(m.s)0.5,用于保护堆垛与高架仓库的标准覆盖面积洒水喷头。
注:早期抑制快速响应喷头仅适用于湿式系统,因为如果用于干式系统或预作用系统,由于报警阀打开后因管道排气充水需要一定的时间,导致喷水延迟,从而达不到快速喷水灭火的目的。
02、特殊应用喷头、ESFR喷头设置一、非仓库型特殊应用喷头:1.设置闭式系统的场所,洒水喷头类型和场所的最大净空高度应符合下表的规定;仅用于保护室内钢屋架等建筑构件的洒水喷头和设置货架内置洒水喷头的场所,可不受此表规定的限制。
2.民用建筑高大空间场所采用湿式系统的设计基本参数:当民用建筑高大空间场所的最大净空高度为12m<h≤18m时应采用非仓库型特殊应用喷头。
二、仓库型特殊应用喷头符合下列条件之一的场所,宜采用设置仓库型特殊应用喷头的自动喷水灭火系统。
1.最大净空高度不超过12.0m且最大储物高度不超过10.5m,储物类别为仓库危险级Ⅰ、Ⅱ级或箱装不发泡塑料的仓库及类似场所。
2.最大净空高度不超过7.5m且最大储物高度不超过6.0m,储物类别为袋装不发泡塑料和箱装发泡塑料的仓库及类似场所。
3、仓库及类似场所采用仓库型特殊应用喷头时,湿式系统的设计基本参数不应低于规范的相关规定。
三、早期抑制快速响应洒水喷头符合下列条件之一的场所,宜采用设置早期抑制快速响应喷头的自动喷水灭火系统。
ZSTMB系列单出口型水幕喷头是自动或手动水幕系统的一个组成元件。
是作为防火或分区及局部防护冷却。
一般情况下多与防护卷帘及玻璃幕墙等配合使用,通常安装于自动扶梯和旋转梯穿过的楼板孔口出或舞台口等地方。
特别是液化石油和化工品等储藏等场所进行火灾控制和冷却保护。
二、工作原理ZSTMB系列单出口型水幕喷头由于压力水作用下,将流入的水迅速形成水幕,以一定的速度喷出,按照一定的雾化角均匀喷射在相应的射程范围内,覆盖保护对象外表面上,具有冷却、窒息、乳化、稀释、绝缘等作用,以到达抑制火势和灭火作用。
三、产品特点★限制燃烧速度,减少火灾破坏,减少爆炸危险,促使蒸气稀释和散发。
★仅使用水作为灭火剂,有良好的经济性。
★如果要求扑灭液体火灾,可将清水泡沫引入混合器内。
★能有效的与其它灭火系统配合使用。
四、技术参数ZSTMA28 5228 150°ZSTMB40 75 40 ZSTMB52 97 52 ZSTMB80 150 80 ZSTMB115215115ZSTMB-T 水幕喷头一、产品结构ZSTMB-T 水幕喷头是开式喷头的一种类型,只有一个出水口。
其喷洒时,入水口轴线与出水口轴线成90°夹角。
材质为钢镀铬。
根据喷射流量和喷射角度的不同要求设有不同的开口大小。
二、产品型号三、ZSTMB-T 水幕喷头外型及尺寸外 观 形 状外 形 尺 寸ZS T M B-T公称流量系数同时适用于防火分隔和防护冷却水幕倾角为90°,且只有一个出水口 水幕喷头 喷头自动喷水灭火设备四、技术参数ZSTMB-T 水幕喷头技术参数表喷头型号公称直径 (mm )流量特性 参数 (K) 喷水 角度 (º) 最小工作 压力 (MPa ) 最大工作压力 (MPa ) 外形尺寸 D ×L (mm ) 连接螺纹R 流量公式(L/min )1808 180 0.05 1.6 28×42 R1/2K:流量系数P :喷头工作压力(MPa ) Q:;流量(L/min)ZSTMB-T 43/18010431800.051.628×42R1/2ZSTMB-T 56/180 12 56 180 0.05 1.6 28×42 R1/2五、特性曲线六、产品用途水幕喷头与雨淋报警装置等配套使用构成水幕系统。
边墙型扩展覆盖喷头一一流量系数K:115的边墙型快速响应喷头。
边墙型喷头沿墙布置,与顶板下布置的顶喷喷头比较,最不利起火点与喷头的距离大,因此感温条件差,而扩展覆盖喷头则更为明显。
为了补偿此类闭式喷感温条件较差的弱点,确定应采用“快速响应”类喷头。
令狐采学快速响应早期抑制喷头(ESFR)一一ESFR为early suppressionfast response sprinkler的英文缩写,响应时间指数RTI≤28±8(m·s)o·5。
用于保护高堆垛与高货架仓库的大流量特种洒水喷头。
仓库中物品的堆积高度大,火灾的竖向蔓延速度快,火灾放热速率的增长速度快,火头的位置不断提高。
此类火灾虽能较为迅速地驱动喷头,但灭火的难度大,堆垛和货架对喷水的遮挡作用大。
此种喷头的特点是,RTI数值小、动作灵敏,工作压力高、喷水的动量大、穿透力强,可增大实际送达燃烧面的灭火水量,使控灭火效果明显增强。
会展中心等物品堆积高度较低的其他类型高大空间场所,由于火焰高度低、烟气上升至顶板的距离大,致使流经喷头的烟气温度低、流速慢,烟气驱动喷头的条件差,而导致喷头动作缓慢。
因此,达到一定高度后,将难以保证喷头的开放时间,以及下喷水量能够有效覆盖火灾区域。
闭式喷头在初期火灾阶段开放,开放喷头的下喷水量有效覆盖起火范围;且送达物品燃烧面的水量大于冷却燃烧面灭火所需求的水量,是闭式系统成功控灭火的三个要素。
闭式喷头能够及时动作并有效覆盖起火范围的场所,其室内净空高度,据国外资料介绍为8~25ft(2.4~7.5m)。
此外,我国(火灾自动报警系统设计规范)规定感温探测器的最大安装高度为8m、感烟探测器的最大安装高度为12m。
为了保证湿式系统的有效性,应控制其应用场所的最大净空高度。
采用湿式系统的场所,其室内最大净空高度不应大于表5的规定。
仅用于保护室内钢屋架等建筑构件、和设置货架内喷头的闭式系统,不受此表规定的限制。
喷头的合理选型和布置在自动喷水灭火系统的设计中起着至关重要的作用。
边墙型扩展覆盖喷头是指流量系数K=115的边墙型快速响应喷头。
我国《自动喷水灭火系统设计规范》GB50084-2001(以下简称《喷规》)对边墙型标准喷头和边墙型扩展覆盖喷头都作了相关规定。
本文针对工程实例对边墙型扩展覆盖喷头提出笔者的看法。
某高层旅馆(四星级酒店)标准客房的净尺寸为7.0m×4.0m。
由于建筑专业室内不设吊顶,因美观需要,只能采用边墙型喷头。
根据我国《喷规》附录A,该旅馆客房属中危险级Ⅰ级。
方案一:该客房内喷头采用边墙型标准喷头(K=80),根据《喷规》表7.1.12边墙型标准喷头的最大保护跨度与间距(m)则喷头布置如图一。
图一可看出,一间客房内边墙型标准喷头多达6个,无疑加大了系统的设计流量(具体详本文后面部份),也给客房的室内装修增添了困难.方案二:采用边墙型扩展覆盖喷头(K=115),则喷头布置如图二。
图二可看出,采用边墙型扩展覆盖喷头,则仅需布置一个喷头。
很明显此种喷头的优点是保护面积大,安装简便,配水管道易于布置,室内装修非常方案二为多数设计单位采用。
但边墙型扩展覆盖喷头尚未纳入国家标准《自动喷水灭火系统洒水喷头性能要求和试验方法》GB5135-95的规定内容之中,《喷规》6.1.3对此仅规定了:“顶板为水平面的轻危险级,中危险级Ⅰ级居室和办公室,可采用边墙型喷头。
”其条文解释则又称国外对采用边墙型扩展覆盖喷头有严格规定:保护场所应为轻危险级,中危险级系统采用时须经特许。
美国NFPA13(1996年版)确实有此规定。
这就给设计人员带来了困惑,高层旅馆客房究竟能否采用边墙型扩展覆盖喷头呢?其实,设置场所火灾危险等级的划分标准各国不尽相同。
英美国家与我国差异较大。
高层旅馆客房在我国属中危险级Ⅰ级,但在英美日德等国均属于轻危险级。
可见高层旅馆客房采用边墙型扩展覆盖喷头在国外也是允许的。
另外,火灾调查发现,许多旅馆客房火灾只有少量的可燃物燃烧,即造成室内人员CO中毒死亡。
边墙扩展覆盖型快速喷头计算书
1.校核边墙扩展覆盖型快速喷头的保护距离:
按喷头工作压力下能够喷湿对面墙和邻近端墙距溅水盘1.2m高度以下的墙面确定。
按边墙扩展覆盖型ZSTB-20喷头的喷射曲线,工作压力0.1MPa 时,经查图表,其正面的保护距离为4.4米,侧面的保护距离为2.5米。
本工程宿舍楼内西侧标准宿舍房间的正面喷射距离为3.4米,侧面喷射距离不大于1.7米;东侧标准宿舍房间的正面喷射距离为3.85米,侧面喷射距离不大于1.5米,可以满足要求。
2.校核边墙扩展覆盖型(K=115)喷射强度:
喷头的流量为:q=k(10P)1/2=115*(10*0.1)1/2=115L/min
本工程宿舍楼内西侧标准宿舍房间侧喷区域面积为13.88平方米,设置2个边墙扩展型喷头,东侧标准宿舍房间侧喷区域面积为19.90平方米,设置3个边墙扩展型喷头,平均喷水强度为(K=115,有效保护流量按全流量的80%计):
西侧标准宿舍侧喷区域内的喷射强度:
0.8X115X2/13.88=13.2L/min.m2 >6L/min.m2(中危I级)
东侧标准宿舍侧喷区域内的喷射强度:
0.8X115X3/19.90=13.8L/min.m2 >6L/min.m2(中危I级)
能满足要求。
厦门理工学院建筑设计院
2010.5.15。
T-ZST15系列玻璃球洒水喷头一、产品说明T-ZST15系列玻璃球洒水喷头是自动喷水灭火系统的重要组成元件,用来探测火灾,受热时玻璃球破裂,喷头喷水来控制、扑灭火灾。
广泛用于保护餐厅、宾馆、商店、商业大厦、仓库厂房等轻、中危险级以及严重危险级的建筑物。
二、特点T-ZST15系列玻璃球洒水喷头由铜合金框架、玻璃球、球座、密封件、溅水盘等装配而成,外形美观,结构紧凑。
特点如下:1、喷头框架采用铜合金,强度高、耐腐蚀性强,表面抛光镀铬。
2、感温元件玻璃球采用德国J0b公司产品,强度高,动作可靠,反应速度快。
喷头采用德国进口的组装检测线进行生产检测,质量可靠稳定。
三、技术特性四、流量压力关系曲线.2、安装位置应与高温热源相隔一定距离。
3、喷头安装时应逼免玻璃球及框架受撞击。
安装时建议采用喷头安装专用扳手,拧紧力矩约为10~20N²m,不可超过29N.m。
扳拧过程中决不可扳拧、碰撞喷头的支撑臂,否则会使喷头变形而发生泄漏和误喷等事故。
4、喷头安装后,应检查玻璃球有无裂纹及损伤现象,若有应及时更换。
5、喷头上不应附着任何其他物质,以免影响喷头的布水性能,也不能在喷头上涂其他涂料,以免影响喷头的性能。
七、定货说明1、订货时请注明喷头型号,玻璃球直径和温级。
例:T-ZSTX-15/68,表示下垂型玻璃球洒水喷头。
公称直径为15mm,公称动作温度68℃,玻璃球直径5mm。
2、在有吊顶的建筑物内使用时,本公司可提供与之配套的装饰盘或吸执热盘,须单独订货。
3、在化工、军工及有腐蚀气体区域使用时,本公司可提供特种防腐喷头,须单独订货。
T-ZST20系列玻璃球洒水喷头一、产品说明T-ZST20系列玻璃球洒水喷头是自动喷水灭火系统的重要组成元件,用来探测火灾,受热时玻璃球破裂,喷头喷水来控制、扑灭火灾。
可用于供水压力不高,但要求洒水面积大的保护区域内的火灾防护,广泛用于保护如医院、学校、俱乐部、办公楼、旅馆、礼堂、饭店、餐饮、娱乐等场所。
1、说明ZSTB边墙型玻璃球闭式洒水喷头是自动喷水灭火系统中最关键的组成部件,用来探测火灾的仪器元件,并且通过自动喷水装置来控制火灾和扑灭火灾。
适用于工作环境温度不低于4℃,且不高于70℃的中轻危险级建筑物作为湿式系统用水扑灭火灾的宾馆、商场、餐厅、娱乐场所、仓库、医院、工厂、机场以及地下室等自动喷水灭火系统的管网。
产品标准依据:GB5135.1—2003《自动喷水灭火系统第1部份洒水喷头》2、工作原理本系列玻璃球洒水喷头的工作原理是以充有热膨胀系数较高的有机溶液的玻璃球作为热敏感元件。
在常温下,其玻璃球外壳可承受一定的支撑力,保证喷咀的密封。
当火灾发生时温度升高,玻璃球内的有机溶液发生热膨胀而产生很大的内压力,直到玻璃球外壳发生破碎,从而开启喷头喷水。
3、结构特点本系列玻璃球洒水喷头是由铜合金框架、玻璃球、密封件、玻璃球座、紧定螺钉和溅水盘等装配而成。
结构紧凑、外形精巧美观。
3.1、喷头框架采用高强度铜合金精密锻造,强度高、耐腐蚀性好。
3.2、感温热敏元件(玻璃球)采用国内外优质产品,玻璃球强度高,动作可靠,反应速度快。
3.3、本系列玻璃球洒水喷头经国家固定灭火系统和耐火构件质量监督检验中心检验符合国标GB5135·1-2003《自动喷水灭火系统第1部份:洒水喷头》各款规定要求。
4、技术特性和型号规格:4.1、公称口径:φ15mm,连接螺纹:R1/2〃,流量特性系数:K=80±4。
4.2、公称口径:φ20mm,连接螺纹:R3/4〃,流量特性系数:K=115±9。
4.3、额定工作压力:1.2MPa,出厂试验压力:3.0MPa.4.4、玻璃球直径:φ3mm、φ5mm。
4.5、喷头额定温度及色标:4.6、喷头性能特性曲线:5、安装5.1、在有吊顶的建筑物内使用时,本公司可以提供与之配套的装饰盘或喷头保护罩。
5.2、喷头安装时应采用本公司生产之配套的专用板手。
5.3、安装时,若发现有渗漏,不密封,则更换喷头,严禁在板手上加套管安装,因为安装力过大,可使喷头变形而发生泄漏。
边墙型喷头的设计选型【摘要】自动喷水灭火系统在我国兴起时间较短,自喷系统中的边墙型喷头及覆盖面扩展型喷头更是在近几年才被认可,但它们应该如何设计使用还存在较大的争议。
本文希望通过一些数据的比较和讨论,让大家更关注边墙型喷头及覆盖面扩展型喷头设计中存在的一些问题。
标签边墙型喷头;边墙型扩展覆盖面喷头引言自动喷水灭火系统是随着19世纪工业化革命,首先在英国以穿孔管的形式诞生,应用在剧院,其后在美国应用在棉纺织工业,并逐渐发展成为系统完整、组件齐全的高效全天候的自动灭火系统。
现已广泛应用于工业和民用建筑中,以及居住建筑。
我国自喷系统发展相对较晚,改革开放以来因综合国力的不断提高,自动喷水系统在工程中已普遍应用。
但由于设计依据的缺失或滞后,使得自喷系统的设计存在或多或少的问题,像边墙覆盖面扩展型喷头的设计应用就存在较大的争议。
1.边墙型喷头的种类及性能参数:边墙型喷头是由于安装条件受限,而由普通喷头衍生出来的一种特殊喷头。
边墙型喷头不像普通喷头那样布置在保护区域内部,而是沿保护区域的一边或两边布置,通过向保护区域内喷水起到灭火的作用。
边墙型喷头大致可分为直立边墙型喷头、水平边墙型喷头和边墙型扩展覆盖面喷头三种。
表1-1、1-2是三类边墙型喷头在不同工作压力下的性能参数。
从表中不难看出,相同工作压力下,三种喷头的主要差异是喷水范围和喷水强度的不同。
而同种喷头又因为工作压力的不同有着不同的喷水范围和强度。
2.边墙型喷头的相关规范:现阶段我国施工图设计主要以《自动喷水灭火系统设计规范》GB50084-2001(2005年版)为自喷系统的设计依据。
《自动喷水灭火系统设计规范》中涉及边墙型喷头的条文主要有以下三条:(1)7.1.12条:边墙型标准喷头的最大保护跨度与间距,应符合下表的规定:(2)7.1.13条:边墙型扩展覆盖喷头的最大保护跨度、配水支管上的喷头间距、喷头与两侧端墙的距离,应按喷头工作压力下能够喷湿对面墙和邻近端墙距溅水盘 1.2m高度以下的墙面确定,且保护面积内的喷水强度应符合本规范表5.0.1的规定。
水幕喷头大全ZSTMB系列单出口型水幕喷头是自动或手动水幕系统的一个组成元件。
是作为防火或分区及局部防护冷却。
一般情况下多与防护卷帘及玻璃幕墙等配合使用,通常安装于自动扶梯和旋转梯穿过的楼板孔口出或舞台口等地方。
特别是液化石油和化工品等储藏等场所进行火灾控制和冷却保护。
二、工作原理ZSTMB系列单出口型水幕喷头由于压力水作用下,将流入的水迅速形成水幕,以一定的速度喷出,按照一定的雾化角均匀喷射在相应的射程范围内,覆盖保护对象外表面上,具有冷却、窒息、乳化、稀释、绝缘等作用,以到达抑制火势和灭火作用。
三、产品特点★限制燃烧速度,减少火灾破坏,减少爆炸危险,促使蒸气稀释和散发。
★仅使用水作为灭火剂,有良好的经济性。
★如果要求扑灭液体火灾,可将清水泡沫引入混合器内。
★能有效的与其它灭火系统配合使用。
四、技术参数ZSTMB-T水幕喷头一、产品结构ZSTMB-T 水幕喷头是开式喷头的一种类型,只有一个出水口。
其喷洒时,入水口轴线与出水口轴线成90°夹角。
材质为钢镀铬。
根据喷射流量和喷射角度的不同要求设有不同的开口大小。
二、产品型号ZS T M B-T公称流量系数同时适用于防火分隔和防护冷却水幕倾角为90°,且只有一个出水口水幕喷头喷自动喷水灭火设备三、ZSTMB-T水幕喷头外型及尺寸四、技术参数ZSTMB-T 水幕喷头技术参数表五、特性曲线外 观 形 状外 形 尺 寸六、产品用途水幕喷头与雨淋报警装置等配套使用构成水幕系统。
水幕系统分防火分隔水幕和防护冷却水幕,前者是用密集的喷头喷水构成水墙式水帘,如舞台、窗口、自动扶梯和旋转楼梯及建筑中庭四周。
后者是配合防火卷帘等分隔物进行防火分隔,如防火卷帘、玻璃幕墙、防火门、钢构件等。
七、注意事项1.开箱后检验商标、型号、合格证是否齐全,喷头外观应无加工缺陷和机械损伤现象;2.安装前确认喷头型号与安装部位要求一致;ZSTMC-T水幕喷头一、产品结构ZSTMC-T双口式水幕喷头是开式喷头的一种类型,有两个出水口,其喷洒时,入水口轴线与出水口轴线成90°夹角。
喷头的合理选型和布置在自动喷水灭火系统的设计中起着至关重要的作用。
边墙型扩展覆盖喷头是指流量系数K=115的边墙型快速响应喷头。
我国《自动喷水灭火系统设计规范》GB50084-2001(以下简称《喷规》)对边墙型标准喷头和边墙型扩展覆盖喷头都作了相关规定。
本文针对工程实例对边墙型扩展覆盖喷头提出笔者的看法。
某高层旅馆(四星级酒店)标准客房的净尺寸为7.0m×4.0m。
由于建筑专业室内不设吊顶,因美观需要,只能采用边墙型喷头。
根据我国《喷规》附录A,该旅馆客房属中危险级Ⅰ级。
方案一:该客房内喷头采用边墙型标准喷头(K=80),根据《喷规》表7.1.12边墙型标准喷头的最大保护跨度与间距(m)则喷头布置如图一。
图一可看出,一间客房内边墙型标准喷头多达6个,无疑加大了系统的设计流量(具体详本文后面部份),也给客房的室内装修增添了困难.方案二:采用边墙型扩展覆盖喷头(K=115),则喷头布置如图二。
图二可看出,采用边墙型扩展覆盖喷头,则仅需布置一个喷头。
很明显此种喷头的优点是保护面积大,安装简便,配水管道易于布置,室内装修非常方案二为多数设计单位采用。
但边墙型扩展覆盖喷头尚未纳入国家标准《自动喷水灭火系统洒水喷头性能要求和试验方法》GB5135-95的规定内容之中,《喷规》6.1.3对此仅规定了:“顶板为水平面的轻危险级,中危险级Ⅰ级居室和办公室,可采用边墙型喷头。
”其条文解释则又称国外对采用边墙型扩展覆盖喷头有严格规定:保护场所应为轻危险级,中危险级系统采用时须经特许。
美国NFPA13(1996年版)确实有此规定。
这就给设计人员带来了困惑,高层旅馆客房究竟能否采用边墙型扩展覆盖喷头呢?其实,设置场所火灾危险等级的划分标准各国不尽相同。
英美国家与我国差异较大。
高层旅馆客房在我国属中危险级Ⅰ级,但在英美日德等国均属于轻危险级。
可见高层旅馆客房采用边墙型扩展覆盖喷头在国外也是允许的。
另外,火灾调查发现,许多旅馆客房火灾只有少量的可燃物燃烧,即造成室内人员CO中毒死亡。