酒店球类、棋牌室服务工作流程
- 格式:doc
- 大小:185.00 KB
- 文档页数:3
棋牌室服务员的岗位职责和工作流程在棋牌室工作的服务员是负责为顾客提供服务,并确保棋牌室的正常运行。
他们需要具备良好的沟通能力、服务意识和团队协作精神。
以下是棋牌室服务员的岗位职责和工作流程:岗位职责1.接待顾客,引导顾客进入棋牌室,并提供必要的服务。
2.维护棋牌室的整洁和秩序,定时清理桌面、扑克牌等棋牌用具。
3.协助顾客解决问题,处理投诉,并及时向主管汇报。
4.检查设备是否正常运行,如扑克牌、麻将等游戏器具,发现问题及时报修。
5.提供游戏规则的解释和指导,协助顾客进行游戏。
6.检查及收取顾客的消费款项,并保证交易的准确性。
7.协助进行赛事的组织和执行,确保比赛秩序井然。
8.定期参加培训,提升服务意识和专业技能。
工作流程接待与导引1.根据预约情况或现场顾客数量,酌情开放棋牌桌台。
2.主动向顾客打招呼,引导顾客前往指定区域,提供座位选择建议,并协助调整座位布局。
3.向新顾客简单介绍棋牌室的服务项目和规则。
4.根据顾客要求协助调整桌子、灯光等设施。
游戏服务1.确保游戏用具完整齐全,如扑克牌、麻将等。
2.向顾客提供游戏规则的解释和指导。
3.协助客人进行游戏操作,提供技巧建议。
4.回收游戏用具并保持整洁。
结账与离场1.提醒顾客结账时间,协助顾客计算消费金额。
2.收取现金或刷卡支付,开具发票。
3.感谢顾客光临并道别。
日常管理与维护1.定期清理场地,包括桌台、地面等。
2.定期检查设备情况,如灯光、空调等设施。
3.主动与客户交流,及时了解客户需求和意见。
4.及时向主管汇报问题和建议。
通过以上工作流程,棋牌室服务员能够有效地履行自己的岗位职责,提供优质的服务,促进棋牌室的顺利运营。
希望通过服务员的努力和细心,顾客们都能在棋牌室度过愉快的时光。
⼀、岗前准备1、在客⼈没有到来之前,把所有的接待⼯作准备好。
(如:有预定的把⿇将或者扑克放进房间内,把开⽔准备好,如果没有预定,我们客⼈进⼊房间后第⼀时间打开房间电源、空调、抽风,向客⼈介绍棋牌室设备的特⾊(同时将⿇将机电源打开,了解客⼈打的是什么⿇将,设置好客⼈要求打的⿇将,将两副牌洗好。
并⽰意客可以使⽤了。
对初来不会使⽤⿇将机的顾客应仔细介绍⿇将机的使⽤⽅法及注意事项。
)四、点茶⽔:接待⼯作完成后,礼貌咨询客⼈需要喝什么茶⽔(免费赠送茶⽔),并介绍茶⽔种类(菊花茶、⽴顿绿茶、⽴顿红茶)。
同时可将酒⽔牌双⼿递给客⼈,适当的推销并为客⼈点单,准确默记每位客⼈茶⽔及特别要求。
点好后将所点品种、数量复述⼀次。
确定后后退3步,退出房间关上门。
(跟客⼈交谈时热情、⼤⽅、有礼貌)五、送茶⽔:敲门3声同时报“您好!服务员”进⼊后将茶⽔依次送到对应客⼈旁,注意放茶杯时轻放。
并握住茶杯的杯⾝,切记勿握杯⼝。
结束后,告诉客⼈茶⽔上齐,如有需要可随时吩咐,然后后退3步,退出房间并关上门。
六、巡视服务:1、客⼈在消费期间,关注客⼈的动态与需求,及增加茶⽔(加茶⽔时间间隔在15—20分钟左右,如⽆特殊情况以外),更换烟缸。
维护棋牌室内卫⽣。
2、当客⼈的消费时段要到时,提前5分钟提醒客⼈是否需要继续下⼀个时段。
期间如果是VIP或常客,我们将送上免费的果盘。
七、客⼈消费结束后:1、提醒客⼈带好随⾝物品,以免客⼈东西遗漏给客⼈造成不便。
并作好房间物品检查。
2、如果客⼈需在房间内结账,应迅速到收银台打印好消费单,回到棋牌室。
询问哪位客⼈买单,双⼿递给客⼈消费单让客⼈过⽬。
并告知客⼈消费总额。
如需要发票告诉客⼈凭单到前台打印。
3、待客⼈结账完,送客⼈到电梯厅帮客⼈按下电梯,电梯门开启时⽤⼿帮客⼈拦住电梯门,礼貌送⾛客⼈。
(如先⽣/⼩姐请慢⾛,欢迎下次光临)⼋、收尾⼯作:1、客⼈⾛后,应迅速做好棋牌室内物品整理复位及卫⽣,补充棋牌室内的物品,准备接待下⼀批客⼈。
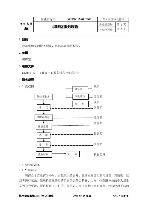
棋牌室服务规程编制:贾臣年 第 1 页 共 3 页审核:李万春1 目的规范棋牌室的服务程序,提高宾客满意程度。
2 范围 棋牌室 3 引用文件WHQB91-17 《健康中心服务过程控制程序》 4 服务规程4.1 流程图 领班服务员领班服务员服务员服务员 收银员服务员执行经理4.2 营业前准备 4.2.1 班前会班前会于营业前半小时,由领班主持召开。
领班检查员工到岗情况,对缺席、迟到者进行记录。
领班检查服务员的仪容仪表是否整齐、大方,检查服务员的个人卫生是否符合要求。
领班根据上一班的工作日志,指出需要注意的问题。
传达经理下达的班前会营业前准备 检 查迎 宾 征求意见 送 客 结 帐营业结束 汇 总 棋牌室服务 卫生清洁棋牌室服务规程编制:贾臣年第2页共3页审核:李万春任务。
安排服务员的工作内容。
4.2.2 卫生清洁服务员检查所在的岗位的卫生,包括地面、门、玻璃等,发现有污秽立即清除。
用干拖把拖地以保持地面干燥。
开启棋牌室内的照明、通风设备,整理好桌椅,如果遇到设备损坏,及时报告领班。
严格检查麻将等物品,注意其完整性和可使用性。
服务员摆放好已消毒的杯具,各类食品、打好开水,清点存货,补足不足的物品。
4.2.3 检查领班负责检查设施设备和维护保养情况及灯光照明设备是否完好安全,如有损坏,立即通知工程部进行修理。
检查棋牌室的走廊、门窗和包厢的卫生情况。
根据场所的使用情况,在满足客人的需求下,定时开启排风、空调,随时调节场所的灯光,控制电、汽、水的使用,减少不合理使用造成的能源浪费。
4.3 迎宾由服务员充当,热情的向客人问好,欢迎他们的光临,介绍棋牌室所提供的服务。
询问来宾的人数,合理安排包厢,并引导宾客进入合适的包厢。
4.4 棋牌室服务4.4.1 待客人入座后,服务员打开相应的设备,向客人介绍相应设备的使用方法,解答客人的疑问。
并请客人点选所需的茶水和食品。
4.4.2 服务员为顾客送上方巾,茶水和食品,并经常注意客人的需求,为顾客添加茶水,更换烟缸。
棋牌室操作服务流程一准备工作1.了解棋牌室入座情况及预定情况,掌握房态。
2.检查棋牌室的设备是否完好和正常使用(电视机、麻将机、落地灯、空调等)3.检查棋牌室的物资是否齐备,摆放是否规范。
(机麻、椅子、圆凳、落地灯、茶几、烟缸、纸巾盒、打火机、特别介绍牌、垃圾筒等)4.棋牌室的清洁卫生需达标:⑴地毯是否整洁,无污渍;⑵机麻是否整洁(要求麻将无污渍、不粘手);⑶茶几玻璃是否明亮、无灰尘异物;⑷沙发、椅子、圆凳是否整洁,无灰尘、无污渍;⑸电视机、落地灯无灰尘、无污渍;⑹房间内壁画、植物、以及墙面是否整洁。
5.服务台各类备用物资需准备齐备,并按规定摆放(筹码、开水壶、烟缸、打火机、纸巾、垃圾袋)。
检查自己的服务工具是否齐全(托盘、抹布、笔、出品单等)。
6.提前打好开水,如有客人预定了棋牌室,需提前打开房间的换气扇,并把空调调至合适的温度。
7.一切就绪后,到规定的位置以标准的站姿站位,准备迎接客人的到来。
二迎宾(3m微笑,1.5m鞠躬问好)1.当客人行至棋牌室门口时主动向客人鞠躬问候(您好!/晚上好!欢迎光临!)。
2.询问客人是否有预定(请问您有预定吗?)如有预定:礼貌询问客人姓名,与预定本上对照无误后引领客人至所定包房。
(伴以礼貌用语:几位请这边请!并做出引领手势)3.如客人无预定,需询问客人人数,给客人介绍棋牌室的类型及收费标准,并根据客人人数多少向客人推荐适合的棋牌室。
得到客人确认后,引领客人至房间(伴以礼貌用语:几位请这边请!并做出引领手势)。
三服务1.打开房间门,第一时间打开灯光,把空调调节到合适温度,请客人入座。
询问客人是否打开电视机(如打开电视机则立即把遥控板递给客人或放在茶几上)。
2.客人入座后首先询问客人是玩机麻还是纸牌。
若客人玩机麻,则立即接通机麻电源,打开机麻开关,揭开机麻上的红绒布和表面机盖,然后询问客人玩多少张数的麻将,根据客人要求把机麻调至相应的档数。
取出麻将放入麻将机内,先洗出一副,然后在放入第二副。
棋牌服务操作流程1、准备工作:要想营业工作顺利,准备工作就要准备得充足。
1)搞好、检查房间卫生,物品是否齐全、干净(牙签、筹码、烟盅、茶杯、热水壶等)2)清洗麻将、检查机器、电源3)向仓库领取必用品4)收银备好零钱2、迎接客人:看客人到来(如没咨客在的情况下)面带笑容,声音响亮,“欢迎光临,请问有订房了吗?好的,先生这边请”帮客打开房门3、开房:先开灯、空调、再开机(电视)询问客人需点哪种茶,有技巧地推销茶道(有茶艺师)再马上签开机时间(以北京时间为准)出门时不准背向客,先转身面向客后退三步轻轻把门带上,送热毛巾、送水果、送糖水4、服务中:加茶不能超过15分钟,3个烟头以上就要更换烟盅,酒水车和茶几台面上要抹干净(不能有烟灰)热水壶要保持有热水供应;如有服务灯亮了,马上过去,进房时先敲门(三声,一重二轻):您好!有什么可以帮到您?注意事项:如加茶的时候,客人的手机放在茶几上,那就要把茶杯拿起来放在托盘上加好再放回原位。
以免把水洒到客人的手机上,这是非常重要的一个细节。
5、点餐:给客人递上菜牌:先生这是我们的菜牌,您看喜欢吃什么?客人拿不定主意时介绍一些特色菜、拿手菜:这个不错,挺多人喜欢点的,不妨您也尝尝。
点餐时与客人距离保持在一米左右,点完时重复一遍菜单,如有所不清楚的地方,一定要问清楚,不能假听懂、明白,动作迅速送单给部长下单与报菜。
6客人用完餐后:咨询客人台面的餐是不是不需要,不需要就撤走,清理好台面卫生,保持干净。
7、过程中:派热毛巾时间为:日班:客人来派一次,每隔3个小时派一次,点餐前一次(其中可根据客人需求)夜班:(尤其跟进)12点(宵夜前)一次,凌晨每壹小时一次,早上交接班一次。
当中的茶水要勤快更换。
(冷、热)。
棋牌室服务操作流程一、工作准备(全体员工在例会开始前的准备工作)服务员准备客用的所有经过消毒的器具放于工作台,以便客人来时及时取用;吧台应准备相关的所有需用品;应摆放于台面的物品(如烟缸、台卡、纸巾、等)应整齐有序的置放于台面上;备齐娱乐用品,并擦拭干净,以便使用。
二、服务员站位(服务部员工的站姿规定)为迎接客人的到来,服务员在做完卫生后开始分区域站位,期间保持优美站姿,要求挺胸收腹,头正肩平,男生双手背于背后,女生双手交握,头发以前不过眉,后不过领,侧不过耳为要求。
三、迎宾(前台及迎宾接待的规定)客人来时应热情迎接,用姓氏称呼客人,“先生/女士,欢迎光临!”并迅速把客人引领到合适的座位,各服务员作好交接。
四、服务员接待服务客人:(服务部的员工要按照以下标准来做)礼貌招呼,热情主动。
为客人上香巾,点茶,小吃等;记住客人习惯、爱好及特殊要求,作好相关记录。
使用“请”、“您好”“打扰一下”、“谢谢”、“很乐意为您效劳”等礼貌用语。
五、吧台出茶、出果盘等:根据进货情况,吧台出茶时应检查茶有无质量问题,变质的茶各其它饮品不能冲泡。
六、服务员为客人取茶,并向客人展示所点的干茶。
七、为客人发茶发茶时注意应该先水后茶的冲泡,以及先茶后水的冲泡方法,以及冲泡器具的选用。
八、巡台服务包括客人如需点小吃、果盘等,应为客人热情推销。
执台期间应勤换烟缸,为客人续水,清洁台面等,保持客人饮茶的高雅环境。
九、买单客人叫买单时,到收银台为其打单,告诉客人消费数量,唱买唱收,如有找零请客人点清收好,客人如要发票,应让客人稍等,马上去收银处拿发票;如客人有打折卡的,应在打折完毕后将打折卡退还给客人。
十、送客要求服务员为客人拉椅,提醒客人带好随身物品,“请带好随身物品!”,并且送客人离开。
十一、恢复台面按规定收回娱乐用品等,杯具收回到工作间清洗,迅速摆好台面物品,检查周边清洁度,迎接下一批客人。
休息厅服务流程待岗—迎宾—带领—点单—服务灯—巡场—收位⏹待岗:以标准的服务站姿站立在指定位置,等待客人的前来⏹迎宾:当有客人进入自己区域时,主动向前迎接。
以15度鞠躬向前来客人致欢迎语⏹带领:询问客人一共几位,按实际数量指引客人到相应的位置上入座。
入座时,主动帮客人打开电视机,主动询问客人是否需要盖上毛巾(如需要主动帮可热盖上),。
⏹点单:以半蹲式蹲在客人的左方向,询问客人需要喝些什么和吃点什么水果。
并简单想客人介绍公司有的饮料和水果。
将客人需要的单点一一记录在便签本上,并仔细查看客人锁牌号码。
同时,向客人复述一遍客人所点的物品,确认无误。
离开时,向客人介绍电视遥控器、沙发调节器、牙签、棉签、纸巾、火机、服务灯的位置,最后提醒客人保管好自己的随身物品⏹服务灯:在待岗的情况下,时刻留意录入点服务灯是否有亮,如亮后快速走到相应的位置,先关闭服务灯,然后以半蹲式询问客人需要什么或则有什么可以帮助的!⏹巡场:当空闲的时间,最少15分钟对自己的区域巡查一遍,主要巡查内容为:查看茶几上的空杯、空碟,茶几的卫生状况,客人的物品是否外漏,设施设备是否正常运作,客人的动态。
⏹收位:当客人起身离开时,速度地走到客人面前,询问客人是否需要什么,如客人需要离开时,询问客人是否留位,不需要的话,致欢送语,并提醒客人带齐自己的随身物品。
客人走后,第一时间将位置收拾好,将沙发调回原来的位置,将毛巾以标准的方式铺上,将茶几上的卫生整理干净,将价目牌、电视机、电视遥控器、沙发调节器按标准摆放整齐。
完毕后,回到自己岗位待岗,迎接下一位客人。
⏹流程统一口述:先生/小姐您好,请问一共几位,这边请,请坐,请问需要盖上毛巾吗?请问需要喝点什么吃点什么水果?我们这里有…………,麻烦看以下您的锁牌号码,谢谢,您刚刚点了………请问还有其他需要吗?这里有电视遥控器、沙发调节器,这里有纸巾、棉签、牙签和火机,有什么需要请按服务灯,请稍等。
PS:介绍时,一定要附上指引手势。
Yi ya 棋牌室服务流程1、领位:(由迎宾代)宾客领上来时,询问是否有预订房间,。
服务用语:“先生/女士,(早、中、晚)好,你是否有预订房间?”1)如宾客已预定房间,将宾客领到房间,打开房门,请宾客进入。
服务用语:“×××房间,这边请或请跟我来”。
2)如宾客没有预订,则根据人数和需要和房间状况为宾客安排房间。
服务用语:“好的,请跟我来。
2、开房:确认房牌后为宾客安排好房间后,请宾客进入,征求意见,得到认可后为宾客先打开相应设备(如:电视、麻将机等),要询问宾客是用钟点房是全天。
服务用语:“先生/女士,这个房间可以吗?介绍房间收费标准。
3、推介:开启相应设备后介绍一下房间功能,推销商品,询问宾客来什么商品(饮品/茶/酒水)?并向宾客推荐正规按摩,解除一天工作的疲劳,需要按摩及时通知保健部。
推销方法:适当的推销是良好服务的体现,休息区和客房服务员在服务时应不遗余力的推销各种消费项目。
1)茶艺:为客人整理床铺时在没打麻将时主动推销茶艺:“先生/女士,我们有专业的茶艺师为您表演。
非常新颖在开牌前喝点茶,欣赏茶艺表演可以放松心情。
您需要吗?2)按摩:客人不用茶水或上茶水、饮料时主动推销按摩:“先生/女士,劳累一天了,需要按摩一下吗?”3)餐饮、商品和酒水:当客人在客房休息的时间比较长或遇饭口时,可选择时机,建议用餐或购买食品,并顺带推销酒水、饮料、果盘等(自助餐的食品不能免费带进房间享用)。
4)客房推销:虽然客人在棋牌室娱乐,但如果客人不满意娱乐环境或有更高需求时,应主动向客人介绍更好的客房。
5)推销时一定要把握时机和分寸,尽量利用每一次为客人提供服务的时机去推销,在推销时宾客可能出现不情愿的表情,要适可止并致歉,不能摔门而去,不能太勉强客人。
服务用语:“先生/女士,你们来点茶水还是饮料”、“如果需要用餐的话我们可以帮您送到房间,“工作劳累了一天,需要一个按摩师给您解除一下疲劳吗”、如果客人不知声继续介绍,“我们有足底按摩、全身保健按摩等(包括价格和时间),他们都非常专业和认真”客人说来一个,要询问客人帮哪种按摩手法,男/女按摩师(在男女宾都有时根据男/女宾人数招呼男女按摩师)。
棋牌室服务规程
一、服务员提前五分钟到岗,到服务台签到,将棋牌室检查清理一遍,擦拭桌面、坐椅,摆好棋牌,要将牌子的数量仔细检查。
二、接待宾客程序
(1)迎领服务
要求:宾客到来,认清迎接,询问人数,棋牌种类,引导宾客进入棋牌室,指导客人正确使用自动麻将台;做好宾客入室时间登记:应用语“您好,欢迎光临”;“请问您需要XX棋或者XX牌吗?”
(2)室内服务
要求:及时提供小方巾、茶水服务,适时更换小方巾、茶水、饮料,提供客人需要的服务;应用语:“请用毛巾”“这是饮料单,请问您需要什么饮料”。
(3)结帐服务
要求:根据进室登记时间,及出室时间,正确计算消费金额,同时检查地面有无烟头,烫损痕迹;应用语:“多谢,这是您的帐单”。
(4)送客服务
要求:感谢宾客光临,主动道别,应用语:“多谢光临,欢迎下次再来”。
宾客离去后迅速搞好室内卫生。
下班前检查门窗,检查室内烟头、火种,拔掉电源。
HR的春天里知识旗舰店牌室服务员工作程序1.每天上班前到X楼签到。
参加班前后例会,领钥匙,到XX楼开档。
2.到棋牌室后,现将热水器电源打开,接上前台电话线,把客梯门打开,搞卫生,准备迎接客人的到来,再把每间房门打开,并检查各房间内麻将及各种物品是否摆放整齐,检查各电源、灯泡、空调、抽风等是否正常,然后把桌球按要求摆好,并查看交班本情况,检查是否要补充什么。
3.以最短的时间完成上述准备工作后,等待客人的到来,若客人到来,服务员应热情主动上前迎接,并礼貌的询问客人:“先生,小姐您们好!请问是打麻将还是打桌球?”如果客人要打麻将则向客人详细介绍我们这里的收费标准;如客人中途要吃东西,可介绍本棋牌室食品供应情况,按客人所需写好出品单,准确无误的以最快速度将食品送到客人手中,也可根据客人需求在XX订餐部订餐。
4.在带客人入房之前,给客人讲解我们XX楼棋牌的工作性质。
比如客人有贵重物品,可交到前台保险箱代保管,并告诉客人本场所只提供娱乐消遣的时间和场地,请勿赌博,多谢合作。
5.带客人入房时,应事先礼貌的向客人说明各色筹码个数,绿色XX个/每人、黄色X个/每人、红色X个/每人;同时告知客人若有需要可打前台电话或按服务铃,服务员会随叫随到。
6.结账时若客人要求刷卡,则通知X楼收银,让其打单上来,若客人要求入房帐,则请客人出示“欢迎卡”并通知X楼收银打单上来,让客人签上房号和姓名,并及时打电话到帐务处核对是否可以入房帐。
7.当客人结账后,请迅速检查房间内一切物品是否安全。
8.下班时,拔掉热水电源前台电话线,并写好交班本,将每间房和卫生间收拾整洁,锁好门,关上电源,自查后方可离开。
9.最后将开档匙,交班本交回X楼主管,参加班后的例会,方可下班离开。
棋牌室服务流程一迎接客人客人由迎送岗服务员引导至棋牌区,服务员应主动热情地上前迎接,行鞠躬礼,微笑说:先生/女士,您好,欢迎光临!鼎族怡华在客人右前方二、三步处引导其进入棋牌室,遇台阶处或拐弯处,要指示客人前方地面作关心提示:小心台阶!小心拐角!棋牌室服务员服务等待时,应保持规范的站姿,保持安静。
随时准备接待工作。
服务员在引导客人的过程中要有礼貌地问询客人:先生/女士,您几位?在了解同行人数的情况下,报知前台。
用余光回顾后面客人是否跟上,并介绍清楚,收费标准。
二、进入接待进入房间后,迅速开灯,用手示意顾客(里面请)您看这里可以吗?熟悉打开麻将机电源开关,了解顾客打的是什么麻将,设置好,将两副牌洗好。
并示意顾客可以使用了。
对初来不会使用麻将机的顾客应仔细介绍麻将机的使用方法及注意事项,并给予示范。
三、点茶水接待工作完成后,礼貌咨询顾客需要喝什么茶水,将水牌双手递给顾客,并介绍茶水种类及消费详情。
准确默记每位顾客所点茶水及特别要求。
点好后将所点品种、数量复述一次。
(讲明我们可免费赠送2份水果,2份干果。
)礼貌询问:看哪位顾客的手牌,并请顾客签字确认,请稍等。
后退3步,退出房间关上门。
(跟顾客交谈时热情、大方、有礼貌)四、送茶水敲门3声您好服务员将茶水依次送到对应顾客旁,注意放茶杯时轻放。
并握住茶杯的杯身,切记勿握杯口。
结束后,你们好你们的茶水都上齐了,礼貌询问:看哪位顾客的手牌,并请顾客签字确认,谢谢!准备离开时,告知顾客,有需要其他服务请长按2秒服务铃。
(有时按的时间不够,前台接受不到,不能第一时间为您提供服务。
)后退3步,退出房间,关上门。
将单送至前台。
五、巡视服务顾客在消费期间,关注客人的动态,及增加茶水,更换烟缸。
维护棋牌室内卫生。
六、结账顾客消费结束后离开棋牌室。
提醒顾客带好手牌及随身物品,并协助检查。
以免顾客东西遗漏,给我们及顾客造成不便。
带至鞋吧或更衣室换鞋或衣服。
如果顾客需在房间内结账,应迅速到收银台打印好消费单,回到棋牌室。
棋牌室服务员岗位职责及工作程序1.部门康乐部棋牌室。
2.管理层级关系(1)直接上级。
棋牌室领班。
(2)协作人员。
康乐部清洁工、康乐部酒水员、康乐部收银员。
3.主要业务负责向棋牌室消费的客人提供接待服务工作。
4.素质要求(1)根据棋牌室工作服务规范和服务程序,为客人提供优质的接待服务。
(2)掌握并熟练使用棋牌室内的各种设备设施。
(3)为客人示范、讲解各种棋牌类游戏的操作方法和比赛记分规则。
(4)及时有效地处理棋牌室内发生各种意外、突发事件,并及时向自己的上级领导汇报。
(5)具有较强的饭店产品推销能力。
(6)具有较好的人际关系处理能力,能够妥善处理上下级之间的关系,善于处理与客人之间的关系,争取回头客。
5.岗位职责(1)熟悉棋牌室的服务特点和服务程序,具体负责棋牌室客人的接待服务工作。
(2)负责棋牌室的清洁卫生工作,在领班的督导下做好环境卫生和设备卫生工作,保持环境整洁,空气清新,符合质量标准。
(3)负责维护棋牌室内的设备设施正常运行,发现问题及时逐级上报。
(4)负责营业前的各项准备工作,每天按时准备好各项营业用品,如需补充,应及时申领,保证营业期间的供应。
(5)随时注意现场的活动情况,避免意外事故的出现。
(6)在客人活动休息期间为客人提供饮料和休闲食品以及其他服务。
(7)认真执行饭店的交接班制度,做好交接班工作记录。
6.工作器具托盘、抹布、服务巾、记号笔、圆珠笔、登记表、酒水订单簿、简单的维护工具及用具。
7.工作内容(1)按时到岗,整理好自身的仪容仪表。
(2)参加班前会,了解当日工作任务和具体的工作分工。
(3)清洁本服务区域内环境卫生。
(4)准备好营业期间所需服务用具和清洁用品。
(5)营业前应将温度调控在18—20℃,湿度在50%一60%间。
(6)将营业时间、客人须知、价格表等以中英文对照书写,置于明显位置。
(7)清洁整理棋牌室的场地卫生。
(8)将各种用品、座椅归类摆放整齐,布局合理。
(9)检查棋牌室内的设备设施运转状况是否良好。
酒店球类、棋牌室服务工作流程流程具体内容及程序
工作前准备(1)上岗前做自我检查,做到仪容仪表端庄整洁,符合要求。
(2)清洁设施设备及工作场所的卫生,保证符合酒店的卫生标准和要求。
(3)配齐各球场和棋牌室各种营业用品和客用出租用品。
(4)查阅交接班簿,了解宾客预订情况及工作情况,并将所需送洗的布草送洗衣房。
(5)上岗时,站姿端正,精神饱满,符合《员工手册》要求。
迎接客人(1)面带微笑,主动招呼客人,并询问客人是否有预订。
(2)征询客人意见,并引领客人至活动场所,指点需换衣的更衣室和办理有关物品、更衣箱的租借手续。
保龄球服务(1)为客人办好活动手续,提醒客人换上保龄球专用球鞋及袜子。
(2)客人换好鞋后,引领客人至指定球道,打开电脑显示器,向宾客介绍活动规则和活动须知。
(3)客人选球时,要耐心向客人介绍球的重量,并向客人推荐。
(4)客人活动期间,服务员要主动征询客人意见,根据客人要求及时提供饮料、茶水服务。
(5)应客人要求陪打时,应注意发扬风格,礼让在先,对客人理想的得分,应鼓掌致意。
(6)客人休息间隙,及时为客人提供所需饮料和毛巾。
(7)客人活动结束,应准确为客人结帐。
网球服务(1)客人挥拍打网球时,应端正站立于一旁,并提供捡球服务。
(2)客人要求陪打时,要认真发挥自己的球艺,视客人的球艺控制输赢,以提高客人兴趣。
(3)客人休息时,应及时递上毛巾,随时听候客人吩咐,做好小服务。
(4)客人打球结束,主动征求客人意见,如需淋浴应引领至淋浴室,并备
好浴巾和拖鞋。
(5)客人更衣完毕,准确为客人结帐,并收回更衣箱钥匙和租借物品。
壁球、乒乓球服
务(1)待客人办好活动手续,应打开照明灯,为宾客准备好球和球拍。
(2)根据客人的要求,服务员应准确提供客人所需的陪打等服务。
(3)客人无陪打要求时,应站在指定服务位置,随时听候客人吩咐,并主动征询客人意见,及时提供毛巾、饮料、茶水等服务。
(4)客人活动结束后,应准确为客人结帐,并收回客人租借的球和球拍。
高尔夫球服务(1)客人办好活动手续,应打开照明灯,为宾客准备好球杆和球。
(2)引导客人进入球场,根据客人要求,准确提供所需的各种服务。
(3)客人打球时,应站在指定服务位置,随时听候客人吩咐,并主动征询客人意见,及时提供毛巾、饮料、茶水等服务。
(4)客人活动结束后,准确为客人结帐,并收回客人租借的球和球杆。
台球服务(1)客人办好活动手续,引领客人至指定球桌,打开照明灯,为宾客准备好球和球棒。
(2)根据客人要求,应准确提供客人所需的陪打、记分等服务。
(3)客人无陪打要求时,应站在指定服务位置,随时听候客人吩咐,并主动征询客人意见,及时提供毛巾、饮料、茶水等服务。
(4)客人活动结束后,应准确为客人结帐。
棋牌室服务(1)客人办好活动手续,应引领客人至指定台桌入座,并送上小毛巾,为宾客准备好所需的棋或牌。
(2)根据客人的服务要求,正确提供客人所需的棋牌服务和饮料、茶水服务。
(3)客人在玩棋牌时,应退出房间,站在适当的位置,随时听候客人的吩咐。
(4)客人活动期间,服务员应每隔15分钟进房巡视一遍,根据客人需要添加饮料和茶水。
(5)客人活动结束后,应准确为客人结帐,并收回客人租借的棋牌。
送别(1)礼貌向宾客道别并送客至门口,欢迎再次光临。
客人(2)迅速清洁、整理客人使用过的场地及设施设备,做好再次迎客的准备。
球类活动宾客须知(1)球类项目营业时间为每天上午××至晚上××。
(2)预约的客人及持会员卡的客人优先。
(3)敬请谅解,请勿自带饮料和食品。
(4)敬请谅解,如由于个人原因损坏了球场内的设施设备和球具,当事人应按价赔偿。
(5)请妥善保管私人的财物,如有遗失,酒店概不负责。
棋牌活动宾客须知(1)棋牌室营业时间为每天上午××至晚上××。
(2)预约的客人及持会员卡的客人优先。
(3)请遵守治安管理部门的规定,禁止赌博行为。
(4)敬请谅解,请勿自带饮料和食品。
(5)还请谅解,如由于个人原因损坏了室内设备和器具,当事人应按价赔偿。