汽车修理工高级技师操作技能评分记录表
- 格式:doc
- 大小:59.00 KB
- 文档页数:3
考件编号: 姓名: 准考证号: 单位:试题 蜗杆套轴组合评分说明:(1)偏心蜗杆1:10 锥体小端允许钻中心孔。
(2)不允许用成型刀加工 , 发现违反规定者扣单件总分的三分之一。
(3)件 1 件 2 锥面配研 , 接触面不小于 75% 得满分 , 接触面 60% 扣一半分 , 接触面 60%以下不得分。
(4) 尺寸公差超差不得分。
(5) 队对接触面 60% 以下、的配合件 , 端面间隙分全扣。
(6)件 1 件 2 加工后不能装人者 , 扣件 1 的φ26021.00+ 和φ38025.0041.0++的尺寸分。
(7)未注公差尺寸按 IT12 加工和检查。
件1.偏心蜗杆考核项目考件编号:姓名:准考证号:单位:蜗杆套轴考核项目考件编号:姓名:准考证号:单位:配分与评分标准按照国家职业标准要求,在对技师、高级技师进行职业技能鉴定时,还需进行综合评审,其中考生需总结自已工作和研究成果,撰写论文(或技术总结)并进行答辩。
职业技能鉴定论文(技术总结)答辩是指:由考生本人撰写能够反映本人能力水平的论文(技术总结),主要内容可选择下列内容之一:相关职业技能的研究或实践,技术创新与技术成果等方面。
并能以科学准确的语言就该论文(技术总结)为主的内容进行答辩。
考核要求:一、论文(技术总结)写作(1)选题具有科学性、先进性和推广应用价值。
(2)结构合理、层次清楚,文字(含图样等)表述准确通顺,字数不少于两千字。
(3)内容充实不空洞,论点正确,论据充分有效。
二、论文(技术总结)答辩(1)答辩内容正确,叙述充分合理。
(2)表达准确,语言简洁流畅。
(3)答辩总时间:30分钟考件编号:姓名:准考证号:单位:。
高级汽车维修工操作评分表职业技能鉴定汽车维修工(高级)操作技能考核评分记录表考生姓名:准考证号:工作单位题1:夏利TJ7100型轿车后桥主减速器检修。
准备要求:1、夏利TJ7100型轿车后桥主减速器1个;2、带座百分表、弹簧秤、常用拆装工具各1个;3、红丹油、润滑脂。
考核要求:1、正确地装配主减速器;2、装配调整符合标准。
配分、评分标准:评分人:年月日核对人:年月日技术标准:1、万向节突缘锁紧螺母拧紧力矩为170-230N〃m,从动锥齿轮紧固螺栓拧紧力矩为80-90 N〃m,轴瓦固定螺栓拧紧力矩为30-37 N〃m。
2、主动锥齿轮预紧后,均匀转动力矩为0.7-1.3 N〃m;3、主被动锥齿轮总的预紧力为1.1-2.1 N〃m;4、主被动锥齿轮啮合间隙为0.10-0.15mm;5、啮合印痕符合标准。
题2:桑塔纳LX型轿车化油器。
准备要求:1、桑塔纳LX型轿车1辆,常用拆装工具1套,化油器清洗剂1桶。
考核要求:1、操作并讲解桑塔纳LX型轿车化油器的检修调整工艺和技术标准。
2、讲解该化油器的工作原理。
配分、评分标准:评分人:年月日核对人:年月日技术标准:1、节气门和阻风门开启灵活,开度足够,油面正常。
题3:解放CA1091型载货汽车前轮轮毂螺栓测绘。
准备要求:1、解放CA1091型载货汽车前轮轮毂螺栓1个;2、游标卡尺,绘图仪具1套,4号图纸一张。
考核要求:1、能正确测绘前轮轮毂螺栓;2、绘制的零件图正确无误,尺寸标注正确,形位误差和表面配分、评分标准:评分人:年月日核对人:年月日技术标准:。
高级汽车维修工操作技能评分表
科目:发动机气缸磨损程度与圆度、圆柱度的检测及其修理尺寸的确定时间:30min
考评员签字:核分人签字:
考评员签字:核分人签字:
年月日年月日
高级汽车维修工操作技能评分表
科目:EQ1090或CA1091汽车大修后怠速污染物的检测及调整时间:40min
考评员签字:核分人签字:
时间:65min
科目:汽车零件草图测绘
年月日年月日
高级汽车维修工操作技能评分表
科目:CA1091汽车发动机气缸早期磨损的原因与诊断时间:40min
考评员签字:核分人签字:
年月日年月日。
考件编号: 姓名: 准考证号:单位:考件编号: 姓名: 准考证号:单位:试题1、选配发动机连杆轴承考件编号: 姓名: 准考证号:单位:评分人:年月日核分人: 年月日考件编号: 姓名: 准考证号:单位:试题2、自动变速器行星齿轮组检修考件编号: 姓名: 准考证号:单位:评分人:年月日核分人:年月日考件编号: 姓名: 准考证号:单位:试题3、变速器总成的装配考件编号: 姓名: 准考证号:单位:评分人: 年月日核分人:年月日考件编号: 姓名: 准考证号:单位:试题4、检修制动阀总成考件编号: 姓名: 准考证号:单位:评分人:年月日核分人:年月日考件编号: 姓名: 准考证号:单位:试题5、检修霍尔式点火系考件编号: 姓名: 准考证号:单位:评分人:年月日核分人:年月日考件编号: 姓名: 准考证号:单位:试题6、差速器的检查与组装考件编号: 姓名: 准考证号:单位:评分人:年月日核分人:年月日考件编号: 姓名: 准考证号:单位:试题7、自动变速箱液压泵的检修考件编号: 姓名: 准考证号:单位:评分人:年月日核分人:年月日考件编号: 姓名: 准考证号:单位:试题8、变速器零件检修考件编号: 姓名: 准考证号:单位:考件编号: 姓名: 准考证号:单位:评分人: 年月日核分人:年月日考件编号: 姓名: 准考证号:单位:试题9、检修发电机考件编号: 姓名: 准考证号:单位:评分人:年月日核分人: 年月日考件编号: 姓名: 准考证号:单位:试题10、电喷发动机氧传感器工作状况的检查考件编号: 姓名: 准考证号:单位:评分人:年月日核分人:年月日考件编号: 姓名: 准考证号:单位:试题11、主减速器的检修考件编号: 姓名: 准考证号:单位:评分人:年月日核分人:年月日考件编号: 姓名: 准考证号:单位:试题12、计算汽缸镗削量、选配活塞考件编号: 姓名: 准考证号:单位:评分人:年月日核分人: 年月日考件编号: 姓名: 准考证号:单位:试题13、柴油车喷油器的检查与调整考件编号: 姓名: 准考证号:单位:评分人:年月日核分人:年月日考件编号: 姓名: 准考证号:单位:试题14、检修气门液压挺杆考件编号: 姓名: 准考证号:单位:评分人:年月日核分人:年月日考件编号: 姓名: 准考证号:单位:试题15、在没有记号的情况下安装发动机正时齿轮考件编号: 姓名: 准考证号:单位:评分人:年月日核分人: 年月日考件编号: 姓名: 准考证号:单位:试题16、电喷发动机冷启动不良的检修考件编号: 姓名: 准考证号:单位:评分人:年月日核分人:年月日考件编号: 姓名: 准考证号:单位:试题17、连杆轴承异响的诊断与排除考件编号: 姓名: 准考证号:单位:评分人: 年月日核分人:年月日考件编号: 姓名: 准考证号:单位:试题18、变速器轴承、齿轮异响的诊断考件编号: 姓名: 准考证号:单位:评分人: 年月日核分人: 年月日考件编号: 姓名: 准考证号:单位:试题19、汽油发动机油、电路混合故障的排除考件编号: 姓名: 准考证号:单位:评分人:年月日核分人: 年月日考件编号: 姓名: 准考证号:单位:试题20、变速器跳挡故障的诊断考件编号: 姓名: 准考证号:单位:评分人:年月日核分人: 年月日考件编号: 姓名: 准考证号:单位:试题21、汽车轮胎异常磨损的判断和分析评分人:年月日核分人:年月日考件编号: 姓名: 准考证号:单位:试题22、汽车行驶跑偏的检修考件编号: 姓名: 准考证号:单位:评分人:年月日核分人:年月日考件编号: 姓名: 准考证号:单位:试题23、柴油发动机排烟异常的诊断考件编号: 姓名: 准考证号:单位:评分人:年月日核分人:年月日考件编号: 姓名: 准考证号:单位:试题24、曲轴主轴承异响的诊断与排除考件编号: 姓名: 准考证号:单位:评分人:年月日核分人:年月日考件编号: 姓名: 准考证号:单位:试题25、发动机活塞敲缸响的判断分析。
汽车修理工高级2012年北京市第三届技能大赛初赛汽车维修工实操技能发动机缸体测量
选手一:选手一:选手一:组号:白比赛开始时间:时分比赛结束时间:时分操作用时:白
试题1选手自带测量工具,包括工具的正确使用以及发动机缸体的准确测量。
(1)、本题分值:100分。
(2)、考试时间:15分钟。
(3)、本试题为实操题
(4)、考生应在试题和答卷上写上自己的姓名、组号,在考试结束后,将试题和答卷一并交给监考老师。
(5)、考生根据试题提示,合理安排工序,严密进行分工,完成测量工作
(6)、发生下列情况之一,监考老师将中止考试,考生该题成绩记为零分。
①、考生在操作中有严重违章操作的行为;
②、考生在比赛过程不遵守考场纪律,不听从统一安排;
③、辅导老师不遵守考场纪律,扰乱考场秩序;
④、部分团队成员中途放弃比赛。
技师操作技能考核评分记录表
考件编号:姓名:准考证号:单位:
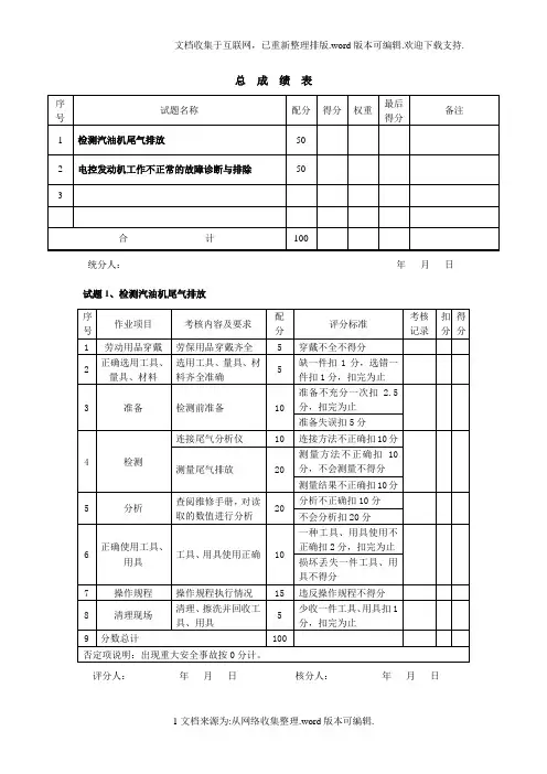
总成绩表
统分人:年月日汽车修理工高级技师操作技能考核评分记录表
考件编号:姓名:准考证号:单位:
考评员签名:年月日汽车修理工高级技师操作技能考核评分记录表
考件编号:姓名:准考证号:单位:
考评员签名:年月日
汽车修理工高级技师操作技能考核评分记录表
考件编号:姓名:准考证号:单位:
考评员签名:年月日。