钢筋工技师操作技能考核评分记录表
- 格式:docx
- 大小:60.88 KB
- 文档页数:12
考件编号: 姓名: 准考证号:单位:
评分说明
1、考核采用百分制,单项考核结束后按《评分记录表》进行评分。
2、评分方法:评分应由至少3名考评员独立评分,最后取所有考评员的评
分的算术平均值。
总成绩表
统分人:年月日
考件编号: 姓名: 准考证号:单位:
评分人:核分人:年月日
考件编号: 姓名: 准考证号:单位:
职业技能鉴定论文(技术总结)答辩
配分与评分标准
按照国家职业标准要求,在对技师、高级技师进行职业技能鉴定时,还需进行综合评审,其中考生需总结自已工作和研究成果,撰写论文(或技术总结)并进行答辩。
职业技能鉴定论文(技术总结)答辩是指:由考生本人撰写能够反映本人能力水平的论文(技术总结),主要内容可选择下列内容之一:相关职业技能的研究或实践,技术创新与技术成果等方面。
并能以科学准确的语言就该论文(技术总结)为主的内容进行答辩。
考核要求:
一、论文(技术总结)写作
(1)选题具有科学性、先进性和推广应用价值。
(2)结构合理、层次清楚,文字(含图样等)表述准确通顺,字数不少于两千字。
(3)内容充实不空洞,论点正确,论据充分有效。
二、论文(技术总结)答辩
(1)答辩内容正确,叙述充分合理。
(2)表达准确,语言简洁流畅。
(3)答辩总时间:30分钟
考件编号: 姓名: 准考证号:单位:
职业技能鉴定论文(技术总结)初评表。
考件编号: 姓名: 准考证号:单位:
评分说明
1、考核采用百分制,单项考核结束后按《评分记录表》进行评分。
2、评分方法:评分应由至少3名考评员独立评分,最后取所有考评员的评分的算术平均值。
总成绩表
合计
统分人:年月日
考件编号: 姓名: 准考证号:单位:试题一:耐热钢小径管V形坡口对接水平固定TIG焊
(1)缝出现裂纹、未熔合。
(2)焊缝操作时任意更改焊件位置。
(3)焊缝原始表面破坏。
(4)操作时间超过定额的50%。
考件编号: 姓名: 准考证号:单位:试题二:板材试件底片焊缝缺陷的识别
考核名称:板材焊条电弧焊X射线底片缺陷的识别
试题三:焊丝消耗定额的制定
1、计算出焊缝截面积得5分;
2、代入各数字单位正确得3分;
3、答案正确得2分。
试题四:V形坡口不锈钢管材对接的焊接工艺制订
焊接工艺评分标准:
考件编号: 姓名: 准考证号:单位:。
试验室试验人员操作技能考核评分记录表(钢筋)工作单位:考生姓名:准考证:
试验室试验人员操作技能考核评分记录表的说明
一、实际操作考核按100分计。
二、问答题占总分数的30%;实际操作占总分数的70%。
三、全部问答题存于题库中,分为水泥、钢筋、混凝土三大类,考生在题库中任意抽取
三道题回答。
四、问答题每题的评分标准为正确10分;基本正确8分;一般6分;不清楚0
分。
五、实际操作:
①试验前准备20分:正确20分;基本正确16分;一般12分;不清楚0分。
②试验操作30分:正确30分;基本正确24分;一般18分;不清楚0分。
③试验结果计算20分:正确20分;基本正确16分;一般12分;不清楚0
分。
第1页共3页【新版】职业技能等级认定统一试卷钢筋工技能等级认定三级技能考核评分表总成绩表序号模块名称配分得分权重最后得分备注1钢筋下料10030%2钢筋绑扎10060%3答辩10010%合计统分人:年月日模块一:钢筋下料序号评分项目应得分考核要求评分方法(每项扣完为止)实得分1钢筋简图(形状、尺寸)30符合设计、规范要求每种类型的钢筋形状与尺寸占3分,其中一项不正确扣1.5分。
钢筋编号不正确不得分。
2钢筋直径10符合设计、规范要求每错一处扣1分。
3钢筋规格10符合设计要求每错一处扣1分。
4钢筋下料长度30符合设计、规范要求每种钢筋占3分,不正确不得分。
5每件根数15符合设计、规范要求每种占1.5分,根数有误者不得分。
6卷面清晰5字迹、图示清楚规范酌情扣分。
合计100分评分人:年月日核分人:年月日姓名:准考证号:单位:………………………………………………………装…………………………订……………………………线…………………………………………………………………第2页共3页模块二:钢筋绑扎评分人:年月日核分人:年月日序号评分项目应得分评分方法实测点实得分123451骨架的宽度10允许偏差±5mm ,错一个扣2分,扣完为止。
2骨架的高度10允许偏差±5mm ,错一个扣2分,扣完为止。
3骨架的长度10允许偏差±10mm ,错一个扣2分,扣完为止。
4受力筋间距10允许偏差±10mm ,错一个扣2分,扣完为止。
5箍筋间距10允许偏差±20mm ,错一个扣2分,扣完为止。
6受力筋排距10允许偏差±5mm ,错一个扣2分,扣完为止。
7绑扎操作法、松紧、漏扎程度10松动超20%扣4分;超10%扣2分;绑扎操作法不正确每处扣1分;漏扎每处扣1分,至此项不得分。
8箍筋加密(位置、区域、数量)10箍筋加密位置错一处扣1分,箍筋加密区域错一处扣1分,箍筋加密数量错一个扣1分,至此项不得分。
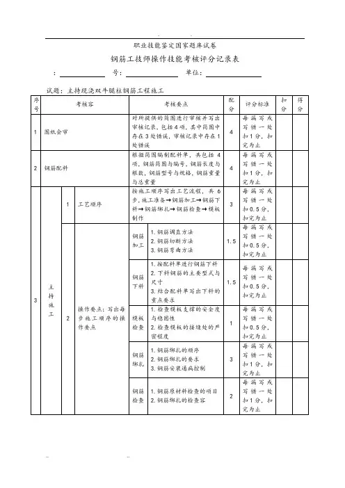
职业技能鉴定国家题库试卷
钢筋工技师操作技能考核试卷A
:号:单位:——————————————封———————装——————线————————————
试题:主持现浇双牛腿柱钢筋工程施工
(1)本题分值:100分
(2)考核时间:150min
(3)考核形式:笔试
(4)具体考核要求:
①根据双牛腿柱设计图纸所示,进行图纸审核和配料单审核,并编写主持施工的具体方案,主要容应包括:成本分析与技术指导、新技术创新等。
②字迹工整、图形清晰、标示准确,术语、参数、符号使用正确无误。
双牛腿柱设计图纸
1-1
12
5
6
3-34-4
2-2
30mm。
30mm。
图1钢筋连接采用直螺纹
套管连接。
(一)图纸审核(填入图纸会审记录表)
钢筋工程名称:会审日期:年月日
(二)审核配料单
提示:
1.常用钢筋材料理论重量及价格
2.常用钢筋机械台班单价
3.常用钢筋工程工效定额
4.现浇钢筋工程计算钢筋用量时应考虑增加3%损耗。
5.本钢筋工程中的φ20筋采用直螺纹机械连接,两个牛腿柱共用16个套筒。
6.两个牛腿柱组织两段流水施工,每段3~4人,计划用5~6天完成。
7.本钢筋工程混凝土保护层采用塑料定位卡1个/米。
8.本钢筋工程全部采用HRB400新Ⅲ级钢筋。
(三)主持施工(现浇双牛腿柱钢筋工程)。
土建施工技术工人职业技能标准5、1钢筋工5、1、1 初级钢筋工应具备表5、1、1—1规定得理论知识与表5、1、1-2规定得操作技能。
表5、1、1-1 初级钢筋工应具备得理论知识表5、1、1-2初级预应力工应具备得操作技能5、1、2中级钢筋工应具备表5、1、2—1规定得理论知识与表5、1、2—2规定得操作技能.表5、1、2-1 中级钢筋工应具备得理论知识表5、1、2—2中级预应力应具备得操作技能5、1、3中级钢筋工应具备表5、1、3-1规定得理论知识与表5、1、3-2规定得操作技能。
表5、1、3-1 高级钢筋工应具备得理论知识表5、1、3-2 高级钢筋工应具备得操作技能5、1、4钢筋工技师应具备表5、1、4-1规定得理论知识与表5、1、4-2规定得操作技能。
表5、1、4-1钢筋工技师应具备得理论知识表5、1、4-2 钢筋工技师应具备得操作技能5、1、5 钢筋工高级技师应具备表5、1、5-1规定得理论知识与表5、1、5—2规定得操作技能。
表5、1、5-1钢筋工高级技师应具备得理论知识表5、1、5-2 预应力工高级技师应具备得操作技能.5、1、6 初级钢筋工理论知识鉴定得内容与权重应符合表5、1、6-1得规定,专业技能鉴定得内容与权重应符合表5、1、6-2得规定。
表5、1、6—1 初级钢筋工理论知识鉴定得内容与权重表表5、1、6—2 初级钢筋工操作技能鉴定得内容与权重表5、1、7中级钢筋工理论知识鉴定得内容与权重应符合表5、1、7—1得规定,专业技能鉴定得内容与权重应符合表5、1、7-2得规定。
表5、1、7-1 中级钢筋工理论知识鉴定得内容与权重表表5、1、7—2中级钢筋工操作技能鉴定得内容与权重表5、1、8高级钢筋工理论知识鉴定得内容与权重应符合表5、1、8-1得规定,专业技能鉴定得内容与权重应符合表5、1、8-2得规定。
表5、1、8-1 高级钢筋工理论知识鉴定得内容与权重表表5、1、8-2 高级钢筋工操作技能鉴定得内容与权重表5、1、9 钢筋工技师理论知识鉴定得内容与权重应符合表5、1、9-1得规定,专业技能鉴定得内容与权重应符合表5、1、9—2得规定。
职业技能鉴定国家题库试卷钢筋工技师操作技能考核评分记录表:号:单位:评分人:年月日核分人:年月日附:参考答案(一)图纸审核钢筋工程名称:会审日期:年月日(三)主持施工(现浇双牛腿柱钢筋工程)1.工程概况钢筋混凝土工字型双牛腿工字计算高度为8160mm,工字型截面尺寸为600×400mm,外出牛腿分别为400×2100mm,400×400mm,钢筋保护层为30m,混凝土标号C30。
2.工艺顺序按流程图表示:施工准备→钢筋加工→钢筋下料→钢筋绑扎→钢筋检查→模板制作3.操作要点3.1钢筋加工:φ6~φ10钢筋采用调直机调直、切断机切断、弯曲机弯曲成型。
φ20钢筋采用人工调直,切断机切断,弯曲机弯曲成型。
3.2钢筋下料按照《配料单》进行钢筋加工,计算,使用卡盘钢筋扳手弯曲成型。
3.3钢筋绑扎:先搭设脚手架,然后开始钢筋安装。
先竖柱筋①号4φ20,绑扎柱箍筋,再绑扎大牛腿。
④号2φ8筋,变形箍筋。
⑤号2φ8筋,再帮扎小牛腿及柱上部箍筋。
绑扎时采用2#铁丝双股十字花扣,2~4匝,外露长度为30mm。
3.4钢筋检查按照规要求检查钢筋原材料、规格、间距、角度及形状。
3.5模板检查:按照“三检制”要求上道工序要对下道工序负责,必须检查模板支撑是否牢固,模板是否严密,板角是否完平整。
4.使用机具4.1机械:钢筋调直机、钢筋弯曲机、钢筋切断机、套筒加工机4.2工具:粉笔、钢筋钩子、操作台(架)、卡盘、扳手5.使用材料6.质量要求及检查方法(1)原材料①主控项目钢筋进场时,应按现行国家规标准《钢筋混凝土用热轧带肋钢筋》GB1499等的规定抽取试件做力学性能试验,其质量必须符合有关标准的规定。
检查数量:按进场的批次和产品的抽样检验方案确定。
检验方法:检查产品合格证、出场检验报告和进场复验报告。
②一般项目钢筋应平直、无损伤,表面不得有裂纹、油污、颗粒状或片状老锈。
检查数量:进场时和使用前全数检查。
配筋表评分标准(试题1)
参赛队伍:姓名:工位号:出胸卡号:
开始时间:结束时间:成绩:
本项目分数为40分
说明:
梁的保护层厚度取25mm,柱的保护层厚度取30mm。
混凝土强度C30,抗震等级为三级。
构造按平法03G101-1相关规定。
1.本考核项目总分为40分。
工效分为加分。
2.配料单要求书写规范,清楚,不得涂改。
如有上述情况,可在总分外酌情扣分。
2.每一项得分最少为零分,不倒扣分。
3.计算误差按混凝土结构工程施工质量验收规范(GB50204-2002)要求,在允许误差范
围内,不扣分,反之则扣分。
裁判员签字:
钢筋绑扎评分标准(试题2)
参赛队伍:姓名:工位号:胸卡号:开始时间:结束时间:成绩:
本项目分数为60分
说明:
1.本考核项目总分为60分。
2.每一项得分最少为零分,不倒扣分。
4.“按规范规定”是指按《混凝土结构工程施工质量验收规范》GB50204—2002,第5部分“钢筋分项工程”有关规定。
裁判员签字:。
附件二:“北京市建筑青年能工巧匠”评选活动考评标准钢筋工考评标准一、命题依据:1、国家标准、北京市地方标准中钢筋分项工程部分。
2、建设部土木建筑职业技能岗位培训教材《钢筋工》。
3、国家职业标准《钢筋工》。
4、《北京市建筑工程施工安全操作规程》。
二、理论知识要求:1、看懂钢筋混凝土施工图,并能审核图纸;2、常用钢筋品种、规格、性能;3、编制钢筋配料单、预应力钢筋的配料计算和施工工艺,技术质量的检测标准和有关原始记录;4、各种钢筋的化学成分,焊接的技术质量要求和冷加工后的技术质量标准;5、钢筋绑扎的技术质量标准;6、各种预应力作业的基本知识和操作方法;7、各种钢筋加工机械和焊接机械的性能与选用;8、较大规模钢筋加工工艺流程;9、预防和处理本工种施工质量和安全事故的方法。
三、技能操作要求:1、放一般钢筋混凝土结构及特殊钢筋混凝土结构大样图和编制钢筋配料单;2、各种钢筋混凝土结构中钢筋的配制和绑扎,并按照规定要求做有关记录和检查评定钢筋工程质量;3、掌握一般预应力混凝土工程的全部张拉工艺操作;4、钢筋工程质量检测、校正;5、按图计算工料;6、推广和应用新技术、新工艺、新材料和新设备;四、实操考核项目:现场绑扎一个“休息平台”。
根据给定的施工图编制钢筋配料单。
并加工安装绑扎,要求如下:焊工考评标准一、命题依据:1、钢结构施工验收规范 GB50205——20012、建筑钢结构焊接技术规程 JGJ81——20023、中国劳动出版社《职业技能鉴定教材》和《职业技能鉴定指导》之“电焊工”(初级、中级、高级)。
二、理论考核内容:1、《职业技能鉴定教材》电焊工(初级、中级、高级)中第十五章金属学及热处理基本知识第十六章焊工、电工基础知识第十七章焊接电弧及焊接冶金知识第十八章焊接工艺及设备第十九章常用金属材料焊接知识第二十章焊接应力和变形第二十二章焊接检验知识第二十六章焊接接头试验方法第二十七章异种金属焊接知识第二十八章异种金属结构的焊接知识钢结构施工验收规范,焊接技术规程中有关焊接的章节2、《职业技能鉴定指导》电焊工(初级、中级、高级)中级工、高级工参考题。
钢筋工技师操作技能考核试卷a
钢筋工技师操作技艺考核试卷A
姓名:准考证号:单位:——————————————封———————装——————线————————————
试题:掌管现浇双牛腿柱钢筋工程施工
〔1〕此题分值:100分
〔2〕考核时间:150min
〔3〕考核方式:口试
〔4〕详细考核要求:
①依据双牛腿柱设计图纸所示,停止图纸审核和配料单审核,并编写掌管施工的详细方案,主要内容应包括:本钱剖析与技术指点、新技术创新等。
②字迹工整、图形明晰、标示准确,术语、参数、符号运用正确无误。
双牛腿柱设计图纸
1-1
12
5
3-34-4
2-2
30mm。
30mm。
图1钢筋连接采用直螺纹
套管连接。
〔一〕图纸审核〔填入图纸会审记载表〕
〔二〕审核配料单
提示:
4.现浇钢筋工程计算钢筋用量时应思索添加3%损耗。
5.本钢筋工程中的φ20筋采用直螺纹机械衔接,两个牛腿柱共用16个套筒。
6.两个牛腿柱组织两段流水施工,每段3~4人,方案用5~6天完成。
7.本钢筋工程混凝土维护层采用塑料定位卡1个/米。
8.本钢筋工程全部采用HRB400新Ⅲ级钢筋。
〔三〕掌管施工〔现浇双牛腿柱钢筋工程〕。
职业技能鉴定国家题库试卷
钢筋工技师操作技能考核评分记录表姓名:准考证号:单位:
评分人:年月日核分人:年月日
附:参考答案
(一)图纸审核
钢筋工程名称:会审日期:年月日
(三)主持施工(现浇双牛腿柱钢筋工程)
1.工程概况
钢筋混凝土工字型双牛腿工字计算高度为8160mm,工字型截面尺寸为600×400mm,外出牛腿分别为400×2100mm,400×400mm,钢筋保护层为30m,混凝土标号C30。
2.工艺顺序
按流程图表示:
施工准备→钢筋加工→钢筋下料→钢筋绑扎→钢筋检查→模板制作
3.操作要点
3.1钢筋加工:φ6~φ10钢筋采用调直机调直、切断机切断、弯曲机弯曲成型。
φ20钢筋采用人工调直,切断机切断,弯曲机弯曲成型。
3.2钢筋下料
按照《配料单》进行钢筋加工,计算,使用卡盘钢筋扳手弯曲成型。
3.3钢筋绑扎:
先搭设脚手架,然后开始钢筋安装。
先竖柱筋①号4φ20,绑扎柱箍筋,再绑扎大牛腿。
④号2φ8筋,变形箍筋。
⑤号2φ8筋,再帮扎小牛腿及柱上部箍筋。
绑扎时采用2#铁丝双股十字花扣,2~4匝,外露长度为30mm。
3.4钢筋检查
按照规范要求检查钢筋原材料、规格、间距、角度及形状。
3.5模板检查:按照“三检制”要求上道工序要对下道工序负责,必须检查模板支撑是否牢固,模板是否严密,板角是否完平整。
4.使用机具
4.1机械:钢筋调直机、钢筋弯曲机、钢筋切断机、套筒加工机
4.2工具:粉笔、钢筋钩子、操作台(架)、卡盘、扳手
5.使用材料
6.质量要求及检查方法
(1)原材料
①主控项目
钢筋进场时,应按现行国家规范标准《钢筋混凝土用热轧带肋钢筋》GB1499等的规定抽取试件做力学性能试验,其质量必须符合有关标准的规定。
检查数量:按进场的批次和产品的抽样检验方案确定。
检验方法:检查产品合格证、出场检验报告和进场复验报告。
②一般项目
钢筋应平直、无损伤,表面不得有裂纹、油污、颗粒状或片状老锈。
检查数量:进场时和使用前全数检查。
检验方法:观察。
(2)钢筋加工
①主控项目
1)HPB235级钢筋末端应作180°弯钩,弯弧内直径≥2.5d,弯钩弯后平直段长度≥3d。
2)箍筋需作135°弯钩,弯弧内直径≥4d,平直部分≥10d。
3)钢筋作大于90°弯折时,弯折处的弯弧内直径≥5d。
检查数量:按每工作班同一类型钢筋、同一加工设备抽查不应少于3件。
检查方法:钢尺检查。
②一般项目
1)HPB235级钢筋的冷拉率不宜大于4%;
2)HRB400级钢筋的冷拉率不宜大于1%。
检查数量:按每工作班同一类型钢筋、同一加工设备抽查不应少于3件。
检查方法:观察,钢尺检查。
(3)钢筋连接
①主控项目
1)纵向受力钢筋的连接方式按图纸要求。
2)应按国家现行便准《钢筋机械连接通用技术规程》JGJ107、《钢筋焊接及验收规程》JGJ18的规定抽取钢筋机械连接接头,焊接接头试件作力学性能检验,其质量应符合有关规程规定。
检查数量:按有关规程确定。
检验方法:检查产品合格证、接头力学性能试验报告。
②一般项目
钢筋接头宜设置在受力较小处。
同一纵向受力钢筋不宜设置两个或两个以上接头。
接头末端至钢筋弯起点的距离不应小于钢筋直径的10倍。
检查数量:全数检查。
检验方法:观察,钢尺检查。
(4)钢筋安装
①主控项目
1)钢筋安装时,受力钢筋的品种、级别、规格和数量必须符合图纸设计要求。
检查数量:全数检查。
检验方法:观察、钢尺检查。
②一般项目
钢筋安装位置偏差应符合下表的规定:
7.安全措施与检查
7.1安全方针:认真贯彻“安全第一、预防为主”的安全方针。
7.2安全教育:进入现场进行安全教育,执行企业的安全生产管理制度,服从现场安全生产管理规定,制定本项工程的安全技术措施,随时检查保障安全。
7.3安全措施:制定防高空坠落、防滑、防火等措施,用电作业与用电设备的控制,钢筋操作人员的安全防犯。
7.4安全交底:根据安全交底的原则与要求,编制安全交底。
7.5安劳装备:进入现场戴安全帽,系安全带,按规定配备劳保用品并合理使用
8.劳动组织与工效
8.1劳动组织
8.2工效:按定额表计算该钢筋工程的用工数量:
计算:钢筋加工:9.20工日/t×0.408t=3.754工日
钢筋下料:9.67工日/t×0.408t=3.945工日
钢筋安装:9.46工日/t×0.408t=3.86工日
机械连接:8.28工日/百个×0.16个=1.325工日
合计:3.754+3.945+3.86+1.325=12.884工日
9.施工组织与管理
9.1施工前准备
施工前的准备工作主要有以下方面,即应做好技术、材料、机具、人力、现场、施工方案等六项准备工作。
9.2劳动力资源
与钢筋工程配合施工的工种还包括:模板工、架子工、水电安装工。
9.3进场材料检验
(1)与钢筋工程有关的材料,必须做到三证齐全,即材料出厂合格证、抽样检验证(复试合格证)、材料检验合格证,并符合有关规定要求。
(2)按照《混凝土结构工程施工质量验收规范》GB50204-2002的规定。
(3)试验报告内各项测定指数应符合下表规定:
9.4质量控制
(1)质量检验实行自检、互检、交接检三检制度。
中、高级工加工、安装弯成后,技师在进行过程检查中全面检查操作与成品质量。
(2)及时与班组、监理及有关人员办理钢筋验收手续并形成记录。
9.5施工记录
做好该钢筋工程的各项记录。
10.文明环保要求
说明双牛腿柱钢筋施工工程对环境的要求;按技术交底、方案文件组织施工;使用各种机械、设备、工具;钢筋保管堆放的基本要求;对双牛腿柱钢筋工程钢筋用量的控制和节约措施;工程场容场貌、钢筋施工部位的清理卫生。
(四)成本核算与技术培训指导
1.钢筋施工成本
(1)人工工资:32元/工日×12.884工日=412.29元
(2)钢筋:4200元/t×(0.7126+0.2020)×1.03+3800元/t×0.316
=4200元/t×0.942+3800元/t×0.316
=3956.4+1200.8=5157.20元
(3)22#镀锌铁丝:3.88元/kg×9.41kg=36.52元
(4)套筒:6.5元/个×16个=104元
(5)塑料定位卡:(8×6+12)×2×0.12元/个=120×0.12=14.4元
(6)机械成本:
1)调直机:14元/台班×0.420=5.88元
2)切断机:18元/台班×0.420=7.56元
3)弯曲机:22元/台班×0.420=9.24元
4)套丝机:24元/台班×16个/76个=5.06元
2.技术培训指导
2.1技术培训:针对双牛腿排架柱的钢筋工程应对操作人员进行钢筋机械安全使用和钢筋配筋及结构受力常识的培训。
2.2技术指导:重点指导新技术粗直径钢筋直螺纹套筒连接和规范对钢筋加工的要求。
(五)新技术创新
1.钢筋工程目前推广应用的新技术:
根据建筑业10项新技术(2005年)中新列钢筋方面重点推广应用的新技术主要有:
(1)HRB400级钢筋应用技术
(2)钢筋焊接网应用技术
(3)粗直径钢筋直螺纹连接技术
(4)无粘结预应力成套技术
(5)有粘结预应力成套技术
(6)预应力拉索施工技术
(7)建筑钢筋部品加工成型与配送技术
(8)计算机电算技术
2.本工程所采用的新技术
在本钢筋工程中采用了两项新技术:
(1)粗直径钢筋直螺纹连接技术
(2)HRB400级钢筋应用技术
3.新技术创新
(1)采用直螺纹套筒连接可节约接头钢筋用量,若按搭接考虑每根主筋可节约40d=40×0.2=0.8m,共可节约0.8×4=3.2m,计3.2m×2.466kg/m=7.89kg。
(2)采用机械连接有利于保证钢筋工程质量、保证主筋轴向受力,消除搭接绑扎或电渣压力焊等质量通病。
(3)双牛腿柱钢筋工程进度图:
横道图
施工准备钢筋加工Ⅰ钢筋下料Ⅰ钢筋安装Ⅰ钢筋检查Ⅰ
网络图。