(完整版)A4安全检查表分析(SCL)+评价记录
- 格式:xls
- 大小:177.02 KB
- 文档页数:4
安全检查表分析(SCL+LS)评价记录单位:风险点(区域/装置/设备/设施):风机(记录受控号)№: 001分析人员:日期:审核人:日期:审定人:日期:安全检查表分word格式版本析(SCL+LS)评价记录单位:风险点(区域/装置/设备/设施):变压器(记录受控号)№: 002word格式版本安全检查表分析(SCL+LS)评价记录单位:风险点(区域/装置/设备/设施):开关柜记录受控号)№:003word格式版本安全检查表分析(SCL+LS)评价记录单位:风险点(区域/装置/设备/设施):配电室(记录受控号)№:004word格式版本分析人员:日期:审核人:日期:审定人:日期安全检查表分析(SCL+LS)评价记录单位:风险点(区域/装置/设备/设施):空气压缩机(记录受控号)№:005word格式版本word格式版本安全检查表分析(SCL+LS)评价记录单位:风险点(区域/装置/设备/设施):电烤箱(记录受控号)№:006word格式版本分析人员:日期:审核人:日期:审定人:日期安全检查表分析(SCL+LS)评价记录单位:风险点(区域/装置/设备/设施):全自动压着机(记录受控号)№: 007word格式版本分析人员:日期:审核人:日期:审定人:日期word格式版本安全检查表分析(SCL+LS)评价记录单位:风险点(区域/装置/设备/设施):半自动压着机(记录受控号)№: 008word格式版本分析人员:日期:审核人:日期:审定人:日期word格式版本安全检查表分析(SCL+LS)评价记录单位:风险点(区域/装置/设备/设施):压力机(冲床)(记录受控号)№: 009word格式版本分析人员:日期:审核人:日期:审定人:日期word格式版本安全检查表分析(SCL+LS)评价记录单位:风险点(区域/装置/设备/设施):注塑机(记录受控号)№: 010word格式版本分析人员:日期:审核人:日期:审定人:日期word格式版本安全检查表分析(SCL+LS)评价记录单位:风险点(区域/装置/设备/设施):气密机(记录受控号)№:011分析人员:日期:审核人:日期:审定人:日期word格式版本安全检查表分析(SCL+LS)评价记录单位:风险点(区域/装置/设备/设施):模温机(记录受控号)№: 012分析人员:日期:审核人:日期:审定人:日期word格式版本安全检查表分析(SCL+LS)评价记录单位:风险点(区域/装置/设备/设施):NEXT机(记录受控号)№: 013分析人员:日期:审核人:日期:审定人:日期word格式版本安全检查表分析(SCL+LS)评价记录单位:风险点(区域/装置/设备/设施):导通机(记录受控号)№: 014分析人员:日期:审核人:日期:审定人:日期word格式版本安全检查表分析(SCL+LS)评价记录单位:风险点(区域/装置/设备/设施):激光机(记录受控号)№: 015分析人员:日期:审核人:日期:审定人:日期word格式版本安全检查表分析(SCL+LS)评价记录单位:风险点(区域/装置/设备/设施):电焊机(记录受控号)№:016分析人员:日期:审核人:日期:审定人:日期word格式版本安全检查表分析(SCL+LS)评价记录单位:风险点(区域/装置/设备/设施):切割机(记录受控号)№:017分析人员:日期:审核人:日期:审定人:日期word格式版本安全检查表分析(SCL+LS)评价记录单位:风险点(区域/装置/设备/设施):液化气瓶(记录受控号)№:018分析人员:日期:审核人:日期:审定人:日期word格式版本安全检查表分析(SCL+LS)评价记录单位:风险点(区域/装置/设备/设施):砂轮机(记录受控号)№:019分析人员:日期:审核人:日期:审定人:日期word格式版本安全检查表分析(SCL+LS)评价记录单位:风险点(区域/装置/设备/设施):角磨机(记录受控号)№:020分析人员:日期:审核人:日期:审定人:日期word格式版本安全检查表分析(SCL+LS)评价记录单位:风险点(区域/装置/设备/设施):厂房(记录受控号)№: 021word格式版本word格式版本分析人员:日期:审核人:日期:审定人:日期:word格式版本安全检查表分析(SCL+LS)评价记录单位:风险点(区域/装置/设备/设施):灭火器(记录受控号)№: 022分析人员:日期:审核人:日期:审定人:日期word格式版本安全检查表分析(SCL+LS)评价记录单位:风险点(区域/装置/设备/设施):打印机等办公用品(记录受控号)№:023分析人员:日期:审核人:日期:审定人:日期word格式版本安全检查表分析(SCL+LS)评价记录单位:风险点(区域/装置/设备/设施):仓库(记录受控号)№: 024word格式版本word格式版本分析人员:日期:审核人:日期:审定人:日期word格式版本安全检查表分析(SCL+LS)评价记录单位:风险点(区域/装置/设备/设施):食堂(记录受控号)№:025word格式版本安全检查表分析(SCL+LS)评价记录单位:风险点(区域/装置/设备/设施):办公车辆(记录受控号)№: 026word格式版本word格式版本。
A4:安全检查表分析(SCL)评价记录安全检查表分析(SCL)+评价记录(记录受控号)单位(风险点):生产车间岗位:铣床操作工设备设施:铣床№:02分析人:日期:审核人:日期:审定人:日期:专业资料学习参考安全检查表分析(SCL)+评价记录(记录受控号)单位(风险点):生产车间岗位:车床操作工设备设施:车床№:03专业资料学习参考分析人:日期:审核人:日期:审定人:日期:安全检查表分析(SCL)+评价记录(记录受控号)单位(风险点):生产车间岗位:刨床操作工设备设施:刨床№:04专业资料学习参考分析人:日期:审核人:日期:审定人:日期:安全检查表分析(SCL)+评价记录(记录受控号)单位(风险点):生产车间岗位:钻床操作工设备设施:钻床№:05专业资料学习参考专业资料学习参考分析人: 日期: 审核人: 日期: 审定人: 日期:安全检查表分析(SCL )+评价记录(记录受控号)单位(风险点):生产车间 岗位:磨床操作工 设备设施:磨床№:06分析人:日期:审核人:日期:审定人:日期:安全检查表分析(SCL)+评价记录(记录受控号)单位(风险点):生产车间岗位:滚齿机操作工设备设施:滚齿机№:07专业资料学习参考分析人:日期:审核人:日期:审定人:日期:安全检查表分析(SCL)+评价记录(记录受控号)单位(风险点):生产车间岗位:加工中心操作工设备设施:加工中心№:08专业资料学习参考分析人:日期:审核人:日期:审定人:日期:安全检查表分析(SCL)+评价记录专业资料学习参考(记录受控号)单位(风险点):生产车间岗位:剪板机操作工设备设施:剪板机№:09分析人:日期:审核人:日期:审定人:日期:专业资料学习参考安全检查表分析(SCL)+评价记录(记录受控号)单位(风险点):生产车间岗位:折弯机操作工设备设施:折弯机№:10分析人:日期:审核人:日期:审定人:日期:专业资料学习参考安全检查表分析(SCL)+评价记录(记录受控号)单位(风险点):生产车间岗位:电焊工设备设施:电焊机№:11专业资料学习参考分析人:日期:审核人:日期:审定人:日期:安全检查表分析(SCL)+评价记录(记录受控号)单位(风险点):生产车间岗位:喷砂操作工设备设施:空压机№:12专业资料学习参考分析人:日期:审核人:日期:审定人:日期:安全检查表分析(SCL)+评价记录(记录受控号)单位(风险点):生产车间岗位:喷砂操作工设备设施:压缩空气储罐№:13专业资料学习参考分析人:日期:审核人:日期:审定人:日期:安全检查表分析(SCL)+评价记录(记录受控号)单位(风险点):生产车间岗位:操作工设备设施:起重机械№:14专业资料学习参考分析人:日期:审核人:日期:审定人:日期:安全检查表分析(SCL)+评价记录(记录受控号)单位(风险点):生产车间岗位:高压电工设备设施:变压器№:15专业资料学习参考专业资料学习参考分析人:日期:审核人:日期:审定人:日期:安全检查表分析(SCL)+评价记录(记录受控号)单位(风险点):生产车间岗位:电工设备设施:配电箱№:16 专业资料学习参考分析人:日期:审核人:日期:审定人:日期:专业资料学习参考。
A4安全检查表分析(SCL-LS)评价记录简介A4安全检查表分析(SCL-LS)是一种全面的企业安全评估工具,它能够帮助企业识别出潜在的风险和安全漏洞,并为企业制定合适的解决方案。
本文将对使用SCL-LS进行企业安全评价的过程及结果进行详细分析,并提供评价建议。
检查项目SCL-LS涵盖了众多的检查项目,包括以下几个方面:1.信息安全管理体系(ISMS):评定企业是否建立了完善的ISMS,并且是否能够有效地运行和维护。
2.硬件安全:评估企业硬件安全方案的有效性,包括网络和服务器的安全设置,以及数据备份和还原的效率等。
3.软件安全:评估企业软件安全方案的有效性,包括操作系统、防病毒软件等的安装和升级,语言开发环境的安全设置,以及应用程序安全漏洞处理的能力等。
4.数据安全:评估企业数据加密和备份还原的机制的有效性,包括网络通信、应用程序和数据库中的敏感数据加密等。
5.人员安全:评估企业的安全培训和人员准入管理措施的有效性,包括岗位安全责任的明确性、员工安全意识和技能的培训,以及员工准入管理和离职管理等。
通过对这些方面的全面评估,SCL-LS能够帮助企业发现安全方面可能存在的风险点,并提供相应的解决方案。
评估结果在根据SCL-LS进行调查和分析后,我们获得了以下评估结果:信息安全管理体系(ISMS)企业已经建立了完善的ISMS,并且能够有效地运行和维护。
但是,在风险管理措施和安全事件应急响应体系方面还需要加强。
硬件安全企业硬件安全方案的有效性较高,网络配置和服务器设置都符合安全运营标准。
但是,对于数据备份和还原的机制需要加强改进。
软件安全企业的软件安全方案需要加强改进。
尽管公司已经采取了一些安全措施,但仍然存在一些漏洞,应用程序安全处理的流程和机制需要进一步改进。
数据安全企业数据加密和备份还原的机制比较完善,并且符合安全运营标准。
人员安全企业对员工的安全培训和准入管理措施需要加强改进,员工安全意识和技能方面还存在一些差距。
安全检查表分析(SCL+LS)评价记录单位: 风险点(区域/装置/设备/设施):风机(记录受控号)№: 001努力分析人员:日期:审核人: 日期:审定人:日期:安全检查表分析(SCL+LS)评价记录单位:风险点(区域/装置/设备/设施):变压器(记录受控号)№: 002努力分析人员:日期: 审核人:日期:审定人:日期:努力安全检查表分析(SCL+LS)评价记录单位:风险点(区域/装置/设备/设施):开关柜记录受控号)№:003努力分析人员:日期:审核人:日期:审定人:日期:安全检查表分析(SCL+LS)评价记录单位:风险点(区域/装置/设备/设施):配电室(记录受控号)№:004努力分析人员:日期:审核人:日期:审定人: 日期安全检查表分析(SCL+LS)评价记录单位: 风险点(区域/装置/设备/设施):空气压缩机(记录受控号)№:005努力努力努力分析人员:日期:审核人:日期:审定人: 日期:安全检查表分析(SCL+LS)评价记录单位:风险点(区域/装置/设备/设施):电烤箱(记录受控号)№:006努力分析人员:日期:审核人:日期:审定人:日期努力安全检查表分析(SCL+LS)评价记录单位:风险点(区域/装置/设备/设施):全自动压着机(记录受控号)№: 007努力努力分析人员:日期: 审核人:日期: 审定人: 日期安全检查表分析(SCL+LS)评价记录单位:风险点(区域/装置/设备/设施):半自动压着机(记录受控号)№: 008努力努力分析人员:日期:审核人:日期:审定人:日期努力安全检查表分析(SCL+LS)评价记录单位:风险点(区域/装置/设备/设施):压力机 (冲床)(记录受控号)№: 009努力努力分析人员: 日期:审核人:日期:审定人:日期努力安全检查表分析(SCL+LS)评价记录单位:风险点(区域/装置/设备/设施) :注塑机(记录受控号)№: 010努力努力分析人员:日期: 审核人:日期:审定人:日期努力安全检查表分析(SCL+LS)评价记录单位:风险点(区域/装置/设备/设施) :气密机(记录受控号)№:011努力努力分析人员:日期:审核人:日期:审定人:日期安全检查表分析(SCL+LS)评价记录单位:风险点(区域/装置/设备/设施):模温机 (记录受控号)№: 012努力分析人员: 日期: 审核人: 日期:审定人:日期努力安全检查表分析(SCL+LS)评价记录单位:风险点(区域/装置/设备/设施) :NEXT机(记录受控号)№: 013努力分析人员:日期:审核人:日期:审定人:日期安全检查表分析(SCL+LS)评价记录单位:风险点(区域/装置/设备/设施):导通机(记录受控号)№: 014努力分析人员: 日期:审核人:日期: 审定人: 日期努力安全检查表分析(SCL+LS)评价记录单位:风险点(区域/装置/设备/设施):激光机(记录受控号)№: 015努力分析人员:日期:审核人: 日期: 审定人:日期安全检查表分析(SCL+LS)评价记录单位:风险点(区域/装置/设备/设施) :电焊机(记录受控号)№:016努力分析人员:日期: 审核人: 日期:审定人:日期安全检查表分析(SCL+LS)评价记录努力单位:风险点(区域/装置/设备/设施):切割机(记录受控号)№:017努力分析人员:日期:审核人: 日期:审定人: 日期安全检查表分析(SCL+LS)评价记录单位:风险点(区域/装置/设备/设施):液化气瓶(记录受控号)№:018努力分析人员:日期:审核人:日期:审定人:日期安全检查表分析(SCL+LS)评价记录努力单位:风险点(区域/装置/设备/设施) :砂轮机(记录受控号)№:019分析人员: 日期:审核人:日期: 审定人: 日期努力安全检查表分析(SCL+LS)评价记录单位:风险点(区域/装置/设备/设施) :角磨机 (记录受控号)№:020努力分析人员:日期:审核人:日期:审定人:日期安全检查表分析(SCL+LS)评价记录(记录受控号)№: 021单位:风险点(区域/装置/设备/设施):厂房努力努力努力努力分析人员:日期:审核人:日期:审定人:日期:努力安全检查表分析(SCL+LS)评价记录单位:风险点(区域/装置/设备/设施) :灭火器(记录受控号)№: 022努力分析人员: 日期:审核人:日期:审定人:日期安全检查表分析(SCL+LS)评价记录单位:风险点(区域/装置/设备/设施) :打印机等办公用品(记录受控号)№:023努力分析人员:日期:审核人:日期: 审定人:日期努力安全检查表分析(SCL+LS)评价记录单位:风险点(区域/装置/设备/设施):仓库(记录受控号)№: 024努力努力分析人员:日期: 审核人:日期:审定人:日期努力努力安全检查表分析(SCL+LS)评价记录单位:风险点(区域/装置/设备/设施) :食堂(记录受控号)№:025努力分析人员:日期: 审核人:日期:审定人:日期安全检查表分析(SCL+LS)评价记录单位:风险点(区域/装置/设备/设施) :办公车辆(记录受控号)№: 026努力。
安全检查表分析(SCL评价记录安全检查表分析(SCL)+评价记录(记录受控号)单位(风险点):生产车间岗位:细纱操作工设备设施:细纱机2:02安全检查表分析(SCL)+评价记录(记录受控号)单位(风险点):生产车间岗位:粗纱操作工设备设施:粗纱机2:03分析人:日期:审核人:日期:审定人:日期:安全检查表分析(SCL)+评价记录(记录受控号)单位(风险点):生产车间岗位:粗纱操作工设备设施:粗纱机2:03分析人:日期:审核人:日期:审定人:日期:安全检查表分析(SCL)+评价记录(记录受控号)单位(风险点):生产车间岗位:刨床操作工设备设施:刨床2:4安全检查表分析(SCL)+评价记录(记录受控号)单位(风险点):生产车间岗位:络筒操作工设备设施:络筒机2:5分析人:日期:审核人:日期:审定人:日期:安全检查表分析(SCL)+评价记录(记录受控号)单位(风险点):生产车间岗位:络筒操作工设备设施:络筒机2:6分析人:日期:审核人:日期:审定人:日期:安全检查表分析(SCL)+评价记录(记录受控号)单位(风险点):生产车间岗位:并条操作工设备设施:条并卷机血:06分析人:日期:审核人:日期:审定人:日期:安全检查表分析(SCL)+评价记录(记录受控号)单位(风险点):生产车间岗位:并条操作工设备设施:条并卷机血:06分析人:日期:审核人:日期:审定人:日期:安全检查表分析(SCL ) +评价记录岗位:空压机房操作工设备设施:空压机分析人:日期:审核人:日期:审定人:日期:^: 07(记录受控号)单位(风险点):生产车间安全检查表分析(SCL)+评价记录(记录受控号)单位(风险点):生产车间岗位:转杯纺操作工设备设施:转杯纺血:8安全检查表分析(SCL)+评价记录(记录受控号)单位(风险点):生产车间岗位:梳棉操作工设备设施:梳棉机血:9分析人:日期:审核人:日期:审定人:日期:安全检查表分析(SCL)+评价记录(记录受控号)单位(风险点):生产车间岗位:维修工设备设施:血:10安全检查表分析(SCL)+评价记录(记录受控号)单位(风险点):生产车间岗位:电焊工设备设施:电焊机2:11分析人:日期:审核人:日期:审定人:日期:安全检查表分析(SCL)+评价记录(记录受控号)单位(风险点):生产车间岗位:电焊工设备设施:电焊机2:12分析人:日期:审核人:日期:审定人:日期:安全检查表分析(SCL)+评价记录(记录受控号)单位(风险点):生产车间岗位:精梳操作工设备设施:精梳机血:13分析人: 日期: 审核人: 日期:审定人:日期:安全检查表分析(SCL ) +评价记录岗位:仓库设备设施:^: 13 (记录受控号)单位(风险点):生产车间安全检查表分析(SCL)+评价记录(记录受控号)单位(风险点):生产车间岗位:高压电工设备设施:变压器^: 14分析人: 日期: 审核人: 日期:审定人: 日期:安全检查表分析(SCL ) +评价记录岗位:电工设备设施:配电箱^: 15审定人:日期: 审核人: 日期:日期:(记录受控号)单位(风险点):生产车间分析人:。
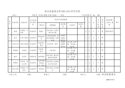
安全检查表分析(SCL+LS)评价记录单位:风险点(区域 / 装置 / 设备 / 设施):风机(记录受控号)№:001序未达标准检查项目检查标准的主要后号果1基础无裂痕、无设备损坏沉降2电压正常不缺相设备损坏3风机外壳密封无破损设备损坏4联轴器无破损设备损坏5轴承无异声烧毁电机6润滑油无变质、油设备损坏位正常7进出风道无破损、无设备损坏异声工程技术规范施工配备电压表选型符合要求安装规范、找正轴承配套选择质量好的油品、制定规范安装现有安全控制措施L S R管理措施培训教个体防护应急处育置定时巡查、出现问236题及时加固认真检查电盘、电定期风表刻度清晰,定期机操作236检测规程培定期风安全帽、防护定时巡检、维护机操作服、防护鞋、133规程培护目镜安全帽、防护定时巡检服、防护鞋、133护目镜定时巡检,重点检安全帽、防护服、防护鞋、224查轴承室温度护目镜定时巡检,检查油122位并及时添加定时巡检,及时维安全帽、防护224护服、防护鞋、护目镜评管建议新增价控(改进)措备注级级施别别4黄提高防范意识4黄5蓝5蓝4黄5蓝4黄分析人员:日期:审核人:日期:审定人:日期:安全检查表分析(SCL+LS)评价记录单位:风险点(区域 / 装置 / 设备 / 设施):变压器(记录受控号)№:002现有安全控制措施评备注未达标准管序价检查标准的主要后LS R 建议新增(改进)检查项目级控号果工程技术管理措施培训教育个体防护应急处置措施级别别定期清扫,采购规范的瓷套清洁设备损伤保持瓷套设备表面清洁定时检查,采购规范的油箱无渗漏设备损伤维护保养设备得当定时检查,接地良好设备损坏按规范接地维护保养得当定时检查,风雨罩进行风雨罩完好设备损坏保持各部固定安装件无锈蚀5温度计灵敏完好选择量程适定时检查,设备损坏按期检定合的温度计有电工按6接线盒完好设备损坏时检查,维护开展用电正确穿戴安全知识绝缘劳保培训。
用品。
开展用电正确穿戴安全知识绝缘劳保培训。
A4安全检查表分析(SCL-LS)评价记录概述安全检查表是企业日常安全管理工作中的重要环节,对于发现隐患、排查安全问题具有非常重要的意义。
本文主要讲解研究了关于A4安全检查表分析(SCL-LS)评价记录的相关内容。
SCL-LS评价记录SCL-LS评价记录是指在执行A4安全检查表时,对检查结果进行系统性、科学性评价,以便更好的发现和处理安全问题。
其中SCL表示System Condition Level,LS表示Loss Severity。
其基本思路是将企业的安全系统条件与事故损失程度相联系,通过对安全问题的系统排序和分类,更好的分辨出优先重点处理的安全问题。
通过对A4安全检查表的评价,可以更好地发现企业的安全管理体系不足和缺陷,从而有针对性的采取对应的安全措施。
如果评价过程得当,可以更好地发掘和暴露出隐患,及时消除安全风险,保护员工的生命财产安全。
A4安全检查表分析A4安全检查表是一种常用的企业日常安全检查手段。
其不仅简单易懂,而且针对性强,能够快速发现企业的安全问题和隐患。
其主要特点包括:1.简单易用:A4安全检查表可以直接印刷使用,对用户来说操作简单、明确,易于管理。
2.特点明显:A4安全检查表的内容有针对性,能够很好地辨别出实际安全工作中的问题和隐患。
3.效果显著:通过使用A4安全检查表,可以更好地发现安全隐患,提高企业的安全生产水平。
在实际的安全管理中,A4安全检查表分为多个分类,分别对不同的环节做出检查。
通过人员专业的操作,可以得到一起详细的安全风险状况,对后续的安全管理工作具有非常重要的作用和帮助。
结语A4安全检查表分析(SCL-LS)评价记录,对于企业的安全管理工作有着非常重要的意义。
通过执行A4安全检查表并进行SCL-LS评价记录,可以更好地发现企业的安全风险和隐患,为安全生产提供有力的保障。
针对A4安全检查表的实践操作,需要进行掌握,通过对于每一个检查事项的细致认真,准确识别问题,进一步做好后续的整改措施落实。
(完整)A4安全检查表分析(SCL LS)评价记录(最新修正版)-精心整理(完整)A4安全检查表分析(SCL LS)评价记录(最新修正版)-精心整理编辑整理:尊敬的读者朋友们:这里是精品文档编辑中心,本文档内容是由我和我的同事精心编辑整理后发布的,发布之前我们对文中内容进行仔细校对,但是难免会有疏漏的地方,但是任然希望((完整)A4安全检查表分析(SCL LS)评价记录(最新修正版)-精心整理)的内容能够给您的工作和学习带来便利。
同时也真诚的希望收到您的建议和反馈,这将是我们进步的源泉,前进的动力。
本文可编辑可修改,如果觉得对您有帮助请收藏以便随时查阅,最后祝您生活愉快业绩进步,以下为(完整)A4安全检查表分析(SCL LS)评价记录(最新修正版)-精心整理的全部内容。
努力安全检查表分析(SCL+LS)评价记录单位:风险点(区域/装置/设备/设施) :风机(记录受控号)№: 001努力分析人员:日期:审核人:日期:审定人:日期:安全检查表分析(SCL+LS)评价记录单位:风险点(区域/装置/设备/设施) :变压器(记录受控号)№: 002努力努力分析人员: 日期:审核人:日期:审定人:日期:安全检查表分析(SCL+LS)评价记录单位:风险点(区域/装置/设备/设施):开关柜记录受控号)№:003努力分析人员: 日期:审核人:日期: 审定人: 日期:安全检查表分析(SCL+LS)评价记录单位: 风险点(区域/装置/设备/设施):配电室(记录受控号)№:004努力努力分析人员:日期:审核人: 日期:审定人:日期安全检查表分析(SCL+LS)评价记录单位: 风险点(区域/装置/设备/设施) :空气压缩机(记录受控号)№:005努力努力努力努力分析人员: 日期: 审核人: 日期: 审定人: 日期:安全检查表分析(SCL+LS)评价记录单位: 风险点(区域/装置/设备/设施) :电烤箱 (记录受控号)№:006努力分析人员:日期:审核人:日期:审定人:日期安全检查表分析(SCL+LS)评价记录单位:风险点(区域/装置/设备/设施):全自动压着机 (记录受控号)№: 007努力努力分析人员:日期: 审核人:日期:审定人:日期努力安全检查表分析(SCL+LS)评价记录单位:风险点(区域/装置/设备/设施):半自动压着机(记录受控号)№: 008努力努力分析人员:日期:审核人:日期:审定人:日期努力安全检查表分析(SCL+LS)评价记录单位: 风险点(区域/装置/设备/设施):压力机 (冲床)(记录受控号)№: 009努力努力分析人员:日期:审核人: 日期:审定人: 日期努力安全检查表分析(SCL+LS)评价记录单位:风险点(区域/装置/设备/设施):注塑机(记录受控号)№: 010努力努力分析人员:日期:审核人:日期:审定人:日期努力安全检查表分析(SCL+LS)评价记录单位:风险点(区域/装置/设备/设施):气密机 (记录受控号)№:011努力分析人员:日期:审核人: 日期: 审定人:日期安全检查表分析(SCL+LS)评价记录单位:风险点(区域/装置/设备/设施) :模温机(记录受控号)№: 012努力努力分析人员:日期:审核人:日期:审定人:日期安全检查表分析(SCL+LS)评价记录单位:风险点(区域/装置/设备/设施):NEXT机(记录受控号)№: 013努力努力分析人员: 日期:审核人:日期:审定人:日期安全检查表分析(SCL+LS)评价记录单位:风险点(区域/装置/设备/设施) :导通机 (记录受控号)№: 014努力努力分析人员:日期:审核人:日期:审定人: 日期安全检查表分析(SCL+LS)评价记录单位: 风险点(区域/装置/设备/设施) :激光机 (记录受控号)№: 015努力分析人员:日期:审核人:日期:审定人:日期努力安全检查表分析(SCL+LS)评价记录单位: 风险点(区域/装置/设备/设施):电焊机(记录受控号)№:016努力分析人员: 日期:审核人: 日期:审定人:日期安全检查表分析(SCL+LS)评价记录单位:风险点(区域/装置/设备/设施):切割机(记录受控号)№:017努力努力分析人员: 日期:审核人: 日期:审定人:日期努力安全检查表分析(SCL+LS)评价记录单位:风险点(区域/装置/设备/设施) :液化气瓶(记录受控号)№:018努力努力分析人员:日期: 审核人:日期:审定人:日期安全检查表分析(SCL+LS)评价记录单位:风险点(区域/装置/设备/设施) :砂轮机 (记录受控号)№:019努力分析人员:日期: 审核人:日期:审定人: 日期安全检查表分析(SCL+LS)评价记录单位:风险点(区域/装置/设备/设施):角磨机(记录受控号)№:020努力努力分析人员:日期:审核人:日期:审定人:日期安全检查表分析(SCL+LS)评价记录单位:风险点(区域/装置/设备/设施):厂房(记录受控号)№: 021努力努力努力努力努力分析人员: 日期: 审核人:日期:审定人: 日期:安全检查表分析(SCL+LS)评价记录单位:风险点(区域/装置/设备/设施) :灭火器(记录受控号)№: 022努力。
安全检查表分析(SCL+LS)评价记录单位:风险点(区域/装置/设备/设施):风机(记录受控号)№: 0011分析人员:日期:审核人:日期:审定人:日期:安全检查表分析(SCL+LS)评价记录单位:风险点(区域/装置/设备/设施):变压器(记录受控号)№: 0022分析人员:日期:审核人:日期:审定人:日期:安全检查表分析(SCL+LS)评价记录3单位:风险点(区域/装置/设备/设施):开关柜记录受控号)№:0034分析人员:日期:审核人:日期:审定人:日期:安全检查表分析(SCL+LS)评价记录单位:风险点(区域/装置/设备/设施):配电室(记录受控号)№:0045分析人员:日期:审核人:日期:审定人:日期安全检查表分析(SCL+LS)评价记录单位:风险点(区域/装置/设备/设施):空气压缩机(记录受控号)№:00567分析人员:日期:审核人:日期:审定人:日期:安全检查表分析(SCL+LS)评价记录单位:风险点(区域/装置/设备/设施):电烤箱(记录受控号)№:0069分析人员:日期:审核人:日期:审定人:日期10安全检查表分析(SCL+LS)评价记录单位:风险点(区域/装置/设备/设施):全自动压着机(记录受控号)№: 00711分析人员:日期:审核人:日期:审定人:日期12安全检查表分析(SCL+LS)评价记录单位:风险点(区域/装置/设备/设施):半自动压着机(记录受控号)№: 00813分析人员:日期:审核人:日期:审定人:日期14安全检查表分析(SCL+LS)评价记录单位:风险点(区域/装置/设备/设施):压力机(冲床)(记录受控号)№: 0091516分析人员:日期:审核人:日期:审定人:日期17安全检查表分析(SCL+LS)评价记录单位:风险点(区域/装置/设备/设施):注塑机(记录受控号)№: 0101819分析人员:日期:审核人:日期:审定人:日期20安全检查表分析(SCL+LS)评价记录单位:风险点(区域/装置/设备/设施):气密机(记录受控号)№:01121分析人员:日期:审核人:日期:审定人:日期22安全检查表分析(SCL+LS)评价记录单位:风险点(区域/装置/设备/设施):模温机(记录受控号)№: 01223分析人员:日期:审核人:日期:审定人:日期安全检查表分析(SCL+LS)评价记录单位:风险点(区域/装置/设备/设施):NEXT机(记录受控号)№: 01324分析人员:日期:审核人:日期:审定人:日期25安全检查表分析(SCL+LS)评价记录单位:风险点(区域/装置/设备/设施):导通机(记录受控号)№: 01426分析人员:日期:审核人:日期:审定人:日期安全检查表分析(SCL+LS)评价记录单位:风险点(区域/装置/设备/设施):激光机(记录受控号)№: 01527分析人员:日期:审核人:日期:审定人:日期28安全检查表分析(SCL+LS)评价记录单位:风险点(区域/装置/设备/设施):电焊机(记录受控号)№:01629分析人员:日期:审核人:日期:审定人:日期安全检查表分析(SCL+LS)评价记录单位:风险点(区域/装置/设备/设施):切割机(记录受控号)№:01730分析人员:日期:审核人:日期:审定人:日期安全检查表分析(SCL+LS)评价记录单位:风险点(区域/装置/设备/设施):液化气瓶(记录受控号)№:01831分析人员:日期:审核人:日期:审定人:日期32安全检查表分析(SCL+LS)评价记录单位:风险点(区域/装置/设备/设施):砂轮机(记录受控号)№:01933分析人员:日期:审核人:日期:审定人:日期安全检查表分析(SCL+LS)评价记录单位:风险点(区域/装置/设备/设施):角磨机(记录受控号)№:02034分析人员:日期:审核人:日期:审定人:日期安全检查表分析(SCL+LS)评价记录35单位:风险点(区域/装置/设备/设施):厂房(记录受控号)№: 021363738分析人员:日期:审核人:日期:审定人:日期:39安全检查表分析(SCL+LS)评价记录单位:风险点(区域/装置/设备/设施):灭火器(记录受控号)№: 02240分析人员:日期:审核人:日期:审定人:日期安全检查表分析(SCL+LS)评价记录单位:风险点(区域/装置/设备/设施):打印机等办公用品(记录受控号)№:02341分析人员:日期:审核人:日期:审定人:日期42安全检查表分析(SCL+LS)评价记录单位:风险点(区域/装置/设备/设施):仓库(记录受控号)№: 0244344分析人员:日期:审核人:日期:审定人:日期45安全检查表分析(SCL+LS)评价记录46单位:风险点(区域/装置/设备/设施):食堂(记录受控号)№:025分析人员:日期:审核人:日期:审定人:日期47安全检查表分析(SCL+LS)评价记录单位:风险点(区域/装置/设备/设施):办公车辆(记录受控号)№: 02648分析人员:日期:审核人:日期:审定人:日期49。